直肠息肉病案
- 格式:doc
- 大小:48.00 KB
- 文档页数:8
肠息肉(结、直肠息肉)中医临床路径诊疗方案一、标准住院流程(一)适用对象第一诊断为结肠息肉行内镜下结肠息肉摘除术后,腹痛、腹泻、便血、便秘等症状明显患者。
(二)诊断依据1.疾病诊断(1)中医诊断标准:中医诊断为息肉痔、大肠息肉,参照国家中医药管理局重点专科协作组制定大肠息肉诊断标准。
(2)西医诊断标准:西医诊断为结肠息肉。
诊断标准参照《胃肠病学(第三版)》(郑芝田主编,人民卫生出版社)《临床诊疗指南-消化系统疾病分册》(中华医学会编著,人民卫生出版社)等临床诊断标准。
2.证候诊断参照“国家中医药管理局重点专科协作组大肠息肉(结肠息肉)诊疗方案”。
大肠息肉(结肠息肉)常见临床证候:湿瘀阻滞证。
湿热瘀阻证。
脾虚湿瘀证。
(三)治疗方案的选择参照“国家中医药管理局重点专科协作组肠息肉(结直肠息肉)诊疗方案”。
1.诊断明确,第一诊断为肠息肉(结直肠息肉)。
2.患者适合并接受中医治疗。
(四)标准住院时间为:a息肉摘除术后入院观察的患者:约3个工作日晚。
b入院行息肉摘除术的患者:约4个工作日晚。
(五)进入路径标准1.第一诊断必须符合结肠息肉、直肠息肉的患者。
2.患者已行内镜下治疗。
3.原有或/及术后腹痛、腹泻、便血、便秘等症状明显。
4.若患者同时具有其她疾病,但在住院期间既不需特殊处理,也不影响第一诊断的临床路径流程实施时,可以进入本路径。
5.息肉综合征、多发息肉、大息肉或复杂情况:多发大于5枚以上,或息肉直径≥2cm;或广基息肉;或粗蒂息肉(蒂直径≥1cm);或侧向生长型息肉等患者可不进入本路径;活检病理提示为恶性肿瘤者不进入本路径。
(六)中医证候学观察四诊合参,收集该病种不同证候的主症、次症、舌、脉特点。
注意证候的动态变化。
(七)入院检查项目a息肉摘除术后入院观察的患者:1.必需完成的检查项目:尿常规、大便常规+潜血2.可选择的检查项目:(1)血常规、血型、尿常规、大便常规+潜血。
(2)肝功能、肾功能、电解质、血糖。
第 1 次入院过敏史:无住院号:021主诉:便血3年,加重1月。
现病史:患者肛门不适5年,便血3年,加重1月。
门诊以‘直肠息肉',收住我科,发病以来,大便稀,睡眠差,体重减轻。
既往史:有便血史。
个人史:生于本地,长期外出。
家族史:无传染病史。
体格检查生命体征: T37 ℃ P 70 次/分 R 18 次/分 BP 110 / 60mmHg一般检查:发育:发育正常,营养:营养一般,神志:神志清,体位:自动体位,面容与表情:面容与表情,慢性病荣。
对检查是否合作。
合作。
皮肤、粘膜:无黄染。
淋巴结:无肿大。
头颅:无畸形。
口腔:无异常。
颈部:头部检查体征,无肝静脉回流征,无颈动脉异常搏动,无颈静脉怒张,气管位置。
胸部:胸部对称,无局部隆起、塌陷、压痛、无胸壁下皮下气肿、静脉曲张。
肺部:听诊:肺部听诊结果,无语音传导(语音传导)、干湿性啰音、胸膜摩擦音。
心:视诊:无心前区有隆起,心尖搏动或心脏搏动位置、部位,范围,正常。
触诊:心尖搏动的性质,震颤,心包摩擦感。
均正常。
叩诊:听诊:心率: 70 次/秒,心律:心律,齐,无杂音,A2比较P2强。
周围血管征:毛细血管搏动,射枪音,水冲脉,动脉波动。
腹部:视诊:形状,呼吸运动,增强。
触诊:腹肌紧张,压痛,无反跳痛,无液波震颤、肿块。
肝脏:无结点、压痛、搏动。
胆囊:,murphy征。
《-》脾脏:大小,正常。
肾脏:压痛。
膀胱:无膨胀、肾及输尿管压痛点,无压痛。
叩诊:无肝区叩击痛,无高度鼓音,无肝区叩击痛。
听诊:肠鸣音强,无震水音,血管杂音、。
肛门直肠:视病情需要检查。
视诊:有肿块,裂痕,创面,糜烂。
直肠指检括约肌紧张度,紧张,指诊:狭窄、疼痛、指套染血。
男性:无异常。
脊柱与四肢:脊柱:无压痛、击痛,四肢:无畸形。
专科情况:内镜下可见乳头状肿物,表面糜烂。
有血性分泌物。
直肠1.3.11点触及质软包块达粘膜区,指套染血。
肛门口松弛,脱出物长圆而大,有环状沟纹,多呈锥体形,表面附有黏液。
肠息肉治疗成功案例
——由看处方提供
息肉是指一类从黏膜表面突出的异常生长的组织,在没有确定病理性质前通称为息肉,一般来说,息肉是由于起源于黏膜的细胞生长聚集形成的。
肠息肉是临床常见疾病,其发生率随年龄增加而上升,男性较女性多见。
人体的整个消化道都可以有息肉生长,其中以结肠和直肠息肉为最多,小肠息肉比较少。
案例:父亲59岁,血压偏高,最近经常便秘且腹痛,就去医院做肠镜检查。
检查结果:直乙结肠炎,内痔,乙结肠多发息肉。
治疗过程:2013年7月17日,父亲接受肠镜下息肉治疗(EMR治疗手术),术后医生予补液、维持水电解质平衡及对症支持治疗。
治疗结果:父亲手术后感觉良好,无腹痛,无发热,无呕血、黑便、血便等不适,便出院。
出院带药及建议:
1.合理饮食(清淡饮食,忌烟酒,忌辛辣),注意休息,避免劳累,如有不适及时就诊。
2.消化内科随访,半年后复查肠镜等。
3.出院带药:
康复新液100ml*3盒每日三次每次10ml 口服
复方谷氨酰胺肠溶胶囊1*84粒每日三次每次二粒口服
地衣芽孢杆菌胶囊*4瓶每日三次每次二粒口服
本肠息肉突出案例具体内容图片以及更多肠息肉突出治疗案例请查看看处方。
第 1 次入院过敏史:无住院号:021主诉:便血3年,加重1月。
现病史:患者肛门不适5年,便血3年,加重1月。
门诊以‘直肠息肉',收住我科,发病以来,大便稀,睡眠差,体重减轻。
既往史:有便血史。
个人史:生于本地,长期外出。
家族史:无传染病史。
体格检查生命体征: T37 ℃ P 70 次/分 R 18 次/分 BP 110 / 60mmHg一般检查:发育:发育正常,营养:营养一般,神志:神志清,体位:自动体位,面容与表情:面容与表情,慢性病荣。
对检查是否合作。
合作。
皮肤、粘膜:无黄染。
淋巴结:无肿大。
头颅:无畸形。
口腔:无异常。
颈部:头部检查体征,无肝静脉回流征,无颈动脉异常搏动,无颈静脉怒张,气管位置。
胸部:胸部对称,无局部隆起、塌陷、压痛、无胸壁下皮下气肿、静脉曲张。
肺部:听诊:肺部听诊结果,无语音传导(语音传导)、干湿性啰音、胸膜摩擦音。
心:视诊:无心前区有隆起,心尖搏动或心脏搏动位置、部位,范围,正常。
触诊:心尖搏动的性质,震颤,心包摩擦感。
均正常。
叩诊:听诊:心率: 70 次/秒,心律:心律,齐,无杂音,A2比较P2强。
周围血管征:毛细血管搏动,射枪音,水冲脉,动脉波动。
腹部:视诊:形状,呼吸运动,增强。
触诊:腹肌紧张,压痛,无反跳痛,无液波震颤、肿块。
肝脏:无结点、压痛、搏动。
胆囊:,murphy征。
《-》脾脏:大小,正常。
肾脏:压痛。
膀胱:无膨胀、肾及输尿管压痛点,无压痛。
叩诊:无肝区叩击痛,无高度鼓音,无肝区叩击痛。
听诊:肠鸣音强,无震水音,血管杂音、。
肛门直肠:视病情需要检查。
视诊:有肿块,裂痕,创面,糜烂。
直肠指检括约肌紧张度,紧张,指诊:狭窄、疼痛、指套染血。
男性:无异常。
脊柱与四肢:脊柱:无压痛、击痛,四肢:无畸形。
专科情况:内镜下可见乳头状肿物,表面糜烂。
有血性分泌物。
直肠1.3.11点触及质软包块达粘膜区,指套染血。
肛门口松弛,脱出物长圆而大,有环状沟纹,多呈锥体形,表面附有黏液。
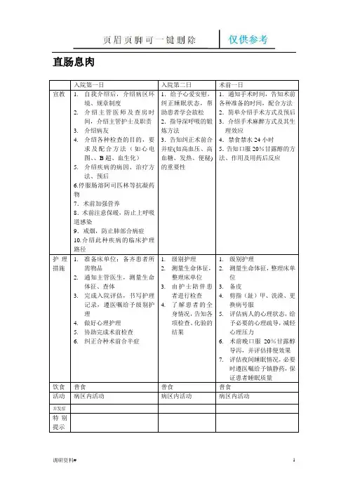
直肠息肉入院第一日入院第二日术前一日宣教 1.自我介绍后,介绍病区环境、规章制度2.介绍主管医师及查房时间,介绍主管护士及职责3.介绍病友4.介绍各种检查的目的,要求及配合方法(如心电图、、B超、血生化)5.介绍疾病的病因、治疗方法、预后6.停服肠溶阿司匹林等抗凝药物7.术前加强营养8.术前注意保暖,防止上呼吸道感染9.戒烟,防止肺部合病症10.介绍此种疾病的临床护理路径1.给予心爱安慰,纠正睡眠状态,帮助患者学会放松2.指导深呼吸的锻炼方法3.告知纠正术前合并症(如高血压、高血糖、发热、便秘)的重要性1.通知手术时间,告知术前各种准备的时间,配合方法2.简单介绍手术方式及预后3.介绍手术麻醉方式及其生理效应4.禁食禁水24小时5.告知口服20%甘露醇的方法、作用及用药后反应护理措施1.准备床单位:备齐患者所需物品2.通知主管医生,测量生命体征、查体3.完成入院评估,书写护理记录,遵医嘱给予级别护理4.做好心理护理5.协助完成术前检查6.纠正合种术前合半症1.级别护理2.测量生命体征,整理床单位3.由护士陪伴患者进行检查4.了解患者的全身情况,告知各项检查、化验的结果1.级别护理2.测量生命体征,整理床单位3.备皮4.剪指(趾)甲、洗澡、更换病号服5.评估病人的心理状态,给予必要的心理疏导,减轻心理压力6.术前晚口服20%甘露醇导泻,并评估排便效果7.评估夜间睡眠情况,必要时遵医嘱给予镇静药,保证患者睡眠质量饮食普食普食普食活动病区内活动病区内活动病区内活动并发症特别提示术日晨术毕回病房术后第一日宣教1.洗漱、排空大小便2.取下义齿、发夹、眼镜、首饰及贵重物品3.女患者询问是否处于月经期,不可化妆,以免影响麻醉师的观察4.肌内注射术前药的目的1.做好家属的指导工作2.教会患者使用放松疗法,减轻疼痛3.告知各体位的目的、重要性4.告知禁食禁水的时间、目的5.告知保持切口敷料干燥的重要性6.告知使用药物的名称、剂量、作用及不良反应1.少量多次口服米油,禁食产气食物及甜食.如牛奶、豆浆、巧克力等2.清水漱口数次3.告知使用药物的名称、剂量、作用及不良反应护理措施1.级别护理2.测量生命体征,整理床单位3.评估肠道准备情况4.术前30分钟肌内注射术前药5.准备病历、相关资料及物品6.与手术室护士交接患者7.准备床单位、氧气、心电监护仪1。
肠道息⾁今天来分享⼀个肠息⾁的病例。
黄某某,⼥,52岁,湖南益阳⼈。
患者10年前患胃炎,肠炎,排便困难做了肠镜检查,发现肠道内有⼤⼩息⾁数⼗枚。
病理切⽚为多发性绒⽑腺瘤,作了第⼀次⼿术,切除了⼀⼤部分⼤的息⾁。
⼗年内共做了五次息⾁切除⼿术,息⾁越切越多,很是痛苦,怕引起肠癌,转⽽想吃中药调理。
我还开玩笑的问她,⼗年了,你就没有想到吃中药调理⼀下肠道的环境,让息⾁⽆处可藏,本没有治好,标是切不完的。
她说,她从来没有想过。
普及中医,相信中医,路漫漫其修远兮,吾求上下求索。
刻诊:腹胀冷痛(⽓滞)。
肛门坠胀(可能有肠套叠,或⾎瘀)。
⼤便稀溏夹粘液(可能肠道发炎)。
每天上厕所5到6次。
⾆质红(体内有热)。
⾆苔薄⽩(体内有寒)。
脉细弦(主痛,主寒,主柴胡证)。
腹胀冷痛(主⽓滞,主下焦寒)。
诊断:⽔饮停于⼩肠,寒热错宗,肠间结滞。
开⽅如下,柴胡24,桂枝12,⽊⾹6,黄芩12,牡蛎15,⼤贝9,⼲姜6,炙⽢草6,乌药9,天花粉12,乌梅30,马齿苋30,陈⽪9,开药7剂。
7剂后疗效中肯,守⽅再进7剂,从此摆脱⼗年的痛苦,连她⾃⼰都难以置信。
分析和⽅解:寒⽓客于肠外,和卫⽓相搏,⽓不得荣,⽔饮凝滞,⼩肠长时间浸于⽔中,寒热错杂。
所以我要和解少阳,化饮散结,通降腑⽓,排泄瘀浊,涩肠⽌泻,寒热平调。
⽅⼦中⼤剂量的乌梅可以酸敛涩肠,祛腐⾁,去死肌,为最佳之品。
佐以⽊⾹⾏⽓消肿,槟榔降⽓⾏滞,乌药⾏⽓⽌痛温肾散寒。
(三药合⽤,通降腑⽓,排泄瘀浊)。
柴胡,黄芩,和解少阳。
桂枝,⼲姜振奋脾阳。
桂枝,牡蛎软坚散结。
柴胡,桂枝升降有度。
黄芩,马齿苋清热化湿,涩肠⽌泻。
天花粉给邪⽓以出路。
⽤药合理,配伍完整,标本兼治,收获满满的。
做下医案,提升⾃⼰。
[呲⽛]。
大肠息肉病历
病人姓名:****
性别:男
年龄:****
主诉:腹痛、腹胀
现病史:
患者于**年*月*日开始出现腹痛、腹胀的症状,伴有排便困难,粪便变形。
症状逐渐加重,无明显的诱因。
患者自诉排尿正常,食欲良好,体重无明显变化。
在**年*月*日时前往就诊。
既往史:
无手术、外伤史,无明显疾病史。
家族史:
父母身体健康,无相关疾病。
体格检查:
一般情况可,神志清楚,面色正常。
口唇粘膜无苍白。
心肺听诊未见异常。
腹部肌张力正常,压痛在右下腹明显,无反跳痛,胃肠型呈对称性。
辅助检查:
1.血常规:白细胞计数正常。
2.肝肾功能:正常。
3.腹部B超:右下腹有一个大小约*cm的息肉样病变,病变边
界清晰,质地较硬,似为纤维瘤样病变。
其他腹部器官未见明显异常。
诊断:
大肠息肉
治疗方案:
给予患者手术治疗,局部切除息肉。
随访:
患者于**年*月*日手术并顺利出院,术后恢复良好。
术后一周进行复查,病灶切缘未见明显异常。
患者无腹痛、腹胀等明显不适症状。
建议定期复查,进行恰当的内镜检查,以排除复发,避免并发症的发生。
入院病历姓名: 性别: 男年龄: 19岁民族: 汉婚况: 已婚职业: 学生出生地: 常住地址:发病节气:霜降单位:病史陈述者:患者本人入院时间:2010 年11月07日09时00分可靠程度:可靠病史采集时间:2010年11月07日09时30分主诉: 反复便后肛内脱出肉状物伴便鲜血3月余。
现病史:患者平素喜食辛辣之物,临厕久蹲努挣3月前因大便秘结不畅、便后肛内脱出肉状物,脱出肉状物不可自行回纳,无粘液脓血便,未作任何处理,每因饮食不慎上症反复发作,今为求彻底治疗,故前来我院就诊。
由门诊以“环状混合痔、直肠息肉”收入院。
入院时症见:便后肛内脱出肉状物,脱出的肉状物不能自行回纳,需手托方可复位,无粘液脓血便,二便调,食可眠安,精神良好,发病前后体重无明显减轻。
既往史:平素体健,否认结核、肝炎、伤寒等传染病史,否认手术、外伤、输血史及中毒史。
预防接种史不详。
过敏史:否认药物及食物过敏史。
其它情况:出生于原籍,现居住在村,近期未到过疫区。
无特殊不良生活嗜好。
未婚,父母体健,否认家族遗传病史。
体格检查T:36.6℃ P:78次/分 R:18次 /分 Bp:105/75mmHg 一般情况可,神志清楚,发育正常,营养中等,自动体位,查体合作,对答切题,全身皮肤粘膜及巩膜无黄染,浅表淋巴结无肿大,头颅五官正常,双侧瞳孔等大等圆,对光及调节反射存在,气管居中,双侧甲状腺无肿大。
颈静脉无怒张,胸廓正常,双肺呼吸动度一致,肺触觉语颤正常,双肺叩诊清音,双肺呼吸音清,未闻及干、湿啰音,无胸膜摩擦音。
心前区无隆起,心尖搏动位置正常,心界正常,心率78次/分,节律整齐,心音有力,未闻及杂音。
腹部平软、左右对称,无胃肠蠕动波,无皮疹、色素、条纹及瘢痕,无局部隆起,腹壁松弛,无压痛,反跳痛及肌紧张,无液波震颤,未触及异常包块,肝脾未触及,胆囊无肿大,各输尿管点无压痛,肝胆区无叩痛,肾区无叩痛,无移动性浊音,肠鸣音正常,约4次/分,未闻及金属音及气过水声。
直肠息肉病历模版如何提高工作效率。
在现代社会,高效率的工作已经成为了一种迫切的需求。
无论是个人还是企业,都需要提高工作效率来更好地完成工作任务,提升竞争力。
然而,要提高工作效率并不是一件容易的事情,需要付出一定的努力和实践。
本文将从个人和团队两个角度,探讨如何提高工作效率。
首先,从个人角度来看,提高工作效率需要具备一定的自我管理能力。
首先要合理安排时间,做到有计划地安排工作和生活,避免拖延和浪费时间。
其次要有明确的工作目标和计划,明确自己的工作重点和时间安排,避免无谓的忙碌和琐事。
同时,要学会自我激励,保持积极的工作态度,对自己的工作有信心和热情,从而更好地完成工作任务。
另外,要学会拒绝无效的事务,避免过多的琐事和干扰,集中精力做好重要的工作。
其次,从团队角度来看,提高工作效率需要建立良好的团队合作机制。
首先要明确分工和职责,让每个人清楚自己的工作职责和目标,避免工作重叠和冲突。
其次要建立有效的沟通机制,及时分享信息和交流想法,避免信息不畅通和误解。
同时要建立有效的反馈机制,及时了解工作进展和问题,及时调整工作计划和策略。
另外,要建立团队协作意识,鼓励团队成员相互帮助和支持,形成良好的工作氛围和团队精神。
除此之外,提高工作效率还需要不断学习和提升自己的工作能力。
要不断学习新知识和技能,跟上时代的步伐,提高自己的工作水平和竞争力。
同时要不断总结和反思工作经验,找出工作中的不足和问题,及时改进和提高工作效率。
另外,要善于利用工具和技术,提高工作效率。
比如,可以利用办公软件来提高工作效率,比如时间管理工具、团队协作工具等,提高工作效率。
总之,提高工作效率是一个综合性的问题,需要个人和团队共同努力。
个人要提高自我管理能力,团队要建立良好的合作机制,共同努力提高工作效率。
同时要不断学习和提升自己的工作能力,善于利用工具和技术,提高工作效率。
相信只要我们不断努力,就一定能够提高工作效率,更好地完成工作任务。
住院号:399142入院记录:主诉:阵发性腹痛3个月。
现病史:患者3个月前无明显诱因出现阵发性腹痛。
无里急后重,无潮热、盗汗,无腹痛、腹胀,无恶心、呕吐,无发热、黄疸。
在当地医院,静滴抗炎药物3天具体不详,治疗过后有好转,行结肠镜检查提示:直肠息肉,为求进一步诊治收入院。
自发病以来,饮食、睡眠可,小便正常。
既往史:一年前因脑外伤行钻孔引流术,无肝炎、结核等传染病史及其密切接触史,无输血史,无食物及药物过敏史,预防接种史不详。
个人史:出生生长于原籍,无外地久居史,生活规律,无烟酒等不良嗜好,无毒物接触史,适龄结婚,子女体健。
家族史:家族中无类似病人,无结核及肝炎患者,无家族性及遗传性疾病史。
体格检查T 36.8 ℃ P 76 次/分 R 19 次/分BP 112/90 mmHg 老年男性,发育正常,营养中等,神志清,精神可,自主体位,查体合作。
全身皮肤粘膜无黄染,无肝掌、蜘蛛痣、瘀点、瘀斑,全身浅表淋巴结未触及肿大。
头颅无畸形,巩膜无黄染,双瞳孔等大等圆,对光反射灵敏。
听力可,外耳道无异常分泌物,乳突区无压痛,鼻无异常分泌物,通气良好,口唇无紫绀,咽无充血,扁桃体无肿大,颈软,颈静脉无怒张,甲状腺不大,胸廓对称无畸形,肋间隙无增宽,语颤无增强,双肺未闻及干湿性啰音及胸膜摩擦音。
心率75次/分,律齐,心脏各瓣膜听诊区未闻及病理性杂音。
腹部低平,无胃肠型及蠕动波,未见腹壁静脉曲张,腹软,全腹无压痛反跳痛,肝脾肋下未触及,肝肾区无叩击痛,Murphy征阴性,移动性浊音阴性,肠鸣音5次/分。
双下肢无水肿。
腹部反射、肱二头肌、三头肌以及跟、膝腱反射正常存在,Babinski征阴性,脑膜刺激征阴性。
专科检查:腹部低平,无胃肠型及蠕动波,未见腹壁静脉曲张,腹软,全腹无压痛反跳痛,肝脾肋下未触及,肝肾区无叩击痛,Murphy征阴性,移动性浊音阴性,肠鸣音5次/分。
辅助检查时间项目结果医院2009-06-18 肠镜直肠:粘膜充血水肿,血管纹理模糊不清。
大肠粘膜上任何可见的突起,不论其大小,形状及组织学类型,均称为大肠息肉。
本病可发生于任何年龄,但多见于2~8岁的儿童,占90%以上,大肠息肉根据病理性质可分为五大类,即新生物性、错构瘤性、炎症性、化生性、其他。
其中新生物性息肉又称大肠腺瘤,可分为管状腺瘤、绒毛状腺瘤、管状绒毛状腺瘤。
且大肠腺瘤关系密切,为一重要癌前病变。
祖国医学对息肉早有认识,《灵枢·水胀篇》:“寒气客于肠外,与卫气相博,气不得营,因有所系,癖而内著,恶气乃生。
”《外科大成。
痔》中说:“悬胆痔,生于脏内,悬于肛外。
”明确指出了息肉的病名、形状和部位。
一、辩证治疗(一)湿热下注症状:大便粘湿带血,肛门灼热不适,下坠伴腹痛、腹泻、腹胀,息肉表面粘着脓性物,糜烂,或有肿物脱出肛外,指诊时可触及肿物,舌质红,苔黄或黄白相兼而腻,脉弦滑细。
治法:清热利湿,理气止血。
方药:黄连解毒汤《外治秘要》加:黄连、黄芩、黄柏、栀子、茯苓、地榆炭、大蓟、小蓟、枳壳加减:若便秘加炒决明(二)肠风下血症状:大便下血,色鲜红或紫黑,量多,肛门不痛或;轻度不适感,肛内指诊可触及息肉样肿物,或无。
舌红苔薄,脉浮数治法:清肠疏风,清凉止血。
方药:便血合剂加减:炒槐花、地检炭、荆芥、黄芩炭、防风、仙鹤草、细生地黄、炒枳壳、生甘草、当归。
(三)气带血瘀症状:病久息肉明显增大,硬而痛,纳少,面暗消瘦,舌质暗,苔白,脉弦滑。
治法:理气活血,化瘀散结。
方药:补阳还五汤《医林改错》加减:生黄芪、全当归、赤芍、地龙、川芎、桃仁、红花、牛膝、穿山甲加减:腹胀、肛门下坠加枳实、木香、(四)脾虚气滞症状:自幼出现便血,时有肿物脱出肛外,腹泻史较长,腹部隐痛,便血时多时少,倦怠懒言,舌淡苔白,脉搏细弱无力。
治法:温中健脾,理气散瘀。
方药:良附丸加:高良姜、制香附、炙黄芪、炒枳实。
加减:便时带血加煅赤石脂、血余炭。
二、灌肠疗法(一)6%明矾液组成: 6%明矾溶液作用:涩肠止血。
第 1 次入院过敏史:无住院号:021病史主诉:便血3年,加重1月。
现病史:患者肛门不适5年,便血3年,加重1月。
门诊以‘直肠息肉',收住我科,发病以来,大便稀,睡眠差,体重减轻。
既往史:有便血史。
个人史:生于本地,长期外出。
家族史:无传染病史。
体格检查生命体征: T37 ℃ P 70 次/分 R 18 次/分 BP 110 / 60mmHg一般检查:发育:发育正常,营养:营养一般,神志:神志清,体位:自动体位,面容与表情:面容与表情,慢性病荣。
对检查是否合作。
合作。
皮肤、粘膜:无黄染。
淋巴结:无肿大。
头颅:无畸形。
口腔:无异常。
颈部:头部检查体征,无肝静脉回流征,无颈动脉异常搏动,无颈静脉怒张,气管位置。
胸部:胸部对称,无局部隆起、塌陷、压痛、无胸壁下皮下气肿、静脉曲张。
肺部:听诊:肺部听诊结果,无语音传导(语音传导)、干湿性啰音、胸膜摩擦音。
心:视诊:无心前区有隆起,心尖搏动或心脏搏动位置、部位,范围,正常。
触诊:心尖搏动的性质,震颤,心包摩擦感。
均正常。
叩诊:左锁骨中线距前正中线 9 cm。
听诊:心率: 70 次/秒,心律:心律,齐,无杂音,A2比较P2强。
周围血管征:毛细血管搏动,射枪音,水冲脉,动脉波动。
腹部:视诊:形状,呼吸运动,增强。
触诊:腹肌紧张,压痛,无反跳痛,无液波震颤、肿块。
肝脏:无结点、压痛、搏动。
胆囊:,murphy征。
《-》脾脏:大小,正常。
肾脏:压痛。
膀胱:无膨胀、肾及输尿管压痛点,无压痛。
叩诊:无肝区叩击痛,无高度鼓音,无肝区叩击痛。
听诊:肠鸣音强,无震水音,血管杂音、。
肛门直肠:视病情需要检查。
视诊:有肿块,裂痕,创面,糜烂。
直肠指检括约肌紧张度,紧张,指诊:狭窄、疼痛、指套染血。
男性:无异常。
脊柱与四肢:脊柱:无压痛、击痛,四肢:无畸形。
专科情况:内镜下可见乳头状肿物,表面糜烂。
有血性分泌物。
直肠1.3.11点触及质软包块达粘膜区,指套染血。
肛门口松弛,脱出物长圆而大,有环状沟纹,多呈锥体形,表面附有黏液。
X年X月X日17:20:14 首次病程记录患者XXX, 性别:男, 年龄:32岁,农民。
因“阵发性便血、腹痛、腹泻1周。
”于X年X月X日16:50:10由门诊以“直肠息肉”收入住院。
值班医师于X年X月X日16:58:40到病房及时查视患者。
病例特点:1、现病史:患者无明显诱因感阵发性便血、腹痛、腹泻1周。
未在院外诊治,今日为求进一步系统诊治急来我院就诊,由门诊以“直肠息肉”收住院。
入院症见:大便不爽,小腹胀痛,便血,肛门坠胀,面色萎黄,患者神清语利,精神可,平素饮食可,夜寐可,小便调、大便质稀。
2、既往史:既往体健。
否认高血压病、冠心病、糖尿病等慢性病病史,否认肝炎、结核、伤寒、疟疾等传染病史,否认重大外伤史、手术史及输血史,否认食物及药物过敏史。
预防接种史不详。
3、体格检查:T:36℃P:78次/分R:19次/分BP:120/85mmHg患者一般情况差,神志清楚,查体合作,对答切题,言语清楚,体型适中,发育正常,营养中等,急性痛苦病容,抬入病房,全身皮肤及巩膜无黄染,未见斑疹、色素沉着,全身浅表淋巴结未触及肿大,头颅五官无畸形,双眼睑无浮肿,双侧瞳孔等大等圆,直径约2mm,对光反射灵敏,鼻外形正常,鼻窦区无压痛,鼻通气良好,鼻中隔无偏曲,鼻无出血。
耳廓正常,外耳道无分泌物,乳突无压痛,双耳听力无障碍,颜面无发绀,口唇红润,黏膜正常,腮腺导管开口正常,舌、齿龈无红肿出血,齿齐,伸舌居中,扁桃体无肿大,咽部无充血及淋巴滤泡增生,声音正常,颈对称,无抵抗感,气管居中,无颈静脉怒张,肝颈静脉逆流征阴性,颈动脉无异常搏动,双侧甲状腺无肿大,质软。
胸廓正常,乳房无异常,胸壁无静脉曲张、皮下气肿等,呼吸运动对称无异常,无肋间增宽或变窄,呼吸动度可,语颤对称无增强、减弱,无胸膜摩擦感、皮下捻发感等,双肺叩诊清音,肺下界及肺下界移动度无异常,双肺呼吸规整,呼吸音正常,双下肺未闻及干、湿啰音及胸膜摩擦音,语音传导无异常,无胸膜摩擦音,心前区无隆起,心尖搏动于锁骨中线内侧第五肋间0.5cm,无弥散,心尖搏动正常,心前区无异常博动,心尖搏动正常,无震颤及心包摩擦感,叩诊心浊音界无增大、移位,心率78次/分,S1、S2正常,无S3、S4,律齐,A2>P2,无心音分裂、额外心音、杂音及心包摩擦音,脉搏节律规则,强度适中,动脉壁弹性可,紧张度无异常,无异常血管征,全腹外形正常,胸式呼吸存在,胃肠型、蠕动波阴性,无凸脐、色素、曲张静脉、疝等,腹部平坦,肝胆脾肾未触及异常,墨菲征阴性,肋脊、肋腰、季肋、上中输尿管点无压痛,未触及膀胱,肝上界在第五肋间,肝浊间界无异常,肝区叩痛阴性,无移动性浊音,肾区无叩痛,肠鸣音正常,无气过水声,无振水音及血管杂音等,肛门及外生殖器无异常。
主诉:肛门部便时出血5年。
现病史:患者近5年来自觉肛门反复出血,色鲜红,量不多,无黑便,大便每日1-2次,小便正常。
遂于今日来我院就诊,由门诊收入住院,病程中食纳,睡眠好。
既往史:平素体健,无肝炎、肺结核等传染病史,无高血压、糖尿病等慢性病史,无药物、食物过敏史,无手术外伤史,无输血史,预防接种史不详。
个人史:出生并生活于原籍,无血吸虫等疫水接触史,未到过地方病、传染病流行疫区,有吸烟史,每日30支,持续40年,无酗酒及其他不良嗜好,否认不洁性交及冶游史。
婚育史:已婚,配偶体健,夫妻关系和睦。
家族史:否认家族性、遗传性疾病史。
中医望闻问切:面色正常,精神良好,舌质红,苔薄黄,脉弦数。
体格检查
T:36.6℃P:100次/分R:20次/分BP:120/70mmHg
发育正常,营养中等,步入病房,神志清楚,答问切题,全身皮肤粘膜未见黄染及出血点,淋巴结未触及肿大,头颅无畸形、无压痛,眼耳鼻咽喉未见明显异常,颈软,颈静脉无怒张,气管居中,颈动脉无异常搏动,胸廓对称,语颤正常,两肺叩诊呈轻音,呼吸音清晰,未闻及干湿性啰音,心尖搏动正常,心界不大,心率100次/分,率齐,各瓣膜听诊区未闻及病理性杂音,腹平软,无压痛及反跳痛,肝脾肋下未及,移动性浊音阴性,肠鸣音正常,外生殖器未查,肛门见专科情况,脊柱四肢无畸形活动正常,生理性反应存在,病理性反射未引出。
专科检查:肛缘平整,指诊触及直肠约3cm处前位一带蒂状肿块,用手可勾出肛外,约1x1.3cm,圆球状,表面有渗血。
辅助检查:暂缺
修正诊断:初步诊断:
中医诊断:息肉痔
湿热下注证
西医诊断:直肠息肉
医师签名医师签名:徐**
2015年03月17 日。
肠息肉病理报告临床资料,患者,男,56岁。
主因,腹痛、腹泻不适,查体发现腹部压痛,肠镜检查示,直肠息肉。
镜下所见,镜下组织标本呈灰红色,质地中等,切面见灰白色结节状病灶,直径0.5cm×0.3cm,质地较软,质地不均,表面见黏膜充血,质地较软,质地不均,表面见黏膜充血、粘膜糜烂,病灶周围见炎性细胞浸润。
病理诊断,肠息肉。
病理诊断,直肠息肉。
镜下组织标本呈灰红色,质地中等,切面见灰白色结节状病灶,直径0.5cm×0.3cm,质地较软,质地不均,表面见黏膜充血、粘膜糜烂,病灶周围见炎性细胞浸润。
结论,直肠息肉。
病理诊断,肠息肉。
参考文献:1. 杨文新,肠息肉的病理学特点及临床意义[J]. 中国普外基础与临床杂志,2016(03): 301-304.2. 刘宇,肠息肉的病理学特点分析[J]. 中国医学创新,2018(07): 78-80.3. 王小明,肠息肉的病理学研究进展[J]. 中国医学科学杂志,2019(10): 102-105.肠息肉是一种常见的结肠疾病,通常在结肠黏膜上形成小的息肉状突起物。
肠息肉多数为良性病变,但也有一定比例的肠息肉可发展成为恶性肿瘤,因此对于发现的肠息肉应及时进行治疗和随访。
根据病理学特点及临床意义的研究,可以更好地指导临床医生对患者进行治疗和随访。
在镜下观察肠息肉组织标本时,通常可以看到灰红色的组织,质地中等,切面呈现灰白色结节状病灶,直径大小不一,质地较软,表面可能出现黏膜充血、粘膜糜烂的现象,病灶周围还可见炎性细胞浸润。
这些病理学特点对于肠息肉的诊断和鉴别诊断具有重要意义。
对于肠息肉的治疗,一般情况下可以采取内镜下切除、微波消融、冷冻治疗等方法。
对于高度怀疑为恶性肿瘤的肠息肉,应及时进行手术切除,并进行病理学检查,以确定病变的性质。
肠息肉的病理学研究进展为临床医生提供了更多的诊疗依据,对于患者的治疗和随访具有积极的指导意义。
因此,医生在临床实践中应当加强对肠息肉的病理学知识的学习和掌握,以更好地为患者提供个性化的诊疗方案,提高患者的治疗效果和生存质量。
大肠粘膜上任何可见的突起,不论其大小,形状及组织学类型,均称为大肠息肉。
本病可发生于任何年龄,但多见于2~8岁的儿童,占90%以上,大肠息肉根据病理性质可分为五大类,即新生物性、错构瘤性、炎症性、化生性、其他。
其中新生物性息肉又称大肠腺瘤,可分为管状腺瘤、绒毛状腺瘤、管状绒毛状腺瘤。
且大肠腺瘤关系密切,为一重要癌前病变。
祖国医学对息肉早有认识,《灵枢·水胀篇》:“寒气客于肠外,与卫气相博,气不得营,因有所系,癖而内著,恶气乃生。
”《外科大成。
痔》中说:“悬胆痔,生于脏内,悬于肛外。
”明确指出了息肉的病名、形状和部位。
一、辩证治疗(一)湿热下注症状:大便粘湿带血,肛门灼热不适,下坠伴腹痛、腹泻、腹胀,息肉表面粘着脓性物,糜烂,或有肿物脱出肛外,指诊时可触及肿物,舌质红,苔黄或黄白相兼而腻,脉弦滑细。
治法:清热利湿,理气止血。
方药:黄连解毒汤《外治秘要》加:黄连、黄芩、黄柏、栀子、茯苓、地榆炭、大蓟、小蓟、枳壳加减:若便秘加炒决明(二)肠风下血症状:大便下血,色鲜红或紫黑,量多,肛门不痛或;轻度不适感,肛内指诊可触及息肉样肿物,或无。
舌红苔薄,脉浮数治法:清肠疏风,清凉止血。
方药:便血合剂加减:炒槐花、地检炭、荆芥、黄芩炭、防风、仙鹤草、细生地黄、炒枳壳、生甘草、当归。
(三)气带血瘀症状:病久息肉明显增大,硬而痛,纳少,面暗消瘦,舌质暗,苔白,脉弦滑。
治法:理气活血,化瘀散结。
方药:补阳还五汤《医林改错》加减:生黄芪、全当归、赤芍、地龙、川芎、桃仁、红花、牛膝、穿山甲加减:腹胀、肛门下坠加枳实、木香、(四)脾虚气滞症状:自幼出现便血,时有肿物脱出肛外,腹泻史较长,腹部隐痛,便血时多时少,倦怠懒言,舌淡苔白,脉搏细弱无力。
治法:温中健脾,理气散瘀。
方药:良附丸加:高良姜、制香附、炙黄芪、炒枳实。
加减:便时带血加煅赤石脂、血余炭。
二、灌肠疗法(一)6%明矾液组成: 6%明矾溶液作用:涩肠止血。
适用证:直肠息肉出血。
用法:50ml,保留灌肠,每日一次。
(二)王业皇经验方(江苏省名中医)组成:乌梅12g、五倍子60g、煅牡蛎30g、夏枯草30g、海浮石12g、紫草15g、众15g。
作用:清热解毒,涩肠止血。
适用症:结直肠息肉出血。
用法:加水500ml,浓煎为160~200ml,每次用50ml,保留灌肠,每日1~2次。
(三)复方青白散组成:青黛3g、白芷6g、白术10g、白头翁15g、黄柏10g、薏苡仁10g。
作用:清热解毒除湿。
适用症:湿热下注之症。
用法:煎汤或研细末用。
加水300ml,煎浓汁50ml保留灌肠,每日一次。
(四)张庆儒(山西省名老中医)经验方组成:乌梅、五倍子、夏枯草、紫草、白勺、苍术、莲藕各15g。
作用:清热解毒,涩肠止血。
适用症:结直肠息肉出血。
用法:加水300ml,浓煎汁60~80ml保留灌肠。
三、古今名家医案及论述(一)马伯涵结肠息肉案党×,男,27岁,1985年7月16日初诊。
近两年来不规则腹痛,便时滴下鲜血,粪呈柏油状,腹查无阳性体征。
肛门指征及肛门镜检排除内外环痔、肛门裂等。
粪隐血试验(+++)X线钡餐检查小肠下段有带蒂状充盈, 损2处,均大于蚕豆,乙状结肠镜检:发现20厘米及22厘米处,各有广基息肉一个大如蚕豆,表面糜烂渗血。
服活血消息汤;丹参30g,生地榆、凌霄花、半枝莲各15g,桃仁15g、赤芍、炮山甲、皂角刺、三棱、丹皮、槐米、山慈姑、牛膝各12g,每日煎一剂,5剂后止血,腹痛减轻。
服药48剂后症状全消,粪隐血试验(一),X线钡餐及乙状结肠镜检均未发现息肉存在。
[评案] 结肠息肉为发生于结肠上皮组织的良性肿瘤。
祖国医学以症状命名,如《疮疡经验全书。
卷七》记载的“珊瑚痔”相当于多发性息肉,“樱痔”即单发息肉,还记有“息肉痔嫩鲜红,儿童多见”。
但对于高位、不能脱出肛外息肉,大多以便血、肠风等症状命名。
其病因病机为“湿热下注大肠、肠道气机不利,瘀血浊气凝集而成。
或风客肠中,阻遏汁沫,气血搏结癖而内着,恶气乃起,息肉乃生。
低位息肉手术治疗颇易,但高位息肉治疗则相当难度。
本案以祛风散结、化痰软坚立法,自创活血消息肠:以丹参、山甲、皂刺通经祛痰软坚;赤芍、丹皮、槐米、生地榆、活血凉血止血;半枝连、山慈菇清热解毒,消瘀散结。
全方共奏通经活络、消瘀软坚之效。
但息肉系难顽痼疾,一定要坚持长期治疗,才能获效。
(二)何公达江苏省中医专家治结肠息肉案陈×,男,49岁。
1994年3月24日初诊。
胃脘肠痛10年余,大便日行3~5次2年。
去年在某医院作纤维肠镜,发现结肠部绿豆大息肉两个。
用微波摘除,术后大便好转,3个月后脘腹胀痛加剧,大便稀溏,日3~5次。
复查胃镜及肠镜示:胃部浅表一萎缩性胃炎,结肠息肉6~7个,大小不等,最大如黄豆。
现症:神疲乏力,口干,咽燥,四肢逆冷,浑身筋络拘急不舒,胃脘部胀痛窜及两胁,食后加重,腹胀时隐痛,苔薄黄,舌中裂,脉弦涩。
病为肝郁气滞,饮食内伤,湿热氤氲,肠胃乃伤,痰瘀成积。
中医论诊断:积聚,胃脘痛。
拟息肉平汤加减治之。
处方:白花蛇舌草30g,虎杖根20g,芹菜花10g,生苡仁50g,猫人参60g,淡附片7g,猫爪草20g,石见穿20g,紫胡9g,清炙黄芪15g,八月札15g,清炙甘草6g,守宫3条。
上方略作加减,服用至10月份,胃镜复查示:轻度浅表性胃炎,肠镜(一)。
继续服药一个多月,症状全部消失,无复发。
[评案]本案结肠息肉为肝郁气滞,脾失健运,升降失常,湿热邪毒内侵,气滞痰湿瘀热蕴合成积,局部炎肿,组织细胞增生而形成息肉肿块,故见脘腹胀痛,窜及两胁,浑身筋络拘急不适,腹胀隐痛,脉弦涩等症。
《神农本草经》曰:“柴胡推陈致新”“主心腹肠胃中结气,饮食积聚。
是故以柴胡疏利肝脾之气,调节消化道功能活动,抗炎,抗病毒,抗病菌,抗感染,抗增生;猫人生、猫爪草、石见穿、守宫、生苡仁清热解毒,消除局部炎肿,祛痰化湿,逐瘀散结;炙黄芪、炙甘草益气健脾,据现代药理研究能保护肠粘膜组织,加速病损组织的愈合,提高机体免疫功能,增加抗病能力,扶正祛邪,健脾散结,药证相合,遂取得了,较好的治疗效果。
对于高位炎性息肉,不失为一有效的治疗方法。
(三)龚志贤(重庆名老中医)多发性直肠息肉案张×,男,58岁。
患者于数年前始大便时有鲜血,血附于大便之表面,排便时肛门无疼痛和下坠感,大便日一次,不结燥,若便结则血较多,今年元月始大便出血较多,每次约1小汤匙,诊查:肛门外观无畸形,无瘘及疤痕,无红肿炎变,窥肛镜检:距肛门口约5厘米处有葡萄状紫红色的息肉短蒂紧附于肠壁,触之易出血。
诊断为:多发性直肠息肉。
入院后服济生乌梅丸。
处方:乌梅1500g,僵蚕500g,人指甲(若没有人指甲,可用炮穿山甲30g代替,象牙屑各30g。
上药共研极细末,炼蜜为丸,每丸9g,每次1粒,日服3次,便血逐渐消失,共服药24天。
检查,各点息肉已脱落,基底部仅有少许残根。
无出血。
出院时带药15日量,3个月后复查息肉全部消失。
[评案] 随着现代医学的融入,息肉的治疗已有了很多简便安全的入术方法,但对于高位息肉、广基息肉的治疗,仍存在相当的困难。
本案以自拟济生乌梅丸治之,方中乌梅性味酸平,可敛肺涩肠,入肝止血,蚀恶肉,化痔消息肉,僵蚕性味咸,辛、平,具消风、化痰、散结之力;人指甲、象牙屑、生肌长肉。
全方药仅四味,但具收敛、止血散结、化恶肉生肌之作用,对采用内科方法治疗肠道息肉,启迪非浅。
至于方中所用人指甲一味,虽自宋代即收入《本章衍义》,但今已罕用,似以炮穿山甲代之为适宜。
(四)郭庆祺(江苏省名中医)治直肠息肉案张×,女,6岁。
1986年4月13日初诊。
3年来反复便血,曾在苏州儿童医院诊治多次,诊为直肠息肉,因害怕手术,以抗生素、止血药保守治疗,未得除根。
3天前感冒,便血又起,昨去苏州治疗,今天便血初止返家,不料刚下车,咳嗽时便血又作,湿透内裤,漏出裤管。
因时间太晚,来不及再去苏州,遂来急诊。
刻诊:面色少华,精神烦燥,干咳无痰,腹软,无压痛,未及包块及肠索。
脉浮数,舌淡红,苔薄白。
T37.8℃,WBC8.7×109/L,N0.64,L0.36,证属风邪内传,化热伤络。
治宜标本兼顾,内外同治。
处方:(1)川黄连10g,淡黄芩10g,川柏片10g,锡类散4g。
前3味浓煎成100ml,凉温适度后,每次取50ml,合锡类散2支,保留灌肠,每日2次。
(2)荆芥炭8g,防风8g,槐米炭8g,地榆炭8g,淡黄芩6g,全当归12g,玉桔梗8g,银花炭8g,粉葛根12g,生甘草6g,北沙参8g,煎服。
4月15日二诊:用药一天后,便血停止,发热亦退。
两天后咳嗽地转,停用灌肠剂,原汤方去地榆、槐米、葛根、防风、当归,加冬桑叶8g,光杏仁10g,象贝母10g,麦冬10g,枇杷叶8g,继服5剂而告痊愈,至今未再出现便血。
[评按] 直肠息肉出血属肠风范畴,急证多属热属实,因此急证必须以止血为要。
本案患儿素有结肠息肉便血三年,间断发作,此次因感冒引起出血三天,便血频作,呈面黄色少华,烦躁不安。
病以感冒急起,辨证仍属热属实。
故医者用三黄泻心汤清热除湿、泻火解毒,合锡类散则助其解毒生肌之功,用于灌肠使药物直达病所发挥作用。
内服方实系仿槐角丸之意加入杏仁、桔梗、生甘草、葛根、二花等以祛风解表,润肺止咳,清热除湿,活血安络。
本案病机主要为外感风热之邪,侵袭肺经不解,邪热下传大肠,引发息肉出血宿恙,致肠腑络脉受损,以便血为主证,肺失清肃,干咳少痰为兼证。
肺与大肠相表里,在治疗上治肺不忘治肠,治肠即是治肺,充分印证了《内经》理论在临床实践中的指导意义。
(五)柏连松(上海中医药大学附属曙光医院终身教授)治直肠息肉案邵×,66岁,海员。
便血七、八年之久,曾多次检查,诊断为直肠多发性息肉,虽经治疗,效果不显,建议手术,患者惧怕手术,要求中医保守治疗。
经肛门指诊检查,可触及大如黄豆,小如绿豆的多发性肿块,呈环状分布,质地较软,并有粘液及血染手套。
直肠镜检查:距肛门5-8厘米之间,直肠各壁都可见大小不等,形状不一,分布不均的肿块,计约20个,表面充血、水肿,粘膜表面有淡黄色粘液,部分肿块用棉球揩之有出血现象。
病理活检提示:炎性息肉。
处方:黄柏15g,大黄15g,五倍子15g,白及粉3g,贯众15g。
保留灌肠半月余,便血及粘液显著减少,继续用灌肠法3周后,直肠镜复查:息肉表面充血减少,水肿消退,揩之不出血,再坚持用灌肠法治疗两周后,症状消失。
随访至今未见复发。
[评按] 直肠息肉低位中医多以“珊瑚痔”“樱桃痔”命名治疗,而高位息肉常以症因命名为“便血”,“肠风”论治,临床内治颇为不易。
本案以清热解毒,收涩止力血立法,遣方用药,用大黄、黄柏清热利湿,逐瘀解毒,其药理作用经现代医学实验研究有抗菌抑菌作用;五倍子苦涩,含多量鞣酸,苦以清热,涩能敛疮止血;白及凉血消肿,收敛生肌,诸药合而保留灌肠治疗,使药物直接作用于病变部位,避免了胃肠道消化液及酶类对药物的影响和破坏,不仅收到了良好的效果,也扩大了中医内病外治的使用范围。