北航材料学院2013年度特色实验实验报告模板
- 格式:pdf
- 大小:1.59 MB
- 文档页数:23
基础物理实验研究性实验报告氢原子光谱和里德伯常数的测定——定量误差分析和实验改进第一作者:学号:第二作者:学号:第三作者:学号:2013年5月20日摘要本文详细地介绍了氢原子光谱和里德伯常量实验的实验要求、实验原理、仪器介绍和实验内容并测量处理了数据,计算了不确定度及误差,并从钠黄双线无法区分的现象触发定量地分析了此现象的原因和由此产生的误差,最后总结了基础物理实验的经验感想。
关键字:氢原子光谱里德伯常量钠黄双线AbstractThis paper introduced the hydrogen atoms spectrum and Rydberg constant experiment from experimental requirements, experimental principle, instruments required, content and Data processing. Considering that the wavelength difference of Na-light double yellow line is indistinguishable from human eyes, we analyze the cause of this phenomenon and the resulting errors quantitatively and propose an innovate experiment method combined with inadequate sharpness and lightness of the spectrum as well as the errors brought during the turning of telescope. At last we concluded understanding of basic physics experiment.Key words: hydrogen atoms spectrum, Rydberg constant, Na-light double yellow line目录摘要 (1)关键字 (1)一.实验目的 (4)二.实验原理 (4)1、光栅衍射及其衍射 (4)2、光栅的色散本领与色分辨本领 (5)3、氢原子光谱 (7)4、测量结果的加权平均 (8)三.实验仪器 (8)四.实验内容 (9)1、调节分光仪 (9)2、调节光栅 (9)3、测光栅常数 (9)4、测量氢原子里德伯常数 (9)五.实验数据及处理 (10)1、用钠灯测光栅常数 (10)2、用氢灯测定里德伯常数 (11)3、计算钠黄光角色散率和分辨本领 (13)六.误差的定量分析 (14)1、人眼的分辨本领 (14)2、计算不确定度和相对误差: (14)3、有关钠黄双线能否被观测到分开的探讨 (14)七.实验改进措施 (17)八.实验感想与总结 (17)参考文献 (19)一.实验目的➢巩固提高从事光学实验和使用光学仪器的能力;➢掌握光栅的基本知识和使用方法;➢了解氢原子光谱的特点并用光栅衍射测量巴耳末系的波长和里德伯常数;➢巩固与扩展实验数据的处理方法,及测量结果的加权平均,不确定度和误差计算,实验结果的讨论等。
北航研究性实验报告北航研究性实验报告引言:研究性实验是大学教育中非常重要的一环,它旨在培养学生的科研能力和创新思维。
作为北航的一名学生,我有幸参与了一项关于飞行器设计的研究性实验,并在此报告中将对该实验进行详细的介绍和分析。
实验目的:本次实验的目的是设计一种新型飞行器,以提高其飞行效率和稳定性。
通过对飞行器的结构和控制系统进行优化,我们希望能够实现更高的飞行速度和更好的操控性能。
实验方法:在实验开始之前,我们首先进行了大量的文献调研,了解了目前飞行器设计领域的最新研究成果和技术发展趋势。
然后,我们组建了一个小组,共同讨论并确定了实验的具体方案。
在设计飞行器结构时,我们采用了轻量化材料和先进的制造技术,以减少飞行器的重量并提高其强度。
同时,我们还对飞行器的气动外形进行了优化,以减小阻力和气动干扰,并提高飞行器的升力系数。
在控制系统设计方面,我们采用了先进的自动控制算法和传感器技术,以实现飞行器的自主导航和稳定飞行。
通过对飞行器的动力学特性进行建模和仿真,我们确定了最佳的控制参数,并进行了实验验证。
实验结果:经过反复的设计和测试,我们成功地设计出了一种新型飞行器,并进行了多次试飞。
实验结果表明,该飞行器具有较高的飞行速度和较好的操控性能,达到了我们的设计目标。
结论:通过参与这个研究性实验,我深刻认识到科研的重要性和挑战性。
在实验过程中,我们不仅学到了专业知识和技能,还培养了团队合作和解决问题的能力。
此外,我们还发现了一些可以进一步改进和优化的方向。
例如,可以通过进一步研究和改进飞行器的结构和控制系统,进一步提高其性能和可靠性。
同时,还可以将所学到的知识和技术应用到其他领域,如航空航天、交通运输等。
总结:通过这次研究性实验,我对飞行器设计和控制有了更深入的了解,并提高了自己的科研能力和创新思维。
我相信,在北航这样的优秀学府中,我将有更多机会参与和开展类似的研究工作,为科技进步和社会发展做出更多贡献。
北航研究性实验报告北航研究性实验报告研究性实验是高校教育中的一项重要环节,它能够培养学生的科研能力和创新思维。
北航作为国内一流的航空航天类高校,一直以来都非常重视研究性实验的开展。
本文将从实验的背景、目的、方法、结果和结论等方面,对北航研究性实验进行简要介绍。
实验的背景航空航天工程是一门高度复杂的学科,需要学生具备扎实的理论基础和实践能力。
为了培养学生在实际工程中的创新能力,北航开设了多门研究性实验课程。
这些实验课程旨在让学生通过自主设计和实施实验,加深对理论知识的理解,并掌握实际操作的技能。
实验的目的研究性实验的目的是让学生能够运用所学知识,解决实际问题。
通过实验的设计和实施,学生可以培养自主学习和独立思考的能力。
同时,实验还能够帮助学生提高实验操作和数据处理的技能,为将来从事科研工作打下基础。
实验的方法北航研究性实验采用了多种方法,包括理论分析、数值模拟、实验测试等。
学生在实验开始前,需要进行相关文献调研,了解已有的研究成果和方法。
然后,根据实验目的和要求,设计实验方案,并进行实验操作。
实验过程中,学生需要收集和记录实验数据,并进行数据分析和结果验证。
实验的结果北航研究性实验的结果丰富多样,有些实验取得了重要的科研成果。
比如,在航空航天工程领域,学生通过实验研究了新型材料的力学性能和热学特性,为航空器设计提供了重要的参考依据。
在航空航天控制领域,学生通过实验研究了飞行器的控制算法和系统性能,提高了飞行器的稳定性和安全性。
实验的结论研究性实验的结论是对实验结果的总结和归纳,它能够回答实验中提出的问题。
北航研究性实验的结论通常是基于实验数据和理论分析得出的。
通过实验,学生可以验证理论模型的准确性,进一步完善和改进现有的理论框架。
同时,实验的结论也可以为相关领域的工程设计和应用提供参考依据。
总结北航研究性实验是一项重要的教学环节,它能够培养学生的科研能力和创新思维。
通过实验的设计和实施,学生可以加深对理论知识的理解,并掌握实际操作的技能。
实验时间:2010年月
实验地点:主楼南翼116
实验报告要求:
1---实验目的;
2---试件形状、尺寸、力学性能、编号;
3---试件受力简图;实验装置照片;
4---粘应变片(百分表)的方位和编号;
5---实验原理和方法;
6---试验用设备和仪器的生产厂家、出厂日期、产品型号、主要技术指标、量程和精度,实验室内统一编号;7---具体实验步骤、加载方案、注意事项;
8---测应变的电桥图(标注要完全);
9---测应变和位移的原始数据记录表格,要简单、明确、清晰;
10---实测数据处理,分析对比圈出异常测值;对正常测值,计算平均值、标准差、分散度(写出计算公式);11---根据实验目的,写出有关计算公式,算出结果,画出曲线,说明各代号的物理意义、标注单位;
12---计算实测值相对理论值的误差,一般要求在±5%以内,越小越好;
13---实验结果和结论;
14---问题和改进建议;
15---学号和姓名必须学生本人手写。
16---教师给定每次实验报告成绩,要签名,标注日期,同时填写全班成绩单,期末给出总成绩。
一、实验目的1. 理解航空材料的基本性质及其在航空器中的应用;2. 掌握航空材料实验的基本方法和步骤;3. 通过实验验证航空材料的基本性能。
二、实验原理航空材料是航空器结构的重要组成部分,其性能直接影响航空器的安全性和可靠性。
本实验主要研究航空材料的力学性能、热性能和耐腐蚀性能。
通过实验,了解航空材料的性质,为航空器的设计和制造提供理论依据。
三、实验仪器与材料1. 实验仪器:万能试验机、高温炉、电热鼓风干燥箱、盐雾腐蚀试验箱、游标卡尺、量筒等;2. 实验材料:航空铝合金、航空钛合金、航空不锈钢等。
四、实验步骤1. 力学性能实验(1)将实验材料切割成规定尺寸的试样;(2)使用万能试验机对试样进行拉伸实验,记录试样断裂时的最大载荷;(3)根据实验数据计算试样的抗拉强度、屈服强度、伸长率等力学性能指标。
2. 热性能实验(1)将实验材料切割成规定尺寸的试样;(2)使用高温炉对试样进行加热实验,记录试样在不同温度下的力学性能变化;(3)根据实验数据计算试样的热膨胀系数、热导率等热性能指标。
3. 耐腐蚀性能实验(1)将实验材料切割成规定尺寸的试样;(2)使用盐雾腐蚀试验箱对试样进行腐蚀实验,记录试样在不同腐蚀时间下的质量变化;(3)根据实验数据计算试样的耐腐蚀性能。
五、实验结果与分析1. 力学性能实验结果通过实验,得到航空材料的抗拉强度、屈服强度、伸长率等力学性能指标。
结果表明,航空铝合金、航空钛合金、航空不锈钢等材料具有较好的力学性能,能够满足航空器结构的要求。
2. 热性能实验结果通过实验,得到航空材料的热膨胀系数、热导率等热性能指标。
结果表明,航空材料在不同温度下的热性能变化较大,因此在设计航空器结构时需考虑材料的热膨胀和热导率。
3. 耐腐蚀性能实验结果通过实验,得到航空材料的耐腐蚀性能指标。
结果表明,航空材料在不同腐蚀时间下的耐腐蚀性能有所差异,其中航空不锈钢具有较好的耐腐蚀性能。
六、实验结论1. 航空材料具有较好的力学性能、热性能和耐腐蚀性能,能够满足航空器结构的要求;2. 实验方法可行,为航空材料的研究提供了理论依据;3. 在航空器设计中,应根据材料性能合理选择材料,确保航空器的安全性和可靠性。
实验名称:XXX材料的力学性能测试实验日期:2023年X月X日实验地点:材料力学实验室实验者:XXX一、实验目的1. 了解XXX材料的基本力学性能。
2. 掌握XXX材料力学性能测试的方法和原理。
3. 分析XXX材料在不同加载条件下的力学行为。
二、实验原理XXX材料的力学性能主要包括抗拉强度、抗压强度、弹性模量、泊松比等。
本实验通过拉伸和压缩试验,测定XXX材料的上述力学性能。
三、实验仪器与材料1. 实验仪器:- 电子万能试验机- 切割机- 精密天平- 秒表- 标准拉伸试样- 标准压缩试样2. 实验材料:- XXX材料四、实验步骤1. 样品制备:将XXX材料切割成标准拉伸试样和标准压缩试样,试样尺寸应符合国家标准。
2. 样品预处理:对试样进行表面处理,去除氧化层、油污等,确保试样表面光滑。
3. 试验前准备:将试样安装在电子万能试验机上,调整试验机夹具,确保试样固定牢固。
4. 拉伸试验:- 设置试验机加载速度,一般为5mm/min。
- 启动试验机,记录试样断裂时的最大载荷和断裂位置。
- 测量试样原始长度和断裂后的长度,计算拉伸强度和伸长率。
5. 压缩试验:- 设置试验机加载速度,一般为1mm/min。
- 启动试验机,记录试样破坏时的最大载荷和破坏位置。
- 测量试样原始高度和破坏后的高度,计算抗压强度和抗压弹性模量。
6. 数据整理与分析:将实验数据整理成表格,并绘制相应的曲线。
五、实验结果与分析1. 拉伸试验结果:- 抗拉强度:XXX MPa- 伸长率:XXX%- 断裂位置:XXX2. 压缩试验结果:- 抗压强度:XXX MPa- 抗压弹性模量:XXX MPa- 破坏位置:XXX分析:根据实验结果,XXX材料的抗拉强度较高,伸长率较大,具有良好的延展性。
在压缩试验中,抗压强度较高,抗压弹性模量较大,表明材料具有良好的抗压性能。
六、实验结论1. XXX材料具有较高的抗拉强度和抗压强度,具有良好的力学性能。
北航实验报告封面(共8篇)北航惯性导航综合实验一实验报告实验一陀螺仪关键参数测试与分析实验加速度计关键参数测试与分析实验二零一三年五月十二日实验一陀螺仪关键参数测试与分析实验一、实验目的通过在速率转台上的测试实验,增强动手能力和对惯性测试设备的感性认识;通过对陀螺仪测试数据的分析,对陀螺漂移等参数的物理意义有清晰的认识,同时为在实际工程中应用陀螺仪和对陀螺仪进行误差建模与补偿奠定基础。
二、实验内容利用单轴速率转台,进行陀螺仪标度因数测试、零偏测试、零偏重复性测试、零漂测试实验和陀螺仪标度因数与零偏建模、误差补偿实验。
三、实验系统组成单轴速率转台、MEMS 陀螺仪(或光纤陀螺仪)、稳压电源、数据采集系统与分析系统。
四、实验原理1. 陀螺仪原理陀螺仪是角速率传感器,用来测量载体相对惯性空间的角速度,通常输出与角速率对应的电压信号。
也有的陀螺输出频率信号(如激光陀螺)和数字信号(把模拟电压数字化)。
以电压表示的陀螺输出信号可表示为:UGUG?0??kG??kGfG(a)?kG?G(1-1)式中fG(a)是与比力有关的陀螺输出误差项,反映了陀螺输出受比力的影响,本实验不考虑此项误差。
因此,式(1-1)简化为 UGUG?0??kG??kG?G(1-2)由(1-2)式得陀螺输出值所对应的角速度测量值:测量?UG?UG(0)(1-3) ??GkG对于数字输出的陀螺仪,传感器内部已经利用标度因数对陀螺仪模拟输出进行了量化,直接输出角速度值,即:测量??0??真值??G(1-4)?0是是陀螺仪的零偏,物理意义是输入角速度为零时,陀螺仪输出值所对应的角速度。
且UG(0)?kG?0 (1-5)?测量精度受陀螺仪标度因数kG、随机漂移?G、陀螺输出信号UG的检测精度和UG(0)的影响。
通常kG和UG(0)表现为有规律性,可通过建模与补偿方法消除,?G表现为随机特性,可通过信号滤波方法抵制。
因此,准确标定kG和UG(0)是实现角速度准确测量的基础。
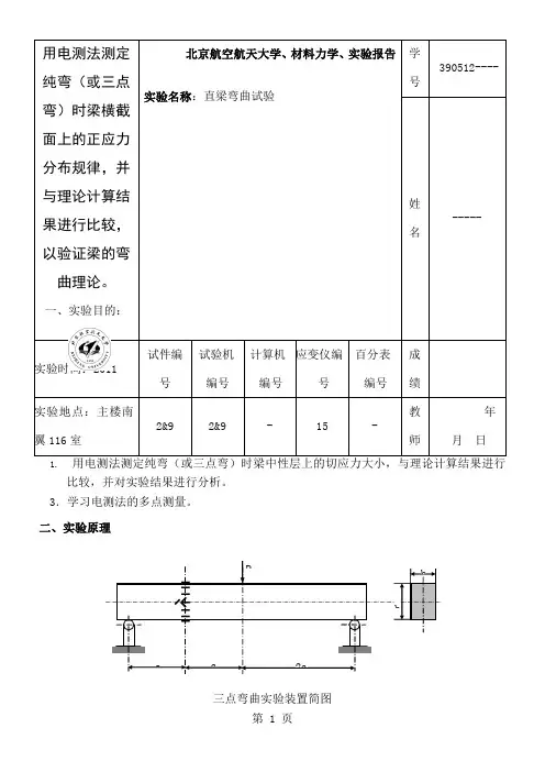
用电测法测定纯弯(或三点弯)时梁横截面上的正应力分布规律,并与理论计算结果进行比较,以验证梁的弯曲理论。
一、实验目的:北京航空航天大学、材料力学、实验报告实验名称:直梁弯曲试验学号390512----姓名-----实验时间:2011试件编号试验机编号计算机编号应变仪编号百分表编号成绩实验地点:主楼南翼116室2&92&9 - 15 -教师年 月 日1.比较,并对实验结果进行分析。
3.学习电测法的多点测量。
二、实验原理三点弯曲实验装置简图a a2aPbh对于三点弯曲梁,距中性层为 y 处的纵向正应变和横向正应变为:()()ZZM y y E I M yy E I εεμ⋅=⋅⋅'=-⋅ (1)距中性层为 y 处的纵向正应力为:()()zM yy E y I σε⋅=⋅=(2) 本实验采用重复加载法,多次测量在一级载荷增量M 作用下,产生的应变增量和’。
于是式(1)和式(2)分别变为:()()()ZZZM yy E I M yy E I M y y I εεμσ∆⋅∆=⋅∆⋅'∆=-⋅∆⋅∆=(3) (4)在本实验中,/2M P a ∆=∆⋅ (5)最后,取多次测量的平均值作为实验结果:111()()()()()()Nnn Nnn Nnn y y Ny y Ny y Nεεεεσσ===∆∆='∆'∆=∆∆=∑∑∑ (6)在梁的中性层处,切应力的理论计算公式为:32SF bhτ=(7) 由于在纯剪切应力状态下,有:452γε=- (8)因此在实验时,通过测量中性层处450方向的正应变,即可得到中性层处的切应变,进一步由剪切胡克定律计算中性处的切应力,与理论值进行比较。
实验采用重复加载法,实验结果处理参照式(3)~(6)。
三、实验步骤1. 设计实验所需各类数据表格; 2. 拟定加载方案;3. 试验机准备、试件安装和仪器调整; 4. 确定组桥方式、接线、设置应变仪参数; 5. 检查及试车;检查以上步骤完成情况,然后预加一定载荷,再卸载,以检查试验机和应 变仪是否处于正常状态。
第1篇一、实验背景随着科技的不断发展,工程领域在国民经济和社会发展中扮演着越来越重要的角色。
为了让学生更好地了解工程的基本概念、原理和方法,培养工程实践能力和创新精神,我校特开设了工程认识实验课程。
本次实验旨在通过实际操作,使学生掌握工程基本技能,增强对工程实践的认识。
二、实验目的1. 理解工程的基本概念和原理;2. 掌握工程图纸的阅读和绘制方法;3. 熟悉工程材料的性能和用途;4. 培养工程实践能力和创新精神。
三、实验内容本次实验主要包括以下内容:1. 工程图纸的阅读与绘制- 阅读并分析工程图纸,理解其设计意图和施工要求;- 利用绘图软件绘制简单的工程图纸,如平面图、立面图、剖面图等。
2. 工程材料的性能与用途- 学习工程材料的种类、性能和用途;- 通过实验,观察材料的力学性能,如拉伸、压缩、弯曲等。
3. 工程工具的使用- 学习常用工程工具的使用方法,如扳手、螺丝刀、电钻等;- 通过实际操作,掌握工具的正确使用方法,提高操作技能。
4. 工程实践- 参与简单的工程实践项目,如搭建简易结构、制作模型等;- 在实践中发现问题、解决问题,培养创新意识和团队协作能力。
四、实验过程1. 工程图纸的阅读与绘制- 首先,我们学习了工程图纸的基本知识,包括图纸的种类、尺寸标注、符号等;- 然后,我们通过阅读实际工程图纸,了解其设计意图和施工要求;- 最后,我们利用绘图软件绘制了简单的工程图纸,如平面图、立面图、剖面图等。
2. 工程材料的性能与用途- 我们学习了工程材料的种类,如金属、非金属、复合材料等;- 通过实验,我们观察了不同材料的力学性能,如拉伸、压缩、弯曲等;- 根据材料的性能和用途,我们了解了它们在工程中的应用。
3. 工程工具的使用- 我们学习了常用工程工具的使用方法,如扳手、螺丝刀、电钻等;- 通过实际操作,我们掌握了工具的正确使用方法,提高了操作技能。
4. 工程实践- 我们参与了搭建简易结构、制作模型等工程实践项目;- 在实践中,我们遇到了问题,通过讨论和尝试,我们找到了解决问题的方法;- 通过团队合作,我们完成了项目,培养了创新意识和团队协作能力。
实验三UC-OS移植实验一、实验目的在内核移植了uCOS-II 的处理器上创建任务。
二、实验内容1.运行实验十,在超级终端上观察四个任务的切换。
2. 任务1~3,每个控制“红”、“绿”、“蓝”一种颜色的显示,适当增加OSTimeDly()的时间,且优先级高的任务延时时间加长,以便看清三种颜色。
3.引入一个全局变量 BOOLEAN ac_key,解决完整刷屏问题。
4. #define rUTRSTAT0 (*(volatile unsigned *)0x)#define RdURXH0()(*(volatile unsigned char *)0x)当键盘有输入时在超级终端上显示相应的字符。
三、实验设备硬件:ARM嵌入式开发平台、用于ARM920T的JTAG仿真器、PC机Pentium100以上。
软件:PC机操作系统Win2000或WinXP、ARM 集成开发环境、仿真器驱动程序、超级终端通讯程序。
四、实验原理所谓移植,指的是一个操作系统可以在某个微处理器或者微控制器上运行。
虽然uCOS-II的大部分源代码是用C语言写成的,仍需要用C语言和汇编语言完成一些与处理器相关的代码。
比如:uCOS-II在读写处理器、寄存器时只能通过汇编语言来实现。
因为uCOS-II在设计的时候就己经充分考虑了可移植性,所以,uCOS-II的移植还是比较容易的。
要使uCOS一工工可以正常工作,处理器必须满足以下要求:1)处理器的C编译器能产生可重入代码。
2)在程序中可以打开或者关闭中断。
3)处理器支持中断,并A能产生定时中断(通常在10Hz}1000Hz之间)。
4)处理器支持能够容纳一定量数据的硬件堆栈。
5)处理器有将堆栈指针和其它CPU寄存器存储和读出到堆栈(或者内存)的指令。
uCOS-II进行任务调度的时候,会把当前任务的CPU寄存器存放到此任务的堆栈中,然后,再从另一个任务的堆栈中恢复原来的工作寄存器,继续运行另一个任务。
北京航空航天大学大学2013年基础物理实验研究性报告第一作者:郭小艳第二作者:梁丁元2013.12实验一:拉伸法测钢丝弹性模量一:摘要本文采用拉伸法及光杠杆原理对直径约为0.8厘米钢丝的弹性模量进行了测量。
其中光杠杆法是一种利用光学放大方法测量微小长度(物体微小位移)的装置,它采用光学机制以光线来代替机械杠杆的长臂而实现间接放大测量,主要讨论了对影响测量结果的可能因素和用逐差法减少相应误差的方法。
二:实验原理1. 弹性模量一粗细均匀的金属丝,长度为l ,截面积为S ,一端固定后竖直悬挂,下端挂以质量为m 的砝码;则金属丝在外力F=mg 的作用下伸长Δl 。
单位截面积上所受的作用力F/S 称为应力, 单位长度的伸长量 Δl/l 称为应变。
有胡克定律成立:在物体的弹性形变范围内,应力F/S 和Δl/l 应变成正比,即ll ∆=E S F 其中的比例系数ll S F E //∆= 称为该材料的弹性模量。
性质: 弹性模量E 与外力F 、物体的长度l 以及截面积S 无关, 只决定于金属丝的材料。
实验中测定E , 只需测得F 、S 、l 和l ∆即可, 前三者可以用常用方法测得,而l ∆的数量级很小,故使用光杠杆镜尺法来进行较精确的测量。
2. 光杠杆原理光杠杆的工作原理如下:初始状态下,平面镜为竖直状态,此时标尺读数为n 0。
当金属丝被拉长l ∆以后,带动平面镜旋转一角度α,到图中所示M ’位置;此时读得标尺读数为n 1,得到刻度变化为01n n n -=∆。
Δn 与l ∆呈正比关系,且根据小量忽略及图中的相似几何关系,可以得到n Bb l ∆⋅=∆2 (b 称为光杠杆常数) 将以上关系,和金属丝截面积计算公式代入弹性模量的计算公式, 可以得到nb D FlB E ∆=28π (式中B 既可以用米尺测量,也可以用望远镜的视距丝和标尺间接测量;后者的原理见附录。
)根据上式转换,当金属丝受力F i 时,对应标尺读数为n i ,则有028n F bED lB n i i +⋅=π 可见F 和n 成线性关系,测量多组数据后,线性回归得到其斜率, 即可计算出弹性模量E 。
北航材料力学实验报告【篇一:北京航空航天大学材料力学实验二~实验四参考材料】——电测法测定弹性模量预习要求:1、预习电测法的基本原理;2、设计本实验的组桥方案;3、拟定本实验的加载方案;4、设计本实验所需数据记录表格。
一、实验目的3. 学习电测法的基本原理和电阻应变仪的基本操作。
二、实验仪器和设备1. 微机控制电子万能试验机;2. 电阻应变仪;3. 游标卡尺。
三、试件中碳钢矩形截面试件,名义尺寸为b?t = (30?7.5)mm2。
图一试件示意图图二实验装置图四、实验原理和方法1、实验原理材料在比例极限内服从虎克定律,在单向受力状态下,应力与应变成正比:上式中的比例系数e称为材料的弹性模量。
由以上关系,可以得到:e==(2)(3)ei=(4)(5)n∑eie=i=1i=1n(6)n(7)以上即为实验所得材料的弹性模量和泊松比。
上式中n为加载级数。
2、增量法利用增量法,还可以判断实验过程是否正确。
若各次测出的应变不按线性规律变化,则说明实验过程存在问题,应进行检查。
采用增量法拟定加载方案时,通常要考虑以下情况:(1)初载荷可按所用测力计满量程的10%或稍大于此标准来选定;(本次实验试验机采用50kn的量程) (2)最大载荷的选取应保证试件最大应力值不能大于比例极限,但也不能小于它的一半,一般取屈服载荷的70%~80%,故通常取最大载荷pmax=0.8ps;(3)至少有4-6级加载,每级加载后要使应变读数有明显的变化。
ppp p图三增量法示意图五、实验步骤1. 设计实验所需各类数据表格;2. 测量试件尺寸;分别在试件标距两端及中间处测量厚度和宽度,将三处测得横截面面积的算术平均值作为试样原始横截面积。
3. 拟定加载方案;4. 试验机准备、试件安装和仪器调整;5. 确定组桥方式、接线和设置应变仪参数; 6. 检查及试车:检查以上步骤完成情况,然后预加载荷至最大值,再卸载至初载荷以下,以检查试验机及应变仪是否处于正常状态。
北航实验报告封面篇一:北航计软实验报告实验一实验报告班学姓成级号名绩实验名称篇二:北航小型航空发动机整机试验报告北京航空航天大学研究生课程实验报告小型航空发动机整机试验报告共12页学生姓名:学生学号:任课老师:联系方式:能源与动力工程学院年月一、试验简介试验目的了解小型航空发动机整机试验过程,熟悉发动机试车台结构和发动机上下台架操作步骤,了解发动机整机测试系统掌握发动机试车过程操作方法,学习发动机试验数据处理及总体性能计算。
试验内容a) 发动机上下台架操作;b) 发动机试车过程控制操作;c) 发动机试验数据处理及总体性能计算。
发动机、试车台以及CAT系统简介发动机简介本次试验所用的WPXX发动机是一台小型、单轴、不带加力燃烧室的涡轮喷气发动机,主要由以下几部分构成:a) 压气机:组合式压气机,由一级跨音轴流压气机和一级单面离心压气机组成;b) 燃烧室:轴内供油式环形燃烧室,使用靠离心力甩油的甩油盘供油;c) 涡轮:单级轴流式涡轮;d) 尾喷管:简单收敛式不可调节的尾喷管。
发动机的主要技术参数为:海平面静止最大推力为850公斤,空气流量/s,压气机增压比,涡轮前温度1200k,转速22000r/min。
发动机的主要工作状态划分:试车台系统a) 燃油系统;b) 数字控制系统;c) 油滤、油路、起动供油系统;d) 滑油系统;e) 起动系统;f) 电气系统测试附件。
计算机辅助测试系统(CAT)1)传感器选型原则:a) 灵敏度高,输入和输出之间应具有良好的线性关系;b) 噪声小,滞后、漂移误差小;c) 常用的测量值大小约为传感器最大量程的2/3左右,最小值不低于1/3;d) 动态特性好;e) 接入测量系统时对测量产生的影响小;2)数据采集系统的主要评定指标:a) 分辨率b) 采集速度c) 线性度d) 误差限3)CAT系统:与一般系统相比,CAT系统包含了数采数据又高于数采系统。
二、数据处理相关理论知识发动机工作参数对标准大气条件的换算公式:a)发动机转速:nc?b) 发动机推力:Fc?Fr/min) ;;p0288;273?t0c) 发动机涡轮后燃气温度:Tt5c?Tt5d)发动机燃油消耗量:Wfc?Wfkg/h);WfcFc。
一、实验目的1. 了解工程材料的性质和分类;2. 掌握工程材料的力学性能测试方法;3. 分析材料在不同条件下的性能变化;4. 培养实验操作能力和分析问题的能力。
二、实验原理工程材料是指用于制造各类机械、建筑、电子等产品的材料。
本实验主要研究材料的力学性能,包括强度、硬度、韧性等。
通过实验,可以了解材料的性质,为工程设计和材料选择提供依据。
三、实验内容及步骤1. 实验一:拉伸试验(1)目的:测定材料的抗拉强度、屈服强度、伸长率等力学性能。
(2)步骤:① 准备实验设备,包括万能试验机、标距测量装置、拉伸试样等;② 将试样固定在万能试验机上,进行拉伸试验;③ 记录试验数据,包括最大载荷、断裂载荷、断后伸长率等;④ 分析数据,绘制应力-应变曲线。
2. 实验二:硬度试验(1)目的:测定材料的硬度,了解材料的抗变形能力。
(2)步骤:① 准备实验设备,包括洛氏硬度计、布氏硬度计、压痕测量装置等;② 将试样固定在硬度计上,进行硬度试验;③ 记录试验数据,包括压痕深度、硬度值等;④ 分析数据,比较不同材料的硬度。
3. 实验三:冲击试验(1)目的:测定材料的冲击韧性,了解材料在受到冲击载荷时的抗变形能力。
(2)步骤:① 准备实验设备,包括冲击试验机、试样、数据采集系统等;② 将试样固定在冲击试验机上,进行冲击试验;③ 记录试验数据,包括冲击能量、断后伸长率等;④ 分析数据,绘制冲击曲线。
四、实验结果与分析1. 拉伸试验结果分析通过拉伸试验,可以得到材料的抗拉强度、屈服强度、伸长率等力学性能。
根据实验数据,可以分析材料的力学性能随试样尺寸、温度、加载速率等因素的变化规律。
2. 硬度试验结果分析硬度试验结果反映了材料的抗变形能力。
通过比较不同材料的硬度值,可以了解材料在抗变形方面的性能差异。
3. 冲击试验结果分析冲击试验结果反映了材料在受到冲击载荷时的抗变形能力。
通过分析冲击曲线,可以了解材料在冲击载荷下的韧性变化规律。
工程材料实验报告
姓名
班级
学号
实验报告(一)实验记录:
载荷:
F S= K N F b = K N
A k = J
实验结果汇总
结果分析
1、HRB、HRC在测量时所用的压头、载荷和读数方法有什么区别,各适用于测量什么材料。
2、分析含碳量对碳钢机械性能的影响。
3、分析合金元素对机械性能的影响。
4、分析为什么铝含金在航空领域应用广泛。
5、比较钢铁、有色金属、非金属三大类材料性能特点。
实验报告(二)
实验记录:
将观察到的各种钢的显微组织选择有代表性的部分画出,并指明各组成部分名称。
工业纯铁20#钢45#钢
T8钢T12钢
预习报告实验名称:
实验目的:
实验方案及说明:
实验报告(三)实验表格设计及数据记录:
实验结果分析:。
基础物理实验研究性报告电位差计及应用第一作者一、摘要电位差计的测量准确度高,且避免了测量的介入误差,但它操作比较复杂,也不易实现测量的自动化。
尽管如此,电位差计作为补偿法的典型应用,在电学试验中仍有重要的训练价值。
本文以“电位差计及其应用”为主要内容。
先介绍了自组电位差计的基本原理以及操作过程,而后进行了数据处理以及不确定度计算并进行误差分析。
同时根据所做的电位差计及应用相关实验提出自己对本实验的意见及建议。
关键词:电位差计;自组;误差分析二、实验原理1、补偿原理测量干电池电动势Ex的最简单办法是把伏特表借到电池的正负极上直接读数(见图1),但由于电池和伏特表的内阻(电池内阻r≠0,伏特表内阻R不能看做∞),测得的电压V=E X R/(R+r)并不等于电池的电动势E X。
它表明:因伏特表的接入,总要从被测电路上分出一部分电流,从而改变了被测电路的状态。
我们把由此造成的误差称为接入误差。
图一用电压表测电池电动势为了避免接入误差,可以采用如图2所示的“补偿”电路。
如果cd可调,E>E X,则总可以找到一个cd位置,使E X所在回路中无电流通过,这时V cd=E X。
上述原理称为补偿原理;回路E X→G→d→c→E X称为补偿回路;E→S→A→B→E构成的回路称为辅助回路。
为了确认补偿回路中没有电流通过(完全补偿),应当在补偿回路中接入一个具有足够灵敏度的检流计G,这种用检流计来判断电流是否为零的方法,称为示零法。
图2 补偿法测电动势由补偿原理可知,可以通过测定V cd来确定E X,接下来的问题便是如何精确确定V cd,在此采用比较测量法。
如图2所示,把E X接入R AB的抽头,当抽头滑至位置cd时,G中无电流通过,则E X=IR cd,其中I是流过R AB的电流;再把一电动势已知的标准电池E N接入R AB的抽头,当抽头滑至位置ab时,G再次为0,则E N=IR ab,于是:E X=R cdR abE N(1)这种方法是通过电阻的比较来获得待测电压与标准电池电动势的比值关系的。