电渗析除盐实验指导书
- 格式:doc
- 大小:59.00 KB
- 文档页数:9
实验四电渗析除盐实验
覆盖本实验的各个环节
实验目的:利用电渗析除去盐溶液中的离子。
实验原理:电渗析除盐的原理是利用电场的作用力将溶液中的离子移入导电层,即毛细管内。
毛细管外皮连接正极电极,毛细管内连接负极电极,正极和负极的电势差在毛细表面产生电场,当溶液中的离子移入毛细管时,维持毛细管内电场,本质上就是离子的电位迁移,离子之间的电位差决定了渗析过程的进行速度。
实验原料及仪器准备:
原料:生理盐水(NaCl溶液),3mol/l 的氢氟酸溶液,0.2mol/l的硫酸钠溶液。
仪器:带有活性炭的水力比色管、活性炭层导电管,恒电流源、恒流源、pH计、电极组、烧杯、分液管、滤纸、温度控制器、精密天平等。
实验步骤:
1. 将传送液(NaCl溶液)放入加活性炭的水力比色管内,内部预加热温度至40℃,并用定量注入3mol/l的氢氟酸溶液和0.2mol/l的硫酸钠溶液,一共注入15mL。
2.将电极组连接到活性炭导电管中,一头为正极,一头为负极,用定量的恒电流源和恒流源给活性炭管供应电流,设定电流流量为5mA。
电渗析操作说明一、引言电渗析是一种通过电场的作用将溶质从一个液相转移到另一个液相的技术。
在化学、生物化学及生命科学领域中,电渗析被广泛用于溶质的分离、纯化和浓缩。
本操作说明将详细介绍电渗析的基本原理、操作步骤和注意事项。
二、原理电渗析的原理基于电泳和渗析两种现象的结合。
电泳是指在电场的作用下,带电粒子在溶液中移动的现象,而渗析则是指溶质由高浓度向低浓度扩散的过程。
通过将这两种现象结合起来,电渗析可以实现溶质的有效分离和浓缩。
三、操作步骤1. 准备工作在进行电渗析实验前,需要准备好以下材料和设备:- 电渗析装置(由离子交换膜、电场源、电极等组成)- 溶液A:含有目标溶质的混合溶液- 溶液B:不含目标溶质的溶液- 电源- 导电性好的电缆和连接器确保所有材料和设备都清洁,以避免杂质对电渗析实验结果的影响。
2. 装置组装将离子交换膜放置在电渗析装置的相应位置上,确保膜的安装正确。
连接电场源和电极,并确保电场源与电源连接稳固。
3. 溶液准备将溶液A和溶液B分别准备好,并确保其浓度和pH值符合实验要求。
按照实验设计,确定两种溶液的体积,并将它们倒入电渗析装置的相应截面。
4. 设置电场和运行条件根据实验要求,设置适当的电场强度和工作温度。
注意,过高的温度可能造成离子交换膜的破坏,影响实验结果。
5. 开始电渗析实验将电源接通,开始电渗析实验。
随着实验的进行,目标溶质会随电场作用从溶液A中向溶液B中迁移。
实验时间的长短应根据目标溶质的特性和实验要求来确定。
6. 实验结束根据目标溶质的转移情况,确定实验结束的时机。
停止电场源的工作,并将电渗析装置拆解,取出溶液A和溶液B进行分析。
四、注意事项1. 安全操作在进行电渗析实验时,要遵循实验室的安全操作规程,佩戴必要的个人防护装备,确保实验过程安全。
2. 选择合适的离子交换膜根据目标溶质的特性选择合适的离子交换膜,以确保实验的准确性和效果。
3. 确保电渗析装置的完整性在实验前检查电渗析装置的完整性,确保离子交换膜没有破损或受到污染,电场源和电极连接稳固。
双极膜电渗析处理含盐制药废水的实验方案
实验方案:双极膜电渗析处理含盐制药废水
一、实验目的
本实验旨在探究双极膜电渗析技术处理含盐制药废水的可行性,优化处理工艺,提高处理效率,为实际工程应用提供理论依据。
二、实验原理
双极膜电渗析技术是一种基于电场驱动的膜分离技术,通过阳离子和阴离子在电场作用下的选择性迁移,实现离子的分离和浓缩。
在双极膜电渗析过程中,水分子在电场作用下被分解为氢离子和氢氧根离子,从而调节溶液的
pH值。
同时,带电离子在电场作用下选择性迁移,实现离子的分离和浓缩。
三、实验步骤
1. 实验准备:准备不同浓度的含盐制药废水样品,收集并了解相关水质数据。
选择合适的双极膜电渗析设备,确保设备性能稳定。
2. 实验操作:将含盐制药废水样品加入双极膜电渗析设备中,设定合适的实验条件,如膜堆电压、电流密度等。
开始实验后,实时监测处理过程中的各项指标,如pH值、电流效率、能耗等。
3. 数据记录:详细记录实验过程中的各项数据,包括不同时间点的pH值、电流效率、能耗等。
同时,定期取样分析,检测处理后废水中盐分、有机物等指标的变化情况。
4. 结果分析:根据记录的数据,分析双极膜电渗析技术处理含盐制药废水的可行性。
通过对比不同实验条件下的处理效果,优化工艺参数。
5. 结论总结:总结实验结果,得出双极膜电渗析技术处理含盐制药废水的最佳工艺条件,为实际工程应用提供指导。
四、注意事项
1. 在实验过程中,要严格控制实验条件,确保数据的准确性和可靠性。
2. 实验结束后,应按照相关规定妥善处理废液,避免对环境造成二次污染。
实验七电渗析除盐实验一、实验的目的和要求1、了解、熟悉电渗析设备的构造、组装及实验方法;2、掌握在不同进水浓度或流速下,电渗析极限电流密度的测定方法;3、求定电流效率及除盐率。
二、实验原理电渗析是一种膜别离技术,已广泛地用于工业放心液回收及水处理领域〔例如除盐或浓缩等〕。
电渗析膜由高分子合成材料制成,在外加直流电场的作用下,对溶液中的阴阳离子具有选择透过性,使溶液中的阴阳离子在由阴膜及阳膜交借排列的隔室产生迁移作用,从而使溶质与溶剂别离。
离子选择透过是膜的主要特性,可用道南平衡理论予以解释。
应用道南平衡理论于离子交换膜,可把离子交换膜与溶液的界面看成是半透膜,电渗析法用于处理含盐量不大的水时,膜的选择透过性较高。
一般认为电渗析法适用于含量在3500mg/L以下的苦咸水淡化。
在电渗析器中,一对阴阳膜和一对隔板交错排列,组成最基本的脱盐单元,称为膜对。
电极〔包括共电极〕之间由假设干组膜对堆叠在一起,称为膜堆。
电渗析器由一至数组膜堆组成。
电渗析器的组装方法常用“级”和“段”来表示。
一对电极之间的膜堆称为一级,一次隔板流程称为一段。
一台电渗析器的组装方式可分为一级一段、多级一段、一级多段和多级多段。
一级一段是电渗析器的基本组装方式。
电渗析器运行中,通过电流的大小,与电渗析器的大小有关。
因此为便于比较,采用电流密度这一指标,而不采用电流的绝对值。
电流密度即单位除盐面积上所通过的电流,其单位为:mA/cm2.假设逐渐增大电流强度〔密度〕i,则淡水隔室膜外表的离子浓度C必将逐渐降低。
当i到达某一数值时C' r 0,此时的I值称为极限电流。
如果再稍稍提高I值,则由于离子来不及扩散,而在膜界面处引起水分子的大量电离,成为H+和OH-。
它们分别透过阳膜和阴膜传递电流,导致淡水室中水分子的大量电离,这种膜界面现象称为极化现象,此时的电流密度称为极限电流密度,以ilim表示。
极限电流密度与流速、浓度之间的关系如式〔7-1〕所示。
电渗析操作说明(一)引言概述:电渗析是一种利用电场来分离溶液中离子和分子的技术。
本操作说明将介绍电渗析的基本原理和操作步骤,以便用户正确、安全地进行电渗析实验。
正文:1. 原理- 电渗析是利用电场的作用,通过选择性通透膜将离子或分子从溶液中分离出来的过程。
- 电渗析装置通常由电解槽、两端电极和选择性通透膜构成。
- 电渗析过程中,正极吸引阴离子,负极吸引阳离子,使离子在电解槽中迁移,最终达到分离的目的。
2. 实验准备- 准备电渗析装置,包括电解槽、电极和选择性通透膜。
- 准备待处理的溶液,确保pH值和离子浓度符合实验要求。
- 检查电渗析装置的电极是否连接良好,膜是否完好无损。
3. 操作步骤- 安装选择性通透膜到电渗析装置中,确保膜面对正。
- 将溶液倒入电渗析装置中,注意不要超过膜的最大容量。
- 使用导线连接电解槽的两个电极,并接通电源。
- 根据实验要求设置适当的电流密度和运行时间。
- 开始电渗析实验,观察离子的迁移情况。
4. 实验注意事项- 在操作过程中要注意个人安全,避免触摸电解槽和电极。
- 选择合适的电渗析膜,确保其选择性通透性能。
- 控制好电渗析的电流密度,避免电极和溶液产生剧烈反应。
- 根据实验需求调整运行时间,以获得较好的分离效果。
- 注意保持实验环境的清洁,避免杂质的干扰。
5. 结果分析- 根据电渗析实验的结果,判断溶液中离子或分子的分离情况。
- 分析离子或分子的迁移速率,推测其在电渗析过程中的选择性通透性。
- 结合其他分析方法,验证实验结果的准确性和可靠性。
总结:本文介绍了电渗析实验的基本操作步骤和注意事项。
通过正确的操作和分析,电渗析技术可用于离子和分子的选择性分离和富集,具有重要的应用价值。
在进行电渗析实验时,务必遵守操作规程,确保实验的安全与准确性。
实验四电渗析除盐实验一、实验目的1.学习电渗析除盐的原理及方法;2.掌握电渗析除盐实验的操作方法;3.了解电渗析除盐对水样中盐离子的去除效果。
二、实验原理电渗析是利用电场对溶液中的离子进行选择性迁移的一种方法。
当在两个电极之间施加电场时,带电离子会受到电场力的作用,向相反电极迁移,形成离子迁移电流。
根据离子的电荷量和尺寸,不同离子的迁移速率也不同。
在电渗析过程中,离子的迁移速率与其电荷量成正比,与其尺寸成反比。
三、实验仪器和药品1.电渗析装置:包括电源、电极等;2.脱离盐水溶液:可以用食盐和水配制;3.导电率计:用于测量脱离盐水溶液的导电率。
四、实验操作步骤1.配制脱离盐水溶液:将适量的食盐加入一定量的水中,充分溶解形成脱离盐水溶液;2.准备电渗析装置:将电极插入脱离盐水溶液中,保持电极之间的距离一致;3.接通电源:将电源正极和负极分别连接到电渗析装置的两个电极上,然后接通电源;4.设置电场强度:根据实际需要,设置适当的电场强度;5.开始电渗析除盐:打开电源,让电场作用于脱离盐水溶液中的离子,观察离子迁移现象;6.测量导电率:在电渗析过程中,定期使用导电率计测量脱离盐水溶液的导电率变化,以评估去除效果;7.关闭电源:实验结束后,关闭电源,取出电极,清洗干净。
五、实验注意事项1.实验过程中应小心操作,避免触碰电源和电极;2.设置电场强度时应遵循安全操作规范;3.实验结束后应将电极清洗干净,以免残留盐离子对下次实验产生影响。
六、实验结果与分析1.实验中测得脱离盐水溶液的导电率随时间的变化情况;2.根据导电率变化情况可以评估电渗析除盐的效果,判断盐离子的去除程度。
七、讨论与思考1.电渗析除盐实验对于不同种类的盐离子有不同的去除效果,应用于实际水处理中时应考虑盐离子的种类及浓度;2.电渗析除盐实验中的电场强度、电极材料等因素也会影响除盐效果,可以进一步探究。
八、实验总结通过本次电渗析除盐实验,了解了电渗析除盐的原理和操作方法,并掌握了电渗析装置的使用技巧。
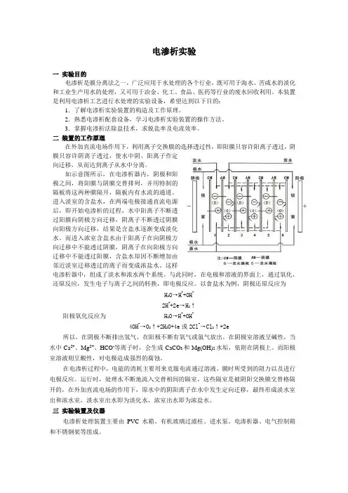
电渗析实验一实验目的电渗析是膜分离法之一,广泛应用于水处理的各个行业,既可用于海水、苦咸水的淡化和工业生产用水的处理,又可用于冶金、化工、食品、医药等行业的废水回收利用。
本装置是利用电渗析工艺进行水处理的实验设备,希望达到以下目的:1.了解电渗析实验装置的构造及工作原理。
2.熟悉电渗析配套设备,学习电渗析实验装置的操作方法。
3.掌握电渗析法除盐技术,求脱盐率及电流效率。
二装置的工作原理在外加直流电场作用下,利用离子交换膜的选择透过性,即阳膜只容许阳离子透过,阴膜只容许阴离子透过,使水中阴、阳离子作定向迁移,从而达到离子从水中分离。
如示意图所示,在电渗析器内,阴极和阳极之间,将阳膜与阴膜交替排列,并用特制的隔板将这两种膜隔开,隔板内有水流的通道。
进入淡室的含盐水,在两端电极接通直流电源后,即开始电渗析的过程,水中阳离子不断透过阳膜向阴极方向迁移,阴离子不断透过阴膜向阳极方向迁移,结果是含盐水逐渐变成淡化水。
而进入浓室含盐水由于阳离子在向阴极方向迁移中不能透过阴膜,阴离子在向阳极方向迁移中不能透过阳膜,含盐水却因不断增加由邻近淡室迁移透过的离子而变成浓盐水。
这样电渗析器中,组成了淡水和浓水两个系统。
与此同时,在电极和溶液的界面上,通过氧化、还原反应,发生电子与离子之间的转换,即电极反应。
以食盐水为例,阴极还原反应为H2O→H++OH-2H++2e→H2↑阳极氧化反应为 H2O→H++OH-4OH-→O2↑+2H2O+4e或2Cl-→Cl2↑+2e所以,在阴极不断排出氢气,在阳极不断有氧气或氯气放出。
在阴极室溶液呈碱性,当水中Ca2+、Mg2+、HCO-等离子时,会生成CaCO3和Mg(OH)2水垢,依附在阴极上。
而阳极室溶液则呈酸性,对电极造成强烈的腐蚀。
在电渗析过程中,电能的消耗主要用来克服电流通过溶液、膜时所受到的阻力以及进行电极反应。
运行时,处理水不断地流入交替相间的隔室,这些隔室是被阴阳交换膜交替格隔开的,在外加直流电场的作用下,原水中的阴阳离子在水中发生定向迁移,最终形成淡水室出和浓水室,淡水室出水即为淡化水,浓室出水即为浓盐水。
电渗析操作说明电渗析操作说明1:简介电渗析是一种分离和浓缩溶液中离子或小分子的方法,通过电场作用使溶质在离子竞争中迁移。
2:实验器材及试剂准备2.1 电渗析装置:包括电渗析槽、电极、电源和温度控制器等。
2.2 膜片:根据需要选择合适的离子选择性膜片。
2.3 溶液:根据需要准备待处理的溶液。
3:实验准备3.1 清洗装置:清洗电渗析槽和电极等装置,保证无杂质。
3.2 膜片准备:将膜片进行浸泡、冲洗和激活处理,确保其表面状态良好。
3.3 离子替换:如需替换溶液中的离子,进行适当的离子替换操作。
4:实验操作步骤4.1 装置组装:将清洗干净的电渗析槽组装好,确保密封良好,安装电极并连接电源。
4.2 溶液加入:将需要处理的溶液倒入电渗析槽中,确保液面高于膜片。
4.3 实验参数设置:根据实验需要,设置合适的电流密度、温度和pH值等实验参数。
4.4 实验运行:打开电源开关,开始实验,监控实验过程,注意防止溶液波动和漏电情况。
4.5 实验结束:实验时间结束后,关闭电源并取出电渗析槽中的溶液,对溶液进行进一步处理或分析。
5:实验注意事项5.1 注意安全:操作时要注意电源和电极的安全使用,防止触电或短路。
5.2 保持稳定:实验过程中要保持电流密度、温度和pH值等参数的稳定。
5.3 防止污染:避免溶液受到杂质污染,确保电渗析槽和膜片的清洁。
5.4 观察记录:实验过程中要及时记录关键数据,以便后续分析和评估实验结果。
6:附件本文档所涉及的附件详见附件部分。
7:法律名词及注释7.1 电渗析:一种通过电场作用进行溶质分离和浓缩的方法。
7.2 离子选择性膜片:具有特定离子选择性的薄膜,用于电渗析中特定离子的迁移。
7.3 电流密度:单位面积上通过的电流量。
7.4 pH值:表示溶液酸碱程度的指标,数值越小越酸越大越碱。
电渗析脱盐实验说明实验7电渗析脱盐实验一、实验的目的和要求1.了解并熟悉电渗析设备的结构、组装和实验方法;2.掌握不同进水浓度或流量下电渗析极限电流密度的测定方法;3、确定电流效率和脱盐率。
第二,实验原理电渗析是一种膜分离技术,已广泛应用于工业安全液体回收和水处理领域(如脱盐或浓缩等)。
)。
电渗析膜由高分子合成材料制成。
在外加直流电场的作用下,它对溶液中的阴离子和阳离子具有选择性的渗透性,使溶液中的阴离子和阳离子在由阴、阳离子膜组成的隔室中迁移,从而将溶质与溶剂分离。
离子选择性渗透是膜的主要特性,这可以用唐南平衡理论来解释。
将唐南平衡理论应用于离子交换膜,离子交换膜与溶液的界面可视为半透膜。
电渗析用于处理含盐量小的水时,膜具有较高的选择性渗透率。
通常认为电渗析适用于脱盐含量低于3500毫克/升的苦咸水。
在电渗析器中,一对阴极和阳极膜以及一对分离器交替排列以形成最基本的脱盐单元,其被称为膜对。
电极(包括公共电极)由几组膜对堆叠在一起,称为膜堆。
电渗析器由一到几个膜堆组成。
电渗析器的组装方法通常用“等级”和“截面”来表示。
一对电极之间的膜堆称为第一级,初级分离器流称为第一级。
电渗析器的组装方式可分为一级一级、多级一级、一级多级和多级多级。
第一阶段和第一阶段是电渗析器的基本组装方法。
在电渗析器操作期间,通过电流的大小与电渗析器的大小相关。
因此,为了便于比较,使用电流密度代替电流的绝对值。
电流密度是通过装置脱盐区的电流,其单位为:毫安/平方厘米。
如果电流强度(密度)逐渐增加,淡水室膜表面的离子浓度将逐渐降低。
当I达到某个值时,C'→0,此时I的值称为极限电流。
如果I值稍有增加,由于离子扩散太晚而变成氢和氢氧化物,在膜界面上将导致大量水分子电离一、实验的目的和要求1.了解并熟悉电渗析设备的结构、组装和实验方法;2.掌握不同进水浓度或流量下电渗析极限电流密度的测定方法;3、确定电流效率和脱盐率。
第二,实验原理电渗析是一种膜分离技术,已广泛应用于工业安全液体回收和水处理领域(如脱盐或浓缩等)。
电渗析法淡化与除盐电渗析法是一种利用电场力将溶液中的离子分离的技术。
它通过在两个相邻的离子交换膜之间加上电场,将溶液中的盐离子或其他有害离子从溶液中分离出来,从而实现淡化和除盐的目的。
电渗析法的主要原理是充分利用离子在电场中的迁移性差异。
在电渗析膜中,具有相同电荷的离子会受到电场力的驱动沿电场方向迁移,而具有异号电荷的离子则会受到电场力的阻碍。
因此,在电渗析膜中,正负离子会被分离开来,从而实现淡化和除盐的效果。
电渗析法的工艺流程一般包括以下几个步骤:1.预处理:将待处理的水经过预处理,去除其中的悬浮物、胶体和大分子有机物等。
2.进料:将预处理后的水送入电渗析装置中。
3.电渗析:在电渗析装置中,通过在两个相邻的离子交换膜之间加上电场,使得正负离子被分离开来。
正离子会迁移到阴离子交换膜一侧,而负离子则会迁移到阳离子交换膜一侧。
这样,溶液中的盐离子或其他有害离子就可以被分离出来。
4.收集纯水:在电渗析装置的一侧收集纯水,其质量和含盐量都会明显下降。
5.处理浓水:在电渗析装置的另一侧收集浓水,其中含有高浓度的盐离子或其他有害离子。
通过以上的工艺流程,电渗析法可以实现对水进行淡化和除盐的目的。
与传统的淡化和除盐技术相比,电渗析法具有以下几个优点:1.无需添加化学药剂:电渗析法是一种物理分离过程,不需要添加化学药剂,避免了可能产生的二次污染问题。
2.运行成本低:电渗析法没有耗材的消耗,所以运行成本较低。
3.技术成熟、稳定可靠:电渗析技术已经得到广泛应用,技术成熟、操作简便,运行稳定可靠。
4.适用范围广:电渗析法可以处理各种类型的水,包括海水、地下水、工业废水等。
然而,电渗析法也存在一些局限性和挑战:1.膜的选择:电渗析法的效果受到膜的选择和性能的限制,膜的选择需要考虑溶液的成分、浓度和PH值等因素。
2.能耗较高:电渗析法需要消耗电能,所以对电能的消耗较高,能耗较大。
3.处理能力有限:电渗析法的处理能力有一定限制,处理大规模的水量可能需要较大规模的设备。
电渗析脱盐原理及操作规程精品文档就在这里-------------各类专业好文档,值得你下载,教育,管理,论文,制度,方案手册,应有尽有-------------- --------------------------------------------------------------------------------------------------------------------------------------------电渗析脱盐原理及操作规程电渗析水处理设备是一种膜分离设备,是利用膜的选择透过性对水中的物质进行分离而达到除盐等预期目的的一种水处理设备。
电渗析是在外加直流电场的作用下,利用阴离子交换膜(简称阴膜,它只允许阴离子通过而阻挡阳离子)和阳离子交换膜(简称阳膜,它只允许阳离子交换膜通过而阻挡阴离子)的选择透过性,使一部分离子透过离子交换膜迁移到另一部分水中去,从而使一部分水淡化而另一部分水浓缩。
电渗析成套设备操作规程:1 开机前设备状态检查:检查预处理设备:阀门1开2关、3关4关、5开6关,7关8关、9关10开、11关12开、阀13开。
检查电渗析:阀门18及20必须为打开状态,27关、阀14、15和16处于开启状态。
整流控制柜的电压调节钮确认在零位(逆时针旋转到头)。
通过改变整流控制柜输出极性可以设定正向工作时阀17侧为淡水或19为淡水,我们设定阀17侧为正向时出淡水。
2 开机运行:---------------------------------------------------------精品文档---------------------------------------------------------------------精品文档就在这里-------------各类专业好文档,值得你下载,教育,管理,论文,制度,方案手册,应有尽有-------------- --------------------------------------------------------------------------------------------------------------------------------------------每次开机之前要做好预处理设备的冲洗工作(没有预处理的除外),首先进行逆洗:打开阀2、3、4关闭阀1,再关闭阀3直到冲洗排水干净为止。
9章—2电渗析法淡化与除盐电渗析法是一种利用电场力和膜渗透性质将溶液中的离子分离的技术。
它可以用于淡化水和除去盐分,是一种环保、高效的处理水质的方法。
本文将分别从电渗析法的原理、应用、优点和局限性等方面进行阐述。
电渗析法的原理是通过在两端施加电压,利用电场力使离子移动,经过膜的渗透过程分离出纯溶液和浓缩溶液。
在电渗析单元中,通常有正向离子交流膜和负向离子交流膜两层膜。
当施加电场后,正向离子会被正向膜排斥,从而进入浓缩室;负向离子会被负向膜排斥,从而进入纯化室。
通过这种方式,可以实现溶液中离子的分离和淡化。
电渗析法在淡化和除盐方面有着广泛的应用。
在淡化方面,该方法可用于处理含钠、氯离子较高的海水,可用于海水淡化,用于灌溉或饮用水水源。
在除盐方面,电渗析法可以与其他膜分离技术如反渗透和纳滤结合,进一步提高水的纯度。
此外,电渗析法还可以用于电镀废水处理,以及其他含有重金属的废水处理。
电渗析法有着一些优点。
首先,相较于传统的热蒸馏或冷冻结法,电渗析法不需要高能耗,因此具有更低的操作成本。
其次,电渗析法对水质的要求较低,几乎可以处理各种水源,无论其硬度或者盐分含量。
再次,电渗析法的膜模块结构紧凑,占地面积较小,使得设备布置灵活,适应性强。
此外,电渗析法还可以逆向操作,实现浓缩溶液中离子的回收。
尽管电渗析法有很多优点,但也存在一些局限性。
首先,电渗析法对于含有高浊度或者高溶解物的水源处理效果较差,容易造成膜污染。
其次,随着时间的推移,膜表面会形成一层浓缩膜,导致通量下降,需要定期更换。
最后,由于电渗析法需要使用电压,因此存在一定的安全风险,需要进行专业的操作。
综上所述,电渗析法是一种有效的淡化和除盐技术,可以应用于海水淡化、废水处理等领域。
它具有操作成本低、适应性强等优点,但也存在着对水质要求较低、膜污染等局限性。
因此,在实际应用中需要根据具体的水质状况进行选择,并结合其他技术进行综合处理,以实现最佳的水处理效果。
电渗析实验一、实验目的1、熟悉电渗析器各部分构造、功能、安装方法及操作方法;2、掌握电渗析器极限电流的测定、计算方法;3、加深理解电渗析运行中的电流密度、液体流速、溶液含盐量三者关系。
二、实验原理在电渗析运行中,电流密度的大小,直接影响了电渗析的效率。
电流密度与单位时间内溶液离子的多少成正比关系,通常以威尔逊公式表示为:i lim=KC dp u (20-1) 式中:i lim——极限电流密度(Ma/cm2);K——水力特性参数;u——淡水隔板流水道中的水流速度(cm/s);C dp——淡水室水中的对数平均浓度(mm/l);Cdi-Cde Cdp=2.31lg Cdi CdeC di——淡水室进水含盐量(mm/l);C de——淡水出水含盐量(mm/l)。
该式是在并联隔板电渗析器和理想条件下求得的,在实际使用的电渗析器中,由于隔网的紊流效果与理想情况有一定的差别,极限电流密度表达式应取如下形式:i lim=KC dp u n (20-2)式中:n——流速指数;其他符号同上。
在电渗析运行中,由于进入淡水室中水流的流速、含盐量不同,总有一个电流密度与之相对应。
如果继续改变输入电压,则电流也发生变化。
当电压升高后,电流密度变化极微,从而改变了原来的电压—电流关系时,就可能出现极化现象。
利用这样的关系,用作图的方法不难求出极限电流密度值。
由若干个不同水流速u或平均浓度C dp时的极限电流密度值,便可求出它的表达式。
三、电渗析器的构造:电渗析器由膜堆、极区和压紧装置三部分构成:1、膜堆:是由相当数量的膜对组装而成的。
膜对:是由一张阳离子交换膜,一张隔板(淡水或浓水隔板);一张阴离子交换膜,一张隔板(淡水或浓水隔板)组成。
离子交换膜:是电渗析器的关键部件,本厂采用聚乙烯异相离子交换膜。
隔板:分浓、淡水隔板,交替放在阴阳膜之间,使阴膜和阳膜之间保持一定的距离,沿隔板平面通过水流。
垂直隔板平面通过电流。
隔板厚度09毫米。
实验七电渗析除盐实验一、实验的目的和要求1、了解、熟悉电渗析设备的构造、组装及实验方法;2、掌握在不同进水浓度或流速下,电渗析极限电流密度的测定方法;3、求定电流效率及除盐率。
二、实验原理电渗析是一种膜分离技术,已广泛地用于工业放心液回收及水处理领域(例如除盐或浓缩等)。
电渗析膜由高分子合成材料制成,在外加直流电场的作用下,对溶液中的阴阳离子具有选择透过性,使溶液中的阴阳离子在由阴膜及阳膜交借排列的隔室产生迁移作用,从而使溶质与溶剂分离。
离子选择透过是膜的主要特性,可用道南平衡理论予以解释。
应用道南平衡理论于离子交换膜,可把离子交换膜与溶液的界面看成是半透膜,电渗析法用于处理含盐量不大的水时,膜的选择透过性较高。
一般认为电渗析法适用于含量在3500mg/L以下的苦咸水淡化。
在电渗析器中,一对阴阳膜和一对隔板交错排列,组成最基本的脱盐单元,称为膜对。
电极(包括共电极)之间由若干组膜对堆叠在一起,称为膜堆。
电渗析器由一至数组膜堆组成。
…电渗析器的组装方法常用“级”和“段”来表示。
一对电极之间的膜堆称为一级,一次隔板流程称为一段。
一台电渗析器的组装方式可分为一级一段、多级一段、一级多段和多级多段。
一级一段是电渗析器的基本组装方式。
电渗析器运行中,通过电流的大小,与电渗析器的大小有关。
因此为便于比较,采用电流密度这一指标,而不采用电流的绝对值。
电流密度即单位除盐面积上所通过的电流,其单位为:mA/cm2.若逐渐增大电流强度(密度)i,则淡水隔室膜表面的离子浓度C′必将逐渐降低。
当i达到某一数值时C′→0,此时的I值称为极限电流。
如果再稍稍提高I值,则由于离子来不及扩散,而在膜界面处引起水分子的大量电离,成为H+和OH-。
它们分别透过阳膜和阴膜传递电流,导致淡水室中水分子的大量电离,这种膜界面现象称为极化现象,此时的电流密度称为极限电流密度,以i1im表示。
极限电流密度与流速、浓度之间的关系如式(7-1)所示。
此式也称之为威尔逊公式i1im=KCV n式(7-1)式中n—流速系数(n=)v—淡水隔板流水道中的水流速度,cm/s;C—浓室中水的平均浓度,me/L,实行应用中采用对数平均浓度;K—水力特性系数其中n值的大小受格网型式的影响。
极限电流密度及系数n、K值的确定,通常采用电压、电流法,该法是在原水水质、设备、流量等条件不变的情况下,给电渗析器加上不同的电压U,得出相应的电流密度,作图求出这一流量下的极限电流密度。
然后改变溶液浓度或流速,在不同的溶液浓度或流速下,测定电渗析器的相应极限电流密度。
将通过实验所得到的若干组i1im、C、V值,代入威尔逊公式中。
等号两边同时取对数,解此对数方程就可得到水力特性系数K值及流速指数n值,K值也可通过作图求出。
…所谓电渗析器的电流效率,系指实际打出物质的量与应析出物质的量的比值。
即单位时间实际脱盐量q (C 1-C 2)/1000与理论脱盐量I/F 的比值,故电流效率也就是脱盐效率。
如式(7-2)所示。
η=%100/1000)(21⨯-FI C C q 式(7-2)式中 q —一个淡室(相当于一对膜)单位时间的实际脱盐量,L/SC 1、C 2—分别表示进出水含盐量,mmol/L I —电流强度,A ;F —法拉第常数,F=96500C/mol 三、实验设备、仪器1、电渗析器:采用阳膜开始阴膜结束的组装方式,用直流电源。
离子交换膜(包括阴膜及阳膜)采用异相膜,隔板材料为聚氯乙稀,电极材料为经石腊浸渍处理后的石墨(或其它)。
2、进水水质:(1)要求总含盐量与离子组成稳定; (2)浊度1-3mg/L;((3)活性氯(L );(4)总铁(L ) (5)锰(L )(6)水温5-40℃,要稳定 (7)水中无气泡。
3、变压器、整流器各1台 4、转子流量计:0.5m 3/h ,3只 5、水压表:,3只6、滴定管:50ml 、100ml 各1只 烧杯:100ml ,5只 量筒:1000ml,1只$7、电导仪:1只,附万用表。
8、秒表:1只实验装置如图7-2所示,采用人工配水,水泵循环,浓水淡水均用同一水箱,以减少设备容积及用水量,对实验结果无影响。
四、实验步骤1、启动水泵,缓慢开启进水阀门1及2,逐渐使其达到最大流量,排除管道和电渗析器中的空气。
注意浓水系统和淡水系统的原水进水阀门1、2 应同时开关。
2、在进水浓度稳定的条件下,调节流量控制阀门1、2,使浓水、淡水流速均保持在50-100mm/s的范围内(一般不应大于100mm/s),并保持进口压力稳定,以淡水压力稍高于浓水压力为宜,一般高。
稳定5分钟后记录淡水、浓水、极水的流量、压力。
3、测定原水的电导率(或称电阻率)、水温、总含盐量,必要时测PH值。
4、接通电源,调节作用于电渗析膜上的操作电压至一稳定值(例如对)读电流表指示数。
然后逐次提高操作电压。
在图4-2中,曲线OAD段,每次电压以对的数值递增(依隔板厚薄、流速大小决定,流速小板又薄时取低值),每段取4-6个点,以便连成曲线;在DE段,每次以电压对的数值逐次递增,同上取4-6个点,连成一条直线,整个OADE连成一条圆骨曲线。
之所以取DE段电压高于OAD段,是因为极化沉淀,使电阻不断增加,电流不断下降,导致测试误差增大之故。
5、边测试边绘制电压一电流关系曲线图,以便及时发现问题,改变流量(流速)重复上述实验步骤;%6、每台装置应测4-6个不同流速的数值,以便于求K和n。
在进水压力不大于的条件下,应包括20、15、10及15cm/s这几个流速;7、测定进水及出水含盐量,其步骤是先用电导仪测定电导率,然后由含盐量—电导率对应关系曲线求出含盐量,按式(7-2)求出脱盐效率。
五、注意事项1、测试前检查电渗析器的组装及进、出水管路,要求组装平整、正确,支撑良好,仪表齐全,并检查整流器、变压器、电路系统,仪表组装是否正确。
2、注意电渗析器开始运行时要先通水后通电,停止运行时要先断电后断水,并应保证膜的湿润;3、测定极限电流密度时应注意:(1)直接测定膜堆电压,以排除极室对极限电流测定的影响,便于计算膜对电压;(2)以平均“膜对电压”绘制电压—电流曲线,以便于比较和减少测绘过程中的误差;(3)当存在极化过渡区时,电压—电流曲线由OA直线、AD曲线、DE直线三部分组成,OA直线通过坐标原点;(4)作4-6个或更多流速的电压—电流曲线。
4、实验中每次升高电压后的间隔时间,应等于水流在电渗析器内停留时间的3-5倍,以利电流及出水水质的稳定;?5、注意每测定一个流速得到一条曲线后,要倒换电极极性,使电流反向运行,以消除极化影响,反向运行时间为测试时间的倍。
测完每个流速后停电断水。
表7-1为极限电流测试记录表六、实验成果整理分析1、求极限电流密度:极限电流测试记录隔板类型编号极段数目:日期:记录表7-1(1)求电流密度i根据测得的电流数值及测量所得的隔板有效面积S,以下列公式求II,(mA/cm2) 式(7-3)电流密度I=310S式中 I—电流,AS—隔板有效面积,cm2103—单位换算系数。
(2)求定极限电流密度i1im极限电流密度i1im的数值,采用绘制电压—电流曲线方法求出。
以测得的膜对电压为纵坐标,相应的电流密度为横坐标,在直角坐标纸上作图。
①点出膜对电流—电压对应点。
,②通过坐标原点及膜对电压较低的4-6个点作直线OA③通过膜对电压较高的4-6个点作直线DE,延长DE与OA,使二者相交于P点④将AD间各点连成平滑曲线,得拐点A及D⑤过P点作水线与曲线相交得B点,过P点作垂线与曲线相交得C点,C点即为标准极化点,C点所对应的电流即为极限电流。
2、求定电流效率及除盐率(1)电压—电导率曲线①以出口处淡水的电导率为横坐标,膜对电压为纵坐标,在直角坐标纸上作图。
②描出电压—电导率对应点,并联连成平滑曲线。
根据电压—电流曲线上C点所对应的膜电压U C,在电压—电导率关系曲线上确定U C对应点,由U C作横坐标轴的平行线与曲线相交于C′点,然后由C′点作垂线与横坐标交于γC点,该点即为所求得的淡水电导率,并据此查电导率—含盐量关系曲线,求出γC点对应的出口处淡水总含盐量(mmol/L)。
(2)求定电流效率及除盐率》①电流效率根据表7-1极限电流测试记录上的有关数据,利用式(7-2)求定电流效率,并以%表示。
上述有电流效率的计算都是针对一对膜(或一个淡室)而言,这是因为膜的对数只与电压有关而与电流无关。
即膜对增加,电流保持不变。
②除盐率除盐率是指去除的盐量与进水含盐量之比,即:除盐量=%100-121×C C C式中C 1、C 2—分别为进出水含盐量,mmol/L ,前已求得。
3、常数K 及流速指数n 的确定一般均采用图解法,或解方程法,当要求有较高的精度时,可采用数理统计中的线性回归分析,以求定K 、n 值。
(1)图解法①将实测整理后数据填入表7-2,即k 、n 系数计算表中。
表中序号指应列入4-6次的实验数据,实验次数不宜太少。
;②在双对数坐标纸上绘点,以i 1im /c 为纵坐标,以v 为横坐标;如在普通坐标纸上绘点时,则横坐标为lgV ,纵坐标1g(i 1im /c),以各实测数据所绘点,可以近似地连成直线。
K 值可由直线在纵坐标上截距确定。
K 值求出后代入极限电流密度公式,求得n 值。
N 值即为其直线斜率。
(2)解方程法把已知的i 1im 、C 、v 分为两组,各求出平均值,分别代入公式i 1im =KCv n 的对数式:v n K ci imlg lg lg1+= 解方程组可求得K 及n 值。
上述C 为淡室中的对数平均含盐量,单位为(mmol/L ),求法见《给水工程》。
[思考题]1、试对作图法与解方程法所求K 值进行分析比较。
2、利用含盐量与水的电导率计算图,以水的电导率换算含盐量,其准确性如何3、电渗析法除盐与离子交换法除盐各有何优点适用性如何【K、n系数计算表。