系统试运行及调试记录
- 格式:doc
- 大小:54.00 KB
- 文档页数:8
审讯系统试运行及调试记录审讯系统试运行及调试记录一、引言为了提高审讯工作的效率和准确性,我们决定引入一套先进的审讯系统。
在系统正式投入使用之前,为了确保其稳定运行,我们进行了试运行和调试工作。
本文将对试运行和调试的过程进行记录,并总结反思。
二、试运行过程1.前期准备在正式试运行之前,我们对审讯系统进行了全面的测试和验证,确保软硬件设备正常,各项功能完善。
同时,我们对系统的用户进行了培训,使其能够熟练掌握使用方法。
此外,我们还与系统开发商沟通,了解系统的特点和使用注意事项,为后续的调试工作打下基础。
2.正式试运行在试运行阶段,我们模拟了实际的审讯流程,并邀请了一些志愿者扮演被审讯的角色。
在每一次试运行过程中,我们记录了系统的表现、用户的反馈以及问题的发现,并及时进行修复和改进。
此外,我们还注意收集和整理用户对系统的建议和意见,以便对系统进行进一步的优化。
三、调试过程1.发现的问题在试运行过程中,我们发现了一些系统存在的问题和不足之处。
比如,系统可能出现卡顿和崩溃的情况,用户界面不够友好,某些功能操作复杂等。
我们将这些问题记录下来,并与开发商进行讨论和交流,以寻找解决方案。
2.问题的解决针对发现的问题,我们与开发商密切合作,共同制定了解决方案,并进行相应的调试工作。
通过不断的测试和修改,我们成功修复了系统的一些漏洞和问题,并对用户界面进行了优化。
此外,我们还对系统的性能进行了一系列的调优工作,确保其稳定运行。
四、总结反思通过试运行和调试,我们得到了以下的经验教训和启示:1.前期准备工作至关重要,包括设备测试、用户培训和与开发商的沟通。
只有在这些方面做足准备,才能为后续工作奠定基础。
2.用户的反馈和建议是优化系统的重要依据,需要及时收集和整理,并与开发商共同研究解决方案。
3.在调试过程中,要注重与开发商的合作和沟通,形成良好的工作氛围和合作机制。
4.在修复问题的过程中,要进行充分的测试和验证,确保修复方案的可行性和有效性。
管道试运行调试记录
1. 试运行前准备工作
- 检查管道系统的安装情况,确保所有管道连接牢固。
- 检查仪器设备的工作状态,确保能够准确记录试运行过程中
的数据。
- 验收试运行所需的原材料和试验样品,并妥善存放。
2. 试运行过程
- 将所需原材料注入管道系统,并确保流量的控制和稳定。
- 启动管道系统,并观察各部分的运行情况,如阀门开闭情况、流速等。
- 记录试运行过程中的各项数据,如压力、温度、流量等。
- 检查系统是否存在泄漏或其他异常情况,及时采取相应措施。
3. 试运行结果分析
- 根据试运行过程中记录的数据,分析管道系统的运行情况。
- 比较实际运行数据与设计指标,评估系统的稳定性和运行效果。
- 针对存在的问题,提出改进措施和建议。
4. 结论
根据试运行过程中的记录和分析结果,可以得出以下结论:
- 管道系统在试运行过程中表现稳定,符合设计要求。
- 通过试运行发现一些小问题,但均已得到及时处理和改进。
- 提出了进一步改进管道系统的建议,以提高其稳定性和性能。
5. 后续工作
根据试运行记录和分析结果,需要进行以下后续工作:
- 对管道系统进行进一步优化,提高其运行效率。
- 完善管道系统的检修计划,确保其长期可靠运行。
- 继续监测管道系统的运行情况,并及时处理出现的问题。
以上为管道试运行调试记录的内容。
表D.23
系统试运行调试记录编号:工程名称
分部名称
施工单位试运行
调试时
间
施工质量验收标准名称及编号固定电话交换设备
安装工程验收规范
YD/T 5077-2005
试运行、调试内容:
1、通电测试前检查,标称
工作电压为-50V (允许变
化范围-57~-40V);
2、硬件检查,可见可闻报
警信号工作正常,装入测试
程序,通过自检,确认硬件
系统无故障;
3、系统检查,系统各类呼
叫,维护管理,信号方式及
网络支持功能。
4、性能测试:
1本局呼叫,对各电话机及分支进行测试,合格率100%;
2汇接中继测试(各种方式);
3其他各类呼叫;
4计费差错率指标不超过10-4
5、采用人机命令进行故障诊断测试
试运行、调试结论:
系统运行正常,调试合格。
签
字栏建设单位
监理单
位
施工单
位。
智能家居系统试运行调试记录日期: [填写日期]地点: [填写地点]一、试运行前准备在开始试运行智能家居系统之前,我们进行了以下准备工作:1. 安装智能设备:根据设计方案,我们安装了各类智能设备,包括智能灯具、智能插座、智能门锁等。
2. 连接网络:将智能设备连接至无线网络,并测试了网络连接的稳定情况。
3. 软件设置:在智能手机上安装并配置了智能家居系统的控制软件,并进行了必要的设置。
二、试运行调试过程在试运行阶段,我们进行了下列调试工作,并记录了相关结果:1. 灯光控制调试:- 操作测试:通过手机App对智能灯光进行远程开关、调光等操作。
- 情景模式:测试了情景模式的设定和切换功能,如调整灯光颜色和亮度。
- 定时开关:进行了定时开关的设置测试,确保定时开关功能正常。
2. 家居安全调试:- 智能门锁:测试了智能门锁的解锁和上锁功能,并确认了指纹识别和密码输入的正确性。
- 安防系统:通过手机App远程操作安防系统,测试了报警功能和监控画面。
3. 温控调试:- 智能温控器:测试了智能温控器的温度调节功能,并对不同区域的温度进行了调试。
- 温控情景:测试了通过情景模式调整室内温度的功能,如夜间模式和离家模式。
三、试运行调试结果试运行调试过程中,智能家居系统表现出良好的功能和稳定性。
各类智能设备的操作正常,可以通过手机App远程控制和设置各项功能。
在不同测试场景下,系统都能快速响应并完成相应指令。
基于试运行调试结果,我们得出以下结论:- 智能家居系统的基本功能正常运行。
- 安全性和可靠性得到了验证。
- 操作界面友好、易用。
四、下一步计划基于试运行调试结果,我们计划进行以下工作:1. 客户反馈与改进:收集试运行期间客户的反馈意见,针对可能的问题和改进点进行总结和分析,并进行相应改进。
2. 场景扩展:根据客户需求,进一步扩展智能家居系统的功能,例如增加语音控制和智能化场景配置等。
3. 系统维护:建立定期维护计划,定期检查智能设备的运行状态,并及时处理可能出现的故障和问题。
电梯系统试运行调试记录引言本文档记录了电梯系统的试运行调试过程及结果。
通过试运行调试,我们对电梯系统的功能进行了充分验证与测试,确保其正常运行并符合相关要求。
试运行调试过程1. 设备安装及连接在试运行调试前,我们先完成了电梯设备的准备工作,包括安装和连接必要的硬件以及电源。
确保每个电梯都能正常启动和停止,并且与电力系统的连接稳定。
2. 基本功能测试接下来,我们对电梯系统的基本功能进行了测试。
包括但不限于:电梯停靠楼层的准确性、开门和关门操作是否正常、紧急停止按钮是否有效等。
通过一系列测试动作,我们确认电梯系统的基本功能正常运行。
3. 运行模式测试针对不同运行模式,我们进行了相关的测试。
包括但不限于:正常运行、下行过载、上行过载、静态故障等情况模拟。
通过模拟各种情况下的运行,我们验证了电梯系统的稳定性和容错性。
4. 紧急故障应对测试我们模拟了一系列可能的紧急故障情况,并对电梯系统的应对进行了测试。
包括但不限于:停电时电梯应急照明是否正常、火警报警时电梯的自动救援操作等。
通过测试,我们确保电梯系统在突发情况下能够做出正确的应对。
试运行调试结果经过上述一系列的试运行调试,我们得出以下结论:1. 电梯系统的基本功能良好,各项操作准确可靠。
2. 电梯系统在不同运行模式下表现稳定,具备一定的容错能力。
3. 电梯系统的紧急故障应对能力较强,能够在紧急情况下提供快速而安全的救援。
结论通过本次试运行调试,我们充分验证了电梯系统的功能,确认其符合预期要求。
现在可以继续进行下一阶段的工作,包括正式投入使用前的最后准备工作以及必要的安全验证。
以上是电梯系统试运行调试记录的内容,供参考。
调试报告及设备单机试运行记录(一)引言:
在进行设备单机试运行前,我们首先进行了详细的调试工作,以确保设备能够正常运行并符合预期的性能要求。
本报告将对调试过程和设备的单机试运行进行详细记录和总结。
通过本次调试和试运行,我们能够更好地了解设备的运行情况并作出相应的改进和优化。
正文:
调试过程
1. 确认设备的各个组件和连接是否正常,包括电源、传感器等。
2. 测试设备的各个功能模块是否可以正常工作,包括输入输出、数据传输等。
3. 调整设备的参数设置,以满足不同环境和工作需求。
4. 运行设备的自检程序,检查硬件和软件是否有异常情况。
5. 根据设备的调试日志和报错信息,排查和解决问题,确保设备运行的稳定性和可靠性。
单机试运行记录
1. 按照设备的操作手册,进行设备的启动和停止操作。
2. 跟踪设备的运行状态,记录设备的工作时间、工作温度等参数。
3. 检查设备的输出结果和数据存储情况,确保设备运行的准确性和数据的完整性。
4. 测试设备在不同工作负载下的性能表现,包括响应速度、处理能力等。
5. 记录设备的使用体验,包括易用性、界面友好性等方面的评价。
总结:
通过对设备的调试和单机试运行,我们成功地验证了设备的功能性和性能要求。
设备能够正常工作,并且在不同工作环境下都展现出良好的稳定性和可靠性。
同时,我们也发现了设备的一些问题和改进空间,这将为我们进行后续的优化和改进提供有力的依据。
我们将继续对设备进行进一步的测试和验证,以确保设备能够在实际应用中发挥最佳的效果。
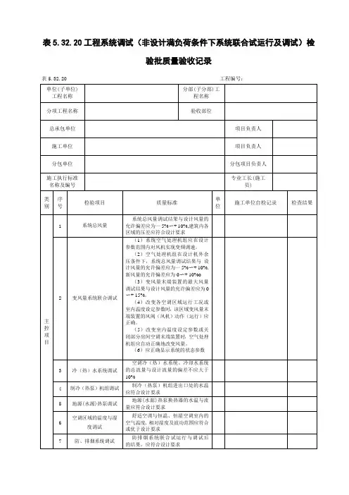
系统试运行调试记录
编号表C6-3
工程名称北京 XX 干休所
试运行调试时间
试运行
机组送风试验
试运行调试项目一区一至六层,二三区一层
调试部位
试运行、调试内容:
一区一层、二区一层共四台此中
一区东段 BFK-201台一区西段 BFK-20一台
二区东段 BFK-81台一区西段 BFK-8一台
一区一层两台,新风机组,每台机房噪声<70dB
二区一层两台,新风机组,每台机房噪声<60dB
一区新风机组送向各层风量>3500m/n(一台新风机组送风量)
二区新风机组送向一、层风量每层>3000m/n(一台新风机组送风量)
试运行、调试结论:
新风机组于 12月23日18时运行至 12月23日21时,经 4小时运行新风机组噪声切合设计要求值,送风状况已达到设计要求值。
建设单位监理单位施工单位
XXX XXX XXX
附:必需的试运行调试测试表
本表由施工单位填写,建设单位、施工单位、城建档案馆各保留一份。