信号系统非正弦周期信号的分解与合成实验报告.pptx
- 格式:pptx
- 大小:128.82 KB
- 文档页数:5
非正弦周期信号分解与合成实验板设计摘要对于非正弦周期信号的分解与合成的研究,虽然可以利用作图将不同频率正弦量进行叠加,合成非正弦周期量,但是不够准确和直观,利用数学知识将非正弦周期两分解成不同频率正弦量的叠加的讲解有一些难度,但是通过设计实验板,可以让人直观地了解非正弦周期信号的分解与合成。
本论文采用Multisim2001进行实验仿真,设计非正弦周期信号分解与合成实验板,对非正弦周期信号-方波、三角波进行分解与合成。
本论文首先介绍实验板的构成及其设计原理,然后对其内部构造一一进行介绍.还有对其各个元件的电路设计、仿真,最后介绍用设计好的实验板电路进行方波、三角波的分解与合成,得到仿真波形和数据,验证了本设计的可行性.关键词:Multisim2001;非正弦周期信号;函数信号发生器;滤波器Design of Non-sinusoidal periodic signal decomposition and syntheticexperimental boardABSTRACTFor a non—sinusoidal periodic signal decomposition and synthetic study,although can use different frequency sine drawing are united, synthesis of a non sinusoidal periodic quantity,but was not accurate enough and intuitive;Using mathematical knowledge of a non-sinusoidal periodic two down into different—frequency sine superposition explains some difficulties, but it can be achieved easily in the design of experimental board。
非正弦周期信号的分解与合成设计报告杨磊(渭南师范学院物理与电气工程学院电子信息科学与技术2008级2班)摘要:本作品主要用于非正弦信号的分解与合成实验验证,电路主要由滤波电路模块、放大器模块、移相器模块和加法电路模块组成。
将50Hz方波接至带通滤波器模块的输入端,再将各带通滤波器的输出信号接至示波器,观察各次谐波的频率和幅值,然后再将基波和各次谐波分量接至加法器进行合成,记录合成后的波形。
关键字:函数信号发生器带通滤波器加法器分解合成前言本设计的任务是使我们获得信号与系统分析方面的基本理论、基本知识和基本技能,培养我们分析问题和解决问题的能力,为深入学习通信、电子信息类专业有关课程及以后从事专业工作打下良好的基础。
如何把抽象的数学语言和具体的物理概念与实际应用联系起来,也是学习中要解决的重要问题。
让我们有机会尽早接触正弦波、方波等周期信号以及调幅波、调频波等调制信号,通过多观察、多测试、多分析,理论联系实际,举一反三,融会贯通,掌握观察、测试和分析信号与系统的基本方法,培养使用基本分析工具的能力。
为此我们引入信号的分解与合成来解决这样的问题。
从而有了我们这次的课题——信号波形合成。
1 方案的设计和论证通过控制系统的要求可知,本系统是由函数信号发生器、带通滤波器、移相电路和加法电路四大模块组成。
其中方函数信号发生器由据的采集用高精度的MAX038来实现,带通滤波器由LC并联谐振电路来实现,移相电路由RC移相电路实现,加法电路由高度集成运放TI公司生产的低噪声高精度运算放大器OP07来设计。
系统结构框图如下:图1 系统框图1.1 方波信号发生器的设计方案1:采用AT89S52的时钟信号,采用软件编程输出50Hz的方波信号。
AT89S52是一种低功耗、高性能CMOS 8位微控制器,具有8K 在系统可编程Flash 存储器。
使用Atmel 公司高密度非易失性存储器技术制造,与工业80C51 产品指令和引脚完全兼容。
实验五非正弦周期信号的分解和合成一、实验要求1、观察正弦波,矩形波和三角波信号的频谱,并进行分析;2、设计以一个BPF1-BPF6的带通滤波器,加法器。
滤波器调谐在基波和各次谐波上,然后用加法器对各次谐波进行合成,观察合成信号与原信号的区别;3、分别对单相正弦波、矩形波和三角波的输出信号进行分解和合成,观测基波及各次谐波频率和幅度,加法器的输出波形。
二、实验内容:(1)用频谱仪和FOURIER分析法观测非正弦周期信号的频谱,分别观测50HZ单相正弦波,方波,矩形波和三角波信号的频谱记录之.A)50hz单相正弦波单相正弦波的产生:产生的波形图如下:对应的频谱图:B)50HZ方波Fourier分析法观测的频谱:C)50HZ矩形波对应的频谱:(2)设计BPF1-BPF6带通滤波器,加法器.滤波器调谐在基波和各次谐波上的带通滤波器,加法器用于信号的合成.将50HZ的方波信号其接至各带通滤波器的输入端,将各带通滤波器的输出分别接至示波器,观测各次谐波的频率和幅值.并记录之本实验不是采用带通滤波器进行实现,而是通过谐振回路对相应的谐波进行提取,实现的电路图如下:基波和二次谐波的电路如下:三次谐波和四次谐波如下:九次谐波的波形如下:(4)将方波分解所得的基波和三次谐波加到加法器的响应输入端,观测加法器的输出波形,并记录之.电路图:合成后的波形:(5)在4的基础上,再将五次谐波分量加到加法器的输入端,观测相加后的波形,记录之,并分析讨论将一三五谐振回路进行串联得到的信号,可见,效果相对上图比较好些(6)分别将50HZ单相正弦波,矩形波和三角波的输出信号接至50HZ电信号分解与合成模块输入端、观测基波和各次谐波的频率和幅度,求和器的输出波形。
最后我们来看看六次谐波叠加的效果:可以看到信号恢复的已经比较不错了,由于在合成信号时会有吉布斯效应,所以会有一个约9%的小凸起。
上面是观察方波信号的,当然我们也可以对三角波信号进行同样的观察,可以预见的是,三角波信号的3,,5次谐波能量将会更小,基波能量将非常集中,因此合成出来的结果应该会更加完美。
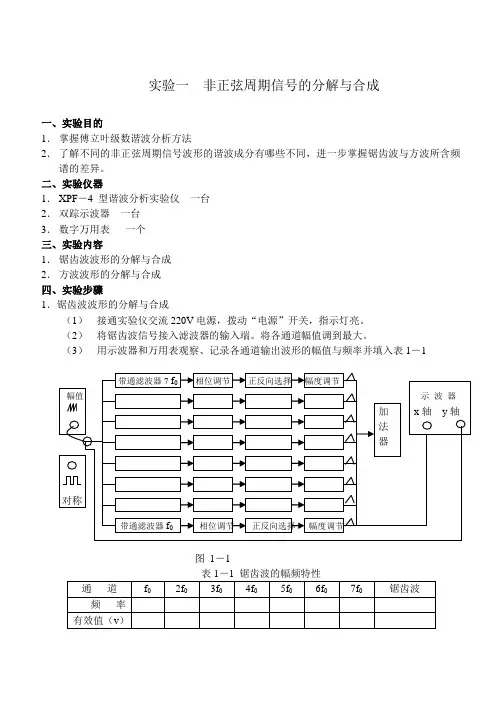
实验一非正弦周期信号的分解与合成一、实验目的1.掌握傅立叶级数谐波分析方法2.了解不同的非正弦周期信号波形的谐波成分有哪些不同,进一步掌握锯齿波与方波所含频谱的差异。
二、实验仪器1.XPF-4 型谐波分析实验仪一台2.双踪示波器一台3.数字万用表一个三、实验内容1.锯齿波波形的分解与合成2.方波波形的分解与合成四、实验步骤1.锯齿波波形的分解与合成(1)接通实验仪交流220V电源,拨动“电源”开关,指示灯亮。
(2)将锯齿波信号接入滤波器的输入端。
将各通道幅值调到最大。
(3)用示波器和万用表观察、记录各通道输出波形的幅值与频率并填入表1-1图1-1表1-1 锯齿波的幅频特性(4)用李沙育图形法观察与调节各谐波与基波分量的相位差为零将基波分量相位调节后的波形送示波器的有y轴,2f0分量相位调节后的信号送示波器的X轴。
按下示波器上的X-Y方式转换按钮降低示波器的亮度,以避免示波器荧光粉受损),调节2f0分量相位,使李沙育图形满足图1-2 所示波形。
之后,f0分量相位调节器不动,分别观察和调节其他各通道的李沙育图形,使其满足要求(相位差为0)二次谐波与基波三次谐波与基波四次谐波与基波五次谐波与基波六次谐波与基波七次谐波与基波图1-2 各高次谐波与基波的李沙育图形(5) 将示波器的一个通道接入加法器输出,另一个通道锯齿波输出端,恢复示波器的双通道显示方式。
将正反相选择开关全部拨向正向。
将加法器前的2f0~7f0开关拨向地端,观察双通道波形(6)(7)将基波分别与2f0~7f0波形叠加(任选2个通道),在输出端观察结果并记录。
2.方波的分解与合成(1)将方波信号接入滤波器的输入端,调节对称旋钮,使其对称(用示波器观察其波形)重复锯齿波的分解与合成实验的过程,将相应的数据填入表1-2并记录相应的合成图形表1-2 方波的幅频特性五、实验报告要求1.根据实验数据,在同一坐标纸上,画出锯齿波及分解后的基波和各次谐波波形,2.画出锯齿波与方波合成的波形图(包括基波与各次谐波叠加及所有通道叠加波形)。
实验一:50Hz 非正弦周期信号的分解与合成一、实验目的1、掌握周期信号傅里叶级数的概念和意义。
2、观测非正弦周期信号的分解与合成。
二、实验仪器THKSS -A 型信号与系统实验箱,双踪示波器,函数信号发生器。
三、实验原理一个非正弦周期信号可以用一系列幅度、初相不同,频率成整数倍的正弦信号来表示,其中与非正弦信号具有相同频率的成分称为基波或一次谐波,其它成分则根据其频率为基波频率的2、3、4、…、n 等倍数分别称二次、三次、四次、…、n 次谐波,其幅度将随谐波次数的增加而趋于减小。
反过来,幅度和初相不同的各次谐波(含直流)可以合成一个非正弦周期信号。
非正弦周期信号可用傅里叶级数来表示,各项系数与频率之间的关系叫频谱,不同的非正弦周期信号具有不同的频谱图。
方波周期信号的傅里叶级数表达式为)7sin 715sin 513sin 31(sin 4)(⋅⋅⋅++++=t t t t u t u mωωωωπ,信号波形和相对频谱如图1.1所示。
图1.1 方波信号波形和相对频谱图各种不同信号的波形如图1.2所示,其傅氏级数表达式对应如下。
图1.2 各种不同信号的波形图各种不同信号的傅里叶级数表达式:1、方波)7sin 715sin 513sin 31(sin 4)(⋅⋅⋅++++=t t t t u t u mωωωωπ 2、三角波)5sin 2513sin 91(sin 8)(2⋅⋅⋅++-=t t t U t u m ωωωπ3、半波 )4cos 1512cos 31cos 421(2)(⋅⋅⋅+--+=t t t U t u m ωωωππ 4、全波 )6cos 3514cos 1512cos 3121(4)(⋅⋅⋅+---=t t t U t u m ωωωπ5、矩形波)3cos 3sin 312cos 2sin 21cos (sin 2)(⋅⋅⋅++++=t Tt T t T U T U t u m m ωτπωτπωτππτ四、实验内容和步骤实验装置的结构如图1.3所示。
电气学科大类10 级《信号与控制综合实验》课程实验报告(基本实验一:信号与系统基本实验)姓名王鑫学号U200712174专业班号0707指导教师日期实验成绩评阅人实验评分表目录一、实验内容(一)实验三非正弦周期信号的分解与合成实验任务与目的总体方案设计方案实现和具体设计实验设计与实验结果结果分析、讨论与思考题(二)实验五无源与有源滤波器实验任务与目的总体方案设计方案实现和具体设计实验设计与实验结果结果分析、讨论与思考题(三)实验六低通、高通、带通、带阻滤波器间的变换实验任务与目的总体方案设计方案实现和具体设计实验设计与实验结果结果分析、讨论与思考题(四)实验七信号的采样与恢复实验实验任务与目的总体方案设计方案实现和具体设计实验设计与实验结果结果分析、讨论与思考题(五)实验八调制与解调实验实验任务与目的总体方案设计方案实现和具体设计实验设计与实验结果结果分析、讨论与思考题二、实验总结三、实验心得与体会四、参考文献实验三 非正弦周期信号的分解与合成一、 实验任务与目的1. 用硬件电路分解(带通滤波器)非周期正弦信号,同时分析观测信号的频谱,并与其理论傅里叶级数公式中各项的频率与系数作比较; 2. 观测基波和其谐波的合成结果。
3. 掌握低通滤波器、带通滤波器、加法器的设计方法。
二、 总体方案设计● 原理分析与方案设计特点任何周期电信号都可以用傅立叶级数来表示,即表示为三角函数的线性组合:∑∑∞=∞=++=++=1101110)sin()]sin()cos([)(n n nn n nt n CC t n b t n aa t U θωωω即任何周期电信号都可以分解成直流分量、各种不同频率、幅值和初相的正弦波,将频率1ω对应的正弦分量称为基波分量,而对应于其它高次频率1ωn 的分量称为高次谐波。
由其傅里叶级数展开式可知,各次谐波的频率为基波频率的整数倍,每一频率成份的幅值大小是不同的。
在这个实验中我们可以采用50Hz 方波信号作为分析信号。
实验一周期信号的分解与合成一、实验目的1.用同时分析法观测50Hz 非正弦周期信号的频谱。
2.观测基波和其谐波的合成。
二、实验原理1.一个非正弦周期函数可以用一系列频率成整数倍的正弦函数来表示,其中与非正弦具有相同频率的成分称为基波或一次谐波,其它成分则根据其频率为基波频率的2、3、4、...、n 等倍数分别称二次、三次、四次、...、n 次谐波,其幅度将随谐波次数的增加而减小,直至无穷小。
2.不同频率的谐波可以合成一个非正弦周期波,反过来,一个非正弦周期波也可以分解为无限个不同频率的谐波成分。
3.一个非正弦周期函数可用傅里叶级数来表示,级数各项系数之间的关系可用一各个频谱来表示,不同的非正弦周期函数具有不同的频谱图,各种不同波形及其傅氏级数表达式见表1-1表1-1 各种不同波形的傅里叶级数表达式(下)1.方波2.三角波3.半波4.全波5.矩形波三、预习要求在做实验前必须认真复习教材中关于周期性信号傅利叶级数分解的有关内容。
四、实验内容1. 50HZ方波信号的频谱。
2. 周期矩形脉冲的频谱;脉冲宽度为1;周期为4;则基波角频率为0.5pi3. 使用不同频率的谐波合成方波信号;注意观察随着谐波数的增加合成的波形发生的变化。
4. 使用不同频率的谐波合成矩形脉冲信号;注意观察随着谐波数的增加合成的波形。
五、思考题1.什么样的周期性函数没有直流分量和余弦项?附:1. 50HZ方波信号的频谱。
>> w1= ; %基波角频率>> n=0:1:30;>>bn= ; %三角级数中系数bn,参考书p122>> stem(n*w1,bn),grid on>> xlabel('\omega(rad/s)'),ylabel('bn')>> title('方波信号频谱分析图')2. 周期矩形脉冲的频谱;脉冲宽度为1;周期为4;则基波角频率为0.5pitao= ;w1= ;n=-15:1:15;fn= ; %矩形脉冲级数系数fn,参考书p130,用matlab自带函数sinc stem(n,fn),grid onxlabel('n');ylabel('Fn');title('周期矩形脉冲的频谱图');3. %使用不同频率的谐波合成方波信号;注意观察随着谐波数的增加合成的波形%发生的变化。
竭诚为您提供优质文档/双击可除信号的分解与合成实验报告篇一:实验报告二.信号的分解与合成实验二信号的分解与合成时间:第星期课号:院系专业:姓名:学号:座号:=================================================== =========================================一、实验目的1、观察信号波形的分解与合成,加深对信号频谱的理解;2、学会用软件multisim进行信号的分解和合成;二、实验预习1、方波信号是周期性信号,对周期信号进行傅里叶级数分解,(如果方波信号的频率是f)分解后基波信号的频率为多少?各次谐波频率是多少?各次谐波频率与基波频率的关系?。
2、方波信号有偶次谐波吗?为什么?3、熟悉实验指导书第18页图1-24信号分解与合成电路。
参考指导书50Khz方波信号的分解与合成的例子,设计一个30Khz方波信号的分解与合成的电路。
30Khz方波信号的分解与合成的电路参数的要求:(1)五个滤波器的电容值c1?c2?c3?c4?c5?1?F(2)根据公式f?12?Lc计算出,,。
并画出电路图。
三、实验内容1.设计30Khz方波信号分解与合成电路:将30Khz的方波信号分解出一、三、五次谐波;首先在电子工作台上画出待分析的电路。
(电路参考实验指导书第18页图1-24信号分解与合成电路)注意:函数信号发生器的设置:波形选择:方波;频率:30Khz;占空比:50%;信号幅度:1V。
再用示波器分别观测方波信号波形、一、三、五次谐波波形,合成波波形,测量周期,幅度。
2.画波形图:分别画出方波信号波形、一、三、五次谐波波形,合成波五个信号的波形图(时间轴对应),标明周期,幅度。
(注意实验过程中在下面空白处记录波形图,课后把数据整理在坐标纸上并粘贴在此处)3.实验过程中的故障现象及解决方法。
四、思考题篇二:信号分解与合成实验报告实验二信号分解与合成--谢格斯110701336聂楚飞110701324一、实验目的1、观察电信号的分解。