喷涂车间首检记录表
- 格式:xls
- 大小:28.00 KB
- 文档页数:1
一、4.4.1询问车间负责人,所有车间人员的分工、职责,查有关分工职责与分工文件,与OHS相关的资源是否到位。
二、4.3.1与负责人交谈,了解喷漆车间的危险源辨识和风险评价情况,查危险源和重要风险清单,现场确认是否识别、评价了意外的火灾爆炸、有害气体挥发泄露、空压机噪声、触电等风险。
确认重要风险有无遗漏。
三、4.3.2与负责人交谈了解,是否识别出了适用的法律法规及相关要求,获取渠道是什么?查看识别的法律法规清单。
现场抽查2-3名员工,询问他们是否知道与本车间相关的法律法规和其他要求。
四、4.3.3/4 查车间的目标、指标文件,了解目标完成情况,是否合理,职责是否明确?方案措施是否到位有效?五、4.4.2向喷漆车间负责人了解OHS岗位的确定与培训情况,提问2-3名关键岗位员工(如喷漆工、电工)是否了解本岗位的风险以及可能发生的事故,发生紧急情况是否会处理?六、4.4.6抽查近6个月的车间运行记录,确认作业指导书的规定被很好执行,现场查看空压机运转和喷漆设备、气体吸收回收装置、空压机储气装置等设备是否正常运转?技术措施是否适用。
抽查近一年的设备维修记录,了解设备运行是否处于良好状态中。
七、4.4.7询问负责人是否清楚本车间所有会出现哪些异常和紧急情况?对意外的火灾、爆炸、有毒有害气体挥发泄露、触电等是否制定了相应的应急程序?看应急程序内容是否充分、适宜?现场察看应急设施是否齐全,是否保持有效和适用?查阅以往记录,了解是否出现过事故和紧急情况,如发生过,查对紧急情况处理的证据,及对应急程序是否进行了评审和修订。
八、4.5.1与负责人交谈。
了解是否定期对车间的运行进行检查监督,查阅近6个月的记录,并对照法规要求评价符合性。
查设备及安全装置是否进行了周期性检验校准?是否对车间的检测仪器按照规定进行了校准和检测,查检测记录。
九、4.5.2对上述检查监督的结果时出现不符合时,是否分析了原因,采取了相应的纠正措施,整改措施是否有效。
涂装过程检验记录表---1. 检验概述本文档记录了涂装过程中的检验记录,旨在确保涂装工序的质量和合规性。
---2. 检验内容2.1 涂装前准备- 检查涂装设备是否完好并运作正常。
- 检查涂料是否符合要求,包括颜色、粘度、干燥时间等。
- 检查工件的表面处理是否完备。
2.2 涂装过程- 检查涂装人员是否佩戴防护设施,如手套、眼镜、防护服等。
- 检查涂料的搅拌情况,确保颜料分散均匀。
- 涂装过程中定期检查喷枪、喷嘴等设备的清洁和磨损情况。
- 检查涂装过程中的湿度和温度是否符合要求。
2.3 涂装后处理- 检查涂装表面的质量,如有无气泡、流挂、起皱等缺陷。
- 检查涂装层厚度是否符合要求。
- 检查涂装工件的标识和编号是否清晰可见。
- 检查涂装过程产生的废料的处理情况。
---3. 检验记录---4. 检验结果分析根据上述检验记录,总体来看,涂装过程中的准备工作基本符合要求,涂装过程也较为顺利。
但在涂装后处理阶段发现了涂装表面有缺陷的情况,需要进一步分析原因并采取相应的改进措施。
同时,其他方面的检验结果基本符合要求,反映了涂装工序的整体质量较好。
---5. 改进建议- 对涂装后处理过程进行审查,分析缺陷产生的原因,并制定改进方案。
- 加强涂装人员防护设施的宣传和培训,确保其正确佩戴和使用。
- 定期对涂装设备进行维护和保养,确保其运作正常。
- 强化废料处理的管理,确保涂装过程的环保合规。
---该文档仅作为涂装过程检验的参考记录,未来可根据实际情况进行补充和修改。
同时,检验结果和改进建议也需要根据具体需求进行调整。
以上所述仅供参考,具体操作请根据实际情况进行。
希望以上内容能帮到您,如有任何问题或需要进一步帮助,请随时告知。
喷漆过程检验记录表格 1 / 1
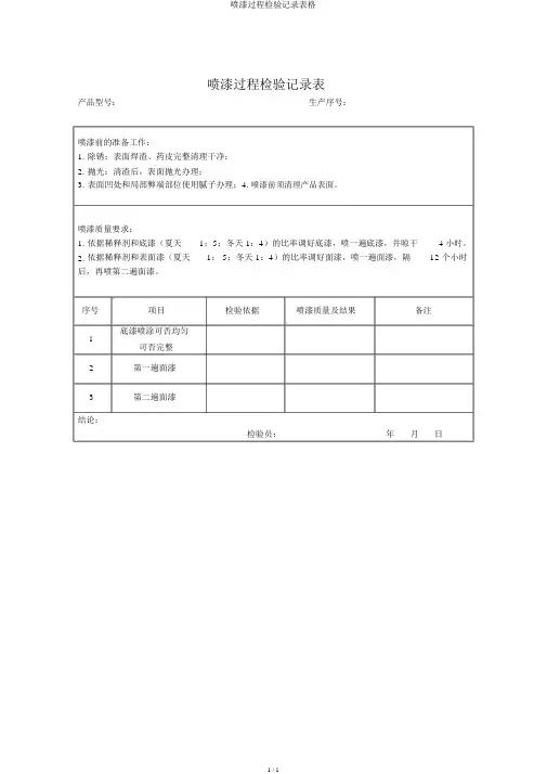
喷漆过程检验记录表
产品型号: 生产序号:
喷漆前的准备工作:
1. 除锈:表面焊渣、药皮完整清理干净;
2. 抛光:清渣后,表面抛光办理;
3. 表面凹处和局部弊端部位使用腻子办理;
4. 喷漆前须清理产品表面。
喷漆质量要求:
1. 依据稀释剂和底漆(夏天
1:5;冬天 1:4)的比率调好底漆,喷一遍底漆,并晾干 4 小时。
2. 依据稀释剂和表面漆(夏天 1: 5;冬天 1:4)的比率调好面漆,喷一遍面漆,隔 12 个小时
后,再喷第二遍面漆。
序号
项目 检验依据 喷漆质量及结果 备注 底漆喷涂可否均匀 1
可否完整
2 第一遍面漆
3 第二遍面漆
结论:
检验员: 年 月 日。
精心整理精心整理油漆喷涂质量检验记录表序号检验项目技术要求检验方法检验结果备注1表面尘点检测 表面不能有明显尘点通过近处观察油漆表面来检验□合格□不合格2表面漆雾及流挂检测 表面不能有漆雾及流挂 通过近处观察油漆表面来检验□合格□不合格3刮灰效果检测填补于车身上凹陷位置和边缘及接缝处。
要求刮灰处线条明晰,连贯。
通过近处观察油漆表面来检验 □合格□不合格4抛光印和抛穿现象检测表面不能有抛光印和抛穿现象近看油漆面(特别是边角)有无抛穿,远看光泽有无明显变化 □合格□不合格5边角位检测边角位是否修补到位或漏喷 通过近处观察油漆表面来检验□合格□不合格6面漆及色漆检测面漆色漆有没有完全遮盖中涂漆或走珠现象 0.5米处观察□合格□不合格7车身活动部件和装饰件等 车身活动部件和装饰件等的油漆和抛光蜡是否清除干净通过近处观察油漆表面来检验□合格□不合格8表面光泽度全车喷涂或新车光泽60度时大于90度,无明显“桔皮”现象 通过光泽度测试仪检验 □合格□不合格9修补工件表面光泽 修补工件表面的光泽与原车基本一致,形成衬托效果,不能相差太远远看,多角度观察 □合格□不合格10修补后漆纹与原车匹配度修补后漆纹应与原车相匹配由远至近多角度观察□合格精心整理精心整理□不合格11 漆膜厚度漆膜厚度应大于等于50um通过漆膜厚度检测仪检验□合格□不合格12 油漆附着力油漆附着力强,不能出现脱落通过百格刀、胶带等工具检验□合格□不合格13 车身LOGO及字体颜色、字体大小、间距需与样板一致由远至近多角度对比观察□合格□不合格14 综合判定:□允收□拒收□让步接收检验员:日期:。
涂装车间日常安全检查表涂装车间日常安全检查表检查人员:日期:年月日项目检查内容是否备注人员作业人员是否遵守安全操作规程从业人员是否掌握紧急情况下的应急措施,是否有不会使用消防灭火器的人员特种作业人员持证上岗情况有无酒后上班;无嬉戏、打闹、饮食等有无脱岗、睡岗、串岗等使用无安全装置的设备、工具有无携带火机、香烟、手机违章进入作业场所有无攀坐或依靠机械、电器、设备等不安全位置有无穿戴非棉质类衣服上班,有无在车间内穿脱工作衣服(尤其是天气干燥的秋冬季节)是否对外来人员进行危险因素告知在仓库、喷漆房、调漆间是否使用铁质工具及撞击会产生火花的其它工具;是否使用打火机、手机、相机等发火和电子设备。
是否有人员早会迟到、早退、大声喧哗是否有人员转岗、复岗未参加的安全培训并存档的是否新员工未经过“三级安全培训”车间设备是否处于正常运转状态管道应无裂纹和渗漏,管道应保持畅通,密封良好,无跑、冒、滴、漏和腐蚀现象。
机器运转时加油、修理、检查、调整(非允许部位)、焊接、清扫等工作运转设备防护罩是否完好;有无防护罩未在适当位置或防护装置调整不当情况有无设备带“病”运转或超负荷运转有无维修调整不良或保养不当、设备失灵情况设备设施是否定期进行维护保养与检修目机械设备设施检修施工作业是否遵守有关规定和标准执行(检修传动设备要先停电、挂警示牌上护栏;试转要站旁边)维修、调整不良或保养不当、设备失灵等情况监测、监视装置(仪表)是否有效、合格。
设备维修平台、护笼是否良好喷漆、喷砂、喷锌设备是否定期维护、保养且记录齐全机械设备有无跑、冒、滴、漏及腐蚀现象电器设备电器设备的金属外壳绝缘是否良好机械设备接地、接零是否完整良好有无绝缘不良、绝缘强度不够有无电气装置带电部分裸露有无开关、插座、接触器等有无因接触不良而发热或变色电器开关外壳是否完整可靠,有无破损.电线电缆是否用固定装置固定使用有无电线电缆乱拉乱接(架设符合规范),临时用电线路是否及时拆除临时线路需用良好的橡套电缆,长度不宜超过10m,线上不得有接头特殊环境(潮湿、粉尘、腐蚀性、易燃易爆)的照明(密封、防爆式);使用安全电压;选用合适的漏电保安器。
喷涂操作检验记录表1. 检验记录日期:[日期]检验人员:[姓名]2. 检验说明2.1 检验项目2.1.1 喷涂前准备工作描述:检验喷涂工作进行前的准备工作是否完善。
结果判定:合格/不合格2.1.2 喷涂厚度描述:检验喷涂的涂层厚度是否符合要求。
结果判定:符合要求/不符合要求2.1.3 喷涂均匀性描述:检验喷涂涂层的均匀性。
结果判定:均匀/不均匀2.1.4 喷涂后处理描述:检验喷涂完成后进行的处理措施是否正确。
结果判定:正确/不正确2.1.5 喷涂附着力描述:检验喷涂涂层的附着力。
结果判定:良好/不良好2.1.6 喷涂遮盖力描述:检验喷涂涂层的遮盖力。
结果判定:强/弱2.1.7 喷涂硬度描述:检验喷涂涂层的硬度。
结果判定:符合要求/不符合要求2.1.8 喷涂表面质量描述:检验喷涂涂层的表面质量。
结果判定:光滑/粗糙2.2 结果判定说明- 合格:该项检验结果符合要求。
- 不合格:该项检验结果不符合要求,需要重新进行喷涂操作或修复工作。
3. 备注[可选,填写其他需要说明的内容]以上检验记录表是用于检测喷涂操作过程中各项指标的完成情况,以便确保喷涂质量符合要求。
每次喷涂操作完成后,应由专人进行检测,并记录检验结果。
如发现异常结果,应及时采取相应的措施进行修复或调整,以保证喷涂作业的质量和效果。
4. 附录[可选,附上相关图片、图表等辅助材料]以上是喷涂操作检验记录表的内容,用于记录喷涂操作过程中的各项指标检验结果。
根据实际情况,可根据需要进行适当的调整和修改。
153喷涂巡检测试记录日期:2024年10月10日巡检人员:张三巡检地点:153喷涂车间巡检记录:1.喷涂设备检查:-确认所有喷涂设备启动正常,并进行正常喷涂操作。
-检查喷涂设备的涂料供应是否充足,如不足需及时补充。
-检查喷涂设备的气压是否正常,如不正常需进行调整。
2.喷涂质量检查:-检查喷涂产品表面的涂层是否均匀且无明显划痕或起皱。
-使用目视检查工具检查涂层的颜色是否与标准色相符。
-检查涂层的附着力是否良好,无龟裂或剥落现象。
3.涂料检查:-检查涂料的贮存条件是否符合要求,如温度、湿度等。
-检查涂料的清洁度,如有杂质或沉淀需及时更换。
-对新批次的涂料进行流变性能测试,确保其粘度和流动性符合要求。
4.环境检查:-检查喷涂车间的通风设备是否工作正常,确保有良好的通风条件。
-检查车间的温度和湿度是否在标准范围内,对不符合要求的情况进行记录。
-检查车间地面的清洁状况,确保没有灰尘、杂物等对喷涂质量的影响。
5.安全检查:-检查喷涂设备的安全防护装置是否完好,如安全门、防护网等。
-检查工作人员是否佩戴个人防护用品,如手套、口罩等。
-检查危险品的储存和处理情况,确保符合安全规范。
6.巡检记录整理:-将上述巡检结果整理成巡检报告,包括问题的描述、所在位置、责任人等信息。
-对发现的问题进行分类和优先级评估,并制定相应的修复计划。
-定期评估巡检结果,寻找潜在问题和改进机会,提出改进意见。
总结:153喷涂巡检测试是确保喷涂车间生产质量稳定的重要环节。
通过定期巡检,及时发现并解决潜在问题,可有效提高喷涂产品的质量和生产效率。
同时,巡检记录的整理和分析也为持续改进提供了有价值的数据支持。
这些测试记录的过程和结果将为后续的巡检工作提供指导,并促进喷涂车间的持续改进。