气相色谱验证报告
- 格式:doc
- 大小:102.50 KB
- 文档页数:9
有关“气相色谱法”的验证报告一、引言本报告旨在验证气相色谱法(Gas Chromatography,GC)在特定应用中的准确性和可靠性。
通过对比实验数据与预期结果,对气相色谱法的性能进行评估。
本报告适用于需要验证气相色谱法应用领域的实验研究、质量控制或监管要求。
二、实验原理气相色谱法是一种常用的分离和分析技术,其原理是利用不同物质在固定相和移动相之间的分配平衡,实现各组分的分离。
通过检测器对分离后的组分进行检测,可以得到各组分的浓度或质量。
三、实验材料与方法1.实验材料(1)仪器:气相色谱仪(配备合适的进样器和检测器);色谱柱;数据处理系统。
(2)试剂与样品:标准品;待测样品。
2.实验方法(1)色谱条件设置:根据待测物性质选择合适的色谱柱、载气、检测器等参数,设置合理的升温程序。
(2)样品处理:根据实验要求,对样品进行适当的前处理,如提取、浓缩、衍生化等。
(3)进样分析:将处理后的样品通过进样器注入气相色谱仪,进行分离和检测。
(4)数据处理:通过数据处理系统对实验数据进行处理,包括峰识别、定量计算等。
四、实验结果与分析1.分离效果评估:通过对比标准品和待测样品的色谱图,评估气相色谱法的分离效果。
应确保各组分得到有效分离,无干扰峰。
2.定量准确性评估:通过对比标准品和待测样品的定量结果,评估气相色谱法的定量准确性。
应确保定量结果准确可靠,误差在可接受范围内。
3.重复性评估:通过多次重复实验,评估气相色谱法的重复性。
应确保重复实验结果稳定一致,波动范围较小。
五、结论与建议结论:通过本实验验证,气相色谱法在特定应用中表现出良好的分离效果、定量准确性和重复性。
可以应用于相关领域的实验研究和质量控制。
建议:为了进一步提高气相色谱法的应用效果,建议采取以下措施:(1)定期对仪器进行维护和校准,确保仪器性能稳定;(2)选择合适的色谱柱和载气,以适应不同性质样品的分离分析;(3)加强操作人员的培训,提高实验技能和操作水平;(4)建立严格的质量控制体系,确保实验结果的准确性和可靠性。
气相色谱仪验证方案及报告目录1.概述 (2)2.目的 (3)3.适用范围 (3)4.职责 (3)5.参考 (3)6.验证程序 (3)6.1.时间安排 (3)6.2.人员培训 (4)6.3.安装确认(IQ) (4)6.4.运行确认(0Q) (5)6.5.性能确认(PQ) .................................................................................................. 错误!未定义书签。
7.偏差处理 (6)8.再确认周期 (6)9.结果评价及结论 (6)1.概述本验证用于GC112N气相色谱仪及软件的安装、运行和性能验证;依据法规及项目需求,提出实验室需购买的气相色谱仪各部件及整体性能的需求,总结了项目的质量要求和实验室对气相色谱仪设备的工作过程、性能及结果的要求。
主要包含了法规要求及与实验室具体的需求。
本文件为该设备系统的设计和实验室验证、验收的标准依据。
简介及背景:医疗器械产品经E0(环氧乙烷)灭菌后的E0残留量测试。
气相色谱仪是目前检测残留和杂质较常使用的一种手段,高精度的检测限及多种检测器的选择,能更准确的反应医疗器械产品中残留量是否超标,从而达到控制产品质量的目的。
确认GC112N气相色谱仪及软件的安装、运行、性能确认符合标准。
证实该仪器能达到设计要求及规定的技术指标。
3.适用范围本验证方案适用于对GC112N气相色谱仪及软件进行的安装、运行、性能确认。
4.职责4.1.QC:负责验证方案、报告的起草,确认小组成员培训;验证实施过程相关部门协调;负责验证数据的收集及数据分析;制定实施进度安排;主持验证实施;协调进行验证中可能出现的偏差的调查、完成变更的书面记录;确认结论的评价与批准。
4.2.质量部:实施验证,根据验证结果填写原始记录;验证数据收集处理;验证实施过程异常情况分析处理。
对确认结果进行审核;负责确认过程中偏差及变更的处理;对方案中的检查结果进行审查及偏差分析。
气相色谱实验报告一、实验目的1、了解气相色谱仪的基本结构和工作原理。
2、掌握气相色谱仪的操作方法。
3、学会利用气相色谱法进行定性和定量分析。
二、实验原理气相色谱法是一种分离分析技术,它利用不同物质在固定相和流动相之间分配系数的差异,使混合物中的各组分在两相中进行反复多次的分配,从而使各组分得到分离。
当被分离的组分随流动相进入检测器时,检测器将其浓度或质量的变化转换为电信号,经放大后在记录仪上记录下来,得到色谱图。
根据色谱图中各组分峰的保留时间进行定性分析,根据峰面积或峰高进行定量分析。
三、实验仪器与试剂1、仪器气相色谱仪(包括气源、进样系统、色谱柱、检测器和数据处理系统)、微量注射器、容量瓶、移液管。
2、试剂标准样品(已知浓度的纯物质)、待测试样、载气(如氮气、氢气等)、燃气(如氢气)、助燃气(如空气)。
四、实验步骤1、仪器准备(1)打开气相色谱仪的电源,设置各部分的工作参数,如柱温、进样口温度、检测器温度、载气流速等。
(2)待仪器稳定后,进行点火操作,使检测器正常工作。
2、标准溶液的配制(1)准确称取一定量的标准样品,用适当的溶剂溶解并定容至一定体积,配制成一系列不同浓度的标准溶液。
3、标准曲线的绘制(1)用微量注射器分别吸取不同浓度的标准溶液,注入气相色谱仪进行分析,记录各组分的峰面积或峰高。
(2)以标准溶液的浓度为横坐标,峰面积或峰高为纵坐标,绘制标准曲线。
4、试样的测定(1)用微量注射器吸取适量的待测试样,注入气相色谱仪进行分析,记录各组分的保留时间和峰面积或峰高。
5、数据处理(1)根据试样中各组分的保留时间,与标准物质的保留时间进行对比,确定试样中所含的组分。
(2)根据试样中各组分的峰面积或峰高,在标准曲线上查出相应的浓度,计算出试样中各组分的含量。
五、实验数据与处理1、标准曲线的数据|浓度(mg/mL)|峰面积(A)|||||01|_____||02|_____||05|_____||10|_____||20|_____|以浓度为横坐标,峰面积为纵坐标,绘制标准曲线。
气相色谱实验报告实验目的本次实验的主要目的是学习气相色谱的基本原理和操作方法,了解在色谱柱中常用的固定相和移动相,并通过实验验证不同条件对于色谱分离的影响。
实验原理气相色谱是一种在大气压力下使用气相载气流动的液态或固态样品进行分离的技术。
它通过多次进样和分离依据的分子小于分离栏的微孔的分子筛分法来分离化合物。
在此过程中,化合物会与固定相发生相互作用,而移动相则可以移动固定相,从而分离各种化合物。
固定相通常分为极性相和非极极相,而移动相通常为高纯惰性气体,例如氢气、氮气等。
实验步骤1. 准备样品:本次实验中使用了两种溶液样品,分别为苯酚与正己烷的混合物。
取2.5毫升的样品,加入5毫升的甲醇溶液中,并振荡均匀,以备后续进样使用。
2. 色谱柱的装配:在装配色谱柱时,先需将固定相的稳定性测试一次。
对于此次实验中使用的非极性柱,其流动性较好,未发现任何不良反应。
接下来,在柱底注入适量惰性气体,固定柱后,将高纯惰性气体通入。
3. 进样:开启进样器,等待数秒后,将样品进入色谱柱中。
一般情况下,进样量应尽可能的小。
4. 色谱分离:开启柱上的加热气源,调节增加温度,并适当调整色谱流量,以获得最佳分离效果。
5. 结果分析:收集分离产物,并使用质谱仪进行质谱分析,确定分离出来的化合物的质量。
6. 数据记录:记录分离产物的相关数据,例如每个时刻的记录温度、样品进样量、分离出来的化合物质量等等。
实验结果通过本次实验,成功的分离出来了苯酚和正己烷的混合物,并得到了其质量及对应的相对保留率等相关数据。
在实验中,采用不同流量和温度来控制色谱柱的分离效果,最终获得了最佳的分离效果。
此外,实验中还发现,使用极性相的分离效果优于使用非极性相,提示了固定相类型对于色谱分离效果的影响。
结论本次实验通过实验证明了气相色谱作为一种常规的分离技术在有机分析中的重要性。
在实验中,通过控制温度和流量,成功的分离出了苯酚和正己烷的混合物,并验证了固定相类型和柱温等因素对于色谱分离效果的影响。
GC7890Ⅱ气相色谱仪再验证报告目录1. 概述2. 再验证目的3. 再验证时间计划4. 再验证培训5. 再验证人员及职责6. 再验证所需文件7. 再验证内容8. 偏差处理9. 方案修改记录10. 风险的接受与评价11. 验证结果及评价12. 再验证周期13. 最终批准14. 附件1. 概述GC7890Ⅱ气相色谱仪为上海天美科学仪器有限公司生产的精密分析仪器。
GC7890Ⅱ气相色谱仪是在2008年5月到货的。
本次验证是GC7890Ⅱ气相色谱仪的运行/性能确认。
为建立GC7890Ⅱ气相色谱仪使用/维护标准操作规程提供科学依据。
1.1 设备原理气相色谱法系采用气体为流动相(载气)。
当样品被送入进样器后由载气携带进入填充色谱柱或毛细管色谱柱。
由于样品中各个组份在色谱柱中的流动相(气相)和固定相(液相或固相)之间分配或吸附系数的差异。
在载气的冲洗下,各个组份在两相间作反复多次分配,使各个组份在色谱柱中得到分离,然后由接在色谱柱后的检测器根据组份的物理化学特性,将各个组份按顺序检测出来。
最后由二次仪表(如记录仪式、积分仪、色谱工作站等)将各个组份的检测结果以图形方式记录下来,积分仪或色谱工作站还可以直接打印包括各个组份检测结果数据的分析报告。
气相色谱仪的基本构造有两部分,即分析单元和显示单元。
前者主要包括起源及控制计量装置﹑进样装置﹑恒温器和色谱柱。
后者主要包括检定器和自动记录仪。
色谱柱(包括固定相)和检测器是气相色谱仪的核心部件。
1.2 设备组成气相色谱仪的基本构造有两部分,即分析单元和显示单元。
前者主要包括起源及控制计量装置﹑进样装置﹑恒温器和色谱柱。
后者主要包括检定器和自动记录仪。
色谱柱(包括固定相)和检测器是气相色谱仪的核心部件。
1.3 技术参数2. 验证目的为确认GC7890Ⅱ气相色谱仪测试数据准确可靠,性能稳定,特制定本验证方案,依据本方案对气相色谱仪进行再验证,再验证过程应严格按照本方案规定的内容进行,若因特殊原因确需变更时,应填写再验证方案变更申请及申请及批准书,报再验证工作小组批准。
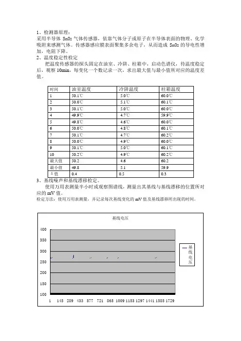
1、检测器原理:
采用半导体SnO2气体传感器,依靠气体分子或原子在半导体表面的物理、化学吸附来感测气体。
传感器感应膜表面聚集多余电子,从而造成SnO2的导电性增加,电阻下降。
2、温度稳定性检定
把温度传感器的探头固定在油室、冷阱、柱箱中,启动色谱仪,待温度稳定后,观察10min,每变化一个数记录一次,求出最大值与最小值所对应的温度差值。
3
使用万用表测量半小时或观察图谱线,测量出其基线与基线漂移的位置所对应的mV值。
检定方法:使用万用表测量,并记录每次基线变化的mV值及基线漂移所出现的时间。
4、灵敏度检定
用气体标准物质检定
开机并运行稳定后,进入1%mol/mol的CH4,连续进样6次,使用后台记录甲
其平均面积值约为:2.328
灵敏度计算公式
S TCD=AFc/W=2.328×30÷0.7÷1000=0.09977≈0.1
式中:
S TCD——TCD灵敏度(mV·ml/mg)
A——甲烷峰面积算数平均值(mV·min)
W——甲烷的进样量0.7(mg)
Fc——校正后的在气流速为30(ml/min)
使用1mL标准进样针,取1mL标准气体,注入进样口,并启动设备采样程序。
气相色谱法测定实验报告一、实验目的本次实验旨在掌握气相色谱法的基本原理和操作方法,学会使用气相色谱仪对样品中的成分进行定性和定量分析,并通过实验数据的处理和结果的分析,加深对气相色谱法的理解和应用。
二、实验原理气相色谱法(Gas Chromatography,GC)是一种分离和分析复杂混合物中各组分的有效方法。
其原理是利用样品中各组分在气相和固定相之间的分配系数差异,使各组分在色谱柱中经过反复多次的分配和吸附解吸过程,从而实现分离。
当样品被注入进样口后,瞬间气化并被载气带入色谱柱。
由于不同组分在固定相中的吸附或溶解能力不同,它们在色谱柱中的移动速度也不同,从而在不同的时间到达检测器,产生不同的响应信号。
检测器将各组分的浓度信号转换为电信号,经放大器放大后,由记录仪记录下来,得到色谱图。
根据色谱图中各峰的保留时间可以进行定性分析,确定样品中所含的组分;而根据峰面积或峰高可以进行定量分析,计算各组分的含量。
三、实验仪器与试剂1、仪器气相色谱仪(配有氢火焰离子化检测器,FID)微量注射器(10μL、1μL)色谱柱(如 DB-5 毛细管柱,30m×025mm×025μm)氮气钢瓶(载气)氢气钢瓶(燃气)空气压缩机(助燃气)2、试剂标准样品:_____(已知浓度的纯物质)待测试样:_____四、实验步骤1、仪器准备开启气相色谱仪,设置柱温、进样口温度和检测器温度。
柱温根据所使用的色谱柱和样品的性质进行选择,一般在 50 300°C 之间;进样口温度通常高于柱温 20 50°C;检测器温度一般高于柱温 50 100°C。
打开氮气、氢气和空气钢瓶,调节气体流量。
载气氮气的流量一般为 1 2 mL/min,氢气流量为 30 40 mL/min,空气流量为 300 400mL/min。
2、标准溶液的配制准确称取一定量的标准样品,用适当的溶剂(如甲醇、乙醇等)配制成一系列不同浓度的标准溶液。
目录1.确认目的 (2)2.确认范围 (2)3.方案说明 (2)4.验证职责 (2)5.仪器概述 (2)6.确认步骤 (2)7.偏差处理 (7)8.风险评估 (7)9.确认总结 (7)10.再验证周期 (8)11.验证证书 (9)一、确认目的此验证是为确认气相色谱仪的运行和各种性能指标是否满足规定要求。
二、确认范围证明并保证本仪器确认后,经本仪器检验的数据真实可靠。
三、方案说明1.尽可能详细地填写本方案中的所有表格。
用墨水笔填写。
完成表格的人员应签上姓名和日期。
如果由一个以上的人填写,那么每一个人都应签上姓名和日期。
2.方案执行时可能会发现偏差。
一旦这种情况发生,应将一份“异常情况报告”送交验证领导小组进行处理。
3.验证小组最终做出验证报告,该报告由公司验证负责人批准。
四、验证职责1.验证领导小组负责验证工作的组织和协调。
负责验证数据及结果的审批。
负责验证报告的审批。
2. 质量部负责验证的检验工作。
负责保管验证文件。
五、设备概述1、设备概述:本仪器由安捷伦科技有限公司生产,主要用于实验的检测,存放于气液相室。
该仪器更快的柱箱降温速率和更强的反吹功能,使您的分析时间更短,样品的分析成本更低。
第五代电子气路控制 (EPC)和数字电路为压力设定和保留时间锁定 (RTL)的精度(0.001psi)设置了新的标准,使安捷伦GC7820A 具有前所未有的可靠性。
2、设备名称:气相色谱仪3、设备型号:GC7820A4、制造商:安捷伦仪器有限公司六、确认步骤1、人员培训确认进行测试的人员必须接受足够的培训并将培训计划和考核结果存档(培训是现行 GMP 所要求的),熟悉检验仪器的操作原则,理解人员安全要求,全面理解仪器及检验的标准操作规程。
确认:A.已建立适当的培训计划。
是:否:B.操作人员已接受正常的指导。
是:否:C.记录并定期审阅操作人员的培训情况。
是:否:检查人:时间:年月日审核人:时间:年月日 2、运行确认2.1基线噪音与漂移FID : 实验条件:色谱柱:极性或中等极性毛细管柱,柱温 50℃,进样口:220℃,检测器:250℃,流速1.0ml/min,不分流进样,载气:氮气,平衡时间:20min。
GC—安捷伦6820气相色谱仪A验证方案文件编码:02—0-F-P—02目录1.概述2.验证目的3.验证依据及验证范围4.验证工作小组5.验证方案审批5。
1验证方案起草5。
2验证方案会签5。
3验证方案批准5。
4验证方案实施6。
验证内容6.1安装确认6。
1.1 文件资料6.1。
2售后服务6。
1。
3 消耗性备品备件6.1。
4安装检查6。
1.5安装确认结论及批准6。
2 运行确认6。
2。
1 灵敏度及稳定性测试6。
2。
2运行确认结论及批准6。
3性能确认6.3。
1 系统适用性试验:6。
3。
2定量重复性试验6。
3。
3性能确认结论及批准7。
验证结论8。
验证进度计划1.概述GC-安捷伦6820型气相色谱仪为安捷伦科技有限公司生产,采用氢火焰离子化检测器,色谱柱有填充柱和毛细管柱,可以进行恒温及程序升温操作,适用于定量和定性分析。
我司在购买前对该产品的性能、价格、外观和售后服务进行了广泛地调查研究,在同类产品中价格适中、性能稳定、美观且售后服务好。
2、验证目的为了确保使用该仪器检测数据真实可靠,也为了确认该仪器的各项指标能达到该仪器所设计的性能指标,对该仪器进行验证。
2.验证依据及适用范围参照国家技术监督局“实验室气相色谱仪检定规程"及中国药典2005版附录V E气相色谱法起草本验证方案。
本验证方案适用于实验室GC—安捷伦6820 型气相色谱仪的验证。
4.验证工作小组成立由组成的验证工作小组,担任验证工作小组组长。
5.验证方案审批6。
验证内容6。
1安装确认6。
1.1 文件资料检查人日期检查人日期检查人日期6。
1.4安装检查检查人日期6。
1.5安装确认结论及批准6.2 运行确认(见计量局计量证书)证书号:运行确认结论及批准:6。
3性能确认6。
3。
1 系统适用性试验:a.色谱柱的理论板数(n),在选定的色谱条件下,注入二氯甲烷对照溶液,记录色谱图,量出供试品或内标物质峰的保留时间tR 和半峰宽Wh/2,按n=5。
gcms方法验证报告模板GC-MS 方法验证报告模板GC-MS(气相色谱-质谱联用)方法验证是一种用于确定分析方法是否满足其预定目的的过程。
该过程涉及对分析方法的准确性、精确性、灵敏度、线性范围、准确度、重复性和选择性进行评估。
以下是一个常用的GC-MS 方法验证报告模板,用于指导和记录方法验证过程。
一、引言在此处介绍需要验证的分析方法的背景和目的。
包括分析方法的应用领域、测定对象、法规要求等。
本次验证的目的是确保该方法的可靠性和适用性,以便在实际应用中进行准确的质量控制。
二、实验设计描述验证实验的设计,包括实验条件、所用试剂和仪器设备等。
在此步骤中,应确保实验条件与日常实际应用环境一致,以提高方法验证的可靠性。
三、准确性验证方法的准确性是一项重要的指标,它用于评估分析方法的测定结果与真实值之间的偏差。
在此步骤中,应评估方法的回收率、加标回收率等指标,并对结果进行统计分析。
四、精确性精确性是指在多次测定相同样品的条件下,方法的测定结果之间的一致性。
该步骤通常包括反复性和中间精确度的评估。
反复性评估了同一操作者和设备在短期内进行分析时的方法精确性。
中间精确度评估了不同操作者、不同设备或不同实验室进行分析时的方法精确性。
五、灵敏度灵敏度是指分析方法对目标分析物浓度变化的响应程度。
在此步骤中,应评估方法的检出限、定量限、信号/噪声比等指标,以确定方法的灵敏度。
六、线性范围线性范围是指方法在一定浓度范围内的响应与目标分析物的浓度之间的关系。
在此步骤中,应评估方法的线性标准曲线、相关系数等指标,并确定方法的线性范围。
七、准确度准确度是指方法测定结果与真实值之间的接近程度。
在此步骤中,应评估方法的回收率、加标回收率等指标,并对结果进行统计分析。
八、重复性重复性是指连续测定同一样品的条件下,方法测定结果之间的一致性。
在此步骤中,应评估方法的精密度、相对标准偏差等指标,并对结果进行统计分析。
九、选择性选择性是指分析方法对目标分析物的选择性和特异性。
气相色谱方法验证报告气相色谱方法验证报告本文通过一系列的验证分析,利用数理统计方法,计算得到了GB/T5750.8-2006方法的三氯甲烷、四氯化碳最低检出限和定量检出限、标准曲线相关系数、精密度和加标回收率。
一、方法原理样品液经前处理后上Clarus680分析测试。
绘制标准曲线,对待测液进行定性定量分析,测试浓度。
二、仪器设备与化学试剂1. 气相色谱仪;2. 电子捕获检测器3. 高纯氮气(99.999%);4. 纯水:色谱检验无待测组分;5. 标准物质:10.0mg/L(三氯甲烷);1.0mg/L(四氯化碳)三、简要操作步骤1.标准曲线绘制取上述2种标准物质用纯水配成1ug/L、2ug/L、5ug/L、10ug/L、20ug/L(三氯甲烷);0.1ug/L、0.2ug/L、0.5ug/L、1.0ug/L、2.0ug/L(四氯化碳)混合标准工作液系列,绘制标准曲线。
2. 测定方法检出限用空白加标0.2ug/L(三氯甲烷)、0.1ug/L(四氯化碳)混合标准工作液测试;精密度用空白加标5ug/L(三氯甲烷)、0.5ug/L(四氯化碳)混合标准工作液测试,线性范围用1ug/L、2ug/L、5ug/L、10ug/L、20ug/L(三氯甲烷);0.1ug/L、0.2ug/L、0.5ug/L、1.0ug/L、2.0ug/L(四氯化碳)混合标准工作液测试;空白加标回收率分别在限量附近、限量以上2个水平测试。
四、分析方法验证程序1.方法检出限和定量限:因标准方法给出的检出限为0.2ug/L(三氯甲烷)、0.1ug/L(四氯化碳),故以检出限浓度配成实际样品进样,结果见表1。
以检出限10倍为定量限配制实际样品进样结果见表1表1 实验数据统计及方法检出限、定量限2.标准曲线的绘制(见表2)线性范围用1ug/L、2ug/L、5ug/L、10ug/L、20ug/L(三氯甲烷);0.1ug/L、0.2ug/L、0.5ug/L、1.0ug/L、2.0ug/L(四氯化碳)混合标准工作液测试。
气相色谱实验报告【1】一、实验目的1、了解气相色谱仪的基本结构及掌握分离分析的基本原理;2、了解顶空气相色谱法;3、了解影响分离效果的因素;4、掌握定性、定量分析与测定的方法。
二、实验原理气相色谱分离是利用上试样中各组分在色谱柱中的气相和固定相间的分配系数不同,当气化后的试样被载气带入色谱柱进行时,组分就在其中的两相中进行反复多次的分配,由于固定相各个组分的吸附或溶解能力不同,因此各组分在色谱柱中的运行速度就不同。
经过一定的柱长后,使彼此分离,顺序离开色谱柱进入检测器。
检测器将各组分的浓度或质量的变化转换成一定的电信号,经过放大后在记录仪上记录下来,即可得到各组分的色谱峰。
根据保留时间和峰高或峰面积,便可进行定性和定量的分析。
(1)顶空色谱法及其原理介绍顶空气相色谱是指对液体或固体中的挥发性成分进行气相色谱分析的一种间接测定法,它是在热力学平衡的蒸气相与被分析样品同时存在于一个密闭系统中进行的。
这一方法从气相色谱仪角度讲,是一种进样系统,即“顶空进样系统”。
其原理如下:一个容积为V、装有体积为Vo浓度为Co的液体样品的密封容器, 在一定温度下达到平衡时,气相体积为Vg,液相体积为Vs,气相样品浓度为Cg,液相中样品浓度为Cs, 则:平衡常数K=Cs/Cg相比β=Vg/VsV=Vs+Vg=Vo+Vg又因为是密封容器,所以CoVo=CoVs=CsVs+CgVg= KCgVs + CgVgCo=KCg+CgVg/Vs=KCg+βCg=Cg(K+β)Cg=Co/(K+β)=K’Co可见,在平衡状态下,气相组成与样品原组成为正比关系,根据这一关系我们可以进行定性和定量分析。
(2)顶空色谱法的优点顶空色谱进样器可与国内外各种气相色谱仪相连接,它是将液体或固体样品中的挥发性组分直接导入气相色谱仪进行分离和检测的理想进样装置。
它采用气体进样,可专一性收集样品中的易挥发性成分,与液-液萃取和固相萃取相比既可避免在除去溶剂时引起挥发物的损失,又可降低共提物引起的噪音,具有更高灵敏度和分析速度,对分析人员和环境危害小,操作简便,是一种符合“绿色分析化学”要求的分析手段。
气相色谱方法验证报告本文通过一系列的验证分析,利用数理统计方法,计算得到了GB/T5750.8-2006方法的三氯甲烷、四氯化碳最低检出限和定量检出限、标准曲线相关系数、精密度和加标回收率。
一、方法原理样品液经前处理后上Clarus680分析测试。
绘制标准曲线,对待测液进行定性定量分析,测试浓度。
二、仪器设备与化学试剂1. 气相色谱仪;2. 电子捕获检测器3. 高纯氮气(99.999%);4. 纯水:色谱检验无待测组分;5. 标准物质:10.0mg/L(三氯甲烷);1.0mg/L(四氯化碳)三、简要操作步骤1.标准曲线绘制取上述2种标准物质用纯水配成1ug/L、2ug/L、5ug/L、10ug/L、20ug/L(三氯甲烷);0.1ug/L、0.2ug/L、0.5ug/L、1.0ug/L、2.0ug/L(四氯化碳)混合标准工作液系列,绘制标准曲线。
2. 测定方法检出限用空白加标0.2ug/L(三氯甲烷)、0.1ug/L(四氯化碳)混合标准工作液测试;精密度用空白加标5ug/L(三氯甲烷)、0.5ug/L(四氯化碳)混合标准工作液测试,线性范围用1ug/L、2ug/L、5ug/L、10ug/L、20ug/L(三氯甲烷);0.1ug/L、0.2ug/L、0.5ug/L、1.0ug/L、2.0ug/L(四氯化碳)混合标准工作液测试;空白加标回收率分别在限量附近、限量以上2个水平测试。
四、分析方法验证程序1.方法检出限和定量限:因标准方法给出的检出限为0.2ug/L(三氯甲烷)、0.1ug/L(四氯化碳),故以检出限浓度配成实际样品进样,结果见表1。
以检出限10倍为定量限配制实际样品进样结果见表1表1 实验数据统计及方法检出限、定量限2.标准曲线的绘制(见表2)线性范围用1ug/L、2ug/L、5ug/L、10ug/L、20ug/L(三氯甲烷);0.1ug/L、0.2ug/L、0.5ug/L、1.0ug/L、2.0ug/L(四氯化碳)混合标准工作液测试。
GC6800A气相色谱仪验证方案及报告一、验证方案:1.验证目的:本次验证旨在确认GC6800A气相色谱仪的性能和准确性,以确保其在实验室中的可靠性和稳定性。
2.验证内容:(1)准确性验证:通过测量已知样品的峰面积和峰高,与标准曲线进行比较,确认GC6800A气相色谱仪的分析结果的准确性。
(2)精密度验证:在同一操作条件下,连续进行多次样品测量,计算峰面积和峰高的RSD值,以评估GC6800A气相色谱仪的分析精度和重复性。
(3)线性范围验证:通过测量不同浓度样品的峰面积或峰高,绘制标准曲线,检查GC6800A气相色谱仪的线性范围。
(4)检出限和定量限验证:通过测量低浓度样品,计算GC6800A气相色谱仪的检出限和定量限,以评估仪器的灵敏度。
3.验证步骤:(1)准备标准品:根据实验需要,准备一系列已知浓度的标准样品。
(2)仪器操作参数设置:根据实验需要,设置GC6800A气相色谱仪的操作参数,如进样量、流速、柱温等。
(3)准确性验证:选择一个已知浓度的标准样品进行测试,测量其峰面积或峰高,并与标准曲线进行比较,计算相对误差。
品,计算峰面积或峰高的RSD值。
(5)线性范围验证:选择不同浓度的样品进行测试,测量峰面积或峰高,并绘制标准曲线。
(6)检出限和定量限验证:选择一系列低浓度的样品进行测试,计算检出限和定量限。
4.验证结果分析:根据准确性、精密度、线性范围和检出限和定量限的验证结果,评估GC6800A气相色谱仪的性能和准确性。
二、验证报告:1.实验目的:本次验证旨在确认GC6800A气相色谱仪的性能和准确性,以确保其在实验室中的可靠性和稳定性。
2.实验方法:(1)准备标准品:根据实验需要,准备了一系列已知浓度的标准样品。
(2)设置仪器操作参数:根据实验需要,设置了GC6800A气相色谱仪的操作参数,如进样量、流速、柱温等。
(3)准确性验证:选择了一个已知浓度的标准样品进行测试,测量了其峰面积并与标准曲线进行比较,计算了相对误差。
一、实验目的1. 了解气相色谱法的基本原理和操作流程。
2. 掌握气相色谱仪的使用方法和注意事项。
3. 通过气相色谱法对未知样品进行定性和定量分析。
二、实验原理气相色谱法是一种分离和检测混合物中各组分的方法。
它利用样品中各组分的沸点差异,在固定相和流动相之间进行分配,从而使不同组分在色谱柱上得到分离。
根据检测器的不同,气相色谱法可以分为多种类型,如热导检测器(TCD)、火焰离子化检测器(FID)、电子捕获检测器(ECD)等。
本实验采用火焰离子化检测器(FID)进行定量分析,利用标准样品和未知样品的峰面积比值来确定未知样品中目标组分的含量。
三、实验仪器与试剂1. 仪器:气相色谱仪、色谱柱、注射器、数据处理系统、标准样品、未知样品、载气(氮气)、燃气(氢气)、助燃气(空气)。
2. 试剂:甲醇、正己烷、标准溶液、未知样品溶液。
四、实验步骤1. 色谱柱的准备:将色谱柱安装到气相色谱仪上,进行老化处理。
2. 标准样品的制备:将标准溶液与正己烷混合,制成一定浓度的标准溶液。
3. 未知样品的制备:将未知样品溶液与正己烷混合,制成一定浓度的样品溶液。
4. 注射:将标准溶液和样品溶液分别注入色谱仪,进行色谱分析。
5. 数据处理:利用数据处理系统对色谱图进行峰面积积分,计算标准样品和未知样品中目标组分的含量。
五、实验结果与分析1. 色谱图分析:根据标准样品和未知样品的色谱图,可以确定未知样品中目标组分的种类。
2. 定量分析:根据标准样品和未知样品中目标组分的峰面积比值,可以计算出未知样品中目标组分的含量。
六、实验讨论1. 色谱柱的选择:本实验采用特定类型的色谱柱,以保证目标组分的分离效果。
2. 载气流量:载气流量对分离效果有一定影响,实验中应选择合适的载气流量。
3. 注射量:注射量过大可能导致峰形变宽,影响分离效果,实验中应控制合适的注射量。
4. 温度程序:温度程序对分离效果有重要影响,实验中应根据样品特性选择合适的温度程序。
气相色谱法测定实验报告一、实验目的本次实验旨在掌握气相色谱法的基本原理和操作方法,学会使用气相色谱仪对样品中的组分进行定性和定量分析。
二、实验原理气相色谱法是一种分离和分析混合物中挥发性组分的方法。
其原理是利用样品中各组分在固定相和流动相之间的分配系数差异,当样品被气化后随载气进入色谱柱,由于各组分在两相间的分配系数不同,经过反复多次的分配,各组分在色谱柱中的运行速度不同,从而实现分离。
分离后的组分依次进入检测器,产生相应的信号,根据信号的强度和保留时间,可以对组分进行定性和定量分析。
三、实验仪器与试剂1、仪器气相色谱仪(配有氢火焰离子化检测器)微量注射器色谱柱(如毛细管柱)氮气钢瓶(载气)氢气钢瓶空气压缩机2、试剂标准样品(已知浓度的待测组分)待测试样四、实验步骤1、开机准备打开氮气、氢气和空气钢瓶,调节相应的压力和流量。
打开气相色谱仪电源,设置柱温、进样口温度和检测器温度等参数,进行升温预热。
2、色谱柱的安装选择合适的色谱柱,并按照仪器说明书正确安装。
3、标准溶液的配制准确配制一系列不同浓度的标准溶液。
4、进样与分析用微量注射器吸取适量的标准溶液,注入气相色谱仪进样口,记录各标准溶液的色谱图,得到保留时间和峰面积。
吸取待测试样,按照相同的方法进样分析。
5、数据处理根据标准溶液的浓度和峰面积,绘制标准曲线。
通过待测试样的峰面积,在标准曲线上查出对应的浓度。
五、实验结果与讨论1、标准曲线的绘制以标准溶液的浓度为横坐标,峰面积为纵坐标,绘制标准曲线。
得到的标准曲线方程为:y = ax + b,其中 a 为斜率,b 为截距。
2、待测试样的测定待测试样的峰面积为____,代入标准曲线方程,计算出待测试样中待测组分的浓度为____。
3、精密度实验对同一样品进行多次重复测定,计算相对标准偏差(RSD),以评估方法的精密度。
结果显示,RSD 为____,表明该方法具有较好的精密度。
4、准确度实验通过加标回收实验,测定回收率。
气相色谱法实验实验目的1.了解气相色谱仪的各部件的功能。
2.加深理解气相色谱的原理和应用。
3.掌握气相色谱分析的一般实验方法。
4.学会使用FID气相色谱对未知物进行分析。
实验原理1.气相色谱法基本原理气相色谱的流动向为惰性气体,气-固色谱法中以表面积大且具有一定活性的吸附剂作为固定相。
当多组分的混合样品进入色谱柱后,由于吸附剂对每个组分的吸附力不同,经过一定时间后,各组分在色谱柱中的运行速度也就不同。
吸附力弱的组分容易被解吸下来,最先离开色谱柱进入检测器,而吸附力最强的组分最不容易被解吸下来,因此最后离开色谱柱。
如此,各组分得以在色谱柱中彼此分离,顺序进入检测器中被检测、记录下来。
气相色谱仪器框图如图1所示:图1.气相色谱仪器框图仪器均由以下五个系统组成:气路、进样、分离、温度控制、检测和记录系统。
2.气相色谱法定性和定量分析原理在这种吸附色谱中常用流出曲线来描述样品中各组分的浓度。
也就是说,让分离后的各组分谱带的浓度变化输入换能装置中,转变成电信号的变化。
然后将电信号的变化输入记录器记录下来,便得到如图2的曲线。
它表示组分进入检测器后,检测器所给出的信号随时间变化的规律。
它是柱内组分分离结果的反映,是研究色谱分离过程机理的依据,也是定性和定量的依据。
图2.典型的色谱流动曲线3.FID的原理本次试验所用的为氢火焰离子化检测器(FID),它是以氢气和空气燃烧的火焰作为能源,利用含碳有机物在火焰中燃烧产生离子,在外加的电场作用下,使离子形成离子流,根据离子流产生的电信号强度,检测被色谱柱分离出的组分。
三.实验试剂和仪器(1)试剂:甲醇、异丙醇、异丁醇(2)仪器:气相色谱仪带氢火焰离子化检测器(GC-2014气相色谱仪);氢-空发生器(SPH-300氢气发生器)、氮气钢瓶;色谱柱;微量注射器。
四.实验步骤打开稳定电源。
打开N2钢瓶(减压阀),以N2为载气,开始通气,检漏;调整柱前压约为0.12MPa。
目录
1.确认目的 (2)
2.确认范围 (2)
3.方案说明 (2)
4.验证职责 (2)
5.仪器概述 (2)
6.确认步骤 (2)
7.偏差处理 (7)
8.风险评估 (7)
9.确认总结 (7)
10.再验证周期 (8)
11.验证证书 (9)
一、确认目的
此验证是为确认气相色谱仪的运行和各种性能指标是否满足规定要求。
二、确认范围
证明并保证本仪器确认后,经本仪器检验的数据真实可靠。
三、方案说明
1.尽可能详细地填写本方案中的所有表格。
用墨水笔填写。
完成表格的人员应签上姓名和日期。
如果
由一个以上的人填写,那么每一个人都应签上姓名和日期。
2.方案执行时可能会发现偏差。
一旦这种情况发生,应将一份“异常情况报告”送交验证领导小组进
行处理。
3.验证小组最终做出验证报告,该报告由公司验证负责人批准。
四、验证职责
1.验证领导小组
负责验证工作的组织和协调。
负责验证数据及结果的审批。
负责验证报告的审批。
2. 质量部
负责验证的检验工作。
负责保管验证文件。
五、设备概述
1、设备概述:本仪器由安捷伦科技有限公司生产,主要用于实验的检测,存放于气液相室。
该仪器更快的柱箱降温速率和更强的反吹功能,使您的分析时间更短,样品的分析成本更低。
第五代电子气路控制 (EPC)和数字电路为压力设定和保留时间锁定 (RTL)的精度(0.001psi)设置了新的标准,使安捷伦GC7820A具有前所未有的可靠性。
2、设备名称:气相色谱仪
3、设备型号:GC7820A
4、制造商:安捷伦仪器有限公司
六、确认步骤
1、人员培训确认
进行测试的人员必须接受足够的培训并将培训计划和考核结果存档(培训是现行GMP所要求的),熟悉检验仪器的操作原则,理解人员安全要求,全面理解仪器及检验的标准操作规程。
确认:
A.已建立适当的培训计划。
是:否:
B.操作人员已接受正常的指导。
是: 否:
C.记录并定期审阅操作人员的培训情况。
是: 否:
检查人: 时间: 年 月 日 审核人: 时间: 年 月 日 2、运行确认 2.1基线噪音与漂移 FID : 实验条件:
色谱柱:极性或中等极性毛细管柱,柱温50℃,进样口:220℃,检测器:250℃,流速1.0ml/min ,不分流进样,载气:氮气,平衡时间:20min 。
基线稳定后,记录基线30min 。
(附图)
根据图谱测量计算噪音与漂移值:1.噪音: 要求:≤1pA 2.漂移值: 要求:≤10pA/30min 检验人: 审核人: ECD : 实验条件:
色谱柱:极性或中等极性毛细管柱,柱温210℃,进样口:230℃,检测器:320℃,流速1.0ml/min ,不分流进样,载气:氮气,平衡时间:20min 。
基线稳定后,记录基线30min 。
(附图)
根据图谱测量计算噪音与漂移值:1.噪音: 要求:≤1Hz 2.漂移值: 要求:≤5Hz/30min
检验人: 审核人: 2.2灵敏度测试
2.2.1检测条件:样品0.05%的苯/CS 2,汽化室120℃,柱温80℃,检测室120℃;载气(N 2)50kPa ,H 250 kPa ,空气50 kPa ;进样量 0.5ul ;附图谱;
根据下面的计算公式计算出灵敏度为 ;
计算公式:
式中:N ——实测噪音 (mV)
W ——苯的进样量 h ——峰高
W 1/2——苯的半峰宽
Dt=
2N*W
1.65*h*W 1/2*K
K ——记录色谱峰时的输出衰减和记录基线时的输出衰减之比
检查人/日期: 复核人/日期:
2.3定量重复性试验
标准平均偏差(RSD):照2.2测试条件取0.05%的苯连续进行5次,峰面积标准平均偏差应≤2.0%,试验结果如下:
注:M=(A 1+A 2+……A n )/n
RSD=
M
n M A 1)
(2
--∑
附原始记录及图谱 2.4总结
总结人: 时间: 年 月 日 审核人: 时间: 年 月 日 3、性能确认
3.1 方法概述
气相色谱仪属于精密仪器,所以要定期做系统适应性验证。
主要进行理论踏板、重复性、拖尾因子、回收率的测定,本确认是在各种计量器具校正已完成的情况下进行。
3.2 验证依据
3.2.1《中华人民共和国药典》二〇一〇年版一部附录“气相色谱法” 3.2.2气相色谱仪标准操作规程 3.3 验证范围
本方案适用于气相色谱仪系统适应性的确认。
3.4 验证目的
通过对气相色谱仪的系统适应性进行验证,保证该仪器的各项性能指标正常。
3.5 验证内容
3.5.1实验环境确认
检查人: 时间: 年 月 日 审核人: 时间: 年 月 日 3.5.2试验步骤:
(1)色谱柱的理论板数(n ) 用于评价色谱柱的分离效能。
选择丁香酚进行测定。
色谱条件与系统适用性试验 以聚乙二醇20000(PEG-20M)为固定相,涂布浓度为10%;柱温190℃。
理论板数按丁香酚峰计算应不低于1500。
对照品溶液的制备 取丁香酚对照品适量,精密称定,加正己烷制成每1ml 含2mg 的溶液,即得。
测定法 分别精密吸取对照品溶液,注入气相色谱仪,测定,即得。
记录色谱图,量出丁香酚的保留时间t R (以分钟计)和峰宽(W ),按n=16(t R /W h ∕2)2计算色谱柱
(2)分离度(R ) 用于评价待测组分与相邻共存物或难分离物质之间的分离程度,是衡量色谱系统效能的关键指标。
除另有规定外,待测组分与相邻共存物之间的分离度应大于>>。
分离度的计算公式为;
2
1)(212W W t t R R R +-=
式中 t R2为相邻两峰中后一峰的保留时间, t R1为相邻两峰中前一峰的保留时间;
W 1、W 2分别为此相邻两峰的峰宽。
本次实验以丁香样品进行计算,连续进样三次取平均值。
实验条件按照理论板数测定条件。
结果为: 平均: 要求为:>1.5
(3)回收率 用于评价进样中,色谱系统检测的可靠性。
已知被测成分含量的供试品中再精密加入一定量的已知纯度的被测成分对照品,依法测定三次,计算平均值。
用实测值与供试品中含有量之差,除以加入对照品量计算回收率。
实验条件照上述两项设定。
P =C
3
1
2
C C -*100%
式中: P------回收率
C 2------加标试样测定值(mg/mL ) C 1------试样测定值(mg/mL )
(4)拖尾因子(T ) 用于评价色谱峰的对称性。
为保证分离效果和测量精度,应检查待测峰的拖尾因子是否符合各品种项下的规定。
拖尾因子计算公式为:
105.02d W T h
式中 W 0.05h 为5%峰高处的峰宽;
d 1为峰顶点至峰前沿之间的距离。
除另有规空外,峰高法定量时T 应在0.95~1.05之间。
峰面积法测定时,若拖尾严重,将影响峰面积的准确测量。
必要时,应在各品种项下对拖尾因子作出规定。
选择(1)丁香酚图谱进行计算拖尾因子
结果为: 要求为:0.95~1.05
检验人: 时间: 年 月 日 审核人: 时间: 年 月 日
3.5.2.2总结:
总结人:时间:年月日审核人:时间:年月日七.偏差处理
详细描述验证过程中发生的偏差,如果有必要,应该列出偏差发生的原因,并对偏差造成的影响给予评价。
总结人:时间:年月日审核人:时间:年月日八、风险评估
气相色谱进样前需要清洗针头,并用样品溶剂润洗,FID检测器检测出溶剂峰,另外需进样溶剂做空白对照,溶剂峰一般较大,这对样品检测带来一定风险,检验人一定注意在进样前用溶剂清洗针头。
总结人:时间:年月日审核人:时间:年月日九、确认总结
总结人:时间:年月日审核人:时间:年月日
十、再验证周期
有下列情况之一,应进行再验证
仪器更新或大修;
对检验方法获得的结果作趋势分析,发现系统性偏差;
对检验规程进行了修订或检测条件发生变更;
综合上述因素,如果都没有发生重大变化,确定我公司气相色谱仪的再验证周期为一年。