暖通空调设计计算公式及负荷计算公式
- 格式:docx
- 大小:484.46 KB
- 文档页数:13
暖通计算公式范文暖通计算是指对建筑物内部进行采暖、通风、空调、给排水等系统进行设计和计算的过程。
通过科学的方法和相关公式,能够合理预测房间的热平衡、空气质量等指标,以确保建筑物的舒适性和能源效益。
本文将介绍暖通计算中常用的一些公式。
1.热负荷计算公式:(1)空气传热热负荷计算公式:热负荷=U×A×δT其中,U为单位面积传热系数,A为面积,δT为室内外温差。
(2)冷负荷计算公式:冷负荷=Qs+Qv+Qr其中,Qs为传感热负荷,Qv为通风换热负荷,Qr为负辐射热负荷。
2.换气量计算公式:(1)基于室内空气污染程度的换气量计算公式:V=(0.2-0.1×θ)×Vv+Vm其中,θ为烟雾因子,Vv为持续通风量,Vm为瞬时通风量。
(2)基于人数的换气量计算公式:V=0.35×N其中,V为换气量,N为室内人数。
3.装置风机功率计算公式:(1)风箱功率计算公式:P=p×V×F×δP其中,p为空气密度,V为风量,F为风机效率,δP为风压。
(2)其他风机功率计算公式:P=p×Q×δP其中,Q为风量。
4.空调制冷量计算公式:(1)常用热负荷计算公式:Q=C×V×δT其中,C为换热系数,V为空气流量,δT为温度变化。
(2)高级热负荷计算公式:Q=1.163×C×W×δT其中,W为湿度变化。
5.管道水流量计算公式:(1)无压损计算公式:Q=A×v其中,Q为水流量,A为管道横截面积,v为流速。
(2)有压损计算公式:Q=K×A×v×√(2h)其中,K为系数,h为压力损失。
以上是暖通计算中常用的一些公式,通过合理应用这些公式可以准确计算出暖通系统所需的参数和能耗,从而为建筑物提供舒适的室内环境。
当然,不同的项目和具体情况可能需要采用不同的公式和方法进行计算,建筑设计师和暖通工程师需要根据实际情况进行选择和调整。
第2章 热负荷、冷负荷与湿负荷计算华北电力大学-荆有印为了保持建筑物的热湿环境,在某一时刻需向房间供应的冷量称为冷负荷;相反,为了补偿房间失热需向房间供应的热量称为热负荷;为了维持房间相对湿度恒定需从房间除去的湿量称为湿负荷。
热负荷、冷负荷与湿负荷是暖通空调工程设计的基本依据,暖通空调设备容量的大小主要取决于热负荷、冷负荷与湿负荷的大小。
热负荷、冷负荷与湿负荷=f(室外气象参数,室内空气参数)2.1 室内外空气计算参数2.1.1 室外空气计算参数1. 夏季空调室外计算参数空调室外计算干球温度:取室外历年平均不保证50h 的干球温度;空调室外计算湿球温度:取室外历年平均不保证50h 的湿球温度。
空调室外计算日平均温度:取室外历年平均不保证5d 的平均温度;空调室外设计日逐时温度,按下式计算:d m o r t t t ∆+=β. (2-1)式中 m o t .—夏季空调室外计算日平均温度,℃; β—室外空气温度逐时变化系数,按表2-1确定;d t ∆—夏季空调室外计算平均日较差,℃,s o t .—夏季空调室外计算干球温度,℃。
表2-1空调室外空气计算温度:采用历年平均不保证1d 的日平均温度;空调室外空气计算相对湿度:采用历年一月份平均相对湿度的平均值。
3.冬季采暖室外计算温度和冬季通风计算温度采暖室外计算温度:取历年平均不保证5天的日平均温度; 通风室外计算温度:取累年最冷月平均温度;4.夏季通风室外计算温度和夏季通风室外计算相对湿度通风室外计算温度:取历年最热月14时的月平均温度的平均值;通风室外计算相对湿度:取历年最热月14时的月平均相对湿度的平均值。
2.1.2 室内空气计算参数1.室内空气计算参数的主要影响因素 ⑴建筑房间使用功能对舒适性的要求。
⑵地区、冷热源情况、经济条件和节能要求等因素。
2.室内空气计算参数的选择根据我国国家标准《采暖通风与空气调节设计规范》(GBJ19-87)的规定: ⑴对舒适性空调和采暖夏季:温度 24-28℃ 相对湿度 40%-65%: 风速 ≯0.3m/s 。
空调负荷主要计算公式:1.人体冷负荷:由显热散热造成的冷负荷 = 群集系数 * 计算时刻空调房间的总人数* 一名成年男子小时的显热散热量 * 人体显热散热量的冷负荷系数由潜热散热造成的冷负荷 = 群集系数 * 计算时刻空调房间的总人数* 一名成年男子小时的潜热散热量 * 人体潜热散热量的冷负荷系数2.人体湿负荷:湿负荷 = 0.001 * 群集系数 * 空调房间人数 * 一名成年男子小时散湿量3.灯光冷负荷:白炽灯和镇流器在空调房间外的荧光灯的冷负荷 = 1000 * 同时使用系数* 照明设备的安装功率 * 照明散热的冷负荷系数镇流器装在空调房间内的荧光灯的冷负荷 = 1200 * 同时使用系数* 照明设备的安装功率 * 照明散热的冷负荷系数暗装在吊顶玻璃罩内的荧光灯的冷负荷 = 1000 * 反射通风系数* 照明设备的安装功率 * 照明散热的冷负荷系数其它冷负荷 = 1000 * 照明实际散热量 * 照明散热量的冷负荷系数4.设备冷负荷:电热设备冷负荷 = 1000 * 同时使用系数 * 利用系数 * 小时平均实耗功率与设计最大功率之比 * 通风保温系数 * 设备安装总功率 * 设备器具散热的冷负荷系数电动机和工艺设备均在空调房间内的冷负荷 = 1000 * 同时使用系数 * 输入功率系数* 设备安装总功率 * 设备器具散热的冷负荷系数只有电动机在空调房间内的冷负荷 = 1000 * 同时使用系数 * 输入功率系数 * 设备安装总功率 * ( 1 - 电动机效率 ) * 设备器具散热的冷负荷系数只有工艺设备在空调房间的冷负荷 = 1000 * 同时使用系数 * 输入功率系数 * 设备安装总功率 * 电动机效率 * 设备器具散热的冷负荷系数其它冷负荷 = 1000 * 设备散热量 * 设备散热量的冷负荷系数5.新风冷负荷:新风全冷负荷Qq = md * 新风量 * (iw - in) / 3.6其中: md -- 夏季空调室外计算干球温度下的空气密度(1.13kg/m^3)iw -- 夏季室外计算参数下的焓值(kJ/kg)in -- 室内空气的焓值(kJ/kg)6.新风湿负荷:新风湿负荷Qq = md * 新风量 * (dw - dn) *0.001 (kg/h)其中: dw -- 夏季空调室外计算参数时的含湿量(g/kg)dn -- 室内空气的含湿量(g/kg)7.渗透冷负荷: 计算方法同新风冷负荷8.渗透湿负荷: 计算方法同新风湿负荷9.外墙和屋面冷负荷:冷负荷 CL = F * K( (tl + td) * Ka - tn )其中: F -- 外墙或屋面的面积K -- 外墙或屋面的传热系数tl-- 冷负荷计算温度的逐时值td-- 温度的地点修正值单位:度Ka-- 温度的由于外表面放热系数不同引起的温度修正系数无因次 tn-- 室内设计温度10.外窗和天窗冷负荷:该冷负荷可分为三部分: 直射冷负荷散射冷负荷传热冷负荷直射冷负荷 CL = Fz * Cz * Dj max * Ccl其中:Fz -- 窗玻璃的直射面积Cz -- 窗玻璃的综合遮挡系数Dj max -- 日射得热因数的最大值Ccl -- 冷负荷系数散射冷负荷 CL = Fs * Cz * Dj max * Ccl其中:Fs -- 窗玻璃的散射面积传热冷负荷 CL = F * K( tl' - tn )11.内围护结构冷负荷: <注:内围护结构包括: 内门内窗内墙楼板>冷负荷 CL = F * K * Tls其中 Tls -- 邻室温差查找基本气象参数(项目所在地)空调负荷的计算表(样例)。
暖通空调制冷计算公式暖通空调制冷计算公式是在空调工程设计时必不可少的一项计算,是为了保证室内空气质量和温度舒适度而进行的。
本文将从暖通空调制冷的基本概念入手,详细介绍制冷计算公式的应用和计算过程,为读者提供一些实用的参考。
一、暖通空调制冷的基本概念制冷是指将空气内的热量采取一定方式进行转移,使得室内温度达到所需要的标准。
在暖通空调设计中,制冷常用的参数有冷负荷和制冷量。
其中,冷负荷是指在一定的环境条件下所需移除的热量;制冷量是指空气中所移除的热量。
制冷量的计算与冷负荷有直接关系,常用的计算公式有两种:热平衡法和传热法。
二、热平衡法热平衡法是一种根据室内外环境温度差,计算冷负荷的方法。
其基本公式为:Q=K×A×Δt。
其中,Q为冷负荷,单位为W;K为传热系数,单位为W/m²·K;A为面积,单位为m²;Δt为室内外环境温度差,单位为℃。
在使用热平衡法计算冷负荷时,需要先确定建筑内部各空间的面积,并对每个空间进行分区计算。
例如,要计算一个客厅的冷负荷,需要确定客厅的面积和所在楼层的室内外环境温度差。
假设,该客厅面积为50m²,室内外环境温度差为10℃,传热系数为30W/m²·K,那么该客厅的冷负荷为:Q=30×50×10=15000 W三、传热法传热法是根据空气冷却后释放的冷量,计算制冷量的方法。
其计算公式为:Q=W×(h1-h2)。
其中,Q为制冷量,单位为W;W为空气流量,单位为m³/h;h1和h2分别为进口和出口空气的比焓,单位为kJ/kg。
在使用传热法计算制冷量时,需要先确定空气流量和进口出口空气的温度。
进口空气温度越高,出口空气温度越低,则制冷量越大。
假设,空调系统的空气流量为900m³/h,进口空气温度为25℃,出口空气温度为20℃,进口和出口空气的比焓分别为48.40 kJ/kg和37.81 kJ/kg,那么该空调系统的制冷量为:Q=900×(48.40-37.81)=9490 W四、总结以上就是暖通空调制冷计算公式的相关知识点,包括热平衡法和传热法两种计算方法。
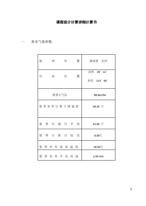
课程设计计算详细计算书一. 基本气象参数:二.主要计算公式:冷负荷的计算2.1.1、外墙和屋面瞬变传热引起的冷负荷Qc(τ)=AK[(tc+td)kαkρ-tR] (2-1)式中: Qc(τ)------- 外墙和屋面瞬变传热引起的逐时冷负荷,W;A ------- 外墙和屋面的面积,m2;K ------- 外墙和屋面的传热系数,W/(m2·℃) ;t R ------- 室内计算温度,℃;tc------- 外墙和屋面冷负荷计算温度的逐时值,℃;由《暖通空调》附录2-4和附录2-5查取;td------- 地点修正值,由《暖通空调》附录2-6查取;kα------- 吸收系数修正值;kρ------- 外表面换热系数修正值;2.1.2、内墙、地面引起的冷负荷Qc(τ)=AiKi(to.m+Δtα-tR) (2-2)式中:ki------- 内围护结构传热系数,W/(m2·℃);地面:0.47,W/(m2·℃);Ai------- 内围护结构的面积,m2;to.m------- 夏季空调室外计算日平均温度,℃;Δtα------- 附加温升。
2.1.3、外玻璃窗瞬变传热引起的冷负荷Qc(τ)=cwKwAw( tc(τ)+ td- tR) (2-3)式中 :Qc(τ)-------外玻璃窗瞬变传热引起的冷负荷,W;Kw ---z---- 外玻璃窗传热系数,W/(m2·℃),Kw=5.9 W/(m2·℃)Aw------- 窗口面积,m2;tc(τ)------- 外玻璃窗的冷负荷温度的逐时值,℃,由《暖通空调》附录2-10查得;Cw ------- 玻璃窗传热系数的修正值;由《暖通空调》附录2-9查得cw=1.0td------- 地点修正值;2.1.4、透过玻璃窗的日射得热引起的冷负荷Qc(τ) = CαAwCsCiDjmaxCLQ(2-4)式中:Cα------- 有效面积系数,由《暖通空调》附录2-15查得;Aw------- 窗口面积,m2;Cs------- 窗玻璃的遮阳系数,由《暖通空调》附录2-13查得;Ci------- 窗内遮阳设施的遮阳系数,由《暖通空调》附录2-14查得;Djmax-------日射得热因数,由《暖通空调》附录2-12查得CLQ------- 窗玻璃冷负荷系数,无因次;2.1.5、照明散热形成的冷负荷房间照明:日光灯安装,15 W/M22.1.6、人体散热形成的冷负荷2.1.6.1、人体显热散热形成的冷负荷Qc(τ) =qsn φ CLQ(2-5-1)式中:qs------- 不同室温和劳动性质成年男子显热散热量;n ------- 室内全部人数;φ------- 群集系数,由《暖通空调》表2-12查得;CLQ------- 人体显热散热冷负荷系数,由《暖通空调》附录2-23查得;2.1.6.2、人体潜热散热引起的冷负荷Qc(τ) = qln φ(2-5-2)式中:ql-------不同室温和劳动性质成年男子潜热散热量, W;n,φ-------同式2-6-1;2.1.7、设备散热形成的冷负荷办公室考虑电气(电脑等设备):按20W/M2。
花桥国际信息城服务中心4层、5层暖通空调负荷计算书工程名称:花桥国际信息城服务中心4层、5层暖通空调工程编号:建设单位:昆山瀚泓科技园投资发展有限公司计算人: 签名: 日期:校对人: 签名: 日期:审定人: 签名: 日期:一工程概述本工程地址为苏州昆山市花桥镇,钢筋混凝土错层结构,建筑层高五层。
全部为办公用房,部分为会议室、多功能厅及办公用房。
业主已给出建筑平面图和各个房间的功能,要求设计本建筑的中央空调系统,实现每个有人员房间的夏季空调供冷冬季供热。
二设计依据2.1设计任务书<<空调制冷课程设计提纲>>2.2设计规范及标准(1)采暖通风与空气调节设计规范(GBJ19-87 2001版) (2)房屋建筑制图统一标准(GB/T50001-2001)(3)采暖通风与空气调节制图标准(GBJ114-88)三设计范围(1)中央空调系统选型,空气处理过程的确定。
(2)空调外机、内机、送风口、回风口的选型,风管布置。
(3)新风系统设计。
四设计参数[1]室外气象资料国家:中华人民共和国地区:江苏省城市:苏州纬度:32.0经度:118.8海拔高度(m):8.9冬季大气压力(Pa):102520.0夏季大气压力(Pa):100400.0冬季平均室外风速(m/s):2.6夏季平均室外风速(m/s):2.6冬季空调室外设计干球温度(℃):-6.0夏季空调室外设计干球温度(℃):35.0冬季通风室外设计干球温度(℃):2.0夏季通风室外设计干球温度(℃):32.0冬季采暖室外计算干球温度(℃):-3.0夏季空调室外设计湿球温度(℃):28.3 冬季空调室外设计相对湿度(%):73.0 最大冻土深度(cm):9.0室内设计参数 建筑物:办公室房间用途面积 单位面积负荷 机器容量机型数量 主机m2W/m2 W 台四层敞开办公区 580 193 112000 MDV-D140Q4/N1-C 8 MDV-1065(38)W/DSN1设备间 25 284 7100 KF-71LW/JZ630 1 基站空调经理办公室-1 16 225 3600 MDV-D36T3/N1-A 1 MDV-450(16)W/DSN1-880 经理办公室-2 15 240 3600 MDV-D36T3/N1-A 1 经理办公室-3 15 240 3600 MDV-D36T3/N1-A 1洽谈室-1 15 240 3600 MDV-D36T3/N1-A 1 洽谈室-2 15 240 3600 MDV-D36T3/N1-A 1 大会议室 48 208 10000 MDV-D100Q4/N1-C 1茶水间 29 193 5600 MDV-D56T3/N1-A 1 电梯厅 29 245 7100 MDV-D71T2/N1 1 卫生间 34 165 5600 MDV-D56T3/N1-A1 五层茶水间 28 200 5600MDV-D56Q4/N1-C1 MDV-785(28)W/DSN1封闭办公区A 92 196 18000 MDV-D90Q4/N1-C 2 走廊 84 214 18000MDV-D90T2/N12L 型办公空间 53 211 11200 MDV-D112Q4/N1-C 1 主管办公室-1 11 255 2800 MDV-D28T3/N1-A 1 主管办公室-2112552800MDV-D28T3/N1-A1主管办公室-3 11 255 2800 MDV-D28T3/N1-A 1 洽谈室 9 311 2800 MDV-D28T3/N1-A 1 经理办公室 22 205 4500 MDV-D45T3/N1-A 1 会议室 43 209 9000 MDV-D90Q4/N1-C 1 贵宾接待室 13 215 2800 MDV-D28T3/N1-A 1 总经理办公室 17 212 3600MDV-D36T3/N1-A1封闭办公区C 205 205 42000 MDV-D140Q4/N1-C 3 MDV-730(26)W/DSN1封闭办公区B 103 217 22400 MDV-D112Q4/N1-C 2 电梯厅 35 203 7100 MDV-D71T2/N1 1 卫生间361565600MDV-D56T3/N1-A1五、负荷计算方法及公式(一)、外墙和屋面传热冷负荷计算公式外墙或屋面传热形成的计算时刻冷负荷Q τ(W),按下式计算:Q τ=KF Δt τ-ξ (1.1)式中 F —计算面积,m^2; τ—计算时刻,点钟;τ-ξ—温度波的作用时刻,即温度波作用于外墙或屋面外侧的时刻, 点钟; Δt τ-ξ—作用时刻下,通过外墙或屋面的冷负荷计算温差,简称负荷温差,℃。
暖通负荷计算1 项目概况2 建筑2.1 建筑信息3 计算依据3.1 外墙、架空楼板或屋面3.1.1 热负荷 a) 基本耗热量:()α⨯-⨯⨯=w n j t t F K Q(5.1-1)j Q ——温差传热耗热量,WK ——外围护结构传热系数,W/(m 2·℃) F ——外围护结构面积,m 2n t ——室内设计温度,℃w t ——室外设计温度,℃α——温差修正系数b) 附加耗热量:()()()jan fg lang f ch j Q Q βββββ+⨯+⨯+++⨯=1111(5.1-3)1Q ——附加耗热量,Wch β——朝向修正系数f lang β——两面外墙修正fg β——房高附加,)4(02.0-⨯=h fg β,最大值不超过15% jan β——间歇附加3.1.2 冷负荷 a) 冷负荷()n t t F K Q -∆+⨯⨯=-εττ(20.3-1)τQ ——计算时刻冷负荷,WK ——外围护结构传热系数,W/(m 2·℃) F ——外围护结构面积,m 2T -τ——温度波的作用时刻,即温度波作用于围护结构外侧的时刻,hετ-t ——作用时刻冷负荷计算温度,℃∆——负荷温度的地点修正值,℃n t ——室内设计温度,℃3.2 外窗3.2.1 热负荷 a) 基本耗热量()α⨯-⨯⨯=w n j t t F K Q(5.1-1)j Q ——基本耗热量,WK ——外窗传热系数,W/(m 2·℃) F ——外窗面积,m 2n t ——室内设计温度,℃w t ——室外设计温度,℃α——温差修正系数b) 附加耗热量()()()()gc jan fg m lang f ch j Q Q βββββββ+⨯+⨯+⨯++++⨯=11111 (5.1-3)1Q ——附加耗热量,Wch β——朝向修正系数 f β——风力修正系数lang m β——窗墙面积比过大修正,当窗墙面积比大于1:1时,取m β=10% gc β——高层建筑外出窗的风力修正fg β——房高附加,)4(02.0-⨯=h fg β,最大值不超过15% jan β——间歇附加c) 冷风渗透耗热量()w n w p t t V C Q -⨯⨯⨯⨯=ρ278.02(5.1-4)2Q ——冷风渗透耗热量,Wp C ——空气的定压比热容,1.0056kJ/(kg·℃)w ρ——采暖室外计算温度下的空气密度,kg/m 3 V ——渗透冷空气量,m 3/h3.2.2 冷负荷a) 温差传热冷负荷()n t t F K Q -+⨯⨯⨯=δαττ(20.4-1)τQ ——计算时刻冷负荷,WK ——窗玻璃的传热系数,W/(m 2·℃) α——窗框修正系数τt ——计算时刻冷负荷温度,℃δ——地点修正系数b) 辐射形成的冷负荷i. 外窗无任何遮阳设施的辐射冷负荷ττw d g J X X F Q ⨯⨯⨯=(20.5-1)ii. 外窗只有内遮阳设施的辐射冷负荷ττn z d g J X X X F Q ⨯⨯⨯⨯=(20.5-2)iii. 外窗只有外遮阳设施的辐射冷负荷()[]d g w w X X J F F J F Q ⨯⨯⨯-+⨯=011τττ(20.5-3)iv. 外窗既有内遮阳设施又有外遮阳设施的冷负荷()[]z d g n n X X X J F F J F Q ⨯⨯⨯⨯-+⨯=011τττ(20.5-4)τQ ——计算时刻辐射冷负荷,W g X ——窗的构造修正系数d τw J ——计算时刻下,透过无遮阳设施玻璃太阳辐射的冷负荷强度,W/m 2z X ——内遮阳系数τn J ——计算时刻下,透过有内遮阳设施窗玻璃太阳辐射的冷负荷强度,W/m 21F ——窗口受到太阳照射时的直射面积,m 20τw J ——计算时刻下,透过无遮阳设施窗玻璃太阳散射辐射的冷负荷强度,W/m 2 0τn J ——计算时刻下,透过有内遮阳设施窗玻璃太阳散射辐射的冷负荷强度,W/m 23.3 外门3.3.1 热负荷 a) 基本耗热量()α⨯-⨯⨯=w n j t t F K Q (5.1-1)j Q ——基本耗热量,WK ——外门传热系数,W/(m 2·℃) F ——外门面积,m 2n t ——室内设计温度,℃w t ——室外设计温度,℃α——温差修正系数b) 附加耗热量()()()jan fg lang f ch j Q Q βββββ+⨯+⨯+++⨯=1111(5.1-3)1Q ——附加耗热量,Wch β——朝向修正系数 f β——风力修正系数 lang β——两面外墙修正fg β——房高附加jan β——间歇附加c) 冷风渗透耗热量()w n w p t t V C Q -⨯⨯⨯⨯=ρ278.02(5.1-4)2Q ——冷风渗透耗热量,Wp C ——空气的定压比热容,1.0056kJ/(kg·℃)w ρ——采暖室外计算温度下的空气密度,kg/m 3V ——渗透冷空气量,m 3/hd) 外门开启冲入冷风耗热量⎪⎩⎪⎨⎧'⨯=,“冲入冷风量”时基本耗热量附加”时参考表对应值,“外门33Q Q Q j (表5.1-14)()oR p o t t c M Q -⨯⨯⨯= 1000'3 (参考新风热负荷计算公式) 3.3.2 冷负荷a) 玻璃外门温差传热冷负荷()n t t F K Q -+⨯⨯⨯=δαττ(20.4-1)τQ ——计算时刻冷负荷,WK ——窗玻璃的传热系数,W/(m 2·℃) α——窗框修正系数τt ——计算时刻冷负荷温度,℃δ——地点修正系数b) 玻璃外门辐射形成的冷负荷i. 外门无任何遮阳设施的辐射冷负荷ττw d g J X X F Q ⨯⨯⨯=(20.5-1)ii. 外门只有内遮阳设施的辐射冷负荷ττn z d g J X X X F Q ⨯⨯⨯⨯=(20.5-2)iii. 外门只有外遮阳设施的辐射冷负荷()[]d g w w X X J F F J F Q ⨯⨯⨯-+⨯=011τττ(20.5-3)iv. 外门既有内遮阳设施又有外遮阳设施的冷负荷()[]z d g n n X X X J F F J F Q ⨯⨯⨯⨯-+⨯=011τττ(20.5-4)τQ ——计算时刻辐射冷负荷,W g X ——门的构造修正系数d X ——地点修正系数τw J ——计算时刻下,透过无遮阳设施玻璃太阳辐射的冷负荷强度,W/m 2z X ——内遮阳系数τn J ——计算时刻下,透过有内遮阳设施门玻璃太阳辐射的冷负荷强度,W/m 21F ——门受到太阳照射时的直射面积,m 20τw J ——计算时刻下,透过无遮阳设施门玻璃太阳散射辐射的冷负荷强度,W/m 20τn J ——计算时刻下,透过有内遮阳设施门玻璃太阳散射辐射的冷负荷强度,W/m 2c) 非玻璃外门冷负荷()n t t F K Q -∆+⨯⨯=-ξττ(20.3-1)τQ ——计算时刻冷负荷,Wξτ-t ——作用时刻冷负荷计算温度,℃∆——负荷温度的地点修正值,℃3.4 内墙、内窗、内门或中间楼板3.4.1 热负荷 a) 温差计算法t F K Q ∆⨯⨯=b) 温差修正法()α⨯-⨯⨯=w n t t F K Q(5.1-1)K ——内围护的传热系数,W/m 2·℃ F ——内围护面积,m 2 t ∆——邻室温差,℃n t ——室内设计温度,℃w t ——室外设计温度,℃α——温差修正系数c) 热负荷输出值分两种情况: i. “邻间不等温”时,Qii. “户间传热”时,温差传热概率⨯Q 3.4.2 冷负荷a) 邻室通风良好时内窗冷负荷()n t t F K Q -+⨯⨯⨯=δαττ(20.4-1)τQ ——计算时刻冷负荷,Wα——窗框修正系数K ——窗玻璃的传热系数,W/m 2·℃ F ——面积,m 2n t ——室内设计温度,℃τδ——地点修正系数b) 邻室通风良好时内墙、内门或中间楼板冷负荷()n wp t t F K Q -⨯⨯=(20.6-1)Q ——计算时刻冷负荷,Wwp t ——夏季空调室外计算日平均温度,℃c) 邻室有发热量时冷负荷()n ls wp t t t F K Q -∆+⨯⨯=(20.6-2)wp t ——夏季空调室外计算日平均温度,℃ls t ∆——邻室温升,℃3.5 地面3.5.1 热负荷 a) 地带法4321Q Q Q Q Q +++=第一地带热负荷()w n t t F K Q -⨯⨯=111 第二地带热负荷()w n t t F K Q -⨯⨯=222 第三地带热负荷()w n t t F K Q -⨯⨯=333 第四地带热负荷()w n t t F K Q -⨯⨯=4444321Q Q Q Q 、、、——分别是第一、二、三、四地带的热负荷,W4321K K K K 、、、——分别是第一、二、三、四地带的传热系数,W/m 2·℃ 4321F F F F 、、、——分别是第一、二、三、四地带的面积,m 2b) 平均传热系数法()w n pj t t F K Q -⨯⨯=(5.1-2)pj K ——地面平均传热系数,W/m 2·℃3.6 人体3.6.1 冷负荷冷负荷=(显热冷负荷+潜热冷负荷)×人员在室率 a) 显热冷负荷T X q n Q -⨯⨯⨯=ττϕ1(20.7-1)τϕ——群集系数n ——计算时刻空调区内的总人数1q ——一名成年男子小时显热散热量,Wτ——计算时刻,hT ——人员进入空调区的时间,hT X -τ——T -τ时刻人体显热散热的冷负荷系数b) 潜热冷负荷2q n Q ⨯⨯=ττϕ (20.12-2)τQ ——潜热冷负荷,Wτn ——计算时刻空调区内的总人数2q ——一名成年男子小时潜热散热量,W3.6.2 湿负荷湿负荷=人体散湿量×人员在室率 a) 人体散湿量g n D ⨯⨯⨯=ττϕ001.0(20.12-1)τD ——人体散湿量,kg/hg ——一名成年男子小时散湿量,g/h3.7 新风3.7.1 热负荷()o R p o o h t t c M Q -⨯⨯⨯= 1000. 《暖通空调》(2-26)oh Q. ——空调新风热负荷,W oM ——新风量,kg/s p c ——空气的定压比热,取1.005kJ/kg·℃R t ——冬季空调室内空气的计算温度,℃ o t ——冬季空调室外空气的计算温度,℃3.7.2 冷负荷冷负荷=新风逐时使用率⨯oc Q .()Ro o o c h h M Q -⨯⨯= 1000. 《暖通空调》(2-25)oc Q . ——空调新风冷负荷,W oM ——新风量,kg/s o h ——夏季空调室外空气的焓值,kJ/kgR h ——夏季空调室内空气的焓值,kJ/kg3.7.3 湿负荷湿负荷=新风逐时使用率⨯sh W()n w sh d d G W -⨯'⨯=001.0《全国……技术措施 暖通空调·动力》(3.2.15-3) sh W ——新风湿负荷,kg/hG '——新风量,kg/hw d ——室外空气含湿量,g/kgn d ——室内空气含湿量,g/kg3.8 照明3.8.1 冷负荷冷负荷=各种类型照明灯具冷负荷之和×照明使用率 a) 白炽灯散热形成的冷负荷T X N n Q -⨯⨯=ττ1(20.8-1)b) 镇流器在空调区之外的荧光灯散热形成的冷负荷T X N n Q -⨯⨯=ττ1(20.8-1)c) 镇流器在空调区之内的荧光灯散热形成的冷负荷T X N n Q -⨯⨯⨯=ττ12.1(20.8-2)d) 安装在空调房间吊顶玻璃罩之内的荧光灯散热形成的冷负荷T X N n n Q -⨯⨯⨯=ττ01 (20.8-3)τQ ——灯具形成的冷负荷,W1n ——同时使用系数N ——灯具的安装功率,Wτ——计算时刻,h T ——开灯时刻,hT X -τ——T -τ时刻灯具散热的冷负荷系数0n ——考虑玻璃反射及罩内通风情况的系数3.9 设备3.9.1 冷负荷冷负荷=设备显热形成冷负荷×设备使用率 a) 电热设备的散热量N n n n n q s ⨯⨯⨯⨯=4321(20.9-1)s q ——电热设备散热量,W1n ——同时使用系数 2n ——安装系数 3n ——负荷系数4n ——通风保温系数N ——电热设备总安装功率,Wb) 电动机和工艺设备均在空调区内的散热量ηNn n n q s ⨯⨯⨯=321 (20.9-2)N ——电动设备总安装功率,Wη——电动机效率c) 只有电动机在空调区内的散热量()ηη-⨯⨯⨯⨯=1321N n n n q s (20.9-3)d) 只有工艺设备在空调区内的散热量N n n n q s ⨯⨯⨯=321(20.9-4)e) 办公设备类型数量可以确定时的散热量∑=⋅=Pi i a i s q s q 1.(20.9-5)P ——设备的种类数i s ——第i 类设备的台数i a q .——第i 类设备的单台散热量,Wf) 设备显热形成的冷负荷T s X q Q -⨯=ττ(20.9-7)s q ——所有设备的显热散热量之和,WT X -τ——T -τ时刻设备、器具散热的冷负荷系数3.10渗透空气3.10.1 冷负荷a) 渗透空气形成的全热冷负荷()n w q h h G Q -⨯⨯=28.0 (20.12-4)q Q ——全热冷负荷,WG ——单位时间渗入室内的空气总量,kg/hw h ——室外空气焓值,kJ/kgn h ——室内空气焓值,kJ/kg3.10.2 湿负荷a) 渗透空气形成的湿负荷()n w d d G D -⨯⨯=001.0(20.12-3)D ——渗透空气形成的湿负荷,kg/h G ——单位时间渗入室内的空气总量,kg/hw d ——室外空气含湿量,g/kgn d ——室内空气含湿量,g/kg3.11食物3.11.1 冷负荷冷负荷=()逐时就餐率⨯+τQ Q a) 显热冷负荷ϕτ⨯⨯=n Q 9(20.11)b) 潜热冷负荷ττD Q ⨯=700(20.12-6)3.11.2 湿负荷湿负荷=逐时就餐率⨯τDττϕn D ⨯⨯=012.0(20.12-5)τn ——计算时刻就餐总人数ϕ——群集系数τn ——计算时刻的就餐总人数3.12水面蒸发3.12.1 冷负荷冷负荷=水面蒸发发生率⨯τQ a) 水面蒸发形成的潜热冷负荷ττD r Q ⨯⨯=28.0(20.12-8)3.12.2 湿负荷湿负荷=水面蒸发发生率⨯τD a) 水面蒸发散湿量g F D ⨯=ττ(20.12-7)τF ——计算时刻的蒸发表面积,m 2g ——水面的单位蒸发量,kg/(m 2·h ) r ——冷凝热,kJ/kg3.13水流3.13.1 湿负荷湿负荷水流发生率⨯G a) 水分蒸发量()γ211t t c G G -⨯⨯=《全国……技术措施 暖通空调·动力》(3.2.22)1G ——流动的水量,kg/h c ——水的比热,4.1868kJ/kg·K1t ——水的初温,℃2t ——水的终温,℃γ——水的汽化潜热,平均取2450kJ/kg3.14化学3.14.1 冷负荷冷负荷=化学反应发生率⨯Q a) 化学反应全热散热量6.321qG n n Q ⨯⨯⨯=《全国……技术措施 暖通空调·动力》(3.2.23-1)Q ——化学反应的全热散热量,W 1n ——考虑不完全燃烧的系数,可取0.952n ——负荷系数,实际燃料消耗量与最大燃料消耗量之比G ——每小时燃料最大消耗量,m 3/hq ——燃料的热值,kJ/m 33.14.2 湿负荷湿负荷=化学反应发生率⨯W a) 散湿量w G n n W ⨯⨯⨯=21《全国……技术措施 暖通空调·动力》(3.2.23-1)W ——化学反应的散湿量,kg/hw ——燃料的单位散湿量,kg/m 33.15 房间冷风渗透耗热量3.15.1 缝隙长度法计算 a) 详见外窗、外门 3.15.2 换气次数法a) 房间冷风渗透耗热量()w n t t N L c Q -⨯⨯⨯⨯⨯=ρ278.0 《简明供热设计手册》(2-21)c ——空气比热,1kj/kg·℃L ——房间容积,m 3N ——换气次数,次/hρ——室外空气密度,kg/m 3n t ——室内空气温度,℃w t ——室外空气温度,℃3.15.3 百分率法a) 房间冷风渗透耗热量f Q n Q ⨯= 《简明供热设计手册》(2-3.3)n ——百分率,%f Q ——外围护结构总热负荷,W注:未标注文献名称的公式均选自《实用供热空调设计手册》第二版3.16 参考文献[1] 陆耀庆主编.实用供热空调设计手册(第二版).北京:中国建筑工业出版社,2008 [2] 陆亚俊主编.暖通空调.北京:中国建筑工业出版社,2002[3] 建设部工程质量安全监督与行业发展司,中国建筑标准设计研究所编.全国民用建筑工程设计技术措施 暖通空调·动力.北京:中国计划出版社,2003.2 [4] 李岱森主编.简明供热设计手册.北京:中国建筑工业出版社,1998.12。
暖通空调围护结构动态负荷计算方法多数也是为本地区服务的。
空调工程围护结构动态负荷计算的内容大体如下:·对于墙体(包括屋面)计算日逐时的空气温度→计算日不同朝向逐时的综合温度→计算或引进日逐时墙体的周期性加权系数→计算日不同朝向逐时墙体的冷负荷计算温度→计算日不同朝向逐时的冷负荷Qwall。
·对于外窗计算日逐时空气温度向室内的传热qc→查出日不同朝向逐时透过玻璃窗的太阳辐射强度→计算或引进日逐时外窗的周期性加权系数→计算日逐时透过玻璃窗太阳辐射热形成的冷负荷qd和qf→计算日逐时通过外窗进入室内的冷负荷Qwindow=qc+qd+qf。
·对于、楼板计算日逐时空气温度加上附加值(负值或正当)向空调间的传热量Qin-wall。
因为当前的民用建造皆为整体空调设计,内墙和楼板负荷可以忽视,或者按容易传热计算。
围护结构的日逐时负荷应为Q(0:23)=Qwall(0:23)+Qwindow(0:23)+Qin-wall然后再找出最大负荷及其发生时刻。
将以上内容在计算机上编成程序,其程序(苏州地区)3所示。
框图中的符号分离为数据处理框和特别处理框,每一个框内都要用上挑选和循环等语句举行计算。
4空调工程负荷计算容易小结用估算来举行负荷计算只是一个时期的一个过程,最后还是要走向正规化,有的工程人员向来坚持做负荷计算而不采纳估算的办法是应当支持的。
现在电脑应用达到非常广泛的程度,费一些时光对本地区的气象条件和计算手段编成程序,这是一劳永逸的事情。
固然挺直应用现成的“计算软件”更好,只是通用的“计算软件”适用于全国性,显得稍为棘手一些,但应用得多了也就娴熟了,关健在于仔细地去用。
程序计算出来的数值普通比估算的要小一些,不必担忧,负荷计算是一门科学,在计算的基础上举行某些调节也是情理之中的事,这样必定会使设计工作做得踏实,有掌握和有说服力。
写成本文的目的也在于此,并与同仁们共勉之。
建设通查询相关阅读热门文章第1页共1页。
这么多暖通空调计算公式,背下就对了一、温度:摄氏度(C)与华氏度(F)华氏度=32+摄氏度×1.8摄氏度=(华氏度-32)/1.8开氏温度(K)与摄氏度(C)开氏温度(K)=摄氏度(C)+273.15二、压力的换算:Mpa、Kpa、pa、bar1Mpa=1000Kpa;1Kpa=1000pa;1Mpa=10bar;1bar=0.1Mpa=100Kpa;1大气压=101.325Kpa=1bar=1公斤;1bar=14.5psi;1psi=6.895Kpa;1kg/cm2=105=10mH2O=1bar=0.1MPa1Pa=0.1mmH2O=0.0001mH2O1mH2O=104Pa=10kPa三、风速、体积的换算:1CFM(立方英尺/分钟)=1.699M³/H=0.4719l/s1M³/H=0.5886CFM(立方英尺/分钟)1l/s=2.119CFM(立方英尺/分钟)1fpm(英尺每分钟)=0.3048m/min=0.00508m/s 四、制冷量与功率:1KW=1000W1KW=861Kcal/h(大卡)=0.39P(冷量)1W=1J/s(焦/秒)1USTR(美国冷吨)=3024Kcal/h=3517W(冷量) 1BTU(英热单位)=0.252kcal/h=1055J1BTU/H(英热单位/小时)=0.252kcal/h1BTU/H(英热单位/小时)=0.2931W(冷量)1MTU/H(千英热单位/小时)=0.2931KW(冷量) 1HP(电)=0.75KW(电)1KW(电)=1.34HP(电)1RT(冷量)=3.517KW(冷量)1KW(冷量)=3.412MBH(103英热单位/小时)1P(冷量)=2200kcal/h=2.56KW1kcal/h=1.163W五、空调安装粗细与制冷量:1.5mm2是12A-20A(2650~4500W)1P~2P2.5mm2是20-25A(4500~5500W)2P4mm2是25-32A(5500~7500W)2P~3P6mm2是32-40A(7500~8500W)3P~4P六、制冷剂计算公式:1、膨胀阀选型:冷吨+1.25%余量2、压机功率:1P=0.735KW3、制冷剂充注量:制冷量(KW)÷3.516×0.584、风冷机水流量:制冷量(KW)÷温差÷1.1635、水冷螺杆本机冷水流量:制冷量(KW)×0.86÷温差6、水冷螺杆机冷却水流量:(制冷量KW+压机功率)×0.86÷温差7、总热量QT=QS+QL8、空气冷却:QT=0.24*∝*L*(h1-h2)9、显热量空气冷却:QS=Cp*∝*L*(T1-T2)10、潜热量空气冷却:QL=600*∝*L*(W1-W2)11、冷冻水量:L/sV1=Q1/(4.187△T1)12、冷却水量:L/sV2=Q2/(4.187△T2)=(3.516+KW/TR)TR,其中Q2=Q1+N=TR*3.516+KW/TR*TR=(3.516+KW/TR)*TR13、制冷效率:EER=制冷能力(Mbtu/h)/耗电量(KW);COP=制冷能力(KW)/耗电量(KW)14、部分冷负荷性能:NPLV=1/(0.01/A+0.42/B+0.45/C+0.12/D)15、满载电流(三相):FLA=N/√3UCOSφ16、新风量:Lo=nV17、送风量:L=Qs/〔Cp*∝*(T1-T2)〕18、风机功率:N1=L1*H1/(102*n1*n2)19、水泵功率:N2=L2*H2*r/(102*n3*n4)20、水管管径:D=√4*1000L2/(π*v) 20、风管面积:F=a*b*L1/(1000u)。
第2章 热负荷、冷负荷与湿负荷计算华北电力大学-荆有印为了保持建筑物的热湿环境,在某一时刻需向房间供应的冷量称为冷负荷;相反,为了补偿房间失热需向房间供应的热量称为热负荷;为了维持房间相对湿度恒定需从房间除去的湿量称为湿负荷。
热负荷、冷负荷与湿负荷是暖通空调工程设计的基本依据,暖通空调设备容量的大小主要取决于热负荷、冷负荷与湿负荷的大小。
热负荷、冷负荷与湿负荷=f(室外气象参数,室内空气参数)2.1 室内外空气计算参数2.1.1 室外空气计算参数 1. 夏季空调室外计算参数空调室外计算干球温度:取室外历年平均不保证50h 的干球温度;空调室外计算湿球温度:取室外历年平均不保证50h 的湿球温度。
空调室外计算日平均温度:取室外历年平均不保证5d 的平均温度;空调室外设计日逐时温度,按下式计算:d m o r t t t ∆+=β. (2-1)式中 m o t .—夏季空调室外计算日平均温度,℃; β—室外空气温度逐时变化系数,按表2-1确定;d t ∆—夏季空调室外计算平均日较差,℃,52.0..mo s o d t t t -=∆ s o t .—夏季空调室外计算干球温度,℃。
2.冬季空调室外空气计算空调室外空气计算温度:采用历年平均不保证1d 的日平均温度; 空调室外空气计算相对湿度:采用历年一月份平均相对湿度的平均值。
3.冬季采暖室外计算温度和冬季通风计算温度采暖室外计算温度:取历年平均不保证5天的日平均温度; 通风室外计算温度:取累年最冷月平均温度;4.夏季通风室外计算温度和夏季通风室外计算相对湿度通风室外计算温度:取历年最热月14时的月平均温度的平均值;通风室外计算相对湿度:取历年最热月14时的月平均相对湿度的平均值。
2.1.2 室内空气计算参数1.室内空气计算参数的主要影响因素⑴建筑房间使用功能对舒适性的要求。
⑵地区、冷热源情况、经济条件和节能要求等因素。
2.室内空气计算参数的选择根据我国国家标准《采暖通风与空气调节设计规范》(GBJ19-87)的规定:⑴对舒适性空调和采暖夏季:温度 24-28℃相对湿度 40%-65%:风速≯0.3m/s。
最全暖通空调计算公式暖通空调计算公式是指用于计算建筑物中空调系统设计和运行所需的热负荷、风量、水量、功率等参数的数学公式。
根据不同的场景和需求,有多种不同的计算公式。
下面将介绍一些常见的暖通空调计算公式。
一、热负荷计算公式1.平均负荷法公式:Q=Σ(QiAi)+Qv+Qs+Qw+Qc其中,Q为建筑物的总热负荷,Qi为各房间或部位的传热负荷,Ai 为各房间或部位的面积,Qv为风量传热负荷,Qs为太阳辐射传热负荷,Qw为热桥传热负荷,Qc为建筑内外温差传热负荷。
2.地板面积法公式:Q=A×U×ΔT其中,Q为楼面的热负荷,A为楼面面积,U为楼面的传热系数,ΔT 为楼面的设计温差。
3.等效平均温度差法公式:Q=Σ(Qi)(Ti-Te)/ΔTm其中,Qi为各房间的传热负荷,Ti为各房间的设计温度,Te为环境温度,ΔTm为全年平均温度差。
二、风量计算公式1.空气变风量计算公式:Q=A×V×ΔP/3600其中,Q为空气变风量,A为房间面积,V为空气流速,ΔP为房间静压。
2.空气混合计算公式:Qm=Q1+Q2其中,Qm为混合空气流量,Q1和Q2分别为两种进风空气流量。
三、水量计算公式1.主管道水量计算公式:Q=A×V其中,Q为主管道流量,A为主管道截面积,V为主管道速度。
2.辅助设备水量计算公式:Q=P/(ρ×c×ΔT)其中,Q为辅助设备的冷却水量,P为辅助设备的冷却功率,ρ为水的密度,c为水的比热容,ΔT为水的温度差。
四、功率计算公式1.制热功率计算公式:P=Q/COP其中,P为制热功率,Q为热负荷,COP为制热系数。
2.制冷功率计算公式:P=Q/EER其中,P为制冷功率,Q为冷负荷,EER为能效比系数。
以上是一些常见的暖通空调计算公式,不同的场景和具体要求可能会采用其他不同的公式,因此在实际应用中,需要根据具体情况进行选择。
此外,还需要考虑相关的建筑物传热特性、设备特性、操作条件等因素,以确保计算结果的准确性和可靠性。
毕业设计 (论文)专业建筑环境与设备工程专业班级学生姓名学号课题市某办公综合楼暖通空调设计指导教师6 月 12 日摘要本设计为南京市某办公综合楼空调设计,建筑地下一层,地上十二层。
地下一层为设备房和停车库,地上一层为营业大厅,二层为会议室,三层为餐厅,四至十二层为办公场所。
依照建筑功能特点,选取全空气系统和风机盘管+独立新风系统的空调方式,关于会议室等大空间采纳全空气系统,接待,办公等较小的空间就用风机盘管+独立新风系统,独立新风+风机盘管的空调方式是由风机盘管承担室内冷负荷,而新风负荷由各层新风机组来承担,新风通过新风机组处置到与室内等焓值的状态,直接送入房间。
公共洗手间设置排气系统,冷水机组布置在地下一层机房内。
针对地下一层的实际利用情形,系统设计了排风方案,采纳机械进风和机械排风系统。
关键词:风机盘管加新风系统空调水系统排风排烟系统AbstractThe design of air conditioning design and construction of a Nanjing official building is 12 layers, including the basement rooms for the equipment and storage first floor is , number two is meeting room,number three is dining room,Number four to twelve for the 0ffices 。
According to construction features, to select the entire air system and air system with fan coil and independent, and to select a fully integrated air system for the big meeting room, office and other small space on the disk with fan Pipe + independent air system is the proper fresh air and fan coil fan coil air-conditioning mode is borne by the indoor cooling load, and the new wind load from the floors bears the new air units. The new air handling unit through the fresh air makes it to the enthalpy and interior space and other state, which is directly into the room.The public bathroom are setting exhaust system. Water chillers are set in the basement of the engine room layout. For the practical use of the basement, the ventilation system design programs are used with the mechanical ventilation and mechanical ventilation system.KeyWords:Air distribution primary air fan-coil system and independent Air condition water system Line up the breeze row smoke system目录第1章工程概况................................................................................... 错误!未定义书签。
云南农业大学建筑工程学院 650201《暖通空调》课程设计指导书学院:建筑工程学院专业:建筑环境与能源应用工程工程年级:2012级指导老师:李艳琼职称:高级工程师《暖通空调》课程设计指导书一、空调负荷计算1.夏季建筑围护结构的冷负荷目前,在我国暖通空调工程中,常采用冷负荷系数法计算空调冷负荷,冷负荷系数法是建立在传递函数法的基础上,是便于在工程上进行手算的一种简化计算方法。
夏季建筑围护结构的冷负荷是指由于室内外温差和太阳辐射作用,通过建筑物围护结构传入室内的热量形成的冷负荷。
具体计算方法如下:(1)围护结构瞬变传热形成冷负荷的计算方法1)外墙和屋面瞬变传热引起的冷负荷在日射和室外气温综合作用下,外墙和屋面瞬变传热引起的逐时冷负荷可按下式计算:()()Rc c t t AK Q -=ττ)(& (1-1) 式中()τc Q &—外墙和屋面瞬变传热引起的逐时冷负荷,W ;A — 外墙和屋面的面积,m2;K — 外墙和屋面的传热系数,W /(m2·℃),可根据外墙和屋面的不同构造, 由附录2-2和附录2-3中查取; tR — 室内计算温度,℃;()τc t —外墙和屋面冷负荷计算温度的逐时值,℃,根据外墙和屋面的不同类型分别在附录2-4和附录2-5中查取。
必须指出:a. 附录2-4和附录2-5中给出的各围护结构的冷负荷温度值都是以北京地区气象参数为依据计算出来的,因此,对于不同设计地点,应对()τc t 值进行修正,即应为()τc t十td 。
其地点修正值td 可由附录2-6查得。
b . 当外表面放热系数不同于18.6W /(m2·℃)时,应将(()τc t+td)乘以表1中的修正值。
c. 当内表面放热系数变化时,可不加修正。
d. 考虑到城市大气污染和中浅颜色的耐久性差,建议吸收系数一律采用ρ=0.90,即对表中()τc t不加修正。
但如确有把握经久保持建筑围护结构表面的中、浅色时,则可将表中数值乘以表2所列的吸收系数修正值k ρ。
建筑能耗计算公式
建筑能耗的计算涉及多个因素,包括建筑结构、设备、用途和气候等因素。
常见的建筑能耗计算公式包括以下几个方面:
1. 建筑热负荷计算公式:
建筑热负荷是指建筑内外热交换的热量。
常见的建筑热负荷计算公式包括:
- 暖通空调负荷计算:Q = U ×A ×ΔT,其中Q为热负荷,U为传热系数,A为传热面积,ΔT为温差。
- 采暖负荷计算:Q = (m ×c ×ΔT) / η,其中Q为热负荷,m为空气质量流量,c为空气比热容,ΔT为温差,η为能量转换效率。
2. 建筑能源消耗计算公式:
建筑能源消耗涉及到电力、燃气等能源的使用。
常见的建筑能源消耗计算公式包括:
- 电能消耗:E = P ×t,其中E为电能消耗,P为功率,t为使用时间。
- 燃气消耗:G = Q ×H,其中G为燃气消耗,Q为燃气用量,H为燃气热值。
3. 建筑节能指标计算公式:
建筑节能指标用于评估建筑的能效。
常见的建筑节能指标计算公式包括:
- 能耗系数:EC = E / A,其中EC为能耗系数,E为建筑总能耗,
A为建筑面积。
- 节能率:η= (E1 - E2) / E1,其中η为节能率,E1为改造前建筑能耗,E2为改造后建筑能耗。
需要注意的是,建筑能耗计算公式可能因具体建筑类型、设备配置和气候条件等因素而异,最准确的计算需要依据具体的情况进行。
因此,在进行建筑能耗计算时,建议咨询专业的建筑工程师或能源专家,以确保计算结果的准确性和可靠性。
【暖通空调知识】采暖设计热负荷指标采暖设计热负荷概算指标中常见的有体积热负荷指标、面积热负荷指标。
它们的相同点:都是热指标。
不同点:体积热指标指的是单位供暖体积的指标;面积热指标是指单位面积的指标。
我觉得体积热指标更合适些,因为和房间的高度有关,也就是和围护结构的面积关系更密切。
在采暖室外计算温度条件下,为保持室内计算温度,单位建筑面积在单位时间内需由锅炉房韩国电热膜供暖或其他供热设施供给的热量,单位:W/`M^2`。
编辑本段计算方法在采暖室外计算温度条件下,为保持室内计算温度,单位建筑面积在单位时间内需由锅炉房或其他供热设施供给的热量采暖设计热负荷指标q计算公式如下:q=Q/Ao(1)式中Q,Ao分别为冬季采暖通风系统的热负荷(W)和建筑面积(m2),且Q值应根据建筑物下列散失的获得的热量确定:1)围护结构的耗热量,包括基本耗热量和附加耗热量,且基本耗热量计算公式为Q1=Afk(tn-twn)(2)式中Q1、F、K、a、tn、twn分别表示围护结构的基本耗热量(W)、面积(m2)、传热系数[W/(m2?K)]、温差修正系数及冬季室内计算温度(℃)、采暖室外(℃)。
围护结构附加耗热量,包括朝向附加、风力附加、外门附加和高度附加,各项附加应按其占基本耗热量的百分比确定。
2)加热由门窗隙渗入室内的冷空气的耗热量旧设计规范中的计算公式为:Q2=acpρwnLlm(tn-twn)(3)式中Q2表示由门窗缝隙渗入室内的冷空气的耗热量(W)、a表示单位换算系数、cp表示空气的定压比热容[kJ/(kg/K)]、L表示在基准高度(10m)风压的单独作用一,通过每米门缝进入室内的空气量[m3/(m?h)]、l表示门窗缝隙的计算长度(m)、tn和twn与上同、ρwn表示采暖室外计算温度下的空气温度(kg/m3)、m 表示综合修正系数。
新设计规范中的计算公式为:Q2=0.28cpρwnL(tn-twn)(4)式中tn和twn、ρwn与上同,L表示渗透空气量(m3/h)、其计算公式如下:L=L0lmb(5)式中L0表示在基准高度(10m)风压的单独作用下,通过每米门缝进入室内的空气量[m3/(m/h)] 、表示门窗缝隙的计算长度(m)、m表示冷风渗透压差综合修正系数,b表示门窗缝渗风指数,b=0.56~0.78。
暖通计算公式暖通计算公式1. 室内空气负荷计算公式•公式:Q = V * r * (T2-T1) * c•解释:室内空气负荷计算公式用于计算空气调节系统需要处理的传热负荷,其中Q表示传热负荷,V表示空气体积流量,r表示空气密度,T2表示室内设计温度,T1表示室内实际温度,c表示空气比热容。
•示例:假设室内空气体积流量为1000 m³/h,密度为kg/m³,室内设计温度为25℃,实际温度为20℃,空气比热容为kJ/kg·℃,则传热负荷Q = 1000 * * * = 6015 kJ/h。
2. 空气绝对湿度计算公式•公式:X = * (e/(p-e))•解释:空气绝对湿度计算公式用于计算单位体积空气中所含有的绝对湿度,其中X表示空气绝对湿度,e表示水蒸气压,p表示大气压。
•示例:假设水蒸气压为10 kPa,大气压为100 kPa,则空气绝对湿度X = * (10/ = kg/kg。
3. 换气量计算公式•公式:V = A * n * H•解释:换气量计算公式用于计算空气调节系统中的换气量,其中V表示换气量,A表示房间面积,n表示换气次数,H表示每次换气的时间。
•示例:假设房间面积为50 m²,换气次数为3次/h,每次换气时间为20分钟,则换气量V = 50 * 3 * (20/60) = 50 m³/h。
4. 送风量计算公式•公式:V = Q / t•解释:送风量计算公式用于计算空气调节系统中的送风量,其中V表示送风量,Q表示传热负荷,t表示送风时间。
•示例:假设传热负荷为5000 kJ/h,送风时间为1小时,则送风量V = 5000 / 1 = 5000 m³/h。
5. 热负荷计算公式•公式:Q = U * A * (Ti - To)•解释:热负荷计算公式用于计算建筑物的传热负荷,其中Q表示传热负荷,U表示传热系数,A表示传热面积,Ti表示室内温度,To表示室外温度。
由于计算暖通负荷时受影响的因素很多,相关计算方法和理论也不尽相同,现结合公司员工现有知识结构总结如下:1、精确负荷计算专业负荷计算软件计算,一般计算结果都要考虑一定的安全系数K,K可取1.2。
2、负荷估算舒适性空调房间可按附件中的指标估算;工艺性空调房间按实际情况计算。
本公司经常遇到的项目为工艺性空调,一般实验室按面积估算:q=280w/m^2;(适用约顿机组,其他机组可取250w/m^2)即:Q=q*A;此时房间净高在2.6m左右,常规实验室为温度在20~25℃,相对湿度在50%~65%RH;房间面积包括机组送回风经过的区域,可理解为恒温恒湿区,缓冲间(尤其是大面积的缓冲间),机组间(回风用风管连接至机组,且机组保温良好的除外),其他功能区。
几种特殊情况的负荷估算:高大空间:若要求整个房间都要满足要求;q值不变,A值可按现有面积取一定系数Ka,Ka=h1/2.6;h1 高大房间高度m;高温房间:A不变,q值变小,Kq=(tw-tn)/15;取整;Tw 室外温度tn 室内温度若Tw高于当地夏季暖通计算干球温度,则制冷可选很小,制热量较大;若温度无精度要求可以去掉制冷。
低温房间:A不变,q值变大,Kq=(tw-tn)/15;取整;tn低于15℃时改变机组,必要时询问空调厂家。
此时空调选型和空调内部配置根据目标温湿度选取。
---拓展设计部2009-8-6附表:暖通行业常用估算资料一、建筑物冷负荷概算指标-------暖通空调专业学习资料----- 二、冷冻水和冷却水流量估算三、冷负荷种类估算四、冷库冷负荷概算指标五、人体新陈代谢速度表六、人体衣著的热阻Clo值UK南京拓展科技有限公司技术部-------暖通空调专业学习资料-----九、舒适性空调室内设计参数南京拓展科技有限公司技术部。
常用设计计算公式总热量:Unit:kcal/h1RT=3.5kw1P=2.324kw1kw=860kcal/h1k=4.27J1、QT=QS+QL空气冷却:QT=0.24*&*L*(h1-h2)QT-----空气的总热量 QS-----空气的显热量QL-----空气的潜热量 & -----空气的比重取1.2 kg/m3L -----室内总送风量M3/H h1 -----空气的初焓值kJ/kgH2 -----空气的终焓值kJ/kg2、显热量: Unit:kcal/hQS=Cp*&*L*(T1-T2)Cp ---空气的比热取0.24kcal/ kg T1 --空气最初的干球温度T2 -----空气最终的干球温度3、潜热量: Unit:kcal/hQL=600*&*L*(W1-W2)W1 ----空气最初水分含量kg/ kgW2 ----空气最终水分含量kg/ kg4、冷冻水量: Unit:L/SV1=Q1/4.187*(T1-T2)Q 1-----主机制冷量(KW), T1-T2 -----主机进出水温差5、冷却水量: Unit:L/SV2=Q2/4.187*(T1-T2)Q2=Q1+NQ2-----冷却热量KW T1-T2 -----主机冷却水进出水温度N -----制冷机组耗电功率KW6、电机满载电流计算: Unit:AFAL=N/1.732*U*COS@7、新风量: Unit:M3/HL0 =n*Vn -----房间换气次数 V -----房间体积8、送风量: Unit:M3/H空气冷却:L= QS/ Cp*&*(T1-T2)QS -----显热量kcal/h Cp ---空气的比热取0.24kcal/ kgT1 --空气最初的干球温度 T2 --空气最终的干球温度& -----空气的比重取1.2 kg/m39、风机功率: Unit:KWN1=L1*H1/102*n1*n2L1 -----风机风量(L/S) H1 -----风机风压(mH2O)n1 -----风机效率 n2-----传动效率,直联传动取1;皮带传动取0.910、水泵功率: Unit:KWN2=L2*H2*r/102*n3*n4L2 -----水流速(L/S) H2 -----水泵压头(mH2O)n3 -----水泵效率=0.7~0.85 n4 -----传动效率=0.9~1.0r -----液体比重(水的比重为1kg/l)11、水管管径: Unit:mmD=35.68*根号L2/ vL2 -----水流速(L/S) v -----水设计流速(m/s)12、空气加湿量: Unit:gR=LX*1.3*(h1-h2)LX -----新风量(m3/h) h1 -----室内设计温度下的焓值h2 -----室外最低状态下焓值(查焓墒图)设备风量设计:(概算)[ρ(设备功率)*860*0.8/0.29(空气比热)/5(温差)]+Q1+Q2=Q(送风量)Q1-----人的潜散所须风量Q2-----建筑所须风量照度软件计算如:300LUX高度:2.5M、2.7M、3.0M、4.0M、6.0M瓦特数(W/M2) 11.6、11.7、12.2、13.6、16.51kw=860kcal/h换气消耗量在室内的人需要每小时 30 CMH(m3/h)/人的新鲜空气.市内场所别所需的换气次数/小时住宅(客厅) : 1-3次, 住宅(寝室) : 1-2次学校(教室) : 6次, 学校(图书室) : 8次剧场: 5-8次, 办公室 : 6-10次, 医院 : 2次商场(店铺) : 6-10次, 餐厅(食堂) : 6-10次, 歌舞厅(夜总会) : 7-20次饭店(礼堂) : 6-12次, 饭店(厨房) : 20-60次, 饭店(房间) : 1-2次饭店(洗手间) : 5次室内空气计算参数:电动设备散热形成的冷负荷:1 .电动机和驱动设备均在房间内CLm =1000·n1·n2·n3· NM· CcL.M/η2 .电动机在房间内,驱动设备不在房间内CLm =1000·n1·n2·n3· NM· CcL.M(1- η)/η3 .电动机不在房间内,驱动设备在房间内CLm =1000 ·n1·n2·n3· NM· CcL.MNm--电动设备安装功率,kw;n1--同时使用系数;n2--安装系数,一般 0.7~0.9;n3--电动机负荷系数,一般 0.4~0.5 ;CcL.M--电动设备和用具的冷负荷系数,查表;空调供冷系统不连续运行,取1.0;食物的散热量和散湿量食物全热取17.4w/人;食物显热取8.7w/人;食物潜热取8.7w/人;食物散湿量取11.5g/h人。
由暴露水面或潮湿表面蒸发的水蒸气量G = (α+0.00013v)·(Pq.b – Pq)·A·B/B’G --散湿量,kg/h;A --敞开水面面积,m2;Pq.b --水表面温度下的饱和空气的水蒸气分压力,Pa;Pq--室内空气的水蒸气分压力,Pa;B--标准大气压,1.01325MPa;v --蒸发表面的空气流速,m/s;空调房间室内温度、湿度通常用两组指标来规定,即温度、湿度基数及其允许波动范围(空调精度)。
室内温、湿度基数:在空调区域内所需要保持的空气基准温度与基准湿度。
空调精度:在空调区域内,在要求的工件旁一个或数个测温(或测相对湿度)点上水银温度计(或相对湿度计)在要求的持续时间内,所示的空气温度(或相对湿度)偏离温(湿)度基数的最大偏差。
例如:温度:20±0.5℃;相对湿度:60%±5%空调系统根据所服务的对象不同可分为:工艺性空调和舒适性空调。
工艺性空调主要是满足工艺过程对温、湿度基数的特殊要求,同时兼顾人体的卫生要求。
舒适性空调是从人体舒适感的角度来确定室内温、湿度设计标准,一般不提空调精度的要求。
1、舒适性空调的室内空气计算参数《采暖通风与空气调节设计规格》(GB 50019—2003)规定,舒适性空调室内计算参数如下表所示。
注:实际工作中请参考现行的国家标准。
室内温、湿度取值的高低,与能耗多少密切相关,在加热工况下,室内计算温度每降低1℃,能耗可减少5% ~ 10%;在冷却工况下,室内计算温度每升高1℃,能耗可减少8% ~ 10%。
2、工艺性空调的室内空气计算参数工艺性空调根据工艺要求,并考虑必要的卫生条件来确定。
室外空气计算参数空调工程设计与运行中所用的一些室外气象参数人们习惯称之为室外空气计算参数。
室外气象参数就某一地区而已,有随季节变化、昼夜变化或者时刻在不断变化着,如全国各地大多数在7~8月份气温最高,而1月份气温最低;一天当中,一般在凌晨3~4点气温最低,而在下午14~15点气温最高。
室外空气计算参数的取值,直接影响室内空气状态和设备投资。
如果按当地冬、夏最不利情况考虑,那么这种极端最低、最高温、湿度要若干年才出现一次而且持续时间较短,这将使设备容量庞大而造成投资浪费。
因此,设计规范中规定的室外计算参数是按全年少数时候不保证内温、湿度标准而制定的。
当室内温、湿度必须全年保证时,应另行确定空气调节室外计算参数。
1、夏季室外空气计算参数(1)夏季空调室外计算干、湿球温度夏季空调室外计算干球温度采用历年不保证50h的干球温度;夏季空调室外计算湿球温度采用历年平均不保证50h的湿球温度。
(2)夏季空调室外计算日平均温度和逐时温度夏季在计算通过围护结构的传热量时,采用的是不稳定传热过程,因此必须知道设计日的室外平均温度和逐时温度。
夏季空调室外设计日平均温度采用历年平均不保证5天的日平均温度。
夏季通风室外计算温度:夏季空气调节室外计算干球温度:夏季空气调节室外计算湿球温度:2、冬季空调室外计算温、湿度的确定:冬季空调室外计算温度采用历年平均不保证1天的日平均温度;当冬季不使用空调设备送热风,而使用采暖设备时,计算围护结构的传热应采用采暖室外计算温度。
由于冬季室外空气含湿量远小于夏季,而且变化也很小,因此不给出湿球温度,只给出冬季室外计算相对湿度。
规定冬季空调室外计算相对湿度采用历年最冷月平均相对湿度。
空调房间负荷计算我国普遍采用的冷负荷计算方法主要有两种:冷负荷系数法、谐波反应法,一般采用冷负荷系数法。
建筑物的冷负荷一. 房间得热量的组成:a.通过围护结构传入室内的热量;b.通过外窗进入的太阳辐射热量;c.人体散热量;d.照明散热量;e.设备、器具、管道及其他热源的散热量;f.食物或物料散热量;g.各种散湿过程产生的潜热量;h.渗透空气带入室内得热量。
二.空调房间的冷负荷应根据各项得热量的种类和性质以及空气调节区的蓄热特性,分别进行计算。
通过围护结构进入的非稳态传热量、透过外窗进入的太阳辐射热量、人体散热量以及非全天使用的设备、照明灯具的散热量等形成的冷负荷,应按非稳态传热方法计算确定,不应将上述得热量的逐时值直接作为各相应时刻冷负荷的即时值。
计算围栏结构传热量计算围护结构传热量参见GB50736-2012《民用建筑供暖通风与空气调节设计规范》,表4.1.11。
外墙和屋顶,采用室外计算逐时综合温度:tzs =tsh+ ρJ /αwtzs--夏季空气调节室外计算逐时综合温度,℃;tsh--夏季空气调节室外计算逐时温度,℃;ρ--围护结构外表面对于太阳辐射热的吸收系数,《措施》 p49;J--围护结构所在朝向的逐时太阳总辐射照度,W/m2;αw--围护结构外表面换热系数,W/(m2*℃);室外温度逐时变化系数β见下表:计算围护结构传热量外墙和屋顶,采用室外计算逐时综合温度:tzs =tsh+ ρJ /αwt--夏季空气调节室外计算逐时综合温度,℃;zs--夏季空气调节室外计算逐时温度,℃;tshρ--围护结构外表面对于太阳辐射热的吸收系数,《措施》 p49; J--围护结构所在朝向的逐时太阳总辐射照度,W/m2;α--围护结构外表面换热系数,W/(m2*℃);w围护结构外表面换热系数αw室温波动范围大于或等于±1℃,非轻型外墙采用室外计算日平均综合温度 :t zp =t wp + ρJ p /αwt zp --夏季空气调节室外计算日平均综合温度,℃; t wp --夏季空气调节室外计算日平均温度,℃;J p --围护结构所在朝向太阳总辐射照度的日平均值,W/m 2; 计算围护结构传热量对于隔墙、楼板等内围护结构,邻室为非空调区时,采用邻室计算平均温度:t ls = t wp + Δ t ls 温度的差值 Δt ls ,℃ w1nt w1--外墙或屋顶的逐时冷负荷计算温度,℃;t w1 = t zs 室温波动范围大于或等于±1℃,非轻型外墙传热形成的冷负荷; CL=K F ( t zp – t n )外窗温差传热形成的逐时冷负荷:CL=K F ( t w1– t n ) t w1--外窗的逐时冷负荷计算温度,℃;t w1 = ts h对于邻室的夏季温差大于3℃时,计算隔墙、楼板等内围护结构传热形成的冷负荷:CL=K F ( t ls – t n )舒适性空调区,夏季可不计算通过地面传热形成的冷负荷。