华中数控铣床的对刀步骤【干货技巧】
- 格式:docx
- 大小:20.40 KB
- 文档页数:2
华中数控对刀操作方法
华中数控对刀操作方法包括以下几个步骤:
1. 确认机床位置:首先要确定机床的坐标原点位置,以及对刀用的工具放置位置。
2. 准备对刀工具:选择一把合适的对刀工具,如刀具孔径用量规、辅助定位器等。
3. 安装对刀工具:将对刀工具安装在主轴上,并进行刀具换刀动作(如果需要)。
4. 调整Z轴位置:使用手动操作方式,将主轴沿Z轴向上抬起,直到刀具完全脱离工件表面。
5. 进行对刀:使用手动操作方式,逐渐将主轴沿Z轴向下低于工件表面,并用量规或辅助定位器来检查刀具与工件之间的间隙。
根据需要,逐步调整主轴位置,直到达到所需的对刀位置。
6. 确认对刀结果:完成对刀后,使用简单的刀具切削试验来验证对刀的准确性。
以上是华中数控对刀操作的基本方法,不同的机床和数控系统可能有所不同,具体操作时请参考数控机床的操作手册。
数控铣床面板操作与对刀简介数控铣床是一种能够实现高精度铣削加工的机床设备。
它通过电子技术和计算机控制技术来实现对工件的精确切削。
在使用数控铣床进行加工操作时,正确的面板操作和对刀是至关重要的。
本文将介绍数控铣床面板操作的基本知识和对刀的步骤。
数控铣床面板操作数控铣床的面板上通常装有操作按钮、旋钮、显示屏等控制元件。
通过这些面板上的控制元件,我们可以对数控铣床进行各种操作。
开机与关机在使用数控铣床之前,首先要进行开机操作。
通常情况下,数控铣床面板上有一个开关按钮,通过按下开关按钮将数控铣床的电源打开。
同样,在不使用数控铣床时,我们也需要进行关闭操作。
按下开关按钮将数控铣床的电源关闭,以节省能源和延长设备寿命。
程序输入与编辑数控铣床一般通过输入或编辑程序来控制加工过程。
在面板上,通常有相关的操作按钮或旋钮用于程序输入和编辑。
程序输入程序输入是将加工程序输入到数控铣床中的过程。
数控铣床面板上通常有一个输入按钮或输入键,通过按下该按钮可以进入程序输入模式。
在程序输入模式下,我们可以通过面板上的键盘或其他输入设备将加工程序输入到数控铣床中。
程序编辑程序编辑是对已输入的程序进行修改或编辑的过程。
在数控铣床面板上,通常有相关的编辑按钮或编辑键,通过按下该按钮可以进入程序编辑模式。
在程序编辑模式下,我们可以对已输入的程序进行修改、添加或删除操作,以满足具体加工需求。
运行与暂停在数控铣床面板上,通常有运行按钮或运行键,通过按下该按钮可以启动加工程序的执行。
在加工过程中,有时我们可能需要进行暂停操作。
数控铣床面板上通常有一个暂停按钮或暂停键,通过按下该按钮可以使数控铣床暂停加工程序的执行。
喂进与步进喂进和步进是数控铣床常用的两种工作模式。
喂进喂进是让刀具按照一定速度和方向移动到指定位置的过程。
在数控铣床面板上,通常有一个喂进按钮或喂进键,通过按下该按钮可以启动喂进功能。
在喂进功能下,我们可以调节刀具的喂给速度和喂给方向,以实现精确的切削加工。
对刀方法
一、课前准备
1、检查学生人数、出勤、着装情况
2、复习上堂课所学内容
3、导入新课
二、组织教学
(一)、对刀
对刀:测量各刀的相对位置的过程。
(二)、对刀的基本方法
试切对刀法:
1、 T01刀(外圆刀)对刀
手动模式→试切工件端面→Z方向不动,沿X方向退出→→
出现图1,按将光标移至“试切长度”→输入0→按→T01刀Z轴对刀完毕。
图1
图2
试切外圆→X方向不动,沿Z方向退出→工具条中测量直径(假设测量
得直径φ96.17)→→出现图2,按将光标移至“试切直径”→输入测量的直径96.17→T01刀(外圆刀)X方向对刀完毕。
2、T02刀(割刀)对刀
换T02刀(割刀)→碰工件端面→Z方向不动,沿X方向退出→→
出现图5,按将光标移至“试切长度”→输入0→→T02刀Z轴对刀完毕。
图3
图4
试切外圆→X方向不动,沿Z方向退出→工具条中测量直径(假设测量得直径φ95.67)→→如图3,按将光标移至“试切直径”→输入测量的直径X95.67→→T02刀(割刀)X方向对刀完毕。
数控铣床对刀的步骤与方法数控铣床对刀的步骤与方法1、首先对z轴对刀:将主轴上刀上相应的刀具——手动方式下启动主轴——用JOG方式和V AR方式让刀具正好停在工作的上表面上——记下此进机床坐标系下Z轴的坐标值。
2、再对Y轴进行对刀:将刀具向X轴向的工件外边缘上靠——用JOG方式和V AR方式让刀具正好停在X方向的工件外边缘上——记下此时的坐标值——将坐标值加上刀具的半径值。
3、再对X轴进行对刀:将刀具向Y轴向的工件外边缘上靠——用JOG方式和V AR方式让刀具正好停在Y方向的工件外边缘上——记下此时的坐标值——将坐标值加上刀具的半径值。
4、将上述XYZ的坐标输到参数的零点偏置的G54下。
5、验证对刀是否正确:选用MDA工作方式——输入程序段“G54 G0 X0 Z0”——看是否刀具停在编程坐标称的原点位置。
主程序XING.MPFN01 G54 建立工件坐标系N02 G0G94G90F200S300M3T4D1 确定工艺参数N03 X60Y40Z5 设定钻削循环参数N04 R101=5R102=2R103=9R104=-17.5R105=2 调用钻削循环N05 LCYC82N06 M6T01 换刀N07 R116=60R117=40R118=60R119=40N08 R120=8 R121=4 R122=120 R123=300N09 R124=0.75 R125=0.5 R126=2 R127=1N10 LCYC75 调用加工循环N11 M2 程序结束G54G90G94M03S1200M6T1G0Z100X0 Y0G0Z10R101=10.000 R102=5.000R103=0.000 R104=-17.500R116=0.000 R117=0.000R118=100.000 R119=80.000 R120=8.000 R121=1.000R122=100.000 R123=1000.000 R124=0.100 R125=0.100R126=2.000 R127=1.000 LCYC75G0Z100M30。
华中数控系统对刀2简介华中数控系统(HNC)是中国制造业领域最常用的数控系统之一。
在数控加工中,对刀是一个至关重要的环节,它涉及到工件与刀具之间的准确对位,直接影响加工质量和效率。
本文将介绍华中数控系统中的对刀方法,帮助操作者更好地掌握对刀技巧。
1. 准备工作在进行对刀操作之前,首先要进行一些准备工作以确保对刀的准确性。
1.1 确认工件材料和尺寸在进行对刀操作之前,需要确认工件的材料和尺寸。
根据不同的材料和尺寸,选择合适的刀具和切削参数。
1.2 确认刀具材料和尺寸刀具的材料和尺寸也需要在对刀操作之前确认。
根据材料的硬度和加工要求,选择合适的刀具,并确保刀具没有损伤或磨损。
1.3 设置刀具补偿值根据刀具的尺寸,需要在数控系统中设置刀具的补偿值。
补偿值的设置可以根据数控系统的不同而有所不同,一般可以通过手动输入或者使用测量仪器进行自动测量。
2. 对刀操作步骤接下来,将介绍华中数控系统中的对刀操作步骤。
对刀操作主要包括测量工件和刀具的尺寸,并进行刀具补偿值的设置。
2.1 测量工件尺寸首先,需要使用合适的测量工具(如千分尺或游标卡尺)来测量工件的尺寸。
对于平面工件,可以测量其长度、宽度和厚度。
对于曲面工件,可以使用曲面测量仪进行测量。
2.2 测量刀具尺寸接下来,需要测量刀具的尺寸。
使用刀具测量仪或者刀具预调器来测量刀具的直径、长度和切削长度。
2.3 设置刀具补偿值在测量完工件和刀具的尺寸之后,需要在数控系统中设置刀具的补偿值。
在华中数控系统中,可以通过以下步骤来设置补偿值:1.进入数控系统的设置界面。
2.找到刀具补偿值设置选项。
3.输入测量得到的刀具尺寸。
4.确认设置并保存。
3. 对刀操作技巧除了上述的对刀操作步骤之外,还有一些技巧可以帮助操作者更好地进行对刀操作。
3.1 使用合适的测量工具选择合适的测量工具可以确保对刀的准确性。
对于细小的尺寸测量,可以使用千分尺或者游标卡尺。
对于大尺寸的测量,可以使用测量尺。
华中数控对刀过程(配图版)1、开机。
(总电源总闸,机床后侧电闸)2、机械回零。
(开机必须回零,否则运行程序时会报警)方法:预先用手轮将刀具停放在工件的中心正上方略高位置,按[回参考点]→按[+Z]→按[+X]→按[+Y]→机床一般会先快递再慢速接近回零位置→耐心等待[+Z][+X][+Y]零点灯全部亮起则完成回零工作。
3、对刀:1)对X轴:步骤刀具位置机床面板第一步:[手轮]灯亮用手轮用X100档将铣刀移近工件左侧,再用X10档碰触注意有铝屑飞出即可。
第二步:X相对坐标清零[设置F5]→[相对清零F8]→[x轴清零F1] →[F10返回]第三步:将铣刀+Z提起,并移到工件右侧,同第一步方法碰触。
第四步:观察此时相对坐标x的数值(如右图中为120。
443),将这个数除以2就是x轴原点。
用手轮将移铣刀至这个数(图中例就是移到60.221)处。
第五步:X坐标清零确定.按[x轴清零F1],可见x相对实际坐标变成零。
2)同样方法对Y轴:碰后侧Y清零,碰前侧读数,移至除2处,再将Y清零。
3)对Z轴:第一步:[增量]灯亮用手轮将铣刀下移贴住工件上表面.第二步:Z相对坐标清零确定.4)G54抄数:按[坐标系设定F1]→[G54坐标系F1]→进入自动坐标系G54画面。
在坐标值中输入机床坐标系中的XYZ数值后enter回车。
5)G54确定。
按两次[返回F10]进入主菜单画面.按[MDI F3]进入“MDI运行画面”.按[单段]按钮灯亮,在“MDI 运行”中输入“G54”按循环启动按钮。
则对刀完成。
此时可按[返回F10]进入主菜单画面,再[显示切换F10],观察机床现在的机床坐标全部变成0.如下图所示:6)对刀校验。
第一步,用手轮摇开铣刀(随意远离位置)。
第二步,在主菜单画面。
按[MDI F3]进入“MDI运行画面”。
按[单段]按钮灯亮,在“MDI运行"中输入“G1X0Y0F500”按循环启动按钮。
按[循环启动]。
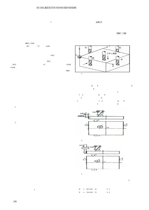
290管理科学与工程技术GUANLIKEXUEYUGONGCHENGJISHU华中世纪星HNC -21M 铣床数控装置采用先进的开放式体系结构,内部集成工业专用PC 机,配置7.7寸彩色LCD 显示器和通用工程面板,具备全汉字操作界面、故障诊断与报警装置、多种形式的图形加工轨迹显示和仿真装置,操作简便,易于掌握和使用。
该数控装置集成进给轴接口、主轴接口、手持单元接口、内嵌式PLC 接口于一体,还可自由选配各种类型的脉冲接口、模拟接口的交流伺服单元或步进电机驱动器。
装置内部已提供标准铣床控制的PLC 程序,用户也可自行编制PLC 程序。
该数控装置采用国际标准G 代码编程,与各种流行的C AD/CAM 自动编程系统兼容,具有直线插补、圆弧插补、螺纹插补、刀具补偿、宏程序等功能,支持硬盘、电子盘等程序存储方式,可通过DNC 、以太网进行程序交换,具有价格低、性能高、配置灵活、结构紧凑、易于使用、可靠性高等特点。
一、对刀的基本概念在数控机床的实际加工中,工件的轮廓形状千差万别、各式各样。
为了要加工出满足要求的工件,就要求加工中所使用的刀具中心轨迹准确地依照工件的轮廓形状生成。
通常情况下,程序的编程轨迹为零件的外形轮廓轨迹,而加工时要把这种轨迹转化为相应刀具的切削刃轨迹,这个过程就是对刀过程。
对刀就是根据加工前操作者输入的刀具参数,包括半径参数和长度参数,使刀架相关点相对于编程轨迹进行偏移,把编程轨迹转化为刀架相关点的运动轨迹的过程。
1、刀位点刀位点是加工中表示刀具位置的点,刀具通过此点与实际的工件轮廓建立联系,所以实际使用的刀具都有自己的刀位点。
比如:平头铣刀的刀位点为端面中心、球头铣刀的刀位点为球心、钻头则为钻尖。
2、对刀操作对刀操作就是操作者对数控机床进行的一系列动作,目的是使刀位点在加工时能严格与编程轨迹重合。
所以对刀操作是数控加工中的主要操作,结合具体的数控机床操作说明书掌握有关对刀操作的方法和技巧,具有非常重要的意义。
详述数控铣床的对刀流程
数控铣床对刀流程主要包括以下步骤:
1. 回参考点:开机后,首先运行机床回到各轴的机械原点,建立机床坐标系。
2. 刀具安装:将刀具正确安装在主轴上,确保刀具夹持牢固且跳动小。
3. X/Y/Z轴对刀:手动移动刀具靠近工件表面,轻微触碰并记录当前坐标值,然后退刀,计算刀具长度补偿值,设定刀具长度补偿参数。
4. Z轴对刀:通常采用试切法,通过切削工件表面一小段距离,测量切削后的尺寸,计算并设定Z轴的刀具补偿值。
5. X/Y轴对刀:使用寻边器或试切法确定工件坐标系原点,通过移动刀具找到工件边缘或设定的对刀点,记录坐标值,然后根据程序设定调整工件坐标系。
6. 参数设置与验证:输入相应刀具参数,执行试运行程序,通过切削结果验证对刀精度,如有误差,需微调并对刀,直至达到要求
精度。
内容来源网络,由“深圳机械展(11万㎡,1100多家展商,超10万观众)”收集整理!更多cnc加工中心、车铣磨钻床、线切割、数控刀具工具、工业机器人、非标自动化、数字化无人工厂、精密测量、数控系统、3D打印、激光切割、钣金冲压折弯、精密零件加工等展示,就在深圳机械展.更多工量具的常规事项展示,就在深圳机械展-刀具展区!摘要:对刀是数控机床操作人员需要熟练掌握的基本操作技能之一,常规的精确对刀方法需借助专用仪器进行对刀。
除运用专用仪器进行准确对刀外,也可借助常规的工量具进行准确对刀。
本文介绍了针对圆柱形工件和长方体工件,借助百分表进行X、Y方向准确对刀和借助刀柄进行Z方向准确对刀的原理和方法,以期能给数控铣床操作者带来启发和借鉴。
对刀是数控机床操作的基础,是每一位从事数控加工的人员必须熟练掌握的最基本技能。
数控铣床对刀通常有试切法对刀和借助专用的对刀仪器对刀两种基本方法。
试切法对刀是指用刀具在工件表面上直接试切而得到相关坐标值的方法,适用于尚需加工的毛坯表面或加工精度要求较低的场合。
借助仪器对刀通常是指借助光电式寻边器、机械式偏心寻边器等专用仪器进行X 和Y 方向的对刀,借助对刀块或Z 轴设定器进行Z方向的对刀,这种对刀方法精度较高,一般能够控制在0.005mm 之内,是经过精加工的毛坯表面对刀时采用的基本方法。
专用对刀仪器价格高且容易损坏,在对刀仪器损坏或者没有这些专用对刀仪器的情况下,应如何进行精确对刀呢?本文对此进行了一些有益的探索,借助常规的工具量具,比如百分表、刀柄等也可实现数控铣床的准确对刀。
1. 借助百分表实现X 、Y 方向的精确对刀(1)圆柱形工件的对刀方法先将百分表安装在百分表支架上,再将磁力表座吸附到机床主轴上,用手轮调整Z轴,使百分表触头接近工件上表面。
然后用手转动机床主轴,百分表的测量触头就画出一个圆,用手轮调整至百分表画出的圆的圆心和毛坯的圆的圆心大概接近,直径大体相等即可。
华中世纪星数控铣床对刀
操作步骤:以“数控铣实训-垫块
(O0200、O0201)”为例。
有关信息
零件名称:数控铣实训—垫块刀具:T01
程序号:主程序O0200/子程序O0201 对刀:自动对刀、试切对刀
毛坯:120×120×30 工件坐标系设定: 在工件上端面中心一、FANUC 0-MDⅡ系统数控铣床设置工件零点的几种方法:
1.自动对刀
2.直接用刀具试切对刀
1)X方向对刀
手动模式→试碰工件端面→→
如图3:
输入当前Z坐标值→→T01刀Z轴对刀完毕。
试碰工件左端面→用纸记下坐标(假设为-466)→试碰工件右端面→用纸记下坐标(假设为-334)→将两坐标相加的一半为X
α(假设为(-466+(-334))/2= -400)→
→→输入当前Xα
值(假设为-400)→→T01刀X方向对刀完毕。
2)Y方向对刀
试碰工件前端面→用纸记下坐标(假设为-266)→试碰工件后端面→用纸记下坐标(假设为-134)→将两坐标相加的一半为Y α(假设为(-266+(-134))/2= -200)→
→→输入当
前Yα值(假设为-200)→→T01刀Y方向对刀完毕。
3) Z轴对刀
数控铣床Z轴对刀时,采用的是实际加工时所要使用的刀具来完成对刀。
选择刀具直接装刀(如选φ12、长120的平底铣刀,),手动方式下将刀具靠近工件上表面,记下此时的Z坐标值Z1=-135,则工件坐标系原点的Z坐标值为Z1=-135。
在G54坐标系中输入Z=-135值。
把当前坐标X、Y、Z 输入G54~G59。
华中数控对刀过程(配图版)1、开机。
(总电源总闸,机床后侧电闸)2、机械回零。
(开机必须回零,否则运行程序时会报警)方法:预先用手轮将刀具停放在工件的中心正上方略高位置,按[回参考点]→按[+Z]→按[+X]→按[+Y]→机床一般会先快递再慢速接近回零位置→耐心等待[+Z][+X][+Y]零点灯全部亮起则完成回零工作。
3、对刀:2)同样方法对Y轴:碰后侧Y清零,碰前侧读数,移至除2处,再将Y清零。
3)对Z轴:第一步:[增量]灯亮用手轮将铣刀下移贴住工件上表面。
第二步:Z相对坐标清零确定。
4)G54抄数:按[坐标系设定F1]→[G54坐标系F1]→进入自动坐标系G54画面。
在坐标值中输入机床坐标系中的XYZ数值后enter回车。
5)G54确定。
按两次[返回F10]进入主菜单画面。
按[MDI F3]进入“MDI运行画面”。
按[单段]按钮灯亮,在“MDI运行”中输入“G54”按循环启动按钮。
则对刀完成。
此时可按[返回F10]进入主菜单画面,再[显示切换F10],观察机床现在的机床坐标全部变成0。
如下图所示:6)对刀校验。
第一步,用手轮摇开铣刀(随意远离位置)。
第二步,在主菜单画面。
按[MDI F3]进入“MDI运行画面”。
按[单段]按钮灯亮,在“MDI运行”中输入“G1X0Y0F500”按循环启动按钮。
按[循环启动]。
这时刀具就会自动定位至工件中心正上方。
再输入Z6,按[循环启动],停下主轴,用φ6通过一下。
看Z位置是否相符。
华中数控超程解除的方法:华中数控的Z轴行程开关很低,所以Z轴较易超程。
华中数控,机床超程后,会出现“急停”字样。
解决方法是:按[超程解除]键,等“急停”字样变成“复位”后,按住的[超程解除]键同时,转换成手动状态,再同时按住[起程解除]键和方向键(如-Z),直到超程解除。
超程后不需重新对刀,刀具的坐标位置是正确的。
关机,再开机也不需要重新对刀。
我校的华中数控存在的问题:1、面铣程序不可以走圆角,否则程序校验时出错一般显示为“XX行圆弧数据错”。
数控铣床的对刀流程在现代制造业中,数控铣床以其高精度和高效率成为了加工复杂零件的关键设备。
对刀作为连接数控编程与实际加工的桥梁,其准确性直接影响到加工质量。
对刀是为了确定刀具的初始位置,即刀具相对于工件坐标系的位置关系。
这一过程确保了数控系统能够准确控制刀具路径,按照预定的程序进行加工。
就像裁缝在裁剪衣物前需要量取尺寸一样,对刀是为了让数控铣床“知道”刀具和工件的准确位置。
对刀流程通常包括以下几个关键步骤:1. 准备工作:在启动机床之前,需要检查机床状态、清洁工作台,并确保没有残留的切屑或冷却液。
然后,将工件固定在工作台上,并确保其位置合适,不会干扰刀具的运动。
同时,准备好所需的刀具,并对刀具进行检查,确认无损坏或磨损过度。
2. 安装刀具:将选定的刀具安装到刀库中,并确保刀具固定牢靠。
在刀具更换过程中,务必遵循操作规程,以防止刀具或刀库损坏。
3. 设定工件坐标系:在数控系统中设定工件坐标系,这是对刀的基础。
通常,我们将工件的一个角或者表面作为坐标系的原点,所有加工尺寸都是基于这个坐标系来确定的。
4. 手动对刀:启动机床手动操作模式,缓慢移动主轴至接近工件表面。
使用手轮操作,微调主轴位置,使刀具轻轻接触工件表面。
记录此时的机床坐标值,这个值就是刀具相对于工件坐标系的位置。
对于圆形刀具,还需要确定刀具的半径补偿。
5. 自动对刀:在有些高端数控铣床上,配备了自动对刀仪。
这时,操作员只需将刀具靠近自动对刀仪,机床会自动完成对刀过程,并记录刀具的长度和直径等参数。
这种方式提高了对刀的效率和精度。
6. 输入刀具参数:将对刀得到的参数输入到数控系统中,这些参数包括刀具长度补偿和刀具半径补偿。
这些参数会被数控系统用于计算刀具路径。
7. 校验对刀结果:在输入刀具参数后,可以进行一个简单的试削,以检验对刀的准确性。
如果发现加工路径有偏差,需要重新进行对刀操作。
8. 开始加工:一旦确认对刀无误,即可启动数控程序开始加工。
华中系统数控铣床操作步骤第一篇:华中系统数控铣床操作步骤数控铣床操作步骤华中系统:开机:旋起机床总电闸→按下机床电源按钮→等待机床启动→旋起机床急停按钮(注意华中机床的急停按钮有两个,一个在面板上,一个在手轮上)回零:按下回零键→分别对Z、X、Y三轴回零(如果不能回零,检查机床坐标轴是否超程)→机床报警解除对刀:1、主轴正转(按下MDI按钮→输入M03 S400→按ENTER确定键→按下自动→按下循环启动铵钮→主轴正转)。
2、对Z轴在手轮方式下移动铣刀沿z方向靠近工件上表面边,直到铣刀端刃轻微接触到工件表面,听到刀刃与工件表面的摩擦声。
记住此时不要移动主轴的位置,按“F5(设置)→F1(坐标系设定)→按显示切换键切换至坐标显示面板→把此时显示的机床坐标值Z分别输入到F1(G54设定)与F7(工件坐标系设定)中。
如图所示Z向对刀示意图注意:刀具与工件接触一定要使刀具旋转起来,刀具没有旋转是不能接触工件的。
3、X、Y轴轴对刀:控制机床运动,使刀具与毛坯左侧垂直边缘相切如图所示,(在手轮方式下移动铣刀沿X方向靠近工件左边,直到铣刀周刃轻微接触到工件表面,听到刀刃与工件表面的摩擦声(或有铁屑飞出→记录此时显示的机床坐标值X1→把刀具移动到工件别一侧,接触工件侧边→记录此时显示的机床坐标值X2→然后通过计算(X1+X2)/2所得的值输入到F5(设置)下的F1(G54设定)与F7(工件坐标系设定)中)。
+Z方向抬刀。
用同样的方法试切工件前后面找到Y轴的坐标输入F5(设置)下的F1(G54设定)与F7(工件坐标系设定)中,到此时水平坐标系就确定了。
如图所示。
对刀示意图对刀验证:MDI输入:G54 G90 M03 S500 G01 X0 Y0 Z20 F200 按下自动,循环启动,验证对刀调程序:在主菜单中按F1(程序)→选择O0001→按ENTER键确定工件加工:按下自动键→按下循环启动→机床运动注意事项:1、在对刀过程中,对刀输入的计算值是机床坐标值。
实训(二) 华中世纪星教学型数控铣床的对刀操作及基本编程一.实验目的1) 掌握数控铣床手动试切法对刀的工作原理及基本步骤;2) 掌握加工零件的对刀操作,了解用G92与G54~G59指令对刀操作的异同点;3) 编制铣平蜡模上表面的加工程序,掌握在HNC-21M 数控铣系统输入该程序进行校验、仿真和自动加工的基本操作。
二.实验设备和工具1)华中世纪星(HNC-21M )数控系统的ZJK7532A 立式钻铣床2)蜡模:180×120×503)圆柱铣刀φ12一把三.数控铣床手动试切法对刀的基本原理数控机床的机床坐标系是唯一固定的,CRT 显示的是切削刀刀位点的机床坐标,但为计算方便和简化编程,在编程时都需设定工件坐标系,它是以零件上的某一点为坐标原点建立起来的X-Y-Z 直角坐标系统。
因此,数控铣床对刀的实质是确定随编程变化的工件坐标系程序原点(工件零点)的机床坐标。
程序原点应尽量选在工件顶面,以提高被加工零件的加工精度。
如图2—1,对于坐标尺寸标注的零件,程序原点应该设在尺寸标注的基准点。
如图2—2,对于对称标注的零件,程序原点应该设在对称中心线或圆心上。
确定方形工件程序原点的机床坐标的方法:1) 方形工件,程序原点在顶面中心,毛坯四侧有较多的加工余量,粗略对齐方法:先用直尺和划针在毛坯表面划出方形对角线的交点,机床回零,主轴正转,用点动+步进方式,让铣刀中心在X 、Y 、Z 三个方向大致对准毛坯顶面对角线交点,则此时CRT 显示的坐标为程序原点的机床坐标。
2)方形工件,程序原点在方形顶面的一个角点,如左角点A ,毛坯四侧有较多的加工余量,准确对齐方法:机床回零→主轴正转→将刀具下降到低于蜡模上表面处→Y 方向手动控制刀具边缘从工件前端移动切入工件左侧面,记录CRT 显示不变的X 坐标→X 方向手动控制刀具边缘从工件左端移动切入工件前侧面,记录CRT 显示不变的Y 坐标→Z 方向手动控制刀具底部接触蜡模上表面,从CRT 读取Z 坐标并记录→根据记录的X 、Y 、Z 坐标,计算出程序原点A 的机床坐标,即X A =X+R ;Y A =Y+R ;Z A =Z (R 为铣刀半径)。
数控铣床的对刀流程在现代制造业中,数控铣床以其高效、精准的加工性能而备受青睐。
对刀作为数控铣削加工前的关键步骤,其准确性直接影响到加工精度和效率。
对刀过程是指标定刀具在机床坐标系中的位置,以便数控系统能够根据程序的指令精确控制刀具路径。
这就好比艺术家在画布上定位自己的笔触,准确无误才能创作出完美的艺术作品。
流程一:准备工作。
在开始对刀之前,需要确认机床已经过预热并处于稳定的工作状态,同时检查刀具是否完好无损且正确安装。
接着,清洁工作台面,确保没有残留物质干扰对刀精度。
此时,可以将工件固定在工作台上,并确保其位置适宜进行对刀操作。
流程二:设定参考点。
在数控铣床上,通常将工件的一个角落设定为参考点。
使用机床的手动操作将刀具移动至此参考点上方,并在机床系统中记录下该点的坐标值。
这相当于在地图上标记了起点,为后续的行程提供了参照。
流程三:接触式对刀。
开启机床的主轴旋转功能,选择合适的速度,并缓缓下降刀具直至轻轻触碰工件表面。
这一接触瞬间会因为切削力的突变而被系统检测到,从而记录下此时的Z轴坐标值。
这个环节需要操作者如同雕塑家打磨作品一般精细谨慎,以确保数据的准确性。
流程四:非接触式对刀。
如果设备支持非接触式对刀,如利用激光或光学传感器等先进方法,操作者只需将刀具移至接近工件表面的适当位置,然后启动非接触对刀装置。
装置会自动测量并记录刀具与工件表面的距离,从而获得Z轴坐标值。
这一方式如同利用先进的遥感技术来探测地形,提高了操作的效率和安全性。
流程五:X、Y轴的确定。
完成Z轴坐标的定位后,接着通过同样的接触或非接触方式来确定X轴和Y轴的坐标值。
操作者需沿X、Y轴方向移动刀具,使其与工件的另一侧接触或被非接触式传感器检测到,记录对应的坐标值。
这相当于在绘制平面图时量取不同轴线的长度。
流程六:输入坐标值。
将所有测得的坐标值输入到数控系统中,设置好工件坐标系。
这些数值将被数控系统用来控制刀具的运动轨迹,确保加工过程中刀具能够精确到达程序指定的每一个位置。
华中数控铣床的对刀步骤
内容来源网络,由“深圳机械展(11万㎡,1100多家展商,超10万观众)”收集整理!更多cnc加工中心、车铣磨钻床、线切割、数控刀具工具、工业机器人、非标自动化、数字化无人工厂、精密测量、3D打印、激光切割、钣金冲压折弯、精密零件加工等展示,就在深圳机械展.
在数控加工中,工件坐标系确定后,还要确定刀具的刀位点在工件坐标系中的位置。
即常说的对刀问题。
数控机床上,目前,常用的对刀方法为手动试切对刀。
1.数控车床的对刀
数控车床对刀方法基本相同,首先,将工件在三爪卡盘上装夹好之后,用手动方法操作机床,具体步骤如下:
1)回参考点操作
采用ZERO(回参考点)方式进行回参考点的操作,建立机床坐标系。
此时CRT 上将显示刀架中心(对刀参考点)在机床坐标系中的当前位置的坐标值。
2)试切对刀
先用已选好的刀具将工件外圆表面车一刀,保持X向尺寸不变,Z向退刀,按设置编程零点键,CRT屏幕上显示X、Z坐标值都清成零(即X0,Z0);然后,停止主轴,测量工件外圆直径D。
如图2所示。
再将工件端面车一刀,当CRT上显示的X坐标值为-(D/2)时,按设置编程零点键,CRT屏幕上显示X、Z坐标值都清成零(即X0,Z0),系统内部完成了编程零点的设置功能。
3)建立工件坐标系刀尖(车刀的刀位点)当前位置就在编程零点(即工件原点)上。
内容来源网络,由“深圳机械展(11万㎡,1100多家展商,超10万观众)”收集整理!更多cnc加工中心、车铣磨钻床、线切割、数控刀具工具、工业机器人、非标自动化、数字化无人工厂、精密测量、3D打印、激光切割、钣金冲压折弯、精密零件加工等展示,就在深圳机械展.。