精益生产管理制度最新之欧阳光明创编
- 格式:doc
- 大小:166.51 KB
- 文档页数:19
精益生产名词解释欧阳光明(2021.03.07)一、何为精益生产?精益生产管理,是一种以客户需求为拉动,以消除浪费和不断改善为核心,使企业以最少的投入获取成本和运作效益显著改善的一种全新的生产管理模式。
它的特点是强调客户对时间和价值的要求,以科学合理的制造体系来组织为客户带来增值的生产活动,缩短生产周期,提高质量,从而显著提高企业适应市场万变的能力。
精益生产管理就是控制浪费、降低成本的最有效的一种生产管理方式。
二、什么叫八大浪费八大浪费是定义工厂在JIT生产方式中的,其浪费的含义与社会上通常所说的浪费有所区别。
对于JIT来讲,凡是超出增加产品价值所必需的绝对最少的物料、设备、人力、场地和时间的部分都是浪费。
因此,JIT生产方式所讲的工厂的浪费归纳为八大种,分别是:不良、修理的浪费,过分加工的浪费,动作的浪费,搬运的浪费,库存的浪费,制造过多过早的浪费,等待的浪费和管理的浪费,简称为八大浪费。
三、何为6S6S 起源于日本,指的是在生产现场中将人员、机器、材料、操作方法等生产要素进行有效管理,它针对企业中每位员工的日常行为方面提出要求,倡导从小事做起,力求使每位员工都养成事事“讲究”的习惯,从而达到提高整体工作质量的目的。
6S就是整理(SEIRI)、整顿(SEITON)、清扫(SEISO)、清洁(SEIKETSU)、素养(SHITSUKE)、安全(SAFETY)六个项目,因均以“S”开头,简称6S。
四、价值流价值流是指从原材料转变为成品的物料、信息流、时间流等,并给它赋予价值的全部活动,包括从供应商处购买的原材料到达企业,企业对其进行加工后转变为成品再交付客户的全过程,企业内以及企业与供应商、客户之间的信息沟通形成的信息流也是价值流的一部分。
一个完整的价值流包括增值和非增值活动,如供应链成员间的沟通,物料的运输,生产计划的制定和安排以及从原材料到产品的物质转换过程等。
五、团队和团队建设团队是指为了实现某一目标而由相互协作的个体所组成的正式群体。
丰田模式:精益制造的14项管理原则01丰田的精益管理自问世以来,为丰田节省了大量成本,同时也提供了产品的质量保障,受到众多生产企业的争相模仿。
究竟丰田模式有着怎样的基本原则呢?又是否普遍使用于其他企业呢?【关键词】丰田精益管理模式第一类:长期理念原则1:管理决策以长期理念为基础,即使因此牺牲短期财务目标也在所不惜。
•企业应该有一个优先于任何短期决策的目的概念,使整个企业的运作与发展能够相互呼应,朝向这个比赚钱更重要的共同目的迈进。
了解你公司的历史地位,设法使公司迈向下一个阶段。
企业理念的使用是所有其他原则的基石。
•起始点应该是为顾客、社会、经济创造价值。
评估公司每个部门实现此目的的能力。
•要有责任感。
努力决定自己的命运,依靠自己,相信自己的能力。
对自己的行为、保持与提高创造价值的技能等负起责任。
第二类:正确的流程方能产生正确成果原则2:建立连续的作业流程以使问题浮现。
•重新设计工作流程,使其变成创造高附加价值的连续流程。
尽力把所有工作计划中闲置或等候他人工作的时间减少到零。
•建立快速输送材料与信息的流程,使流程与人员紧密地联结在一起,以便立即浮现问题。
•使整个企业文化重视流程,这是促成真正的持续改善及员工发展的关键。
原则3:使用拉动式生产方式以避免生产过剩。
•在生产流程下游的顾客需要的时候,供应给他们正确数量的正确东西。
材料的补充应该由消费量决定,这是准时生产的基本原则。
•使在制品及仓库存货减至最少,每项产品只维持少量存货,根据顾客实际领取的数量,经济地补充存货。
•按顾客的需求每天变化,而不是依靠计算机的时间表与系统来追踪浪费的存货原则4:使工作负荷平均(生产均衡化),工作应该像龟兔赛跑中的乌龟一样。
•杜绝浪费只是实现精益所必须做的工作的1/3。
避免员工与设备的工作负荷过重,以及生产安排的不均匀,也同等重要,但多数试图实行精益原则的企业并不了解这些。
•尽量使所有制造与服务流程的工作负荷平均化,以取代大多数公司实行的批量生产方法中经常启动、停止,停止、启动的做法。
一、什么是精益生产?二、为什么要推行精益生产?三、如何推行精益生产?四、推行中会遇到哪些问题?五、如何才能成功实施精益生产?一、什么是精益生产?精益生产是一种通过消除企业所有运营环节上的浪费,来达到缩短生产周期,提升效率,改善质量,降低成本和满足客户需求等目的的科学的方法。
精益生产是以客户需求为起点,通过5S管理、IE(工业工程)改善、TPM改善生产现场,利用准时化生产(Just In Time,简称JIT)改善生产线,依靠“自恸化”、TQM、六西格码改善质量,强调质量是生产出来的,而非检验出来的,在产品质量上追求尽善尽美,消除一切浪费,降低成本,向零缺陷、零库存进军,用最少的投入实现最大的产出,实现利润最大化。
精益生产力求实现多品种、小批量、高质量、准交期的低成本生产,被称为工业界的第二次革命和21世纪的标准生产方式。
二、为什么要推行精益生产?中国企业与世界先进企业之间的差距,主要不在於生产设备等方面,关键在于管理和生产方式,国内很多成功企业的经验也证明了这一点。
所以如何采用先进的管理技术和生产方式,成为当前绝大多数国内企业的当务之急,而精益生产则是解决企业目前生存与发展问题的妙药良方。
精益生产主要研究时间和效率,消除一切浪费,追求精益求精和不断改善,去除生产环节中一切无价值的东西,每个工人及其岗位的安排原则是必须增值,撤除一切不增值的岗位;精简产品开发设计、生产、管理中一切不产生附加值的工作。
精益生产注重提升系统的稳定性,50多年来精益生产的成功案例已证实,精益生产可以:◆提高效率:生产效率、时间效率、作业效率、设备效率、流程效率、搬运效率等。
◆降低成本:运营成本、时间成本、人工成本、材料成本、辅料成本、管理成本、设备投资及折旧成本等。
◆提高与保证产品质量和生产安全。
◆降低库存资金、加速企业资金流以达到企业资金效益最大化。
◆缩短采购周期、生产周期、交货周期以达到灵活对应市场需求、提升企业核心竞争力。
*欧阳光明*创编 2021.03.07
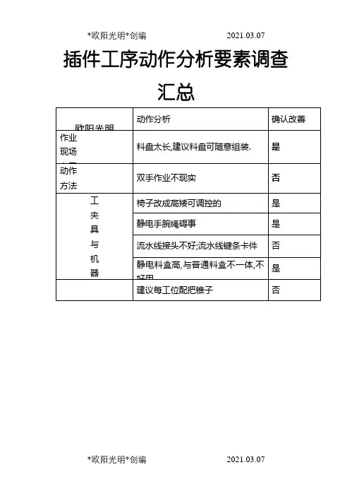
插件工序动作分析要素调查
汇总
*欧阳光明*创编 2021.03.07
汇总动作改善提案问题分析
*欧阳光明*创编 2021.03.07
一、料盘改成随意组装可减少作业空间的占用并减小动作距离
二、椅子改成高矮可调控可减轻身体疲劳
*欧阳光明*创编 2021.03.07
*欧阳光明*创编 2021.03.07
三、防静电手腕改成无绳可便于元器件的取放
说明:由于插件动作改善提
案最终并未能根据改善建议进行改善(经评审,椅子改成高矮可调暂不实施;可组装料盘与无绳防静电手腕正在联系中),所以无改善后的分析及具体改进的经济性分析。
并插件动作改善提案动作要素不能量化,所以无法形成图示。
精益仓库管理从哪些方面做起欧阳光明(2021.03.07)精益仓库管理的目标是:1、减少仓库物料的报废2、提高仓库物料数据的准确率:数量、位置、状态、先进先出3、提高仓库的准时交付:材料发到车间;成品发到客户4、提高仓库的空间利用率5、提高仓库人员的利用率6、安全操作不可忽视精益仓库管理的主要方法和工具是:1、仓库的5S和目视化管理。
5S是整理、整顿、清扫、清洁和素养。
要保持仓库有序,只有需要的物品并且放在最佳的位置,仓库干净整洁,员工有好的习惯。
目视化管理是将重要的信息显现化,让问题和异常一目了然;同时要对问题和异常进行管理。
2、包装标准化。
每一个零件和成品都要设计适当的包装。
包装既是质量的保证,又可以提高操作的效率。
包装标准化是内部物流优化的前提。
3、标准化操作。
将所有的流程和操作进行标准化。
比如送料员的送料路线、送料周期等。
4、拉动系统(比如看板、循环取料、JIT/JIS、超市、水蜘蛛)。
这里包含了四个过程:1)供应商到仓库;2)仓库到车间;3)车间到仓库;4)仓库到客户。
在每一个过程内建立拉动的系统或者连续流,从而优化信息流和物流、节省空间、提高效率。
5、结构式问题解决。
操作中难免会出现异常和问题。
解决问题要有效,否则问题还会反复发生。
解决问题的工具很多,比如5WHY,8D,6Sigma,鱼骨图,柏拉图等;通过结构式的问题解决流程,将问题从根源上解决,避免问题再次发生。
定义问题升级机制,让管理层参与。
6、要和员工建立起畅通的沟通途径。
比如,班前会议上让员工发言,建立合理化建立制度,创造管理层和员工沟通的机会。
让员工有机会展示自己的想法和才能,同时也更加理解管理层的目标和期望。
7、所有这些都离不开现场管理者的领导力。
管理者要多去现场,了解员工的想法、问题,无论是解决问题还是进行改善,都从现场的实际出发。
管理者要有现地现物现实的三现精神。
另外,现场管理要注重业绩管理,包括交付、效率、质量、报废、安全等;要把这些指标和员工的日常活动的每个操作细节的关系进行梳理。
管理制度欧阳光明(2021.03.07)宿松矿业有限公司二〇一七年十一月十日总经理岗位职责一、总经理是安全生产第一责任人,对本企业的安全工作负全面责任,直接领导本企业的所有机构和全体员工开展安全工作。
二、负责落实法律法规政策方针和规章制度以及技术标准的执行。
三、在股东会授权下计划、布置、检查、总结、评比生产和安全工作。
四、监督制定、修订和审批各项管理制度、奖罚制度、安全技术规程和安全技术措施计划及长远规划。
五、定期组织安全生产大检查,对查出的重大隐患要及时落实整改。
六、负责矿山内部经营、核算管理,按公司的要求,建立核算体系和指标体系,制定相关制度和实施细则。
七、负责落实股东会下发的各种任务。
生产及安全负责人岗位职责1、负责矿业公司的安全管理工作,建立健全矿山安全生产责任制,组织制定矿山安全生产规章制度和操作规程,保证矿山安全生产投入的有效实施,督促安全生产产量。
2、检查矿山的安全生产工作,及时消除矿山生产安全事故隐患,组织制定并实施矿山的生产安全事故应急救援预案,及时、如实报告生产安全事故,推行安全管理一票否决制,坚持贯彻“安全第一、预防为主、综合治理”的安全生产方针。
3、负责矿山的生产、质量、安全、技术改造等全面工作。
4、负责落实公司下发的各种计划,并及时报送相关统计报表。
5、负责矿业公司员工的安全意识、业务能力等方面的教育和培训工作,全面提高职工队伍的整体素质。
6、积极组织矿山开展小改小革活动、修旧利废、增收节支,加强各项费用的管理和控制,降低经营成本。
7、配合总经理做好公司生产经营活动。
办公室岗位职责文员一、1.协助总经理对人员的招聘。
(按招聘流程)2.新进人员和离职人员的手续办理。
3.协助主管对新进人员的培训准备与后序工作。
4.全人员档案的建立与管制。
(电脑化)5.对试用人员之试工与考核资料的收集。
6.负责公司人事变动工作的登记。
7.公司奖惩手续之办理及公告。
8.对各类资料进行签收,整理并分类归档。
精益生产管理制度范文精益生产管理制度第一章总则第一条为了加强企业管理,提高生产效率,实现质量和效益的双赢,制定本制度。
第二条本制度适用于本企业所有职工以及与本企业有业务往来的供应商和合作伙伴。
第三条本企业遵循精益生产管理原则,全面推行精益生产管理制度。
第四条本企业设立精益生产管理委员会,负责制定和修订精益生产管理制度,监督执行情况。
第五条本企业鼓励员工参与精益生产管理培训,并对取得成绩的员工进行奖励。
第二章组织体系第六条本企业设立精益生产管理部,负责统筹各项管理工作,实施精益生产管理制度。
第七条本企业设立精益生产管理组,负责具体实施精益生产管理工作,推动改进活动。
第八条本企业设立精益生产管理点,由精益生产管理组成员充当,全面负责推动该处工作。
第九条本企业设立精益生产管理督导组,由企业高层管理人员充当,负责对各个精益生产管理点进行督导和指导。
第十条本企业建立绩效评估机制,对各级精益生产管理点进行绩效考核,并根据考核结果进行奖励和激励。
第三章工作要求第十一条本企业要求各级精益生产管理点积极推行5S管理,保持工作环境整洁、有序。
第十二条本企业要求各级精益生产管理点进行价值流分析,找出生产过程中的浪费,并采取措施予以改进。
第十三条本企业要求各级精益生产管理点建立标准化工作程序,确保生产过程的规范化和稳定性。
第十四条本企业要求各级精益生产管理点进行质量管理,确保产品质量符合客户要求。
第十五条本企业要求各级精益生产管理点进行人员培训,提高员工的技能和素质。
第十六条本企业要求各级精益生产管理点进行持续改进活动,不断提高生产效率和效益。
第四章监督检查第十七条精益生产管理督导组对各级精益生产管理点进行定期检查,发现问题及时纠正,确保制度执行。
第十八条精益生产管理委员会对精益生产管理工作进行定期评估,对意见建议予以采纳,并根据评估结果修订制度。
第十九条员工对精益生产管理工作有权提出意见和建议,企业应及时予以答复并处理。
*******************公司欧阳光明(2021.03.07)技术工作(方案、措施、汇报、请示、总结)报告题目:***********改造四措二案承包方编制人:承包方技术负责人:承包方批准人:监理方审核人:发包方技术负责人:发包方审核人:发包方安监会签:发包方批准人:单位全称:湖南大唐节能科技有限公司****年**月**日目录一、施工组织措施1二、安全措施3三、环境保护措施10四、技术措施12五、施工方案15六、应急预案16***************公司**********工程施工组织措施一、施工组织措施1、项目组织机构时调整(1a)项目经理职责:全面负责项目部工作,对工程质量、安全、进度、施工生产的调度负责,监督检查施工进度和施工质量,协调各施工队进行均衡施工。
b)工程技术人员职责:负责项目部技术、质量和安全管理工作,熟悉系统及有关工艺和技术要求,进行安全技术交底,参加质量验收工作,协助安全文明组搞好安全文明施工,对工程质量、进度负责。
c)安全人员职责:负责项目部安全文明管理工作,组织制定安全文明施工管理制度,组织编制安全文明施工设施布置方案,组织检修人员参加电厂安全管理制度及规定的培训,监督检查管理制度和安全文明施工设施布置方案的执行情况,对安全文明施工负责。
d)班长职责:按计划完成项目部交给的各项施工任务,合理地安排工程进度,正确组织施工,严格按照作业指导书的要求进行,监督检查施工质量及安全文明施工情况。
e)项目技术员职责:负责本专业的技术管理工作,协助班长完成项目部安排的工作,编制相应的技术和安全措施并进行施工技术和安全技术交底,监督检查措施的执行情况,做好相关记录,协助质检员、安全员搞好质量、安全管理工作。
2、现场施工人员具体分配:钳工:约10人职责:按照施工要求负责现场设备的拆除、改造、安装;水冷壁的拆除与预就位。
保温工:7人职责:负责施工区域保温的拆除及安装完成后保温恢复工作架子工:正常施工期间10人(炉内脚手架搭设另安排专业人员,根据实际情况进行调整)。
调度综合管理制度欧阳光明(2021.03.07)生产调度室目录一、调度室的职责权限 (4)二、矿长十项授权书 (4)三、调度指挥中心24小时值班制度 (5)四、调度室交接班制度 (5)五、调度会议制度 (6)六、调度管理制度 (5)(一)调度工作程序 (5)(四)汇报制度(五)文档资料管理制度 (8)(六)调度质量标准化建设制度 (8)(七)安全生产事故分析制度 (8)(八)安全事故逐级上报制度 (9)(九)汛期雨情汇报制度 (9)(十)停产检修制度 (9)七、生产调度室质量标准化达标规划及实施办法八、生产管理考核工作程序九、生产科室服务质量评议管理程序十、巷道维修和零星工程管理程序十一、重点工程盯班管理程序程序 (5)十二、巷道开门、贯通、停头、复工、停采及工程进度等通知单制度 (14)十三、生产系统劳动纪律管理规定十四、专项调度制度……………………………………………(一)重点工程调度制度…………………………………………………(二)高温火点调度制度…………………………………………………(三)瓦斯异常区调度制度…………………………………………………(四)巷道贯通调度制度…………………………………………………(五)水患调度制度…………………………………………………………(六)采煤工作面安装调度制度 (16)(七)采煤工作面初采调度制度 (16)(八)采煤工作面收尾调度制度 (17)(九)采煤工作面撤除调度制度 (17)十五、工程质量终身负责制度十六、工程质量验收责任追究制度十七、工程质量旬检查、月验收制度十八、工程质量竞赛评比办法附件:1、山东煤矿伤亡事故快报 (18)2、山东省煤矿死亡事故报告单 (19)3、新泰市煤矿轻重伤事故报告单 (20)4、新泰市煤矿非人员伤亡事故报告单 (21)调度综合管理制度为全面完成矿井全年原煤产量和掘进总进尺以及各项指标,规范调度管理程序,充分发挥调度室的职能作用,进一步提高工作效率和管理水平,工作安排要做到有落实、有检查、有汇报,确保矿井安全生产有序进行。
精益生产管理规范欧阳学文目的:为建立精益企业,有效的管理、开展精益生产活动,最大限度的减少企业生产占用的资源和降低企业管理的运行成本,特制定本规范。
定义:精益生产是通过系统结构、人员组织、运行方式和市场供求等方面的变革,使生产系统能很快适应用户需求不断变化,并能使生产过程中一切无用、多余的东西被精简,最终达到包括市场供销在内的生产的各方面最好结果的一种生产管理方式。
管理机构及职责公司应成立精益生产管理小组,组长由总经理担任,组员为各部门负责人。
组长职责:指导精益生产管理工作方向;对精益生产项目管理成果的监督及评价;组织架构的确定及资源支持的保证;最终确定精益生产推行项目。
组员职责:行政中心负责人职责:负责推动各部门对年度精益目标的分解及部门年度计划推进,建立各项目推进组;组织召开精益月会、季度会及年度汇总,并对精益项目进展情况进行跟踪及督促;负责各部门精益项目指标的考核。
其他部门负责人职责:负责各自部门精益项目方案与计划的申报、实施,效果验证及标准化维持;负责本部门日常6S管理及员工行为规范监督与整改。
精益生产管理推进步骤:精益生产管理项目输入:降低成本:效率提升,作业方法改善,工艺流程改善,工具或设备改善,物流改善,布局改善,降低消耗品使用量,其它成本降低方法的项目;品质改善:降低不良损失金额,降低材料不良率,提高产品一次合格率等方面的项目;生产技术:生产方式改善与变革的方法与建议,新生产技术的建议、实施方案等;管理体制:有利于公司文化的建设,有利于现场、行政、财务等管理,提高团队士气等方案;有关安全生产、生产环境改善、6S改善之项目。
选定及提出精益改进项目✧根据公司总的经营目标或精益生产管理项目输入的要求,各部门每年年底应选定下年度精益改进项目(每个部门不少于2个),并确定改进目标;✧针对每个选定的项目确定改进计划、资源需求和时间进度;✧公司鼓励员工向本部门或上级领导提交精益改进建议,可直接向部门负责人提交或通过公司意见箱提交,对采纳的精益改善建议相关部门安排在部门的精益改进项目中落实。
车间安全生产管理制度欧阳光明(2021.03.07)1.根据国家法律法规和公司安全管理规定,结合车间实际制定本安全生产管理制度。
2.为保障员工身体健康安全,车间运营正常,全体车间员工必须按要求遵守本制度。
3.全体车间员工必须按要求参加公司组织的安全生产教育,严格遵守履行制度内容。
4.员工上班必须按规定穿着工作服工作鞋,相关特殊工种还需穿戴保护和防护用品。
5.上下班工作时间内,不得在生产维修车间追逐、戏嬉、玩耍、打闹和大声喧哗等。
6.上下班工作时间内,严禁在生产维修车间工作现场区域内吸烟,使用明火等行为。
7.严禁无证、未经考核和允许驾驶车辆,严禁非因工作的需要擅自移动和驾驶车辆。
8.严禁在生产维修车间和厂区内试刹车,在车间和厂内行驶速度不得超过8Km/h。
9.严格按照维修设备操作规定来操作和使用设备,避免造成人员伤害和设备损坏。
10.维修作业结束后,要及时清理工作区域积水、油污、杂物和垃圾,并将相关维修设备放回指定位置,保持区域场地整齐清洁,防止造成人员的滑倒和伤害。
11.油漆、油漆辅料、油品类物品,不得随意乱放,要进行专人管理和定期检查制度。
12.在生产维修车间、油品房和油漆材料房等地方,应该配备充足灭火器和消防器材。
13.定期进行安全检查,保持消防器材良好状态,所有人员会正确使用灭火器材设备。
14.车间维修照明工作灯应采用低压(3 6伏以下)安全灯,工作灯不得浸水或在有水的地方使用,并经常检查导线和插座是否良好。
15.严禁手上有水或潮湿时,扳动电力控制开关、插拔供电电源插座、用电设备和电源线路,电源供给和控制的电控箱、电源插座要定期进行检查。
16.非专业高压电维修人员,严禁擅自修理更换配电箱、供电插座上的用电设备器材。
17.每天下班前,必须按要求关闭和切断工作区域内相关用电维修设备和电器设备,关闭和锁好门和窗户,避免用电设备在下雨天淋雨或受潮造成损坏。
18.定期对维修车间工作区域和现场进行安全、防火、防盗检查,尤其是节假日,更要重点检查,排除存在的安全隐患。
精益生产管理实施计划一、总体指导思想1.精益生产作为现今最为先进的制造管理办法,具有很强的实践性。
改良实施必须始终围绕精益生产管理体系的核心即消除浪费来开展各项工作,时时以精益生产思想作为工作指导的有力武器。
2.任何一项管理理论都不是一成不变的适用每一个企业。
在应用精益生产理论进行改良时,必须时刻结合企业所处的行业环境和企业自己的特殊性进行灵活应用,因地制宜。
只有这样,才一不至于在改良中生搬硬套,走错标的目的。
例如由于手机行业存在市场机会本钱,战略要求不克不及完全做到“零库存”管理。
3一个拥有卓越企业文化和管理的企业,需要经过多年的实践积淀才干实现。
丰田公司自成立早期就开始不竭探讨生产模式,历经四十年时间才一逐步形成了初步成型的丰田方法。
时至今日,丰田方法仍在不竭改良进步中。
因此,没有那个企业的实现是一瞰而就的,需要一点一滴的积累。
卓越企业管理需要系统性的全面进行改良,但需要结合实际状况分步调分门别类的逐步改良进而告竣阶段目标并最终实现总目标。
4.改良不克不及脱离现场。
所有数据必须现场丈量,所有问题必须现场观察,充分与一线员工交流并亲身实践才干得出结论。
脱离现场,脱离实际,脱离基层员工,任何改良都只是纸上谈兵。
5.改良功效必须实现标准化,没有标准化的改良不是完美的改良。
6.精益生产的改良需要以人为本,全员介入。
只有全员介入,充分阐扬人的主动性和能动性,改良才干处处开花。
7.改良是一个继续立异不竭发明问题不竭进步的过程。
没有最好,只有更好,继续改良,不竭进步,这是丰田方法的精髓。
只有深深理解这一精髓,并将其作为企业文化融入到员工心中,才干够在精益生产的实践应用中取得长久成长。
二、实施计划指导框架结合企业自身实际状况,借鉴国内外的精益生产理论指导和实践案例研究,研究将精益生产的各钟软硬件技术进行分类,提出了新的改良模型,作为公司推行精益生产管理的指导框架。
改良模型称为新“TPS”模型,T代表技术(Technology ),P代表人员(Person ),S代表系统(System,如图41所示。
精益生产管理办法欧阳歌谷(2021.02.01)第一章总则第一条通过组织公司内涉及精益生产制造各个环节、部门及所有相关管理部门开展精益生产活动,以最大限度的减少企业生产占用的资源和降低企业管理的运行成本,达到建立精益生产系统,最后建立精益企业的目的。
第二条本办法适用于本公司涉及精益生产各个环节、部门及所有相关部门责任人。
第三条通过精益生产的管理,提供系统结构、人员组织、运行方式、市场供求等平台的变革和改善,优化企业经营管理链上的各个环节,以适应市场的变化,并能消除生产过程中一切无效的劳动及浪费,最终达到生产各个方面最好的结果。
第二章管理机构与职责第四条公司成立精益生产管理领导小组和精益生产办公室(一)精益生产管理领导小组,组长由分管副总经理担任,组员由各部门负责人组成;(二)精益生产管理领导小组职责:1.指导精益生产管理工作方向;2.对精益生产项目管理成果的监督及评价;3.组织架构的确定及资源支持的保证;4.确定精益生产推行方案和计划。
第五条精益生产办公室主要职责:(一)根据公司年度经营目标,制定精益生产年度目标及工作计划;(二)目标与计划的上报,与航天机电精益生产对接,确定最终目标计划;(三)推动各部门对年度精益目标的分解及部门年度计划推进,建立各项目推进组;(四)组织召开精益周会、月会及年度汇总,并对精益项目进展情况进行跟踪及督促;(五)负责各部门精益项目指标的考核;(六)负责各部门精益项目管控平台的建立及优秀精益项目的宣传与推广;(七)推动精益人才的育成,推进精益知识的普及(TPM、IE工程等);(八)公司日常6S管理及员工行为规范监督与整改;(九)公司目视化管理的设计、制作、宣传、推广与维护。
第六条各部门根据部门精益项目成立项目小组,并由专人负责项目推进,其主要职责:(一)负责组织、指导、制订各部门精益生产项目方案与计划;(二)负责本部门精益项目的申报、实施、效果验证及标准化维持;(三)负责组建本部门精益改善小组,以项目方式推动;(四)每月5日前完成精益项目数据填报,纸质版完成签署盖章,电子版报航天机电。
精益生产管理时间:2021.03.09 创作:欧阳法精益生产管理,是一种以客户需求为拉动,以消灭浪费和不竭改良为核心,使企业以最少的投入获取本钱和运作效益显著改良的一种全新的生产管理模式。
它的特点是强调客户对时间和价值的要求,以科学合理的制造体系来组织为客户带来增值的生产活动,缩短生产周期,从而显著提高企业适应市场万变的能力。
精益生产是多品种小批量条件下的最优生产方法,实施精益生产会给企业带来巨年夜的收益,因而被誉为第二次生产方法革命。
精益生产的理念最早起源于日本丰田汽车公司的TPS(ToyotaProductionSystem)。
TPS的核心是追求消灭一切“浪费”,以客户拉动和JIT(JustinTime)方法组织企业的生产和经营活动,形成一个对市场变更快速反响的独具特色的生产经营管理体系。
时至今日,随着制造和管理技术的不竭提高,精益生产的含义已经超出了现在的TPS。
美国在研究了包含精益生产在内的各种管理模式后,又提出了二十一世纪的制造企业战略–敏捷制造。
可以认为,精益生产是通向敏捷制造的桥梁。
敏捷企业是指那些能够充分利用网络技术优势,迅速实现自我调整以适应不竭变更的竞争环境,具有敏捷的快速反响能力的企业。
因此,没有精益生产管理为基础,企业难以实现敏捷制造。
实现精益生产管理,最基本的一条就是消灭浪费。
企业生产和经营活动中的浪费现象单一,要消灭浪费,首先要判别企业活动中的两个基本构成:增值活动和非增值活动。
精益生产分类精益生产将企业生产活动依照是否增值划分为三类:增值活动、不增值尚难以消除的活动、不增值可立即消除的活动。
精益生产将所有的非增值活动都视为浪费,并提出身产中的七种浪费(Muda),实施精益生产就必须着力消除此七种浪费。
长期以来,人们重视增值活动的效率改良而忽视向非增值活动的挖潜。
研究标明,物资从进厂到出厂,只有10%的时间是增值的,精益生产胜利秘诀就在于将提高效率的着眼点转移到占90%时间的非增值活动上去。
公司生产管理制度第一章第二章总则第一条,为了合理利用公司人力,物力,财力资源,进一步规范公司管理,使公司生产持续进步方向发展,不断提高企业竞争力,参考国家相关法律,根据公司实际情况特制定本制度。
第二条,生产管理是公司经营管理的重点,是企业经营目标实现的重要途径,生产管理包括物流管理,生产过程管理,质量管理,生产安全管理,以及生产资源管理等。
第三条,本制度是公司生产管理的依据,是生产管理的最高准则。
第四条,本制度适用于公司全体生产人员,生产管理员和与生产相关的其他人员。
第五条,由总经理负责本制度实施监督。
第六条,本制度经总经理签署后,公布施行,自公布之日生效,本制度效力大于公司同类制度。
第七条,当本制度修订版公布时,本制度自动失效。
第三章物资管理第八条,物资控制是生产管理的先决条件,是生产管理的重点,合理的物资控制是产生高效率,高利用率的生产前提,物资控制的是否合理直接关系到生产是否顺畅,物料浪费严重与否和生产成本的高低。
第九条,供应部门是物资控制的核心部门。
1.供应部下设材料仓库,工具仓库,辅助品仓库2.材料仓库是公司原料的储存机构,负责公司原材料的收发,储存。
3.工具仓库是公司工具,夹具,模具的储存收发机构。
工具,夹具,模具的维护和保养由维护保养机构负责。
4.辅助品仓库是公司劳保用品,文具用品的储存机构,负责公司劳保用品,文具用品的收发,储存。
第十条,外协工厂有物品入库应先由质检人员进行检验。
检验合格的物品,方可接收入库,办理相关的手续。
检验不合格的物料即超出允收标准的物料,应予退回。
第十一条,仓库员在新进物资入库后要及时做好标示,同时做好物资的维护保养工作。
仓库的物资要帐目相符,要不定期对物资盘点抽查,抽查结果作为仓库员的考核依据。
第十二条,车间或其他人员领取物资必须出具《领料单》,《领料单》各栏要填写清楚。
领取生产材料,工具,夹具,模具,车间主任开单后不需部门经理审核,领取劳保用品,办公用品等均需部门经理审核签署意见后方可领取。
广州庄伦动漫科技有限公司欧阳光明(2021.03.07)工厂管理制度1.总则1.1为确保生产秩序,保证各项生产正常运作,持续营造良好的工作环境,促进本公司的发展,结合本公司的实际情况特制订本制度。
1.2本规定适用于工厂全体员工。
2.员工管理2.1工作时间内所有员工倡导普通话,在工作及管理活动中严禁有地方观念或省籍区分。
2.2全体员工须按要求佩戴厂牌(应正面向上佩戴于胸前),穿厂服。
不得穿拖鞋进入车间。
2.3每天正常上班时间为12小时(9:00am-11:00pm,中午、下午各有一小时休息时间),晚上如加班依生产需要临时通知.2.4按时上、下班(员工参加早会须提前5分钟到岗),不迟到,不早退,不旷工(如遇赶货,上、下班时间按照工厂安排执行),有事要请假应先填写《请假单》,提出正当理由,突发情况须上班前打电话通知上级领导,上班后补办《请假单》,由厂长签批,上、下班须按时打卡,若有事不能按时打卡,须登记在《不能按时打卡人员登记表》上,由厂长签字。
2.5员工违纪分为迟到、早退、旷工三种。
1、迟到:超过上班时间5分钟为迟到,迟到3次(含3次)以上每次罚款30元,迟到1小时以上按旷工处理,扣除当日工资。
2、早退:因个人原因提前离岗的按早退处理,每次扣30元,早退30分钟扣除半天工资,早退1小时以上扣除当日工资。
3、旷工:未办理请假手续而未能正常上班的,旷工半天个扣一天工资,旷工一天扣2天工资,一个月内连续旷工3天或累计旷工5天,按自动开除处理。
2.6上班后任何人不得因私事而提出离岗,如有私事要求离岗者,须事先向厂长申请,经批准方可离岗,离岗时间不得超过15分钟。
2.7员工在车间内遇上公司客人或公司高层领导参观巡察时,组长应礼貌适当问候或有必要的陪同,作业员照常工作。
2.8禁止在工厂吃零食、吸烟、嬉戏打闹,吵嘴打架,脱岗,串岗等行为,吸烟要到公司指定的地方或大门外。
2.9作业时间谢绝探访,禁止带小孩和厂外人士在生产工厂玩耍或滥动机械,机器,配电设施等,由此而造成的事故自行承担。
目录欧阳光明(2021.03.07)第一章总则. . . . . . . . . . . . . . . . . . . . . . . 3一、管理大纲. . . . . . . . . . . . . . . . . 。
. . . 3二、员工守则. . . . . . . . . . . . . . . . . . . . . 4第一部分管理制度. . . . . . . . . . . . . . . . . . 5第一章文件管理制度. . . . . . . . . . . . . . . . . .5第二章档案管理制度. . . . . . . . . . . . . . . . . 7第三章保密制度. . . . . . . . . . . . . . . . . . . .9第四章印章使用管理制度度. . . . . . . . . . . . . .10第五章证照管理制度. . . . . . . . . . . . . . . . . 15第六章证明函管理制度. . . . . . . . . . . . . . . .15第七章会议管理制度. . . . . . . . . . . . . . . . . 16第八章办公用品管理制度. . . . . . . . . . . . . . . 18第十二章考勤管理制度. . . . . . . . . . . . . . . . 24第十三章出差管理制度. . . . . . . . . . . . . . . . 26第十四章通讯管理制度. . . . . . . . . . . . . . . .29第十五章公司宴请接待制度. . . . . . . . . . . . . 29第十七章借款和报销的规定. . . . . . . . . . . . . 32第十九章计算机管理制度. . . . . . . . . . . . . . .36第二十章合同管理制度. . . . . . . . . . . . . . . . 36第二十一章卫生管理制度. . . . . . . . . . . . . . 45第一章总则为加强部门的规范化管理,完善各项工作制度,促进部门发展壮大,提高经济效益,根据公司章程的规定,特制订本部门管理制度大纲。
精益生产管理办法欧阳光明(2021.03.07)第一章总则第一条通过组织公司内涉及精益生产制造各个环节、部门及所有相关管理部门开展精益生产活动,以最大限度的减少企业生产占用的资源和降低企业管理的运行成本,达到建立精益生产系统,最后建立精益企业的目的。
第二条本办法适用于本公司涉及精益生产各个环节、部门及所有相关部门责任人。
第三条通过精益生产的管理,提供系统结构、人员组织、运行方式、市场供求等平台的变革和改善,优化企业经营管理链上的各个环节,以适应市场的变化,并能消除生产过程中一切无效的劳动及浪费,最终达到生产各个方面最好的结果。
第二章管理机构与职责第四条公司成立精益生产管理领导小组和精益生产办公室(一)精益生产管理领导小组,组长由分管副总经理担任,组员由各部门负责人组成;(二)精益生产管理领导小组职责:1.指导精益生产管理工作方向;2.对精益生产项目管理成果的监督及评价;3.组织架构的确定及资源支持的保证;4.确定精益生产推行方案和计划。
第五条精益生产办公室主要职责:(一)根据公司年度经营目标,制定精益生产年度目标及工作计划;(二)目标与计划的上报,与航天机电精益生产对接,确定最终目标计划;(三)推动各部门对年度精益目标的分解及部门年度计划推进,建立各项目推进组;(四)组织召开精益周会、月会及年度汇总,并对精益项目进展情况进行跟踪及督促;(五)负责各部门精益项目指标的考核;(六)负责各部门精益项目管控平台的建立及优秀精益项目的宣传与推广;(七)推动精益人才的育成,推进精益知识的普及(TPM、IE 工程等);(八)公司日常6S管理及员工行为规范监督与整改;(九)公司目视化管理的设计、制作、宣传、推广与维护。
第六条各部门根据部门精益项目成立项目小组,并由专人负责项目推进,其主要职责:(一)负责组织、指导、制订各部门精益生产项目方案与计划;(二)负责本部门精益项目的申报、实施、效果验证及标准化维持;(三)负责组建本部门精益改善小组,以项目方式推动;(四)每月5日前完成精益项目数据填报,纸质版完成签署盖章,电子版报航天机电。
第三章精益项目推进与日常工作管理第七条推进项目的范围:(一)公司领导指定的项目;(二)公司各部门自主改善项目。
第八条项目改善受理范围:(一)管理体制:有利于公司文化的建设,有利于现场、行政、财务等管理,提高团队士气等方案;(二)品质改善:降低不良损失金额,降低材料不良率,提高产品一次合格率等方面的项目;(三)降低成本:效率提升,作业方法改善,工艺流程改善,工具或设备改善,物流改善,布局改善,降低消耗品使用量,其它成本降低之方法的项目;(四)生产技术:生产方式改善与变革的方法与建议,新生产技术的建议、实施方案等;(五)有关安全生产、生产环境改善、6S改善之项目。
第九条项目改善不受理范围:(一)意见、希望、批评、诉苦等事项,而无具体可行的改善事项;(二)和以前项目内容相似的事项;(三)和有关人事变动、薪资、任免等政策性的事项;(四)项目改善不切实际的事项;(五)已公知或正在改善的事项;(六)已经实施的项目改善;(七)会议的决议事项;(八)项目填写不完整,缺少建设性建议的。
第十条项目改善的受理:(一)每年年底开始,精益生产办公室根据航天机电下达的精益生产工作指标,并结合公司发展实际和需求,制定次年精益生产工作推进计划;(二)将精益生产工作推进计划及改善目标进行分解,同时下发到各相关部门;(三)各部门按照精益生产工作推进计划及改善目标进行各自改善项目的收集,并成立各自精益项目改善小组(以下简称“项目组”);(四)各项目组填写《有限公司精益改善立项申请表》后,对项目问题的现状、发生的原因、改善方案、改善目标等进行认真的分析、研究,描述清楚并递交精益生产办公室进行申报、立项。
第十一条项目的前期调研:(一)各部门项目组成员负责对部门项目进行调研,了解和掌握目前的现状、造成问题的主要原因、改善的意义与效果,以及改善会产生的负面影响,并在改善立项申请表中注明调研的相关情况;(二)精益生产办公室负责对各部门项目进行调研,了解和掌握目前的现状、造成问题的主要原因、改善的意义与效果,以及改善会产生的负面影响,并在改善立项申请表中注明调研的相关情况。
第十二条项目提交完成前,由项目提交小组负责对项目进行分类,由精益生产办公室进行统一汇总,上报公司及上级单位。
第十三条精益生产办公室负责组织各部门项目的立项、评审工作;评审内容包括项目执行与否、改善方案、改善计划、奖励等级,及不予以采纳项目的原因。
第十四条未通过评审的或不具有现状实施改善的项目,予以退回。
第十五条通过评审的改善项目,经精益生产办公室与各项目组沟通、确认后,由精益生产办公室负责编制各精益生产改善项目实施推进计划。
第十六条根据精益生产改善项目实施推进计划,各部门或各项目组负责其项目的实施、跟踪、推进和成果总结。
第十七条根据各部门改善项目推进过程,由精益生产办公室专职人员负责数据的收集及项目收益的汇总。
第十八条项目过程监督与控制:(一)精益生产办公室将作为项目改善参与者进行过程监督;(二)项目组成员每周按照规定时间召开项目例会,确保项目有效实施;(三)精益生产管理例会将作为项目过程控制的重要手段。
第十九条精益生产项目各部门数据支持:(一)品质方面数据支持质量保障部;(二)产能产量、订单完成、设备设施等数据支持生产制造部;(三)技术方面数据支持技术研发部;(四)人力资源、薪资绩效、福利待遇方面数据支持人力资源部;(五)财务预结算、固定资产、能耗及其他财务收支方面数据支持财务部;(六)材料价格、出入库等数据支持采购物流部;(七)销售、订单等数据支持市场营销部;第二十条项目成果审核及评价在每年第四季度时,由精益生产办公室组织精益生产管理领导小组对各精益生产项目管理成果进行审核及评价,并对公司的优秀精益改善项目进行上报和奖励。
第二十一条对精益生产项目组及其改善项目考核:(一)项目考核申报及申报材料主要包括以下内容:1. 项目责任人、各项目小组;2. 项目工作总结;3. 申报申请。
(二)项目最终结束后由精益生产管理领导小组及精益生产办公室对项目进行综合考核,考核分为达成、总体达成、基本达成、部分达成、未达成等几个等级,具体如下:(三)项目评审与奖励原则:公司外部奖励需经精益生产管理领导小组根据项目实施及人员参与情况授权部门或项目组负责人进行合理、公平分配;而公司内部对精益项目考核及奖励,按照以下规定执行(原则上与公司外部不重复奖励):1.以精益生产周会与月会为基准进行过程考核,具体基准请见第四章精益生产例会管理内容;2.以一定实物或奖金激励为主;3.设置年度成果评比精益项目奖。
(四)项目具体评审及奖励金额:1.项目评审:精益生产管理领导小组、精益生产办公室2.项目奖励金额如下:3.项目奖励计算方法:项目总体收益*经济奖励系数*项目考核比例;4.项目总体奖励考核B以下等级不进行直接经济奖励;5.奖励批准:由总经理进行审批,超出一定金额按照公司相关制度审批。
(五)异议与处理:凡经初评通过的奖励项目,由精益生产办公室在信息栏上予以公布,公布期为3天,凡在规定期限内有异议者,上报核查。
如无异议,报公司领导授奖。
第二十二条精益生产日常工作管理:(一)推动现场6S标准化的落实;(二)公司及生产车间标识标牌看板的制作、检查及更新并优化,并通过精益生产相关需求(6S及目视化)申请进行控制管理;(三)精益生产目视化标准作业检查与反馈;(四)合理化建议的跟踪与落实;(五)员工行为规范的监督与检查;(六)员工现场6S知识的培训;(七)现场员工趣味活动的组织与实施;(八)每月组织对办公室进行6S检查、评比;(九)协助各班组进行班组建设,创建班组文化。
第四章精益生产例会管理第二十三条为提高公司精益生产工作效率与管理水平,确认精益生产项目进展,总结上月项目开展问题,通过利用周、月例会的平台,总结、分析并改进精益生产运行中发现的问题,协调各项目组所需资源。
第二十四条周、月例会时间:第二十五条各例会要求:(一)精益生产周例会要求:1.会议召集:精益生产办公室2.参会人员:精益项目责任人,必要时可邀请其他相关人员。
3.会议内容:a)各相关部门成员应在会前,准备上周工作总结及下一周工作计划,并将具体工作分工明确;b)与会人员对会上提出的问题进行解答;c)与会人员共同讨论改进对策、落实责任人、落实具体完成时间;d)周会参与度将作为项目组每月考评的一项重要内容,直接影响项目组最终成果考评。
4.周例会汇报程序、内容、要求:(二)公司月例会要求:1.会议召集:精益生产办公室2.参会人员:精益改善项目的相关部门经理及项目组成员3.月例会汇报程序、内容、要求:第五章附则第二十六条本规定有以下附件:(一)精益生产运行管理流程图(二)精益改善立项申请表(三)精益改善奖励申请表(四)精益生产相关需求(6S及目视化管理)申请表(五)精益生产推进计划表(六)精益生产工作检查整改表(七)办公室6S管理执行情况检查表附件是本规定的组成部分。
第二十七条本规定由公司精益生产办公室负责解释。
第二十八条本规定自公布之日起施行。
附件1:精益生产运行管理流程图附件2:有限公司精益改善立项申请表附件3:有限公司精益改善奖励申请表附件:4精益生产相关需求(6S及目视化管理)申请表附件5:年度精益生产推进计划表日期:日期:日期:附件6:精益生产工作检查整改表*欧阳光明*创编 2021.03.07附件7:办公室6S管理执行情况检查表*欧阳光明*创编 2021.03.07*欧阳光明*创编 2021.03.07*欧阳光明*创编 2021.03.07*欧阳光明*创编 2021.03.07。