电缆敷设检验批
- 格式:doc
- 大小:25.50 KB
- 文档页数:1
电缆架设安装和架设内电缆敷设检验批质量验收记录1. 项目信息- 项目名称:[项目名称]- 项目编号:[项目编号]- 安装日期:[安装日期]- 施工单位:[施工单位]- 监理单位:[监理单位]2. 安装和架设内电缆敷设检验批信息- 检验批编号:[检验批编号]- 施工区域:[施工区域]- 设备名称:[设备名称]- 规格型号:[规格型号]- 数量:[数量]3. 检验项目及结果3.1 电缆架设安装检验项目及结果- 安装位置合理性:[合格/不合格]- 固定方式:[合格/不合格]- 连接方式:[合格/不合格]- 绝缘保护措施:[合格/不合格]- 地线安装:[合格/不合格]- 其他:[合格/不合格]3.2 架设内电缆敷设检验项目及结果- 敷设位置合理性:[合格/不合格]- 弯曲半径:[合格/不合格]- 敷设张力:[合格/不合格]- 保护措施:[合格/不合格]- 其他:[合格/不合格]4. 检验结果经过检验,电缆架设安装和架设内电缆敷设检验批的质量验收结果如下:- 电缆架设安装检验合格项:[列出合格项及数量]- 电缆架设安装检验不合格项:[列出不合格项及数量]- 架设内电缆敷设检验合格项:[列出合格项及数量]- 架设内电缆敷设检验不合格项:[列出不合格项及数量]5. 备注[可在此处添加备注信息]6. 验收人员- 施工单位代表:[施工单位代表姓名]- 监理单位代表:[监理单位代表姓名]以上所述为电缆架设安装和架设内电缆敷设检验批质量验收记录。
验收人员已确认以上内容符合实际情况。
日期:[验收日期]。
电缆管配置及敷设检验批质量验收记录电缆管是电力、通信等行业中用来保护电缆的一种管道,具有防水、耐压、耐腐蚀等特点。
电缆管的配置及敷设是一项重要的工作,对于保证电缆的安全运行具有重要意义。
为了确保电缆管的配置及敷设的质量,需要进行检验批质量验收,并记录下来。
一、项目名称:电缆管配置及敷设二、施工单位:质量检查员:三、施工内容:1.配置电缆管:根据设计要求,根据现场条件选择合适的电缆管材料。
主要包括:(1)电缆管:选择合适的规格和材质的电缆管,保证电缆自由敷设,并满足设计要求。
(2)连接件:选择合适的连接件,保证电缆管的连接牢固,不漏水。
2.敷设电缆管:根据设计图纸及现场实际情况,进行电缆管的敷设。
主要包括:(1)预埋:将电缆管埋入地下,预留出口,保证电缆的顺利敷设。
(2)穿线:将电缆通过电缆管的内部,保证电缆的安全通行。
(3)焊接:对于需要连接的电缆管,采用焊接方式连接,保证连接的牢固性。
四、验收项目:1.电缆管配置(1)是否按照设计要求选择合适的电缆管材料。
(2)电缆管材料的规格和材质是否符合设计要求。
(3)连接件是否选择合适,并实施牢固的连接。
2.电缆管敷设(1)电缆管是否按照设计图纸进行正确的预埋、穿线和焊接。
(2)电缆管的埋深是否符合设计要求。
(3)电缆管的敷设是否保持整齐、平直,是否有坠挂、屈曲等情况。
五、质量验收标准:1.电缆管配置(1)电缆管材料的规格和材质应符合设计要求。
(2)连接件应能够实现电缆管的连接,并能够保证连接的牢固性,不漏水。
2.电缆管敷设(1)电缆管的预埋、穿线和焊接应按照设计图纸进行,保证无误。
(2)电缆管的埋深应符合设计要求。
(3)电缆管的敷设应整齐、平直,无坠挂、屈曲等情况。
六、质量验收结果:1.电缆管配置(1)电缆管材料的规格和材质符合设计要求。
(2)连接件安装牢固,无漏水现象。
2.电缆管敷设(1)电缆管的预埋、穿线和焊接符合设计要求。
(2)电缆管的埋深符合设计要求。
电缆桥架安装和桥架内电缆敷设检验批质量验收记录电缆桥架安装和桥架内电缆敷设是电气工程中非常重要的一环,对于电缆的正常运行起到至关重要的作用。
为了确保电缆桥架安装和桥架内电缆敷设的质量,需要进行检验批质量验收,下面是一份1200字以上的电缆桥架安装和桥架内电缆敷设检验批质量验收记录。
一、项目基本信息1.工程名称:2.工程地点:3.检验批编号:4.施工单位:5.监理单位:6.检验批形式:日常检验批/专项检验批二、参与人员1.检验人员:2.参检单位:三、检验内容1.桥架的安装(1)检查桥架的型号、规格、数量是否符合设计要求;(2)检查桥架的材质和表面处理是否符合要求;(3)检查桥架的安装是否牢固,是否有变形或损坏现象;(4)检查桥架的间距是否符合要求;(5)检查桥架的固定和连接件是否安装到位;(6)检查桥架的各个部位是否安装完整。
2.电缆的敷设(1)检查电缆的规格、型号是否与设计要求一致;(2)检查电缆的包装是否完好无损;(3)检查电缆的长度是否符合要求;(4)检查电缆的接头是否焊接牢固;(5)检查电缆的弯曲半径是否符合要求;(6)检查电缆的敷设路径是否符合设计要求;(7)检查电缆的固定方式是否正确。
四、检验步骤和方法1.桥架的安装(1)参照设计图纸,逐一检查桥架的型号、规格、数量。
(2)观察桥架的材质和表面处理是否符合要求。
(3)轻轻拉动桥架,检查其是否牢固,有无松动或变形现象。
(4)使用测量工具检查桥架的间距是否符合设计要求。
(5)检查桥架的固定和连接件是否安装到位。
(6)检查桥架的各个部位是否完整。
2.电缆的敷设(1)参照设计要求,逐一检查电缆的规格、型号。
(2)检查电缆的包装是否完好无损。
(3)使用测量工具检查电缆的长度是否符合要求。
(4)检查电缆接头的焊接牢固程度。
(5)使用测量工具检查电缆的弯曲半径是否符合要求。
(6)参照设计图纸检查电缆的敷设路径是否正确。
(7)检查电缆固定方式是否正确安装。
表5.3 直埋电缆敷设检验批质量验收记录
编号:####
填表说明:
1.本表用于检验批的质量验收,检验批的划分应符合验收范围表的规定。
2.编号由15位数字组成,自左向右分别为单位工程、子单位工程、分部工程、子分部工程、分项工程、检验批序号和流水号组成,流水号3位,其它2位。
3.“检查记录”由项目部质检员在检验批验收时根据检查情况按实填写。
4.“检查结果”由专业监理工程师在检验批验收时根据检查情况手工填写“合格”或“不合格”。
5.“验收结论”由监理工程师根据主控项目及一般项目的检查验收情况,填写“验收合格”或“验收不合格”。
验收不合格的检验批,监理项目部应签发检查整改通知单,施工项目部组织整改或返工处理后应重新进行验收,并在备注中予以记录。
6.有关验收内容如在表中的检查项目中未包含,应在备注栏进行说明。
电缆线槽安装和线槽内电缆敷设检验批质
量验收记录
1. 项目概述
本文档记录了电缆线槽的安装和线槽内电缆敷设的检验批质量验收记录。
2. 检验批信息
- 检验单位:[填写检验单位名称]
- 检验日期:[填写检验日期]
3. 检验内容及要求
本次质量验收主要包括以下内容:
- 电缆线槽的安装是否符合设计要求;
- 线槽内电缆的敷设是否符合相关标准;
- 电缆线槽的固定及接地是否合理可靠。
5. 检验结果
5.1 电缆线槽安装
- 安装前先对电缆线槽进行外观检查,确保没有明显的质量问题;
- 检查线槽安装是否符合设计要求,包括安装位置、间距、固
定方式等;
- 检查电缆线槽与墙面或地面之间是否有垫片,并进行拍照记录。
5.2 线槽内电缆敷设
- 检查线槽内电缆的敷设是否符合相关标准,包括线缆的规格、铺设方式、弯曲半径等;
- 检查电缆的固定是否牢固,并进行拍照记录;
- 检查电缆敷设过程中是否有损坏或过度拉伸的情况;
5.3 电缆线槽固定及接地
- 检查电缆线槽的固定是否合理可靠,包括使用固定夹具、膨
胀螺栓等;
- 检查电缆线槽接地是否符合相关要求,包括接地体的连接情况、接地电阻等。
6. 质量验收结论
根据以上检验结果,确认电缆线槽的安装和线槽内电缆敷设符合相关要求,质量验收结论为[填写结论,例如合格或不合格]。
7. 附件
- 检验照片:[插入相关照片,并进行标注说明]
以上为电缆线槽安装和线槽内电缆敷设检验批质量验收记录,供参考使用。
电缆保护管敷设检验批质量检验记录.doc范本一:电缆保护管敷设检验批质量检验记录一:检验项目1. 电缆保护管材质检验1.1 材质检验方法:红外光谱分析1.2 材质检验结果:符合规定要求2. 电缆保护管尺寸检验2.1 尺寸检验方法:测量仪器2.2 尺寸检验结果:外径满足要求,内径无变形3. 电缆保护管表面质量检验3.1 表面质量检验方法:目测3.2 表面质量检验结果:无损伤、变形、污渍等缺陷4. 电缆保护管连接质量检验4.1 连接质量检验方法:拉力测试4.2 连接质量检验结果:连接牢固,无塑料管断裂现象5. 电缆保护管敷设质量检验5.1 敷设质量检验方法:目测5.2 敷设质量检验结果:线路整齐,无明显弯曲、错位二:检验结论经检验,本批电缆保护管质量合格。
附件:电缆保护管敷设检验批质量检验记录照片(详见附件)法律名词及注释:1. 材质检验:对电缆保护管材质进行检验,以确定其符合规定要求。
2. 尺寸检验:对电缆保护管的外径和内径进行测量,以确保其尺寸符合要求。
3. 表面质量检验:对电缆保护管的表面进行检查,以排除表面缺陷和污渍等。
4. 连接质量检验:对电缆保护管的连接进行拉力测试,以确保连接牢固。
5. 敷设质量检验:对电缆保护管的敷设情况进行检查,以确保线路整齐无问题。
范本二:电缆保护管敷设检验批质量检验记录一:检验项目1. 电缆保护管材质检验1.1 检验方法:红外光谱分析1.2 检验结果:材质符合规定要求2. 电缆保护管尺寸检验2.1 检验方法:测量仪器2.2 检验结果:外径符合要求,内径无变形3. 电缆保护管表面质量检验3.1 检验方法:目测3.2 检验结果:无损伤、变形、污渍等缺陷4. 电缆保护管连接质量检验4.1 检验方法:拉力测试4.2 检验结果:连接牢固,无塑料管断裂现象5. 电缆保护管敷设质量检验5.1 检验方法:目测5.2 检验结果:线路整齐,无明显弯曲、错位二:检验结论经检验,本批电缆保护管质量合格。
电缆保护管敷设检验批质量检验记录1. 范本(风格一)电缆保护管敷设检验批质量检验记录1. 项目背景1.1 项目概述1.2 电缆保护管敷设的目的和重要性2. 检验准备2.1 检验范围和标准2.2 检验设备和工具的准备2.3 检验人员的安排3. 检验过程3.1 检验前的准备工作3.2 敷设工艺的检验3.3 材料和设备的检验3.4 施工质量的检验3.5 敷设现场的环境检验4. 检验结果4.1 敷设工艺的合格情况4.2 材料和设备的合格情况4.3 施工质量的合格情况4.4 敷设现场的环境合格情况5. 检验总结5.1 各项检验结果的总结5.2 存在的问题和不合格项的处理措施5.3 对敷设过程的建议和改进措施6. 附件6.1 相关文件和图纸6.2 检验记录表格附件:- 敷设工艺图纸- 电缆保护管材料质量证明书- 监测设备的检验报告法律名词及注释:- 敷设:指按照规定要求进行电缆保护管的铺设和安装。
- 材料和设备:指用于电缆保护管敷设工作的各种材料和设备,如管材、接头、固定件等。
- 施工质量:指电缆保护管敷设过程中的外观质量、连接质量、规格尺寸等方面的合格情况。
2. 范本(风格二)电缆保护管敷设检验批质量检验记录1. 质量检验记录概述1.1 检验记录的目的1.2 检验记录的重要性2. 检验准备工作2.1 检验项目的确定2.2 检验标准的制定2.3 检验工具和设备的准备3. 检验过程3.1 检验前的准备工作3.2 敷设工艺的检验方法3.3 材料和设备的检验方法3.4 施工质量的检验方法3.5 敷设现场的环境检验方法4. 检验结果记录及评定4.1 敷设工艺的合格情况记录和评定4.2 材料和设备的合格情况记录和评定4.3 施工质量的合格情况记录和评定4.4 敷设现场的环境合格情况记录和评定5. 检验总结及改进建议5.1 各项检验结果的总结及评价5.2 问题和不合格项的处理措施5.3 敷设过程的建议和改进措施6. 附件6.1 相关文件和图纸6.2 检验记录表格附件:- 敷设工艺图纸- 电缆保护管材料质量证明书- 监测设备的检验报告法律名词及注释:- 敷设:按照规定要求进行电缆保护管的铺设和安装工作。
电缆通道安装和通道内电缆敷设检验批质量验收记录电缆通道是电力、通信、控制等行业中常用的一种设施,它能够起到保护电缆、线管以及其他设备的作用。
为了保证电缆通道的安装质量和通道内电缆的敷设质量,需要进行检验批质量验收记录。
本文将详细介绍电缆通道安装和通道内电缆敷设的质量验收记录。
一、检验批质量验收记录的目的1、为了保证电缆通道的安装质量,避免可能存在的安全隐患;2、为了监督和评估工程质量,确保工程符合相关规范和技术要求;3、为了记录和保留质量验收的全过程,作为后续执法执规检查的重要依据。
二、检验批质量验收记录的内容1、工程概况在本部分主要记录电缆通道的基本信息,包括工程名称、工程地点、建设单位、施工单位等。
2、质量验收人员清单在本部分记录参与质量验收的人员名单,包括质量监督员、建设单位代表、施工单位代表等。
3、工程质量验收时间在本部分记录质量验收的时间,包括验收开始时间、验收结束时间等。
4、质量验收的具体内容在本部分详细记录质量验收的具体内容,包括电缆通道的安装情况、通道内电缆的敷设情况等。
5、质量验收的标准和要求在本部分列出质量验收的标准和要求,包括相关的规范、技术要求等。
6、质量验收结果在本部分记录质量验收的结果,包括合格、不合格等。
7、问题和处理意见在本部分记录质量验收中发现的问题,并提出处理意见。
8、签字确认在本部分进行质量验收人员的签字确认,包括质量监督员、建设单位代表、施工单位代表等。
三、检验批质量验收记录的编写要点1、内容详实具体在编写检验批质量验收记录时,要求内容详实具体,尽量精确描述安装和敷设的情况。
2、记录准确在编写检验批质量验收记录时,要求记录准确,不得遗漏任何重要信息。
3、条理清晰在编写检验批质量验收记录时,要求条理清晰,按照一定的逻辑顺序进行描述。
4、质量验收结果真实在编写检验批质量验收记录时,要求质量验收结果真实可靠,不得有任何歧视、造假的情况。
总结:电缆通道安装和通道内电缆敷设的检验批质量验收记录是确保电缆通道安全可靠的重要步骤。
电缆敷设检验批范文电缆敷设是电力工程中的重要环节,对于电力输送和分配起着至关重要的作用。
为了确保电缆敷设质量,必须进行检验批工作。
本文将对电缆敷设检验批进行详细介绍,并阐述其重要性、检验内容和要求。
一、电缆敷设检验批的重要性电缆敷设检验批是为了确保电缆敷设质量和维护电力工程的安全运行。
敷设电力电缆需要考虑多个方面的因素,包括电缆材料、电缆敷设环境等。
只有经过专业的检验批工作,才能有效地控制敷设过程中的质量问题,避免敷设错误和故障发生,保证电力工程的正常运行。
二、电缆敷设检验批的内容1.电缆材料:检查电缆是否符合规定的标准,包括导体、绝缘体、绝缘护套等材料的质量和性能。
2.电缆敷设过程:检查电缆的敷设方法、工艺和设备是否符合要求,包括电缆的铺设方式、导线截面和布线图。
3.电缆接头和终端:检查电缆接头和终端的安装方式和质量,包括接头和终端的材料、连接方式和绝缘处理。
4.电缆标识和防护:检查电缆的标识是否清晰可辨,包括电缆的类型、规格、电压等信息。
此外,还需要检查电缆的防护措施是否到位,包括电缆管道、槽道和保护层等。
5.电缆测试和验收:进行电缆的试验和检测,包括电阻、电容和绝缘电阻等项目的测量。
通过测试结果判断电缆的质量是否符合要求,并进行相应的验收。
三、电缆敷设检验批的要求1.检验批组织:由专业的电力工程人员组成检验批工作组,负责检查电缆敷设的每个环节,并对不符合要求的情况进行记录和处理。
2.检验批计划:制定详细的检验批计划,明确检验时间、地点和内容。
在重要环节和关键工序进行全面检查,并随时跟踪记录和整改。
3.检验批记录:对于每个检验批的检查结果进行详细记录,包括问题描述、整改措施和验收结果等。
确保每个环节的质量问题能够得到妥善解决,并为后续工作提供参考。
4.整改和验收:对于存在问题的环节,要及时制定整改措施,并进行复核和验证。
只有通过整改和复核后,方可进行验收,确保敷设质量符合要求。
综上所述,电缆敷设检验批是电力工程中不可或缺的环节,通过对电缆材料、敷设过程、接头和终端、标识和防护、测试和验收等方面的检查,确保电缆敷设的质量和安全性。
电缆敷设检验批质量验收记录范本1:电缆敷设检验批质量验收记录一、前言为确保电缆敷设工程质量,对敷设过程中进行的检验批进行验收,以便及时发现问题并加以整改。
本文档记录了电缆敷设检验批质量验收的详细过程。
二、验收范围本次验收范围包括以下内容:1. 电缆的铺设、固定、连接等工艺。
2. 电缆敷设的材料和设备的质量。
三、验收标准根据相关国家和行业标准,对电缆敷设的质量进行评定。
标准包括:1. 电缆的铺设是否符合工程设计要求。
2. 电缆敷设的材料和设备是否符合规范要求。
3. 电缆接头和连接件的安装是否符合规范要求。
四、验收内容按照验收范围和标准,对电缆敷设进行详细的验收。
具体内容包括:1. 检查电缆敷设是否按照设计要求进行。
2. 检查电缆敷设的材料和设备是否符合规范要求。
3. 检查电缆接头和连接件的安装是否符合规范要求。
4. 进行电缆的电气测试,检查电缆电气性能是否符合要求。
五、验收结果记录根据对电缆敷设的详细检查,记录验收结果。
结果分为合格和不合格两种情况。
对于不合格的部分,提出整改要求。
六、验收结论根据验收结果,对整个电缆敷设工程进行综合评定。
如果符合验收标准,做出合格结论,并填写验收日期和验收人员签字。
如果不符合验收标准,则做出不合格结论,并提出整改要求。
附件:电缆敷设检验批质量验收记录表法律名词及注释:1. 电缆:一种用于输送电能的导体,由一个或多个绝缘导体组成。
2. 敷设:将电缆铺设在地下或其他固定位置上的过程。
范本2:电缆敷设检验批质量验收记录一、前言为了保证电缆敷设的质量,确保工程安全稳定运行,对电缆敷设的检验批进行质量验收是必要的。
本文档记录了电缆敷设检验批质量验收的详细过程。
二、验收范围本次验收范围包括以下内容:1. 电缆的敷设方式和固定。
2. 电缆敷设过程中使用的材料和设备的质量。
三、验收标准根据相关法律法规和行业标准,制定电缆敷设的验收标准。
标准包括:1. 电缆的敷设是否符合设计要求。
电缆敷设检验批质量验收记录表电缆敷设检验批质量验收记录表表号:Q/CSG表2-7.3.1项目名称:单位(子单位)工程名称编号:分项工程名称:施工图号:施工执行标准名称及编号:序号检验项目质量标准检验方法验收部位承包单位自检结果监理公司检查结果本文是一份电缆敷设检验批质量验收记录表,用于记录电缆敷设过程中的各项检验项目和结果。
表中包括项目名称、编号、工程名称、施工图号、施工执行标准名称及编号、序号、检验项目、质量标准、检验方法、验收部位、承包单位、自检结果和监理公司检查结果。
每个项目都有相应的标准和检验方法,以确保电缆敷设的质量。
项目技术负责人:年月日EPC总承包单位签字栏监理公司签字栏以上是一份合同中的签字栏,其中项目技术负责人、EPC总承包单位和监理公司都有各自的签字职责。
这份合同是为了确保工程建设的顺利进行而制定的。
在工程建设中,项目技术负责人是非常重要的角色。
他需要负责项目技术方案的设计和实施,同时还需要对工程建设过程进行全面监督和管理。
只有他能够确保工程建设的质量和安全。
EPC总承包单位则需要负责整个工程项目的实施和管理。
他们需要协调各个分包单位的工作,确保工程建设的进度和质量。
同时,他们还需要对工程建设过程中的各种问题进行解决。
监理公司则是对工程建设过程进行全面监督的单位。
他们需要对工程建设过程中的各个环节进行检查和评估,确保工程建设符合国家相关标准和法规。
只有他们的监督,才能保证工程建设的质量和安全。
在工程建设过程中,各个签字职责的人员需要密切合作,共同推进工程建设。
只有大家的努力,才能确保工程建设的质量和安全。
电线电缆敷设检验批一、工程概况本项目位于XX市XX区,是一项电力建设工程,总投资XX万元,施工单位为XX公司。
该工程的主要工作是对电线电缆进行敷设,确保电力系统的正常运行。
二、工程内容1.敷设电线电缆:根据设计要求,将电线电缆敷设在地下管道中。
2.清理地面:清理管道附近的杂物,确保施工区域干净整洁。
3.固定电线电缆:使用专用夹具将电线电缆固定在管道内,避免松动和挤压。
4.接地处理:对接地电缆进行接地处理,确保电力系统的安全性。
三、施工人员1.施工队伍:施工队伍由XX公司派遣,共计XX人。
2.班组组成:施工队伍根据工种的不同划分为若干个班组,每个班组负责相应区域的施工工作。
3.监理人员:对施工过程进行监督和指导,并记录施工情况,由XX 公司派遣,共计XX人。
四、施工过程1.现场准备:按照工程要求,在施工区域设置施工区域标志和安全警示牌,并进行安全交底。
2.敷设电线电缆:根据设计要求,逐段敷设电线电缆。
在敷设前,应先进行验收,确保质量合格。
3.清理地面:清理地表上的杂物,确保施工区域干净整洁。
4.固定电线电缆:使用专用夹具将电线电缆固定在地下管道内,避免松动和挤压。
5.接地处理:对接地电缆进行接地处理,确保电力系统的安全性。
6.完工验收:施工完成后,由监理人员进行现场验收,并提供相应的验收报告。
五、质量控制1.施工材料:所有施工材料必须符合国家标准,质量合格。
2.施工人员:施工人员必须具备相关的职业证书和一定的工作经验。
3.施工工艺:按照设计要求和施工规范进行施工,严禁擅自改变施工工艺。
4.现场管理:严格执行施工技术交底制度,对施工过程进行监督和检查。
5.质量验收:对施工过程中的重要环节进行抽查,确保施工质量符合要求。
六、安全措施1.安全警示:在施工现场明显位置设置安全警示牌和标志牌,提醒周围人员注意安全。
2.安全防护:对施工人员进行安全教育和培训,提供必要的安全防护设备。
3.合理作业:根据施工要求和实际情况,合理安排作业顺序和施工方法,确保施工过程安全。
电缆保护管敷设检验批质量检验记录一、检验项目:电缆保护管的敷设质量检验二、检验对象:电缆保护管工程三、检验依据:《电缆保护管施工及验收规范》四、检验要求:1. 敷设质量:电缆保护管敷设应符合规范的要求,包括水平、垂直与固定方式等。
2. 管材质量:电缆保护管材质应按规范要求使用耐腐蚀、抗压、绝缘性能良好的材料。
3. 连接件质量:电缆保护管连接件应符合规范要求,连接牢固,密封性好。
4. 管沟开挖与回填:电缆保护管敷设前,管沟的开挖与回填应符合规范要求。
五、检验内容:1. 敷设质量检验(1)检查电缆保护管的敷设是否垂直、水平,且与设计要求一致。
(2)检查电缆保护管的固定方式,是否能够稳固地支撑电缆,并满足规范要求。
2. 管材质量检验(1)对电缆保护管的材料进行检查,确认其符合规范要求,并无明显的损坏、变形、腐蚀等问题。
3. 连接件质量检验(1)检查电缆保护管连接件的质量,确认其牢固连接,无松动、渗漏等问题。
4. 管沟开挖与回填检验(1)检查电缆保护管的管沟开挖情况,确认开挖宽度、深度符合规范要求,并无埋挡物。
(2)检查电缆保护管的回填情况,确认回填材料符合规范要求,并且固定稳定,无空洞。
六、检验结果:经对电缆保护管工程进行检验,结果如下:1. 敷设质量:电缆保护管敷设垂直、水平,与设计要求一致。
2. 管材质量:电缆保护管材质符合规范要求,无明显损坏、变形、腐蚀等问题。
3. 连接件质量:电缆保护管连接件牢固连接,无松动、渗漏等问题。
4. 管沟开挖与回填:电缆保护管沟开挖宽度、深度符合规范要求,无埋挡物;回填材料符合规范要求,固定稳定,无空洞。
七、检验结论:本次电缆保护管敷设检验批的质量符合规范要求,可通过验收。
八、检验人员:XXX九、日期:XXXX年XX月XX日。
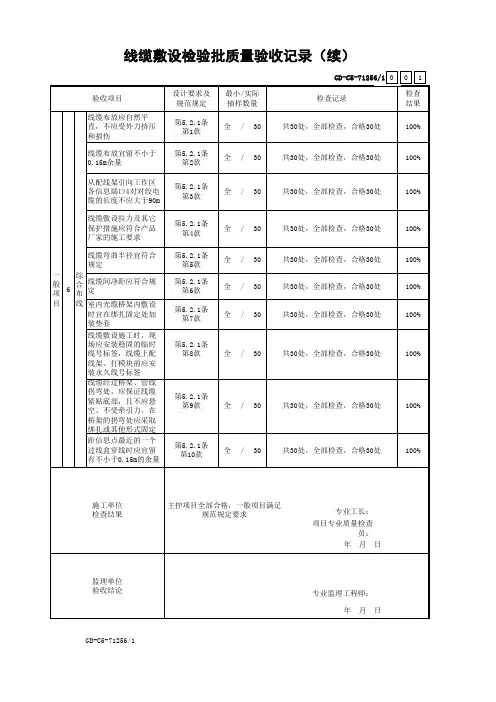
电缆敷设检验批质量验收记录
07040601
单位(子单位)工程名
称分部(子分部)工
程名称
建筑电气/电气动力
分项工程名
称
电缆敷设
施工单位项目负责人检验批容量
分包单位分包单位项目负责
人
检验批部位电缆敷设检验批
施工依据验收依据《建筑电气工程施工质量验收规范》GB50303-2015
主控项目
验收项目
设计要求及
规范规定
最小/实际抽样数量检查记录检查结果1
金属电缆支架、电线导管的接地或
接零
第13.1.1条/
2 电缆敷设第13.1.2条/
/
一般项目
1 电缆支架安装第13.2.1条/
2 电缆的弯曲半径第13.2.2条/
3 电缆的敷设固定和防火措施第13.2.3条/
4
电缆的首端、末端和分支处的标志
牌
第13.2.4条/
施工单位检查结果
专业工长(施工员):
项目专业质量检查员:
年月日监理(建设)单位验收结论
专业监理工程师
(建设单位项目专业负责人):
年月日
注:本表内容的填写需依据《现场验收检验批检查原始记录》。
本检验批质量验收的规范依据见本页背面。