爆破震动控制
- 格式:doc
- 大小:30.50 KB
- 文档页数:4
隧道施工中的爆破与爆破振动控制隧道工程是一项复杂而庞大的工程,它需要经过多个施工环节才能完工。
其中,爆破是隧道施工中常用的一种方法,可以帮助加速工程进展,但同时也会带来一定的振动问题。
本文将探讨隧道施工中的爆破技术以及如何控制爆破振动的相关策略。
一、爆破技术在隧道施工中的应用1. 爆破的作用在隧道施工中,地质条件复杂多变,爆破技术能够有效地破碎硬岩、软土等地层,加速施工进程。
通过合理的爆破设计,可以减少人工挖掘的时间和劳动力成本,提高工程效率。
2. 爆破的过程隧道爆破通常分为预裂爆破和总爆破两个阶段。
预裂爆破是通过钻孔、注水等工艺,在岩石中形成预裂缝,以便于总爆破的进行。
总爆破则是通过引爆装置,将预裂缝进行破碎。
二、爆破振动对隧道工程的影响1. 爆破振动引起的问题爆破振动会引发地表和地下的振动,对周围环境产生影响,包括建筑物、管道、地下水位等。
破坏性的振动和震动声会导致噪音扰民、建筑物的损坏,甚至影响到地下水资源。
2. 爆破振动的监测为了准确评估爆破振动对周围环境的影响,需要对振动进行实时监测和记录。
通常通过地震仪等设备,监测地表振动、动态变化等数据,以便及时采取控制措施。
三、控制爆破振动的策略1. 合理的爆破设计在隧道爆破中,合理设计爆破参数是降低振动影响的重要手段。
通过合理的装药方式、炸药量以及引爆顺序等因素的控制,可以减少振动幅度和能量释放,从而降低对周围环境的影响。
2. 防护措施的采取为了保护周围建筑物和设施不受振动影响,可以采取一系列的防护措施。
例如,在爆破前进行建筑物的加固,设置振动屏障或音频隔离墙以减缓振动传播,以及采用减震措施等。
3. 合理的施工时间安排在爆破施工中,合理的时间安排也是降低振动影响的重要因素。
避免在夜间或节假日等高峰时段进行爆破作业,可以减少振动对人们生活和工作的干扰,降低社会不安。
四、未来爆破技术的发展随着科技的不断进步,爆破技术也在不断创新和发展。
未来,我们可以期待更加智能化的爆破系统,通过使用先进的监测设备和模拟技术,实现对爆破振动的更加精准控制。
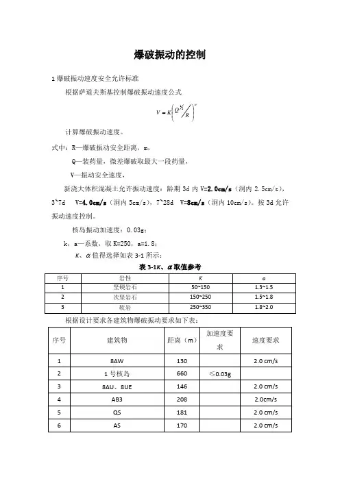
爆破振动的控制1爆破振动速度安全允许标准根据萨道夫斯基控制爆破振动速度公式α⎪⎪⎭⎫⎝⎛=R Q K V 31 计算爆破振动速度。
式中:R —爆破振动安全距离,m ,Q —装药量,微差爆破取最大一段药量,V —振动安全速度,新浇大体积混凝土允许振动速度:龄期3d 内V=2.0cm/s (洞内2.5cm/s ),3~7d V=4.0cm/s (洞内5cm/s ),7~28d V=8cm/s (洞内10cm/s )。
按3d 允许振动速度控制。
核岛振动加速度:0.03g ; k ,a —系数,取K=250,a=1.8;K 、α值得选择如表3-1所示:表3-1K 、α取值参考根据设计要求各建筑物爆破振动要求如下表:根据爆区周围各需保护目标的结构特征及距爆区的距离,通过振动速度公式校核可得下表数据。
爆破前期通过爆破试验以及振动监测单位的振动监测数据,由小到大逐步增大最大段齐爆药量,确保核电站各项设施的正常运行。
表3-2不同保护物项的最大单响数值由上表可知:核岛660m,Q=745kg; 8AW厂房130m,Q=703kg;3天内新浇混凝土60m, Q=42.8kg;(目前爆区300m范围没有浇筑混凝土,爆破实施前应掌握爆破区域周边环境变化情况,如被保护物项发生变化,应及时调整最大单响起爆药量)。
洞外爆破按单孔单响控制最大起爆药量(单孔装药量为60kg),洞内爆破按最大起爆药量41.4kg,如单孔装药量超过允许最大起爆药量时,采用孔内分段爆破或减小孔深降低单孔装药量措施。
.2爆破振动验算按主爆区最大单响药量为60kg,用公式V=K(Q1/3/R)α进行验算,式中字符含义同上。
由此算得保护物象的振动速度值见下表:由此可知,理论计算按60kg最大齐爆药量控制符合允许振动要求,但应根据振动监测数据判断其理论计算取值的合理性,如有差异及时调整。
.3露天爆破振动防护措施(1)采用微差爆破技术,合理选取微差间隔时间及微差段数,根据施工进度实际情况合理安排,尽量多安排段的数量和延长微差时间,利用先爆孔爆破后造成附近岩体破碎和松裂为后爆孔开创内部自由面来达到降振的目的。
矿山爆破振动与控制技术和降震措施矿山爆破是现代采矿业中一项必要的技术手段,可以快速开采矿石、提高采矿效率。
但是,爆破会产生很强的振动和噪声,给周边环境带来很大的负面影响,如矿山坍塌、土地沉降、建筑物受损、居民生活受干扰等。
因此,矿山爆破振动与控制技术和降震措施是十分必要的,下面将从几个方面详细阐述。
一、矿山爆破振动与控制技术1、振动传播规律的研究矿山爆破振动传播主要依靠波动形式,其传播规律是非常复杂的。
因此,需要对振动传播规律进行研究。
通过分析振幅、频率、波速、能量等参数,确定了振动传播规律,从而指导矿山爆破的实际操作。
2、预测与监测技术矿山爆破前,需要预测振动波及范围、预测产生的噪声等,从而采取相应的降震措施。
监测则是在爆破后进行的,通过监测振动和噪声的强度和分布,从而判断矿山爆破是否对周边环境产生了负面影响,并采取相应的措施进行降震。
3、降低爆破振动的能量降低爆破振动的能量是一种有效的降震措施。
可以通过改变炮孔的布置和深度、采用低密度炸药、增强岩石的耐热性等方法来降低爆破的振动能量,从而减小爆破对周边环境的影响。
二、矿山爆破降震措施1、埋深炸法埋深炸法是将炸药埋深到矿体深处,从而减少振动能量的一种方法。
其原理是将振源埋深,使振动能量会在地下损失一部分,从而减少了运动传递到地表的振动能量。
2、缓冲层降震法在矿山爆破前设置缓冲层,层间填充有一定数量的水或泥浆,从而减少爆破振动功率,从而达到降低振动的目的。
3、水质降震法在矿山爆破前将炸药包裹在水中,在水下点燃,通过水的吸收和折射来减弱冲击波的能量,从而达到减少振动的效果。
总结矿山爆破对周边环境造成的负面影响是不可避免的,但是通过合理的技术手段和降震措施,可以有效地减少对环境的破坏。
因此,需要对矿山爆破振动与控制技术和降震措施进行不断的探索和改进。
隧道施工中的爆破振动监测与控制一、引言隧道施工是现代城市建设的重要工程之一,然而,随着隧道越来越多地穿越城市核心地区,人们对施工振动的影响也越来越关注。
特别是在爆破施工过程中产生的地震波振动,对周围建筑、地基和地下管线可能造成不可逆的破坏。
因此,对隧道施工中的爆破振动进行监测与控制显得尤为重要。
二、爆破振动的影响与监测1. 爆破振动对周围建筑的影响隧道施工中的爆破振动对周围建筑物可能产生的影响包括建筑物裂缝、墙体破坏、基础沉降等。
因此,在施工过程中,需要对周围建筑物进行实时监测,以及对可能受到影响的建筑物进行前期调查。
监测手段包括地基测点、墙体倾斜仪、全站仪等。
2. 爆破振动对地基和地下管线的影响爆破振动不仅会对地表建筑物产生影响,也会对地基和地下管线造成一定程度的破坏。
因此,在施工前,需要对周围地下管线的位置以及地基的稳定性进行调查,以确定可能存在的风险,并采取相应的措施进行防护。
3. 爆破振动的监测手段隧道施工中的爆破振动监测主要通过地震仪、振动传感器和测量仪器进行。
地震仪可以直接监测到地面产生的地震波振动,振动传感器可以测量到建筑物的振动幅值和频率,测量仪器可以对爆破振动进行实时记录和分析。
三、爆破振动的控制措施1. 爆破设计的优化通过优化爆破设计,减少爆破振动对周围建筑物和地基的影响。
可以通过调整爆炸药量、起爆时间、孔径和孔距来控制爆破振动的强度和分布。
同时,选择合适的爆破药剂和起爆方式,也可以有效减小爆破振动的危害。
2. 施工监督与控制在施工过程中,需要严格控制爆破振动的峰值和持续时间。
通过设置合理的监测点和阈值,及时发现超限情况,并采取相应的措施进行调整。
同时,建立良好的沟通机制,及时向周围居民通报施工情况,减少不必要的恐慌和误解。
3. 应急预案的制定针对可能发生的意外情况,需要制定合理有效的应急预案。
包括紧急疏散措施、建筑物加固方案等,以保障人员的安全和建筑物的完整性。
四、国内外经验与案例1. 国外经验在国外,隧道施工中的爆破振动监测与控制已经非常成熟。
建构筑物拆除中的爆破技术与振动控制建筑物拆除对于城市发展和重建计划来说是一个重要的环节。
在这个过程中,爆破技术被广泛应用于拆除大型建筑物。
然而,爆破所产生的振动波可能对周围环境和结构物造成不可忽视的影响。
因此,振动控制成为建构筑物拆除中的重要议题之一。
爆破技术是一种有效且高效的建筑物拆除方法。
该技术通过将爆炸剂放置在建筑物的关键位置,并通过引爆爆炸剂来实现建筑物的瞬时破坏。
这种方法可以迅速拆除大规模的建筑物,并降低人工拆除所需的时间和成本。
然而,爆破技术所产生的振动波可能会对周围环境和结构物造成损害。
振动波会通过地面传播,可能导致附近建筑物的结构受损或破坏,并对地下管网、地基以及周边居民的生活质量产生影响。
因此,振动控制在建构筑物拆除中至关重要。
为了减少振动对周围环境和结构物造成的影响,需要采取一些振动控制措施。
首先,合理的爆破方案是减少振动的重要前提。
通过合理设计爆破方案,可以在保证爆破效果的同时,尽量减少振动波的产生。
其次,可以采用振动监测系统来实时监测爆破过程中的振动波。
通过监测数据,可以及时掌握振动波的传播情况,从而采取相应的振动控制措施。
此外,还可以采用一些工程措施来控制振动波的传播。
例如,在建筑物周围设置振动隔离垫,通过减少振动波的传导路径来减少振动对结构物的冲击。
此外,还可以在被拆除建筑物的周围设置振动衰减装置,通过吸收或衰减振动波的能量来控制振动的传播。
在实际的建构筑物拆除中,还需要制定相应的振动控制标准和监管政策。
通过制定严格的振动限制标准,并对拆除过程进行监管,可以确保振动控制措施得到有效实施,并保护周围环境和结构物的安全。
需要指出的是,振动控制在建构筑物拆除中是一个多学科的课题,需要建筑工程、爆破工程、地震学等多个领域的专业知识和经验进行综合应用。
因此,需要建立跨学科的研究与合作机制,促进相关领域之间的知识交流与合作,不断提升振动控制的技术水平。
在构筑物拆除过程中,爆破技术在提高效率和降低成本方面具有明显优势。
爆破振动及超欠挖控制措施7条
(1)设计轮廓线均采取预裂或光面爆破,对采取梯段开挖的直立边墙采取预裂爆破,对采取水平开挖的轮廓线采取光面爆破,对地质弱面和重要部位(如厂房岩锚梁等)采取预留保护层,再实施弱爆破开挖。
(2)采用红外激光定位技术精确放样,准确标出周边光爆孔的孔位及方向。
(3)所有的周边孔均在设计轮廓线上开孔,钻孔略向外倾斜2~3°,各钻孔之间保持平行,孔底落在同一高程上。
(4)对弯段适当缩短钻孔深度,对弧线段和地质弱面,采用密孔、浅孔、短循环掘进,减小终孔偏差,将光爆岩面误差控制在允许范围内。
(5)选用经验丰富,技术熟练的台车操作手进行周边孔钻孔,严格控制钻孔质量。
(6)通过爆破试验,优化爆破设计,严格控制装药量,确保岩锚梁基座水平光爆半孔率在90%以上。
(7)采用先进设备和技术,拟新购2台电脑导向三臂凿岩台车用于关键部位的周边孔钻孔,并新购2台erkat铣挖机,用于洞室的欠挖处理。
爆破震动控制管理制度一、爆破震动控制管理制度的意义1. 保护周围建筑物和设施的安全:爆破震动如果超出一定范围,就会对周围的建筑物、道路、桥梁等设施造成损坏。
建立爆破震动控制管理制度,可以有效地保护周围建筑物和设施的安全。
2. 减少社会消极影响:爆破施工如果引起周围居民的投诉和抗议,会对整个项目的进行造成负面影响。
建立爆破震动控制管理制度,可以减少社会消极影响,提升工程形象。
3. 提高工程质量和效率:通过科学的爆破震动控制管理制度,可以降低爆破施工过程中的震动强度,减少爆破对周围环境的影响,从而提高工程质量和施工效率。
二、爆破震动控制管理制度的内容1. 爆破震动监测:在爆破施工现场周围设置震动监测仪器,对爆破震动进行实时监测。
监测数据应定期上传至相关部门,并保存一定时间供查询。
2. 爆破震动评估:根据监测数据,对爆破震动进行评估,判断是否超出相关标准和规定。
如果超出范围,应及时采取措施进行调整。
3. 爆破震动预警和预防:在爆破前应做好周围建筑物和设施的调查和评估,判断可能受到影响的范围,并提前进行预警,采取预防措施,如搭建防护网、加固建筑物等。
4. 爆破震动控制措施:在爆破现场采取相应的控制措施,如合理布置起爆点、选用适当的炸药和引爆方式等,降低爆破震动的强度。
5. 爆破震动记录和报告:对每次爆破进行详细记录,包括爆破方案、监测数据、调整措施等,形成爆破震动报告,并及时上报相关部门。
6. 爆破震动管理责任:明确爆破震动控制管理的责任单位和责任人员,建立健全的管理机制,确保爆破震动控制工作的有效实施。
三、爆破震动控制管理制度的实施1. 制定爆破震动控制管理制度:相关施工单位应制定详细的爆破震动控制管理制度,包括监测、评估、预防、控制、记录和报告等内容,确保制度的全面性和有效性。
2. 培训相关人员:对负责爆破施工的人员进行培训,包括爆破技术、震动监测和评估、控制措施等知识和技能,提高他们的专业水平和责任意识。
土石方工程施工爆破振动控制随着建设项目的不断增加,土石方工程施工爆破振动控制问题日益受到关注。
在土石方工程中,由于爆破作业导致的振动可能会对周围环境和工程结构造成负面影响。
因此,科学有效地控制爆破振动成为了当务之急。
本文将探讨土石方工程施工爆破振动的控制方法和技术。
一、爆破振动的影响因素土石方工程施工爆破振动主要受以下几个因素的影响:1. 炸药性能:炸药的性能直接影响爆破振动。
不同炸药的爆轰速度、爆炸产物体积等因素会对振动产生巨大影响。
2. 爆破参数:爆破参数的设定也会对振动产生影响。
如爆炸药量、起爆时间、孔距等参数设定不合理,都可能导致振动超标。
3. 地质条件:地质条件是影响振动效应的重要因素之一。
地质合理性、岩石性质等都会对爆破振动产生直接影响。
二、爆破振动控制方法为了控制土石方工程施工爆破振动,可以采取以下几种方法:1. 合理设计爆破参数:爆破参数的合理设定是减小振动的重要手段。
通过合理选择炸药性能、设定合理的爆破参数,可以有效地控制振动。
2. 减小荷载力度:可以适当减小荷载力度,减少振动影响。
降低爆破药量、调整孔距等方式可以有效减小振动对工程结构的影响。
3. 控制起爆时间:合理控制爆炸起爆时间,可以缓解振动问题。
通过适当延长爆破起爆时间,可以使振动作用时间减小,减轻振动效应。
4. 采用阻尼措施:采用阻尼措施可以减小振动破坏。
如在振动较大的区域采用阻尼材料进行缓冲,可以使振动向周围扩散减小。
5. 监测与预警:对施工现场进行振动监测,并设置预警机制。
及时监测到振动超标情况,可以采取相应措施进行防范和控制。
三、爆破振动控制的技术手段针对土石方工程施工爆破振动问题,还可以采用一些先进的技术手段,如:1. 数值模拟技术:通过建立土石方工程施工的数值模型,模拟爆破振动的传播和影响范围,为控制措施的制定提供科学依据。
2. 振动监测设备:采用振动监测设备进行实时监测,掌握爆破振动情况,及时调整施工参数,确保振动不超标。
矿山爆破振动与控制技术和降震措施式中R安爆破地震安全距离,m。
3爆破振动的控制及降震措施矿山爆破,无论是地下矿山的中深孔爆破,还是露天大爆破,必须重视爆破振动的危害。
特别是在距村庄民房或固定的建(构)筑物较近的区域爆破,为确保安全,避免引起民事纠纷,必须把爆破振动的危害控制在允许的范围之内。
3.1选取合理的爆破参数降低爆破振动3.1.1选择适当的爆破作用指数对露天大爆破,特别是露天硐室大爆破,爆破作用指数n值的大小,较大的影响着爆破振动强度,在一定的范围内,它们之间成反比关系。
根据资料介绍,n为1.5的抛掷爆破与n为0.8的松动爆破相比,振动速度可降低4%~22%〔2〕。
因此,矿山爆破中,应尽可能获得最大松动的爆破效果,以减少爆破振动强度。
地下矿山的中深孔爆破,在合理选取爆破作用指数n值的同时,还必须创造一定的自由空间,使爆破获得最大松动。
3.1.2孔网参数要合理根据爆破机理的微分原理,为达到安全、合理之目的,使炸药均匀地分布在被爆岩体中,防止能量过于集中,达到减小爆破振动强度之目的。
这就要求爆破设计中选取比较合理的孔网参数,一是炮孔密集系数要尽量大于1;二是采用大孔距小排距爆破新技术;三是减少炮孔超深;四是地下矿山扇形中深孔孔口堵塞长度要合理,防止孔口药量集中;五是采用孔内间隔装药。
3.1.3取合适的单位炸药消耗量单位炸药消耗量,是爆破设计中计算炸药量的一个非常重要的参数,它除对保证爆破效果起决定作用外,还影响着爆破振动的强度。
过大的炸药单耗,会使爆破振动和空气冲击波增大,并引起岩块过度移动或抛掷。
相反,炸药单耗过小,也会由于延迟和减小从自由面反射回来的拉伸波效应,从而使爆破振动增大。
最优的炸药单耗,要通过现场测试和长期实践来确定。
3.1.4控制一次爆破炸药量一次爆破时的最大炸药量与爆破振动的强度成正比,一次爆破药量越大,爆破振动强度越大。
爆破时必须严格控制一次爆破药量。
采矿强度需要加大爆破药量时,必须采用分段(包括排间分段、孔间分段和孔内间隔分段)起爆,但不影响爆破总装药量和爆破矿石总量,满足生产需要。
矿山爆破振动与控制技术和降震措施矿山爆破是矿业生产中普遍使用的一种技术手段。
在矿山爆破过程中产生的振动会给矿区周围的房屋、道路、管线等基础设施造成很大的破坏,严重影响到周边居民的生活工作。
因此,采取有效的矿山爆破振动控制技术和降震措施,对维护社会安定和保障矿业生产都具有重要意义。
一、矿山爆破振动控制技术随着科技的不断进步,矿山爆破振动控制技术也在不断不断发展。
目前比较常用的控制技术包括:1、爆破参数优化技术:对矿山主要矿岩的物理力学性质进行分析,然后通过优化爆破参数(如炸药量、装药方式、孔径大小等),使得爆破振动减小,保障周围建筑物等基础设施的安全。
2、布点设计优化技术:通过对矿山矿体和周围环境进行全面的调查研究,合理地布置爆破孔点,减小振动波向周围环境传播的程度,达到控制振动的目的。
3、伏顿阻尼降震技术:伏顿阻尼降震技术是一种近年来比较常用的降震技术。
通过设计伏顿阻尼器,在建筑物地基和矿山矿体之间设置减震设施,将爆破振动转化为热能消耗,防止振动波向周围环境传播。
二、矿山爆破降震措施不同的矿山类型、爆破孔数、爆破规模等的特点都会对爆破所产生的振动产生不同的影响。
科学地采用相应的降震措施,可以有效地保障周围环境的安全。
主要的措施如下:1、降低爆炸能量:对于那些地质环境差、地面基础差或者爆破规模较大的矿山,降低爆炸能量是非常重要的降震措施之一。
2、布置合理的爆破孔位:通过研究矿体、地质环境等因素,呢设计出合理的爆破孔位,从而降低爆炸产生的振动量,达到降震效果。
3、采用伏顿阻尼器:伏顿阻尼器的使用可以把振动波转化为热能消耗,防止振动波向周围环境传播。
4、防爆破振动垫技术:在建筑物地基和矿山矿体之间设置特殊材料的防振垫,可以将振动量降低到最小。
三、结论矿山爆破振动虽然会对周围环境造成较大的影响,但是通过科学地采用矿山爆破振动控制技术和降震措施,可以有效地减小振动对周围环境的影响,达到环境保护和安全生产的双重目标。
爆破安全控制方案爆破安全主要指对爆破振动、飞石、空气冲击波及噪声等危害的控制,以达到安全、文明及环保施工的要求。
1、爆破振动的控制严格控制每次爆破规模,限制单段最大起爆药量,当炮孔较深情况下,可以采用逐孔微差起爆技术,以减少或消除爆破振动叠加,以最大限度的减小振动;每次爆破要有良好的临空面,使爆破炮孔从临空面开始逐段从外向内顺序间隔起爆,减少爆破的夹制作用,有效的降低爆破地震效应;控制起爆排数,加大起爆时间间隔,保证在良好的二个临空面条件下进行爆破。
(1)爆破振动安全距离计算根据国家《爆破安全规程》GB6722-2011有关规定,爆破振动安全距离按下式计算;R=(K/V)1/Qmax 1/3式中R-爆破震动安全距离(m);Qmax-同时最大起爆药量既爆破最大一段装药量(㎏)V-建筑物振动安全速度(㎝/s);根据新的《爆破安全规程》GB6722-2011的有关规定;地面建筑物的爆破振动判据,采用保护对象所在地质点峰值振动速度和主振频率。
对于深孔爆破其主振频率为10Hz~60Hz,本工程取40Hz。
K、a 与爆破点地形、地质等条件有关的系数和衰减指数,对于本爆破区为中(微)岩石。
《爆破安全规程》GB6722-2011规定:对于深孔爆破,主振频率为40 Hz时,建筑物振动安全速度如下:土窑洞,土坯房、毛石房屋1.0㎝/s一般砖房,非抗震的大型砌块建筑物2.5㎝/s(2)同时最大起爆药量Qmax的确定根据被保护建筑物允许振动速度值V=1.5㎝/s来控制最大分组装药量Qmax。
根据《爆破安全规程》GB6722-2011的有关规定,最大同时起爆药量的计算公式为:Qmax=R3(V/K)3/a式中:K、a与地形、地质等条件有关的系数和衰减系数。
Qmax同时最大起爆量(㎏)R爆破中心至建筑物的距离(m)V被保护建筑物的地面质点振动速度(㎝/s),根据《爆破安全规程》GB6722-2011的有关规定,取V=1.5㎝/s,不同的距离爆破允许的最大同时起爆药量(最大齐爆药量)见下表。
地下工程爆破震动控制技术措施分析地下工程爆破是指在地下开挖、隧道开挖等工程中,利用爆破技术进行岩石或土壤的破碎和移除的工程方法。
爆破作业会引起地下振动,通过对地下工程爆破震动控制技术措施的分析,可以有效减少爆破作业对周边环境和结构物的影响,保障工程安全和环保要求。
一、地下工程爆破震动的影响地下工程爆破震动是由于岩石破碎产生的冲击波、振动波和声波在地下的传播而引起的。
这些震动会对周边环境和结构物产生影响,主要表现在以下几个方面:1. 对周边房屋和建筑物产生振动影响,可能引起墙体开裂、地基沉降等损坏;2. 对地下管线和地下设施产生影响,可能引起管线破裂、设施损坏;3. 对地表和地下水源产生影响,可能导致土壤沉降、地面裂缝、地下水位变化等问题;4. 对周边居民和环境产生噪音和震动影响,可能引起居民投诉和环境污染。
针对地下工程爆破震动可能产生的影响,采取一系列的控制技术措施来减少震动的传播和影响,保障工程和周边环境的安全。
主要的控制技术措施包括:1. 爆破参数优化设计通过合理的爆破方案设计和爆破参数的优化选择,可以减少爆破产生的冲击波和振动波的能量,降低对周边环境和结构物的影响。
合理的爆破参数包括爆炸药量、孔距、孔深、装药方式等,通过科学计算和优化设计来控制震动产生的能量和传播的方向,达到减少震动影响的目的。
2. 地下振动监测在地下工程爆破作业前后,对爆破现场周边的结构物、管线、地表和地下水源等进行振动监测,及时掌握爆破作业对周边环境的影响情况。
通过振动监测数据分析,可以及时评估爆破作业的影响程度,采取相应的控制措施,保障周边环境和结构物的安全。
在爆破现场周边设置合适的振动控制措施,通过软土垫层、挡墙、振动吸收器等措施来减少爆破震动的传播和影响。
在特殊情况下,还可以采取预制孔眼、半圆形爆破等技术来减少爆破震动的产生和传播。
4. 周边结构物保护对可能受到爆破震动影响的周边结构物和管线设施进行保护,通过加固、支撑和振动吸收等措施来减少爆破震动对结构物的影响。
土石方工程施工爆破振动与噪音控制技术土石方工程是指土石方勘察、设计、施工、监测和验收等过程中,对土石体进行挖方、填方、移方等作业的工程。
在土石方工程的施工过程中,爆破作为一种高效、经济的土石方开采方法得到了广泛应用。
然而,爆破作业所产生的振动和噪音对周边环境及建筑物造成的影响也越来越引起人们的关注。
本文将介绍土石方工程施工中常用的爆破振动与噪音控制技术。
一、爆破振动控制技术1. 合理布置爆破点位和设计爆破参数合理的爆破点位和设计爆破参数是减小爆破振动影响的基础。
在爆破点位的选择上,要避免选择距离敏感建筑物过近的区域,确保爆破振动能够得到有效的传播和衰减。
同时,在设计爆破参数时,要考虑地质条件、爆破量及桩体巩固与保护等因素,通过合理设置炸药量、装药方式、引爆时间等参数,以减小振动影响。
2. 采用振动隔离措施振动隔离措施是减小爆破振动传播的常用方法。
可以采用隔离层(如地下水层、河流)来减缓爆破振动传播速度,或者设置振动隔离带(如放线带、消能带)来吸收振动能量,达到减小振动影响的目的。
3. 爆破振动监测与预测通过对爆破振动进行实时监测和预测,可以及时采取相应措施来减小振动影响。
监测手段包括地表振动传感器、地下振动传感器等,通过对振动传感器采集的数据进行分析和处理,可以判断振动影响范围和程度,以实现有效的振动控制。
二、爆破噪音控制技术1. 噪音源控制噪音源控制是减小爆破噪音的有效手段之一。
为了减少噪音源,可以采取合理的爆破设计,如选择低爆速炸药、增加草包垫等措施,减小爆破产生的冲击波和声喷射。
此外,还可以通过加装噪音防护器材,如噪音屏障、降噪器等来减少噪音传播。
2. 噪声传播路径控制噪声传播路径控制是通过改变噪声传播路径,减小噪音传播范围的方法。
可以采取合理的防护措施,如设置噪音屏障、调整施工时间等,防止噪音向周边敏感区域扩散传播。
3. 噪声接受体防护噪声接受体防护是在敏感区域内采取相应措施,减小噪音接收体对噪声的敏感程度。
广州地铁东站南站厅竖井石方爆破震动控制
摘要:针对爆破震动产生的原因,在设计及施工中按分层分步法采用微震动控制和光面爆破技术,通过对爆破进行跟踪、监测、指导施工,将爆破震动控制在答应范围内,实现了安全爆破。
关键词:竖井,石方爆破,震动控制
1工程概况
广州地铁三号线广州东站南站厅竖井位于高大楼群中和重要设施之中,竖井开挖面积大,开挖深度为18m,距地表高30.0m,开挖工程数量多而集中,开挖区四周环境极其复杂,南侧和西侧为铁城5层车库,其中地下3层,且西侧开挖基坑在车库底板下;北侧地下2,3层为正在运行的地铁一号线车站及上部7层火车东站办公大楼;东侧为广州火车东站7层站房主楼。
竖井沿上述建筑基础边缘垂直下挖,地质为红层微风化泥质沙岩,须爆破施工,在竖井爆破中,既要保证施工进度和爆破效果,又要保证爆破安全,非凡是将爆破震速控制在设计要求的2.5cm/s以内,施工难度很大。
2减少震动的技术措施
2.1爆破震动标准的确定
爆破震动强度可用质点震动位移、速度和加速度三个物理量来判定,国内外为了控制爆破破坏作用而进行了大量的研究,研究和实践表明,质点震动速度峰值是评估介质承受爆破破坏等级的最佳标准。
故竖井石方爆破采用质点震动速度作为爆破安全的主要判据,根据业主提出建筑物答应的质点震动速度标准为:v=2.5cm/s。
2.2竖井开挖爆破降震的主要技术措施
2.2.1减震原理
目前,国内外降低爆破震动,控制爆破震动影响范围的主要途径是:1)减小爆破震源的爆炸能量,以控制爆破震动的危害程度;2)阻断震动波传播扩大,减少爆破震动波的影响范围。
2.2.2广州地铁东站南站厅竖井控制爆破的减震技术
1)爆破设计中的质点震动速度的控制。
在爆破设计时,无论是施工方案的选择,还是爆破参数的确定,均采用了微震动方法。
采用的质点震动公式为
V=kα。
式中:V———质点震动速度,
cm/s;R———建筑物距爆源中心的距离,
m;Q———最大单响药量,kg;
α———与地质有关的系数,可采用经验类比法选区,也可通过试验测定。
采用爆破震动标准计算,得:V=2.5cm/s。
a.施工方案选择。
根据以上对爆破震动的技术要求,决定采用手风钻钻孔,浅孔台阶爆破,小型挖掘机挖装,吊车垂直运输至井外的施工方案。
爆破采用分层分步开挖法,先在竖井中选择距火车东站站房和地铁一号线较远的地方,进行掏槽爆破,然后沿掏槽四面进行浅孔台阶爆破,最后在周边进行光面爆破。
分层分步开挖爆破法,实质上是控制每次爆破能量,因此有显著的降震作用。
b.爆破参数设计。
合理的爆破参数是预防震动危害、控制质点震动的最有效方法,本次爆破的爆破参数见表1。
从表1可以看出,设计均以质点震动速度V=2.5cm/s为依据,上述参数和实践证实了它是控制爆破质点震动速度的有效方法。
2)爆破施工中的震动控制。
a.采用微差起爆技术严格控制单响药量,有效降低震动效应的影响。
根据距离建筑物远近设计最大单响药量。
通过微差网路,控制不同距离、不同单响药量,缩小震动影响范围。
在起爆网路设计时,对炮孔进行合理组合,有目的地降低单孔药量,使单响药量符合设计要求,达到减震目的。
如何确定合理的间隔时间仍是控制爆破减震技术的重要技术问题,要实现微差间隔时间的准确控制,必须生产起爆时间精确的雷管,才能实现分段爆破震动相位的错开,确定最佳的微差爆破间隔时间。
鉴于目前雷管生产情况,由于高段雷管误差较大,所以孔内高段雷管不宜超过10段,以保证间隔时间的精度。
注重起爆顺序和方式,以形成良好的自由面和自由面的空间,避免形成“闷炮”以减少震动的影响。
即通过掏槽先创造良好的自由空间,沿自由面顺序起爆,减少对后排炮孔的阻挡作用,达到一定的减震目的。
b.利用隔断震动波原理实现减震效果。
目前隔断方法常利用自然破碎层和人造预裂缝或隔震槽来减少爆破对四周建筑的影响,本次爆破由于四周建筑物非凡重要,若采用预裂爆破其爆破产生的震动将超过主炮孔,若采用降低单孔装药量或单孔起爆方法会造成预裂爆破失败。
施工中没有进行预裂爆破而采用光面爆破施工,竖井爆破多利用建筑物底板混凝土与岩石之间的破碎带进行减震。
3震动监测及安全分析
广州地铁3号线广州东站南站厅竖井开挖爆破,通过测试和宏观检查,爆破对四周建筑没有产生
任何损坏和影响。
405次爆破实践表明了爆破方案是合理的,爆破参数是正确的,施工组织是严密的,减震措施是有效的。
为极其复杂的环境中的石方严格控制爆破提供了比较完整的技术质料,积累了宝贵的经验。
同时证实了钢筋混凝土框架构筑物破坏判据V=2.5cm/s偏小。
4研究与探讨
4.1爆破震动对建筑物影响的安全分析
工程爆破对建筑物的影响是一个复杂的动力学问题。
目前,在工程界已改变了单一采用质点震动速度这一物理量作为震动安全控制标准,综合以测试数据为依据,并考虑到爆破震动频率的变化、结构物的动力响应,震动持续时间等因素,综合进行安全分析。
如在实测中,其中一质点震动速度最大值Vmax=5.78cm/s,超过了业主的要求标准V=2.5cm/s。
但经宏观调查,四周建筑并无任何损伤。
下面对这一现象进行研究和探讨。
4.1.1震动造成的瞬间位移
实测最大质点震速Vmax=5.78cm/s,震动频率为93Hz,其震动造成的瞬间位移可按下式计算:A=V/2πf=5.78/2×3.14×93≈0.01cm=0.1mm。
设计给定答应沉降变形标准不大于3mm。
因此根据计算当A=0.1mm时,不会造成建筑物破坏。
在竖井爆破中,答应的质点震动安全判据是确保工程有很大安全余地的经验值,同时小于国标,爆破安全规程规定标准V=5cm/s。
个别点突破此值仅表明引起破坏的概率的增加,并不表示一定会造成建筑物的破坏。
虽然如此,在施工中还是要按规范和技术要求进行爆破设计与施工。
在没有充分可靠的安全论证时,不得突破规范。
4.1.2结构物的动态特征
爆破震动造成地面震动是往复循环的,地面震动速度总是不断地变换方向。
由于运动方向和循环值都是随时间而变化的,虽然动应力瞬间多次达到动态损坏强度,一旦地面运动停止,产生进一步变形的力也就停止了,即使产生小的位移,只有动荷载停止,才不会继续变形。
除非荷载强度远远超过结构强度,否则瞬间失稳并不意味着最终失稳。
综上所述,南站厅石方爆破施工中,虽然个别点震速偏大,但不会造成四周建筑物损坏。
在竖井开挖过程中,实测96点次记录中,只有两点超过国标,因震动频率高,作用时间短,四周构筑物不会出现破坏现象。
4.2爆破震动的放大效应
爆破震动主要和爆源点距离和单孔药量有关,由于整个竖井开挖均为微震动爆破施工中,由于每次爆破爆源爆炸能量较小,无法对边坡产生放大效应。
应该指出,对顶部楼房,若使顶部产生放大效应,必须使整个建筑底板受到较大震动时,才能使楼顶产生震动放大效应,而南站厅竖井开挖,对楼房而言震动规律是随楼房高度增加而衰减,不存在放大效果。
故竖井开挖全过程中,广州火车东站站房及办公楼均没有发现震动损坏现象。
参考文献:
卢文波,赖世骧,舒大强.临近点基面岩石开挖爆破方案探讨.爆破,2001.18.
刘宏刚,白立刚,张永哲.复杂环境条件下长大石方路堑深孔拉槽控制爆破的减震技术.科技通讯,1996.3。