DB探伤仪校准方法
- 格式:doc
- 大小:228.50 KB
- 文档页数:4
超声探伤仪校验规程1. 目的:确保UT 检测的质量活动所使用的超声探伤仪性能的符合性和有效性。
2. 范围:本校验属于仪器使用性能年度例行校验,适用于A 型脉冲反射式超声探伤仪的校准和检定,有效期为一年。
3. 引用标准3.1《A 型脉冲反射式超声探伤仪通用技术条件》(JB/T10061-1999)3.2《无损检测名词术语》(JB3111-82)3.3《压力容器无损检测》(JB4730-94)3.4《超声探伤用探头性能测试方法》(JB/T10062-1999)3.5《超声探伤用1号标准试块技术条件》(JB/T10063—1999)3.6《A 型脉冲反射式超声波系统工作性能测试方法》(J B/T92 1 4-1 999)4. 职责4.1 应由中心分管副总师负责领导,并负责对校验报告的签发。
4.2由中心UT川级人员负责组织指导校验人员实施校验,并负责校验报告的审核。
4.3校验人员应由UT川级人员提出,并报中心主任批准。
校验人员应熟悉A型脉冲反射式超声探伤仪的结构、工作原理和使用方法,熟悉本规程的引用标准,能正确按本规程方法进行校验工作,编制校验报告。
5. 校验用标准试块及器具(应是计量部门检定合格的)5.1 各种不同频率的常用直探头和斜探头(不须检定)5.2 CSK—IA 标准试块。
5.3不同规格的对比试块(均为炭钢锻制件)531 JB4730— 94规定的阶梯试块(DB —D i试块)5.3.2 Z20 —1 (80 225 G1. 25)Z20 —2(80 225 G2 25)Z20 —4 (80 225 G4 25 )5.4探头压块:保持探头在试块上的固定压力、重量为1kg6. 校验6.1垂直线性误差测试:6.1.1测试设备a .各种频率的常用直探头b对比试块:Z20 —2或Z20 —4c .探头压块6.1.2测试步骤a .连接探头与仪器“发”位置,并用探头压块将探头固定在Z20 —2试块上并对准①2孑L,调节探伤仪使示波屏上显示的孔的反射波幅度为垂直刻度的100% (满刻度),且衰减器至少有30d B余量;b .调节衰减器,依次记下每衰减2d B时孔波幅度的百分数,直至衰减到26d B,然后将孔波幅度实测值与表中的理论值相比较,取最大正偏差d(+)与最大负偏差d (-)之绝对值的和为垂直线性误差,如△ d=| d(+)|+|d(-)| ;c .将底波幅度调为垂直刻度的100%,重复b调节衰减器方法,重复测试;d .在工作频率范围内,改用不同频率的探头,重复b、c方法进行测试。
数字式超声探伤仪基本操作标准
操作流程:
检查探头连接是否稳定——开机——开机自检正常——频道——选择任一频道——探头——选择直探头——检测声速是否在6260m/s左右,否则调节声速——声程——调整到测量范围的1~1.5倍——检查增益是否在42dB左右,否则调整增益——探伤(校准)——在有缺陷部位设置闸门,显示检测数据。
1、探头设定
根据实际所采用的探头进行设定,包括探头类型、探头频率、探头K值、探头ß角、晶片尺寸。
探头K值、探头ß角用于斜探头,可设定为0。
2、声速设定
铝及铝合金材料声速应设定为6260m/s。
3、声程设定
声程应设定为被测物件厚度的1-1.5倍。
按1键声程变为25 mm,按2键声程变为50 mm,按3键声程变为125 mm,按4键声程变为250 mm,按5键则声程以当前声程值加倍。
4、增益
用于调节仪器的灵敏度。
根据低波情况进行调节。
5、补偿
通过增加或减少来消除被测物件表面粗糙度造成的影响。
6、闸门
即仪器实时监视探测的区域。
7、位移
仪器屏幕的起点位置,用于屏幕调整显示位置。
超声波探伤仪自校准方法⒈目的CTS-26型与HS-600型超声探伤仪系携带式A型脉冲反射式超声探伤,可用交流或电池供电工作,采用高亮度内刻度示波管,具有工作频率范围宽探伤灵敏度高、稳定性好、高亮度、示波管波形清晰和体积小、重量轻、耗电小以及造型新颖、操作方便等特点。
为确保超声探伤仪功能正常,保证设备精确度、延长使用寿命,特制定本方法。
⒉依据(1)超声探伤仪使用手册(2)JB/T4730-2005⒊技术要求工作频率: 0.5~10MHz工作方式: 单探头发射接收或双探头分别发射接收衰减器: 衰减量80dB(20dB×2, 2dB×20)垂直线性误差: ≤5%水平线性误差: ≤1%深度范围: 10~5000mm(钢纵波)⒋校准项目4.1 外观应完好,附件应齐全,各控制旋钮、调节装置应灵敏、有效。
4.2 垂直线性误差检查。
4.3 水平线性误差检查。
⒌校准方法5.1 检查各控制旋钮,调节是否有效、灵敏。
5.2 垂直线性检查将《抑制》置最小(红点标志),《工作方式选择》开关置于“上”,使用5P20-D直探头。
将探头固定在CS-1型试块上,调节仪器的衰减器和增益,使某一稳定回波的幅度恰为垂直刻度的100%,调节衰减器,每次衰减6dB,其幅度降低一半(即50%;25%;12.5%)其最大偏差应小于垂直刻度的5%。
5.3 水平线性检查利用BH-50标准回波探头以取得多次无干扰回波后,调节仪器上的有关旋钮使多次回波的前沿挺拔清晰。
调节仪器,在先后使每次底波均处于相同幅度(如垂直刻度的80%)的条件下,把第一次底波前沿对准水平刻度“0”。
第6次波前沿对准“10”,然后在此条件下,检查第2、3、4、5次底波的前沿是否与相应的水平刻度2、4、6、8对准,其最大偏差应小于水平刻度的0.5格。
⒍校准结果6.1 各检查项目均满足为合格。
6.2 有不影响性能的外观缺陷等为准用。
6.3 垂直线性、水平性线超标,调节作用失灵为不合格。
数字超声波探伤仪校验规程1.0目的规范数字超声波探伤仪的校准操作,确保其有效性和准确性。
2.0范围本规程适用于本公司新购置的和使用中的超声波探伤仪与探头的系统性能的校验。
数字式超声仪的校验可按照本规程,也可按照仪器内置的仪器自校功能。
3.0校验人员校验人员应熟悉仪器的工作原理和使用方法,并按本规程规定的方法进行校验。
4.0应用器材4.1 标准试块CSK-ⅠA试块及DB一P Z20一2、DB一P Z20一4型标准试块。
4.2 所用试块必须是具有相应资质的企业生产的标准试块,且经过计量部门检定合格。
5.0校验及评定内容5.1 外观检查采用目视及操作方法进行。
5.2 水平线性误差5.2.1 所用检定设备与被检超声探伤仪的连接方式如图1所示。
并应使函数信号发生器输出阻抗、衰减器特性阻抗和终端负载相互匹配。
5.2.2 被检超声探伤仪的工作方式置[双],抑制置“0”,衰减器置适中量值。
在扫描范围各挡上,将被检超声探伤仪的发射脉冲输人到函数信号发生器输人端,其输出通过标准衰减器接到被检超声探伤仪“收”端,并调节频率、信号幅度、调制波数及标准衰减器旋钮,使超声探伤仪显示屏上显示六个幅度相等的 (如垂直满刻度80%)脉冲波形。
5.2.3 调节被检超声探伤仪[扫描微调]及[移位]旋钮,使第一个波的前沿对准水平刻度“0”,第六个波的前沿对准水平刻度 “10”,依次读取第二至第五个波的前沿与水平刻度“2”、“4”、“6”、“8”的偏差amax ,如图2所示,取其最大偏差值。
按下式计算超声探伤仪水平线性误差:%100max ⨯=∆Ba L式中:ΔL —水平线性误差;B —水平满刻度数。
5.3 衰减器衰减误差5.3.1 所用检定设备与被检超声探伤仪的连接方式如图1所示。
并应使正弦信号发生器输出阻抗衰减器特性阻抗和终端负载相互匹配。
5.3.2 被检超声探伤仪的工作方式置[双],抑制置“0”,衰减器置适中量值。
在扫描范围各挡上,将被检超声探伤仪的发射脉冲输人到函数信号发生器输入端,其输出通过衰减器接到被检超声探伤仪“收”端。
数字式超声探伤仪校准规程1.范围本操作规程适用于A型脉冲反射式手动超声探伤仪的校准和检定;以此来确定超声波设备的有效性,2.检定周期与内容2.1每三个月对仪器的盲区(仅限直探头)、灵敏度余量和分辨力进行一次核查并记录。
2.2每六个月对仪器和探头组合性能中的水平线性和垂直线性进行一次运行核查并记录。
2.3每年至少对超声仪器和探头组合性能中的水平线性、垂直线性、组合频率、盲区(仅限直探头)、灵敏度余量、分辨力以及仪器的衰减器精度,进行一次校准并记录。
3.参考标准3.1JB/T10062-1999《超声检测用探头性能测试方法》3.2JB/T9214-2010A型脉冲反射式超声波系统工作性能测试方法3.3NB/T47013.3-2015承压设备无损检测4.人员职责4.1仪器检定应由超声Ⅱ级及以上人员负责组织实施。
4.2应由至少为超声Ⅱ级人员负责实施自检并出具自检报告,由超声III级负责自检报告的审核。
4.3校准与核查人员应熟悉A型脉冲反射式超声探伤仪的结构、工作原理和使用方法,熟悉本规程引用的相关标准,能正确按本规程方法进行检定工作并填写检定记录。
5.设备与器材超声波探伤仪,2.5PΦ1400纵波直探探头(日常使用纵波直探头),2.5P13×13K2横波斜探头,DB-P型试块,CSK-ⅠA型标准试块,耦合剂。
6.测试内容垂直线性,水平线性,动态范围,灵敏度余量,仪器噪声电平,分辨力,组合频率,盲区。
7.测试方法7.1垂直线性误差测试7.1.1JB/T9214-2010《A型脉冲反射式超声检测系统工作性能测试方法》规定垂直线性误差≤5%。
7.1.2垂直线性定义:仪器垂直线性是示波屏上波高与探头接收的信号幅值之间成正比的程度,它取决于仪器放大器的性能。
垂直线性用垂直线性误差表示。
垂直线性影响缺陷的检出和定量。
7.1.3测试设备与器材(1)2.5PΦ1400纵波直探探头(日常使用纵波直探头)(2)耦合剂(3)超声波探伤仪(4)DB-P型试块7.1.4测试步骤(1)将仪器与探头连接,将探头用恒定压力压在试块上,参见图1,中间加适当的耦合剂,以保持稳定的声耦合,并将平底孔的回波调至屏幕上时基线的适当位置,使用衰减器使孔的回波高度恰为100%满刻度,此时衰减作为“0”Db,且衰减器至少还应有30dB的衰减余量。
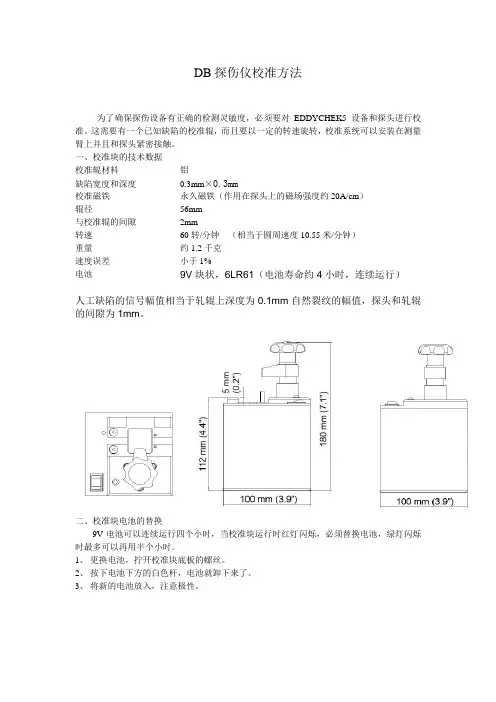
DB探伤仪校准方法为了确保探伤设备有正确的检测灵敏度,必须要对EDDYCHEK5设备和探头进行校准。
这需要有一个已知缺陷的校准辊,而且要以一定的转速旋转,校准系统可以安装在测量臂上并且和探头紧密接触。
一、校准块的技术数据校准辊材料铝缺陷宽度和深度0.3mm×0.3mm校准磁铁永久磁铁(作用在探头上的磁场强度约20A/cm)辊径56mm与校准辊的间隙2mm转速60转/分钟(相当于圆周速度10.55米/分钟)重量约1.2千克速度误差小于1%电池9V块状,6LR61(电池寿命约4小时,连续运行)人工缺陷的信号幅值相当于轧辊上深度为0.1mm自然裂纹的幅值,探头和轧辊的间隙为1mm。
二、校准块电池的替换9V电池可以连续运行四个小时,当校准块运行时红灯闪烁,必须替换电池,绿灯闪烁时最多可以再用半个小时。
1、更换电池,拧开校准块底板的螺丝。
2、按下电池下方的白色杆,电池就卸下来了。
3、将新的电池放入,注意极性。
三、校准准备工作 1、检查校准系统打开设备,观察LED 灯,按照下表的要求做2、校准设备的安装1) 校准之前,用干布擦拭干净探头,探头必须平放能够和校准设备紧密接触。
2) 校准设备要安装在测量臂上,根据实际情况有几种安装方法见下表所示,探头必须和校准紧密接触,不能存在间隙。
3) 探头必须安装正确。
3、检查磁性区域传感器红色绿色持续闪烁不亮灯电池电压太低或者没有安装电池,不能校准,替换电池轧辊转速太快,等待几秒,LED 灯变绿色。
轧辊转速太快,等待几秒,LED 灯变绿色 ,否则替换电池。
正常,可以校准电量低,可以使用30分钟,替换电池,1)对评价单位(LABV4999)的LED指示磁性传感器是否检测到磁场。
LED亮:检测到磁场。
LED关:磁场未检出。
2)传输参数O_MAG_WORD的值约48。
不正确的磁场显示可能有以下原因:1、探头安装不正确。
2、磁性传感器不能正常工作。
3、校准装置不能正常工作。
超声波探伤仪校验规程 JLXY02-20231.编制依据:JB/T9214-1999 A 型脉冲反射式超声波探伤仪系统性能测试方法和JB/T4730-2023 承压设备无损检测。
2.适用范围:A 型脉冲反射式超声波探伤仪的校验。
3.技术要求3.1垂直线性误差≤5%。
3.2动态范围≥26dB。
3.3水平线性误差≤1%。
3.4灵敏度余量﹥10dB。
4.校验工程4.1外观4.2垂直线性误差4.3动态范围4.4水平线性误差4.5. 灵敏度余量5.校验用器材5.1 探头:2.5P10×12K2 HB-50 专用直探头5.2 试块:CSK-ⅠA,CSK-ⅢA6.校验方法6.1外观检查配件齐全,外表不得有硬的碰伤和变形,全部紧固件不得松动和脱落。
6.2垂直线性误差校验6.2.1连接HB-50 专用直探头,抑制关,调整衰减器和增益使荧光屏上显示波形其中之一为垂直刻度的100%,且衰减器至少有30dB 的衰减余量,设该波为H。
6.2.2调整衰减器,依次登记每次衰减2dB 时H 波的幅度值,直至衰减26dB。
然后将H波幅度实测值与表 6.2.2中的理论值相比较,最大正偏差d+与最大负偏差d-确实定值之和为垂直线性误差△d。
6.3动态范围校验6.3.1连接HB-50 专用直探头,调整探伤仪衰减器和增益使荧光屏上显示的波形中之一为垂直刻度的100%,且衰减器至少有30dB的衰减余量。
表6.2.2衰减量dB 0246810 12波高理论值%100 79.4 63.1 50.1 39.8 31.6 25.1衰减量dB 14 16 18 20 22 24 26波高理论值%20.0 15.8 12.5 10.0 7.9 6.3 5.06.3.2调整衰减器,读取幅度自垂直刻度的100%下降至刚能识别的最小值时的调整量,为探伤仪的动态范围。
6.4水平线性误差校验6.4.1连接HB-50 专用直探头,调整探伤仪使其显示屡次底波。
锅炉压力容器安全技术实验一超声波探伤仪探头标定实验指导书一、实验目的1、熟练掌握数字探伤仪的使用方法;2、掌握超声波探伤仪探头校准方法3、理解探头K值、探测灵敏度的含义。
二、预习内容1、熟悉探伤仪使用说明书2、了解实验设备3、深刻理解实验内容和方法。
三、实验内容完成探头如下标定内容:校距离、校K值、制作距离波幅曲线、确定检测范围、确定探伤灵敏度。
四、注意事项,焊缝类型—X,坡口角度—450,1.实验内容假定:被检工件厚度20mm,材质20MnM对焊宽度2mm,执行标准GB4730—93。
2.根据上述条件,待检工件为焊缝,应选用横波探伤,同时考虑材质,声速应为3240m/s,探头频率应为2.5MHZ,工件厚度为20mm属中厚板探伤,探头K值应为2(探头规格2.5P 13⨯13 K2),由于要执行GB4730-93标准,根据此标准可知,校准用的标准试块为CSK-ⅠA,对比试块为CSK-ⅢA,当工件厚度为20mm时,则判废线为φ 1⨯6+5dB,定量线为φ 1⨯6-3dB,评定线为φ 1⨯6-9dB,此三条线的φ 1⨯6是指CSK-ⅢA试块上的人工缺陷(短横孔),三条线分别加减多少dB是以φ1⨯6短横孔为基准。
3、参数表中的补偿是根据被检工件表面光洁度与试块表面光洁度不同引起的声能差决定的,一般补2-4dB,这里暂定补偿2dB。
参数表中的“焊口编号”、“缺陷编号”是在实际探伤时,在那一道焊口发现了缺陷,发现了第几个缺陷,临时输入的,可暂不输入。
五、实验条件1、QKS-958超声波探伤仪2、CSK-IA、CSK-IIIA试块3、2.5PX13 K2探头六、实验方法1、校距离(或称距离校准):探头,在仪器待命状态下,光标☞在准备好CSK-ΙA型试块和2.5P 13⨯13K2A扫前闪动,按↑、↓键,推滚出“校准”功能, 光标☞在扫查前闪动,按↵键进入扫查,按键,功能窗显示,按→键,使显示刻度变成1:1,按键,功能窗显示,按←键,将100mm左、右刻度移到观察范围内。
超声波探伤仪灵敏度校准超声波探伤仪灵敏度校准超声波探伤仪是一种广泛应用于工业领域的非破坏检测设备,它通过利用超声波的传播特性来检测材料内部的缺陷和结构情况。
然而,为了保证探伤仪的准确性和可靠性,在使用之前需要进行灵敏度校准。
超声波探伤仪的灵敏度校准是指通过检测标准试块上已知缺陷的回波信号,来确定探测仪器的灵敏度和故障大小判断能力。
校准的目的是确保探伤仪能够准确地检测出缺陷,并给出准确的缺陷尺寸和位置信息。
首先,校准前需要准备一系列标准试块,这些试块上包含了已知缺陷,如孔洞、裂纹等。
这些试块的尺寸、形状和缺陷类型都是校准的重要参数。
试块的制备要精确,确保缺陷的尺寸和位置准确可靠。
----宋停云与您分享----其次,校准时需要按照设备的使用手册和校准标准,将试块放置在探测仪器的检测区域内。
然后,通过控制超声波的发射和接收,观察并记录试块上缺陷的回波信号。
根据信号的强度和特征,可以确定探测仪的灵敏度和故障判断能力。
在校准过程中,需要注意的是校准环境的稳定性和一致性。
温度、湿度等环境因素都会对超声波的传播和回波产生影响,因此需要保持恒定的环境条件,以确保校准的准确性。
最后,校准完成后需要对校准结果进行评估和记录。
评估校准结果的准确性和可靠性,判断仪器是否符合要求。
并将校准结果记录下来,作为后续使用和维护的参考。
总之,超声波探伤仪的灵敏度校准是确保仪器准确性和可靠性的重要步骤。
通过校准可以确定仪器的灵敏度和故障判断能力,从而提高探测的准确性和可靠性,保证工业生产中的安全和质量。
----宋停云与您分享----因此,在使用超声波探伤仪之前,必须进行灵敏度校准,以确保检测结果的有效性和准确性。
----宋停云与您分享----。
超声波探伤仪校准方法
超声波探伤仪的校准方法主要包括以下步骤:
1. 校准前的准备:确保探伤仪、标准试块和测量设备的完好性,同时要调整好背景和照明系统,确保测试环境符合要求。
2. 入射点的测试:调节探伤仪的发射强度,使被测探头阻尼值接近其等效阻抗值。
然后在声束方向与试块侧面积保持平行的条件下滑动探头,使试块
R100mm圆弧面的第一次回波幅度最高。
调节衰减器使回波幅度为垂直刻
度的50%,在得到R100mm圆弧面的最高回波时,读取与该圆弧中心记号对应的探头侧面的刻度,作为入射点,读数精确到。
3. K值的测试:折射角γ或K值变化直接影响超声波进入工件角度和波传播,为后续缺陷定位提供有效数据支撑,因此在探头使用前和使用后均需分别测量两参数值。
4. 校准后的确认:完成校准后,需要检查探伤仪的性能是否正常,如有问题应及时处理和调整。
需要注意的是,具体的校准步骤和方法可能因不同的仪器和标准而有所差异,因此在进行校准时应遵循相应的标准和规范,以确保测试结果的准确性和可靠性。
大型多通道超声波探伤仪的校准方法大型多通道超声波探伤仪紧要指一类基于A型脉冲式的在线无损检测设备,其基础是通常通道数多达几十到上百个的超声波探伤仪,紧要由同步、扫描、发射、接收放大、电源等电路部分和显示部分构成,与超声探头配套使用。
广泛应用于治金、航空航天、铁路、船舶等领域的无损检测。
其校准方法如下:一、校准前的检查检查大型多通道超声波探伤仪(以下简称探伤仪)的外观,是否存在影响正常工作及将来牢靠性的外部损伤,检查工作电压能否保证仪器正常工作。
二、校准通道的选择对于多通道探伤系统,校准通道数可以依据仪器特点进行优化,在确保有效性的前提下提高效率。
例如针对接受分时复用设计的探伤仪,可依据厂商供应的设计文件,将计量特性值依据仪器特点进行优化。
稳定性、显示抖动、脉冲重复频率、时基线性与增益线性只校准共用分时复用通道中的其中一个,抽取的校准通道数不应少于总通道数的25%;探伤灵敏度和探伤灵敏度信噪比则逐个通道校准。
三、稳定性1、在检测过程中应接受机油等超声耦合剂,并保证探头和试块的耦合稳定不变。
假如配有延时掌控器,则延时应设定为零。
2、使用与探伤仪通道匹配的深头和标准试块,使探伤仪显示一个回波信号。
第一个回波的幅度调整为满刻线幅度的80%,并调整时基线,使该回波位于满刻线宽度的80%。
3、在6min内,每隔1min察看回波的幅度和其在时基线上位置的稳定性。
4、将信号幅度变化和时基线漂移最大值记作稳定性。
注:在检测过程中,环境温度应保持在探伤仪制造者技术规范规定的范围士5℃以内。
确保电源或电池的电压在制造者技术规范规定的范围以内。
四、显示抖动按上述的方法产生一个回波参考信号,察看约10s,记录显示抖动最大值。
五、脉冲重复频率使用辅佑襄助探头作为接收器,与探伤仪被校通道相匹配的探头耦合,将接收探头输出端连接至示波器。
在不同脉冲重复频率的每个设定值下,用示波器测量发射脉冲的重复频率。
注:若探伤仪有多种组合挡位,且组合挡位的脉冲重复频率(通常指范围和脉冲重复频率)相同时,仅需要校准其中一个组合挡位。
超声波探伤仪操作规程一、总则1. 本规则根据GB11345,JB/T4730,SY4065,JJB1021标准制订。
2. 超声波探伤仪校验时间规定为每年一次。
3.仪器检定的标准器是国际规定通用的标准试块。
1. 持有超声波探伤Ⅱ级以上(含二级)资格证人员可进行测试检定操作。
二、仪器垂直线性的测试校验1.型号:PXUT-360,PXUT3300,CTS-22和CSK-1型等试块。
2.操作使用ф20直探头,频率2.5MHZ,将探头稳定的压在试块探测面上,使用ф2平底孔把反射波高达垂直幅度的100%,以此作为0dB 基本幅度显示。
调节衰减的按键,每增加2 dB 衰减量后记下ф2平底孔反射波的实际高度,直到此反射波隆到垂直幅度的5%。
3.合格标准;要求垂直线性误差△d≤0.1.三、水平线性的测试校验1.仪器: PXUT-360;PXUT3300;CTS-22。
2.试块:CSK-1A试块或其他试块。
3. 操作使用ф20直探头,频率2.5MHZ,将探头稳定的压在试块探测面上,使用脉冲和第五次反射波显示在时间轴上,且B5波高大于垂直幅度的50%,再调节按键(调深度和水平)使用一次底面波B1和B5前沿分别与时间轴水平刻度线的Z·····10(水平刻度线为10等份)刻度一致观察底波B2B3B4前沿刻度4*6*8的吻合程度并读出偏差量L2,L3,L4取其中最大偏差量Lmax,则水平线性偏差△L为:L=(Lmax×0.8B)×100%,左中B-水平全刻读数;0.8B -表示被测段刻度:检定测试合格者△L≤2%。
4.利用测矩85mm,91mm,和10mm三个槽口平面,可测定直探头和探伤仪的组合分辩力。
5. 利用半径100mm圆孤的反射基准测定斜探头射入点。
6.利用半径50mm圆孤反射面和ф1通孔测定斜探头折射角。
7.在CSK-1A试块上还可以测定斜探头入射点至前沿的尺寸。
超声波探伤仪斜探头的自动校准步骤(动作分解)(图1)如图1所示,由于探头零点、前沿、K值会给探伤带来误差,所以探伤前必须校准,校准步骤如下:第一步:按【参数】键,旋转旋钮,选择探头类型,按【确认】键,旋转旋钮,选择斜探头,按【确认】键,按【参数】键,退出参数设置第二步:按【校准】键,启动自动校准功能如图2所示,左右移动探头,找到R50和R100两个圆弧的最高波,保持探头不动,按2次【F5】键,材料声速和探头零点自动校准完成。
第三步:在上述第二步,保持探头不动的情况下,在探头刻度尺上读出试块零刻度对应的刻度值,即为探头前沿,按F3键,旋转旋钮输入前沿值;第四步:如图3所示左右移动探头,找到最高波,保持探头不动,按2次【F3】键,探头K值自动校准完成。
DAC 曲线的制作与探伤标准的自定义输入步骤(动作分解)一.制作DAC 曲线①:按【DAC 】键,启动DAC 菜单。
②:如图4所示,将探头放在CSK-3A 试块①的位置,左右移动探头找到深为10mm 孔的最高回波,此波不能超过满屏高度,用A 闸门套住此波,按【F3】键,使标定点增加为“1”;③:如图4所示, 将探头放在CSK-3A 试块②的位置,左右移动探头找到深为20mm 孔的最高回波,此波不能超过满屏高度,用A 闸门套住此波,按【F3】键,使标定点增加为“2”;(图4:DAC 曲线制作)二.偏置设置(探伤标准的输入):按【F5F2,旋转旋钮调节评定线的值,比如设为 -16db 按【F3,旋转旋钮调节定量线的值,比如设为 -10db 按【F4】键,,旋转旋钮调节判废线的值,比如设为 -4db三.设置表面补偿和评估曲线按【F5】键,进入第四页按【F2,旋转旋钮设定工件表面补偿值,一般设为+4db按【F5,旋转旋钮,一般设定为评定线四.保存通道按【通道】键,旋转旋钮选择一个空的通道号,按【F3】保存通道此时,校准的参数和DAC 曲线均保存在了通道里。
【注:由于试块种类繁多,使用方法也较多,以上方法较为常用,仅供选择使用】103020②CSK-3A。
超声波探伤仪斜探头的自动校准步骤(动作分解)(图1)如图1所示,由于探头零点、前沿、K值会给探伤带来误差,所以探伤前必须校准,校准步骤如下:第一步:按【参数】键,旋转旋钮,选择探头类型,按【确认】键,旋转旋钮,选择斜探头,按【确认】键,按【参数】键,退出参数设置第二步:按【校准】键,启动自动校准功能如图2所示,左右移动探头,找到R50和R100两个圆弧的最高波,保持探头不动,按2次【F5】键,材料声速和探头零点自动校准完成。
第三步:在上述第二步,保持探头不动的情况下,在探头刻度尺上读出试块零刻度对应的刻度值,即为探头前沿,按F3键,旋转旋钮输入前沿值;第四步:如图3所示左右移动探头,找到最高波,保持探头不动,按2次【F3】键,探头K值自动校准完成。
(图2:校准材料声速、探头零点、探头前沿)70°60°50°(图3:校准探头K值)DAC 曲线的制作与探伤标准的自定义输入步骤(动作分解)一.制作DAC 曲线①:按【DAC 】键,启动DAC 菜单。
②:如图4所示,将探头放在CSK-3A 试块①的位置,左右移动探头找到深为10mm 孔的最高回波,此波不能超过满屏高度,用A 闸门套住此波,按【F3】键,使标定点增加为“1”;③:如图4所示,将探头放在CSK-3A 试块②的位置,左右移动探头找到深为20mm 孔的最高回波,此波不能超过满屏高度,用A 闸门套住此波,按【F3】键,使标定点增加为“2”;●此时已添加了2个标定点,DAC 开关已自动打开,DAC 曲线自动绘制在屏幕上●重复③的步骤,可以找到孔深为30、40、50mm 等反射体的最高回波,使标定点增加为3、4、5...,●标定点可按孔深的任意顺序进行记录(图4:DAC 曲线制作)二.偏置设置(探伤标准的输入):按【F5】键,进入第三页,找到判废线、定量线、评定线设置项按【F2】键,选择评定线,旋转旋钮调节评定线的值,比如设为-16db 按【F3】键,选择定量线,旋转旋钮调节定量线的值,比如设为-10db 按【F4】键,选择判废线,旋转旋钮调节判废线的值,比如设为-4db三.设置表面补偿和评估曲线按【F5】键,进入第四页按【F2】键选择表面补偿,旋转旋钮设定工件表面补偿值,一般设为+4db按【F5】键选择评估曲线,旋转旋钮,一般设定为评定线四.保存通道按【通道】键,旋转旋钮选择一个空的通道号,按【F3】保存通道此时,校准的参数和DAC 曲线均保存在了通道里。
数字超声波探伤仪参数调校及DAC曲线制作说明数字超声波探伤仪参数调校及DAC曲线制作说明说明:此⽅法适⽤于普通数字超声波探伤仪及普通直探头和斜探头组合的参数调校及DAC曲线的制作。
⼀.组装探头和仪器,选定频道序号,按照探头规格参数在仪器上设定探头种类、晶⽚尺⼨、探头⾓度。
按照探头类型设定材料声速(直探头5920m/s, 斜探头3230m/s),探测范围(建议时基线显⽰深度。
直探头出现两次底波,斜探头将100mm的刻度出现时基线2/3处)。
⼆.如图所⽰将探头放于CSK-ZA试块上测定探头零点和探头前沿。
1. 探头零点调校找到直径100mm圆弧最⾼反射波,固定不动,增加仪器上探头零点数值,直到声程显⽰100(或者接近100,不能差太多),此时探头零点设置完成。
2.固定探头不动,⽤钢板尺量出距离L,探头前沿即为100mm-L,在仪器探头前沿栏输⼊该数值。
返回查看声程数值有⽆变化,⽆变化即设定完成,有变化则调校探头零点。
三.探头⾓度的调校选取RB-2试块上深度30mm的孔,双⼿移动探头找到其最⾼反射波,固定不动,调校仪器探头⾓度或者K值栏,直到深度显⽰30,此时探头⾓度调校完成。
四.斜探头DAC曲线的制作⽅法在调校好仪器和探头的参数后,就可以制作DAC曲线。
依据标准11345-89选取试块RB-2。
1.选择仪器制作DAC按钮,激活DAC曲线制作功能。
2.依据探伤需要选取试块上深度10mm的横通孔,双⼿移动探头找到其最⾼反射波,调节增益按钮使波⾼稳定于屏幕80%⾼度,按确定按钮(冻结键),这时就选好了第⼀点。
3.按照步骤1的⽅法,依次选择不同深度的横通孔,找到最⾼波,确定各点。
4.最后选择确定键(回车键),激活DAC母线曲线。
按照标准分别确定判废线、定量线、评定线(GB11345-89标准2级B要求4dB、10dB、16dB)。
五. 仪器和探头参数以及DAC曲线是针对于单个使⽤的探头,在更换探头、探头线以及探头磨损后都应该从新调校参数及制作DAC曲线。
超声波垂直线性和时基校准方法一、垂直线性本测试是为了校核超声波探伤仪增益线性和衰减器精度两者的综合效果。
测试时,采用CSK-IA标准试块的100mm厚平行面,测试前将探伤仪的“抑制”调节为0,其它调整取适当值。
具体测试方法及步骤如下:1)将探头压在试块上,中间加适当的耦合剂,保持稳定的声耦合,并将试块底面的回波调至屏幕时基线的近中央处;2)调节探头零点,使一次底面回波声程Sa为100mm,调节增益使底波达到显示屏满幅度100%,但不饱和,作为0dB,此时至少应有30dB的增益余量;3)调节增益每次减2dB,每次调节后用满刻度的百分值记下相应的回波高度,并填入表C-1中,共计降26dB,测量的精度为0.1%。
从表中得出最大正偏差d(+)max和最大负偏差d(-)max的绝对值之和为垂直线性误差Δd(以百分值计),它由下式给出:Δd= |d(+)max|+ |d(-)max|二、水平线性本测试是为了校核超声波探伤仪的时基线性。
测试时,采用CSK-IA标准试块的20mm厚平行面。
测试前将探伤仪的“抑制”调节为0%,其它调整取适当值。
具体测试方法及步骤如下:1)将探头压在试块上,中间加适当的耦合剂,保持稳定的声耦合。
将探测范围调至100mm,调节脉冲移位使屏幕上显示出6次底面回波;2)在“基本”菜单中,调节脉冲移位、探头零点、材料声速,使第一次底面回波(Sa)显示0mm,第六次底面回波(Sa)显示100mm;3)依次将B2、B3、 B4、B5升至80%,用闸门套住逐一读出其声称Sa与20、40、60、80的偏差α2、α3、α4,α5然后取其中最大的偏差值αmax,将测试的结果记录到表C-2中。
水平线性误差ΔL(以百分值计)由下式给出:ΔL=│αmax.│%式中:αmax表示最大偏差值。
DB探伤仪校准方法
为了确保探伤设备有正确的检测灵敏度,必须要对EDDYCHEK5设备和探头进行校准。
这需要有一个已知缺陷的校准辊,而且要以一定的转速旋转,校准系统可以安装在测量臂上并且和探头紧密接触。
一、校准块的技术数据
校准辊材料铝
缺陷宽度和深度0.3mm×0.3mm
校准磁铁永久磁铁(作用在探头上的磁场强度约20A/cm)
辊径56mm
与校准辊的间隙2mm
转速60转/分钟(相当于圆周速度10.55米/分钟)
重量约1.2千克
速度误差小于1%
电池9V块状,6LR61(电池寿命约4小时,连续运行)
人工缺陷的信号幅值相当于轧辊上深度为0.1mm自然裂纹的幅值,探头和轧辊的间隙为1mm。
二、校准块电池的替换
9V电池可以连续运行四个小时,当校准块运行时红灯闪烁,必须替换电池,绿灯闪烁时最多可以再用半个小时。
1、更换电池,拧开校准块底板的螺丝。
2、按下电池下方的白色杆,电池就卸下来了。
3、将新的电池放入,注意极性。
三、校准准备工作 1、检查校准系统
打开设备,观察LED 灯,按照下表的要求做
2、校准设备的安装
1) 校准之前,用干布擦拭干净探头,探头必须平放能够和校准设备紧密接触。
2) 校准设备要安装在测量臂上,根据实际情况有几种安装方法见下表所示,探头必须和校
准紧密接触,不能存在间隙。
3) 探头必须安装正确。
3、检查磁性区域传感器
红色
绿色
持续
闪烁
不亮灯
电池电压太低或者没有安装电池,不能校准,替换电池
轧辊转速太快,等待几秒,LED 灯变绿色。
轧辊转速太快,等待几秒,LED 灯变绿色 ,否则替换电池。
正常,可以校准
电量低,可以使用30分钟,替换电池,
1)对评价单位(LABV4999)的LED指示磁性传感器是否检测到磁场。
LED亮:检测到磁场。
LED关:磁场未检出。
2)传输参数O_MAG_WORD的值约48。
不正确的磁场显示可能有以下原因:
1、探头安装不正确。
2、磁性传感器不能正常工作。
3、校准装置不能正常工作。
说明:在校准块里面下部集成了一个参考磁铁,如果评价系统的磁性传感器感应到了这个磁铁,LED灯亮。
三、校准
1、探伤设备电源接好,打开设备开关。
2、打开校准块的开关,等待几秒钟LED灯变绿色开始正常工作。
3、通过PROFIBUS接口设置各个通道的标准参数,
频率设置
频率
通道
裂纹
软点
增益
设置增益值,使O_CRK_WORD的
幅值等于80。
对于型号为LAB
V656N 27和LAB V656N 52的探头,
增益值设定范围必须为550 –
650
注意:有多种原因影响测量设备的检测灵敏度,探头和检测设备受到生产有关因素的影响,同时也受到轧辊类型的影响。
过滤器设置
下面的数据适用于两种类型的探头。