(完整版)08建筑用钢材
- 格式:doc
- 大小:167.01 KB
- 文档页数:8
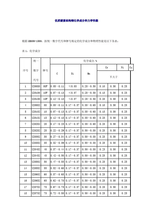
优质碳素结构钢化学成分和力学性能
根据GB699-1999,按统一数字代号和牌号规定的化学成分和物理性能见以下各表:表1:化学成分
冷冲压用沸腾钢含硅量不大于0.03%。
氧气转炉冶炼的钢其含氮量应不大于0.008%。
供方能保证合格时,可不做分析。
经供需双方协议,08~25钢可供应硅含量不大于0.17%的半镇静钢,其牌号为08b 25b。
钢材(或坯)的化学成分允许偏差应符合GB/T 222--1984标准中表2的规定。
表2
切削加工用钢材或冷拔坯料用钢材交货状态硬度应符合表3规定。
不退火钢的硬度,供方若能保证合格时,可不作检验。
高温回火或正火后的硬度指标,由供需双方协商确定。
表3
低倍组织
镇静钢钢材的横截面酸浸低倍组织试片上不得有目视可见的缩孔、气泡、裂纹、夹杂、翻皮和白供切削加工用的钢材允许有不超过表面缺陷允许深度的皮下夹杂等缺陷。
2酸浸低倍组织应符合表4的规定。
表4
6.6.3如供方能保证低倍检验合格,允许采用GB/T 7736标准规定的超声波探伤法或其他无损探伤.法代替低倍检验。
建筑用钢材标准及规范汇编,电子版】篇一:钢材标准及规范汇编 2建筑用钢材标准及规范汇编第二版目录1、基础GB,T 699--1999 优质碳素结构钢GB,T 700-1988 碳素结构钢阳,T 1591-1994 低合金高强度结构钢GB,T 3077-1999 合金高结构钢2(盘条、钢丝GB,T 342-1997 冷拉圆钢丝、方钢丝、六角钢丝尺寸、外形、重量及允许偏差 GB,T 3429-2002 焊接用钢盘条GB,T 4354-1994 优质碳素钢热轧盘条GB,T 5223-2002 预应力混凝土用钢丝GB,T 5224-2003 预应力混凝土用钢绞线GB,T 14957-1994 熔化焊用钢丝GB,T 14958-1994 气体保护焊用钢丝1G8,T 14981-2004 热轧盘条尺寸、外形、重量及允许偏差G8,T 17101-1997 桥梁缆索用热镀锌钢丝YB,T 038-1993 预应力混凝土用低合金钢丝YB,T 146-1998 预应力钢丝及钢绞线用热轧盘条YB,T 151-1999 混凝土用钢纤维YB,T 152-1999 高强度低松弛预应力热镀锌钢绞线YB,T 156-1999 中强度预应力混凝土用钢丝Y8,T 5002-1993般用途圆钢钉YB,T 5092-1996 焊接用不锈钢丝C?3058-1996 塑料护套半平行钢丝拉索C?3077-1998 建筑缆索用钢丝 ?C,T 540-1994 混凝土制品用冷拔冷轧低碳螺纹钢丝3(钢丝绳GB 8903-2005 电梯用钢丝绳GB 8918-2006 重要用途钢丝绳GB,T 21073-2007 环氧涂层七丝预应力钢铰线YB,T 4165-2007 防振锤用钢铰线YB,T 5295-2006 密封钢丝蝇(原GB,T 352-2002)4(型钢、钢筋GB,T 702-2008 热轧钢棒尺寸、外形、重量及允许偏差GB,T 206-2008 热轧型钢2GB,T 905-1994 冷拉圆钢、方钢、六角钢尺寸、外形、重量及允许偏差 GB 1499(1-2008 钢筋混凝土用钢第 1 部分:热轧光圆钢筋GB 1499(2-2007 钢筋混凝土用钢第 2 部分:热轧带肋钢筋G8,T 1499(3-2002 钢筋混凝土用钢筋焊接网GB,T 5223(3-2002 预应力混凝土用钢棒GB,T 6723-2008 通用冷弯开口型钢尺寸、外形、重量及允许偏差GB,T 6725-2008 冷弯型钢GB,T 6728-2002 结构用冷弯空心型钢尺寸、外形、重量及允许偏差GB,T 11263-2005 热车 LH 型钢和剖分 T 型钢GB 13014-1991 钢筋混凝土用余热处理钢筋GB 13788-2000 冷车 L 带肋(钢筋GB,T 14292-1993 碳素结构钢和低合金结构钢热轧条钢技术条件GB,T -20065-2006 预应力混凝土用螺纹钢筋GB,T 20933-2007 热车 LU 型钢板桩GB,T 20934-2007 自冈拉杆YB,T 157-1999 电梯导轨用热轧型钢YB,T 3301-1992 焊接 H 型钢3YB,T 4081-1992 护栏波形梁用冷弯型钢YB,T 4362-2007 钢筋混凝土用力 p 工成型钢筋YB,T 4163-1999 铁塔用热轧角钢YB,T 4180-2008 冷弯钢板桩?G 190-2006 冷轧扭钢筋5(钢板、钢带GB,T 708-2006 冷轧钢板禾口钢带自勺尺寸、外形、重量及允许偏差GB,T 708--2006 热轧钢板和钢带的尺寸、外形、重量及允许偏差GB,T 714-2000 桥梁用结构钢GB,T 716-1991 碳素结构钢冷轧钢带GB,T 912-2008 碳素结构钢和低和金结构热轧薄钢板和钢带GB,T 3224--2007 碳素结构钢和低和金结构热轧厚钢板和钢带GB,T 3524-2005 碳素结构钢和低和金结构热车 L 钢带GB,T 4171--2008 耐厚结构钢GB,T 8749-2008 优质碳素结构钢热车 L5 冈带GB,T 11253-2007 碳素结构钢冷车 L 薄 6 冈板及钢带GB,T 12754-2006 彩色涂层钢板及钢带GB,T 12755--1991 建筑用压型钢板4G8,T 14978-2008 连续热度铝锌合金镀层钢板及钢带GB,T 16270-1996 高强度结构钢热处理和控轧钢板、钢带GB,T 19879-2005 建筑结构用钢板YB,T 4001(1--2007 钢格栅板及配套件第 1 部分:钢格栅板YB,T 4159--2007 热车 L 花纹钢板和钢带6(钢管GB,T 3091-2008{氐压流体输送用焊接钢管G8,T 8162-2008 结构用无缝钢管G8,T 8163-2008 输送流体用无缝钢管GB,T 12771-2008 流体输送用不锈钢焊接钢管GB,T 17395-2008 无缝钢管尺寸、外形、重量及允许偏差YB 门 4181-2008 双焊缝冷弯方形及矩形钢管YB,T 5363-2006 装饰用焊接不锈钢管(原 GB,T 18705-2002) ?G,T178-2005 建筑结构用冷弯矩形钢管代号标准名称邮价1、钢板钢带标准G247《GB/T 247-2008 钢板和钢带包装、标志及质量证明书的一般规定》24.00 G708《GB/T 708-2006 冷轧钢板和5钢带的尺寸、外形、重量及允许偏差》16.80 G709《GB/T 709-2006 热轧钢板和钢带的尺寸、外形、重量及允许偏差》19.20 G710《GB/T 710-2008 优质碳素结构钢热轧薄钢板和钢带》16.80G711《GB/T 711-2008 优质碳素结构钢热轧厚钢板和钢带》16.80G713《GB 713-2008 锅炉和压力容器用钢板》16.80G912《GB 912-2008 碳素结构钢和低合金结构钢热轧薄钢板和钢带》12.00G2072《GB/T 2072-2007 镍及镍合金带材》16.80G2518《GB/T 2518-2008 连续热镀锌钢板及钢带》26.40G2520《GB/T 2520-2008 冷轧电镀锡钢板及钢带》21.60G2521《GB/T 2521-2008 冷轧取向和无取向电工钢带(片)》21.60G2523《GB/T 2523-2008 冷轧金属薄板(带)表面粗糙度和峰值数的测量方法》16.80 G3273《GB/T3273-2005 汽车大梁用热轧钢板和钢带》12.00G3274《GB/T 3274-2007 碳素结构钢和低合金结构钢热轧厚钢板和钢带》12.00 G3278《GB/T3278-2001 碳素工具钢热轧钢板》 7.20G3279《GB/T 3279-2009 弹簧钢热轧钢》19.20G3280《GB/T 3280-2007 不锈钢冷轧钢板和钢带》31.206G3524《GB/T3524-2005 碳素结构钢和低合金结构钢热轧钢带》9.60G3531《GB 3531-2008 低温压力容器用低合金钢钢板》16.80G4156《GB/T 4156-2007 金属材料薄板和薄带埃里克森杯突试验》12.00G4237《GB/T 4237-2007 不锈钢热轧钢板和钢带》31.20G4238《GB/T 4238-2007 耐热钢钢板和钢带》21.60G4461《GB/T 4461-2007 热双金属带材》19.20G5027《GB/T 5027-2007 金属材料薄板和薄带塑性应变比(r 值)的测定》16.80 G5065《GB/T 5065-2004 热镀铅锡合金碳素钢冷轧薄钢板及钢带》12.00G5213《GB/T 5213-2008 冷轧低碳钢板及钢带》16.80G6396《GB/T 6396-2008 复合钢板力学及工艺性能试验方法》21.60G6653《GB 6653-2008 焊接气瓶用钢板和钢带》16.80G6654《GB6654-1998 压力容器用钢板》 12.00G6726《GB/T 6726-2008 汽车用冷弯型钢尺寸、外形、重量及允许偏差》21.60 G8165《GB/T 8165-2008 不锈钢复合钢板和钢带》19.20G8546《GB/T 8546-2007 钛-不锈钢复合板》19.20G8547《GB/T 8547-2006 钛-钢复合板》14.407篇二:钢材标准及规范汇编钢材标准及规范汇编1(盘条、钢丝GB,T 3429——2002焊接用钢盘条GB,T 5223——2002预应力混凝土用钢丝GB,T 5224—2003预应力混凝土用钢绞线G8,T 14981—2004热轧盘条尺寸、外形、重量及允许偏差3(钢丝绳GB 8903—2005电梯用钢丝绳GB 8918——2006重要用途钢丝绳GB,T 21073—2007环氧涂层七丝预应力钢铰线YB,T 4165——2007防振锤用钢铰线YB,T 5295——2006密封钢丝蝇(原GB,T 352——2002)4(型钢、钢筋GB,T 702—2008热轧钢棒尺寸、外形、重量及允许偏差GB,T 206——2008热轧型钢GB 1499(1—2008钢筋混凝土用钢第1部分:热轧光圆钢筋 GB 1499(2—2007钢筋混凝土用钢第2部分:热轧带肋钢筋 G8,T 1499(3—2002钢筋混凝土用钢筋焊接网GB,T 5223(3——2002预应力混凝土用钢棒8GB,T 6723—2008通用冷弯开口型钢尺寸、外形、重量及允许偏差 GB,T 6725——2008冷弯型钢GB,T 6728—2002结构用冷弯空心型钢尺寸、外形、重量及允许偏差 GB,T 11263——2005热车LH型钢和剖分T型钢GB,T 20065—2006预应力混凝土用螺纹钢筋GB,T 20933——2007热车LU型钢板桩GB,T 20934——2007自冈拉杆YB,T 4180——2008冷弯钢板桩JG 190—2006冷轧扭钢筋5(钢板、钢带GB,T 708—2006冷轧钢板禾口钢带自勺尺寸、夕卜形、重量及允许偏差 GB,T 708-2006热轧钢板和钢带的尺寸、外形、重量及允许偏差GB,T 714—2000桥梁用结构钢GB,T 912—2008碳素结构钢和低和金结构热轧薄钢板和钢带 GB,T 3224-2007碳素结构钢和低和金结构热轧厚钢板和钢带 GB,T 3524—2005碳素结构钢和低和金结构热车L钢带GB,T 4171-2008耐厚结构钢GB,T 8749—2008优质碳素结构钢热车L5冈带GB,T 11253—2007碳素结构钢冷车L薄6冈板及钢带GB,T 12754—2006彩色涂层钢板及钢带9G8,T 14978—2008连续热度铝锌合金镀层钢板及钢带GB,T 19879—2005建筑结构用钢板YB,T 4001(1-2007钢格栅板及配套件第1部分:钢格栅板 YB,T 4159-2007热车L花纹钢板和钢带6(钢管GB,T 3091—2008低压流体输送用焊接钢管G8,T 8162—2008结构用无缝钢管G8,T 8163—2008输送流体用无缝钢管GB,T 12771—2008流体输送用不锈钢焊接钢管GB,T 17395—2008无缝钢管尺寸、外形、重量及允许偏差YB/T 4181—2008双焊缝冷弯方形及矩形钢管YB,T 5363—2006装饰用焊接不锈钢管(原GB,T 18705—2002)JG,T178—2005建筑结构用冷弯矩形钢管补充:钢板钢带标准G247《GB/T 247-2008 钢板和钢带包装、标志及质量证明书的一般规定》G708《GB/T 708-2006 冷轧钢板和钢带的尺寸、外形、重量及允许偏差》 G709《GB/T 709-2006 热轧钢板和钢带的尺寸、外形、重量及允许偏差》 G710《GB/T 710-2008 优质碳素结构钢热轧薄钢板和钢带》G711《GB/T 711-2008 优质碳素结构钢热轧厚钢板和钢带》10G713《GB 713-2008 锅炉和压力容器用钢板》G912《GB 912-2008 碳素结构钢和低合金结构钢热轧薄钢板和钢带》 G2518《GB/T 2518-2008 连续热镀锌钢板及钢带》G2520《GB/T 2520-2008 冷轧电镀锡钢板及钢带》G2521《GB/T 2521-2008 冷轧取向和无取向电工钢带(片)》G2523《GB/T 2523-2008 冷轧金属薄板(带)表面粗糙度和峰值数的测量方法》G3273《GB/T3273-2005 汽车大梁用热轧钢板和钢带》G3274《GB/T 3274-2007 碳素结构钢和低合金结构钢热轧厚钢板和钢带》G3278《GB/T3278-2001 碳素工具钢热轧钢板》G3279《GB/T 3279-2009 弹簧钢热轧钢》G3280《GB/T 3280-2007 不锈钢冷轧钢板和钢带》G3524《GB/T3524-2005 碳素结构钢和低合金结构钢热轧钢带》G3531《GB 3531-2008 低温压力容器用低合金钢钢板》G4156《GB/T 4156-2007 金属材料薄板和薄带埃里克森杯突试验》 G4237《GB/T 4237-2007 不锈钢热轧钢板和钢带》G4238《GB/T 4238-2007 耐热钢钢板和钢带》11G5027《GB/T 5027-2007 金属材料薄板和薄带塑性应变比(r值)的测定》G5065《GB/T 5065-2004 热镀铅锡合金碳素钢冷轧薄钢板及钢带》G5213《GB/T 5213-2008 冷轧低碳钢板及钢带》G6396《GB/T 6396-2008 复合钢板力学及工艺性能试验方法》G6653《GB 6653-2008 焊接气瓶用钢板和钢带》G6726《GB/T 6726-2008 汽车用冷弯型钢尺寸、外形、重量及允许偏差》G8165《GB/T 8165-2008 不锈钢复合钢板和钢带》G8546《GB/T 8546-2007 钛-不锈钢复合板》G8749《GB/T 8749-2008 优质碳素结构钢热轧钢带》G9941《GB/T 9941-2009 高速工具钢钢板》G11251《GB/T 11251-2009 合金结构钢热轧厚钢板》G11253《GB/T 11253-2007 碳素结构钢冷轧薄钢板及钢带》 G12754《GB/T 12754-2006 彩色涂层钢板及钢带》G12755《GB/T 12755-2008 建筑用压型钢板》G13147《GB/T 13147-2009 铜及铜合金复合钢板焊接技术要求》 G13148《GB/T 13148-2008 不锈钢复合钢板焊接技术要求》 G13149《GB/T 13149-2009 钛及钛合金复合钢板焊接技术要求》 G13448《GB/T 13448-2006 彩色涂层钢板12及钢带试验方法》 G13790《GB/T 13790-2008 搪瓷用冷轧低碳钢板及钢带》G14164《GB/T14164-2005 石油天然气输送管用热轧宽钢带》 G14977《GB/T 14977-2008 热轧钢板表面质量的一般要求》 G14978《GB/T 14978-2008 连续热镀铝锌合金镀层钢板及钢带》 G15675《GB/T 15675-2008连续电镀锌、锌镍合金镀层钢板及钢带》 G16270《GB/T 16270-2009 高强度结构用调质钢板》篇三:建筑钢材的标准与选用8.3 建筑钢材的标准与选用建筑工程用钢有钢结构用钢和钢筋混凝土结构用钢两类,前者主要应用型钢和钢板,后者主要采用钢筋和钢丝。
五、本定额是依据现行有关国家产品标准、设计规范和施工验收规范、质量评定标准、安全操作规程编制的,并参考了行业、地方标准以及有代表性的工程设计、施工资料和其他资料。
执行定额计价时,除规定允许调整、换算者外,一般不得因具体工程的人工、材料、机械消耗与定额规定不同而改变消耗量。
六、本定额消耗量是完成规定计量单位的合格产品所需的人工、材料、机械和必要的施工措施费用标准,是按照正常的施工条件,机械装备程度,合理的施工工期、施工工艺、劳动组织为基础编制的,反映了社会平均消耗量水平。
七、本定额的工作内容中,已说明了主要施工工序,次要工序虽未说明,均已包含在消耗量内。
八、本定额中消耗量和价格的确定:1、人工工日:(1)本定额中的人工工日按普工、技工、高级技工分为三个技术等级。
内容包括基本用工、辅助用工、超运距用工、人工幅度差。
2、材料消耗量:(1)本定额中材料消耗量包括直接消耗在工作内容的主要材料、辅助材料和零星材料等。
凡能计量的主要材料、成品、半成品均按品种、规格逐一列出数量,并计入了相应损耗,其内容包括:从工地仓库、现场集中堆放地点或加工地点至操作或安装地点的施工现场堆放损耗、运输损耗、施工操作损耗。
(2)本定额列出的材料(包括半成品)价格是从材料来源地(或交货地)至工地仓库(或存放地)后的出库价格,包括材料供应价(或原价)、运杂费、采购保管费、检验试验费等。
(3)定额中不便计量、用量少、价值小的材料打包合并为零星材料费,以“元”表示。
3、施工机械台班:(1)本定额中的机械类型、规格采用我省常用机械类型,按正常合理的机械配备综合取定。
(2)机械台班包括机械幅度差。
(3)机械台班单价按《湖北省施工机械台班价格》(2008年)计算。
九、本定额除脚手架及垂直运输定额中已注明其适用檐口高度外,其他分部分项工程均按建筑物檐口高度20m以下编制。
檐口高度超过20m时,另按本定额技术措施项目中第十章外脚手架增加费、第十一章高层建筑垂直运输费及增加费的有关规定计算。
第一章总则1.1编制目的本施工组织设计为吉安运通一汽大众车4S店工程施工而编制。
编制的指导思想是:施工时对业主负责,竣工时让业主满意,同时在经济上合理,技术措施可靠的前提下,确保安全、确保质量、确保工期前提下进行编制。
1.2编制依据1.2.-1《吉安运通一汽大众车4S店工程设计施工图》。
1.2.-2《ISO9000质量管理体系》、《ISO14000环境管理体系》、《OSHMS18000 职业健康安全管理体系》。
1.2.-3国家有关建筑工程法规、规范与文件;1.2.-4本公司ISO9002国际质量体系、《质量手册》、《程序文件》、《技术标准》及拥有的技术力量;1.2.3工程采用规范标准1.2.3.1《建筑地基基础工程施工质量验收规范GB50202-2002》1.2.3.2《混凝土质量控制标准GB50164-92》1.2.3.3《混凝土结构工程施工及验收规范GB-50204-2002》1.2.3.4《建筑地面工程施工及验收规范GB50209-2002》1.2.3.5《施工现场临时用电安全技术规范JGJ46-1988》1.2.3.6《建筑施工安全检查标准JGJ59-1999》1.2.3.7《建筑工程施工质量验收统一标准GB50300-2001》1.2.3.8《工程测量规范》GB50026—2001;1.2.3.9《钢结构设计规范》GBJ50017—2002;1.2.3.10《钢结构工程施工及规范》GB50205—2001;1.2.3.11《建筑钢结构焊接规程》JGJ81—91;1.2.3.12《钢焊缝手工超声波探伤方法和探伤结果分级》GB11545—89;1.2.3.13《涂装前钢材表面锈蚀等级和除锈等级》GB8923—88;1.2.3.14《低合金钢焊条》GB5118—85;1.2.3.15《碳钢焊条》GB5117—85;1.2.3.16《建筑施工安全检查评分标准》JGJ59—99;1.2.3.17《建筑施工高处作业安全技术规范》JGJ80—91;1.2.3.18《建筑机械使用安全技术规程》JGJ33—86;1.2.3.19《施工现场临时用电安全技术规范》JGJ46—88;1.2.3.20门式刚架轻型房屋钢结构技术规程CECS102:2002。
建筑钢结构技术标准一览序号标准编号标准名称一、材料标准1.1 材质标准1 GBT 700-2006 碳素结构钢2 GBT 1591-2008 低合金高强度结构钢3 GBT 699-1999 优质炭素结构钢4 GBT 4171-2008 耐候结构钢5 GBT 4238-2007 耐热钢钢板和钢带6 GBT 714-2008 桥梁用结构钢7 GB 712-2000 船体用结构钢1.2 型材标准1 GBT 706-2008 热轧型钢2 GBT 11263-2005 热轧H型钢和剖分T型钢3 普通焊接H型钢 YB 3001-19924 JGT 137-2007 结构用高频焊接薄壁H型钢5 GBT 6725-2008 冷弯型钢6 GBT 6728-2002 结构用冷弯空心型钢尺寸、外形、重量及允许偏差7 GBT 6723-2008 通用冷弯开口型钢尺寸、外形、重量及允许偏差8 GBT 11981-2008 建筑用轻钢龙骨9 GBT 2101-2008 型钢验收、包装、标志及质量证明书的一般规定10 JGT 178-2005 建筑结构用冷弯矩形钢管1.3 板材标准1 GBT 709-2006 热轧钢板和钢带的尺寸、外形、重量及允许偏差2 GBT 3524-2005 碳素结构钢和低合金结构钢热轧钢带3 GB 912-2008 碳素结构钢和低合金结构钢热轧薄钢板和钢带4 GBT 3274-2007 碳素结构钢和低合金结构钢热轧厚钢板和钢带5 GBT 708-2006 冷轧钢板和钢带的尺寸、外形、重量及允许偏差6 GBT 716-1991 碳素结构钢冷轧钢带7 GBT 5313-1985 厚度方向性能钢板8 GBT 2518-2008 连续热镀锌钢板及钢带9 GBT 12754-2006 彩色涂层钢板及钢带10 GBT 12755-2008 建筑用压型钢板11 冷弯波纹钢板 GB/T6724-1986(已转化为行业标准:YB/T 5327-2006)12 GBT 8165-2008 不锈钢复合钢板和钢带13 GBT 3277-1991 花纹钢板14 YBT 4159-2007 热轧花纹钢板和钢带15 GBT 247-2008 钢板和钢带包装、标志及质量证明书的一般规定1.4 管材标准1 GBT 8162-2008 结构用无缝钢管2 GBT 17395-2008 无缝钢管尺寸、外形、重量及允许偏差3 GBT 2102-2006 钢管的验收、包装、标志和质量证明书4 GBT 14975-2002 结构用不锈钢无缝钢管5 GBT 13793-2008 直缝电焊钢管6 GBT 3094-2000 冷拔异型钢管1.5 焊接材料标准1 GBT 10433-2002 电弧螺柱焊用圆柱头焊钉2 GBT 902.1-2008 手工焊用焊接螺柱3 GBT 902.2-1989 机动弧焊用焊接螺柱4 GBT 902.3-2008 储能焊用焊接螺柱5 GBT 5117-1995 碳钢焊条6 GBT 5118-1995 低合金钢焊条7 GBT 14957-1994 熔化焊用钢丝8 气体保护焊用钢丝 GB/T14958-1994(已废止)9 GBT 10045-2001 碳钢药芯焊丝10 GBT 8110-2008 气体保护电弧焊用碳钢、低合金钢焊丝11 GBT 5293-1999 埋弧焊用碳钢焊丝和焊剂12 GBT 12470-2003 埋弧焊用低合金钢焊丝和焊剂13 GBT 10044-2006 铸铁焊条及焊丝14 GBT 984-2001 堆焊焊条15 GBT 10858-2008 铝及铝合金焊丝1.6 连接标准1 GBT 1228-2006 钢结构用高强度大六角头螺栓2 GBT 1229-2006 钢结构用高强度大六角螺母3 GBT 1230-2006 钢结构用高强度垫圈4 GBT 1231-2006 钢结构用高强度大六角头螺栓、大六角螺母、垫圈技术条件5 GBT 16939-1997 钢网架螺栓球节点用高强度螺栓6 GBT 3632-2008 钢结构用扭剪型高强度螺栓连接副1.7 其他标准1 钢结构防火涂料应用技术规程 CECS24:19902 室内钢结构防火涂料通用技术条件 GB/T14907-19943 钢结构防火涂料 GB 14907-20024 涂装前钢材表面锈蚀等级和除锈等级 GB8923--88二、设计标准2.1 通用标准1 钢结构设计规范 GB50017-20032 冷弯薄壁型钢结构技术规范 GB50018-20023 钢结构抗火设计规程 CECS(在编)4 建筑钢结构防火技术规程 DG/TJ 08-008-2000 J10041-2000上海规范2.2 高层、高耸钢结构标准1 高层民用建筑钢结构技术规程 JCJ99-1998(待局部修订)2 多、高层建筑钢——混凝土混合结构设计规程 CECS(在编)3 热轧H型钢构件设计规程 CECS(在编)4 高耸结构设计规范 GBJ135-1990(在修订)5 高层民用建筑设计防火规范 GB50045-95(2001年修订)6 高层钢结构设计暂行规定 DBJ 08-32-92上海规范2.3 空间钢结构标准1 网架结构设计与施工规程 JGJ7-1991(待修订)2 JGT 10-2009 钢网架螺栓球节点3 JGT 11-2009 钢网架焊接空心球节点4 JG 12-1999 钢网架检验及验收标准5 网壳结构技术规程 JGJ(61-2003)6 悬索结构设计规程 JGJ(待报批)7 CECS 158-2004 膜结构技术规程2.4 轻型钢结构标准1 门式刚架轻型房屋钢结构技术规程 CECS102:20022 门式刚架轻型房屋钢构件 JG144-20023 拱行波纹钢屋盖结构技术规程 CECS(待报批)4 钢龙骨结构技术规程 CECS(在编)5 轻型房屋钢结构技术规程 CECS(在编)6 冷弯型钢受力蒙皮结构设计规程 CECS(在编)7 轻型钢结构设计规程 DBJ 08-68-97 上海规范2.5 组合结构标准1 钢管混凝土结构设计与施工规程 CECS28:1990(在修订)2 矩形钢管混凝土结构设计规程 CECS(在编)3 混凝土钢管叠合柱技术规程 CECS(在编)4 型钢混凝土组合结构技术规程 JGJ138-20015 钢骨混凝土结构设计规程 YB9082-19976 钢-混凝土组合结构设计规程 DL/T 5085-1999国家经济贸易委员会7 钢-混凝土组合楼盖结构设计与施工规程 YB 9238-92冶金工业部8 钢管混凝土结构设计施工及验收规程 JCJ01-89国家建材工业局9 钢管混凝土构件N-M相关设计计算图表 JCJ02-90国家建材工业局10 火力发电厂主厂钢-混凝土组合结构设计暂行规定 DJGJ99-91能源部电力规划设计管理局11 战时军港抢修早强型钢-混凝土组合结构技术规程 GJB 解放军总后勤部2.6 钢结构连接标准1 建筑钢结构焊接与验收规程 JGJ81-20022 钢结构高强度螺栓连接的设计、施工及验收规程 JGJ82-19913 焊接设计规范 JB/ZZ 5-86 中国机械委重型机械局企业标准4 焊接质量保证钢熔化焊接头的要求和缺陷分级 GB/T 12469-905 埋弧焊焊缝坡口的基本形式和尺寸 GB/T 986-19886 工程建设施工现场焊接目视检验规范 CECS71:947 焊接与切割安全 GB9448-998 铝及铝合金焊接技术规程 HGJ222 929 地脚螺栓 GB/T 799-19882.7 钢结构加固标准1 钢结构加固技术规范 CECS77:19962 钢结构检测评定与加固技术规程 YB 9257-1996三、施工标准3.1 通用标准1 钢结构工程施工质量验收规范 GB50205-20012 钢结构工程质量检验评定标准 GB 50221-19953 钢结构制作工艺规程 DBJ 08-216-95上海规范4 网架结构工程质量检验评定标准 JGJ78-19915 塔桅钢结构施工及验收规程 CECS80:969 钢桁架检验及验收标准 JGJ74.2-199110 钢桁架质量标准 JGJ74.1-198911 焊工技术考试规程 JJ12.2-198712 钢熔化焊手焊工资格考核方法 GB/T 15169-199413 钢结构工程通病及治理 TB-0414 钢结构工程质量预控 YK-043.2 无损检测相关标准1 钢焊缝手工超声波探伤方法和探伤结果分析 GB1231-19912 建筑安装工程金属熔化焊焊缝射线照相构测标准 CECS70:943 无缝钢管超声波探伤检验方法 GB/T 5777-964 钢管环缝熔化焊对接接头射线透照工艺和质量分级 GB/T 12605-19905 铸钢件渗透探伤及缺陷显示迹痕的评级方法 GB/T 9443-19886 铸钢件磁粉探伤及质量评级方法 GB/T 9444-19887 接触式超声斜射探伤方法 GB/T 11343-19898 无损检测术语超声检测 GB/T 12604.1-19909 无损检测术语射线检测 GB/T 12604.2-199010 无损检测术语渗透检测 GB/T 12604.3-199011 无损检测术语磁粉检测 GB/T 12604.5-199012 无损检测人员资格鉴定与认证 GB/T 9445-199913 复合钢板超声波探伤方法 GB/T 7734-198714 焊缝无损检测符号 GB/T 14693-1993四、外国钢结构相关规范1 《Load and resistance Factor design Specification for Structural Steel Buildings》AISC-LRFD93美国钢结构学会 19932 《Specification for the Design of Cold-Formed Steel Structural Members》美国钢铁学会AISI 19963 《钢结构焊接规范》美国焊接学会 19794 《Working Draft.Steel structures.materials and design》ISO/TC167/SC1-N219 19895 《钢混组合梁设计与施工规范》德国规范学会, 郑州工学院译 19836 《钢骨钢筋混凝土结构计算标准》日本建筑学会 1987,067 《钢构造限界状态设计指针》 AIJ98 日本建筑学会 19988 《钢结构塑性设计规范》日本建筑学会9 《钢管构造设计施工指针》日本建筑学会 199010 《高强螺栓结合设计与施工指南》日本建筑学会 198311 《日本建筑结构抗震设计条例》198112 《结构构件焊接加固指南》前苏联 197913 加拿大国家建筑法规(National Building Code-NBC1990)14 美国土木工程师协会标准(American Society of Civil Engineers Standards-ASCE 7-95)15 欧洲钢结构规范EC316 英国钢结构规范 BS5950-199017 德国钢结构规范 DIN18800-ii注: GB——国家标准(强制性)GB/T——国家标准(推荐性)GBJ——工程建设国家标准CECS——中国工程建设标准化协会标准YB——冶金工业行业标准JG/T——建筑工业行业标准(推荐性)JGJ——建筑工程行业标准。
08号钢含碳量
【原创版】
目录
1.08 号钢的概述
2.08 号钢的含碳量
3.08 号钢的性能特点
4.08 号钢的应用领域
5.结论
正文
一、08 号钢的概述
08 号钢,又称普通碳素结构钢,是我国钢铁行业中最常见的一种钢材。
这种钢材因其含碳量适中,具有良好的塑性、韧性和焊接性能,广泛应用于建筑、机械、汽车等行业。
二、08 号钢的含碳量
08 号钢的含碳量一般在 0.08%-0.15% 之间。
这个范围内的碳含量使得 08 号钢具有良好的综合性能,既不过于硬脆,也不过于软韧。
三、08 号钢的性能特点
1.良好的塑性:08 号钢的塑性较好,可以承受较大的变形,适合进行冷弯、冷拔等加工。
2.良好的韧性:08 号钢具有较好的韧性,可以抵抗外力冲击,不易断裂。
3.良好的焊接性能:08 号钢的焊接性能好,可以采用各种焊接方法进行焊接。
4.良好的耐蚀性:08 号钢在空气中的耐蚀性较好,不容易生锈。
四、08 号钢的应用领域
1.建筑行业:08 号钢广泛应用于建筑行业,如钢筋、钢板等。
2.机械行业:08 号钢可用于制造各种机械零件,如轴类零件、齿轮等。
3.汽车行业:08 号钢可用于制造汽车的车身、底盘等部件。
4.船舶行业:08 号钢可用于制造船舶的船体、船舶配件等。
五、结论
总的来说,08 号钢因其适中的含碳量和良好的综合性能,被广泛应用于各个行业。
建筑用钢材可以分为钢结构用钢材,及土建用钢材。
钢结构用钢材主要为低合金钢(Q345系列)及普通结构钢(Q235系列)板材,部分重要结构设计中要求钢材采用带有z15,Z25,Z35等Z向性能要求的材料。
轻钢主结构多采用Q235材料,重钢主结构多采用Q345材料,预埋地脚螺栓多采用Q235圆钢,拉条多为热轧钢筋,另外角钢、槽钢、H型钢等型钢也有少量使用。
土建钢材主要为螺纹钢、圆钢、线材及型钢等。
1、螺纹钢热轧带肋钢筋的牌号由HRB和牌号的屈服点最小值构成。
H、R、B分别为热轧(Hotrolled)、带肋(Ribbbed)、钢筋(Bars)三个词的英文首位字母。
热轧带肋钢筋分为HRB335(老牌号为20MnSi)、HRB400(牌号为20MnSiV、20MnSiNb、20MnTi)、HRB500三个牌号。
钢筋混凝土用钢筋是指钢筋混凝土配筋用的直条或盘条状钢材,其外形分为光圆钢筋和变形钢筋两种,交货状态为直条和盘圆两种。
光圆钢筋实际上就是普通低碳钢的小圆钢和盘圆。
变形钢筋是表面带肋的钢筋,通常带有2道纵肋和沿长度方向均匀分布的横肋。
横肋的外形为螺旋形、人字形、月牙形3种。
用公称直径的毫米数表示。
变形钢筋的公称直径相当于横截面相等的光圆钢筋的公称直径。
钢筋的公称直径为8-50毫米,推荐采用的直径为8、12、16、20、25、32、40毫米。
钢种:20MnSi、20MnV、25MnSi、BS20MnSi。
钢筋在混凝土中主要承受拉应力。
变形钢筋由于肋的作用,和混凝土有较大的粘结能力,因而能更好地承受外力的作用。
钢筋广泛用于各种建筑结构、特别是大型、重型、轻型薄壁和高层建筑结构。
产品标准:(GB1499-1991、BS4449:1988)规格:8、10、12、14、16、18、20、22、25、28、32、36、40、50mm含钒新Ⅲ级螺纹钢筋(20MnSiV、400Mpa)在生产过程中加入了钒、铌、钛等合金,与普通Ⅱ级螺纹钢筋相比,具有强度高、韧性好、焊接性能和抗震性能良好的优点。
建筑钢结构技术标准一览2012-4-5序号标准名称版本号一、材料标准1.1 材质标准1 碳素结构钢GB/T700-20062 优质碳素结构钢GB/T699-19993 低合金高强度结构钢GB/T1591- 20084 高耐候结构钢GB/T4171-20085 焊接结构用耐候钢GB/T4172-20006 耐热钢板和钢带GB/T4238-20077 桥梁用结构钢GB/T 714-20081.2 型材标准1 热轧型钢GB706-20082 热轧H型钢和部分T型钢GB/T11263-20103 冷弯型钢GB/T6725-20084 结构用冷弯空心型钢GB/T6728-20025 通用冷弯开口型钢GB/T6723-20086 建筑用轻钢龙骨GB/T 11981-20087 普通焊接H型钢YB 3301-20058 结构用高频焊接薄壁H型钢JG/T 137-20071.3 板材标准1 热轧钢板和钢带GB/T709-20062 碳素结构钢和低合金结构钢热轧钢带GB/T3524 -20053 碳素结构钢和低合金结构钢热轧薄钢板和钢带GB/T912 -20084 碳素结构钢和低合金结构钢热轧厚钢板和钢带GB/T3274-20075 冷轧钢板和钢带GB/T708-20066 碳素结构钢冷轧钢带GB/T716-19917 厚度方向性能钢板GB/T5313-20108 连续热镀锌薄钢板和钢带GB/T2518 -20049 彩色涂层钢板及钢带GB/T12754-200610 建筑用压型钢板GB/T12755-200811 冷弯波纹钢板GB/T6724-198612 不锈钢复合钢板和钢带GB/T8165-200813 不锈钢热轧钢板和钢带GB/T4237-200714 焊接钢管用钢带GB/T8164-9315 建筑结构用钢板GB/T19879-200516 焊接用耐大气腐蚀厚钢板Q/BQB614-200417连续热镀铝锌合金钢板及钢带Q-BQB 425-200418彩色涂层钢板及钢带Q-BQB 440-20031.4 管材标准1 结构用无缝钢管GB/T8162-20082 无缝钢管尺寸、外形、重量及允许偏差GB/T 17395-20083 冷拔无缝异型钢管GB/T3094-20004 结构用不锈钢无缝钢管GB/T 14975-20025 直缝电焊钢管GB/T13793-20086 钢管的验收、包装、标志和质量证明书GB2102-20061.5 焊接材料标准1 电弧螺柱焊用圆柱头焊钉GB/T 10433-20022 储能焊用焊接螺柱GB/T 902.3-20083 手工焊用焊接螺柱GB/T 902.1-20084 电弧螺柱焊用焊接螺柱GB/T 902.2-20105 碳钢焊条GB/T5117-19956 低合金钢焊条GB/T5118-19957 堆焊焊条GB/T 984-20018 气体保护焊用钢丝GB/T14958-19949 熔化焊用钢丝GB/T14957-199410 低合金钢药芯焊丝GB/T17493-200811 气体保护电弧焊用碳钢、低合金钢焊丝GB/T 8110-200812 铝及铝合金焊丝GB/T 10858-200813 碳钢药芯焊丝GB/T 10045-200114 铸铁焊条及焊丝GB/T 10044-200615 低合金钢埋弧焊用焊剂GB/T 12470-199016 碳素钢埋弧焊用焊剂GB5293-19851.6 紧固件连接材料标准1 钢结构用高强度大六角头螺栓GB/T 1228-20062 钢结构用高强度大六角头螺母GB1229-20063 钢结构用高强度大六角头垫圈GB1230-20064 钢结构用高强度大六角头螺栓、大六角螺母、垫圈型式尺寸与技术条件GB1231-20065 平垫圈C级GBT95-20026 六角头螺栓C级GBT5780-20007 六角螺母C级GBT41-20008 六角头螺栓A级和B级GBT5782-20009 1型六角螺母A和B级GB6170-8610 钢结构用扭剪型高强度连接副型式尺寸与技术条件GB3633-199511钢网架螺栓球节点用高强度螺栓GB/T 16939-199712 地脚螺栓GB799-19881.7铸钢标准1 一般工程用铸造碳钢件GB/T11352-20092 一般工程与结构用低合金铸钢件GB/T14408-19933 焊接结构用碳素钢铸件GB7659-20104 一般工程用铸造碳钢ISO37555 一般工程与结构用高强度铸钢ISO94776 铸钢件交货通用技术要求ISO4990-20037 通用途的铸钢交货的技术条件DIN 1681-19858 改良焊接性能铸钢的应用规范DIN171821.8 其他标准1 钢结构防火涂料GB 14907-2002二、设计标准/技术规范(规程)2.1 通用标准1 钢结构设计规范GB50017-20032 冷弯薄壁型钢结构技术规范GB50018-20023 预应力钢结构技术规程CECS212:20064大气环境腐蚀性分类GB/T15957-19955 涂装前钢材表面锈蚀等级和除锈等级GB8923-886 防腐蚀涂层涂装技术规范HG/T4077-20097热轧H型钢构件设计规程CECS(在编)2.2 高层、高耸钢结构标准1 高层民用建筑钢结构技术规程JGJ99-19982 多、高层建筑钢——混凝土混合结构设计规程CECS(在编)3 高耸结构设计规范GB50135-20064 高层建筑钢结构设计规程DG/TJ08-32-2008上海规范2.3 空间钢结构标准1 空间网格结构技术规程JGJ7-20102 钢网架螺栓球节点JGT10-20093 钢网架焊接球节点JGT11-20094 钢网架检验及验收标准JG12-19995 网壳结构技术规程JGJ61-20036 悬索结构设计规程JGJ(待报批)7 索膜结构设计规程CECS158:20042.4 轻型钢结构标准1 门式刚架轻型房屋钢结构技术规程CECS102:20022 门式刚架轻型房屋钢构件JG144-20023 拱行波纹钢屋盖结构技术规程CECS167-20044 钢龙骨结构技术规程CECS(在编)5 轻型房屋钢结构技术规程CECS(在编)6 冷弯型钢受力蒙皮结构设计规程CECS(在编)2.5 组合结构标准1 钢管混凝土结构设计与施工规程CECS28:19902 矩形钢管混凝土结构设计规程CECS159:20043 混凝土钢管叠合柱技术规程CECS188:20054 型钢混凝土组合结构技术规程JGJ138-20015 钢骨混凝土结构设计规程YB9082-20066 钢-混凝土组合结构设计规程DL/T 5085-1999国家经济贸易委员会7 钢-混凝土组合楼盖结构设计与施工规程YB 9238-92冶金工业部2.6 钢结构连接标准1 建筑钢结构焊接与验收规程JGJ81-20022 埋弧焊焊缝坡口的基本形式和尺寸GB/T986-19883气焊、手工电弧焊及气体保护焊焊缝坡口的基本形式与尺寸GB985-88 4埋弧焊焊缝坡口的基本形式和尺寸GB986-885铝及铝合金焊接技术规程HGJ222-924 钢结构高强度螺栓连接的设计、施工及验收规程JGJ82-20112.7 钢结构加固标准1 钢结构加固技术规范CECS77:19962 钢结构检测评定与加固技术规程YB9257-19962.8 铸钢件标准1 铸钢牌号表示方法GB/T5613-19952 铸钢件热处理状态的名称、定义及代号GB5615-19853 铸钢节点应用技术规程CECS235-20082.9 钢结构防火规范1 建筑设计防火规范GB50016-20062 高层民用建筑设计防火规范GB50045-95(2005年修订)3 石油化工企业设计防火规范GB50160-20084 广播电视工程建筑设计防火标准GY5067-20035 飞机库设计防火规范GB50284-19986 汽车库、修车库、停车场设计防火规范GB50067-19977 钢结构防火涂料应用技术规程CECS24:19908 建筑钢结构防火技术规范CECS200:20069 建筑钢结构防火技术规程DG/TJ 08-008-2000上海规范10 建筑材料不燃性试验方法GBT5464-199911建筑材料可燃性试验方法GBT8626-200712建筑材料难燃性试验方法GBT8625-2005三、施工及验收标准3.1 通用标准1 钢结构工程施工质量验收规范GB50205-2001 (已代替GB 50221-1995)2 钢桁架检验及验收标准JG9-19993 网架结构工程质量检验评定标准JGJ78-19914 建筑涂饰工程施工及验收规程JGJ/T29-20035 塔桅钢结构施工及验收规程CECS80:966 钢结构工程通病及治理TB-057 钢结构检验评定及加固技术规范YB9257-19968 钢结构制作工艺规程DBJ 08-216-95上海规范9 国家体育场钢结构施工质量验收标准QB/GJJT-GTCG-20053.2、焊接标准1 焊缝符号表示法GBT 324-20082 焊接术语GBT 3375-19943 焊接及相关工艺方法代号GBT 5185-20054 金属材料焊接工艺规范和评定—基于试验焊接耗材EN ISO 15610-20035 电焊机型号编制方法GB 10249-19886 焊接与切割安全GB 9448-19997 焊接结构的一般尺寸公差和形位公差GBT 19804-20058 基于试验焊接材料的工艺评定GBT 19868.1-20059 基于焊接经验的工艺评定GBT 19868.2-200510 基于标准焊接规程的工艺评定GBT 19868.3-200511 基于预生产焊接试验的工艺评定GBT 19868.4-200512 工程建设施工现场焊接目视检验规范CECS71:9413 焊接操作工技能评定GBT 19805-200514 焊工技术考试规程JJ12.2-198715 钢熔化焊手焊工资格考核方法GB/T 15169-199416 铸钢件生产性焊接工艺验收规范ISO119703.3 无损检测相关标准3.3.1通用标准1 无损检测术语超声检测GB/T 12604.1-19902 无损检测术语射线检测GB/T 12604.2-19903 无损检测术语渗透检测GB/T 12604.3-19904 无损检测术语磁粉检测GB/T 12604.5-19905 接触式超声斜射探伤方法GB/T 11343-19896 钢结构超声波探伤及质量分级法JGT203-20077 无损检测人员资格鉴定与认证GB/T 9445-20088 无损检测标准汇编3.3.2焊缝无损检测1焊缝无损检测符号GB/T 14693-19932钢焊缝手工超声波探伤方法和探伤结果分析GB11345-19893 建筑安装工程金属熔化焊焊缝射线照相构测标准CECS70:944 钢管环缝熔化焊对接接头射线透照工艺和质量分级GB/T 12605-19905 焊接球节点钢网架焊缝超声波探伤及质量分级法JG/T3034.1-19966 螺栓球节点钢网架焊缝超声波探伤及质量分级法JG/T3034.2-19967 金属熔化焊焊接接头射线照相GBT 3323-20058 金属熔化焊接头缺欠分类及说明GBT6417.1-20059 金属熔化焊焊接接头射线照相GB 3323-20053.3.3铸钢件无损检测1 铸钢件磁粉检测GB/T9444-20072 铸钢件渗透检测GB/T9443-20073 铸钢件射线照相检测GB/T5677-20074铸钢件超声探伤及质量评级标准GB7233-19875铸钢件超声探伤及质量评级方法GB7233.1-2009,GB7233.2-20103.3.4其他1 无缝钢管超声波探伤检验方法GB/T 5777-20082 复合钢板超声波探伤方法GB/T 7734-1987四、外国钢结构相关规范(只列出)1 《Load and resistance Factor design Specification for Structural Steel Buildings》AISC-LRFD93美国钢结构学会19932 《Specification for the Design of Cold-Formed Steel Structural Members》美国钢铁学会AISI 19963 《钢结构焊接规范》美国焊接学会19794 《Working Draft.Steel structures.materials and design》ISO/TC167/SC1-N219 19895 《钢混组合梁设计与施工规范》德国规范学会, 郑州工学院译19836 《钢骨钢筋混凝土结构计算标准》日本建筑学会1987,067 《钢构造限界状态设计指针》AIJ98 日本建筑学会19988 《钢结构塑性设计规范》日本建筑学会9 《钢管构造设计施工指针》日本建筑学会199010 《高强螺栓结合设计与施工指南》日本建筑学会198311 《日本建筑结构抗震设计条例》198112 《结构构件焊接加固指南》前苏联197913 加拿大国家建筑法规(National Building Code-NBC1990)14 美国土木工程师协会标准(American Society of Civil Engineers Standards-ASCE 7-95)15 欧洲钢结构规范EC316 英国钢结构规范BS5950-199017 德国钢结构规范DIN18800-ii注:GB——国家标准(强制性)GB/T——国家标准(推荐性)GBJ——工程建设国家标准CECS——中国工程建设标准化协会标准YB——冶金工业行业标准JG/T——建筑工业行业标准(推荐性) JGJ——建筑工程行业标准。
钢材知识大全三第一章钢的分类一、黑色金属、钢和有色金属在介绍钢的分类之前先简单介绍一下黑色金属、钢与有色金属的基本概念。
1、黑色金属是指铁和铁的合金。
如钢、生铁、铁合金、铸铁等。
钢和生铁都是以铁为基础,以碳为主要添加元素的合金,统称为铁碳合金。
生铁是指把铁矿石放到高炉中冶炼而成的产品,主要用来炼钢和制造铸件。
把铸造生铁放在熔铁炉中熔炼,即得到铸铁(液状),把液状铸铁浇铸成铸件,这种铸铁叫铸铁件。
铁合金是由铁与硅、锰、铬、钛等元素组成的合金,铁合金是炼钢的原料之一,在炼钢时做钢的脱氧剂和合金元素添加剂用。
2、把炼钢用生铁放到炼钢炉内按一定工艺熔炼,即得到钢。
钢的产品有钢锭、连铸坯和直接铸成各种钢铸件等。
通常所讲的钢,一般是指轧制成各种钢材的钢。
钢属于黑色金属但钢不完全等于黑色金属。
3、有色金属又称非铁金属,指除黑色金属外的金属和合金,如铜、锡、铅、锌、铝以及黄铜、青铜、铝合金和轴承合金等。
另外,在工业上还采用铬、镍、锰、钼、钴、钒、钨、钛等,这些金属主要用作合金附加物,以改善金属的性能,其中钨、钛、钼等多用以生产刀具用的硬质合金。
以上这些有色金属都称为工业用金属,此外还有贵重金属:铂、金、银等和稀有金属,包括放射性的铀、镭等。
二、钢的分类钢是含碳量在0.04%-2.3%之间的铁碳合金。
为了保证其韧性和塑性,含碳量一般不超过1.7%。
钢的主要元素除铁、碳外,还有硅、锰、硫、磷等。
钢的分类方法多种多样,其主要方法有如下七种:1、按品质分类(1) 普通钢(P≤0.045%,S≤0.050%)(2) 优质钢(P、S均≤0.035%)(3) 高级优质钢(P≤0.035%,S≤0.030%)2.、按化学成份分类(1) 碳素钢:a.低碳钢(C≤0.25%);b.中碳钢(C≤0.25~0.60%);c.高碳钢(C≤0.60%)。
(2)合金钢:a.低合金钢(合金元素总含量≤5%)b.中合金钢(合金元素总含量>5~10%)c.高合金钢(合金元素总含量>10%)。
08钢,即08号碳素结构钢,是一种常用的低碳钢。
它具有良好的塑性、韧性和可焊性,广泛应用于制造各种建筑结构、机械制造、汽车制造等领域。
本文将对08钢的标准进行详细介绍。
一、08钢的化学成分08钢的化学成分主要包括碳、硅、锰、磷、硫等元素。
根据国家标准GB/T 699-1999《碳素结构钢》的规定,08钢的化学成分应符合表1的要求。
表1 08钢的化学成分(质量分数)元素C Si Mn P S含量/% ≤0.08 ≤0.30 ≤0.35 ≤0.035 ≤0.035二、08钢的力学性能08钢的力学性能主要包括抗拉强度、屈服强度、伸长率、断面收缩率等。
根据国家标准GB/T 699-1999《碳素结构钢》的规定,08钢的力学性能应符合表2的要求。
表2 08钢的力学性能项目σb/MPa σs/MPa δ5/% Ψ/%数值≥375 ≥490 -26 ≥23三、08钢的热处理工艺08钢可以通过不同的热处理工艺来改善其力学性能,以满足不同工况的需求。
常见的热处理工艺有退火、正火、淬火+回火等。
1. 退火:将钢材加热至临界点Ac3以上,保温一定时间后,随炉冷却至室温。
退火处理可以降低钢材的硬度,提高塑性,便于切削加工。
2. 正火:将钢材加热至临界点Ac3以上,保温一定时间后,在空气中冷却至室温。
正火处理可以提高钢材的硬度和强度,但降低了塑性。
3. 淬火+回火:将钢材加热至临界点Ac3以上,迅速冷却至Ms以下,然后加热至某一温度并保温一定时间,最后冷却至室温。
淬火+回火处理可以提高钢材的硬度和强度,同时保持一定的塑性。
四、08钢的应用范围由于08钢具有良好的塑性、韧性和可焊性,因此广泛应用于制造各种建筑结构、机械制造、汽车制造等领域。
以下是一些典型的应用实例:1. 建筑结构:如钢筋混凝土柱、梁、板等构件;钢结构厂房、桥梁等结构件。
2. 机械制造:如机床床身、工作台、导轨等;农机具、矿山机械等零部件。
3. 汽车制造:如汽车底盘、车身结构件等;汽车零部件如曲轴、连杆等。
建筑钢结构标准建筑钢结构技术标准一览序号标准名称版本号一、材料标准1.1 材质标准1 碳素结构钢GB/T700-19882 优质碳素结构钢GB/T699-19993 低合金高强度结构钢GB/T1591-19944 高耐候结构钢GB/T4171-20005 焊接结构用耐候钢GB/T4172-20006 耐热钢板GB/T4238-19927 桥梁用结构钢GB/T 714-20001.2 型材标准1 热轧等边角钢GB/T9787-19882 热轧不等边角钢GB/T9788-19883 热轧工字钢GB/T706-19884 热轧槽钢GB/T707-19885 热轧H型钢和部分T型钢GB/T11263-19986 普通焊接H型钢YB 3001-19927 结构用高频焊接薄壁H型钢JG/T 137-20018 冷弯型钢GB/T6725-20029 结构用冷弯空心型钢GB/T6728-198610 通用冷弯开口型钢GB/T6723-198611 建筑用轻钢龙骨GB/T 11981-20011.3 板材标准1 热轧钢板和钢带GB/T709-19882 碳素结构钢和低合金结构钢热轧钢带GB/T3524-19923 碳素结构钢和低合金结构钢热轧薄钢板和钢带GB/T912-19894 碳素结构钢和低合金结构钢热轧厚钢板和钢带GB/T3274-19885 冷轧钢板和钢带GB/T708-19886 碳素结构钢冷轧钢带GB/T716-19917 厚度方向性能钢板GB/T5313-19858 连续热镀锌薄钢板和钢带GB/T2518-19889 彩色涂层钢板及钢带GB/T12754-199110 建筑用压型钢板GB12755-199111 冷弯波纹钢板GB/T6724-198612 焊接钢管用钢带GB/T8165-19971.4 管材标准1 结构用无缝钢管GB/T8162-19992 无缝钢管尺寸、外形、重量及允许偏差GB/T 17395-19983 钢管的验收、包装、标志和质量证明书GB2102-884 结构用不锈钢无缝钢管GB/T 14975-20025 直缝电焊钢管YB242-636 冷拔无缝异型钢管GB/T3094-20001.5 焊接材料标准1 电弧螺柱焊用圆柱头焊钉GB/T 10433-20022 储能焊用焊接螺柱GB/T 902.3-19893 手工焊用焊接螺柱GB/T 902.1-19894 机动弧焊用焊接螺柱GB/T 902.2-19895 碳钢焊条GB/T5117-19956 低合金钢焊条GB/T5118-19957 熔化焊用钢丝GB/T14957-19945 气体保护焊用钢丝GB/T14958-19946 碳钢药芯焊丝GB/T 10045-20017 气体保护电弧焊用碳钢、低合金钢焊丝GB/T 8110-19958 碳素钢埋弧焊用碳钢焊丝与焊剂GB952939 低合金钢埋弧焊用焊剂GB/T 12470-199010 铸铁焊条及焊丝GB/T 10044-198811 堆焊焊条GB/T 984-200112 铝及铝合金焊丝GB/T 10858-19891.6 连接标准1 钢结构用高强度大六角头螺栓GB/T 1228-19912 钢结构用高强度大六角头螺栓、大六角螺母、垫圈型式尺寸与技术条件GB1231-19913 钢结构用扭剪型高强度连接副型式尺寸与技术条件GB3633-19834 钢结构用高强度垫圈GB/T 1230-19915 钢网架螺栓球节点用高强度螺栓GB/T 16939-19971.7 其他标准1 钢结构防火涂料应用技术规程CECS24:19902 室内钢结构防火涂料通用技术条件GB/T14907-19943 钢结构防火涂料GB 14907-20024 涂装前钢材表面锈蚀等级和除锈等级GB8923--88二、设计标准2.1 通用标准1 钢结构设计规范GB50017-20032 冷弯薄壁型钢结构技术规范GB50018-20023 钢结构抗火设计规程CECS(在编)4 建筑钢结构防火技术规程DG/TJ 08-008-2000 J10041-2000上海规范 2.2 高层、高耸钢结构标准1 高层民用建筑钢结构技术规程JCJ99-1998(待局部修订)2 多、高层建筑钢――混凝土混合结构设计规程CECS(在编)3 热轧H型钢构件设计规程CECS(在编)4 高耸结构设计规范GBJ135-1990(在修订)5 高层民用建筑设计防火规范GB50045-95(2001年修订)6 高层钢结构设计暂行规定DBJ 08-32-92上海规范2.3 空间钢结构标准1 网架结构设计与施工规程JGJ7-1991(待修订)2 钢网架螺栓球节点JGJ75.1-19913 钢网架焊接球节点JGJ75.2-19914 钢网架检验及验收标准JGJ75.3-19915 网壳结构技术规程JGJ(61-2003)6 悬索结构设计规程JGJ(待报批)7 索膜结构设计规程CECS(在编)2.4 轻型钢结构标准1 门式刚架轻型房屋钢结构技术规程CECS102:20022 门式刚架轻型房屋钢构件JG144-20023 拱行波纹钢屋盖结构技术规程CECS(待报批)4 钢龙骨结构技术规程CECS(在编)5 轻型房屋钢结构技术规程CECS(在编)6 冷弯型钢受力蒙皮结构设计规程CECS(在编)7 轻型钢结构设计规程DBJ 08-68-97 上海规范2.5 组合结构标准1 钢管混凝土结构设计与施工规程CECS28:1990(在修订)2 矩形钢管混凝土结构设计规程CECS(在编)3 混凝土钢管叠合柱技术规程CECS(在编)4 型钢混凝土组合结构技术规程JGJ138-20015 钢骨混凝土结构设计规程YB9082-19976 钢-混凝土组合结构设计规程DL/T 5085-1999国家经济贸易委员会7 钢-混凝土组合楼盖结构设计与施工规程YB 9238-92冶金工业部8 钢管混凝土结构设计施工及验收规程JCJ01-89国家建材工业局9 钢管混凝土构件N-M相关设计计算图表JCJ02-90国家建材工业局10 火力发电厂主厂钢-混凝土组合结构设计暂行规定DJGJ99-91能源部电力规划设计管理局11 战时军港抢修早强型钢-混凝土组合结构技术规程GJB 解放军总后勤部2.6 钢结构连接标准1 建筑钢结构焊接与验收规程JGJ81-20022 钢结构高强度螺栓连接的设计、施工及验收规程JGJ82-19913 焊接设计规范JB/ZZ 5-86 中国机械委重型机械局企业标准4 焊接质量保证钢熔化焊接头的要求和缺陷分级GB/T 12469-905 埋弧焊焊缝坡口的基本形式和尺寸GB/T 986-19886 工程建设施工现场焊接目视检验规范CECS71:947 焊接与切割安全GB9448-998 铝及铝合金焊接技术规程HGJ222??929 地脚螺栓GB/T 799-19882.7 钢结构加固标准1 钢结构加固技术规范CECS77:19962 钢结构检测评定与加固技术规程YB 9257-1996三、施工标准3.1 通用标准1 钢结构工程施工质量验收规范GB50205-20012 钢结构工程质量检验评定标准GB 50221-19953 钢结构制作工艺规程DBJ 08-216-95上海规范4 网架结构工程质量检验评定标准JGJ78-19915 塔桅钢结构施工及验收规程CECS80:969 钢桁架检验及验收标准JGJ74.2-199110 钢桁架质量标准JGJ74.1-198911 焊工技术考试规程JJ12.2-198712 钢熔化焊手焊工资格考核方法GB/T 15169-199413 钢结构工程通病及治理TB-0414 钢结构工程质量预控YK-043.2 无损检测相关标准1 钢焊缝手工超声波探伤方法和探伤结果分析GB1231-19912 建筑安装工程金属熔化焊焊缝射线照相构测标准CECS70:943 无缝钢管超声波探伤检验方法GB/T 5777-964 钢管环缝熔化焊对接接头射线透照工艺和质量分级GB/T 12605-19905 铸钢件渗透探伤及缺陷显示迹痕的评级方法GB/T 9443-19886 铸钢件磁粉探伤及质量评级方法GB/T 9444-19887 接触式超声斜射探伤方法GB/T 11343-19898 无损检测术语超声检测GB/T 12604.1-19909 无损检测术语射线检测GB/T 12604.2-199010 无损检测术语渗透检测GB/T 12604.3-199011 无损检测术语磁粉检测GB/T 12604.5-199012 无损检测人员资格鉴定与认证GB/T 9445-199913 复合钢板超声波探伤方法GB/T 7734-198714 焊缝无损检测符号GB/T 14693-1993四、外国钢结构相关规范1 《Load and resistance Factor design Specification for Structural Steel Buildings》AISC-LRFD93美国钢结构学会19932 《Specification for the Design of Cold-Formed Steel Structural Members》美国钢铁学会AISI 19963 《钢结构焊接规范》美国焊接学会19794 《Working Draft.Steel structures.materials and design》ISO/TC167/SC1-N219 19895 《钢混组合梁设计与施工规范》德国规范学会, 郑州工学院译19836 《钢骨钢筋混凝土结构计算标准》日本建筑学会1987,067 《钢构造限界状态设计指针》AIJ98 日本建筑学会19988 《钢结构塑性设计规范》日本建筑学会9 《钢管构造设计施工指针》日本建筑学会199010 《高强螺栓结合设计与施工指南》日本建筑学会198311 《日本建筑结构抗震设计条例》198112 《结构构件焊接加固指南》前苏联197913 加拿大国家建筑法规(National Building Code-NBC1990)14 美国土木工程师协会标准(American Society of Civil Engineers Standards-ASCE 7-95)15 欧洲钢结构规范EC316 英国钢结构规范BS5950-199017 德国钢结构规范DIN18800-ii注:GB――国家标准(强制性)GB/T――国家标准(推荐性)GBJ――工程建设国家标准CECS――中国工程建设标准化协会标准YB――冶金工业行业标准JG/T――建筑工业行业标准(推荐性) JGJ――建筑工程行业标准。
2008型钢模板尺寸【原创实用版】目录1.2008 型钢模板的概述2.2008 型钢模板的尺寸规格3.2008 型钢模板的应用领域4.2008 型钢模板的优势正文一、2008 型钢模板的概述2008 型钢模板是一种建筑模板,主要由钢材制成,具有很高的强度和耐用性。
这种模板在我国建筑行业中广泛应用,特别是在混凝土结构施工中,发挥着至关重要的作用。
二、2008 型钢模板的尺寸规格2008 型钢模板的尺寸规格主要包括以下几种:1.长度:常见的长度有 1.2m、1.5m、1.8m、2.1m 等,可以根据实际需要进行定制。
2.宽度:常见的宽度有 0.6m、0.9m、1.2m 等,同样可以根据实际需要进行定制。
3.厚度:2008 型钢模板的厚度一般为 10mm、12mm、15mm 等,不同厚度的模板适用于不同的施工场景。
三、2008 型钢模板的应用领域2008 型钢模板广泛应用于建筑工程、桥梁工程、水利工程等领域,尤其是用于混凝土结构的施工,如楼板、柱子、梁等构件的浇筑。
四、2008 型钢模板的优势2008 型钢模板具有以下几个显著优势:1.高强度:钢模板具有很高的强度,可以承受较大的荷载,保证施工安全。
2.耐用性好:钢模板具有较长的使用寿命,且易于维修,降低使用成本。
3.施工效率高:钢模板重量轻,安装方便,可重复使用,提高施工效率。
4.节约材料:钢模板可以重复使用,降低了木材等资源的消耗,有利于环保和可持续发展。
5.适应性强:钢模板可根据工程需要定制不同尺寸和形状,具有较强的适应性。
总之,2008 型钢模板凭借其优异的性能和广泛的应用领域,成为了建筑行业不可或缺的重要设备。
钢结构工程施工质量验收一、单选题格式(每题4个选择项,只有一个正确答案)1、钢结构工程施工质量验收规范(GB 50205-2001):凡涉及安全、功能的原材料及成品应按本规范规定进行复验,并应经(A)见证取样、送样。
A、监理工程师B、资料员C、总工程师D、实验员2、钢结构工程施工质量验收规范(GB 50205-2001):分项工程检验批合格质量标准应符合下列规定:一般项目其检验结果应有()及以上的检查点(值)符合本规范合格质量标准的要求,且最大值不应超过其允许偏差值的( D )倍。
A、80% 1.5B、90% 1.2C、70% 1.3D、80% 1.23、钢结构工程施工质量验收规范(GB 50205-2001):当钢材表面有锈蚀、麻点或划痕等缺陷时,其深度不得大于该钢材厚度负允许偏差值的( C )。
A、1/3B、1/4C、1/2D、2/34、钢结构工程施工质量验收规范(GB 50205-2001):预热区在焊道两侧,每侧宽度均应大于焊件厚度的()倍以上,且不应小于( C )mm。
A、1.2 80B、1.5 80C、1.5 100D、1.2 1005、钢结构工程施工质量验收规范(GB 50205-2001):后热处理应在焊后立即进行,保温时间应根据板厚按每25mm板厚( C )确定。
A、1.2hB、1.5hC、1hD、40min6、钢结构工程施工质量验收规范(GB 50205-2001):永久性普通螺栓紧固应牢固、可靠,外露丝扣不应少于( B )扣。
A、1B、2C、3D、47、钢结构工程施工质量验收规范(GB 50205-2001):高强度螺栓连接副终拧后,螺栓丝扣外露应为2~3扣,其中允许有( A )的螺栓丝扣外露1扣或4扣。
A、10%B、15%C、20#D、5%8、钢结构工程施工质量验收规范(GB 50205-2001):高强度螺栓孔不应采用气割扩孔扩孔数量应征得设计同意,扩孔后的孔径不应超过( B )d(d为螺栓直径)A、1.0B、1.2C、1.5D、2.09、钢结构工程施工质量验收规范(GB 50205-2001):钢材切割面或剪切面应无裂纹、夹渣、分层和大于( A )的缺棱A、1.0mmB、1.2 mmC、1.5 mmD、2.0 mm10、钢结构工程施工质量验收规范(GB 50205-2001):碳素结构钢在环境温度低于()、低合金结构钢在环境温度低于( D )时,不应进行冷矫正和冷弯曲。
定额材料基价表2012年5月材料编号名称单位单位市场价000001 油漆材料费元 100010101 综合工日工日 4700010201 土石方综合工日工日 5400010301 安装综合工日工日 6800010401 装饰综合工日工日 10100010501 园林综合工日工日 7000020101 超高降效人工费元 101010101 水泥32.5 kg 0.4901010102 水泥32.5 t 35501010103 水泥42.5 kg 0.5301010104 水泥42.5 t 39001010105 水泥52.5 kg 0.301010201 白水泥 kg 0.8301010401 膨胀水泥 kg 0.7201010501 矾土水泥32.5 kg 0.401010601 耐火水泥32.5 kg 0.401020101 商品砼 m3 16001020102 商品砼C15 m3 37001020103 商品砼C20 m3 37001020201 碾压商品砼 m3 15001020301 商品水稳层 m3 14001030101 砼C10 m3 30001030102 砼C20 m3 32001030103 砼C30 m3 34001030201 细石砼C20 m3 32001030301 水下砼 m3 16001031001 预制砼C20 m3 17301031501 耐酸沥青砼中粒式 m3 590.8101040101 界面砂浆TR01 kg 1.501040201 抗裂砂浆 kg 1.5601040301 耐酸砂浆 m3 393801040601 膨胀水泥砂浆1:1 m3 271.1401040701 沥青砂浆1∶2∶7 m3 808.1701040801 压实层用耐酸沥青砂浆1.3∶2.6∶7.4 m3 795.1901040901 环氧砂浆(含煤焦油) 0.5∶0.5∶0.04∶2.2 m3 8163.53 01041001 水泥粉煤灰陶粒1∶0.2∶3.5 m3 12501041101 胶粉聚苯颗粒浆料 m3 24501041201 结合层用耐酸沥青胶泥 m3 1784.7501041301 石棉水泥3:7 m3 45701050202 预制砼块 m3 6001050401 砼板200×200×25 m3 12.502010101 原木 m3 100002010102 杉原木 m3 60002010103 缆风桩木 m3 60002020101 锯材 m3 170002020301 枋木 m3 85002020501 硬木方 m3 1000 02030101 枕木 m3 85002030201 木挡土板 m3 850 02030301 垫木 m3 85002030401 木楔 m3 85002030501 木砖 m3 85002030801 防腐木 m3 2000 02031201 板条1000×30×8 百根 20 02031501 木压条 m 1.602031601 木柴 kg 0.502031701 锯末 m3 3002032201 木桩Φ100×2000根 8.24 02032202 木桩根 5.502040101 毛竹根 302050101 竹挡土板 m2 25 02050201 竹脚手板 m2 25 02050301 竹篱片 m2 502050401 黄席2000×1000 床 10 03010101 钢材 t 260003010102 钢材 kg 2.603010103 钻头钢板 kg 2.9 03010104 钢垫板夹板 kg 2.9 03010105 钢板垫板 kg 2.9 03010118 成品铸铁 kg 2.9 03020101 钢筋 t 630003020102 钢筋 kg 6.303020103 钢筋Φ10以内 t 6300 03020104 钢筋Φ10以上 t 6300 03020105 钢筋Φ10以上 kg 6.3 03020106 钢筋φ10~14 kg 6.3 03020107 钢筋Φ12以内 kg 6.3 03020108 钢筋Ф16 kg 5.12 03020201 螺纹钢筋 t 6200 03020301 拉结钢筋Φ12 kg 2.6 03020401 预应力钢筋 t 2600 03030101 钢板 t 680003030102 钢板 kg 6.803030103 薄钢板 kg 2.903030104 中厚钢板15mm以内 kg 2.9 03030106 钢板δ0.5~0.65 kg 6.9 03030107 钢板δ0.6 kg 6.9 03030108 钢板δ0.7~0.9 kg 6.9 03030109 钢板δ1.0 kg 6.9 03030110 钢板δ1.0~1.5 kg 6.9 03030112 钢板δ2 kg 6.903030113 钢板δ2.0~2.5 kg 6.9 03030114 钢板δ2~3 kg 6.903030115 钢板δ2~6 kg 6.95 03030116 钢板δ2.6~3.2 kg 6.9 03030117 钢板δ3 m2 6.903030118 钢板δ3.5~4.0 kg 6.9 03030119 钢板δ4 kg 6.903030120 钢板δ4~10 kg 4.4 03030121 钢板δ4~16 kg 4.25 03030122 钢板δ4.5~10 kg 4.4 03030123 钢板δ4.5~7 kg 4.4 03030124 钢板δ4.5~8 kg 4.4 03030125 钢板δ4.5~10 kg 4.4 03030126 钢板δ6~12 kg 6.8 03030127 钢板δ8.0 kg 4.403030128 钢板δ8~15 kg 4.25 03030129 钢板δ8~20 kg 4.25 03030130 钢板δ10 kg 4.403030131 钢板δ10~12 kg 4.25 03030132 钢板δ10~14 kg 4.25 03030133 钢板δ10~15 kg 4.25 03030134 钢板δ10~20 kg 4.25 03030135 钢板δ11~20 kg 4.25 03030136 钢板δ12 kg 4.25 03030137 钢板δ12~20 kg 4.25 03030138 钢板δ14 kg 4.25 03030139 钢板δ15~30 kg 4.7 03030140 钢板δ16 kg 4.25 03030141 钢板δ18 kg 4.25 03030142 钢板δ20 kg 4.25 03030143 钢板δ20~40 kg 4.7 03030144 钢板δ≥20 kg 5.35 03030145 钢板δ21~30 kg 4.7 03030146 钢板δ25 kg 4.25 03030147 钢板δ30 kg 4.703030148 钢板δ>31 kg 5.8 03030149 钢板δ36 kg 4.703030150 钢板δ40 kg 4.703030151 钢板δ50 kg 7.25 03030152 钢板δ50 t 725003030153 钢板δ60 kg 7.25 03030154 钢板δ100×10 kg 6.9 03030156 钢板(用于孔径加强板) kg 6.8 03030157 中厚钢板15mm以外 kg 2.9 03030201 镀锌铁皮 m2 1403030202 镀锌钢板δ0.5 kg 6.3 03030205 镀锌钢板δ0.5~0.65 kg 6.3 03030206 镀锌钢板δ0.7~0.9 kg 6.3 03030208 镀锌铁皮δ0.8~1 kg 6.3 03030211 镀锌钢板δ1~1.5 kg 6.303030213 镀锌钢板δ2~2.5 kg 7.95 03030501 花纹钢板δ≤5 kg 5.3203030502 花纹钢板 t 350003030601 波形钢板 t 290003030701 隔音彩钢板 m2 7003040201 碳素钢丝(综合) t 300003040301 无粘结钢丝束 t 500003040402 冷拔低碳钢丝Φ4 t 2600 03040403 冷拔低碳钢丝Φ5以下 t 5000 03040501 镀锌铁丝 kg 603040502 镀锌铁丝8# kg 603040503 镀锌铁丝8#~12# kg 6.6 03040504 镀锌铁丝10# kg 603040505 镀锌铁丝10#~12# kg 6.665 03040506 镀锌铁丝12# kg 6.865 03040507 镀锌铁丝13#~17# kg 6.665 03040508 镀锌铁丝14#~16# kg 6.665 03040509 镀锌铁丝14# kg 6.865 03040510 镀锌铁丝16# kg 603040514 镀锌铁丝18#~22# kg 6 03040515 镀锌铁丝20#~22# kg 6 03040516 镀锌铁丝22# kg 603040701 铅丝12# kg 4.703040702 铅丝20# kg 5.503040801 钢绞线 t 650003040803 钢绞线7φ5 t 650003041001 无粘结预应力钢绞线φ15.24 t 6500 03041101 锌丝 kg 3503050101 钢丝绳 kg 8.303050102 钢丝绳 t 830003050104 钢丝绳Φ4.2 kg 8.303050105 钢丝绳Φ4.5 kg 8.303050108 钢丝绳Φ8 m 1.303050109 钢丝绳Φ8 kg 8.303050112 钢丝绳Φ14.1~15 kg 8.3 03050114 钢丝绳φ15 kg 8.303050116 钢丝绳Φ16~18.5 kg 8.3 03050119 钢丝绳Φ19~21.5 kg 8.3 03050123 钢丝绳Φ22 kg 8.303050133 钢丝绳Φ52 kg 8.303050201 加固钢丝绳 kg 503060101 型钢 kg 2.903060102 型钢 t 290003060201 工字钢 t 505003060202 工字钢 kg 5.0503060203 工字钢>18 kg 5.2703060204 工字钢360×136×10 kg 5.2 03060205 工字钢400×142×10.5 kg 5.203060206 工字钢400×142×12.5 kg 5.2 03060207 工字钢10~22 t 5560 03060208 工字钢12.6~28 t 5870 03060209 工字钢25~45 t 5870 03060210 工字钢32~63 t 5270 03060301 槽钢 kg 5.403060302 槽钢5# kg 4.85 03060303 槽钢5#~16# kg 4.85 03060304 槽钢8# kg 4.85 03060305 槽钢10# kg 4.85 03060306 槽钢12# kg 4.85 03060307 槽钢14#~20# kg 5.3 03060308 槽钢18# kg 4.95 03060309 槽钢≤18# kg 5.46 03060310 槽钢>18# kg 5.32 03060401 角钢 kg 4.803060402 角钢 t 480003060403 角钢5×6 kg 4.8 03060405 角钢L40×3~4 kg 4.8 03060406 角钢L40×40×4 kg 4.8 03060407 角钢L40~50 kg 4.8 03060408 角钢≤50×5 kg 4.8 03060409 角钢>50×5 kg 4.8 03060410 角钢L50×5 t 4800 03060411 角钢L60 kg 4.8 03060412 角钢<L60 kg 4.8 03060413 角钢L63 kg 4.8 03060414 角钢>L63 kg 4.8 03060415 角钢L100×12 kg 4.8 03060701 扁钢 kg 503060702 扁钢综合 kg 503060703 扁钢-10×100 kg 5 03060704 扁钢-25~14 kg 5 03060705 扁铁-30×4 kg 5.245 03060706 扁钢-30×3 kg 5 03060707 扁铁-40×4 kg 5.245 03060708 扁钢A3-4×40 kg 5 03060709 扁钢<-59 kg 5 03060710 扁钢>-60 kg 5.05 03060711 扁钢-50~75 kg 5 03060901 镀锌扁钢综合 kg 6.2 03060902 镀锌扁钢-25×4 kg 6.2 03060903 镀锌扁钢-40×4 kg 6.2 03060904 镀锌扁钢-60×6 kg 6.2 03060905 镀锌扁钢<-59 kg 6.2 03060906 镀锌扁钢-25~45 kg 6.2 03060907 镀锌扁钢-50~75 kg 6.203061002 普碳方钢(各种规格) t 5365 03061003 方钢20×20 kg 5.3 03061004 方钢 t 530003061101 六角空心钢 kg 4.5 03061102 六角空心钢22~25 kg 4.5 03061201 圆钢 kg 6.303061202 圆钢Φ10 kg 4.7 03061203 圆钢Φ12 kg 4.85 03061204 圆钢φ18 kg 4.85 03061205 圆钢φ20 kg 4.85 03061206 圆钢Φ8~14 kg 5.05 03061207 圆钢Φ5.5~9 kg 4.99 03061208 圆钢Φ10~14 kg 5.05 03061209 圆钢Φ15~24 kg 4.85 03061210 圆钢Φ25~32 kg 5.05 03061211 圆钢Φ>32 kg 6.3 03061212 圆钢≤Φ37 kg 6.3 03061213 圆钢>Φ37 kg 6.3 03061214 圆钢45# kg 6.3 03061215 圆钢A3 Φ10 kg 4.99 03061302 镀锌圆钢Φ10~14 kg 6.61 03070101 钢轨 t 290003070102 钢轨 kg 2.903070104 钢轨15# kg 7.1 03070107 重钢轨38kg/m t 4700 03070110 鱼尾板 kg 2.903080201 不锈钢型材 kg 10 03080301 不锈钢板 kg 25.352 03080303 不锈钢板 m2 70 04010101 铝板(各种规格) kg 18.5 04010102 铝板 kg 18.504010105 铝板δ3 kg 18.5 04010701 角铝 m 1.804010801 铝丝Φ2 kg 25 04010802 铝线Φ2.5 kg 15 04010901 铝合金压条 m 10 04011201 铝泊胶带卷 4.5 04020101 紫铜板 kg 71.5 04020301 铜丝 kg 3504020601 铜箔张 0.0604020801 化学铜粉 kg 22.12 04030101 青铅 kg 6.704030201 铅板δ3 kg 1.75 04030202 铅板δ2.6~3 kg 1.75 05010101 特细砂 t 7905010102 特细砂 m3 3505010202 中砂 t 3005010301 中粗砂 t 3005010601 石屑 m3 38 05010602 石屑 t 25 05010701 机制砂 t 40 05010801 砂(石屑) t 25 05010901 石灰石砂 kg 0.1 05011001 4#白云石砂 kg 0.15 05011101 大理石砂 kg 0.45 05011102 大理石粉 kg 0.62 05011201 重晶石砂 kg 0.68 05011202 重晶石粉 kg 0.62 05011401 金刚砂 kg 9 05011701 石英砂 kg 0.34 05020203 碎石5~10mm t 69 05020204 碎石5~31.5mm t 69 05020205 碎石5~40mm t 69 05020206 碎石5~60mm t 25 05020207 碎石5~10mm t 69 05020208 碎石5~20mm t 69 05020209 碎石5~80mm t 69 05020210 碎石20~60mm t 69 05020212 碎石30~50mm t 25 05020213 黑色碎石 t 25 05020214 碎石50~80mm t 25 05020215 碎石40mm m3 45 05020301 矿料5~9.5mm t 25 05020302 矿料5~13.2mm t 25 05020303 矿料5~16mm t 25 05020304 矿料5~19mm t 25 05020305 矿料5~26.5mm t 25 05020306 矿料5~31mm t 25 05020401 白石子 t 227 05020501 彩色石子 t 210 05020601 卵石 t 25 05020602 彩色卵石 t 55 05020603 本色卵石 t 26 05020701 砾石5~10mm t 25 05020702 砾石5~20mm t 25 05020703 砾石5~31.5mm t 25 05020704 砾石5~40mm t 25 05020705 砾石5~60mm t 25 05020706 砾石20~60mm t 25 05020801 绿豆砂 m3 63 05020901 砂砾石 m3 20 05021001 连槽石 m3 15 05021101 连砂石 m3 20 05021201 青砂石 m3 42 05021301 青(红)砂石 t 35 05021401 重晶石 kg 0.6805021501 石英石 kg 0.2705030101 毛条石 m3 14205030201 清条石 m3 6005030301 镶面条石 m3 6005030401 块(片)石 m3 1505030501 毛石 m3 1505030601 拱石 m3 6005030701 毛板石 m3 4005030801 板石 m3 5005030901 汉白玉 m2 11005031001 石灰石 m3 3805031101 方整石300×200×220 m3 40 05031201 碎石板 m3 4205031301 六角石板块 m3 5005031401 小方块石 m3 4005031701 冰片石(斧劈石) m2 15 05031801 沉江石300×300 m2 30 05031901 花岗石碎片 m2 4005032001 整石板1000×400×150 m3 50 05032101 沉江石(块状) m2 3005032201 流水石 m2 2505040101 标准砖240×115×53 千块 345 05040102 标准砖200×95×53 千块 130 ******** 红砖千块 16005040301 机砖千块 16005040401 页岩空心砖(800kg/m3) m3 220 05040501 纸皮砖 m2 2505040601 水泥花砖 m2 1605040701 植草砖 m2 3005040801 碎砖 m3 7505040802 碎砖 t 5005050101 小青瓦千疋 8405050102 切角小青瓦千疋 8405050201 小波石棉瓦1820×720 块 8.5 05050202 小波石棉脊瓦850×360 块 10 05050302 玻璃钢瓦1800×740×10 块 19.96 05050303 玻璃钢脊瓦块 8.3205050401 压型屋面板W-550 m2 60 05050402 中间固定架WG-2 个 3.5 05050403 端部固定架WG-3 个 2.5 05050404 檐口堵头板WD-1 块 5 05050405 屋脊堵头板WD-2 块 4.5 05050406 屋脊挡雨板WD-3 块 3 05050407 屋脊板2mm m2 2505050408 沿口包角板0.8mm m2 24 05050409 单面固定螺栓ML-850R 个 2.73 05050410 单面连接螺栓R-8 个 1.63 05050412 瓦楞螺钉Φ6×90 带垫百只 2005050413 固定螺丝屋面板专用百个 9.84 05050501 折形瓦 m2 1205050601 彩瓦 m2 2205050602 彩瓦瓦脊块 305050701 彩钢波纹瓦 m2 3005050702 彩钢瓦脊 m 1505050801 油毡瓦 m2 3005060101 加气砼块(700kg/m3) m3 315 05060102 空心砌块 m3 16005060103 泡沫砼块 m3 12005060104 砼预制块 m3 16005060105 硅酸盐砌块 m3 8005060106 砼砌块 m3 16005070101 生石灰 kg 0.105070102 生石灰 t 10005070201 粉煤灰 m3 6005070202 Ⅱ级粉煤灰 kg 0.1505070301 S95级矿渣粉 kg 0.2 05070501 矿渣 t 4505070601 炉(矿)渣 m3 12.7505070701 炉渣 m3 12.7505070702 炉渣 t 1505070801 焦渣 t 8005070901 煤渣 m3 1505070902 煤渣 t 1505080101 粘土 m3 1505080201 土 m3 1505080401 白坩土 kg 0.330508041 白坩土 kg 0.3305080601 膨润土200目 kg 0.53 05081101 石灰膏 m3 7005090101 石膏粉 kg 0.7205090201 石粉 kg 0.06205090301 石英粉 kg 0.3305090401 矿粉 t 17005090501 滑石粉 kg 0.4505090801 铸石粉 kg 1.4705091101 石灰膏 m3 7006010101 铝合金门 m2 7006010401 防火门 m2 10006010501 木质防火门 m2 49506010901 卷帘门 m2 7006011201 钢门 m2 7006011301 塑钢门 m2 7006011401 防盗门 m2 10006020101 铝合金窗 m2 6006020701 塑钢窗带纱窗 m2 75 06020801 塑钢窗 m2 6006020901 金属百叶窗 m2 6006021101 钢窗 m2 6006030101 全玻塑钢隔断 m2 6006030201 半玻塑钢隔断 m2 6006030310 全塑钢板隔断 m2 6007010101 铁钉 kg 507010201 金属门钉个 0.0207010501 马钉 kg 507010601 扒钉 kg 507010701 扣钉 kg 507010801 抓钉 kg 507010901 道钉 kg 507011001 水泥钉个 0.0907011101 射钉枪用射钉个 0.1607011102 射钉百个 1607011103 射钉(枪钉) 盒 807011501 铆钉个 0.0407011503 铆钉4×10 kg 7.0607012101 拉铆钉LD-1 个 0.107012301 铝拉铆钉百个 10.207020101 螺钉个 0.0207020102 螺钉百个 307020201 木螺钉个 0.0307020202 木螺钉百只 207020203 木螺钉5×35 个 0.0507020209 木螺钉M5×30 个 0.0307020301 木螺丝百个 307020302 木螺丝 kg 207020303 木螺丝4×30 百个 307020305 木螺丝4×40 百个 307020501 镀锌螺钉带垫个 0.2107030101 螺栓 kg 8.907030102 螺栓 10套 1407030103 螺栓综合套 1.407030107 螺栓M8 套 107030111 螺栓M19×310 个 507030112 螺栓M20 个 207030201 带帽螺栓个 1.7707030202 带帽螺栓 kg 8.907030502 精制六角带帽螺栓 10套 7.4 07030505 精制六角带帽螺栓M4×25 套 0.35 07030513 精制六角带帽螺栓M8×75 套 0.35 07030517 精制六角带帽螺栓M10×75 套 0.35 07030521 精制六角带帽螺栓M12×45 套 0.43 07030531 精制六角带帽螺栓M14 套 0.83 07030534 精制六角带帽螺栓M16×80 套 1.48 07030535 精制六角带帽螺栓M16×90 套 1.65 07030540 精制六角带帽螺栓M20×80 套 2.307030542 精制六角带帽螺栓M22×90 套 3.6 07030544 精制六角带帽螺栓M27×95 套 5.1 07030545 精制六角带帽螺栓M27×120 套 6 07030546 精制六角带帽螺栓M30×130 套 8.5 07030547 精制六角带帽螺栓M36×160 套 10.5 07030548 精制六角带帽螺栓M42×180 套 18.5 07031402 镀锌螺栓M4×30 百个21 07032201半圆头螺栓个 0.0507032301 带帽玛铁螺栓M12×100 套 1.05 07032302 带帽玛铁螺栓M20×100 套 2.17 07032303 带帽玛铁螺栓M22×120 套 2.85 07032501 高强螺栓 kg 9.507033101 自攻螺丝个 0.0207033201 膨胀螺栓套 1.207033203 膨胀螺栓M5×50 百个 12 07033208 膨胀螺栓M8×60 套 0.707033209 膨胀螺栓M8×80 套 1.107033401 定位螺丝Φ6×10只 0.06 07033501 鱼尾螺栓 kg 8.907050201 铜六角螺栓M8 套 107070102 螺母 kg 8.907070103 螺母个 0.1107070401 六角螺母M16 个 0.2107070402 六角螺母M20 个 0.4407070702 铜螺母M8 个 0.2507080101 垫圈个 0.0507080102 垫圈 kg 3807080503 镀锌垫圈M20 个 0.0507080601 专用螺母垫圈3型个 0.2 07081001 铜垫圈M8 个 0.207090101 冲击钻头 kg 3007090102 冲击钻头Φ6~8 个 1007090103 冲击钻头Φ6~12 个 2007090104 冲击钻头Φ6~14 个 1007090106 冲击钻头Φ8~16 个 3007090112 冲击钻头Φ15~22 个 20 07090115 冲击钻头Φ23以上个 30 07090201 合金钢钻头个 2507090204 合金钢钻头φ20个 2007090205 合金钢钻头(一字型) 个 29.42 07090301 钻头 kg 2207090304 钻头φ25只 29.4207090401 钻头用硬质合金 kg 20007090501 塑料钻头φ26个 2.2107100101 砂轮片Φ100片 4.5207100103 砂轮片Φ200片 1107100301 薄砂轮片500×25×4 片 20.34 07100501 尼龙砂轮片Φ100片 607100502 尼龙砂轮片φ100 片 2.2607110201 塑料膨胀螺栓个 0.0707130102 插销63mm 个 107130105 插锁4" 副 0.6807130204 铰链75mm 副 3.507130401 弓形拉手6" 个 0.3307130402 弓型拉手100mm 个 107130603 执手锁把 5707130604 弹子锁把 807130606 普通钢门锁把 4007130607 门锁把 4007130703 撑挡(铸钢镀格)只 2.207130704 门窗挡个 1.707130710 铁板扣4" 副 0.5507130711 铁搭扣100mm 个 0.907140101 轴承203 个 16.407140103 轴承205 套 6.907140104 单列向心球轴承205 个 20.607140201 钢球 t 400007140203 钢珠32.5 个 0.507140401 砂纸张 0.307140405 铁砂布张 1.3307140601 金刚石200×75×50 块 1007140602 金刚石三角块 4.6607140701 油石块 1.507140702 钢锯条根 207140707 镀锌扁钢钩个 1.207140708 镀锌螺栓钩个 1.207140710 钢丝弹簧L=95 个 2.207140713 滑轮d=56~100mm 个 16.507140716 角铁片 0.207140721 梁卡具 kg 4.507140722 路面刻槽机刀片片 9.9607140725 锚栓颗 107140733 铣刨鼓边刀把 200770001 广漆(生漆) kg 42.44080002 生石灰 kg 0.108010101 钢丝网 m2 308010102 钢丝网0.3 m2 10.208010201 钢板网 m2 1508010202 钢板网δ1.0 m2 1508010401 镀锌铁丝网 m2 7.1408010402 镀锌铁丝网Φ2×22 m2 7.1408010403 镀锌铁丝网Φ2.5×0.67×0.67~Φ3×5 m2 7.14 08010404 镀锌铁丝网10×10×0.9 m2 7.1408010405 镀锌铁丝网20×20×1.6 m2 7.1408010406 镀锌铁丝网40×40×3.6 m2 7.1408010501 铝板网 m2 13.2408010502 铝板网1mm m2 13.2408010801 金属防护网 m2 1008020701 金属轨(带滑轮) m 708030101 铁撑板 t 350008030301 七孔板 kg 2.908030401 型钢板卡 kg 3.508030901 工字钢连接板3#钢 kg 6.408031001 压板块 1008031101 承压板块 1508031102 承压板 kg 2.908033002 铸铁垫板(三角形) kg 2.908040101 铁件 kg 408040201 预埋铁件 kg 6.608040301 加工铁件 kg 6.608040401 锚杆铁件 kg 408041101 垫铁 kg 408050601 钢骨架 kg 408050901 槽形钢板桩 t 332608054301 成品烟道 m 3008054801 套筒钢管支撑设备 kg 4.7208054901 铁爬梯型钢 kg 2.908055201 锚具套 3808055202 锚索锚具套 12008055301 JM15-4锚具个 3008055501 方钢支撑20a槽钢对焊 t 3008055601 型钢立柱 t 290008055801 对拉螺杆 kg 408055901 钢吊杆45″φ40 kg 3.508056101 中空注浆锚杆 m 16.508056601 支撑杆φ25 t 350008057501 铁簸箕0.2×0.2×0.16 kg 70805751 铁簸箕0.2×0.2×0.16 kg 708057901 导向帽个 2008058101 钢丝扁帚盘 0.208058201 金属屑 kg 0.508058301 铁窗栅 kg 2.909010101 铜焊条 kg 3509010201 电焊条 kg 6.309010203 电焊条结422 Φ2.5~3.2 kg 6.93 09010204 电焊条结422 Φ3.2 kg 6.9309010205 电焊条结422 Φ4 kg 6.8709010206 电焊条结422 综合Φ2.5~4各1/3 kg 6.93 09010208 电焊条结507 Φ3.2 kg 6.8509011002 碳钢气焊条<Φ2 kg 4.2309011201 聚氯乙烯焊条 kg 32.0809011401 硬聚氯乙烯焊条Φ4 kg 7.7609011701 硬聚氯乙烯焊条Φ450×3 m 32.08 09011702 硬聚氯乙烯焊条Φ500×3 m 32.0809011703 硬聚氯乙烯焊条Φ560×3 m 32.08 09011704 硬聚氯乙烯焊条Φ620×3 m 32.08 09011705 硬聚氯乙烯焊条Φ750×3 m 32.08 09011706 硬聚氯乙烯焊条Φ820×3 m 32.08 09020101 焊丝 kg 36.6309020901 不锈钢焊丝 kg 36.6309030102 铜焊粉气剂301瓶装 kg 21.59 09030103 铜焊粉气剂301瓶装 kg 21.59 09030201 焊锡 kg 40.3409030601 锡焊料 kg 44.3809040101 焊剂 kg 5.550960006 退光漆 kg 12.50990005 其它材料费元 110010101 木夹板 m2 1510010201 胶合板 m2 1510010501 胶合五层板 m2 161001051 胶合五层板 m2 1610011001 彩钢夹心板 m2 5010011101 彩钢夹心板100 m2 5010011301 木饰面板 m2 1510011401 木丝板 m2 1510011701 埃特板 m2 1510011801 石膏板 m2 810011901 石膏装饰板 m2 510012501 金属烤漆板条 m2 4010012701 塑料扣板(空腹) m2 2010013001 铝合金靠墙条板 m 1010013101 铝合金插缝板 m2 5010013201 铝合金扣板 m2 5010013301 铝合金条板 m2 5010013701 铝合金方板 m2 5010014001 铝塑板 m2 5010014101 钙塑板 m2 1810014201 镁铝曲板40 m2 5010014301 防火胶板 m2 2510014401 塑料面板 m2 1510014801 GRC轻质墙板 m2 3510020401 轻钢龙骨 m2 1210020701 铝合金龙骨 m2 2910020801 轻钢龙骨上人型(平面) m2 12 10020802 轻钢龙骨不上人型(平面) m2 12 10020901 铝合金龙骨上人型(平面) m2 12 10020902 铝合金龙骨不上人型(平面) m2 12 10021201 防腐木龙骨(成品)120×80(mm) m3 2000 10021301 不锈钢干挂件(钢骨架干挂材专用) 套 5 10030101 插接件个 310030701 膨胀管(干挂石材专用) 只 2 10030801 不锈钢连接件个 1.4510040201 装饰纸 m2 1210040301 装饰木皮 m2 1511010101 装饰石材 m2 8011010801 碎装饰块料 t 8011010901 碎装饰石材 m2 4011020101 预制水磨石板 m2 2511030101 花岗岩石60mm m2 8511030102 花岗岩石80mm m2 8511030103 花岗岩石100mm m2 8511030104 花岗岩石120mm m2 8511040101 文化石 m2 2512030201 塑料地板 m2 8013020102 木线条80mm内 m 4130297 六角螺母M16 个 0.213130299 六角螺母M20 个 0.43713030201 金属条 m 613030301 金属压条3×30 m 1.513030401 金属防滑条(铜) m 3513040201 硬塑料线条 m 1.3213040301 塑料踢脚板 m 10.9313040401 塑料踢脚盖板 m 1013050101 石膏线条50mm内 m 1.513050201 石膏装饰条60以上 m 214010101 玻璃3mm m2 1214010201 单层玻璃 m2 1514010501 平板玻璃 m2 1514010502 平板玻璃3mm厚 m2 1514010503 平板玻璃5mm厚 m2 1514030601 热反射玻璃(镀膜玻璃)6mm2100×3300 m2 120 15010102 铸石板20mm m2 8515010103 铸石板30mm m2 8515010325 耐酸砖千块 200015010401 磁板20mm m2 8515010402 磁板30mm m2 8515010501 陶板20mm m2 8515010502 陶板30mm m2 8515020101 面砖 m2 3015020201 内墙面砖 m2 2015020301 外墙面砖(45*95) m2 3015020401 地面砖 m2 3815020601 磁砖65mm m2 8515020602 磁砖113mm m2 8515020701 马赛克 m2 1515020702 陶瓷马赛克 m2 1515030101 缸砖防滑条65mm m 615030201 内墙面砖压条线条 m 515030301 内墙面砖阴阳角线条 m 516010101 调合漆 kg 12.516010103 黄调合漆 kg 13.82 16010104 色调合漆 kg 12.516010201 无光调合漆 kg 15.03 16010301 退光漆 kg 12.516010401 广(生)漆 kg 44.516010701 丙烯酸清漆 kg 22.97 16010801 醇酸磁漆 kg 1416010802 醇酸调合漆 kg 14 16010803 醇酸防锈漆C53-1 kg 17 16010804 醇酸清漆 kg 15.816011201 防火漆 kg 23.7716011301 防水漆 kg 1016011401 防锈漆 kg 2516011502 酚醛磁漆(各种颜色) kg 15 16011503 酚醛调合漆(各种颜色) kg 12.5 16011504 酚醛防锈漆(各种颜色) kg 13 16011505 酚醛耐酸漆 kg 12.52 16011506 酚醛清漆 kg 14.816011601 过氯乙烯磁漆 kg 22.51 16011603 过氯乙烯底漆 kg 12.89 16011605 过氯乙烯清漆 kg 16 16011701 地板漆 kg 13.8916011901 红丹防锈漆 kg 20.5 16012001 磁漆 kg 14.616012102 厚漆白色 kg 7.7316012201 清漆 kg 19.3216012302 环氧富锌漆 kg 13.5 16012303 环氧沥青防锈漆 kg 19.59 16012304 环氧沥青漆 kg 12.5 16012402 聚氨酯磁漆 kg 14 16012403 聚氨酯底漆 kg 14.8 16012501 沥青漆 kg 5.6916013401 抗碱底涂料 kg 10 16013701 乳胶漆 kg 8.516013702 白乳胶漆 kg 516014001 水性水泥漆 kg 411601401 水性水泥漆 kg 4116014101 透明底漆 kg 1216014501 硝基清漆 kg 291601451 硝基清漆 kg 2916015001 真石漆 m2 2516020101 防火涂料 kg 7.216020201 防霉涂料 kg 516020701 内墙涂料 kg 3.516020801 外墙涂料 kg 3.516021101 H型真石涂料 kg 10 16022001 氯丁胶乳沥青涂料 kg 4.56 16030602 成品腻子粉一般型 kg 116030603 成品腻子粉(防水型) kg 1.6 16030701 成品腻子膏(一般型) kg 1 16030702 成品腻子膏(防水型) kg 1.6 16030801 麻丝快硬水泥 kg 0.4 16040101 捶灰 m3 46516040201 浅月白麻刀灰 m3 198.5 16040301 深月白灰 m3 212.64 16040401 红素灰 m3 253 16040501 白素灰 m3 75.06 16040601 青灰 kg 0.9516040701 砖灰 kg 0.7916040801 漆片 kg 17.3316050101 脱漆剂 kg 8.43 16050201 稀释剂 kg 916050301 过氯乙烯稀释剂 kg 16.5 16050401 醇酸稀释剂 kg 14 17010101 建筑胶 kg 1.817010201 腻子胶 kg 1.317010301 乳胶 kg 817010302 白乳胶 kg 6.74 17010303 乳白胶 kg 5.62 17010304 氯化胶乳 kg 5 17010305 聚醋酸乙烯乳胶 kg 5.9 17010401 粘结胶 kg 12.5 17010402 粘结胶 kg 12.5 17010601 密封胶 kg 19.97 17010602 密封胶支 5.38 17010604 合成树脂密封胶 kg 19.97 17010701 结构胶 kg 24.84 17011201 801胶 kg 2.117011401 骨胶 kg 13.8517011701 TG胶 kg 5.9417011901 万能胶环氧树脂 kg 25.42 17012501 植筋胶泥 kg 18 17020101 速凝剂 kg 2.517020201 催干剂 kg 11.5 17020301 固化剂 kg 12.65 17020401 粘结剂 kg 3.517020403 粘接剂 kg 12.86 17020404 塑料粘结剂 kg 28.01 17020501 胶粘剂 kg 2517020601 胶合剂 kg 2517021501 脱模剂 kg 3.517021901 专用勾缝剂 kg 1.5 17022301 氯丁胶粘合剂 kg 12.1 17022401 干粉型粘结剂 kg 8.67 17022501 氯丁橡胶粘接剂 kg 14 17022601 二甲苯稀释剂 kg 7.417022901 界面剂 kg 1.1 17023001 隔离剂 kg 2.1 17023101 防水剂 kg 1.29 17023201 膨胀剂 kg 3.2 17023301 高效减水剂 kg 2.6 17030101 乙二胺 kg 21.29 17030201 丙酮 kg 8.66 17030505 动力苯国产 kg 3.34 17030506 二甲苯 kg 3.82 17030601 甲苯 kg 4.08 17030605 动力苯国产 kg 3.34 17030606 二甲苯 kg 3.82 17030801 硫酸 kg 1.52 17030807 硫酸镁99.5% kg 7.85 17030809 硫酸钙 kg 3.45 17031101 硝铵2# kg 14.25 17031301 亚硝酸钠 g 0.01 17031401 草酸 kg 10.32 17031601 酒精 kg 9.55 17031703 纯碱99% kg 2 17032101 苯磺酰氯 kg 8.7 17032701 三乙醇胺 kg 13.2 17032901 偏氯乙烯 kg 8.69 17033301 氟硅酸钠 kg 2.71 17033501 氯化钙98%干燥 kg 4.5 17033801 氯化钠 kg 0.78 17034401 氧化铬绿 kg 31.5 17034701 氧化铁红 kg 5.76 17034801 氧化铁黑 kg 4.58 17035101 三氯化铁 kg 2.55 17035201 三氯乙烯 kg 7 17040401 三异氰酸酯 kg 12 17040501 乙酸乙酯 kg 3.6 17040502 乙酸乙脂 kg 11.59 17040701 酚醛树脂 kg 21 17040801 呋喃树脂 kg 26 17040901 环氧树脂 kg 25.42 17040902 环氧树脂E44 kg 20 17041501 三异氰酸脂 kg 31.81 17050201 煤油 kg 2.7 17050601 齿轮油 kg 9.92 17051201 润滑油 kg 4.19 17051301 洗油 kg 3.5 17051401 机油 kg 6.11 17051402 机油5~7# kg 3.55 17051405 废机油 kg 1 17051501 黄油 kg 6.11 17051503 黄甘油 kg 7.9317051803 油漆溶剂油200# kg 3.56 17051804 油漆溶剂油 kg 3.56 17051901 重松节油 kg 717052301 清油 kg 19.3217052302 清油C01-1 kg 19.32 17052401 铅油 kg 7.7317052601 灰油 kg 1.9717052701 光油 kg 7.881705271 光油 kg 7.8817052801 坯油 kg 2.631705281 坯油 kg 2.6317052901 金胶油 kg 7.417053001 熟桐油 kg 9.6817053101 松节油 kg 6.8417053301 防腐油 kg 3.5917053501 生油 kg 7.5617053601 煤焦油 kg 1.517053701 汽油 kg 8.1617053704 汽油90# kg 10.25 17053801 柴油 t 805017053802 柴油 kg 8.0517060101 嵌缝膏 kg 9.0717060102 CSPE嵌缝油膏330ml 支 9.45 17060201 塑料油膏 kg 2.117060301 建筑油膏 kg 2.517060701 涂膜油膏 kg 3.517070101 氧气 m3 4.9317070901 乙炔气 kg 15.0417070902 乙炔气 m3 16.7417080201 色粉 kg 14.3817080501 银粉 kg 32.4917080601 锌粉 kg 2917080703 黑铅粉 kg 1.4317080704 黑铅粉200目 kg 1.42 17080803 黄丹粉 kg 1.4517080901 大白粉 kg 0.4517081401 硫磺粉 kg 1.6517081501 漂白粉 kg 1.6417081601 熟胶粉 kg 3.1517081701 成品界面粉料 kg 1.5 17081801 镇水粉 kg 2.6617081901 防水粉 kg 1.2917082001 血料 kg 0.6517082101 颜料 kg 5.817082102 石性颜料 kg 5.417082103 无机颜料 kg 5.1417082104 矿物颜料 kg 5.1417082201 群青 kg 8.517082301 国画色袋 0.4417082401 广告色袋 0.7817082501 宣传色支 1.6317082502 粉料100~250目 kg 35 17082601 巴黎绿 kg 25.6217090101 乳液 kg 3.9417090301 聚醋酸乙烯乳液 kg 4.24 17091001 胶水 kg 14.517091101 松香水 kg 9.517091201 香蕉水 kg 16.517091301 水玻璃 kg 6.4717100101 木糖浆 kg 4.7817100201 木质纤维素 kg 617100301 羧甲基纤维素 kg 120 17100801 松香 kg 6.3117101201 嵌缝料 kg 517101202 模板嵌缝料 kg 217101701 银珠 kg 49.9817101901 电雷管个 2.2517102001 电雷管(迟发)带脚线2.5m 个 2.52 17102101 硝铵炸药 kg 14.2517102201 油灰 kg 2.1117102405 上光蜡 kg 8.0617102406 硬白蜡 kg 10.08180 胶粘剂 kg 2518010101 沥青砂 t 18018010201 广场砖 m2 2518010301 砼路缘石 m3 46818010304 砼嵌边石、植树框 m 15 18010401 预制砼方块(异形) m2 12.5 18010402 砼方块 m2 12.518010601 细(微)粒沥青砼 m3 282.9 18010602 中粒式沥青砼 m3 1300 18012201 石油沥青 kg 2.218012202 石油沥青10# kg 2.218012203 石油沥青30# kg 2.218012204 石油沥青60# kg 2.218012205 石油沥青60~100# t 2200 18012301 90#沥青 kg 2.218012302 普通乳化沥青 kg 4.55 18012303 改性沥青 kg 7.918012304 90#改性沥青 kg 2.218012305 改性乳化沥青 kg 5.318012401 煤沥青 kg 0.9618012402 煤沥青 t 96018012501 石油沥青玛蹄脂 kg 1 18020101 钢筋砼管Φ300 m 38.5 18020102 钢筋砼管Φ400 m 38.518020103 钢筋砼管Φ500 m 7718020104 钢筋砼管Φ600 m 7718020105 钢筋砼管Φ700 m 7718020106 钢筋砼管Φ800 m 17618020107 钢筋砼管Φ900 m 17618020108 钢筋砼管Φ1000 m 17618020109 钢筋砼管Φ1100 m 27518020110 钢筋砼管Φ1200 m 27518020111 钢筋砼管Φ1400 m 27518020112 钢筋砼管Φ1500 m 27518020113 钢筋砼管Φ1600 m 35018020114 钢筋砼管Φ1800 m 35018020115 钢筋砼管Φ2000 m 35018020116 钢筋砼管Φ2200 m 35018020601 砼井盖井座套 8518020701 钢筋砼井盖700×700 块 1218020702 钢筋砼井盖500×1000 块 1218020801 铸铁井盖井座套 21018020901 成品爬梯个 518020902 铸铁爬梯 kg 4.318021001 铸铁篦个 46.2318021002 成品篦子 m 46.2318030101 板式橡胶支座 100cm3 718030201 四氟板式橡胶支座 100cm3 618030301 钢盆式橡胶支座3000kN以内个 2000 18030302 钢盆式橡胶支座4000kN以内个 3200 18030303 钢盆式橡胶支座5000kN以内个 4500 800223040 砼C30(塑、特、碎5-31.5、坍55-70) m3 325 800224020 砼C20(塑、特、碎5-40、坍55-70) m3 320 800224030 砼C25(塑、特、碎5-40、坍55-70) m3 325 800224040 砼C30(塑、特、碎5-40、坍55-70) m3 325 85030501 门式起重机5t 台班 17710.3585040501 机动运输车1t 台班 4939.3385040502 机动运输车1.5t 台班 12294.4685040801 载重汽车带拖车10t以内台班 643.97 85040901 载重汽车带拖车10t以内台班 643.97 85050101 单筒快速电动卷扬机5kN 台班 1284.94 85050102 单筒快速电动卷扬机10kN 台班 2926.96 85050103 单筒快速电动卷扬机15kN 台班 4780.33 85050104 单筒快速电动卷扬机20kN 台班 7865.28 85050105 单筒快速电动卷扬机30kN 台班 5609.25 85050201 双筒快速电动卷扬机10kN 台班 9394.61 85050202 双筒快速电动卷扬机30kN 台班 15236.82 85050301 单筒慢速电动卷扬机10kN 台班 2996.63 85050302 单筒慢速电动卷扬机30kN 台班 3798.25 85050303 单筒慢速电动卷扬机50kN 台班 4696 85050304 单筒慢速电动卷扬机80kN 台班 13431.44 85050401 双筒慢速电动卷扬机30kN 台班 4869.4485050402 双筒慢速电动卷扬机50kN 台班 9163.21 85050501 皮带运输机长10×宽0.5m 台班 9200.91 85050502 皮带运输机长15×宽0.5m 台班 14175.77 85050503 皮带运输机长20×宽0.5m 台班 17506.35 85061001 挤压式灰浆输送泵3m3/h 台班 4798.35 85061002 挤压式灰浆输送泵4m3/h 台班 7034.83 85061003 挤压式灰浆输送泵5m3/h 台班 8505.45 85061101 砼喷射机5m3/h 台班 10852.62 85061201 筛洗石子机洗石量10m3/h 台班 3620.34 85061301 砼震动台台面尺寸1.5×6m 台班 12917.46 85061401 偏心式震动筛12~16m3/h 台班 2791.91 85061601 电动滚筒式砼搅拌机250L 台班 4667 85061602 电动滚筒式砼搅拌机400L 台班 7526.26 85061603 电动滚筒式砼搅拌机500L 台班 10306.36 85061701 内燃滚筒式砼搅拌机250L 台班 2878.52 85061702 内燃滚筒式砼搅拌机500L 台班 10874.51 85061801 混凝土震捣器插入式台班 10.46 85061802 混凝土震捣器平板式台班 12.61 85061901 搅拌器台班 35.2385062001 气动捣固机台班 12.0885070101 钢筋调直机直径40mm 台班 1323.67 85070201 钢筋切断机直径40mm 台班 1812.95 85070301 钢筋弯曲机直径40mm 台班 582.48 85070401 钢筋镦头机直径5mm 台班 2282.51 85070501 预应力钢筋拉伸机600kN 台班 909.67 85070502 预应力钢筋拉伸机650kN 台班 1081.72 85070503 预应力钢筋拉伸机850kN 台班 1968.95 85070504 预应力钢筋拉伸机900kN 台班 2978.92 85070505 预应力钢筋拉伸机1200kN 台班 5563.49 85070506 预应力钢筋拉伸机3000kN 台班 12873.49 85070601 木工圆锯机φ500台班 666.02 85070602 木工圆锯机φ600台班 1291.81 85070603 木工圆锯机φ1000台班 5040.11 85070801 木工平刨床刨削宽度300mm 台班 180.92 85070802 木工平刨床刨削宽度500mm 台班 818.18 BB02040104 六角石板块 m3 50BB02050005 小方块石 m3 40BB03000001 矿渣 t 45BB03000002 炉渣 m3 12.75BB03000002-1 炉渣 t 15BB03000003 粘土 m3 15BB03000004 碎砖 m3 75BB03000004-1 碎砖 t 50BB03000005 生石灰 kg 0.1BB03000009 石膏粉 kg 0.72BB03000011-1 石灰膏 m3 70BB03000012 粉煤灰 m3 60BB03000013 石粉 kg 0.062BB03000016 土 m3 15BB03000021 煤碴 m3 15BB03040006 生石灰 t 100BB03040014 石灰石 m3 38BB04000001 石英粉 kg 0.33BB04000001-1 石英粉 kg 0.33BB04000002 石英砂 kg 0.34BB04000002-1 石英砂 kg 0.34BB04000005 金刚砂 kg 9BC01010001 石棉 kg 3.75BC01010002 石棉粉 kg 1.2BC01010011 石棉绒 kg 2.21BC02010001 蛭石 m3 60BC02010003 珍珠岩 m3 60BC02010004 水泥蛭石块 m3 120 BC02050001 水泥珍珠岩块 m3 120 BC02060002 沥青珍珠岩块 m3 120 BC03000003 矿棉 m3 168BC03000004 岩棉 m2 15BC03010001 矿棉板 m2 12BC03060001 袋装矿棉 m3 168BC04010000 离心棉 m2 20BC04040001 玻璃棉毡 m2 8.64BC04050001 玻璃纤维布 m2 1.53 BC04060001 沥青玻璃棉 m3 150 BC04060003 沥青玻璃棉毡 m3 150 BC04060004 沥青矿渣棉毡 m3 150 BC04060005 沥青矿渣棉 m3 120 BC06010005 铸石粉 kg 1.47BD01010001 原木 m3 1000BD01010001-1 原木 m3 1000BD01010002 杉原木 m3 600BD01010010 缆风桩木 m3 600BD01020001 锯材 m3 1700BD01020001-1 锯材 m3 1700BD01020001-2 锯材 m3 1700BD01020200-2 锯材 m3 1700BD01020210 硬木方 m3 1000BD01020305 木楔 m3 850BD01020306 木砖 m3 850BQ02000386 镀锌弯头DN32 个 3.94 BQ02000387 镀锌弯头DN40 个 4.88 BQ02000388 镀锌弯头DN50 个 8.05 BQ02000389 镀锌月弯DN20 个 1.63 BQ02000390 镀锌月弯DN25 个 2.64 BQ02000391 镀锌月弯DN32 个 4.34 BQ02000392 镀锌月弯DN40 个 5.37 BQ02000393 镀锌月弯DN50 个 8.86BQ02000394 扁钢-10×100 kg 5BQ02000398 枋木 m3 900BQ02000399 钢板≥20 kg 4.25BQ02000400 钢板10~12mm kg 4.25BQ02000401 钢板10mm kg 4.4BQ02000698 内墙涂料 kg 3.5BQ02000699 高分子抗裂粘(宽230mm) m2 12 BQ02000700 反光膜 m2 0.06BQ02000711 养护用胶管Dg32 m 13.6BQ02000712 养护用无缝钢管Dg40 m 3.5BQ02000713 养护用无缝钢管Dg50 m 3.5BQ02000714 养护用无缝钢管Dg32 m 3.5BQ02000715 灯片 m2 40BQ02000716 自粘接缝带 m 2.31BQ02000718 连槽石 m3 15BQ02000719 砼方块 m2 12.5BQ02000730 成品铸铁 kg 2.9BQ02100002 种植土 m3 40BQ02100004 喷播保水剂 kg 5BQ02100005 喷播粘结剂 kg 5BQ02100007 有机复合肥 kg 3BQ02100011 接头φ15-40 个 0.87BQ02100012 预制砼方块(异形) m2 12.5BQ02100013 植草砖 m2 30BQ02100014 冰片石(斧劈石) m2 15BQ02100015 沉江石(300×300) m2 30BQ02100016 花岗石碎片 m2 50BQ02100017 整石板1000*400*150 m3 50BQ02100018 无机颜料 kg 5.14BQ02100019 真石漆 m2 35BQ02100020 沉江石(块状) m2 30BQ02100021 流水石 m2 35BQ02100052 液压台YKT-36 台 600BQ02100053 千斤顶台 280BQ02100054 针形阀个 6.5BQ02100055 分离器个 15BQ02100056 接头三通个 4.5BQ02100057 接头四通个 5BQ02100058 电线6mm2 m 2.2BQ02100059 电缆6mm2 m 8.5BQ02100060 电缆12mm2 m 15BQ05060018 盖板个 3BQ05060022 钢丝扁帚盘 0.2BQ05060024 铜聚乙烯软线RVS-2*2.5mm m 8.84 BQ05060025 高密度聚乙稀缠绕管Φ1400 m 330 BQ05060026 高密度聚乙稀缠绕管Φ1500 m 330 BQ05060028 高密度聚乙稀缠绕管Φ1600 m 420 BQ05060029 高密度聚乙稀缠绕管Φ1800 m 420。
建筑用钢材的冶炼、分类和主要技术标准钢材是以铁为主要元素,含碳量一般在2%以下,并含有其他元素的材料。
建筑钢材是指建筑工程中使用的各种钢材,包括钢结构用各种型材(如圆钢、角钢、工字钢、钢管)、板材,以及混凝土结构用钢筋、钢丝、钢绞线。
钢材是在严格的技术条件下生产的材料,它有如下的优点:材质均匀,性能可靠,强度高,具有一定的塑性和韧性,具有承受冲击和振动荷载的能力,可焊接、铆接或螺栓连接,便于装配;其缺点是:易锈蚀,维护费用大。
钢材的这些特性决定了它是经济建设部门所需要的重要材料之一。
建筑上由各种型钢组成的钢结构安全性大,自重较轻,适用于大跨度和高层结构。
但由于各部门都需要大量的钢材,因此钢结构的大量应用在一定程度上受到了限制。
而混凝土结构尽管存在着自重大等缺点,但用钢量大为减少,同时克服了钢材因锈蚀而维护费用高的缺点,所以钢材在混凝土结构中得到了广泛的应用。
第一节钢的冶炼钢是由生铁冶炼而成的,钢和铁都是铁碳合金,钢的含碳量在2%以下,而生铁的含碳量大于2%。
另外,钢中的杂质含量也少于生铁。
生铁中由于含有较多的碳和其他杂质,性质较脆,强度低、韧性差,也不能采用轧制、锻压等方法进行加工。
生铁有炼钢生铁和铸造生铁之分。
炼钢生铁中铁和碳元素以Fe3C化合物形式存在,其断口为银白色,质硬而强度高,又称为白口铁。
而铸造生铁中碳以石墨状态存在,断面呈灰色,也称灰口铁,质较软、强度低,可进行切削加工,用于铸造业。
钢的冶炼就是将熔融的生铁进行氧化,使碳的含量降低到规定范围,其他杂质含量也降低到允许范围之内。
根据炼钢设备所用炉种不同,炼钢方法主要可分为平炉炼钢、氧气转炉炼钢和电炉炼钢三种。
(一)平炉炼钢平炉是较早使用的炼钢炉种。
它以熔融状态或固体状生铁、铁矿石或废钢铁为原料,以煤气或重油为燃料,利用铁矿石中的氧或鼓入空气中的氧使杂质氧化。
因为平炉的冶炼时间长,便于化学成分的控制和杂质的去除,所以平炉钢的质量稳定而且比较好,但由于炼制周期长、成本较高,此法逐渐被氧气转炉法取代。
8金属材料8.1钢筋混凝土用钢筋8.1.1力学性能要求1)钢筋混凝土热轧光圆钢筋钢筋的力学性能应符合表8.1的规定。
冷弯试验时受弯曲部位的外表面不得产生裂纹。
表8.1钢筋混凝土热轧光圆钢筋力学性能指标表面形状钢筋级别强度等级代号公称直径m m屈服点σsM P a抗拉强度σbM P a伸长率δ%冷弯d-弯芯直径a-钢筋公称直径不小于光圆ⅠR2358~2023537025 1800 d=a 2)钢筋混凝土热轧带肋钢筋热轧带肋钢筋的牌号由HRB和牌号的屈服点最小值构成。
热轧带肋钢筋分为HRB335、HRB400及HRB500。
其力学性能应符合8-2的规定。
钢筋弯曲1800后,受弯曲部位的外表面不得产生裂纹。
不同公称直径的钢筋的弯心直径应符合表8-3的规定。
表8.2热轧带肋钢筋的力学性能牌号公称直径mm 屈服点σsMP a抗拉强度σbM P a伸长率δ5%不小于HRB3356~2528~5033549016 HRB4006~2528~5040057014 HRB5006~2528~5050063012表8.3牌号公称直径 amm 弯曲试验弯心直径HRB3356~2528~503a 4aHRB4006~2528~504a 5aHRB5006~2528~506a 7a3)低碳钢热轧圆盘条低碳钢热轧圆盘条的牌号为Q195、Q215及Q235。
其力学性能和工艺性能应符合表8-4的规定。
表8.4盘条的力学性能和工艺性能牌号力学性能冷弯试验1800d=弯心直径a=试样直径屈服点σs,MP a抗拉强度σb,M Pa伸长率δ10,%不小于Q215 21537527 d=0 Q235 23541023 d=0.5a 8.2预应力混凝土用钢绞线1)分类与代号钢绞线按结构分为5类。
其代号为:用两根钢丝捻制的钢绞线1×2用三根钢丝捻制的钢绞线1×3用两根刻痕钢丝捻制的钢绞线1×3 I用七根钢丝捻制的标准型钢绞线1×7用七根钢丝捻制又经模拔的钢绞线(1×7)C2)力学性能预应力混凝土用钢绞线的力学性能应满足GB/T5224-2003标准之规定。
(是否制表)8.4.3检验进场的钢绞线应成分批检定,检定合格后方能使用。
每批钢绞线有同一牌号、同一规格、同一生产工艺捻制的钢绞线组成。
每批质量不大于60t。
8.3建筑用钢筋、钢丝和钢绞线的力学、机械性能试验取样各类钢筋第一检验批的拉伸、弯曲试验取样数量应符合表8.5的规定:表8.5取样数量规定每组试件数量钢筋种类拉伸试验弯曲试验热轧光圆钢筋2根2根热轧带肋钢筋2根2根低碳钢热轧圆盘条1根2根应从任意两根(两盘)中分别切取,每根钢筋上切取一个拉力试件、一个冷弯试件。
试件切取时,应截去端头的500mm后切取用于试验的试件。
试件规格如下:拉力(伸)试件:L≥5d+200mm(d为钢筋直径)冷弯试件:L≥5d+150mm(d为钢筋直径)直径小于、等于10mm的光圆钢筋,拉力(伸)试件长度为L≥10d+200mm。
8.4钢筋力学性能试验结果评定8.4.1拉伸试验评定试验出现下列情况之一者,试验结果无效。
●试件断在标距外或断在机械刻划的标距标记上,而且断向伸长率小于规定最小值;●操作不当,影响试验结果;●试验记录有误或设备发生故障。
在试验有效的前提下,拉力试验的两试件中,如果有一试件的屈服点、抗拉强度、伸长率三个指标中有一个指标不符合标准时,即为拉力试验不合格,应取双倍试样重新试验;在第二次拉力试验中,如仍有一个指标不符合规定,不论这个指标在第一次试验中是否合格;拉力试验项目定为不合格,表示该批钢筋为不合格品。
8.4.2弯曲试验评定冷弯试验后弯曲外侧表面,如无裂纹、断裂或起层,即判为合格。
作冷弯的两根试件中,如有一根试件不合格,可取双倍数量试件重新作冷弯试验,第二次冷弯试验中,如仍有一根不合格,即判该批钢筋为不合格。
如弯曲边金属体上出现的开裂,其长度大于2mm,而小于等于5mm,宽度大于0.2mm,而小于0.5mm时称裂纹。
8.5钢筋焊接8.5.1检验。
1)钢筋闪光对焊接头在同一台班内,由同一焊工完成的300个同牌号、同直径钢筋焊接接头应作为一批。
当同一台班内焊接的接头数量较少,可在一周之内累计计算;累计仍不足300个接头时,应按一批计算。
力学性能检验时,应从每批接头中随机切取6个接头,其中3个作拉伸试验,3个作冷弯试验。
2)钢筋电弧焊接头在现浇混凝土结构中,应以300个同牌号钢筋、同型式接头作为一批。
每批随机切取3个接头,作拉伸试验。
3)钢筋电渣压力焊接头在现浇钢筋混凝土结构中,应以300个同牌号钢筋接头作为一批;当不足300个接头时,仍应按一批计算。
每批随机切取3个接头,作拉伸试验。
4)钢筋气压焊接头在现浇钢筋混凝土结构中,应以300个同牌号钢筋接头作为一批;当不足300个接头时,仍应按一批计算。
在柱、墙的竖向钢筋连接中,应从每批接头中随机切取3个接头作拉伸试验;在梁、板的水平钢筋连接中,应另切取3个接头作冷弯试验。
8.5.2结果评定钢筋闪光对焊接头、电弧焊接头、电渣压力焊接头、气压焊接头拉伸试验结果应符合下列要求:1)3个热轧钢筋接头试件的抗拉强度均不得小于该牌号钢筋规定的抗拉强度;RRB400钢筋接头试件的抗拉强度均不得小于570N/mm2。
2)至少应有2个试件断于焊缝外,并应呈延性断裂。
当达到上述2项要求时,应评定该批焊接接头为抗拉强度合格。
当试验结果有2个试件抗拉强度小于钢筋规定的抗拉强度,或3个试件均在焊缝或热影响区发生脆性断裂时,则一次判定该批接头为不合格品。
当试验结果有1个试件的抗拉强度小于规定值,或2个试件在焊缝或热影响区发生脆性断裂,其抗拉强度均小于钢筋规定抗拉强度的1.10倍时,应进行加倍取样复检。
复验结果后,如仍有1个试件的抗拉强度小于规定值,或有3个试件断于焊缝或热影响区,呈脆性断裂,其抗拉强度小于钢筋规定抗拉强度的 1.10倍时,应判定该批接头为不合格品。
当接头试件虽断于焊缝或热影响区,呈脆性断裂,但其抗拉强度大于或等于钢筋规定抗拉强度的 1.10倍时,可按断于焊缝或热影响区之外,同延性断裂同等对待。
3)弯曲试验时,受弯试件焊缝应处于弯曲中心点,弯心直径和弯曲角应符合表8-10的规定。
如弯至900,有2个或3个试件外侧(含焊缝和热影响区)未发生断裂,应评定该批接头弯曲试验合格。
当3个试件均发生破裂,则一次判定该批接头为不合格品。
当有2个试件发生断裂,应进行加倍取样复检。
表8.6序号钢筋级别弯心直径(D) 弯曲角(0)d≤25(mm)D>25(mm)1 Ⅰ2d 3d 902 Ⅱ4d 5d 903 Ⅲ5d 6d 904 Ⅳ7d 8d 90注:d为钢筋直径(mm)复验结果中,如有3个试件发生破裂时,应判定该批接头为不合格品。
当试件外侧横向裂纹宽度达到0.5mm时,应认定已经破裂。
8.6预应力筋用锚具、夹具和连接器应用技术规程8.6.1性能要求1)预应力筋用锚具、夹具和连接器的性能均应符合现行国家标准《预应力筋用锚具、夹具和连接器》GB/T14370的规定。
2)在预应力筋强度等级已确定的条件下,预应力筋-锚具组装件的静载锚固性能试验结果,应同时满足锚具效率系数(ηa)等于或大于0.95和预应力筋总应变(εa p u)等于或大于 2.0%两项要求。
3)锚具的静载锚固性能,应由预应力筋-锚具组装件静载试验测定的锚具效率系数(ηa)和达到实测极限拉力时组装件受力长度的总应变(εa p u)确定。
锚具效率系数(ηa)应按下式计算:ηa=Fa p u /ηp.Fp m式中:Fa p u----预应力筋-锚具组装件的实测极限拉力;Fp m----预应力筋的实际平均极限抗拉力。
由预应力刚材试件实测破断荷载平均值计算得出。
ηp ----预应力筋得效率系数。
ηp应按下列规定取用:预应力筋-锚具组装件中预应力刚材为1至5根时,ηp=1;6至12根时,ηp=0.99;13至19根时,ηp=0.98;20根以上时,ηp=0.97。
当预应力筋-锚具(或连接器)组装件达到实测极限拉力(Fa p u)时,应由预应力筋的断裂,而不应由锚具(或连接器)的破坏导致试验的终结。
预应力筋拉应力未超过0.8fp t k时,锚具主要受力零件应在弹性阶段工作,脆性零件不得断裂。
fp t k----预应力钢材的抗拉强度标准值。
4)夹具的静载性能,应由预应力筋夹具组装件静载试验测定的夹具效率系数(ηg)确定.夹具效率系数(ηg)应按下式计算:ηg=Fg p u / Fp m式中Fg p u---预应力筋夹具组装件的实测极限拉力。
试验结果应满足夹具效率系数(ηg)等于或大于0.92的要求。
当预应力筋夹具组装件达到实测极限拉力时,应由预应力筋的断裂,而不应由夹具的破坏导致试验终结。
8.6.2进场验收1)锚具进场验收时,需方应按合同核对产品质量证明书中所列的型号、数量及适用于何种强度等级的预应力钢材,确认无误后对其进行外观检查、硬度检验、静载锚固性能试验。
2)夹具进场验收时,应进行外观检查、硬度检验和静载锚固性能试验。
检验和试验方法与锚具相同;但静载试验结果应符合8.9.1.4条的规定。
3)后张法连接器的进场验收规定应与锚具相同。
先张法连接器的进场验收规定应与夹具相同。
4)划分进场验收批时,只有在同种材料和同一生产工艺条件下生产的产品,才可列为同一批量。
锚固多根预应力钢材的锚具或夹具应以不超过1000套为一个验收批;锚固单根预应力钢材的锚具或夹具,每个验收批可扩大为2000套。
连接器的每个验收批不宜超过500套。
每个工程或标段不宜使用两个生产厂家提供的产品。
8.7相关标准《热轧光圆钢筋》(GB13013-91)《热轧带肋钢筋》(GB1499-1998)《低碳钢热轧圆盘条》(GB/T701-1997)《预应力混凝土用钢绞线》(GB/T5224-2003)《金属材料拉伸试验方法》(GB/T228-2002)《金属材料弯曲试验方法》(GB/T232-1999)《钢筋焊接及验收规程》(JGJ18-2003)《钢筋焊接接头试验方法标准》(JGJ/T27-2001)《预应力筋用锚具、夹具和连接器应用技术规程》(JGJ85-2002)。