35kV及以下电力电缆型号及相关数据大全
- 格式:doc
- 大小:765.00 KB
- 文档页数:11
电力电缆规格和型号低压交联电缆布电线35千伏以下电力电缆规格和型号高压交联电缆(一)产品名称6~35KV交联聚乙烯绝缘电力电缆产品标准本产品按GB/T12706《额定电压35KV及以下铜芯、铝芯塑料绝缘电力电缆》标准生产,同时还可根据用户需要按国际电工委员会推荐标准IEC、英国标准、德国标准及美国标准生产。
适用范围本产品适用于工频额定电压3.6/6KV~26/35KV输配电线路作配送电能之用。
使用特性工频额定电压U0/U为3.6/6KV~26/35KV。
电缆导体的允许长期最高工作温度为90℃。
短路时(最长持续时间不超过5s)电缆导体的最高温度不超过250℃。
电缆敷设时环境温度应不低于0℃。
电缆弯曲半径:三芯电缆不小于电缆外径15倍;单芯电缆不小于电缆外径20倍。
高压电缆布电线橡套电缆控制电缆同轴电缆低烟无卤耐火电线电缆执行标准:该企业标准是参照GB/T5023-2008.GB/Tl2706-2008等标准制订的,其耐火特性符合GB/Tl9666类的要求。
电缆燃烧时有毒气体含量和烟密度试验符合GB/T17650.2-98和GB/T17651.2-98的规定.烟气毒性符合GBl32准安全级的要求。
适用范围:本产品适于电厂.化工,隧道,车站.高层建筑等关键部位的防火系统特别适用于应急电源与户内消防设备的供电线路.应急电源与火灾报警设备的供电线路,应急电源至信号灯的供电线路和应急电源至通风排烟设备的供电线路等使用特性1、导体长期工作温度为70℃、90℃2、电缆在750-850℃火焰条件下.可维持正常运行1.5小时以上.为B级耐火。
电缆在950-1000℃火焰条件下.可维持正常运行1.5小时以上,为A级耐火。
3、有毒气体含量和烟密度试验结果符合GB/T17650.2-98和GB/T17651.2-98规定4、烟气毒性符合GAl32准安全级的要求。
耐火电缆低烟无卤阻燃电线电缆目前在火灾事故中,因电线电缆所引起的电气火灾不容忽视,在火灾事故的死亡人数中,80%不是直接烧死的,而是由烟雾和毒气窒息而死的。
k V及以下电力电缆型及相关数据大全
HUA system office room 【HUA16H-TTMS2A-HUAS8Q8-HUAH1688】
重量有问题
3工频5min耐压试验(kv)11152230455365 44h工频试验(kv)14.42434.8487284104
5
热延伸试验:载荷下最大伸长率冷却后最大永久伸长率175 15
6
热冲击试验(加热到比长期工作温度
高5o C)(+10次)kv
607595125170200250 7其它试验见GB12706-91
1.铜或铝导电线芯
2.半导电内屏蔽? 交联聚乙烯绝缘
3.半导电外屏蔽
4.金属铜带屏蔽1.铜或铝导电线芯
2.半导电内屏蔽
3.交联聚乙烯绝缘
4.半导电外屏蔽
5.金属铜带屏蔽
电缆芯数 1-5芯
单芯截面 1.5-300mm2二芯截面? 1.5-185mm2三芯截面? 1.5-240mm2四芯截面? 4-185mm2五芯截面? 2.5-240mm2
电缆结构:
VV, VLV型
1、铜或铝导体:
2、聚氯乙烯绝缘:
3、聚氯乙烯护套:VV
22
,VLV
22
型
1、铜或铝导体
2、聚氯乙烯绝缘
3、包带
4、聚氯乙烯内护套
5、钢带铠装
6、中性线芯
7、聚氯乙烯护套。
35kV 及以下架空绝缘电缆参数·0.6/1kV 单芯铜、铝导体架空绝缘电缆(JKV、JKLV、JKY、JKLY、JKYJ、JKLYJ)·0.6/1kV 单芯钢铝导体交联聚乙烯绝缘架空电缆(JKLGYJ)·0.6/1kV 两芯铜、铝导体架空绝缘电缆(JKV、JKLV、JKY、JKLY、JKYJ、JKLYJ)标称截面mm 2电缆外径mm 电缆参考重量kg/km载流量推荐值AJKLVJKYJKYJ JKLY JKLYJ JKV JKLV JKY JKLY JKYJ JKLYJ 7.217173161638366866811389258.4260104249921128811692153120359.83591423441261391091451141881485011.24771834591651711351781402331837012.86732486522272181722261782972339514.892933990131126821128022036728812016.21158415112738431424732825842833815018.21432513139347436128337629649338718520.21789641174159341632843634357244924022.823408352280775498392523411684538序号标称截面mm 2电缆近似外径mm 电缆参考重量kg/km 截流量推荐值A 序号标称截面mm 2电缆近似外径mm 电缆参考重量kg/km 截流量推荐值A 25/49.213113518185/1021.4697491235/610.617916519185/2522.3825504350/812.123920520185/3022.3851495450/3014.042422321185/4523.0971505570/1013.732625422210/1022.7783527670/4016.0571********/2523.7927543795/1516.445032124210/3524.0994547895/2016.647932125210/5024.61105551995/5518.678734126240/3025.2107059710120/717.245236827240/4025.2111259311120/2017.754236728240/5526.0126160312120/2518.460538429300/1527.0111267613120/7020.698440130300/2027.5117868714150/819.0552********/2527.8123669415150/2019.864442732300/4027.8131168716150/2520.269843033300/5028.2139169217150/3520.677543234300/7029.11589705标称截面mm 2电缆外径mm 电缆参考重量(kg/km)载流量推荐值(A)JKLV JKY JKYJ JKLY JKLYJ JKV JKLV JKY JKLY JKYJ JKLYJ ×1011.624995207824434453560472×1614.4343147323127604862498265·0.6/1kV 两芯铜、铝导体架空绝缘电缆(JKV、JKLV、JKY、JKLY、JKYJ、JKLYJ)·0.6/1kV 3+k 芯铝导体架空绝缘电缆(JKLV、JKLY、JKLYJ)2×2516.852620950018582658466111882×3519.672128569125310280104821391092×5022.4958367922331124981281011701342×7025.6135149813094561591251631282161702×9529.6186568118096241971552021592692112×12032.423258332263771229181236186313247标称截面mm 2电缆外径mm 电缆参考重量(kg/km)载流量推荐值(A)JKLV JKY JKYJ JKLY JKLYJ JKV JKLV JKY JKLY JKYJ JKLYJ ×1014.04391904131653225322543334×1617.46872936472584434443559474×2520.3104441810003695947604780634×3523.7144257013825067358755999784×5027.01916735184366390719172122964×7030.92703996261891211490114921551224×9535.737311361361812491421121451141921514×12039.14650166745261542166131168133224177标称截面(mm 2)导体结构(mm 2)电缆近似外径mm 电缆参考重量(kg/km)载流量推荐值(A)+钢承载铝导体钢承载JKLY JKLYJJKLV JKLY JKLYJ ×10+1×107/1.371/3.8015.42312112829383×16+1×107/1.761/3.8018.23052783940543×16+1×167/1.767/1.7019.53443143940543×25+1×107/2.221/3.8020.64023655455723×25+1×167/2.227/1.7021.94374015455723×35+1×107/2.601/3.8023.45164686668903×35+1×167/2.607/1.7024.75525046668903×50+1×107/3.001/3.8026.864058581831103×50+1×167/3.007/1.7027.567562181831103×50+1×257/3.007/2.2029.075970581831103×70+1×1019/2.181/3.8029.48357721031051403×70+1×1619/2.187/1.7030.78718081031051403×70+1×2519/2.187/2.2032.29558921031051403×95+1×1619/2.607/1.7034.7114510611281311743×95+1×2519/2.607/2.2036.2122911451281311743×95+1×3519/2.607/2.5037.1128912051281311743×95+1×2519/3.007/2.2039.0145813651501532033×95+1×3519/3.007/2.5039.9151814251501532033×95+1×5019/3.007/3.0041.41636154315015320330024018515012095705035251610标称截面mm 2·10kV 单芯铜、铝导体架空绝缘电缆(JKTRY、JKTRYJ、JKY、JKLY、JKYJ、JKLYJ、JKLY/Q、JKLYJ/Q)29.126.824.623.021.420.018.216.515.214.213.012.0JKY JKLY JKYJ JKLYJ JKTRY JKTRYJ 电缆近似外径mm 23.421.219.618.016.615.013.312.011.09.88.8JKLY/Q JKLYJ/Q 24691941160313101065812609456353249187JKY JKTRY 电缆参考重量(kg/km)953773656553465370293235193152125JKLY 24621935159713031060807605453330247186JKYJ JKTRYJ 946767650547461365289232192151124JKLYJ 8176495404463672862181671329674JKLY/Q 8126455374433642832161651309573JKLYJ/Q59049842937632528821117414310860JKY JKTRY载流量推荐值(A)4643023372972582101661371138547JKLY65958150043938131124620416712670JKYJ JKTRYJ54145739334629824419415813210055JKLYJ 4313763242842441991571291057959JKLY/Q 5434543933442952411901561279671JKLYJ/Q·10kV单芯钢铝导体交联聚乙烯绝缘架空电缆(JKLGYJ、JKLGYJ/Q)标称截面mm2电缆近似外径(mm)电缆参考重量(kg/km)载流量推荐值(A)JKLGYJ/Q JKLGYJ JKLGYJ/Q JKLGYJ JKLGYJ/Q JKLGYJ25/411.815.0170235137132 35/612.816.0216287174160 50/814.817.5280359207197 50/3016.219.4471560224213 70/1015.919.1372459258243 70/4018.221.4625724276261 95/1518.221.6495601321304 95/2018.421.8524631324307 95/5520.423.8838955339322 120/719.022.4499609366347 120/2019.322.9590703368346 120/2520.223.6655772381362 120/7022.423.810401169398376 150/820.423.8591709416396 150/2021.224.6685807425402 150/2521.625.0739863433410 150/3522.025.4817944433410 185/1022.425.8728857488462 185/2523.326.7857991503474 185/3023.326.78831017495466 185/4524.027.410011142504476 210/1023.326.7801935525493 210/2524.327.79471087539510 210/3524.628.011141155546514 210/5025.228.611251270579545 240/3025.328.710911239599563 240/4025.829.211331281592556 240/5526.630.012831435603565 300/1527.230.611191274675634 300/2027.731.111841343688646 300/2528.031.412431403695651 300/4028.031.413181478688644 300/5028.431.813981560692648 300/7029.332.715961763701654·10kV 三芯铜、铝导体交联聚乙烯绝缘架空电缆(JKYJ、JKLYJ、JKLYJ/B、JKTRYJ)·10kV 3+k(A)芯铜、铝导体交联聚乙烯绝缘架空电缆(JKYJ、JKLYJ、JKLYJ/B、JKTRYJ)序号标称截面mm 2电缆近似外径mm 电缆参考重量kg/km 载流量推荐值A序号标称截面mm 2电缆近似外径mm 电缆参考重量kg/km 载流量推荐值AJKTRYJ JKLYJ JKLYJ/B JKYJ JKTRYJ JKLYJ JKLYJ/B JKTRYJ JKLYJ JKLYJ/B JKYJ JKTRYJ JKLYJJKLYJ/B 3×2534.912417651118763×12050.44196191628522423×3537.0156389813410673×15053.95093224132625633×5039.82033108416212783×18557.36129261137229343×7043.52663133120115993×24062.07738317544535053×9547.434431639247194103×30067.094943789515404标称截面mm 2导体结构(mm 2)电缆外径mm 电缆参考重量(kg/km)载流量推荐值(A)JKYJ JKLYJ JKLYJ/B JKTRYJ钢承载绞线JKTRYJ JKLYJ JKLYJ/B JKYJ JKTRYJ JKLYJ JKLYJ/B ×25+1×257/2.207/2.237/2.239.01449973111873×25+1×357/2.539.9150910333×35+1×257/2.577/2.657/2.241.0177111001341063×35+1×357/2.541.9183111683×50+1×257/3.007/3.067/2.243.6224112921621273×50+1×357/2.544.5230113523×50+1×507/3.046.024*******×70+1×2519/2.2019/2.237/2.247.028*********1593×70+1×357/2.547.9293115993×70+1×507/3.049.4304917173×95+1×3519/2.5719/2.657/2.551.5371119072471943×95+1×507/3.053.0382920253×95+1×7019/2.255.0401322093×120+1×3519/2.9319/3.007/2.554.3446421842852243×120+1×507/3.055.8458223023×120+1×7019/2.257.8476624863×150+1×5030/2.5736/2.377/3.059.0547926273262563×150+1×7019/2.261.0566328113×150+1×9519/2.562.5582929773×185+1×5037/2.5736/2.657/3.062.2651529973722933×185+1×7019/2.264.2669932313×185+1×9519/2.565.7686533973×240+1×7037/2.9336/3.0019/2.268.6830837454453503×240+1×9519/2.570.1847439113×240+1×12019/2.871.6866240993×300+1×7060/2.5760/2.6519/2.273.21006443595154043×300+1×9519/2.574.71023045253×300+1×12019/2.876.2104184713·35kV 单芯铜、铝导体交联聚乙烯绝缘架空电缆(JKYJ、JKLYJ、JKTRYJ)·35kV 单芯钢铝导体交联聚乙烯绝缘架空电缆(JKLGYJ)标称截面mm 2电缆近似外径mm电缆参考重量(kg/km)载流量推荐值(A)JKTRYJ JKLYJ JKYJ JKTRYJ JKLYJ 28.59636692531997030.211997753172509531.8148289238730412033.2174399944635215034.82038111950940018536.42414126658546024038.62992148769354530040.836021714800628序号标称截面mm 2电缆近似外径mm 电缆参考重量kg/km 截流量推荐值A 序号标称截面mm 2电缆近似外径mm 电缆参考重量kg/km 截流量推荐值A 50/829.576721217185/2538.51548490250/3030.4100222518185/3038.51574482370/1031.189626019185/4539.21711490470/4033.4120127620210/1038.51493512595/1533.4107132121210/2539.51601525695/2033.6110532422210/3539.81741527795/5535.6146333623210/5040.418595318120/734.2109336524240/3041.018395799120/2034.7119536325240/4041.0188157810120/2535.4127037926240/5541.8204858111120/7037.0171139027300/1542.4189865112150/835.6121741228300/2042.9197566213150/2036.4132941929300/2543.2204066914150/2536.8139242730300/4043.2214566115150/3537.2147942631300/5043.6220466116185/1037.6139947832300/7043.62423672。
交联聚乙烯绝缘电力电缆 合用范围本产品合用于额定电压3.6-35kv 中、高压输配电系统 导体最高额定温度:正常运行90℃ 短路(最长持续时间5秒):250℃ 电缆敷设时温度低于0℃时,预先加温敷设电缆时其最小弯曲半径应不小于电缆外径的10倍,铠装电缆最小弯曲半径应不小于电缆的12倍,五芯电缆最小弯曲半径应不小于电缆外径的15倍。
执行标准:额定电压35KV 及以下交联聚乙烯绝缘电力电缆执行标准GB12706.3-91(等效采用IEC502-1983)型号、名称及敷设场合:26/35KV 及以下交联乙烯绝缘电力电缆 型号名称敷设场合铜芯 铝芯YJV YJLV 交联聚乙烯绝缘聚氯乙烯护套电力电缆 架空、室内、隧道、电缆沟YJY YJLY 交联聚乙烯绝缘聚乙烯护套电力电缆YJV 22 YJLV 22 交联聚乙烯绝缘钢带铠装聚氯乙烯护套电力电缆 室内、隧道、电缆沟及地下YJV 23YJLV 23 交联聚乙烯绝缘钢带铠装聚乙烯护套电力电缆YJV 32 YJLV 32 交联聚乙烯绝缘细钢丝铠装聚氯乙烯护套电力电缆高落差、竖井及水下 YJV 33YJLV 33交联聚乙烯绝缘细钢丝铠装聚乙烯护套电力电缆YJV 42 YJLV 42交联聚乙烯绝缘粗钢丝铠装聚氯乙烯护套电力电缆能承受拉力的竖井及海底YJV 43YJLV 43交联聚乙烯绝缘粗钢丝铠装聚乙烯护套电力电缆电缆的额定电压、标称截面及芯数型号 芯数 额定电压KV3.6/6,6/6 6/10,8.7/10 8.7/15,12/20 18/20-26/35标称截面YJV YJY YJV 32 YJV 33 YJV 42 YJV 43YJLY YJLY YJLV 32YJLV 33YJLV 42YJLV 43125-1200 25-1200 25-1200 25-1200 25-1200 25-120025-1200 25-1200 25-1200 25-1200 25-1200 25-1200 35-1200 35-1200 35-1200 35-1200 35-1200 35-1200 50-1200 50-1200 50-1200 50-1200 50-1200 50-1200YJV YJY YJV 22 YJV 23 YJV 32 YJV 33 YJV 42 YJV 43YJLV YJLY YJLV 22YJLV 23YJLV 32YJLV 33YJLV 42YJLV 43325-300 25-300 25-300 25-300 25-333 25-300 25-300 25-300 25-300 25-300 25-300 25-300 25-300 25-300 25-300 25-300 35-300 35-300 35-300 35-300 35-300 35-300 35-300 35-300 - - - - - - - -单芯交联聚乙烯绝缘电力电缆 3.6/6KV标称 截面 mm 2 导体 直径 mm 绝缘 厚度 mm 电缆近 似外径 mm 电缆近 似分量 kg/km电缆近 似外径 mm 电缆近 似分量 kg/km 电缆近 似外径 mm 电缆近 似分量 kg/km YJV YJYYJLVYJLYYJV 32YJY 33YJLV 32YJLY 33YJV 42YJY 43YJLV 42YJLY 4325 6.0 2.5 19 576 42123 1229 1070 28 2222 206335 7.1 2.5 20 695 479 24 1389 1161 29 2479 2251 50 8.4 2.5 21 860 550 26 1613 1316 31 2719 2421 70 10.0 2.5 23 1081 648 28 1913 1481 33 3019 2677 95 11.7 2.5 24 1350 762 30 2343 1725 34 3548 2930 120 13.1 2.5 26 1640 897 32 2793 1987 37 4092 3286 150 14.6 2.5 27 1947 1019 34 3266 2290 41 5276 4299 185 16.2 2.5 29 2302 1156 36 3741 2568 42 5764 4594 240 18.4 2.6 32 2886 1400 39 4518 2991 45 6650 5123 300 20.6 2.8 34 3483 1626 42 5476 3492 48 7680 5697 400 23.8 3.0 38 4477 2001 46 6681 4199 52 8927 6445 500 26.6 3.2 41 5452 2357 51 8007 4921 56 10467 7382 630 30.0 3.2 45 6793 2901 54 9484 5592 62 13246 9354 800 34.0 3.2 50 8278 3598 60 11282 6602 67 15370 10691 1000 38.2 3.2 52 10439 4246 61 13488 7795 69 17690 11497 1200 42.03.26012946 519469164968744762226914517注:电缆近似分量为聚氯乙烯护套电缆分量三芯交联聚乙烯绝缘电力电缆 3.6/6KV标称 截面 mm 2 导体 直径 mm 绝缘 厚度 mm 电缆近 似外径 mm 电缆近 似分量 kg/km 电缆近 似外径 mm 电缆近 似分量 kg/km 电缆近 似外径 mm 电缆近 似分量 kg/km 电缆近 似外径 mm 电缆近似分量 kg/km YJV YJY YJLV YJLY YJV 32 YJV 33YJLY 32 YJLY 33YJV 32 YJV 33YJLV 32 YJLV 33YJV 42 YJV43YJLV 42YJLV 4325 6.0 2.5 36 1715 1236 41 2610 2131 42 3377 2893 46 4887 4404 35 7.1 2.5 38 2117 1431 43 3206 2520 45 4227 3535 48 5507 481550 8.4 2.5 41 2559 1631 46 3580 2685 48 4915 4010 51 6193 5288 70 10.0 2.5 45 3320 2022 50 4437 3138 53 6028 4717 58 8344 7033 95 11.7 2.5 49 4404 2544 54 5592 3731 57 7355 5478 61 9730 7859 120 13.1 2.5 55 5511 3086 59 6815 4390 62 8894 6447 67 11373 8926 150 14.6 2.5 58 6452 3514 63 7838 4901 66 10204 7240 70 12717 9753 185 16.2 2.5 62 7508 3983 67 8980 5455 70 11523 7966 76 15588 12032 240 18.4 2.6 68 9403 4808 73 11065 6470 76 14024 9387 82 18195 16558 300 20.6 2.87311767 57997913601 76348216649 106298821352 15331单芯交联聚乙烯绝缘电力电缆 6/6 6/10KV 标称 截面 mm 2 导体 直径 mm 绝缘 厚度 mm 电缆近 似外径 mm 电缆近 似分量 kg/km电缆近 似外径 mm 电缆近 似分量 kg/km电缆近 似外径 mm 电缆近 似分量 kg/kmYJV YJYYJLVYJLYYJV 32YJV 33YJLV 32YJLV 33YJV 42YJV 43YJLV 42YJLV 4325 6.0 3.4 20 586 42625 1356 1197 30 2534 2375 35 7.1 3.4 21 710 483 26 1568 1294 31 2807 2529 50 8.4 3.4 22 845 547 27 1701 1403 33 3002 2705 70 10.0 3.4 24 1083 651 29 2022 1583 35 3400 2968 95 11.7 3.4 25 1393 774 31 2399 1780 36 3847 3228 120 13.1 3.4 27 1740 934 34 3085 2279 39 4400 3593 150 14.6 3.4 29 2029 1053 36 3448 2472 40 4844 3867 185 16.2 3.4 31 2367 1195 38 3864 2693 42 5307 4135 240 18.4 3.4 33 2952 1425 40 4538 3011 47 6439 4912 300 20.6 3.4 35 3675 1692 42 5380 3397 49 7880 5897 400 23.8 3.4 39 4529 2041 47 6812 4080 53 9101 6619 500 26.6 3.4 43 5561 2476 51 8097 4994 57 10560 7474 630 30.0 3.4 47 6875 2984 55 9591 5700 61 12263 8372 800 34.0 3.4 52 8344 3664 60 11370 6690 68 15487 10807 1000 38.2 3.4 56 10596 4403 65 13904 7712 72 18333 12140 1200 42.03.46012976 52246916556 8804 7721313 13560注:电缆近似分量为聚氯乙烯护套电缆分量三芯交联聚乙烯绝缘电力电缆6/6 6/10KV标称 截面 mm 2 导体 直径 mm 绝缘 厚度 mm 电缆近 似外径 mm 电缆近 似分量 kg/km 电缆近 似外径 mm 电缆近 似分量 kg/km 电缆近 似外径 mm 电缆近 似分量 kg/km 电缆近 似外径 mm 电缆近似分量 kg/km YJV YJY YJLV YJLY YJV 22 YJY 23YJLV 22 YJLY 23YJV 32 YJY 33YJLV 32 YJLY 33YJV 42 YJY43YJLV 42YJLY 4325 6.0 3.4 40 1951 1472 45 2949 2470 47 3972 3521 50 5517 5034 35 7.1 3.4 42 2368 1682 47 3422 2736 49 4686 4055 52 6097 5404 50 8.4 3.4 45 2822 1928 50 3954 3059 52 5387 4485 56 6212 55207010.0 3.45037102410544825352657649152286083767064 9511.7 3.45447202880596005414460774360306394247846 12013.1 3.459585334276472804854678732656872113529902 15014.6 3.4636812387567832453866999827277751360910645 18516.2 3.46776204392729554602975112917954811646912912 24018.4 3.4729774517876115226926801478410147861918014543 30020.6 3.47712114614782140628095851749011469922220616185注:电缆近似分量为聚氯乙烯护套电缆分量单芯交联聚乙烯绝缘电力电缆 8.7/10 8.7/15KV标称 截面 mm2导体直径mm绝缘厚度mm电缆近似外径mm电缆近似分量kg/km电缆近似外径mm电缆近似分量kg/km电缆近似外径mm电缆近似分量kg/kmYJVYJYYJLVYJLYYJV32YJV33YJLY32YJLY33YJV42YJV43YJLV42YJLV4325 6.0 4.5 22 665 506 28 1496 1337 33 2788 2629 35 7.1 4.5 23 794 566 29 1722 1444 34 3050 2772 50 8.4 4.5 24 931 634 30 1858 1560 35 3261 2964 70 10.0 4.5 26 1175 743 32 2176 1744 37 3649 3217 95 11.7 4.5 27 1490 872 34 2804 2186 39 4115 3496 120 13.1 4.5 30 1857 1051 37 3259 2353 41 4673 3867 150 14.6 4.5 31 2152 1176 38 3641 2665 43 5104 4127 185 16.2 4.5 33 2496 1325 40 4044 2873 45 5588 4417 240 18.4 4.5 35 3077 1550 42 4742 3214 47 6375 4848 300 20.6 4.5 38 3817 1834 47 6017 4034 49 7320 5337 400 23.8 4.5 41 4669 2187 50 7079 4597 53 8492 6010 500 26.6 4.5 45 5615 2529 54 8329 5243 58 10362 7277 630 30.0 4.5 49 6898 3006 57 9849 5958 62 12053 8160 800 34.0 4.5 54 8518 3838 63 11671 6991 67 14050 9369 1000 38.2 4.5 61 10849 4656 67 14230 8038 72 16815 10622 1200 42.0 4.5 65 13321 5282 74 17063 9311 78 19883 12131 注:电缆近似分量为聚氯乙烯护套电缆分量三芯交联聚乙烯绝缘电力电缆 8.7/10 8.7/15KV标称 截面 mm2导体直径mm绝缘厚度mm电缆近似外径电缆近似分量kg/km电缆近似外径电缆近似分量kg/km电缆近似外径电缆近似分量kg/km电缆近似外径电缆近似分量kg/kmYJVYJYYJLVYJLYYJV32YJV33YJLV32YJLV33YJV32YJV33YJLV32YJLV33YJV42YJV43YJLV42YJLV43mm mm mm mm25 6.0 4.5 46 2380 1901 50 3406 2929 52 4745 4262 55 6203 571935 7.1 4.5 49 2818 2132 53 3896 3210 54 5381 4589 59 6824 613250 8.4 4.5 52 3299 2405 56 4441 3547 59 5935 5030 61 8195 72917010.0 4.5 56 4117 2881 59 5432 4042 62 6942 5631 65 8713 74019511.7 4.5 59 5155 3294 64 6557 4697 66 8230 6352 69 10085 8208120 13.1 4.5 64 6317 3892 69 7896 5471 71 9715 7268 74 11720 9273 150 14.6 4.5 68 7303 4366 73 8971 6033 76 11692 8728 78 12915 9951 185 16.2 4.5 72 8405 4880 76 10179 6654 80 13234 9677 82 14487 10931 240 18.4 4.5 77 10323 5728 82 12272 7676 85 15496 10859 87 16828 12231 300 20.6 4.5 82 12658 6691 88 15673 9706 90 18234 12213 92 19689 13668 400 23.8 4.5 88 15170 7944 95 19371 12145 96 21660 14434 97 23225 15999 500 26.6 4.5 94 17916 8883 103 23325 14292 101 25428 16395 103 27441 18408单芯交联聚乙烯绝缘电力电缆 12/20KV标称 截面 mm2导体直径mm绝缘厚度mm电缆近似外径mm电缆近似分量kg/km电缆近似外径mm电缆近似分量kg/km电缆近似外径mm电缆近似分量kg/kmYJVYJYYJLVYJLYYJV32YJV33YJLV32YJLV33YJV42YJV43YJLV42YJLV4335 7.1 5.5 25 879 651 31 1869 1641 36 3312 3084 50 8.4 5.5 26 1032 734 33 2292 1995 38 3407 3109 70 10.0 5.5 28 1281 849 35 2632 2200 39 3974 3542 95 11.7 5.5 30 1616 996 37 3025 2407 41 4447 3829 120 13.1 5.5 32 1954 1148 39 3462 2656 43 4940 4134 150 14.6 5.5 34 2267 1291 41 3850 2874 45 5394 4417 185 16.2 5.5 35 2602 1431 42 4258 3087 47 5911 4739 240 18.4 5.5 38 3205 1678 46 5394 3867 49 6907 5380 300 20.6 5.5 40 3614 1970 48 5928 4284 51 7292 5648 400 23.8 5.5 44 4817 2335 52 6120 4841 55 7587 6308 500 26.6 5.5 47 5868 2784 56 8589 5504 59 10160 7074 630 30.0 5.5 51 7179 3289 60 10137 6246 63 11822 7931 800 34.0 5.5 56 8707 4027 65 11977 7296 68 13813 9133 1000 38.2 5.5 63 11058 4866 73 15580 9387 75 16754 10561 1200 42.0 5.5 67 13459 5708 77 18323 10572 79 19535 11784 注:电缆近似分量为聚氯乙烯护套电缆分量三芯交联聚乙烯绝缘电力电缆 12/20KV标称 截面 mm 2 导体 直径 mm 绝缘 厚度 mm 电缆近 似外径 mm 电缆近 似分量 kg/km 电缆近 似外径 mm 电缆近 似分量 kg/km 电缆近 似外径 mm 电缆近 似分量 kg/km 电缆近 似外径 mm 电缆近似分量 kg/km YJV YJY YJLV YJLY YJV 22 YJV 23YJLV 22 YJLV 23YJV 32 YJV 33YJLV 32 YJLV 33YJV 42 YJV43YJLV 42YJLV 4335 7.1 5.5 53 3168 2482 58 4465 3779 61 6048 5362 64 7783 7097 50 8.4 5.5 56 3676 2782 61 5072 4178 67 6702 5808 67 8522 7628 70 10.0 5.5 60 4514 3215 65 6005 4705 69 7804 6504 72 9742 8442 95 11.7 5.5 63 5572 3711 69 7210 5349 75 10114 8254 76 11282 9422 120 13.1 5.5 68 6695 4239 74 8547 6121 79 11510 9084 82 12776 10350 150 14.6 5.5 71 7764 4826 77 10426 7488 83 12805 9867 84 14133 11196 185 16.2 5.5 75 8914 5389 81 11716 8191 87 14249 10724 88 15605 12080 240 18.4 5.5 80 10879 6284 88 14117 9521 92 16574 11978 94 18052 13456 300 20.6 5.5 85 13328 7361 93 16762 10795 97 19321 13354 99 20884 14917 注:电缆近似分量为聚氯乙烯护套电缆分量单芯交联聚乙烯绝缘电力电缆 18/20KV标称 截面 mm 2 导体 直径 mm 绝缘 厚度 mm 电缆近 似外径 mm 电缆近 似分量 kg/km 电缆近 似外径 mm 电缆近 似分量 kg/km 电缆近 似外径 mm 电缆近似分量 kg/km YJV YJY YJLV YJLY YJV 32 YJV 33YJLV 32 YJLV 33YJV 42 YJV43YJLV 42YJLV 4350 8.4 8.0 33 1310 1012 39 2831 2533 43 4339 4041 70 10.0 8.0 34 1587 1155 41 3188 2756 45 4747 4315 95 11.7 8.0 36 1936 1317 43 3593 2974 47 5236 4618 120 13.1 8.0 37 2264 1458 45 4431 3625 49 5716 4910 150 14.6 8.0 39 2567 1600 47 4851 3875 50 6185 5209 185 16.2 8.0 41 2941 1769 49 5288 4117 52 6670 5499 240 18.4 8.0 43 3563 2036 51 6064 4537 55 7519 5992 300 20.6 8.0 45 4312 2329 54 6959 4976 57 8481 6497 400 23.8 8.0 49 5211 2730 57 8053 5571 61 9677 7196 500 26.6 8.0 53 6319 3234 61 9346 6260 64 11079 7993 630 30.0 8.0 56 7657 3765 65 10938 7046 68 12780 8889 800 34.0 8.0 61 9204 4524 70 12797 8117 74 14770 10110 1000 38.2 8.0 68 11636 5443 79 16556 10363 81 17821 11628 1200 42.0 8.0 72 14070 6318 83 19306 11554 85 20640 12888 注:电缆近似分量为聚氯乙烯护套电缆分量分量有问题三芯交联聚乙烯绝缘电力电缆21/35KV标称 截面 mm2导体直径mm绝缘厚度mm电缆近似外径mm电缆近似分量kg/km电缆近似外径mm电缆近似分量kg/km电缆近似外径mm电缆近似分量kg/kmYJVYJYYJLVYJLYYJV32YJV33YJLY32YJLY33YJV42YJV43YJLV42YJLV4350 8.4 9.3 35 1409 1192 42 3150 2852 47 4621 4320 70 10.0 9.3 38 1777 1345 43 3925 3493 49 5046 4615 95 11.7 9.3 39 2119 1501 47 4393 3775 50 5537 4919 120 13.1 9.3 40 2470 1664 49 4809 4001 52 5985 5179 150 14.6 9.3 42 2790 1813 51 5263 4287 54 6472 5496 185 16.2 9.3 44 3164 1992 52 5709 4538 56 6979 5808 240 18.4 9.3 46 3798 2271 55 6471 4943 58 7772 6245 300 20.6 9.3 48 4558 2575 57 7408 5425 60 8751 6767 400 23.8 9.3 52 5463 2981 60 8454 5972 63 9864 7383 500 26.6 9.3 56 6596 3510 65 9854 6758 68 11346 8260 630 30.0 9.3 60 7950 4059 69 11441 7549 72 12996 9104 800 34.0 9.3 64 9429 4749 74 14090 9410 76 14818 10137 1000 38.2 9.3 70 11864 5671 82 16649 10456 83 17777 11584 1200 42.0 9.3 75 14312 6560 85 19752 12001 87 20558 12806 注:电缆近似分量为聚氯乙烯护套电缆分量单芯交联聚乙烯绝缘电力电缆 26/35KV标称 截面 mm2导体直径mm绝缘厚度mm电缆近似外径mm电缆近似分量kg/km电缆近似外径mm电缆近似分量kg/km电缆近似外径mm电缆近似分量kg/kmYJVYJYYJLVYJLYYJV32YJV33YJLV32YJLV33YJV42YJV43YJLV42YJLV4350 8.4 10.5 38 1635 1356 46 3831 3501 50 5157 4887 70 10.0 10.5 40 1948 1516 48 4251 3819 51 5609 5177 95 11.7 10.5 41 2294 1676 50 4706 4088 53 6113 5495 120 13.1 10.5 43 2655 1849 51 5056 4350 55 6614 5808 150 14.6 10.5 44 2975 1999 54 5594 4617 56 7097 6121 185 16.2 10.5 46 3362 2191 56 6046 4874 58 7597 6426 240 18.4 10.5 49 4006 2479 58 6848 5320 61 8472 6945 300 20.6 10.5 51 4852 2868 60 7841 5858 63 9532 7549 400 23.8 10.5 55 4700 3218 63 8886 6404 67 10680 8198 500 26.6 10.5 60 6857 3771 69 10349 7262 72 12289 9201 630 30.0 10.5 62 8214 4323 71 11845 7954 74 13258 9366 800 34.0 10.5 68 9710 5030 77 14546 9866 79 15658 11008 1000 38.2 10.5 71 12059 5866 82 17210 11017 84 18523 12331 1200 42.0 10.5 77 14635 6883 88 20250 12499 90 21668 13916 注:电缆近似分量为聚氯乙烯护套电缆分量三芯交联聚乙烯绝缘电力电缆 26/35KV 标称 截面 mm2导体直径mm绝缘厚度mm电缆近似外径mm电缆近似分量kg/km电缆近似外径mm电缆近似分量kg/km电缆近似外径mm电缆近似分量kg/km电缆近似外径mm电缆近似分量kg/kmYJVYJYYJLVYJLYYJV22YJV23YJLY22YJLY23YJV32YJV33YJLV32YJLV33YJV42YJV43YJLV42YJLV4350 8.4 10.5 84 5555 4651 91 8766 7863 95 11549 10691 98 14878 13974 70 10.0 10.5 87 6367 5103 95 9795 8530 98 12749 11485 102 16173 14908 95 11.7 10.5 91 7343 5626 99 10948 9232 102 13979 12263 106 17122 15406 120 13.1 10.5 94 8236 6068 102 12084 9916 105 15335 13167 110 18786 16618 150 14.6 10.5 98 9323 6613 106 13271 10561 109 16702 13992 113 20434 17724 185 16.2 10.5 101 10246 6904 110 14387 11045 113 17934 14592 117 21818 18476 240 18.4 10.5 106 12431 8090 115 16770 12428 118 20473 16131 123 25546 21204 300 20.6 10.5 111 14009 8589 120 18604 13184 123 22454 17034 128 27685 22265 400 23.8 10.5 118 17169 9943 127 22107 14882 130 26195 18969 136 32036 24810 500 26.6 10.5 120 20388 11355 134 25642 16609 137 29918 20885 143 37194 28161 注:电缆近似分量为聚氯乙烯护套电缆分量主要技术性能序号 技术性能额定电压Uo/U(kv)3.6/66/66/108.7/108.7/1512/2018/2021/3526/351 线芯直流电阻 见下表2 局部放电试验(pc)1.5Uo 10 53 工频5min耐压试验(kv) 11 15 22 30 45 53 654 4h工频试验(kv) 14.4 24 34.8 48 72 84 1045 热延伸试验:载荷下最大伸长率冷却后最大永久伸长率175156 热冲击试验(加热到比长期工作温度高5o C)(+10次)kv60 75 95 125 170 200 2507 其它试验 见GB12706-911.铜或者铝导电线芯2.半导电内屏蔽交联聚乙烯绝缘3.半导电外屏蔽4.金属铜带屏蔽5.填充6.内衬层7.钢带铠装8.聚氯乙烯护套 1.铜或者铝导电线芯2.半导电内屏蔽3.交联聚乙烯绝缘4.半导电外屏蔽5.金属铜带屏蔽6.内衬层7.钢丝铠装8.铜丝9.聚氯乙烯护套6/10kv三芯交联聚乙烯绝缘电力电缆21/35kv单芯交联聚乙烯绝缘电力电缆线芯直流电阻20o C时直流电阻不大于(Ohm/km) 标称截面mm225 35 50 70 95 120 150 185 Cu 0.727 0.524 0.387 0.268 0.193 0.153 0.124 0.0991 Al 1.20 0.868 0.641 0.443 0.320 0.253 0.206 0.16420o C时直流电阻不大于(Ohm/km) 标称截面mm2240 300 400 500 630 800 1000 1200 Cu 0.0754 0.0601 0.0470 0.0366 0.0283 0.0221 0.0176 0.0151Al 0.125 0.100 0.0778 0.0605 0.0489 0.0367 0.0291 0.0247电缆的额定载流量3.6/6-12/20KV单芯交联聚乙烯绝缘电力电缆连续负荷载流量(A)型号 YJV YJLV YJY YJLV罗列方式 三角形(相互接触) 扁平形(相邻间距等于电缆外径)标称截面mm2敷设方式 敷设方式在空气中 直埋土壤中 在空气中 直埋土壤中 Cu Al Cu Al Cu Al Cu Al25 140 110 150 115 165 130 160 120 35 170 135 180 135 205 155 190 145 50 205 160 215 160 245 190 225 175 70 260 200 265 200 305 235 275 215 95 315 245 315 240 370 290 330 255 120 360 280 360 270 430 335 375 290 150 410 320 405 305 490 380 425 330 185 470 365 455 345 560 435 480 370 240 555 435 530 400 335 515 555 435 300 640 500 595 455 765 595 630 490 400 745 585 680 520 890 895 725 565 500 855 680 765 595 1030 810 825 650 630 980 790 860 680 1190 950 940 745 800 1100 910 950 765 1370 1100 1050 850 1000 1230 1030 1040 850 1540 1260 1170 950 1200 1320 1120 1100 910 1670 1380 1250 104018/20-26/35KV单芯交联聚乙烯绝缘电力电缆连续负荷载流量(A)型号 YJV YJLV YJY YJLV罗列方式 三角形(相互接触) 扁平形(相邻间距等于电缆外径)标称截面mm2敷设方式 敷设方式在空气中 直埋土壤中 在空气中 直埋土壤中 Cu Al Cu Al Cu Al Cu Al50 220 170 215 165 245 190 225 17570 270 210 265 200 305 235 275 21595 330 255 315 240 370 285 330 255120 375 290 360 270 425 330 375 290 150 425 330 400 305 485 375 420 325 185 485 380 455 345 555 430 475 370 240 560 435 525 400 650 505 555 430 300 650 510 595 455 745 580 630 490 400 760 595 680 525 870 680 720 565 500 875 690 775 600 1000 790 825 645 630 1000 800 875 685 1160 920 940 740 800 1130 920 970 770 1330 1060 1060 845 1000 1250 1040 1060 860 1490 1210 1170 950 1200 1350 1130 1120 920 1620 1340 1280 1030不同温度下的载流量修正系数导体工作温度o C环境温度o C(空气中)10 15 20 25 30 35 40 45 5060 1.58 1.50 1.41 1.32 1.22 1.11 1.00 0.86 0.7365 1.48 1.41 1.34 1.26 1.18 1.09 1.00 0.89 0.7770 1.41 1.35 1.29 1.22 1.15 1.08 1.00 0.91 0.8180 1.32 1.27 1.22 1.17 1.11 1.06 1.00 0.93 0.8690 1.26 1.22 1.18 1.14 1.09 1.04 1.00 0.94 0.89105 1.22 1.19 1.15 1.11 1.08 1.04 1.00 0.95 0.91 不同环境温度下的载流量修正系数导体工作温度o C环境温度o C(土壤中)10 15 20 25 30 3560 1.20 1.13 1.07 1.00 0.93 0.85 65 1.17 1.12 1.06 1.00 0.94 0.87 70 1.15 1.11 1.05 1.00 0.94 0.88 80 1.13 1.09 1.04 1.00 0.95 0.90901.11 1.07 1.04 1.00 0.96 0.92不同土壤热阻系数下的载流量修正系数电压 (kv) 截面 mm 2 土壤热阻系数:PT(k-m/w) 0.81.0 1.2 1.5 353.6/6-6/6 <=35 50-150 >=185 1.061.081.09 1.00 1.00 1.00 0.95 0.94 0.93 0.88 0.87 0.85 0.80 0.77 0.76 6/10-12/15 <=35 50-150 >=185 1.051.061.07 1.00 1.00 1.00 0.95 0.94 0.93 0.89 0.88 0.86 0.80 0.79 0.77 12/20-26/35<=95 >=120 1.051.06 1.00 1.00 0.95 0.94 0.90 0.830.82 0.80聚氯乙烯绝缘电力电缆本产品合用于固定敷设在交流50HZ 额定电压1000V 及以下的输配电路线上。
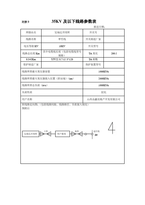
报送日期:所辖站名宝瑞达开闭所开关号
线路名称翠竹线开关制造厂家
电压等级KV 10KV 开关型号
线路总长度Km 其中电缆线长度(包括电缆线型号
规格)
TA变比200:5
0.345Km YJV22-8.7/15-3*120 TA相数
保护制造厂家保护装置型号
线路所带最大变压器容量1000KV A
线路所带最大变压器接入位置(距站端)(km)2000KV A
线路所带总负荷(kva)1000KV A
负荷性质居民
用户名称山西众鑫房地产开发有限公司
附线路走向图:(包括线路间隔、线路路径、负荷接入情况)
图附后
主供备供寇庄线
6#
宝瑞达开闭所用户箱变
报送日期:所辖站名亲贤站开关号
线路名称10KV寇庄线开关制造厂家
电压等级KV 10KV 开关型号
线路总长度Km 其中架空线长度
(包括架空线型
号规格)
其中电缆线长度
(包括电缆线型
号规格)
TA变比100:5
0.2Km 40M-JKL YJ-70 YJV22-3*70-160
M
TA相数
保护制造厂家保护装置型号
线路所带最大变压器容量1000KV A 线路所带最大变压器接入位置(距站端)(km)2000KV A
线路所带总负荷(kva)1000KV A
负荷性质居民
用户名称山西众鑫房地产开发有限公司
附线路走向图:(包括线路间隔、线路路径、负荷接入情况)
图附后
主供备供寇庄线
6#
宝瑞达开闭所用户箱变。
额定电压 KV6/10,8.7/10 8.7/15,12/20 18/20-26/35标称截面35-1200 35-1200 35-1200 35-1200 35-1200 35-1200 35-300 35-300 35-300 35-300 35-300 35-300 35-300 35-300 电缆的额定电压、标称截面及芯数型号 芯数 3.6/6,6/6YJLY YJLY YJLV32YJLV33YJLV42YJLV43YJLV YJLY YJLV22YJLV23YJLV32YJLV33YJLV42YJLV4325-1200 25-1200 25-1200 25-1200 25-1200 25-1200 25-300 25-300 25-300 25-300 25-333 25-300 25-300 25-30025-1200 25-1200 25-1200 25-1200 25-1200 25-1200 25-30025-30025-30025-30025-30025-30025-30025-30050-1200 50-1200 50-1200 50-1200 50-1200 50-1200 - - - - - - - -YJV YJY YJVYJV YJY YJVYJVYJVYJVYJVYJV YJVYJV YJV3142 434342 222332333233型号、名称及敷设场合: 26/35KV 及以下交联乙烯绝缘电力电缆型号名称交联聚乙烯绝缘聚氯乙烯护套电力电缆 交联聚乙烯绝缘聚乙烯护套电力电缆交联聚乙烯绝缘钢带铠装聚氯乙烯护套电力电缆 交联聚乙烯绝缘钢带铠装聚乙烯护套电力电缆交联聚乙烯绝缘细钢丝铠装聚氯乙烯护套电力电缆 32 交联聚乙烯绝缘细钢丝铠装聚乙烯护套电力电缆33交联聚乙烯绝缘粗钢丝铠装聚氯乙烯护套电力电缆42 交联聚乙烯绝缘粗钢丝铠装聚乙烯护套电力电缆 43敷设场合架空、室内、隧道、电缆沟 室内、隧道、电缆沟及地下 铝芯YJLV YJLY YJLV 22 YJLV 23YJLV YJLV YJLVYJLV 铜芯 YJV YJY YJV 22 YJV 23YJV 32 YJV 33YJV 能承受拉力的竖井及海底高落差、竖井及水下42 YJV 43 交联聚乙烯绝缘电力电缆 合用范围本产品合用于额定电压 3.6-35kv 中、高压输配电系统 导体最高额定温度:正常运行 90℃ 短路(最长持续时间 5 秒): 250℃电缆敷设时温度低于 0℃时,预先加温敷设电缆时其最小弯曲半径应不小于电缆外径的 10 倍,铠装电缆最小弯曲半径应不小于电缆的 12 倍,五芯 电缆最小弯曲半径应不小于电缆外径的 15 倍。
高压电缆型号大全一.交联聚乙烯绝6/6KV 8.7/10KV 8.7/15KV 26/35KV高压电缆,高压电缆价格,高压电缆规格型号细内容:YJV YJLV YJV22 YJLV22 高压聚氯乙烯绝缘电力电缆载流量型聚氯乙烯绝缘及护套电缆!缘电力电缆(普通高压电缆)0.6/1KV6/6KV 8.7/10KV 8.7/15KV 26/35KV1.产品标准:GB12706.3-20022.使用特性:该产品适用于交流额定电压35KV及以下供输配电能固定廒设线路用,电缆导体的最高长期工作温度90度,短路时(最长时间不超过5S),电缆导体最高温度不超过250度。
3.规格型号:35KV及以下YJVYJLV YJV22 YJLV22 YJV32 YJLV32二阻燃.交联聚乙烯绝缘电力电缆(阻燃高压电缆)0.6/1KV 6/6KV 8.7/10KV 8.7/15KV 26/35KV1.产品标准:GB12706.3-20022.使用特性:该产品适用于交流额定电压35KV及以下供输配电能固定廒设线路用,电缆导体的最高长期工作温度90度,短路时(最长时间不超过5S),电缆导体最高温度不超过250度。
3.规格型号:35KV及以下ZR-YJV ZR-YJLV ZR-YJV22 ZR-YJLV22 ZR-YJV32 ZR-YJLV32三.耐火交联聚乙烯绝缘电力电缆(耐火高压电缆)0.6/1KV 6/6KV 8.7/10KV 8.7/15KV 26/35KV1.产品标准:GB12706.3-20022.使用特性:该产品适用于交流额定电压35KV及以下供输配电能固定廒设线路用,电缆导体的最高长期工作温度90度,短路时(最长时间不超过5S),电缆导体最高温度不超过250度。
3.规格型号:35KV及以下NH-YJV NH-YJLV NH-YJV22 NH-YJLV22 NH-YJV32 NH-YJLV32。
35KV及以下交联电力电缆技术参数3.6/6kV单芯交联聚乙烯绝缘聚氯乙烯/聚乙烯护套电力电缆(YJV YJLV YJY YJLY)3.6/6kV三芯交联聚乙烯绝缘聚氯乙烯/聚乙烯护套电力电缆(YJV YJLV YJY YJLY)[返回]6/6kV.6/10kV单芯交联聚乙烯绝缘聚氯乙烯/聚乙烯护套电力电缆(YJV YJLV YJY YJLY)6/6kV.6/10kV三芯交联聚乙烯绝缘聚氯乙烯/聚乙烯护套电力电缆(YJV YJLV YJY YJLY)8.7/10kV.8.7/15kV单芯交联聚乙烯绝缘聚氯乙烯/聚乙烯护套电力电缆(YJV YJLV YJY YJLY)8.7/10kV.8.7/15kV三芯交联聚乙烯绝缘聚氯乙烯/聚乙烯护套电力电缆(YJV YJLV YJY YJLY)12/20kV单芯交联聚乙烯绝缘聚氯乙烯/聚乙烯护套电力电缆(YJV YJLV YJY YJLY)12/20kV三芯交联聚乙烯绝缘聚氯乙烯/聚乙烯护套电力电缆(YJV YJLV YJY YJLY)18/20kV.18/30kV单芯交联聚乙烯绝缘聚氯乙烯/聚乙烯护套电力电缆(YJV YJLV YJY YJLY)18/20kV.18/30kV三芯交联聚乙烯绝缘聚氯乙烯/聚乙烯护套电力电缆(YJV YJLV YJY YJLY)21/35kV单芯交联聚乙烯绝缘聚氯乙烯/聚乙烯护套电力电缆(YJV YJLV YJY YJLY)21/35kV三芯交联聚乙烯绝缘聚氯乙烯/聚乙烯护套电力电缆(YJV YJLV YJY YJLY)26/35kV单芯交联聚乙烯绝缘聚氯乙烯/聚乙烯护套电力电缆(YJV YJLV YJY YJLY)26/35kV三芯交联聚乙烯绝缘聚氯乙烯/聚乙烯护套电力电缆(YJV YJLV YJY YJLY)3.6/6kV单芯交联聚乙烯绝缘钢带铠装聚氯乙烯/聚乙烯护套电力电缆(YJV22 YJLV22 YJV23 YJLV23)3.6/6kV三芯交联聚乙烯绝缘钢带铠装聚氯乙烯/聚乙烯护套电力电缆(YJV22 YJLV22 YJV23 YJLV23)6/6kV.6/10kV单芯交联聚乙烯绝缘钢带铠装聚氯乙烯/聚乙烯护套电力电缆(YJV22 YJLV22 YJV23 YJLV23)6/6kV.6/10kV三芯交联聚乙烯绝缘钢带铠装聚氯乙烯/聚乙烯护套电力电缆(YJV22 YJLV22 YJV23 YJLV23)8.7/10kV.8.7/15kV单芯交联聚乙烯绝缘钢带铠装聚氯乙烯/聚乙烯护套电力电缆(YJV22 YJLV22 YJV23 YJLV23)8.7/10kV.8.7/15kV三芯交联聚乙烯绝缘钢带铠装聚氯乙烯/聚乙烯护套电力电缆(YJV22 YJLV22 YJV23 YJLV23)12/20kV单芯交联聚乙烯绝缘钢带铠装聚氯乙烯/聚乙烯护套电力电缆(YJV22 YJLV22 YJV23 YJLV23)12/20kV三芯交联聚乙烯绝缘钢带铠装聚氯乙烯/聚乙烯护套电力电缆(YJV22 YJLV22 YJV23 YJLV23)18/20kV.18/30kV单芯交联聚乙烯绝缘钢带铠装聚氯乙烯/聚乙烯护套电力电缆(YJV22 YJLV22 YJV23 YJLV23)18/20kV.18/30kV三芯交联聚乙烯绝缘钢带铠装聚氯乙烯/聚乙烯护套电力电缆(YJV22 YJLV22 YJV23 YJLV23)21/35kV单芯交联聚乙烯绝缘钢带铠装聚氯乙烯/聚乙烯护套电力电缆(YJV22 YJLV22 YJV23 YJLV23)21/35kV三芯交联聚乙烯绝缘钢带铠装聚氯乙烯/聚乙烯护套电力电缆(YJV22 YJLV22 YJV23 YJLV23)26/35kV单芯交联聚乙烯绝缘钢带铠装聚氯乙烯/聚乙烯护套电力电缆(YJV22 YJLV22 YJV23 YJLV23)26/35kV三芯交联聚乙烯绝缘钢带铠装聚氯乙烯/聚乙烯护套电力电缆(YJV22 YJLV22 YJV23 YJLV23)3.6/6kV单芯交联聚乙烯绝缘聚氯乙烯/聚乙烯护套电力电缆(YJV YJLV YJY YJLY)3.6/6kV三芯交联聚乙烯绝缘聚氯乙烯/聚乙烯护套电力电缆(YJV YJLV YJY YJLY)6/6kV.6/10kV单芯交联聚乙烯绝缘聚氯乙烯/聚乙烯护套电力电缆(YJV YJLV YJY YJLY)6/6kV.6/10kV三芯交联聚乙烯绝缘聚氯乙烯/聚乙烯护套电力电缆(YJV YJLV YJY YJLY)8.7/10kV.8.7/15kV单芯交联聚乙烯绝缘聚氯乙烯/聚乙烯护套电力电缆(YJV YJLV YJY YJLY)8.7/10kV.8.7/15kV三芯交联聚乙烯绝缘聚氯乙烯/聚乙烯护套电力电缆(YJV YJLV YJY YJLY)12/20kV单芯交联聚乙烯绝缘聚氯乙烯/聚乙烯护套电力电缆(YJV YJLV YJY YJLY)12/20kV三芯交联聚乙烯绝缘聚氯乙烯/聚乙烯护套电力电缆(YJV YJLV YJY YJLY)18/20kV.18/30kV单芯交联聚乙烯绝缘聚氯乙烯/聚乙烯护套电力电缆(YJV YJLV YJY YJLY)18/20kV.18/30kV三芯交联聚乙烯绝缘聚氯乙烯/聚乙烯护套电力电缆(YJV YJLV YJY YJLY)21/35kV单芯交联聚乙烯绝缘聚氯乙烯/聚乙烯护套电力电缆(YJV YJLV YJY YJLY)21/35kV三芯交联聚乙烯绝缘聚氯乙烯/聚乙烯护套电力电缆(YJV YJLV YJY YJLY)26/35kV单芯交联聚乙烯绝缘聚氯乙烯/聚乙烯护套电力电缆(YJV YJLV YJY YJLY)26/35kV三芯交联聚乙烯绝缘聚氯乙烯/聚乙烯护套电力电缆(YJV YJLV YJY YJLY)。
额定电压35kV及以下交联电缆1.交联聚乙烯绝缘电力电缆2.交联电缆的型号、名称及主要用途3.交联电缆额定电压等级、芯数和截面范围表4.交联电缆的结构图5.交联电缆产品结构表6.载流量修正系数表7.交联电缆允许的短路电流表8.交联电缆使用注意事项9.交联电缆技术参数表10.交联聚乙烯绝缘阻然电力电缆1交联聚乙烯绝缘电力电缆1.1简介交联聚乙绝缘电力电缆具有优良的电气性能、机械性能和热老化性能,它有传输容量大、耐环境应力强,敷设维护方便等优点,广泛应用于输配电系统中。
我厂交联电缆是按照GB/T12706—2002设计制造的,同时也满足IEC60502要求,本厂也可根据其他标准生产用户特殊要求的电缆。
1.2交联电缆的特性1.2.1电缆导体最高额定温度为90℃。
1.2.2短路时(最长持续时间不超过5秒)电缆导体的最高温度不超过250℃。
1.2.3成品电缆导电线芯的直流电阻在20℃时每千米的数值不大于表1的规定。
(表1)单位:Ω/km标称截面mm2 1.5 2.546101625355070铜芯12.17.41 4.61 3.08 1.83 1.150.730.5240.3870.268铝芯-11.87.41 4.61 3.08 1.91 1.200.8680.6410.443标称截面mm295120150185240300400500630800铜芯0.1930.1530.1240.09910.0750.060.0470.0370.0280.0221铝芯0.3200.2530.2060.1640.1250.100.0780.0610.047-1.2.4成品电缆的交流电压试验按表2数值施加电压,持续5分钟,绝缘应不击穿。
(表2)额定电压kV0.6/1 1.8/3 3.6/66/66/108.7/108.7/1512/2018/2018/3021/3526/35实验电压kV 3.5 6.511152230455365注:采用直流电压试验时,其数值应为上表的2.4倍。
交联聚乙烯绝缘电力电缆(GB12706.3-91)1、用途:适用于固定敷设在交流50Hz,额定电压35kv及以下的输配电线路上作输送电能用。
2、使用特性:①电缆导体的最高额定温度为90℃。
②短路时(最长持续时间不超过5秒)电缆导体的最高温度不超过250℃。
③敷设电缆时的环境温度应不低于0℃,其最小弯曲半径为:单芯电缆R=20(D+d)±0.5%,mm;多芯电缆R=15(D+d)±0.5%,mm。
式中:D----电缆的实际外径,mm;d----电缆导体的实际外径,mm。
3、型号:电缆型号如表1。
型号名称主要用途铜芯铝芯YJV YJLV 交联聚乙烯绝缘聚氯乙烯护套电力电缆敷设于室内,隧道、电缆沟及管道中,也可埋在松散的土壤中,电缆能承受一定的敷设牵引YJV 22 YJLV 22 交联聚乙烯绝缘钢带铠装氯乙烯护套电力电缆适用于室内、隧道、电缆沟及地下直埋敷设,电缆能承受机械外力作用,但不能承受大的拉力YJV 32 YJLV 32 交联聚乙烯绝缘细钢丝铠装聚氯乙烯护套电力电缆适用于高落差区,电缆能承受机械外力和相当的拉力4、结构简图:单芯无铠装电缆 型号:YJV 、YJLV 三芯钢带铠装电缆 型号:YJV22 YJL V221、导体2、导体屏蔽3、交联聚乙烯绝缘4、绝缘屏蔽5、金属屏蔽6、填充7、隔离套(内护层) 8、钢带铠装 9、聚氯乙烯外护套三芯我铠装电缆 型号:YJV 、YJLV5、产品规格及技术参数: ① 电缆规格如表2② 电缆技术参数如表5-表16 表2型号芯数额定电压KV0.6/11.8/33.6/6,6/6 6/10,8.7/10标称截面mm 2YJV YJLV 1 2.5~300 10~300 25~300 25~300YJV YJLV 3 4~300 10~300 25~300 25~300YJV 22 YJLV 22 YJV 32 YJLV 326、技术性能:①导体应符合GB/T3956的规定,直流电阻如表3。
6/6KV 8.7/10KV 8.7/15KV 26/35KV高压电缆,高压电缆价格,高压电缆规格型号细内容:YJV YJLV YJV22 YJLV22 高压聚氯乙烯绝缘电力电缆载流量型聚氯乙烯绝缘及护套电缆!一.交联聚乙烯绝缘电力电缆(普通高压电缆)0.6/1KV 6/6KV 8.7/10KV 8.7/15KV 26/35KV1.产品标准:GB12706.3-20022.使用特性:该产品适用于交流额定电压35KV及以下供输配电能固定廒设线路用,电缆导体的最高长期工作温度90度,短路时(最长时间不超过5S),电缆导体最高温度不超过250度。
3.规格型号:35KV及以下YJV YJLV YJV22 YJLV22 YJV32 YJLV32二阻燃.交联聚乙烯绝缘电力电缆(阻燃高压电缆)0.6/1KV6/6KV 8.7/10KV 8.7/15KV 26/35KV1.产品标准:GB12706.3-20022.使用特性:该产品适用于交流额定电压35KV及以下供输配电能固定廒设线路用,电缆导体的最高长期工作温度90度,短路时(最长时间不超过5S),电缆导体最高温度不超过250度。
3.规格型号:35KV及以下ZR-YJV ZR-YJLV ZR-YJV22 ZR-YJLV22 ZR-YJV32 ZR-YJLV32三.耐火交联聚乙烯绝缘电力电缆(耐火高压电缆)0.6/1KV6/6KV 8.7/10KV 8.7/15KV 26/35KV1.产品标准:GB12706.3-20022.使用特性:该产品适用于交流额定电压35KV及以下供输配电能固定廒设线路用,电缆导体的最高长期工作温度90度,短路时(最长时间不超过5S),电缆导体最高温度不超过250度。
3.规格型号:35KV及以下NH-YJV NH-YJLV NH-YJV22 NH-YJLV22 NH-YJV32 NH-YJLV32常见电缆型号说明及用途型号名称用途铜芯NA-YJV,NB-YJV,交联聚乙烯绝缘聚氯乙烯护套A(B)类耐火电力电缆可敷设在对耐火有要求的室内、隧道及管道中。
交联聚乙烯绝缘电力电缆适用范围本产品适用于额定电压3.6-35kv中、高压输配电系统导体最高额定温度:正常运行90℃短路(最长持续时间5秒):250℃电缆敷设时温度低于0℃时,预先加温敷设电缆时其最小弯曲半径应不小于电缆外径的10倍,铠装电缆最小弯曲半径应不小于电缆的12倍,五芯电缆最小弯曲半径应不小于电缆外径的15倍。
执行标准:额定电压35KV及以下交联聚乙烯绝缘电力电缆执行标准GB12706.3-91(等效采用IEC502-1983)型号、名称及敷设场合:26/35KV及以下交联乙烯绝缘电力电缆型号名称敷设场合铜芯铝芯YJV YJLV 交联聚乙烯绝缘聚氯乙烯护套电力电缆架空、室内、隧道、电缆沟YJY YJLY 交联聚乙烯绝缘聚乙烯护套电力电缆YJV22 YJLV22交联聚乙烯绝缘钢带铠装聚氯乙烯护套电力电缆室内、隧道、电缆沟及地下YJV23YJLV23交联聚乙烯绝缘钢带铠装聚乙烯护套电力电缆YJV32 YJLV32交联聚乙烯绝缘细钢丝铠装聚氯乙烯护套电力电缆高落差、竖井及水下YJV33 YJLV33交联聚乙烯绝缘细钢丝铠装聚乙烯护套电力电缆YJV42 YJLV42交联聚乙烯绝缘粗钢丝铠装聚氯乙烯护套电力电缆能承受拉力的竖井及海底YJV43 YJLV43交联聚乙烯绝缘粗钢丝铠装聚乙烯护套电力电缆电缆的额定电压、标称截面及芯数型号芯数额定电压KV3.6/6,6/6 6/10,8.7/10 8.7/15,12/20 18/20-26/35标称截面YJV YJY YJV32 YJV33 YJV42 YJV43YJLYYJLYYJLV32YJLV33YJLV42YJLV43125-120025-120025-120025-120025-120025-120025-120025-120025-120025-120025-120025-120035-120035-120035-120035-120035-120035-120050-120050-120050-120050-120050-120050-1200YJV YJY YJV22 YJV23 YJV32 YJV33 YJV42 YJV43YJLVYJLYYJLV22YJLV23YJLV32YJLV33YJLV42YJLV43325-30025-30025-30025-30025-33325-30025-30025-30025-30025-30025-30025-30025-30025-30025-30025-30035-30035-30035-30035-30035-30035-30035-30035-300--------单芯交联聚乙烯绝缘电力电缆 3.6/6KV标称截面mm2导体直径mm绝缘厚度mm电缆近似外径mm电缆近似重量kg/km电缆近似外径mm电缆近似重量kg/km电缆近似外径mm电缆近似重量kg/kmYJVYJYYJLVYJLYYJV32YJY33YJLV32YJLY33YJV42YJY43YJLV42YJLY4325 6.0 2.5 19 576 421 23 1229 1070 28 2222 2063 35 7.1 2.5 20 695 479 24 1389 1161 29 2479 2251 50 8.4 2.5 21 860 550 26 1613 1316 31 2719 2421 70 10.0 2.5 23 1081 648 28 1913 1481 33 3019 2677 95 11.7 2.5 24 1350 762 30 2343 1725 34 3548 2930 120 13.1 2.5 26 1640 897 32 2793 1987 37 4092 3286 150 14.6 2.5 27 1947 1019 34 3266 2290 41 5276 4299 185 16.2 2.5 29 2302 1156 36 3741 2568 42 5764 4594 240 18.4 2.6 32 2886 1400 39 4518 2991 45 6650 5123 300 20.6 2.8 34 3483 1626 42 5476 3492 48 7680 5697 400 23.8 3.0 38 4477 2001 46 6681 4199 52 8927 6445 500 26.6 3.2 41 5452 2357 51 8007 4921 56 10467 7382 630 30.0 3.2 45 6793 2901 54 9484 5592 62 13246 9354 800 34.0 3.2 50 8278 3598 60 11282 6602 67 15370 10691 1000 38.2 3.2 52 10439 4246 61 13488 7795 69 17690 11497 1200 42.0 3.2 60 12946 5194 69 16496 8744 76 22269 14517 注:电缆近似重量为聚氯乙烯护套电缆重量三芯交联聚乙烯绝缘电力电缆 3.6/6KV标称截面mm2导体直径mm绝缘厚度mm电缆近似外径mm电缆近似重量kg/km电缆近似外径mm电缆近似重量kg/km电缆近似外径mm电缆近似重量kg/km电缆近似外径mm电缆近似重量kg/km YJVYJYYJLVYJLYYJV32YJV33YJLY32YJLY33YJV32YJV33YJLV32YJLV33YJV42YJV43YJLV42YJLV4325 6.0 2.53617151236412610213142337728934648874404 357.1 2.53821171431433206252045422735354855074815 508.4 2.54125591631463580268548491540105161935288 7010.0 2.54533202020504437313853602847175883447033 9511.7 2.54944042544545592373157735554786197307859 12013.1 2.555551130865968154390628894644767113738926 15014.6 2.5586452351463783849016610204724070127179753 18516.2 2.56275083983678980545570115237966761558812032 24018.4 2.668940348087311065647076140249387821819516558 30020.6 2.87311767579979136017634821664910629882135215331单芯交联聚乙烯绝缘电力电缆6/6 6/10KV标称截面mm2导体直径mm绝缘厚度mm电缆近似外径mm电缆近似重量kg/km电缆近似外径mm电缆近似重量kg/km电缆近似外径mm电缆近似重量kg/kmYJVYJYYJLVYJLYYJV32YJV33YJLV32YJLV33YJV42YJV43YJLV42YJLV4325 6.0 3.4 20 586 426 25 1356 1197 30 2534 2375 35 7.1 3.4 21 710 483 26 1568 1294 31 2807 2529 50 8.4 3.4 22 845 547 27 1701 1403 33 3002 2705 70 10.0 3.4 24 1083 651 29 2015 1583 35 3400 2968 95 11.7 3.4 25 1393 774 31 2399 1780 36 3847 3228 120 13.1 3.4 27 1740 934 34 3085 2279 39 4400 3593 150 14.6 3.4 29 2029 1053 36 3448 2472 40 4844 3867 185 16.2 3.4 31 2367 1195 38 3864 2693 42 5307 4135 240 18.4 3.4 33 2952 1425 40 4538 3011 47 6439 4912 300 20.6 3.4 35 3675 1692 42 5380 3397 49 7880 5897 400 23.8 3.4 39 4529 2041 47 6812 4080 53 9101 6619 500 26.6 3.4 43 5561 2476 51 8097 4994 57 10560 7474 630 30.0 3.4 47 6875 2984 55 9591 5700 61 12263 8372 800 34.0 3.4 52 8344 3664 60 11370 6690 68 15487 10807 1000 38.2 3.4 56 10596 4403 65 13904 7712 72 18333 12140 1200 42.0 3.4 60 12976 5224 69 16556 8804 77 21313 13560 注:电缆近似重量为聚氯乙烯护套电缆重量三芯交联聚乙烯绝缘电力电缆6/6 6/10KV标称截面mm2导体直径mm绝缘厚度mm电缆近似外径mm电缆近似重量kg/km电缆近似外径mm电缆近似重量kg/km电缆近似外径mm电缆近似重量kg/km电缆近似外径mm电缆近似重量kg/km YJVYJYYJLVYJLYYJV22YJY23YJLV22YJLY23YJV32YJY33YJLV32YJLY33YJV42YJY43YJLV42YJLY4325 6.0 3.44019511472452949247047397235215055175034 357.1 3.44223681682473422273649468640555260975404 508.4 3.44528221928503954305952538744855662125520 7010.0 3.45037102410544825352657649152286083767064 9511.7 3.45447202880596005414460774360306394247846 12013.1 3.459585334276472804854678732656872113529902 15014.6 3.4636812387567832453866999827277751360910645 18516.2 3.46776204392729554602975112917954811646912912 24018.4 3.4729774517876115226926801478410147861918014543 30020.6 3.47712114614782140628095851749011469922220616185注:电缆近似重量为聚氯乙烯护套电缆重量单芯交联聚乙烯绝缘电力电缆8.7/10 8.7/15KV标称截面mm2导体直径mm绝缘厚度mm电缆近似外径mm电缆近似重量kg/km电缆近似外径mm电缆近似重量kg/km电缆近似外径mm电缆近似重量kg/kmYJVYJYYJLVYJLYYJV32YJV33YJLY32YJLY33YJV42YJV43YJLV42YJLV4325 6.0 4.5 22 665 506 28 1496 1337 33 2788 262935 7.1 4.5 23 794 566 29 1722 1444 34 3050 2772 50 8.4 4.5 24 931 634 30 1858 1560 35 3261 2964 70 10.0 4.5 26 1175 743 32 2176 1744 37 3649 3217 95 11.7 4.5 27 1490 872 34 2804 2186 39 4115 3496 120 13.1 4.5 30 1857 1051 37 3259 2353 41 4673 3867 150 14.6 4.5 31 2152 1176 38 3641 2665 43 5104 4127 185 16.2 4.5 33 2496 1325 40 4044 2873 45 5588 4417 240 18.4 4.5 35 3077 1550 42 4742 3214 47 6375 4848 300 20.6 4.5 38 3817 1834 47 6017 4034 49 7320 5337 400 23.8 4.5 41 4669 2187 50 7079 4597 53 8492 6010 500 26.6 4.5 45 5615 2529 54 8329 5243 58 10362 7277 630 30.0 4.5 49 6898 3006 57 9849 5958 62 12053 8160 800 34.0 4.5 54 8518 3838 63 11671 6991 67 14050 9369 1000 38.2 4.5 61 10849 4656 67 14230 8038 72 16815 10622 1200 42.0 4.5 65 13321 5282 74 17063 9311 78 19883 12131 注:电缆近似重量为聚氯乙烯护套电缆重量三芯交联聚乙烯绝缘电力电缆8.7/10 8.7/15KV标称截面mm2导体直径mm绝缘厚度mm电缆近似外径mm电缆近似重量kg/km电缆近似外径mm电缆近似重量kg/km电缆近似外径mm电缆近似重量kg/km电缆近似外径mm电缆近似重量kg/km YJVYJYYJLVYJLYYJV32YJV33YJLV32YJLV33YJV32YJV33YJLV32YJLV33YJV42YJV43YJLV42YJLV4325 6.0 4.5 46 2380 1901 50 3406 2929 52 4745 4262 55 6203 5719 35 7.1 4.5 49 2818 2132 53 3896 3210 54 5381 4589 59 6824 6132 50 8.4 4.5 52 3299 2405 56 4441 3547 59 5935 5030 61 8195 7291 70 10.0 4.5 56 4117 2881 59 5432 4042 62 6942 5631 65 8713 7401 95 11.7 4.5 59 5155 3294 64 6557 4697 66 8230 6352 69 10085 8208 120 13.1 4.5 64 6317 3892 69 7896 5471 71 9715 7268 74 11720 9273 150 14.6 4.5 68 7303 4366 73 8971 6033 76 11692 8728 78 12915 9951 185 16.2 4.5 72 8405 4880 76 10179 6654 80 13234 9677 82 14487 10931 240 18.4 4.5 77 10323 5728 82 12272 7676 85 15496 10859 87 16828 12231 300 20.6 4.5 82 12658 6691 88 15673 9706 90 18234 12213 92 19689 13668 400 23.8 4.5 88 15170 7944 95 19371 12145 96 21660 14434 97 23225 15999 500 26.6 4.5 94 17916 8883 103 23325 14292 101 25428 16395 103 27441 18408单芯交联聚乙烯绝缘电力电缆12/20KV标称截面mm2导体直径mm绝缘厚度mm电缆近似外径mm电缆近似重量kg/km电缆近似外径mm电缆近似重量kg/km电缆近似外径mm电缆近似重量kg/kmYJVYJYYJLVYJLYYJV32YJV33YJLV32YJLV33YJV42YJV43YJLV42YJLV4335 7.1 5.5 25 879 651 31 1869 1641 36 3312 3084 50 8.4 5.5 26 1032 734 33 2292 1995 38 3407 310970 10.0 5.5 28 1281 849 35 2632 2200 39 3974 3542 95 11.7 5.5 30 1616 996 37 3025 2407 41 4447 3829 120 13.1 5.5 32 1954 1148 39 3462 2656 43 4940 4134 150 14.6 5.5 34 2267 1291 41 3850 2874 45 5394 4417 185 16.2 5.5 35 2602 1431 42 4258 3087 47 5911 4739 240 18.4 5.5 38 3205 1678 46 5394 3867 49 6907 5380 300 20.6 5.5 40 3614 1970 48 5928 4284 51 7292 5648 400 23.8 5.5 44 4817 2335 52 6120 4841 55 7587 6308 500 26.6 5.5 47 5868 2784 56 8589 5504 59 10160 7074 630 30.0 5.5 51 7179 3289 60 10137 6246 63 11822 7931 800 34.0 5.5 56 8707 4027 65 11977 7296 68 13813 9133 1000 38.2 5.5 63 11058 4866 73 15580 9387 75 16754 10561 1200 42.0 5.5 67 13459 5708 77 18323 10572 79 19535 11784 注:电缆近似重量为聚氯乙烯护套电缆重量三芯交联聚乙烯绝缘电力电缆12/20KV标称截面mm2导体直径mm绝缘厚度mm电缆近似外径mm电缆近似重量kg/km电缆近似外径mm电缆近似重量kg/km电缆近似外径mm电缆近似重量kg/km电缆近似外径mm电缆近似重量kg/km YJVYJYYJLVYJLYYJV22YJV23YJLV22YJLV23YJV32YJV33YJLV32YJLV33YJV42YJV43YJLV42YJLV4335 7.1 5.5 53 3168 2482 58 4465 3779 61 6048 5362 64 7783 7097 50 8.4 5.5 56 3676 2782 61 5072 4178 67 6702 5808 67 8522 7628 70 10.0 5.5 60 4514 3215 65 6005 4705 69 7804 6504 72 9742 8442 95 11.7 5.5 63 5572 3711 69 7210 5349 75 10114 8254 76 11282 9422 120 13.1 5.5 68 6695 4239 74 8547 6121 79 11510 9084 82 12776 10350 150 14.6 5.5 71 7764 4826 77 10426 7488 83 12805 9867 84 14133 11196 185 16.2 5.5 75 8914 5389 81 11716 8191 87 14249 10724 88 15605 12080 240 18.4 5.5 80 10879 6284 88 14117 9521 92 16574 11978 94 18052 13456 300 20.6 5.5 85 13328 7361 93 16762 10795 97 19321 13354 99 20884 14917 注:电缆近似重量为聚氯乙烯护套电缆重量单芯交联聚乙烯绝缘电力电缆18/20KV标称截面mm2导体直径mm绝缘厚度mm电缆近似外径mm电缆近似重量kg/km电缆近似外径mm电缆近似重量kg/km电缆近似外径mm电缆近似重量kg/kmYJVYJYYJLVYJLYYJV32YJV33YJLV32YJLV33YJV42YJV43YJLV42YJLV4350 8.4 8.0 33 1310 1012 39 2831 2533 43 4339 4041 70 10.0 8.0 34 1587 1155 41 3188 2756 45 4747 4315 95 11.7 8.0 36 1936 1317 43 3593 2974 47 5236 4618 120 13.1 8.0 37 2264 1458 45 4431 3625 49 5716 4910 150 14.6 8.0 39 2567 1600 47 4851 3875 50 6185 5209 185 16.2 8.0 41 2941 1769 49 5288 4117 52 6670 5499240 18.4 8.0 43 3563 2036 51 6064 4537 55 7519 5992 300 20.6 8.0 45 4312 2329 54 6959 4976 57 8481 6497 400 23.8 8.0 49 5211 2730 57 8053 5571 61 9677 7196 500 26.6 8.0 53 6319 3234 61 9346 6260 64 11079 7993 630 30.0 8.0 56 7657 3765 65 10938 7046 68 12780 8889 800 34.0 8.0 61 9204 4524 70 12797 8117 74 14770 10110 1000 38.2 8.0 68 11636 5443 79 16556 10363 81 17821 11628 1200 42.0 8.0 72 14070 6318 83 19306 11554 85 20640 12888 注:电缆近似重量为聚氯乙烯护套电缆重量重量有问题三芯交联聚乙烯绝缘电力电缆21/35KV标称截面mm2导体直径mm绝缘厚度mm电缆近似外径mm电缆近似重量kg/km电缆近似外径mm电缆近似重量kg/km电缆近似外径mm电缆近似重量kg/kmYJVYJYYJLVYJLYYJV32YJV33YJLY32YJLY33YJV42YJV43YJLV42YJLV4350 8.4 9.3 35 1409 1192 42 3150 2852 47 4621 4320 70 10.0 9.3 38 1777 1345 43 3925 3493 49 5046 4615 95 11.7 9.3 39 2119 1501 47 4393 3775 50 5537 4919 120 13.1 9.3 40 2470 1664 49 4809 4001 52 5985 5179 150 14.6 9.3 42 2790 1813 51 5263 4287 54 6472 5496 185 16.2 9.3 44 3164 1992 52 5709 4538 56 6979 5808 240 18.4 9.3 46 3798 2271 55 6471 4943 58 7772 6245 300 20.6 9.3 48 4558 2575 57 7408 5425 60 8751 6767 400 23.8 9.3 52 5463 2981 60 8454 5972 63 9864 7383 500 26.6 9.3 56 6596 3510 65 9854 6758 68 11346 8260 630 30.0 9.3 60 7950 4059 69 11441 7549 72 12996 9104 800 34.0 9.3 64 9429 4749 74 14090 9410 76 14818 10137 1000 38.2 9.3 70 11864 5671 82 16649 10456 83 17777 11584 1200 42.0 9.3 75 14312 6560 85 19752 12001 87 20558 12806 注:电缆近似重量为聚氯乙烯护套电缆重量单芯交联聚乙烯绝缘电力电缆26/35KV标称截面mm2导体直径mm绝缘厚度mm电缆近似外径mm电缆近似重量kg/km电缆近似外径mm电缆近似重量kg/km电缆近似外径mm电缆近似重量kg/kmYJVYJYYJLVYJLYYJV32YJV33YJLV32YJLV33YJV42YJV43YJLV42YJLV4350 8.4 10.5 38 1635 1356 46 3831 3501 50 5157 4887 70 10.0 10.5 40 1948 1516 48 4251 3819 51 5609 5177 95 11.7 10.5 41 2294 1676 50 4706 4088 53 6113 5495 120 13.1 10.5 43 2655 1849 51 5056 4350 55 6614 5808 150 14.6 10.5 44 2975 1999 54 5594 4617 56 7097 6121 185 16.2 10.5 46 3362 2191 56 6046 4874 58 7597 6426240 18.4 10.5 49 4006 2479 58 6848 5320 61 8472 6945 300 20.6 10.5 51 4852 2868 60 7841 5858 63 9532 7549 400 23.8 10.5 55 4700 3218 63 8886 6404 67 10680 8198 500 26.6 10.5 60 6857 3771 69 10349 7262 72 12289 9201 630 30.0 10.5 62 8214 4323 71 11845 7954 74 13258 9366 800 34.0 10.5 68 9710 5030 77 14546 9866 79 15658 11008 1000 38.2 10.5 71 12059 5866 82 17210 11017 84 18523 12331 1200 42.0 10.5 77 14635 6883 88 20250 12499 90 21668 13916 注:电缆近似重量为聚氯乙烯护套电缆重量三芯交联聚乙烯绝缘电力电缆26/35KV 标称截面mm2导体直径mm绝缘厚度mm电缆近似外径mm电缆近似重量kg/km电缆近似外径mm电缆近似重量kg/km电缆近似外径mm电缆近似重量kg/km电缆近似外径mm电缆近似重量kg/km YJVYJYYJLVYJLYYJV22YJV23YJLY22YJLY23YJV32YJV33YJLV32YJLV33YJV42YJV43YJLV42YJLV4350 8.4 10.5 84 5555 4651 91 8766 7863 95 11549 10691 98 14878 13974 70 10.0 10.5 87 6367 5103 95 9795 8530 98 12749 11485 102 16173 14908 95 11.7 10.5 91 7343 5626 99 10948 9232 102 13979 12263 106 17122 15406 120 13.1 10.5 94 8236 6068 102 12084 9916 105 15335 13167 110 18786 16618 150 14.6 10.5 98 9323 6613 106 13271 10561 109 16702 13992 113 20434 17724 185 16.2 10.5 101 10246 6904 110 14387 11045 113 17934 14592 117 21818 18476 240 18.4 10.5 106 12431 8090 115 16770 12428 118 20473 16131 123 25546 21204 300 20.6 10.5 111 14009 8589 120 18604 13184 123 22454 17034 128 27685 22265 400 23.8 10.5 118 17169 9943 127 22107 14882 130 26195 18969 136 32036 24810 500 26.6 10.5 120 20388 11355 134 25642 16609 137 29918 20885 143 37194 28161 注:电缆近似重量为聚氯乙烯护套电缆重量主要技术性能序号技术性能额定电压Uo/U(kv)3.6/66/66/108.7/108.7/1512/2018/2021/3526/351 线芯直流电阻见下表2 局部放电试验(pc)1.5Uo 10 53 工频5min耐压试验(kv) 11 15 22 30 45 53 654 4h工频试验(kv) 14.4 24 34.8 48 72 84 1045 热延伸试验:载荷下最大伸长率冷却后最大永久伸长率175156 热冲击试验(加热到比长期工作温度高5o C)(+10次)kv60 75 95 125 170 200 2507 其它试验见GB12706-911.铜或铝导电线芯2.半导电内屏蔽交联聚乙烯绝缘3.半导电外屏蔽4.金属铜带屏蔽5.填充6.内衬层7.钢带铠装8.聚氯乙烯护套1.铜或铝导电线芯2.半导电内屏蔽3.交联聚乙烯绝缘4.半导电外屏蔽5.金属铜带屏蔽6.内衬层7.钢丝铠装8.铜丝9.聚氯乙烯护套6/10kv三芯交联聚乙烯绝缘电力电缆21/35kv单芯交联聚乙烯绝缘电力电缆线芯直流电阻20o C时直流电阻不大于(Ohm/km) 标称截面mm225 35 50 70 95 120 150 185 Cu 0.727 0.524 0.387 0.268 0.193 0.153 0.124 0.0991 Al 1.20 0.868 0.641 0.443 0.320 0.253 0.206 0.16420o C时直流电阻不大于(Ohm/km) 标称截面mm2240 300 400 500 630 800 1000 1200 Cu 0.0754 0.0601 0.0470 0.0366 0.0283 0.0221 0.0176 0.0151Al 0.125 0.100 0.0778 0.0605 0.0489 0.0367 0.0291 0.0247电缆的额定载流量3.6/6-12/20KV单芯交联聚乙烯绝缘电力电缆连续负荷载流量(A)型号YJV YJLV YJY YJLV排列方式三角形(相互接触)扁平形(相邻间距等于电缆外径)标称截面mm2敷设方式敷设方式在空气中直埋土壤中在空气中直埋土壤中Cu Al Cu Al Cu Al Cu Al25 140 110 150 115 165 130 160 120 35 170 135 180 135 205 155 190 145 50 205 160 215 160 245 190 225 175 70 260 200 265 200 305 235 275 215 95 315 245 315 240 370 290 330 255 120 360 280 360 270 430 335 375 290 150 410 320 405 305 490 380 425 330 185 470 365 455 345 560 435 480 370 240 555 435 530 400 335 515 555 435 300 640 500 595 455 765 595 630 490 400 745 585 680 520 890 895 725 565 500 855 680 765 595 1030 810 825 650 630 980 790 860 680 1190 950 940 745 800 1100 910 950 765 1370 1100 1050 850 1000 1230 1030 1040 850 1540 1260 1170 9501200 1320 1120 1100 910 1670 1380 1250 104018/20-26/35KV单芯交联聚乙烯绝缘电力电缆连续负荷载流量(A)型号YJV YJLV YJY YJLV排列方式三角形(相互接触)扁平形(相邻间距等于电缆外径)标称截面mm2敷设方式敷设方式在空气中直埋土壤中在空气中直埋土壤中Cu Al Cu Al Cu Al Cu Al50 220 170 215 165 245 190 225 17570 270 210 265 200 305 235 275 21595 330 255 315 240 370 285 330 255120 375 290 360 270 425 330 375 290 150 425 330 400 305 485 375 420 325 185 485 380 455 345 555 430 475 370 240 560 435 525 400 650 505 555 430 300 650 510 595 455 745 580 630 490 400 760 595 680 525 870 680 720 565 500 875 690 775 600 1000 790 825 645 630 1000 800 875 685 1160 920 940 740 800 1130 920 970 770 1330 1060 1060 845 1000 1250 1040 1060 860 1490 1210 1170 950 1200 1350 1130 1120 920 1620 1340 1280 1030不同温度下的载流量修正系数导体工作温度o C环境温度o C(空气中)10 15 20 25 30 35 40 45 5060 1.58 1.50 1.41 1.32 1.22 1.11 1.00 0.86 0.7365 1.48 1.41 1.34 1.26 1.18 1.09 1.00 0.89 0.7770 1.41 1.35 1.29 1.22 1.15 1.08 1.00 0.91 0.8180 1.32 1.27 1.22 1.17 1.11 1.06 1.00 0.93 0.8690 1.26 1.22 1.18 1.14 1.09 1.04 1.00 0.94 0.89105 1.22 1.19 1.15 1.11 1.08 1.04 1.00 0.95 0.91 不同环境温度下的载流量修正系数导体工作温度o C环境温度o C(土壤中)10 15 20 25 30 3560 1.20 1.13 1.07 1.00 0.93 0.85 65 1.17 1.12 1.06 1.00 0.94 0.87 70 1.15 1.11 1.05 1.00 0.94 0.88 80 1.13 1.09 1.04 1.00 0.95 0.90901.11 1.07 1.04 1.00 0.96 0.92不同土壤热阻系数下的载流量修正系数电压 (kv) 截面 mm 2 土壤热阻系数:PT (k-m/w) 0.81.0 1.2 1.5 353.6/6-6/6 <=35 50-150 >=185 1.061.081.09 1.00 1.00 1.00 0.95 0.94 0.93 0.88 0.87 0.85 0.80 0.77 0.76 6/10-12/15 <=35 50-150 >=185 1.051.061.07 1.00 1.00 1.00 0.95 0.94 0.93 0.89 0.88 0.86 0.80 0.79 0.77 12/20-26/35<=95 >=120 1.051.06 1.00 1.00 0.95 0.94 0.90 0.830.82 0.80聚氯乙烯绝缘电力电缆本产品适用于固定敷设在交流50HZ 额定电压1000V 及以下的输配电线路上。
额定电压0.6/1kV 及以下架空绝缘电缆·产品标准产品按GB12527-90《额定电压0.6/1kV 及以下架空绝缘电缆》及IEC60502《额定电压1~30kV 挤包绝缘电力电缆及附件》等标准制造。
·使用特性额定电压Uo/U 为0.6/1kV。
电缆导体的长期允许工作不超过温度:聚氯乙烯、聚乙烯绝缘架空电缆:70℃;交联聚乙烯绝缘架空电缆:90℃。
短路时(最长持续时间不超过5秒)电缆导体的最高温度应不超过:聚氯乙烯绝缘架空电缆:160℃;聚乙烯绝缘架空电缆:130℃;交联聚乙烯绝缘架空电缆:250℃。
电缆敷设时环境温度应不低于-20℃。
电缆的允许弯曲半径:电缆外径(D)小于25mm 时,应不小于电缆外径的4倍;电缆外径(D)等于或大于25mm 时,应不小于电缆外径的6倍。
当电缆使用于交流系统时,电缆的额定电压至少应等于该系统的额定电压;当电缆使用于直流系统时,该系统的额定电压应不大于电缆额定电压的1.5倍。
·电缆的型号·电缆的规格型号名称用途JKV 铜芯聚氯乙烯绝缘架空电缆架空固定敷设、引户线等JKLV 铝芯聚氯乙烯绝缘架空电缆JKLHV 铝合金芯聚氯乙烯绝缘架空电缆JKY 铜芯聚乙烯绝缘架空电缆JKLY 铝芯聚乙烯绝缘架空电缆JKLHY 铝合金芯聚乙烯绝缘架空电缆JKYJ 铜芯交联聚乙烯绝缘架空电缆JKLYJ 铝芯交联聚乙烯绝缘架空电缆JKLHYJ 铝合金芯交联聚乙烯绝缘架空电缆JKLGV 钢芯铝绞线芯聚氯乙烯绝缘架空电缆JKLGY 钢芯铝绞线芯聚乙烯绝缘架空电缆JKLGYJ钢芯铝绞线芯交联聚乙烯绝缘架空电缆型号芯数额定电压kV标称截面mm 2JKV、JKLV、JKLHY、JKY、JKLY、JKLHY、JKYJ、JKLYJ、JKLHYJ、JKLGV、JKLGY、JKLGYJ 10.6/110~2402~410~240JKLV、JKLY、JKLYJ3+K *10~240·电缆的结构和技术参数·铜芯、铝芯或铝合金芯架空绝缘电缆(单芯)JKV、JKY、JKYJ、JKLY、JKLYJ、JKLHV、JKLY、JKLHYJ·铜芯、铝芯或铝合金芯架空绝缘电缆(二芯)JKV、JKY、JKYJ、JKLY、JKLYJ、JKLHV、JKLY、JKLHYJ·铝芯绝缘架空电缆(三芯+承载线)JKLV、JKLY、JKLYJ A 三芯导体标称截面mm 2导体参考外径mm 绝缘标称厚度mm 电缆参考外径mm电缆参考重量kg/km电缆计算拉断力NJKVJKY JKYJ JKLV JKLHV JKLY JKLYJ JKLHY JKLHYJ 硬铜铝芯铝合金芯10 3.8 1.0 5.8114108514568903140502816 4.8 1.27.21811727970109725024804425 6.0 1.28.42602511099716930752412568357.0 1.49.8377352151136234621035417600508.3 1.411.14854691941763300414202251387010 1.412.86686502672374692220708351929511.7 1.614.994191736833163518274544776012013.0 1.616.21174114943640879822346786032815014.6 1.817.71477145054951399010420667541218516.2 2.020.217681748660616123692534669300624018.4 2.222.8230522558547981596466935612065830020.62.424.4294628861084101619957686698150822导体标称截面mm 2导体参考外径mm 绝缘标称厚度mm 电缆参考外径mm电缆参考重量kg/km电缆计算拉断力NJKVJKY JKYJ JKLV JKLHV JKLY JKLYJ JKLHY JKLHYJ 硬铜铝芯铝合金芯10 3.8 1.011.62282161028968903140502816 4.8 1.214.4361343158140109725024804425 6.0 1.216.852150021719516930752412568357.0 1.419.6733704302272234621035417600508.3 1.422.29699373873523300414202251387010 1.425.2133613005134734692220708351929511.7 1.629.41882183571566263518274544776012013.0 1.632.22348229787281579822346786032815014.6 1.836.2295428891098102599010420667541218516.2 2.040.03536345613201231123692534669300624018.4 2.245.446094510170915971596466935612065830020.62.450.6589157712168203219957686698150822导体标称截面mm 2导体参考外径mm 绝缘标称厚度mm 电缆参考外径mm 电缆参考重量kg/km 电缆计算拉断力NJKLV JKLY、JKLYJ铝芯10 3.8112.51531344950164.81.215.52372097536B 承载线芯·铜芯、铝芯或铝合金芯架空绝缘电缆(四芯)JKV、JKY、JKYJ、JKLY、JKLHV、JKLHY、JKLHYJ·钢芯铝绞线芯架空绝缘电缆(单芯)JKLGV、JKLGY、JKLGYJ256 1.218.132529211286357 1.421.145340815531508.3 1.423.9580528210337010 1.427.1769710310629511.7 1.631.710729934118112013 1.634.7130812225201715014.6 1.839164715386309918516.2243.119811846819624018.4 2.248.92563239510403730020.62.454.532523047130047导体标称截面mm 2承载线芯参考重量kg/km承载线芯拉断力N铝合金芯钢芯铝合金芯钢芯256819562843000035952738800420005013539012569565507018954617596811509525774123880110150120324--30164--导体标称截面mm 2导体参考外径mm绝缘标称厚度mm电缆参考重量kg/km 电缆计算拉断力NJKV JKY JKYJ JKLV JKLHV JKLY、JKLYJ JKLHY、JKLHYJ硬铜铝芯铝合金芯10 3.814564342041791338466001005616 4.8 1.2721687316280219441004816088256 1.210401001433390338601504825136357 1.414641410604546469242070835200508.3 1.4193618767737066600828044502767010 1.42669260110259489384441416703849511.7 1.63761367214291327127036549089552012013 1.646924597174416321596446935612065615014.6 1.859035782219720541980208413215082418516.22706569162641246624768410692818601224018.4 2.2921090263418319931929213871624131630020.62.4117701154943354070399152173396301644导体标称截面mm 2导体参考外径mm 绝缘标称厚度mm 电缆参考外径mm 电缆参考重量kg/km 电缆计算拉断力N JKLGV JKLGY、JKLGYJ钢芯铝绞线芯25/4 6.6 1.29143131929035/67.8 1.410.61991831263050/89.11.411.926224316870·电气性能50/3011.1 1.413.94474244262070/1010.9 1.413.73553342339070/4013.1 1.415.96035785830095/1512.9 1.616.14864573500095/2013.1 1.616.35144843720095/5515.3 1.618.582779378110120/713.6 1.616.848645527570120/2014.4 1.617.658955741000120/2514.7 1.617.963460247880120/7017.2 1.620.4102598798370150/815.1 1.818.761057232860150/2015.8 1.819.471266346630150/2516.1 1.819.774870854110150/3516.6 1.820.283279165020185/1016.7220.775170440880185/2517.6221.687282359420185/3017.8221.891686764320185/4518.4222.4102997880190210/1017.9221.984779845140210/2518.8222.898193065990210/3519.1223.1104298974250210/5019.7223.71162110890830240/3020 2.224.41122106175620240/4020.3 2.224.71182112083370240/5521 2.225.513271263102100300/1521.4 2.426.21196112568060300/2021.6 2.426.41242117175680300/2521.9 2.426.71294122283410300/4022.3 2.427.11392131992220300/5022.7 2.427.514761401103400300/7023.52.428.316621585128000导体标称截面mm 220℃时导体直流电阻Ω/km工作温度下最小绝缘电阻MΩ/km 铜铝铝合金钢芯铝绞线70℃90℃硬软10 1.906 1.83 3.08 3.574 3.080.00670.6716 1.198 1.15 1.91 2.217 1.910.00650.65250.7490.727 1.2 1.303 1.20.00540.54350.540.5240.868 1.0070.8680.00540.54500.3990.3870.6410.7440.6410.00460.46700.2760.2680.4430.5140.4430.0040.4950.1990.1930.320.3710.320.00390.391200.1580.1530.2530.2960.2530.00350.351500.1280.1240.2060.2390.2060.00350.35·单芯电缆长期载流量·二芯电缆载流量·三芯电缆1850.10210.09910.1640.190.1640.00350.352400.07770.07540.1250.1450.1250.00340.343000.06190.06010.10.110.10.00330.33导体标称截面mm 2载流量A铜铝、钢芯铝绞线PVC PE XLPE PVC PE XLPE 1065658550506516899012269709525120124166939712835148152204115118158501821882521411461967023123932018021024995289299400224232310120334348467260271362150385399533298310412185448466622347362483240535558746414432578300615630865480490630导体标称截面mm 2载流量A铜铝、钢芯铝绞线PVC PE XLPE PVC PE XLPE 1060607846466016828311263648725110114153868911835136140188106109145501671732321301341807021322029416619322995266275368206213285120307320430239249333150354367490274285380185412429572319333444240492513686381397532300566580730442451580导体标称截面mm 2载流量A 导体标称截面mm 2载流量A 铝铝PVC PE XLPE PVC PE XLPE 104141539518419025416575778120213222297257680105150244254339·四芯电缆载流量·不同环境下的载流量修正系数3594971301852852973965011612016124033935447470148172204300394402517导体标称截面mm 2载流量A铜铝、钢芯铝绞线PVCPE XLPE PVC PE XLPE 105353704141531673741005757782598102136768010535121125167949713050149154207116120161701891962621481722049523724532818419025412027428538321322229715031632743724425433918536738250285297396240439458612339354474300504517710394402517材料电压等级kV 导体工作温度℃实际环境温度(℃)时的载流量修正系数-50510152030354045PVC 0.6/170 1.57 1.46 1.41 1.36 1.34 1.29 1.15 1.0810.8PE 0.6/170 1.57 1.46 1.41 1.36 1.34 1.29 1.15 1.0810.8XLPE0.6/1951.381.351.311.271.231.161.11.0510.96额定电压10kV、35kV 架空绝缘电缆·产品标准本产品接GB14049《额定电压10kV、35kV 架空绝缘电缆》及IEC60502《额定电压1-30kV 挤包绝缘电力电缆及附件》等标准制造。
电力电缆power cable35kV及以下交联聚乙烯绝缘电力电缆XLPE Insulation Power Cable of 35kv or Lower0.6/1kV及以下聚氯乙烯绝缘及护套电力电缆PVC Insulation & Sheath Power Cable of 0.6/1kv or Lower通信电源用电力软电缆Power Flexible Cable for Telecommunication Power supply Application 金属屏蔽电力电缆Metal shielding Power Cable35kV及以下交联聚乙烯绝缘电力电缆35 kV or Lower Power Cable with XLPE Insulation本产品适用于固定敷设在交流50Hz,额定电压35kV及以下的电力输配电线路上作输送电能用。
与聚氯乙烯绝缘电力电缆相比,交联电力电缆产品不仅具有优异的电气性能、机械性能、耐热老化性能、耐环境应力和耐化学腐蚀性能的能力,而且结构简单,重量轻,不受敷设落差限制,长期工作温度高(90℃)等特点。
一、生产执行标准GB/T12706.1-2002~ GB/T12706.3-2002《额定电压1kV (Um=1.2 kV)到35kV(Um=40.5 kV)挤包绝缘电力电缆》,也可按用户需要,采用国际电工委员会IEC60502-1997标准生产。
二、使用特点1、电缆导体的允许长期最高工作温度为90℃。
2、短路时(最长持续时间不超过5秒)电缆导体的最高温度不超过250℃。
3、电缆敷设时的环境温度不得低于0℃。
4、电缆的最小弯曲半径:三芯电缆不小于电缆外径的15倍;单芯电缆不小于电缆外径的20倍。
5、电缆的工频额定电压U0/U为0.6/1kV~26/35kV。
U0:电缆设计用的导体对地或金属屏蔽之间的额定工频电压,称相电压;U:电缆设计用的导体间的额定工频电压,称线电压;Um:设备可承受的“最高系统电压”的最大值。
交联聚乙烯绝缘电力电缆适用范围本产品适用于额定电压3.6-35kv中、高压输配电系统导体最高额定温度:正常运行90℃短路(最长持续时间5秒):250℃电缆敷设时温度低于0℃时,预先加温敷设电缆时其最小弯曲半径应不小于电缆外径的10倍,铠装电缆最小弯曲半径应不小于电缆的12倍,五芯电缆最小弯曲半径应不小于电缆外径的15倍。
执行标准:额定电压35KV及以下交联聚乙烯绝缘电力电缆执行标准GB12706.3-91(等效采用IEC502-1983)型号、名称及敷设场合:26/35KV及以下交联乙烯绝缘电力电缆型号名称敷设场合铜芯铝芯YJV YJLV 交联聚乙烯绝缘聚氯乙烯护套电力电缆架空、室内、隧道、电缆沟YJY YJLY 交联聚乙烯绝缘聚乙烯护套电力电缆YJV22 YJLV22交联聚乙烯绝缘钢带铠装聚氯乙烯护套电力电缆室内、隧道、电缆沟及地下YJV23YJLV23交联聚乙烯绝缘钢带铠装聚乙烯护套电力电缆YJV32 YJLV32交联聚乙烯绝缘细钢丝铠装聚氯乙烯护套电力电缆高落差、竖井及水下YJV33 YJLV33交联聚乙烯绝缘细钢丝铠装聚乙烯护套电力电缆YJV42 YJLV42交联聚乙烯绝缘粗钢丝铠装聚氯乙烯护套电力电缆能承受拉力的竖井及海底YJV43 YJLV43交联聚乙烯绝缘粗钢丝铠装聚乙烯护套电力电缆电缆的额定电压、标称截面及芯数型号芯数额定电压KV3.6/6,6/6 6/10,8.7/10 8.7/15,12/20 18/20-26/35标称截面YJV YJY YJV32 YJV33 YJV42 YJV43YJLYYJLYYJLV32YJLV33YJLV42YJLV43125-120025-120025-120025-120025-120025-120025-120025-120025-120025-120025-120025-120035-120035-120035-120035-120035-120035-120050-120050-120050-120050-120050-120050-1200YJV YJY YJV22 YJV23 YJV32 YJV33 YJV42 YJV43YJLVYJLYYJLV22YJLV23YJLV32YJLV33YJLV42YJLV43325-30025-30025-30025-30025-33325-30025-30025-30025-30025-30025-30025-30025-30025-30025-30025-30035-30035-30035-30035-30035-30035-30035-30035-300--------单芯交联聚乙烯绝缘电力电缆 3.6/6KV标称截面mm2导体直径mm绝缘厚度mm电缆近似外径mm电缆近似重量kg/km电缆近似外径mm电缆近似重量kg/km电缆近似外径mm电缆近似重量kg/kmYJVYJYYJLVYJLYYJV32YJY33YJLV32YJLY33YJV42YJY43YJLV42YJLY4325 6.0 2.5 19 576 421 23 1229 1070 28 2222 2063 35 7.1 2.5 20 695 479 24 1389 1161 29 2479 2251 50 8.4 2.5 21 860 550 26 1613 1316 31 2719 2421 70 10.0 2.5 23 1081 648 28 1913 1481 33 3019 2677 95 11.7 2.5 24 1350 762 30 2343 1725 34 3548 2930 120 13.1 2.5 26 1640 897 32 2793 1987 37 4092 3286 150 14.6 2.5 27 1947 1019 34 3266 2290 41 5276 4299 185 16.2 2.5 29 2302 1156 36 3741 2568 42 5764 4594 240 18.4 2.6 32 2886 1400 39 4518 2991 45 6650 5123 300 20.6 2.8 34 3483 1626 42 5476 3492 48 7680 5697 400 23.8 3.0 38 4477 2001 46 6681 4199 52 8927 6445 500 26.6 3.2 41 5452 2357 51 8007 4921 56 10467 7382 630 30.0 3.2 45 6793 2901 54 9484 5592 62 13246 9354 800 34.0 3.2 50 8278 3598 60 11282 6602 67 15370 10691 1000 38.2 3.2 52 10439 4246 61 13488 7795 69 17690 11497 1200 42.0 3.2 60 12946 5194 69 16496 8744 76 22269 14517 注:电缆近似重量为聚氯乙烯护套电缆重量三芯交联聚乙烯绝缘电力电缆 3.6/6KV标称截面mm2导体直径mm绝缘厚度mm电缆近似外径mm电缆近似重量kg/km电缆近似外径mm电缆近似重量kg/km电缆近似外径mm电缆近似重量kg/km电缆近似外径mm电缆近似重量kg/km YJVYJYYJLVYJLYYJV32YJV33YJLY32YJLY33YJV32YJV33YJLV32YJLV33YJV42YJV43YJLV42YJLV4325 6.0 2.53617151236412610213142337728934648874404 357.1 2.53821171431433206252045422735354855074815 508.4 2.54125591631463580268548491540105161935288 7010.0 2.54533202020504437313853602847175883447033 9511.7 2.54944042544545592373157735554786197307859 12013.1 2.555551130865968154390628894644767113738926 15014.6 2.5586452351463783849016610204724070127179753 18516.2 2.56275083983678980545570115237966761558812032 24018.4 2.668940348087311065647076140249387821819516558 30020.6 2.87311767579979136017634821664910629882135215331单芯交联聚乙烯绝缘电力电缆6/6 6/10KV标称截面mm2导体直径mm绝缘厚度mm电缆近似外径mm电缆近似重量kg/km电缆近似外径mm电缆近似重量kg/km电缆近似外径mm电缆近似重量kg/kmYJVYJYYJLVYJLYYJV32YJV33YJLV32YJLV33YJV42YJV43YJLV42YJLV4325 6.0 3.4 20 586 426 25 1356 1197 30 2534 2375 35 7.1 3.4 21 710 483 26 1568 1294 31 2807 2529 50 8.4 3.4 22 845 547 27 1701 1403 33 3002 2705 70 10.0 3.4 24 1083 651 29 2015 1583 35 3400 2968 95 11.7 3.4 25 1393 774 31 2399 1780 36 3847 3228 120 13.1 3.4 27 1740 934 34 3085 2279 39 4400 3593 150 14.6 3.4 29 2029 1053 36 3448 2472 40 4844 3867 185 16.2 3.4 31 2367 1195 38 3864 2693 42 5307 4135 240 18.4 3.4 33 2952 1425 40 4538 3011 47 6439 4912 300 20.6 3.4 35 3675 1692 42 5380 3397 49 7880 5897 400 23.8 3.4 39 4529 2041 47 6812 4080 53 9101 6619 500 26.6 3.4 43 5561 2476 51 8097 4994 57 10560 7474 630 30.0 3.4 47 6875 2984 55 9591 5700 61 12263 8372 800 34.0 3.4 52 8344 3664 60 11370 6690 68 15487 10807 1000 38.2 3.4 56 10596 4403 65 13904 7712 72 18333 12140 1200 42.0 3.4 60 12976 5224 69 16556 8804 77 21313 13560 注:电缆近似重量为聚氯乙烯护套电缆重量三芯交联聚乙烯绝缘电力电缆6/6 6/10KV标称截面mm2导体直径mm绝缘厚度mm电缆近似外径mm电缆近似重量kg/km电缆近似外径mm电缆近似重量kg/km电缆近似外径mm电缆近似重量kg/km电缆近似外径mm电缆近似重量kg/km YJVYJYYJLVYJLYYJV22YJY23YJLV22YJLY23YJV32YJY33YJLV32YJLY33YJV42YJY43YJLV42YJLY4325 6.0 3.44019511472452949247047397235215055175034 357.1 3.44223681682473422273649468640555260975404 508.4 3.44528221928503954305952538744855662125520 7010.0 3.45037102410544825352657649152286083767064 9511.7 3.45447202880596005414460774360306394247846 12013.1 3.459585334276472804854678732656872113529902 15014.6 3.4636812387567832453866999827277751360910645 18516.2 3.46776204392729554602975112917954811646912912 24018.4 3.4729774517876115226926801478410147861918014543 30020.6 3.47712114614782140628095851749011469922220616185注:电缆近似重量为聚氯乙烯护套电缆重量单芯交联聚乙烯绝缘电力电缆8.7/10 8.7/15KV标称截面mm2导体直径mm绝缘厚度mm电缆近似外径mm电缆近似重量kg/km电缆近似外径mm电缆近似重量kg/km电缆近似外径mm电缆近似重量kg/kmYJVYJYYJLVYJLYYJV32YJV33YJLY32YJLY33YJV42YJV43YJLV42YJLV4325 6.0 4.5 22 665 506 28 1496 1337 33 2788 262935 7.1 4.5 23 794 566 29 1722 1444 34 3050 2772 50 8.4 4.5 24 931 634 30 1858 1560 35 3261 2964 70 10.0 4.5 26 1175 743 32 2176 1744 37 3649 3217 95 11.7 4.5 27 1490 872 34 2804 2186 39 4115 3496 120 13.1 4.5 30 1857 1051 37 3259 2353 41 4673 3867 150 14.6 4.5 31 2152 1176 38 3641 2665 43 5104 4127 185 16.2 4.5 33 2496 1325 40 4044 2873 45 5588 4417 240 18.4 4.5 35 3077 1550 42 4742 3214 47 6375 4848 300 20.6 4.5 38 3817 1834 47 6017 4034 49 7320 5337 400 23.8 4.5 41 4669 2187 50 7079 4597 53 8492 6010 500 26.6 4.5 45 5615 2529 54 8329 5243 58 10362 7277 630 30.0 4.5 49 6898 3006 57 9849 5958 62 12053 8160 800 34.0 4.5 54 8518 3838 63 11671 6991 67 14050 9369 1000 38.2 4.5 61 10849 4656 67 14230 8038 72 16815 10622 1200 42.0 4.5 65 13321 5282 74 17063 9311 78 19883 12131 注:电缆近似重量为聚氯乙烯护套电缆重量三芯交联聚乙烯绝缘电力电缆8.7/10 8.7/15KV标称截面mm2导体直径mm绝缘厚度mm电缆近似外径mm电缆近似重量kg/km电缆近似外径mm电缆近似重量kg/km电缆近似外径mm电缆近似重量kg/km电缆近似外径mm电缆近似重量kg/kmYJVYJYYJLVYJLYYJV32YJV33YJLV32YJLV33YJV32YJV33YJLV32YJLV33YJV42YJV43YJLV42YJLV4325 6.0 4.5 46 2380 1901 50 3406 2929 52 4745 4262 55 6203 571935 7.1 4.5 49 2818 2132 53 3896 3210 54 5381 4589 59 6824 613250 8.4 4.5 52 3299 2405 56 4441 3547 59 5935 5030 61 8195 72917010.0 4.5 56 4117 2881 59 5432 4042 62 6942 5631 65 8713 74019511.7 4.5 59 5155 3294 64 6557 4697 66 8230 6352 69 10085 8208120 13.1 4.5 64 6317 3892 69 7896 5471 71 9715 7268 74 11720 9273 150 14.6 4.5 68 7303 4366 73 8971 6033 76 11692 8728 78 12915 9951 185 16.2 4.5 72 8405 4880 76 10179 6654 80 13234 9677 82 14487 10931 240 18.4 4.5 77 10323 5728 82 12272 7676 85 15496 10859 87 16828 12231 300 20.6 4.5 82 12658 6691 88 15673 9706 90 18234 12213 92 19689 13668 400 23.8 4.5 88 15170 7944 95 19371 12145 96 21660 14434 97 23225 15999 500 26.6 4.5 94 17916 8883 103 23325 14292 101 25428 16395 103 27441 18408单芯交联聚乙烯绝缘电力电缆12/20KV标称截面mm2导体直径mm绝缘厚度mm电缆近似外径mm电缆近似重量kg/km电缆近似外径mm电缆近似重量kg/km电缆近似外径mm电缆近似重量kg/kmYJVYJYYJLVYJLYYJV32YJV33YJLV32YJLV33YJV42YJV43YJLV42YJLV4335 7.1 5.5 25 879 651 31 1869 1641 36 3312 3084 50 8.4 5.5 26 1032 734 33 2292 1995 38 3407 3109 70 10.0 5.5 28 1281 849 35 2632 2200 39 3974 3542 95 11.7 5.5 30 1616 996 37 3025 2407 41 4447 3829 120 13.1 5.5 32 1954 1148 39 3462 2656 43 4940 4134 150 14.6 5.5 34 2267 1291 41 3850 2874 45 5394 4417 185 16.2 5.5 35 2602 1431 42 4258 3087 47 5911 4739 240 18.4 5.5 38 3205 1678 46 5394 3867 49 6907 5380 300 20.6 5.5 40 3614 1970 48 5928 4284 51 7292 5648 400 23.8 5.5 44 4817 2335 52 6120 4841 55 7587 6308 500 26.6 5.5 47 5868 2784 56 8589 5504 59 10160 7074 630 30.0 5.5 51 7179 3289 60 10137 6246 63 11822 7931 800 34.0 5.5 56 8707 4027 65 11977 7296 68 13813 9133 1000 38.2 5.5 63 11058 4866 73 15580 9387 75 16754 10561 1200 42.0 5.5 67 13459 5708 77 18323 10572 79 19535 11784 注:电缆近似重量为聚氯乙烯护套电缆重量三芯交联聚乙烯绝缘电力电缆12/20KV标称截面mm2导体直径mm绝缘厚度mm电缆近似外径mm电缆近似重量kg/km电缆近似外径mm电缆近似重量kg/km电缆近似外径mm电缆近似重量kg/km电缆近似外径mm电缆近似重量kg/km YJVYJYYJLVYJLYYJV22YJV23YJLV22YJLV23YJV32YJV33YJLV32YJLV33YJV42YJV43YJLV42YJLV4335 7.1 5.5 53 3168 2482 58 4465 3779 61 6048 5362 64 7783 7097 50 8.4 5.5 56 3676 2782 61 5072 4178 67 6702 5808 67 8522 7628 70 10.0 5.5 60 4514 3215 65 6005 4705 69 7804 6504 72 9742 8442 95 11.7 5.5 63 5572 3711 69 7210 5349 75 10114 8254 76 11282 9422 120 13.1 5.5 68 6695 4239 74 8547 6121 79 11510 9084 82 12776 10350 150 14.6 5.5 71 7764 4826 77 10426 7488 83 12805 9867 84 14133 11196 185 16.2 5.5 75 8914 5389 81 11716 8191 87 14249 10724 88 15605 12080 240 18.4 5.5 80 10879 6284 88 14117 9521 92 16574 11978 94 18052 13456 300 20.6 5.5 85 13328 7361 93 16762 10795 97 19321 13354 99 20884 14917 注:电缆近似重量为聚氯乙烯护套电缆重量单芯交联聚乙烯绝缘电力电缆18/20KV标称截面mm2导体直径mm绝缘厚度mm电缆近似外径mm电缆近似重量kg/km电缆近似外径mm电缆近似重量kg/km电缆近似外径mm电缆近似重量kg/kmYJVYJYYJLVYJLYYJV32YJV33YJLV32YJLV33YJV42YJV43YJLV42YJLV4350 8.4 8.0 33 1310 1012 39 2831 2533 43 4339 4041 70 10.0 8.0 34 1587 1155 41 3188 2756 45 4747 4315 95 11.7 8.0 36 1936 1317 43 3593 2974 47 5236 4618 120 13.1 8.0 37 2264 1458 45 4431 3625 49 5716 4910 150 14.6 8.0 39 2567 1600 47 4851 3875 50 6185 5209 185 16.2 8.0 41 2941 1769 49 5288 4117 52 6670 5499 240 18.4 8.0 43 3563 2036 51 6064 4537 55 7519 5992 300 20.6 8.0 45 4312 2329 54 6959 4976 57 8481 6497 400 23.8 8.0 49 5211 2730 57 8053 5571 61 9677 7196 500 26.6 8.0 53 6319 3234 61 9346 6260 64 11079 7993 630 30.0 8.0 56 7657 3765 65 10938 7046 68 12780 8889 800 34.0 8.0 61 9204 4524 70 12797 8117 74 14770 10110 1000 38.2 8.0 68 11636 5443 79 16556 10363 81 17821 11628 1200 42.0 8.0 72 14070 6318 83 19306 11554 85 20640 12888 注:电缆近似重量为聚氯乙烯护套电缆重量重量有问题三芯交联聚乙烯绝缘电力电缆21/35KV标称截面mm2导体直径mm绝缘厚度mm电缆近似外径mm电缆近似重量kg/km电缆近似外径mm电缆近似重量kg/km电缆近似外径mm电缆近似重量kg/kmYJVYJYYJLVYJLYYJV32YJV33YJLY32YJLY33YJV42YJV43YJLV42YJLV4350 8.4 9.3 35 1409 1192 42 3150 2852 47 4621 4320 70 10.0 9.3 38 1777 1345 43 3925 3493 49 5046 4615 95 11.7 9.3 39 2119 1501 47 4393 3775 50 5537 4919 120 13.1 9.3 40 2470 1664 49 4809 4001 52 5985 5179 150 14.6 9.3 42 2790 1813 51 5263 4287 54 6472 5496 185 16.2 9.3 44 3164 1992 52 5709 4538 56 6979 5808 240 18.4 9.3 46 3798 2271 55 6471 4943 58 7772 6245 300 20.6 9.3 48 4558 2575 57 7408 5425 60 8751 6767 400 23.8 9.3 52 5463 2981 60 8454 5972 63 9864 7383 500 26.6 9.3 56 6596 3510 65 9854 6758 68 11346 8260 630 30.0 9.3 60 7950 4059 69 11441 7549 72 12996 9104 800 34.0 9.3 64 9429 4749 74 14090 9410 76 14818 10137 1000 38.2 9.3 70 11864 5671 82 16649 10456 83 17777 11584 1200 42.0 9.3 75 14312 6560 85 19752 12001 87 20558 12806 注:电缆近似重量为聚氯乙烯护套电缆重量单芯交联聚乙烯绝缘电力电缆26/35KV标称截面mm2导体直径mm绝缘厚度mm电缆近似外径mm电缆近似重量kg/km电缆近似外径mm电缆近似重量kg/km电缆近似外径mm电缆近似重量kg/kmYJVYJYYJLVYJLYYJV32YJV33YJLV32YJLV33YJV42YJV43YJLV42YJLV4350 8.4 10.5 38 1635 1356 46 3831 3501 50 5157 4887 70 10.0 10.5 40 1948 1516 48 4251 3819 51 5609 5177 95 11.7 10.5 41 2294 1676 50 4706 4088 53 6113 5495 120 13.1 10.5 43 2655 1849 51 5056 4350 55 6614 5808 150 14.6 10.5 44 2975 1999 54 5594 4617 56 7097 6121 185 16.2 10.5 46 3362 2191 56 6046 4874 58 7597 6426 240 18.4 10.5 49 4006 2479 58 6848 5320 61 8472 6945 300 20.6 10.5 51 4852 2868 60 7841 5858 63 9532 7549 400 23.8 10.5 55 4700 3218 63 8886 6404 67 10680 8198 500 26.6 10.5 60 6857 3771 69 10349 7262 72 12289 9201 630 30.0 10.5 62 8214 4323 71 11845 7954 74 13258 9366 800 34.0 10.5 68 9710 5030 77 14546 9866 79 15658 11008 1000 38.2 10.5 71 12059 5866 82 17210 11017 84 18523 12331 1200 42.0 10.5 77 14635 6883 88 20250 12499 90 21668 13916 注:电缆近似重量为聚氯乙烯护套电缆重量三芯交联聚乙烯绝缘电力电缆26/35KV 标称截面mm2导体直径mm绝缘厚度mm电缆近似外径mm电缆近似重量kg/km电缆近似外径mm电缆近似重量kg/km电缆近似外径mm电缆近似重量kg/km电缆近似外径mm电缆近似重量kg/km YJVYJYYJLVYJLYYJV22YJV23YJLY22YJLY23YJV32YJV33YJLV32YJLV33YJV42YJV43YJLV42YJLV4350 8.4 10.5 84 5555 4651 91 8766 7863 95 11549 10691 98 14878 13974 70 10.0 10.5 87 6367 5103 95 9795 8530 98 12749 11485 102 16173 14908 95 11.7 10.5 91 7343 5626 99 10948 9232 102 13979 12263 106 17122 15406 120 13.1 10.5 94 8236 6068 102 12084 9916 105 15335 13167 110 18786 16618 150 14.6 10.5 98 9323 6613 106 13271 10561 109 16702 13992 113 20434 17724 185 16.2 10.5 101 10246 6904 110 14387 11045 113 17934 14592 117 21818 18476 240 18.4 10.5 106 12431 8090 115 16770 12428 118 20473 16131 123 25546 21204 300 20.6 10.5 111 14009 8589 120 18604 13184 123 22454 17034 128 27685 22265 400 23.8 10.5 118 17169 9943 127 22107 14882 130 26195 18969 136 32036 24810 500 26.6 10.5 120 20388 11355 134 25642 16609 137 29918 20885 143 37194 28161 注:电缆近似重量为聚氯乙烯护套电缆重量主要技术性能序号技术性能额定电压Uo/U(kv)3.6/66/66/108.7/108.7/1512/2018/2021/3526/351 线芯直流电阻见下表2 局部放电试验(pc)1.5Uo 10 53 工频5min耐压试验(kv) 11 15 22 30 45 53 654 4h工频试验(kv) 14.4 24 34.8 48 72 84 1045 热延伸试验:载荷下最大伸长率冷却后最大永久伸长率175156 热冲击试验(加热到比长期工作温度高5o C)(+10次)kv60 75 95 125 170 200 2507 其它试验见GB12706-911.铜或铝导电线芯2.半导电内屏蔽交联聚乙烯绝缘3.半导电外屏蔽4.金属铜带屏蔽5.填充6.内衬层7.钢带铠装8.聚氯乙烯护套1.铜或铝导电线芯2.半导电内屏蔽3.交联聚乙烯绝缘4.半导电外屏蔽5.金属铜带屏蔽6.内衬层7.钢丝铠装8.铜丝9.聚氯乙烯护套6/10kv三芯交联聚乙烯绝缘电力电缆21/35kv单芯交联聚乙烯绝缘电力电缆线芯直流电阻20o C时直流电阻不大于(Ohm/km) 标称截面mm225 35 50 70 95 120 150 185 Cu 0.727 0.524 0.387 0.268 0.193 0.153 0.124 0.0991 Al 1.20 0.868 0.641 0.443 0.320 0.253 0.206 0.16420o C时直流电阻不大于(Ohm/km) 标称截面mm2240 300 400 500 630 800 1000 1200 Cu 0.0754 0.0601 0.0470 0.0366 0.0283 0.0221 0.0176 0.0151Al 0.125 0.100 0.0778 0.0605 0.0489 0.0367 0.0291 0.0247电缆的额定载流量3.6/6-12/20KV单芯交联聚乙烯绝缘电力电缆连续负荷载流量(A)型号YJV YJLV YJY YJLV排列方式三角形(相互接触)扁平形(相邻间距等于电缆外径)标称截面mm2敷设方式敷设方式在空气中直埋土壤中在空气中直埋土壤中Cu Al Cu Al Cu Al Cu Al25 140 110 150 115 165 130 160 120 35 170 135 180 135 205 155 190 145 50 205 160 215 160 245 190 225 175 70 260 200 265 200 305 235 275 215 95 315 245 315 240 370 290 330 255 120 360 280 360 270 430 335 375 290 150 410 320 405 305 490 380 425 330 185 470 365 455 345 560 435 480 370 240 555 435 530 400 335 515 555 435 300 640 500 595 455 765 595 630 490400 745 585 680 520 890 895 725 565 500 855 680 765 595 1030 810 825 650 630 980 790 860 680 1190 950 940 745 800 1100 910 950 765 1370 1100 1050 850 1000 1230 1030 1040 850 1540 1260 1170 950 1200 1320 1120 1100 910 1670 1380 1250 104018/20-26/35KV单芯交联聚乙烯绝缘电力电缆连续负荷载流量(A)型号YJV YJLV YJY YJLV排列方式三角形(相互接触)扁平形(相邻间距等于电缆外径)标称截面mm2敷设方式敷设方式在空气中直埋土壤中在空气中直埋土壤中Cu Al Cu Al Cu Al Cu Al50 220 170 215 165 245 190 225 17570 270 210 265 200 305 235 275 21595 330 255 315 240 370 285 330 255120 375 290 360 270 425 330 375 290 150 425 330 400 305 485 375 420 325 185 485 380 455 345 555 430 475 370 240 560 435 525 400 650 505 555 430 300 650 510 595 455 745 580 630 490 400 760 595 680 525 870 680 720 565 500 875 690 775 600 1000 790 825 645 630 1000 800 875 685 1160 920 940 740 800 1130 920 970 770 1330 1060 1060 845 1000 1250 1040 1060 860 1490 1210 1170 950 1200 1350 1130 1120 920 1620 1340 1280 1030不同温度下的载流量修正系数导体工作温度o C环境温度o C(空气中)10 15 20 25 30 35 40 45 5060 1.58 1.50 1.41 1.32 1.22 1.11 1.00 0.86 0.7365 1.48 1.41 1.34 1.26 1.18 1.09 1.00 0.89 0.7770 1.41 1.35 1.29 1.22 1.15 1.08 1.00 0.91 0.8180 1.32 1.27 1.22 1.17 1.11 1.06 1.00 0.93 0.8690 1.26 1.22 1.18 1.14 1.09 1.04 1.00 0.94 0.89105 1.22 1.19 1.15 1.11 1.08 1.04 1.00 0.95 0.91不同环境温度下的载流量修正系数导体工作温度o C 环境温度o C(土壤中)10 15 20 25 30 35 60 1.20 1.13 1.07 1.00 0.93 0.85 65 1.17 1.12 1.06 1.00 0.94 0.87 70 1.15 1.11 1.05 1.00 0.94 0.88 80 1.13 1.09 1.04 1.00 0.95 0.90 901.11 1.07 1.04 1.00 0.96 0.92不同土壤热阻系数下的载流量修正系数电压 (kv) 截面 mm 2 土壤热阻系数:PT (k-m/w) 0.81.0 1.2 1.5 353.6/6-6/6 <=35 50-150 >=185 1.061.081.09 1.00 1.00 1.00 0.95 0.94 0.93 0.88 0.87 0.85 0.80 0.77 0.76 6/10-12/15 <=35 50-150 >=185 1.051.061.07 1.00 1.00 1.00 0.95 0.94 0.93 0.89 0.88 0.86 0.80 0.79 0.77 12/20-26/35<=95 >=120 1.051.06 1.00 1.00 0.95 0.94 0.90 0.830.82 0.80聚氯乙烯绝缘电力电缆本产品适用于固定敷设在交流50HZ 额定电压1000V 及以下的输配电线路上。