模拟电子技术-北京科技大学
- 格式:ppt
- 大小:569.00 KB
- 文档页数:14
电子技术_北京科技大学中国大学mooc课后章节答案期末考试题库2023年1.电路中引入交流负反馈,可以改善哪些方面的性能?参考答案:稳定输出电压_增大输入电阻_稳定输出电流2.经过变压、整流、滤波后得到的直流电源波动已经很小了,为什么还要稳压,以下哪个说法不正确?参考答案:提供更大的功率3.优先编码器只允许任意时刻只有一个输入,如果输入端同时有多个输入信号,输出会出现错误。
参考答案:错误4.如果想把一个正弦波信号,转变为一个周期方波信号,可以使用(_____)电路。
参考答案:电压比较器电路5.某8为A/D转换电路,当输入电压为0.125V时对应的数字量为“00000001”的时候,当输入为21.75时,输出数字量为参考答案:101011106.放大电路中,主要的性能指标有(_____)。
参考答案:输入电阻_输出电阻_电压放大倍数7.如果要把一个周期方波信号转换为周期锯齿波信号,可以使用(_____)电路。
参考答案:积分电路8.电路如图所示,设晶体管的β=80,试分析当开关K分别接通A、B、C三位置时,判断三极管工作在输出特性曲线的哪个区域。
【图片】参考答案:当开关K置B,三极管工作在放大区_当开关K置C,三极管工作在截止状态_当开关K置A,三极管工作在饱和区9.两片74LS151八选一构成()选一数据选择器;参考答案:十六10.已知十进制计数器芯片74LS160为同步置数,异步清零,下图为()进制计数器【图片】参考答案:24进制11.单运放构成的差分放大电路属于特殊的加减运算电路()。
参考答案:正确12.基本反相比例运算电路,输入信号接在()输入端。
参考答案:反相13.直流稳压电源包含下列哪些部分?参考答案:滤波部分_变压部分_整流部分_稳压部分14.一个10进制计数器最少需要参考答案:4个触发器15.正弦波振荡电路中只有正反馈环节,而没有负反馈环节。
参考答案:错误16.3线-8线译码器74LS138,低电平有效,译码状态时,当输入A2A1A0=001时,确定输出【图片】参考答案:1111110117.一个四位二进制计数器最大可能的进制是参考答案:1618.在二进制译码器中,若输入有5位代码,确定最大的输出信号的个数。
第6章放大电路中的反馈一、选择题在输入量不变的情况下,若引入反馈后(),则说明引入的反馈是负反馈。
[北京科技大学2011研]A.输入电阻增大B.输出量增大C.净输入量增大D.净输入量减小【答案】D【解析】根据反馈的效果可以区分反馈的极性,使放大电路净输入量减小的反馈称为负反馈,反之为正反馈。
二、判断题1.放大电路引入深度负反馈,则Xi≈Xf。
()[北京科技大学2011研]【答案】√【解析】深度负反馈的实质是在近似分析中忽略净输入量,所以Xi≈Xf。
2.为了提高输入电阻,降低输出电阻,应当引入串联电流负反馈。
()[北京科技大学2011研]【答案】×【解析】为了提高输入电阻,可以采用串联负反馈,为了降低输出电阻,可以采用电压负反馈,因此采用串联电压负反馈。
三、计算分析题1.图6-1(a)、(b)所示为两个反馈电路。
试指出在这两个电路中,分别由哪些元器件组成了放大通路?哪些元器件组成了反馈通路?分别是何种反馈?设放大器是理想的运放,试写出电路的电压放大倍数的表达式。
[中山大学2003研](a)(b)图6-1解:(1)在图6-1(a)中,运放A l为放大电路,运放A2及R2为反馈通路。
由于当输出电压为零时A2的同向输入端大小为零,反馈为零,所以是电压反馈。
反馈端与输入端由同一端相连,故为并联反馈,此电路为电压并联负反馈。
因为放大器都为理想的运放,所以有虚断和虚短。
则有由上面的式子可以得到电压的放大倍数为(2)在图6-1(b)中,运放A l为放大电路。
运放A2、电阻R2和电阻R3组成反馈通路。
当输出为零时,反馈电压也为零,是电压反馈,反馈端与输入端从不同段影响输入,为串联反馈,此电路为电压串联负反馈。
因为放大器都为理想的运放,所以有虚断和虚短。
则有由上式可得,电压的放大倍数为2.一电流并联负反馈电路的交流通路如图6-2所示。
设R cl=5kΩ,R c2=5kΩ,R E2=1kΩ,R f=15kΩ,R s=5kΩ,βl=β2=50,r bel=r BE2=1kΩ,r CE=100kΩ,试求放大器的电压增益、输入电阻和输出电阻。
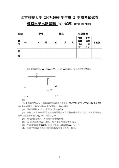
北京科技大学2007-2008学年第 2 学期考试试卷模拟电子电路基础(A) 试题(时间120分钟)班级学号姓名任课教师一、电路如图1所示。
ui =10sinwt (V),分析uo的波形。
设二极管是理想的。
图1二、电路如图2所示,已知晶体管的电流放大系数β=50,VBE=0.7V ,VCC=15V, RS=500Ω,Rb1=60KΩ,Rb2=24KΩ,RC=3KΩ,Re=3.6KΩ(1) 画直流通路(2分),求静态工作点(3分)。
(2) 如换上β为100的管子,放大电路的静态工作点将有什么变化(1分)? β对电路的电压放大倍数的影响大吗(1分)?为什么(1分)?(3) 如电容值足够大,画微变等效电路(3分)。
(4) 求电压放大倍数Av(3分)、输入电阻和输出电阻(2分)。
(5) 考虑信号源内阻RS时,求信号源电压放大倍数Avs(2分)。
(6) 电路中的直流负载线和交流负载线有什么关系(2分)。
图2三、什么是集成运算放大器(4分)?什么是零点漂移(2分)?产生零点漂移的主要原因是什么(2分)?衡量一个电路抑制零点漂移的能力的指标是什么(2分)?四、电路如图3所示,设运放是理想的,计算V0=?图3五、电路如图5所示,已知ui=12sinωt(V)。
当UR为-3V时,试求阈值电压(3分),画出电压传输特性(4分)和输出电压的波形(3分)。
图5六、电路如图6所示。
画交流通路(2分)。
用瞬时极性法判断反馈的极性,并将瞬时极性标在电路上(2分)。
若为负反馈,说明负反馈的类型(2分),假设为深度负反馈,计算此条件下放大倍数(4分)。
图6七、(图7(a) 是固定偏流放大电路,图7 (b)给出了BJT的输出特性曲线及交、直流负载线,试求:电源电压VCC ,静态电流IB ,IC ,管压降VCE的值。
(4分)电阻Rb ,Rc的值。
(2分)(3) 输出电压的最大不失真幅度。
(1分)(4)要使该电路能不失真地放大,基极正弦电流的最大幅值是多少?(1分)(5)若放大电路带有负载,请示意性地画出此种情况下的交流负载线。
2018年北京科技大学招收硕士研究生考试大纲817 《模拟电子技术与数字电子技术基础》考试大纲一、考试性质与范围《模拟电子技术与数字电子技术基础》是物理学专业硕士研究生入学统一考试的科目之一。
该门考试力求科学、公平、真实地反映考生对模拟电子技术和数字电子技术的基本概念及基本理论的掌握程度,考察考生对模拟及数字电路的基本分析与设计能力,展现考生综合运用所学相关电子技术知识分析解决有关问题的水平。
二、考试基本要求《模拟电子技术与数字电子技术基础》考试旨在考查考生对模拟电子技术及数字电子技术的基本理论、基本分析设计方法的掌握程度,并在考察考生基础理论知识掌握的基础上,注重考查考生运用电子技术基础知识分析问题、解决问题的能力。
三、考试形式与分值本试卷考试形式为闭卷、笔试,允许使用计算器,考试时间为180分钟;试卷满分为150分,题目由模拟电子技术和数字电子技术两部分组成,各占50%;题型主要有简答题、计算题、电路分析题、电路设计题等。
四、考试内容(一)模拟电子技术部分1.半导体器件基础1)掌握半导体二极管的工作原理。
2)熟练掌握半导体二极管的应用及电路分析。
3)掌握半导体稳压二极管的工作原理及使用方法。
4)掌握半导体三极管的工作原理及特性曲线;深刻理解半导体三极管的主要参数;掌握半导体三极管的正确使用方法。
2.基本放大电路1)正确理解放大电路的一般表示方法及其性能指标。
2)掌握三极管放大电路的基本组成及放大原理。
3)掌握放大电路的图解分析法。
4)熟练掌握放大器的微变等效电路分析法。
5)熟练掌握三极管放大器的三种基本组态的电路组成及特点。
6)掌握多级放大器的电路结构、特点及分析方法。
7)正确理解差动放大器的特点及工作原理。
8)正确理解功率放大器的特点和分类;掌握乙类、甲乙类互补对称功率放大器的工作原理;熟练掌握互补对称功率放大器性能指标的分析计算。
9)掌握三极管放大电路频率响应的基本概念;正确理解基本放大器的频率响应计算方法。
北京科技大学智能科学与技术专业建设情况从2021年国内开始招生至今,全国已有不少高校设立了智能科 学与技术专业。
我校是较早设置该专业的院校,于2021年在信息工 程学院设置其为第7个本科专业,并开始招生。
2021年9月,学生 进入相关专业课程的学习,第一届学生于2021年7月毕业。
日前, 该专业学生已经完成本科阶段的学习。
在专业开设过程中,我们完成的主要工作如下。
调研国内外相关院校智能科学与相关专业的培养目标和培养 形成智能科学与技术学科的知识体系和能力要求。
制定2010版智能科学与技术专业的教学大纲。
同时,在办学过程中,我们选择了脑科学与认知科学概论,人工 智能基础,微机原理及应用、课程设计(微机原理),可视化程序设计、 智能计算与应用四个课程组进行教学模式改革。
1首届毕业生知识结构因为是首届学生,我校大多数课程安排参考了国内兄弟院校的课 程设置,也参考了我校自动化专业的部分课程设置。
学生的知识结构 主要由5个方面组成,如图1所示。
1) 数理基础课程群:工科数学分析、高等代数、复变函数与积分 变换、概率与数理统计、数学实验、大学物理、物理实验、应用力学 基础、离散数学等。
2) 电工电子技术课程群:电路分析基础、电路实验技术、模拟电 子技术、模拟电子技术实验、数字电子技术、数字电子技术实验等。
3) 机电技术基础课程群:工程制图基础、程序设计基础、信号处 理、计算机网络、微机原理及应用、嵌入式系统、数据库技术及应用、 面向对象程序设计、现代检测技术、电机控制技术、现代通讯技术、 DSP 处理器及应用、机械设计基础等。
4)专业主干课程群:信息论与编码、控制工程基础、脑科学与认 1) ―r—t方'^K 。
2)知科学概论、人工智能基础、机器人组成原理、计算智能基础、模式识别基础、虚拟现实技术、智能控制及其应用。
5)实践创新课程群:计算机应用实践、雷子技术实习、MATLAB 编程与工程应用、Linux系统与程序设计、自动控制系统设计与实现、微机原理课程设计、嵌入式系统设计与实现、专业(生产)实习、毕业设计(论文)等。
附件3:课程教学大纲模版《电工技术实验》教学大纲课程编号:2050110开课院系:自动化学院课程类别:学科基础必适用专业:物流,机械,环境,安全等课内总学时:16学分:1实验学时:16设计学时:上机学时:先修课程:电工学执笔:韩守梅审阅:一、课程教学目的电工技术实验课是非电专业(冶金,机械,资源,应用,材料等学院各专业)的公共基础课。
具有很强的实用性。
通过本课程的学习实践使学生掌握电工技术的实验技能,提高运用有关知识去分析实验现象和解释实际问题的能力。
二、课程教学基本要求1.课程重点:仪器设备的正确使用、实验线路的正确连接、实验参数的正确测量、实验原理的正确理解。
2.课程难点:综合性实验的设计与实践。
3.能力培养要求:实验课要求学生提前按预习要求进行预习并写出预习报告,自学电路仿真软件,把虚拟仿真与实际操作进行有机结合。
实验由学生按一人一组独立完成实验,学生要写出完整的实验报告。
实验课教师要对学生在实验中出现的问题进行指导,培养学生分析实验现象和解决实际问题的能力;提高学生对电工技术设计水平和工程实践能力。
三、课程教学内容与学时电工技术实验实验一基尔霍夫定律、叠加原理、戴维宁定理 (4学时)实验二日光灯电路功率因数的提高(3学时)实验三三相交流电路及其功率测量(3学时)实验四三相异步电动机可编程控制器控制(4学时)考试(2学时)四、教材与参考书教材1. 刘蕴络、韩守梅编,《电工电子技术实验教程》,兵器工业出版社,2011年,第2版,TSBN 978-7-80248-574-72 秦曾煌编《电工学》上,出版社,2010年,第七版ISBN 978-7-04-026448-7五、作业(黑体小四)六、说明(黑体小四)《电子技术实验》教学大纲课程编号:2050113开课院系:自动化学院课程类别:学科基础必适用专业:物流,机械,环境,安全等课内总学时:16学分:1实验学时:16设计学时:上机学时:先修课程:电工学执笔:韩守梅审阅:一、课程教学目的电子技术实验课是非电专业(冶金,机械,资源,应用,材料等学院各专业)的公共基础课。
《数字电子技术(双语)》教学大纲课程编号:2050115开课院系:自动化学院电工电子技术系课程类别:学科基础必修适用专业:自动化、计算机、物理等课内总学时:48学分:3实验学时:0设计学时:0上机学时:0先修课程:高等数学、大学物理、电路分析基础、模拟电子技术执笔:尤佳审阅:刘蕴络一、课程教学目的该课程是电子电气信息类专业和物理类专业本科生在电子技术方面入门性质的基础课程。
通过学习该课程使学生学会数字电子技术方面的基本知识、基本理论和基本技能,掌握数字电路及其系统的基本分析方法和逻辑设计方法,能够使用标准的集成电路和至少一款EDA仿真软件。
通过双语学习,使学生掌握一定量的相关专业英语词汇,具有查阅相关英文文献的能力。
培养学生的综合与创新能力,为深入学习相关知识及其在专业中的应用打好基础。
二、课程教学基本要求1.课程重点:逻辑关系的各种描述方法及其相互转换;逻辑函数的化简;组合逻辑电路的分析和设计;使用MSI 译码器和数据选择器设计组合逻辑电路;典型触发器的逻辑功能及其描述方法;时序逻辑电路的分析和设计;使用中规模集成计数器(复位法和置位法)构成任意进制计数器。
2.课程难点:典型TTL、CMOS基本逻辑门电路(包括三态门、OC门)的主要外特性、主要参数和使用方法;使用MSI 译码器和数据选择器设计组合逻辑电路;触发器的工作原理与动作特点;同步时序逻辑电路设计方法;用中规模集成计数器构成任意进制计数器的方法。
3.能力培养要求:通过本课程的学习,学生将具有如下能力:会查阅数字电子技术方面的国内外相关专业资料;能够分析、阅读简单数字装置逻辑图;能够根据要求选用中小规模数字集成电路模块设计数字电路;能够使用至少一种EDA软件分析设计数字电路;能够与团队合作完成一个小型数字系统的设计。
三、课程教学内容与学时课堂教学(48学时)1.导言以及数制和码制(2学时)1.1建立数字的概念1.2掌握二进制、十六进制数及其与常用十进制数的相互转换1.3掌握8421编码,了解其他常用编码2.门电路(4学时)2.1了解半导体二极管、三极管和MOS管的开关特性2.2了解TTL、CMOS门电路的组成和工作原理2.3掌握典型TTL、CMOS基本逻辑门电路(包括三态门、OC门)的功能、主要外特性、主要参数和使用方法2.4了解ECL等其他逻辑门电路的特点3.逻辑代数基础(4学时)3.1掌握逻辑代数中的基本定律和定理3.2熟练掌握逻辑关系的各种描述方法及其相互转换3.3掌握逻辑函数的化简方法3.4理解最小项、无关项等基本概念4.组合逻辑电路(10学时)4.1熟练掌握组合逻辑电路的特点、分析方法和设计方法4.2掌握编码器、译码器、加法器、数值比较器和数据选择器等常用中规模集成组合逻辑电路的逻辑功能及使用方法4.3了解组合逻辑电路中的竞争冒险现象及其消除方法5.触发器(4学时)5.1理解基本RS触发器的电路结构、工作原理及动态特性5.2熟练掌握典型触发器的逻辑功能及其描述方法5.3了解典型时钟触发器的电路结构及触发方式6.时序逻辑电路(12学时)6.1熟练掌握时序电路的特点、描述方法和分析方法6.2掌握计数器、寄存器等常用时序电路的工作原理、逻辑功能及使用方法6.3掌握同步时序电路的设计方法6.4掌握使用中规模集成计数器构成任意进制计数器的分析、设计方法7.脉冲的产生和整形电路(3学时)7.1了解脉冲信号参数的定义7.2理解施密特触发器、单稳态触发器和多谐振荡器的工作原理、逻辑功能及使用方法7.3了解555定时器的结构和工作原理7.4掌握555定时器的应用8.半导体存储器及可编程逻辑器件(3学时)8.1了解MOS存储单元的基本工作原理8.2理解ROM、RAM电路结构、工作原理8.3掌握扩展存储容量的方法8.4理解用ROM实现组合逻辑函数的方法8.5理解可编程逻辑器件的基本工作原理8.6了解PAL、GAL、CPLD和FPGA的特点及电路结构9.A/D和D/A转换电路(3学时)9.1了解A/D、D/A转换的过程9.2理解常见的A/D和D/A转换器的电路组成、工作原理、特点及应用9.3了解A/D、D/A转换器的功能及主要参数10.数字系统设计与EDA工具应用(3学时)10.1了解数字系统的基本组成及设计方法10.2了解一种硬件描述语言10.3掌握一种EDA工具的使用方法四、教材与参考书教材1. Thomas L. Floyd著,余璆改编,《数字电子技术》,电子工业出版社,2011年,第十版参考书1. 阎石编,《数字电子技术基础》,高等教育出版社,2006年,第五版2. 康华光主编,《电子技术基础——数字部分》,高等教育出版社,2006年,第五版3. James Bignell & Robert Donovan 著,《Digital Electronics》,机械工业出版社,2003年,英文版,原书第四版4.Charles H. Roth 著,《Fundamentals of Logic Design》,机械工业出版社,2001年,英文版,原书第五版五、作业本课程的作业分成两大类。
北京科技大学2011年硕士学位研究生入学考试试题=============================================================================================================试题编号: 817 试题名称:模拟电子技术与数字电子技术基础(共10页)适用专业:物理电子学说明:所有答案必须写在答题纸上,做在试题或草稿纸上无效。
=============================================================================================================一、(23分)选择填空,将正确答案写在答题纸上。
1.二极管的主要特点是具有()。
A 电流放大作用B 单向导电性C 稳压作用2.电路如图1,设 D Z1的稳定电压为 6 V,D Z2的稳定电压为 12V,设稳压管的正向压降为 0.7 V,则输出电压U o等于()。
图1 第2题图A. 18V; B 6.7V;C 12.7V; D 6V3.微变等效电路法适用于放大电路的()。
A 动态分析B 静态分析C 静态和动态分析4.对图2所示电路的描述,正确的是()。
A 可以构成复合管,等效成NPN管;B 可以构成复合管,等效成PNP管;C 不能构成复合管图2 第4题图5.图3电路中,电阻R E的作用是()。
图3 第5题图A 仅对共模信号起负反馈作用;B 仅对差模信号起负反馈作用;C 对共模、差模信号都起负反馈作用;D 对共模、差模信号都无负反馈作用;6.集成运放电路采用直接耦合方式是因为()。
A 可获得很大的放大倍数B 可使温漂减小C 集成工艺难于制造大容量电容7.直接耦合放大电路在高频时,其放大倍数与中频时相比会()。
A 增大B 降低C 不变8.在输入量不变的情况下,若引入反馈后(),则说明引入的反馈是负反馈。
模拟电子技术_北京科技大学中国大学mooc课后章节答案期末考试题库2023年1.与甲类功率放大方式比较,乙类OCL互补对称功放的主要优点是________。
答案:效率高2.设变压器二次电压有效值为,单相桥式整流电容滤波电路输出电压平均值≈________。
答案:1.23.电路如图所示,则电路的振荡频率_________。
答案:4kHz4.在如图所示电路中,已知电源电压,,和管的饱和管压降,输入信号,则该电路的最大不失真输出功率_________。
答案:12.5W5.在放大电路中,高频段放大倍数降低是由于_________的影响造成的。
答案:半导体管极间电容和分布电容6.在输入量不变的情况下,若引入反馈后_________,则说明引入的反馈是负反馈。
答案:净输入量减小7._________运算电路可实现函数Y=aX1+bX2+cX3,a、b和c均小于零。
答案:反相求和8.已知某共射放大电路的波特图如图所示,则电路的电压放大倍数的表达式=_________。
答案:9.图示电路中引入_________负反馈。
答案:电压并联10.图示电路输出电压与输入电压的运算关系式是_________。
答案:11. 二极管的正向特性随温度升高 。
答案:左移12.测量放大电路中某三极管各电极直流电位分别为12V,11.3V,0V,则此三极管为。
答案:PNP硅管13.下列哪个选项是电流源电路不能实现的功能。
答案:提供交流信号14.基本共集放大电路的特点是。
答案:电流放大倍数大于1输入电阻高,且与负载有关电压放大倍数小于1且近似等于1输出电阻小,且与信号源内阻有关15.图中所示电路,已知晶体管的b=80,r be=1kΩ,放大电路输入电压为20mV;静态时U BEQ=0.7V,U CEQ=4V,I BQ=20μA。
下列结论正确的是。
答案:16.只要引入正反馈,电路就会产生正弦波振荡。
答案:错误17.功率放大电路有功率放大作用,电压放大电路只有电压放大作用而没有功率放大作用。
北京市教育委员会关于公布2013年北京高等教育精品教材、经典教材评审结果的通知文章属性•【制定机关】北京市教育委员会•【公布日期】2013.10.31•【字号】京教函[2013]524号•【施行日期】2013.10.31•【效力等级】地方规范性文件•【时效性】现行有效•【主题分类】教育综合规定正文北京市教育委员会关于公布2013年北京高等教育精品教材、经典教材评审结果的通知(京教函〔2013〕524号)各高等学校:为进一步加强高等教育教材建设工作,更好地保证高等学校对高水平教材的需求,提高人才培养质量,根据市教委《关于2013年北京高等教育精品教材申报与经典教材推荐的通知》(京教函〔2013〕121号),市教委组织了2013年北京市高等教育精品教材、经典教材评审工作。
经专家评审,我委确认北京大学《经济学教程---中国经济分析(第二版)》等406项为2013年北京高等教育精品教材,清华大学《模拟电子技术基础(成套)(第四版)》等14项为2013年北京高等教育经典教材。
现将评审结果予以公布(同时公布在市教委高教处网页http://),并将有关事项通知如下:一、2013年评出的精品教材、经典教材继续执行市教委教材管理的相关规定。
高等学校要进一步加强对学校教材建设工作的统筹和管理。
市教委将适时组织检查落实情况。
二、市教委向北京高等教育精品教材、经典教材的主编颁发证书。
三、根据京教函〔2013〕121号文件精神,对相关高等学校项目的资助应在年度预算中予以保障。
2013年北京高等教育精品教材每项资助5000元,经典教材每项资助5万元用于建设。
市属高等学校的建设经费纳入学校年度预算,中央部委高等学校的建设经费纳入共建经费管理。
四、各精品教材、经典教材主编所在单位和出版单位应充分利用信息网络系统和渠道,不断加大对北京高等教育精品教材、经典教材的宣传和推荐,不断提高高等教育教材建设水平,更好地满足教学需求,使精品教材、经典教材在高等学校人才培养中发挥更大作用。
北科大02级电子信息工程022电子信息工程专业培养方案Undergraduate Program of the Major of Electronic and Information EngineeringⅠ.专业介绍Introduction本专业建设依托电气工程学院(前身为创办于1949年7月的电机系)。
1986年,按照“培养与电气工程学科发展相配合的信息技术专门人才”的设想,由钱清泉教授(1997年当选中国工程院院士)领衔创办了应用电子技术专业,并于1988年开始招收本科生。
同期,由著名信息科学专家靳蕃教授负责创办了信息工程专业。
1999年专业调整,应用电子技术专业与信息工程专业合并,发展为现在的电子信息工程专业。
The construction of the major relies on the School of Electrical Engineering (formerly the Department of Electrical Machinery, founded in July 1949). In 1986, in line with the original idea of "training information technology professionals in line with the development of electrical engineering discipline", Professor Qian Qingquan (elected academician of Chinese Academy of Engineering in 1997) founded the major of Applied Electronic Technology, and began to recruit undergraduates in 1988. In the same period, Professor Jin Fan, a well-known expert in information science, was responsible for the establishment of the specialty of Information Engineering. In 1999, the specialty of Applied Electronic Technology and Information Engineering were merged and developed intothe present specialty of Electronic Information Engineering.专业代码:080603Program Code: 080603专业名称:电子信息工程Program Name: Electronic and Information EngineeringⅡ.培养目标 Objectives以培养社会主义建设者和接班人为根本任务,着力培养走在社会发展和经济建设前列,服务电子信息工程领域发展,胜任该领域产品开发设计、工程科学研究、生产组织管理、设备维护革新等方面工作,具有国际视野和轨道交通特色的高素质创新人才。
电子技术实习报告学院:自动化学院专业:测控技术与仪器班级:测控xx姓名:xxxx学号:xxxx团队成员:2014年11月21号目录一、实习目的 (3)二、元器件表 (3)三、实习方法 (4)四、实习内容 (8)五、实习总结 (12)六、思考题解答 (13)一、【实习目的】1。
通过运用模拟电路和数字电路的知识,熟悉电路分析基本过程.2。
熟练使用万用表、示波器、信号发生器、实验电源等电子电工的基本工具,注意安全用电。
3。
学习并熟练掌握protel等绘图软件。
4。
学习和掌握电子制作工艺流程,如加工、焊接、调试,提高动手实践能力,培养理论联系实际的能力,提高分析解决问题的能力。
5。
运用所掌握的技能,采用分立元件和一个运算放大器制作一套高保真音响系统.二、【元器件表】三、【实习方法】1.电路原理简要分析分析过程:(1)总结起来有四大模块,如下图:A.前置放大级电路分析:电路功能:放大电路原始信号。
由T1和R1、R2、R3组成的第一级阻容耦合共射放大电路,放大倍数在10倍以上.三极管9012组成的第二级放大电路,放大倍数在10倍以上。
共放大100倍以上的放大倍数,然后通过R5的调节,引入后面运算放大器的输入端。
B。
电压放大级电路分析:电路功能:由运算放大器和R6、R7组成的负反馈放大电路,主要完成电压的放大。
C.互补输出级电路分析:电路功能:防止交越失真.D。
功率放大级电路分析:电路功能:使用甲、乙类互补对称功放电路,实现功率放大,驱动音响设备。
总的来讲,前置放大级提供了合适的静态工作点,为集成运放电压放大以及功率放大奠定了基础,而电压放大级主要利用了集成运放的放大作用,互补输出级主要是为了防止交越失真,最后的功率放大模块实现功率放大,用来驱动音响设备。
(2)部分主要元器件的作用分析:①C1(4.7uF):主要起到去除输入信号的直流部分。
②R1(2.2M):为第一级放大提供基极电流,提供合适的静态工作点③R2(20K):起到电压负反馈的作用④R3(0.1K):起到电流负反馈的作用,抑制三极管进入饱和区⑤R8(0。