智能控制器使用手册
- 格式:doc
- 大小:2.75 MB
- 文档页数:40
德力西ECW-H智能控制器使用说明书
一、主机上电显示主界面:
1、按面板上的向左键进入运行界面
2、按面板上的向上键进入参数设定界面。
3、按面板上的向右键进入备用泵选择界面
二、参数设置界面:
1、按面板上SET键,进行参数设置,换行。
2、按面板上的上、下、左、右键进行数值修改。
3、每改完一个参数按下面板、上的确定进行保存。
三、备用泵选择界面:
1、按上、下、左、右进行备用泵选择,切换型的,后面有文字进行同步显示。
四、运行界面:
1、按面板上的启动键启动控制器,按停止键,停止控制器。
2、按面板上的设置键SET进行手动自动切换。
当用电器的负载大于1320W,不可以直接接在定时开关控制器上,需要添加交流接触器。
1、把空气开关和控制器关接上。
2、把大功率电器和交流接触器线接上,大功率电器的火零线接到交流接触器的T1和T2。
3、空气开关的火零线连接交流接触器的L
1、L2上。
4、定时开关的火零线连接交流接触器的A
1、A2上。
定时开关控制器怎么调时间?
1、打开手机蓝牙,扫描开关上的二维码,进入小程序。
2、输入密码后(蓝牙连接成功,自动校时)。
3、点击添加定时,设置好自己需要的时间。
4、点击保存发送。
机器人智能控制器的说明书一、简介机器人智能控制器是一种高性能的控制装置,可用于控制各类机器人的运动和操作。
本说明书将详细介绍机器人智能控制器的功能和操作方法,以帮助用户正确使用和了解该控制器。
二、技术参数1. 控制方式:智能控制算法2. 输入电压:220V 50Hz3. 输出电流:最大输出电流为10A4. 通讯接口:支持RS485、Ethernet等多种通讯方式5. 控制精度:角度误差小于0.1°6. 控制范围:适用于各类机器人的姿态调整和动作控制三、功能介绍1. 姿态控制:机器人智能控制器可以通过对机械臂和关节的控制,实现机器人的各种姿态调整。
用户可以通过输入指令或者外部传感器来调整机器人的姿态,控制器将根据指令进行精确的控制,并及时将结果反馈给用户。
2. 动作控制:机器人智能控制器支持多种动作模式,用户可以通过编程或者手动控制实现机器人的各种动作。
控制器提供了丰富的API和函数库,使得用户可以根据实际需求来编写自定义的动作控制程序。
3. 传感器集成:控制器内置了多种传感器接口,可以与各类传感器进行连接,如视觉传感器、力传感器等。
通过传感器的数据反馈,控制器可以实时感知机器人的工作环境,并做出相应的控制调整。
4. 多机器人协同:机器人智能控制器支持多机器人协同工作。
用户可以通过网络通讯或者RS485总线实现多台机器人之间的通讯与协调,提高工作效率和灵活性。
四、操作说明1. 电源接入:将机器人智能控制器的电源线插入220V交流电源插座,并确保电源稳定。
2. 硬件连接:根据机器人的不同类型,将机器人与控制器通过适当的接口进行连接。
确保连接稳定可靠。
3. 编程配置:根据具体应用需求,编写控制程序并上传到控制器。
通过控制器提供的开发工具和API,用户可以自由地编写和修改相应的控制逻辑。
4. 运行控制:启动机器人智能控制器,并根据需要选择相应的控制模式。
可以通过控制器上的按钮或者远程控制软件来实现机器人的姿态和动作调整。
ST45-M系列智能控制器说明书一、用途:ST45-M系列智能控制器是智能框架式断路器配用的核心控制元件,该控制器可以显示设备或电网的工作电流、工作电压(带电压显示型),并根据负载电流的大小分别实现各种保护,使线路和电源设备免受过载、短路、接地等故障的危害。
按约定的保护方式断开控制回路,精度高、可靠性好,还有负载监控、故障报警、故障查询、在线试验、现场编程、密码设定等辅助功能。
二、符合标准本产品符合GB/T 14048.1-2000《低压开关设备和控制设备总则》和GB14048.2-2001《低压开关设备和控制设备低压断路器》,同时符合IEC60947-2《低压开关设备和控制设备第二部分低压断路器》的要求三、主要功能■过电流保护功能△过载长延时保护功能△短路反时限保护功能△短路定时限保护功能△短路瞬时保护功能△接地电流保护:三极产品接地电流保护可关断,四极产品接地电流保护与零序电流保护可选择其一。
△零序电流保护四极产品具有零序电流保护功能,该功能可以选择关断。
△各种保护的优先级如下:短路瞬时保护→定时限保护→长延时保护→接地保护→零序保护■负载监控功能:有方式一和方式二两种监控方式:使用方式一时,当负载电流大于监控设定电流时,一对触点闭合,用户可使用这对触点切除不重要负荷;如电流继续维持在大于监控电流状态,则又一对触点闭合,用户使用该触点再切除一部分负荷,达到监控电流的目的。
使用方式二时,当负载电流大于监控设定电流时,一对触点闭合,用户使用这对触点切除不重要负荷;如电流继续维持在大于监控电流状态,则又一对触点闭合,用户使用该触点再切除一部分负荷,此后如经过一段时间延时后,负载电流降到监控电流以下,则另外一对触点将使已切除的负载重新投入工作,达到电流监控的目的。
■欠压保护功能:如选择带电压显示型控制器,用户可以选择是否使用欠压保护功能,当选择该功能时,可通过控制器本身实现对电路三相端电压的欠压控制。
新风系统智能控制器说明书(三速)一、概述新风系统智能控制器能够实时监测室内温度、CO 2浓度,控制器输出信号直接控制新风机的启动及转速,可广泛应用于住宅、商业及工业场合,并且能有效改善空气品质,创造健康、舒适、高效、环保、节能的生活工作环境。
二、按键功能说明1、键:定时参数设定2、键:参数上调键3、键:参数下调键4、键:设置控制器工作模式,轻按该键控制器在“AUTO(自动)-MANUAL(手动)-TIMER(定时)-关机”状态循环切换。
三、显示说明四、详细说明1、AUTO(自动模式):高速:CO 2浓度超过设定浓度值300ppm;中速:CO 2浓度超过设定浓度值100ppm;低速:CO 2浓度超过设定浓度值;停止:CO 2浓度低于设定浓度值2、MANUAL(手动模式):通过和键可设置风机工作于OFF(停止)、LOW(低速)、MED(中速)、HIG(高速)状态,在该模式下,风机将以设置状态运行,不受CO 2浓度的影响。
3、TIMER(定时模式):按设定时段及风速运行,可设定星期一至星期天,每天4段,共计28个时段。
4、自动模式风机启动浓度值设定:在自动模式下,长按或键1秒,CO 2浓度显示设定值并闪烁,通过和键可以整浓度,调整范围为350—600ppm。
在设置过程中超过10秒钟未操作按键,控制器将自动恢复至正常工作状态并保存设置参数。
5、定时参数设定:长按键2秒进入定时参数设置,首先进入本地时间校正,通过轻按键切换周、小时、分钟,相对应的参数会闪烁,通过和键修改数值;本地时间校正完后,轻按键进入周一时段一的小时设定,通过轻按键切换小时、分钟、风速,通过和键修改数值;设定完成后轻按键进入周一时段二设定……,重复前面步骤直到28个时段全部设置完成。
在设置过程中超过10秒钟未操作按键,控制器将自动恢复至正常工作状态并保存设置参数。
浓度低于500ppm绿色背光,500-799ppm黄色背光,800ppm以上红色背光。
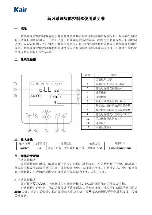
新风系统智能控制器使用说明书一.概述新风系统智能控制器适用于对家庭及公共场合新风系统风机的智能控制,控制器分别设有手动及自动风量调节(三档)功能,时间及室内温度显示,滤网使用时间提醒。
自动控制功能可以设定每周7天,每天4时段运行状态,每个时段可以根据需要设定新风系统启闭或风量。
新风系统智能控制器根据具体情况灵活控制新风系统风机运转速度,实现既节能环保又能保持室内良好空气品质。
二.显示及按键符号 内容1当前星期状态2本地时间24小时制显示3自动运行模式状态显示4设置选择5风量切换6开关(设置状态时:确认)7数字减少或向后选择设置参数8数字增加或向前选择设置参数9自动运行模式:正在运行时段10手动运行模式状态显示11风量显示12环境温度显示三.技术参数输入电源 功率消耗 时段数量 输出方式 外形尺寸A C220V1w每天4时段,每周最多28时段 继电器 ≤1A86m m×86m m×14m m四.操作设置说明1.手动运行模式控制器接通电源后,液晶屏显示温度、时间、星期状态,约五秒后按开关键,液晶屏出现风量图标及手动运行模式图标,风量默认为中。
按风量切换键,可依次在高、中、低风量间进行切换,对应的风量图标的风量显示条分别为3条、2条、1条。
2.自动运行模式同时按下▽及△键,控制器进入自动运行模式,液晶屏显示自动运行模式图标。
自动运行时段设定:自动运行模式下连按两次按设置选择键,液晶屏自动运行模式图标A U T O闪烁,进入时段设定。
这时星期状态图标闪烁,按▽或△选择你要设定星期状体,按开关键确认。
星期状态确认后,自动进入这一天第1时段设定,这时液晶屏运行时段标显示1,时间的小时数字闪烁,按▽或△选择你要设定的时间,按开关键确认;小时确认后,自动进入分钟设定,这时时间的分钟数字闪烁,按▽或△选择你要设定的分钟,按开关键确认;时间设定确认后,自动进入风量设定,这时风量图标闪烁,按▽或△选择你要设定的风量(风量图标中无风量条表示关闭),按开关键确认,第一时段设定完毕,并自动进入第二时段设置。
智能家居控制器用户手册【注意事项】1. 在使用智能家居控制器之前,请确保已经正确连接了电源,并且设备处于正常工作状态。
2. 本手册适用于智能家居控制器型号为X-100的用户,请确认您所拥有的型号与本手册相符。
3. 请阅读本手册前仔细阅读并理解产品安全须知,确保您的安全使用。
【1. 开始使用】智能家居控制器是一款联网设备,能够通过智能手机或者平板电脑等终端进行远程控制。
在开始使用之前,请按照以下步骤进行设置:1.1 下载并安装应用程序1. 打开应用商店或者搜索引擎,搜索“智能家居控制器”应用。
2. 找到并下载适用于您的设备的应用程序。
3. 安装应用程序并根据提示完成初始化设置。
1.2 连接智能家居控制器1. 将智能家居控制器插入电源,并确保灯光指示器显示正常。
2. 打开应用程序,并按照应用程序提示操作,连接智能家居控制器与移动设备的网络。
【2. 功能介绍】智能家居控制器提供以下功能,让您可以方便地操控家居设备:2.1 远程控制智能家居控制器支持远程控制功能,您可以通过手机或者平板电脑等移动设备,在任何时间、任何地点对家居设备进行控制。
无论您是外出办公还是正在度假,只要连接互联网,即可实现对灯光、温度调节、安全系统等的远程监控和控制。
2.2 定时任务智能家居控制器支持定时任务设置,您可以按照自己的习惯和需求,制定定时开关灯、定时调节温度等任务。
通过设定定时任务,您可以享受到更便捷的家居生活,例如在您醒来前提前打开暖气,或者在您回家前通过远程控制打开门锁等。
2.3 情景模式智能家居控制器支持情景模式设置,您可以根据不同场景,灵活切换不同的设备状态。
例如,通过设置“回家模式”,您可以一键实现打开家门、调整室内温度、开启灯光等多个设备同时操作,让您的居家环境变得更加舒适和便捷。
【3. 使用说明】智能家居控制器操作简单易懂,以下是使用说明的细节:3.1 设备控制通过应用程序主界面,您可以选择需要控制的设备,例如灯光、温度控制、音响等。
智能照明控制器的设置指南说明书概述:智能照明控制器是一个多功能设备,可实现各种照明场景的自动化控制。
本说明书旨在帮助用户了解并正确设置控制器。
1. 控制器的安装控制器应安装在通风良好、温度适宜的室内环境。
在安装控制器时,应先关闭照明开关并断开电源。
将控制器的输入端与市电连接,输出端与照明灯具相连。
务必确保连接正确,以免因反接等操作导致的设备损坏。
2. 控制器的设置通过连接控制器的配套手机APP或者网页控制端,用户可以进行多种设置。
以下是常见的设置方法:2.1 灵敏度设置用户可以设置照度灵敏度和动作灵敏度,以达到不同的自动控制效果。
视环境需要进行合理的设置,免得误闪或未闪。
2.2 定时设置用户可以通过设置时间、日程表等方式,使控制器能够在设定的时间内自动开启或关闭某灯具。
比如在夜间自动关闭部分灯光,早晨自动开启厨房的灯具等。
2.3 场景设置用户可以将多个相同或不同的灯具分为不同的场景,然后通过命令或者手机APP进行快速切换。
比如设置一键“观影模式”,可以快速关闭走廊、厨房等灯光的同时,打开主卧的柔光灯。
3. 控制器的注意事项为了使控制器能够正常工作且使用寿命更长,用户需注意以下事项:3.1 注意电源稳定请将控制器和灯具连接的电源保持稳定,在供电电压波动大的地方请设置稳压器,免得影响设备寿命并降低性能。
3.2 定期检查请用户在使用一段时间后定期检查控制器的连接是否正常、灯具、散热器是否存在脱落、变形、老化等问题,如发现问题请及时更换。
3.3 谨慎操作请用户谨慎操作,避免误操作及恶意攻击造成设备损坏,同时请勿将控制器拆开进行维护。
结论:智能照明控制器是实现自动化照明控制的重要设备,用户可以根据自身需要进行合理的设置。
在设置及使用控制器时,请用户严格按照说明书进行,以免影响设备使用寿命并造成人身财产损失。
USER MANUAL OF SMART CONTROLLER Read themanual carefully before installing or connecting your Smart Kit (Wireless Module). Make sure to save this manual for future reference.IMPORTANT NOTE:QR CODEDECLARATION OF CONFORMITYHereby, we declare that this AC is in compliance with the essential requirements and other relevant provisions of Directive 2014/53/EU.A copy of the full DOC is attached.1.Model: EU-OSK103Standard: IEEE 802. 11b/g/nAntenna Type: Printed PCB Antenna Frequency: WLAN 2400~2483.5 MHz Operation Temperature: 0ºC~45ºC/32ºF~113ºF Operation Humidity: 10%~85%Power Input: DC 5V/300mAMaximum Transmitted Power: 19.8dBm Max∙Applicable system: iOS, Android.(iOS 8.0 or above, Android 6.0 or above)-Please keep your APP up to date with thelatest version.-Due to some situations, we affirm: Not allAndroid and iOS systems are compatiblewith the APP. We will not be liable for anyissue as a result of the incompatibility.∙Wireless Safety StrategySmart kit only supports WPA-PSK/WPA2-PSKencryption and none encryption.WPA-PSK/WPA2-PSK encryption isrecommended.Due to different network situation, control process may time-out in some occasions. If this situation occurs, the display between board and APP may not be the same, please don’t get confused.Smart phone camera needs to be 5 million pixels or above to scan the QRcode sufficiently.Request time-out could happen due to different network situation. Hence,it is mandatory to do networkconfiguration once again.The APP system is subject to update without prior notice due to someproduct function improvement. Theactual network configuration processmay slightly be different from themanual, so, the actual process shallprevail.Wi-Fi signal must be strong in order for the Air-conditioning unit to workproperly. If Wi-Fi signal is weak in theroom wherein the AC unit is placed,usage of repeater is advised.3.The following QR code is only available for DOWNLOADING the app.Android iOS∙For Android Phone users: scan Android QR code or go to google play then search“NetHome Plus” app and download it.∙For iOS users:scan iOS QR code or go to App Store then search “NetHome Plus”app and download it.1.Remove the protective cap of the SmartKit (wireless module)2.Open the front panel and insert the SmartKit (wireless module) into the reservedinterface.3.The QR code packed with Smart Kit(wireless module) is attached to the sidepanel of the machine to ensure that it willbe scanned by the mobile phone. Otheroption is to take the picture of the QRcode and save it to their phone. It is alsoavailable on the front page of the usermanual.This interface is only compatible with Smart Kit (Wireless Module) provided by the manufacturer.5. USER REGISTRATIONPlease ensure your mobile device is connected to the Wi-Fi router. The wirelessrouter must be connected to the internet before doing the registration and network configuration.It is better to log-in your email on the box and activate your account by clicking the link in case you forget your password. You can also log in using the Third Party applications (Facebook & Twitter)NOTE:For iOS users, you will receive a verification e-mail with the attached link in your registered e-mail address while for Android users, you can already log in after registration.6.∙It is necessary to forget any other network which is around the premises and make sure your device is connected to the wireless network you want to configure.∙Make sure your device’s wireless function works well and can be connected back to your original wireless network automatically.֍Using Android device to do networkconfiguration1.Make sure your mobile device hasalready been connected to thewireless network which you wish to use.Also, you need to forget other irrelevantwireless network in case it influencesyour configuration process.2.Disconnect the power supply of AC.3.Connect the power supply of AC andcontinuously press the “LED DISPLAY” or“DO NOT DISTURB” button seven timesin 10 seconds.4.When the AC displays “AP”, it meansthat the AC wireless has alreadyentered into “AP” mode.Some type of AC does not need step 2 to be in AP mode.NOTE:The user must finish all the steps within 8 minutes after powering on the AC or else you will have to reset and go back again to step 1.(SCAN THE QR CODE METHOD)(MANUAL SETUP METHOD)1. Make sure yourmobile device isalready connected to the wireless network you want to use. Also, you need to forget all irrelevant wireless networks in case it influences you configuration process.2. Disconnect the power supply of AC (some units).3. Connect the power supply of AC and continuously press the “LED DISPLAY” button or “DO NOT DISTURB” button seven times in 10 seconds.4. When the AC displays “AP”, it means the AC wireless has already entered into “AP” mode.The user must finish all the steps within 8 minutes after powering on the AC or else you will have to reset and go back again to step 1.֍ Using iOS device to do network configuration(SCAN THE QR CODE METHOD)(MANUAL SETUP METHOD)When finishing network configuration, app will display success cue words on thescreen.Due to different internet environment, it is possible that the device status still displays“offline”. If this situation occurs, it isneeded to pull and refresh the device liston the app and make sure the devicestatus becomes “online”. Alternatively,user can turn off the AC power and turn iton again and then the status will become“online” after a few minutes.Please ensure both your mobile device and air conditioner is connected to the internet before using the app to control the air conditioner via internet.Not all function of the app is available on air conditioner. Example: ECO, Turbo, Swing function. Please check the user manual for more information.It Includes: Timer on, Timer off, 8ºC Heat, Sleep, Check and 4 way air direction.If the air conditioner does not support the above function, it will not be shown on the function list.Weekly, the user can make an appointment to turn on or turn off AC on a specific time. User can also choose circulation to keep the AC under schedule control every week.The user can let the AC run under 8ºC heat by one click. When people go outside, this function can protect your furniture from frost damage. (NOTE: THIS FUNCTION MAY NOT BE AVAILABLE TO ALL UNITS)Theuser can customize their comfortable sleep by setting target temperature.The user can simply check the AC running status with this function. When running this procedure, it can detect the normal items, abnormal items and detailed information.The air conditioner can be controlled by multi-users at the same time by “Share device” function.IC: 1 257 5A-MD NA 15This device complies with Part 15 of the FCC rules and industry Canada’s license-exempt RSS’s.Operation is subject to the following two conditions:1.This device may not cause interference;and2.This device must accept any interference,including interference that may causeundesired operation of the device.Only operate the device in accordance with the instructions supplied.Changes or modification to this unit not expressly approved by the party responsible for compliance could void the user’s authority to operate the equipment.This device complies with FCC radiation exposure limits set forth for an uncontrolled environment. In order to avoid the possibility of exceeding the FCC radio frequency exposure limits, human proximity to the antenna shall not be less than 20 cm (8 inches) during normal operation.This equipment has been tested and found to comply with the limits for a Class B digital device, pursuant to part 15 of the FCC rules. These limits are designed to provide reasonable protection against harmful interference in a residential installation. This equipment generates uses and can radiate radio frequency energy and if not installed and used in accordance with the instructions, it may cause harmful interference to radio communications. However, there is no guarantee that interference will not occur in a particular installation. If this equipment does not cause harmful interference to radio or television reception, which can be determined by turning the equipment off and on, the user is encouraged to try to correct the interference by one or more of the following measures:--Reorient or relocate the receiving antenna.--Increase the separation between the equipment and receiver.--Connect the equipment into an outlet on a circuit different from that to which the receiver is connected.--Consult the dealer or an experienced radio/TV technician for help.Company will not be liable for any issues and problems caused by internet, wireless router and smart devices. Please contact the original provider to get further help.CS374U-APP-(OSK103)-B16110800000329KPII20190731。
智能控制器的说明书引言本说明书为智能控制器的用户提供了关于该控制器的使用、设置和维护方面的信息。
请仔细阅读本说明书,以便正确地使用该控制器。
产品概述智能控制器是一种高端、多功能的设备,可用于控制和监测各种设备。
该控制器采用最先进的技术,可在几秒钟内完成大量的计算和决策,并以每秒数次的速度执行相关操作。
同时,该控制器具有人性化的用户界面和易于操作的功能。
特点与功能智能控制器具有以下特点和功能:1. 高处理速度:该控制器采用最先进的处理器和计算技术,可以在几秒钟内完成大量的计算和决策。
2. 高可靠性:该控制器采用先进的技术和材料,具有较高的耐用性和可靠性。
3. 易于使用:该控制器具有人性化的用户界面和易于操作的功能。
4. 多功能性:该控制器具有多种功能,可用于控制和监测多种设备。
5. 节能环保:该控制器具有节能环保的功能,可帮助用户减少能源消耗和环境污染。
使用指南1. 系统概述:该系统由智能控制器、相关设备和连接线等组成。
用户可根据需要选择适当的设备和连接线,并根据本说明书进行正确设置和连接。
2. 操作方法:用户可通过控制器的人性化用户界面和易于操作的功能,实现对设备的控制和监测。
用户可根据需要设置相关参数和选项,并通过控制器执行相应的操作。
3. 维护和保养:为了保证智能控制器的正常运行和延长其使用寿命,用户应按照本说明书中的要求进行设备的维护和保养。
具体操作方法请参见本说明书的相关章节。
注意事项1. 本产品仅用于控制和监测相关设备,不得用于其他用途。
2. 在使用本产品时,请勿私自改动设备的设置和参数。
3. 为了保证设备的安全运行和使用效果,请按照本说明书的要求进行正确设置和连接,并进行必要的维护和保养。
结论智能控制器是一种高性能、多功能的设备。
凭借其高速处理、高可靠性、易于使用、多功能性和节能环保等优点,该控制器可为用户提供全面的控制和监测服务。
为了保证其正常运行和延长使用寿命,请用户按照本说明书的要求进行正确设置和连接,并进行必要的维护和保养。
智能家居控制器操作手册1. 产品概述智能家居控制器是一种集成各种智能设备控制功能的设备,旨在提供便捷的家居控制体验。
本手册将详细介绍智能家居控制器的功能特点以及操作步骤,帮助用户正确、高效地使用该设备。
2. 功能特点智能家居控制器提供以下主要功能特点:2.1 远程控制:用户可以通过手机应用或者电脑软件远程控制智能家居设备,实现随时随地的控制操作。
2.2 场景设置:用户可以自定义不同场景,例如回家场景、离家场景,通过一键触发实现多个设备的联动控制。
2.3 定时任务:用户可根据自己的需求设置定时任务,例如定时开关灯、定时控制窗帘,实现自动化的控制。
2.4 能源管理:智能家居控制器可以监控各个设备的能源消耗情况,提供能源管理报告和建议,帮助用户节省能源成本。
2.5 安全保护:智能家居控制器采用高级加密算法,保护用户的个人隐私和数据安全。
3. 操作步骤3.1 下载和安装首先,用户需下载并安装智能家居控制器的手机应用或者电脑软件。
用户可根据设备所提供的操作系统选择适配的版本,然后按照安装提示完成安装过程。
3.2 设备连接在成功安装应用或软件后,用户需要按照以下步骤将智能家居设备与控制器连接:3.2.1 打开应用或软件,并登录账号;3.2.2 进入设备管理界面,点击“添加新设备”;3.2.3 根据控制器和设备的对应方式(Wi-Fi、蓝牙、Zigbee等)进行设备连接。
具体步骤请参考设备或控制器提供的连接指南。
3.3 设备配置成功连接设备后,用户需要进行设备配置,确保设备正常工作并能被控制器识别。
用户可按照以下步骤进行设备配置:3.3.1 在应用或软件中找到“设备配置”或相关选项;3.3.2 根据设备提供的配置要求,进行相应的配置操作,例如输入设备ID、连接密码等;3.3.3 确认配置信息并保存。
3.4 远程控制完成设备配置后,用户可以通过远程控制方式操控智能家居设备:3.4.1 打开应用或软件,并登录账号;3.4.2 在设备管理界面中找到要控制的设备;3.4.3 通过界面提供的按钮或滑动条控制设备的开启、关闭、调节等操作。
智能控制器XG18型电热开水炉电脑控制器操作手册以领先的技术、产品、管理和服务贡献于社会!河北星光集团XG18型电热开水炉电脑控制器操作与使用目录一、概况二、键盘操作与显示1、启动/停止2、工作温度设置三、设备自动控制三、故障识别与处理1、温度传感器断路故障2、温度传感器短路故障3、温度超温故障4、水位极低故障四、性能参数一、概况本电脑控制器适用于常压(微压)电热开水锅炉。
它能对系统的运行进行实时监控,并且能够对故障识别与实时处理;本控制器设计简洁、结构与功能设计合理、智能化程度高,能使锅炉安全可靠地运行。
本电脑控制器的型号:XG18显示特点:两位LED显示控制方式:温度控制温控范围:0℃~99℃(100℃以上均显示HH)二、按键操作与显示系统工作时,工作状况可由面板指示灯指示。
如“电源”、“运行”、“故障”等。
其它典型操作及显示如下:1、工作温度设置:控制器处于停止状态,按“设定”键,相应的所有指示灯(“补水”、“运行”、“故障”灯)均点亮,此时显示预设的热水温度,再继续按“设定”键,可修改预设的温度值。
当设好后,按“启/停”键,所有的指示灯熄灭,则温度预设值被保存。
2、启动/停止:按“启/停”键一次,控制器开始自动工作,其上的“运行”指示灯相应点亮。
如要使系统退出工作,可再按“启/停”键,其上的指示灯相应熄灭,控制器就停止工作了。
三、设备自动控制(电加热器和补水泵的控制)当前炉水温度小于预设温度10℃时,逐组延时开启电热管;当前炉水温度大于预设温度时,逐组延时关闭电热管。
锅炉水位处于低位时开启补水泵,锅炉水位达到高位时关闭补水泵。
四、故障识别与处理本控制器采用单片机作为核心控制元件,配合本公司精心设计的软件能够根据当前工况对锅炉进行实用的故障识别与处理。
当系统检测到故障时,系统将关闭所有受控设备;音响报警,且故障指示灯亮,显示相关信息(如图):×-----数字EX相关故障信息如下表:发生上述故障,只有通过按“启/停”键,使控制器退出运行,将故障排除后,重新按“启/停”键, 系统方可恢复正常运行。
一概述智能控制器是框架式空气断路器的核心部件,适用于50~60Hz电网,主要用作配电、馈电或发电保护,使线路和电源设备免受过载、短路、接地/漏电、电流不平衡、过压、欠压、电压不平衡、过频、欠频、逆功率等故障的危害;通过负载监控,需量保护,区域连锁等功能实现电网的合理运行。
同时也用作电网节点的电流、电压、功率、频率、电能、需量、谐波等电网参量的测量;故障、报警、操作、电流历史最大值、开关触头磨损情况等运行维护参数的记录;当电力网络进行通讯组网时,智能控制器可用为电力自动化网络的远程终端实现遥测,遥信,遥控,遥调等,智能控制器支持多种协议以适用不同的组网要求。
二基本功能对于M型无任何可选功能(加*的项目)时其功能配置为基本功能,如表1所示:表1 基本功能配置2.1.3 通讯功能通讯功能为可选项,对于M型没有通讯功能,对于H型通讯协议可根据需要选择为Modbus,Profibus-DP,Device net.2.1.4增选功能选择增选功能为可选项,M型,H型都可以选择增选功能配置,不同增选功能代号与增选功能内容如表2所示。
表2 增选功能配置表2.1.5 区域连锁及信号单元的选择“区域连锁及信号单元”为可选项,M型、H型都可以选择信号单元的功能配置,当信号单元选择为S2,S3时,控制器具备区域连锁功能。
2.2 技术性能2.2.1 适用环境工作温度:-10℃~+70℃(24h•内平均值不超过+35℃)储存温度:-25℃~+85℃安装地点最湿月的月平均最大相对湿度不超过90%,同时该月的月平均最低温度不超过+25℃,允许由于温度变化产生在产品表面的凝露。
污染等级:3级。
(在和断路器装配在一起的情况下)安装类别:Ⅲ。
(在和断路器装配在一起的情况下)2.2.2工作电源由辅助电源和电源互感器同时供电,保证负载很小和短路情况下控制都可以可靠工作。
控制器的供电方式有下面3种方式:a.电源CT供电额定电流大于等于400A时,一次电流单相不低于0.4In,三相不低于0.2In时控制器正常工作。
安徽天康智能控制器说明书
一、功能及指标
1、工作电源:AC220V+10%;
2、输入信号:4~20mA(带一路大小相等的变送输出);
3、测量范围:4~20 m A;
4、显示位数:四位数码管;显示分辨率:可设置。
缺省两位小数;
5、一路控制输出,一路高位报警输出,一路低位报警输出。
容量均为AC220V 7A或DC24V 10A;(高位报警和控制输出可定义为超高报警及高位报警)
6、状态指示:高位报警、控制输出、低位报警;
7、设定温度调节范围:测量范围,细度:可设置,温度测量显示分辨率:可设置;缺省0.01。
8、控制浮动范围:可设定,缺省0.2;
二、使用方法
接通电源,进入自动控制工作。
数码管显示测量温度。
状态指示灯指示工作状态。
工作状态下,按键进入设置参数状态,依次轮流显示要设置的参数
参数定义如下:PO:小数点后的位数,用于设置显示数据的分辨率;
1、控制点,大于设置点,输出继电器断开;小于此设置点,输出继电器闭合;
2、高报点,高于此设置点,高报输出继电器触电闭合;
3、低报点,低于此设置点,低报输出继电器触电闭合;
4、滞回区间,用于设置继电器动作点的不灵敏区;
5、量程,用于设置最大输入信号时对应的满量程数值。
6、高位及控制输出定义。
缺省设置是0,是常规功能。
如果设置为1,高报输出重新定义成超高报输出,控制输出重新定义为高报输出。
与之相关的参数也相应重新定义。
在参数设置状态,如果超过12秒,没有操作,自动退出参数设置状态,切换到运行状态。
QL-V智能控制器使用手册感谢您使用上海擎朗智能科技有限公司的QL-V系列智能控制器。
在使用本产品前请您先仔细阅读本手册,并保存本手册供以后参考。
QL-V是第二代基于高性能32位Cortex内核的智能控制器,在保持第一代QL-X 处理器系统稳定可靠,接口齐全等优势的基础上,针对竞赛系列机器人的特殊需求,进一步缩小体积和重量,增加了U盘下载以及高速下载、中文显示以及触摸屏人机交互等功能。
QL-V是进行机器人竞赛、机器人创新课程教学以及机器人高级应用开发的优秀硬件平台。
QL-V控制器采用VRL1.3流程图编程或者C代码进行程序开发。
VRL是Visual Robot Language的缩写,是一种基于流程图的图形化机器人编程语言。
针对机器人的初学者,使用VRL可以是初学者摆脱编程语言细节语法的繁琐,而可以让初学者把精力集中在机器人的行为控制本身以及程序的逻辑思维结构上。
针对处于进阶阶段的机器人学生,通过VRL的图形模块和C语言的对照,可以学习到怎样把一个逻辑变成实实在在的一段C语言程序,进而学习怎样使用C语言对机器人进行编程。
针对专业的机器人开发工程师,VRL又提供了一个专业的机器人C语言IDE,可以通过VRL进行专业的机器人程序开发。
1敬请注意:QL-V控制器上3芯模拟采样排列方式从上到下分别为模拟信号线,+5V电源和地。
这种排序方式与市场上其他某些公司排序不同,如果把其他某些公司的PSD红外测距传感器直接插入QL-V的话,有可能会导致PSD烧毁。
或者把我公司的PSD 等传感器直接接入其他公司控制器,也有可能会导致PSD烧毁。
因为接线错误导致的任何损坏,不在我司保修范围内!2目录第一章 QL-V控制器简介 (4)1. 高性能32位CORTEX处理器 (4)2. 28路模拟信号输入端口 (4)3. 14路通用数字接口 (5)4. 4路电机驱动信号输出 (5)5. 2路串行接口 (5)6. 标准I2C接口 (5)7. 外接电源接口 (5)8. 多按钮控制界面 (6)9. 100个全局参数存储器(内置F LASH存储器) (6)10.USB2.0程序下载 (6)11.TFT真彩触摸屏液晶 (6)第二章快速开始使用 (7)1.物件准备 (7)2.安装软件 (7)3.连接PC和QL-V控制器 (8)4.运行程序 (8)5.编写“H ELLO W ORLD”程序 (9)第三章深入了解QL-V控制器 (12)1.认识CPU (12)2. 控制器系统图 (13)第四章 QL-V外围接口 (14)1. QL-V控制器前面板接口说明 (14)2. QL-V控制器底部接口说明 (16)3. QL-V控制器左侧接口说明 (17)4. QL-V控制器右侧接口说明 (19)第5章 QL-V控制器的C编程指南 (20)1.准备 (20)2.使用屏幕 (20)3.使用按键 (23)4.全局参数(FLASH) (24)5.通用数字端口 (27)6.大功率电机驱动器 (30)7.使用模拟输入 (31)8.红外测距 (32)9.复眼 (33)10.指南针 (35)11.系统时间 (36)附录1:库函数定义及说明 (39)附录2:技术参数 (47)3第一章 QL-V控制器简介QL-V是第二代基于高性能32位Cortex内核的主控制器,是进行机器人竞赛、机器人创新课程教学和高级应用开发的优秀硬件平台。
一概述智能控制器是框架式空气断路器的核心部件,适用于50~60Hz电网,主要用作配电、馈电或发电保护,使线路和电源设备免受过载、短路、接地/漏电、电流不平衡、过压、欠压、电压不平衡、过频、欠频、逆功率等故障的危害;通过负载监控,需量保护,区域连锁等功能实现电网的合理运行。
同时也用作电网节点的电流、电压、功率、频率、电能、需量、谐波等电网参量的测量;故障、报警、操作、电流历史最大值、开关触头磨损情况等运行维护参数的记录;当电力网络进行通讯组网时,智能控制器可用为电力自动化网络的远程终端实现遥测,遥信,遥控,遥调等,智能控制器支持多种协议以适用不同的组网要求。
二基本功能对于M型无任何可选功能(加*的项目)时其功能配置为基本功能,如表1所示:表1 基本功能配置2.1.3 通讯功能通讯功能为可选项,对于M型没有通讯功能,对于H型通讯协议可根据需要选择为Modbus,Profibus-DP,Device net.2.1.4增选功能选择增选功能为可选项,M型,H型都可以选择增选功能配置,不同增选功能代号与增选功能内容如表2所示。
表2 增选功能配置表2.1.5 区域连锁及信号单元的选择“区域连锁及信号单元”为可选项,M型、H型都可以选择信号单元的功能配置,当信号单元选择为S2,S3时,控制器具备区域连锁功能。
2.2 技术性能2.2.1 适用环境工作温度:-10℃~+70℃(24h•内平均值不超过+35℃)储存温度:-25℃~+85℃安装地点最湿月的月平均最大相对湿度不超过90%,同时该月的月平均最低温度不超过+25℃,允许由于温度变化产生在产品表面的凝露。
污染等级:3级。
(在和断路器装配在一起的情况下)安装类别:Ⅲ。
(在和断路器装配在一起的情况下)2.2.2工作电源由辅助电源和电源互感器同时供电,保证负载很小和短路情况下控制都可以可靠工作。
控制器的供电方式有下面3种方式:a.电源CT供电额定电流大于等于400A时,一次电流单相不低于0.4In,三相不低于0.2In时控制器正常工作。