仪器仪表中级职称考试大纲及详细分解.
- 格式:doc
- 大小:500.00 KB
- 文档页数:56
2019年北京中级职称“仪器仪表专业基础与务实”考试要点:(一)简答题(5分,共4道题)1.粗大误差2.值的传递:各级计量标准传递3.传感器的分辨率4.光的衍射论述(二)论述题(14分,7分/道题,共两题)1.光的全反射,以及全反射形成的条件2.测量链最短原则(三)计算题(8分,共16分2道题)1.平均值,标准偏差2.灵敏度计算,各级灵敏度的乘积(四)判断题(10分,共10道题)和选择题(单选20分+多选20分10道题)1.测量:2.测量的概念,主动/被动测量(分类依据),直接/间接测量区,静态/动态测量、在线/离线测量3.误差,系统误差,随机误差,引用误差,相对误差,绝对误差概念4.随机误差的统计规律(单峰性等)5.不确定度:A类/B类不确定度,根据测量的方法,来判断不确定度的种类6.线性度(拟合曲线)7.计量的四个特点:准确性/一致性/溯源性/法制性8.在选择测量仪器的最大允许误差时,通常应为测量对象所要求误差的1/3-1/5,若条件不许可,也可为1/2,当然此时测量结果的置信水平就相应下降了。
9.公差带控制:工件10.光:11.光的直线传播定律,光的独立传播现象(给出现象判断是什么定律)12.光的折射13.干涉条件(频率相同,位相差恒定,振动方向一致)14.平面镜成像特性:对称、虚像等15.传感器:16.热电偶,热电动势产生的条件:温度不同,材料均匀但不同17.应变传感器种类:金属、半导体18.电容传感器:电容式传感器中输入量与输出量的关系为线性的是什么传感器,变面积,变介质19.调制电路:调频,调幅,调相20.仪器:21.滤波器(高通、低通、带通)22.虚拟仪器技术的三大组成部分:I/O ,软硬平台等 23.线性系:输入输出叠加 24.采样频率选择依据:信号是9MHZ ,采样频率至少是多少 25. 传递函数:零初始条件下线性系统响应(即输出)量的拉普拉斯变换与激励(即输入)量的拉普拉斯变换之比26. 测量数据处理:掌握平均值与标准偏差的概念,)(1-n )(2∑-=X Xi S n Xi X ∑=。
职业技能鉴定实际操作试卷仪表维修工中级操作技能考核准备通知单一、试题名称:调节器校验操作二、准备工作1、场地准备1)考场安全措施齐全、规范无干扰2)照明良好,光线充足3)室内温度20-25℃,温度60-80%RH2、设备与仪器准备3、材料准备4、工具准备5、操作技能说明:该项主要鉴定考生对调节器功能与调校掌握的熟练成度。
职业技能鉴定实际操作试卷仪表维修工中级操作技能考核试题一、试题名称:调节器校验操作二、操作要求及时限1、办理相应的工作票2、配戴安全防护用品3、校验后仪表满足精度要求4、准备时间3分钟5、操作时间20分钟6、提前完成不加分,超时按评分标准评分三、操作程序及说明1、操作内容四、考试规定说明1、如违章操作,将终止考试2、需要协助,可向考评员声明3、满分按100分进行评分,然后折算职业技能鉴定实际操作试卷仪表维修工中级操作技能考核准备通知单一、试题名称:LRC-1自控回路操作二、准备工作及要求1、场地准备1)考场安全措施齐全、规范无干扰2)照明良好,光线充足3)室内温度20℃-25℃,温度60-80%RH2、仪器与材料准备3、工具准备4、操作技能说明:该项主要鉴定考生对自动化控制回路掌握的熟练程度及分析、判断、处理仪表故障的能力职业技能鉴定实际操作试卷仪表维修工中级操作技能考核试题一、试题名称:LRC-1自控回路操作二、操作要求及时限1、办理工作票2、办理《联锁解除工作票》3、配戴相应的安全防护用品4、讲解回路图,要求全面、细致、分析故障5、解除联锁,排除故障,投用回路和联锁6、准备时间3分钟,操作时间15分钟7、提前完成不加分,超时按评分标准评分三、操作程序及说明1、操作内容四、考试规定说明1、如违章操作将终止考试2、需要协助,可向考评员声明3、满分按100分评分,然后进行折算职业技能鉴定实际操作试卷仪表维修工中级操作技能考核准备通知单一、试题名称:调节阀校验操作二、准备工作1、场地准备1)考场安全措施齐全、规范无干扰2)照明良好,光线充足3)室内温度20-25℃,温度60-80%RH2、设备、材料与仪器准备3、工具准备4、操作技术说明:该项目主要鉴定考生对阀门定位器性能、原理、校验及操作规程掌握的熟练程度职业技能鉴定实际操作试卷仪表维修工中级操作技能考核试题一、试题名称:调节阀校验操作二、操作技能要求及时限1、必须配戴安全防护用品2、准备相应的工器具3、办理工作票4、与工艺操作人员联系,落实风险削减措施和所要做的工作5、检查调节阀都有哪些内容6、检验结果满足精度要求7、准备工作3分钟,操作时间20分钟8、提前完成不加分,超时按考评标准评分三、操作程序及说明1、操作内容四、考试规定说明1、如违章操作将终止考试2、需要协助,可向考评员声明3、满分按100分评分,然后进行折算。
2023年仪表维修工中级技能知识试题(附含答案)一、选择题1伴热蒸汽压一般不超过(B )MPaoA.0. 5MPa;B.I. OMPa;C.1. 5MPa2 .仪表设备使用24VDC电源的电压,其电压范围不超过(C)A.± 1%;B.± 3% ;C.± 5%3.抗干扰有许多方式,其中双绞线是(B )方式。
A .物理隔离;B.减小磁干扰C .屏蔽4.大气压力随着海拔高度的升高而(B )A・增大;B.减小;C.不变5.调校压力表用的标准表,其绝对误差应小于被校表绝对误差的(B )A.1 / 2;B.1/3;6.测量管道蒸汽压力的压力表安装在管道下部A.偏大;8.偏小;9. 一般认为,经过(A )时间后,动态过程便结束了A. 3T ;B.T ;10.对调节系统最不利的干扰作用是(B )A ,阶跃干扰;B.尖脉冲干扰;H. ( B )存在纯滞后,但不会影响调节品质。
A.调节通道;B.干扰通道;12.分程调节系统中两阀信号范围分段由(C )实现.A.调节器;B.电气转换器;C.阀门定位器13.调节阀经常小开度工作时,宜选用(A )特性。
A .等百分比;B.快开;C.直线14.控制高黏度、带纤维,细颗粒的流体,选用何种调节阀最合适?(C)A.蝶阀;B .套筒阀;C.角形阀15.构成计数器的基本电路是(B )A ,与非门;B .触发器或非门;C.或门16.对于PLC的接地系统,其接地电阻应小于(A )A.4Q;B.6Q;C.7Q17.超声波流量计上、下游直管段的长度应符合设计文件要求。
对于水平管道,换能器的位置应在与水平直径成(C )o夹角的范围内。
A.90o;B.30o;C.45o18.保护管的弯曲半径,不应小于保护管外径的(B)A.5 倍;19 6 倍;C.7倍19.测量管道与高温设备、管道连接时,应采取(A)措施。
A.热膨胀补偿;B.隔离;C •缓冲21.工业用四氯化碳,适用于的(A)脱脂。
仪表工考试:中级仪表工考试答案1、单选有一台可燃性气检测仪标识牌失落,当通入0.6%的丙烷样气后,该表显示15%LEL,问该表是检测何种可燃性气体。
()A.爆炸下限为4.0的氢气B.爆炸下限为2.0的丁(江南博哥)二烯C.爆炸下限为0.7的煤油D.爆炸下限为1.9的丁烷正确答案:A2、单选变送器的校准至少要选择()个点为标准值进行校准。
A.1B.3C.5D.7正确答案:C3、填空题所谓冲量是指调节器接受的()的信号。
正确答案:被调量4、单选射极输出器是共()放大电路。
A.发射极B.集电极C.基极D.阳极正确答案:B5、问答题简述负反馈的类型。
正确答案:负反馈的类型有:①电压并联负反馈,②电压串联负反馈③电流并联负反馈④电流串联负反馈四种类型。
6、单选电气阀门定位器的转换组件相当于气动阀门定位器的()。
A.输入波纹管B.反馈机构C.信号放大机构D.比较机构正确答案:A7、单选退出Excel97的正确操作方法是()。
A.选择“文件”菜单中的“关闭”选项B.选择“文件”菜单中的“退出”选项C.选择“文件”菜单中的“保存”选项D.选择“文件”菜单中的“发送”选项正确答案:B8、单选根据计量器具的结构、性能、使用频度等制定的两次检定工作的间隔期,称为检定周期,按检定周期进行的检定称为()。
A.抽样检定B.周期检定C.临时检定D.仲裁检定正确答案:B9、单选自动调节设备能代替人的身体器官,其中执行器相当于人的()A、耳目B、大脑C、手正确答案:C10、单选保护接地的文字代号是()。
A.E;B.N;C.PE;D.PEN。
正确答案:C11、单选负反馈的组合类型有()种。
A.4B.2C.3D.1正确答案:A12、问答题气动浮球液位计有时输出达不到100kPa,其原因是什么?若输出变化缓慢或不匀呢?正确答案:1、输出达不到100kPa有以下几个原因:①供风不足;②发讯器风箱漏;③发讯器盘根漏;④连杆变位;⑤输出管线漏。
《仪器仪表专业基础与实务》考试大纲前言根据《北京市人事局关于工程技术等系列中、初级职称试行专业技术资格制度有关问题的通知》(京人发[2005]26号)及北京市人事局《关于北京市中、初级专业技术资格考试、评审工作有关问题的通知》(京人发[2005]34号)文件的要求,从2005年起,我市工程技术系列中级专业技术资格试行考评结合的评价方式,为了做好考试工作,我们编写了本考试大纲。
本考试大纲既是仪器仪表专业中级专业技术资格申报员参加考试的复习备考依据,也是仪器仪表专业中级专业技术资格考试命题的依据。
在考试知识体系及知识点的知晓程度上,本大纲从对仪器仪表专业中级专业技术资格人员应具备的学识和技能要求出发,在基本要求中提出了“掌握”、“熟悉”和“了解”共3个层次的不同要求,这3个层次的具体涵义为:掌握系指在理解准确、透彻的基础上,能熟练自如的分析解决实际应用问题;熟悉系指能说明其要点,能分析解决实际应用问题;了解系指概略知道其原理及应用范畴。
在考试内容的安排上,本大纲从对仪器仪表专业中级专业技术资格人员的工作需要和综合素质要求出发,主要考核申报人的专业基础知识、专业理论知识和相关专业知识,以及解决实际技术问题的能力。
考核内容不仅涵盖了仪器仪表专业理论知识和仪器仪表专业中级专业技术资格申报人员在工作后运用这些学识所应获得和具备的实践经验与能力,还涉及申报人员参加工作后通过各种途径所应扩展的新知识,是对申报人员综合素质全面的考核。
命题内容将在本考试大纲所规定的范围内。
考试将采取笔试、闭卷的方式。
考试题型分为客观题和主观题。
《仪器仪表专业基础与实务》考试大纲编写组二○○七年三月第一部分专业基础知识1. 测量基础1.1. 测量与误差1.1.1.掌握测量的定义测量就是为确定量值而进行的实验过程。
1.1.2.掌握影响测量的几个因素测量对象、计量单位、测量方法及测量精确度。
1.1.3.掌握被测量与测量对象测量对象:这里主要指几何量,包括长度、角度、表面粗糙度以及形位误差等。
仪表工考试:仪表维修工中级1、问答题试述热电偶测温的三个定律?正确答案:(1)由一种均质导体组成的闭合回路,不论导体的截面面积如何,以及各处的温度分布如何,都不能产生热电势;(2)由不同材料组成的闭合回路,(江南博哥)当各种材料接触点的温度都相同时,则回路中热电势的总和为零;(3)接点温度为tl和t3的热电偶,它产生的热电势等于接点温度分别为tl、t2和t2、t3的两支同性质热电偶所产生热电势的代数和。
2、问答题FR200使用的标准节流装置有哪种?正确答案:FR200使用的标准节流装置是文丘利管。
3、问答题包装线缝纫机运行、停止靠什么开关检知实现?正确答案:靠光电开关检知实现。
4、问答题怎样检查一甲装置现场压力变送器的零位?正确答案:关闭取压阀,打开排污阀,可观察变送器的零点是否正确。
5、填空题根据所测压力使用要求,液柱式压力计一般采用()、()、()、()和()等为工作液。
正确答案:水银;水;酒精;四氯化碳;甘油6、填空题化工装置所用在联锁系统中,若要求现场自保电磁阀常带电,自保时失电,应选用继电器的O触点。
正确答案:常闭7、问答题请问PASLL746ABC联锁功能是什么?它主要联锁什么?正确答案:PASLL746ABC是高压N2压力(PASLL746ABC联锁值为1.4MPA)在乙快炉是实现三通两断大联锁功能。
也就是说在ABC三点中,其中只要任意两点或三点断开,就会大联锁乙块炉。
它作用于老装置的205#工号五个列。
8、问答题何为气动薄膜执行机构的反作用式?正确答案:信号压力增大式推杆向上动作的叫反作用式。
9、问答题为什么脱硫装置LT-02变送器平衡阀有泄漏后变送器输出将减小?正确答案:因为变送器平衡阀有泄漏后变送器负压室测得的压力将增加,故变送器的输出将减小。
10、问答题LIC2100液位测量的介质是什么?正确答案:LIC2100液位测量的介质是液空。
11、问答题为什么电动仪表中,现场与控制室间采用4〜20mA电流信号?正确答案:因为4〜20mA电流信号适宜远距离传输,可以避免传输导线上的压降损失引起的误差。
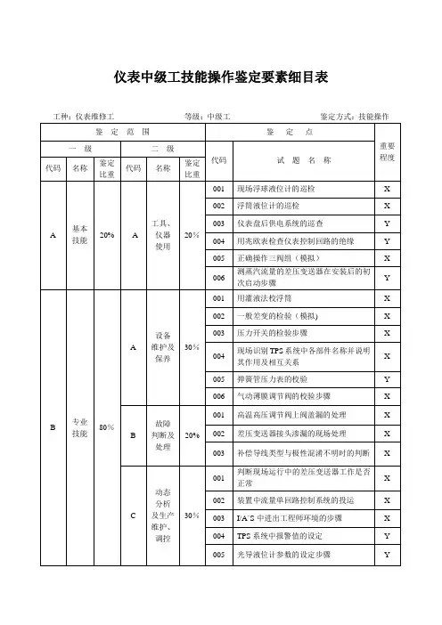
仪表中级工技能操作鉴定要素细目表一、AA001现场浮球液位计的巡查1.准备要求1)场地准备(1)考场各项安全设施齐全、规范、无干扰。
(2)仪表完好,性能可靠。
4)测量技能说明本项目主要测量考生对浮球液位计巡检项目的熟练程度。
2.操作要求及时限(1)必须穿戴劳动保护用品.(2)必备的工具、用具准备齐全。
(3)按照浮球液位计的巡检项目及巡检路线进行巡检。
(4)工具、用具使用正确.(5)符合安全操作规范.(6)准备时间:5min。
(7)操作时间:20min。
(8)提前完成操作不加分,超过规定时间按规定标准评分。
3.操作程序及说明1)操作程序(1)向当班工艺人员了解仪表运行情况。
(2)检查浮球液位计供风(供电)情况.(3)检查浮球液位计指示。
(4)检查浮球液位计及附件完好。
(5)检查浮球液位计是否泄漏.(6)检查浮球液位计与连接件的损坏和腐蚀情况。
(7)检查浮球液位计标识及附属部件的牢固固定情况。
2)考试规定说明(1)如操作违章,将停止考试。
(2)按100分进行评分,然后按鉴定比重20%进行折算。
(3)模拟操作,以操作过程与操作标准进行评分.抽签号:________评分记录表姓名:__________ 性别:_____ 劳动合同号:___________ 单位____________________ 试题名称:现场浮球液位计的巡查考试时间:20min考核员签字:年月日二、AA002浮筒液位计的巡查1.准备要求1)场地准备(1)考场各项安全设施齐全、规范、无干扰.(2)仪表完好,性能可靠.4)测量技能说明本项目主要测量考生对浮筒液位计巡检项目的熟练程度。
2.操作要求及时限(1)必须穿戴劳动保护用品。
(2)必备的工具、用具准备齐全。
(3)按照浮筒液位计的巡检项目及巡检路线进行巡检。
(4)工具、用具使用正确。
(5)符合安全操作规范.(6)准备时间:5min。
(7)操作时间:20min。
(8)提前完成操作不加分,超过规定时间按规定标准评分.3.操作程序及说明1)操作程序(1)向当班工艺人员了解仪表运行情况.(2)检查浮筒液位计供风(供电)情况。
测量控制与仪器仪表工程师资格培训教材大纲《测量控制与仪器仪表现代系统集成技术》1.绪论1.1 仪器仪表在国民经济中的地位1.2 仪器仪表技术的发展现状1.3 现代仪器仪表系统的基本结构与组成1.4 仪器仪表系统集成的基本概念及意义思考题2. 仪器仪表中的传感集成技术2.1 现代传感技术的发展2.2 现代传感技术在仪器仪表集成系统中的位置和作用2.3 测量系统的基本功能2.3.1 测量系统的功能模块组成2.3.2 功能模块间的相互作用2.4 传感器的分类2.4.1 按被测量进行的分类2.4.2 按作用原理进行的分类2.4.3 按能量转换关系进行的分类2.4.4 常用传感器的种类列表2.5 典型传感器及其在仪器仪表系统集成中的应用2.5.1 电阻式传感器及其应用2.5.2 电感式传感器及其应用2.5.3 涡流传感器及其应用2.5.4 电容式传感器及其应用2.5.5 压电传感器及其应用2.5.6 磁电式传感器及其应用2.6 光电传感技术2.6.1 光电传感技术基础2.6.2 光谱测试技术2.6.3 莫尔条纹测量技术2.6.4 干涉测量技术2.6.5 光纤传感技术2.7 微型传感集成系统2.7.1 概述2.7.2 微型传感器2.7.3 微型传感集成系统应用思考题3. 系统及系统特性描述3.1 系统集成概念3.1.1 系统集成概念的提出和发展3.1.2 系统集成的基本结构形式3.2 基本集成模块3.2.1 物理层配置3.2.2 应用层3.3 系统建模及仿真3.3.1 系统需求分析3.3.2 建模及仿真3.4 系统控制3.4.1 分散型控制系统(DCS)3.4.2 现场总线控制系统(FCS)3.4.3 可编程逻辑控制(PLC)3.4.4 数字信号处理器(Digital Signal Processor ,简记为DSP)3.4.5 嵌入式控制器3.4.6PID控制器3.4.7 最优控制3.4.8 自适应控制思考题4. 仪器仪表计算机系统集成技术4.1 计算机集成仪器仪表系统的基本功能结构4.1.1 数据的融合与综合利用4.1.2 网络体系结构与网络协议4.1.3 Internet国际互联网4.1.4 现场总线技术4.2 系统集成中的计算机接口技术4.2.1 接口技术概述4.2.2 简单I/O接口4.2.3 中断4.3 智能仪器系统的硬件处理技术4.3.1 概述4.3.2 智能仪器的输入通道及数据采集4.3.3 智能仪器的输出通道4.3.4 智能仪器的通信原理与人机接口4.4 智能仪器系统处理技术4.4.1 智能仪器典型处理功能4.4.2 智能仪器硬件电路的抗干扰4.4.3 智能仪器的设计与实现4.5 基于虚拟仪器技术的系统集成4.5.1 虚拟仪器概念及系统构成4.5.2 虚拟仪器软件技术4.5.3 虚拟仪器硬件技术思考题5. 典型仪器仪表集成系统应用实例5.1 集成多传感技术的产品质量检测系统5.1.1 概述5.1.2 融合接触与非接触测量技术的产品集成检测系统5.1.3 系统模块设计与功能介绍5.1.4 传感器的选择与系统的集成5.1.5 测量装置的协调与测量过程自动化5.2 基于虚拟仪器的大型桥梁结构动态特性测试系统集成5.2.1 桥梁结构动态特性测试需求分析5.2.2 桥梁结构动态特性测试系统功能设计5.2.3 基于虚拟仪器技术实现大型桥梁测试系统集成5.2.4 便携式桥梁结构测试系统集成案例5.2.5 长期监测的桥梁结构测试系统集成案例5.3 旋转机械状态监测与故障诊断系统5.3.1 概述5.3.2 旋转机械状态监测常用传感器5.3.3 旋转机械状态参数监测5.3.4 旋转机械故障的机理与诊断5.3.5 设备状态监测与故障诊断典型系统介绍5.4 锅炉燃烧质量监测控制系统5.4.1 概述5.4.2 锅炉燃烧质量监测控制系统设计5.5 惯性仪表自动测试系统5.5.1 性能指标要求5.5.2 总体方案5.5.3 部件选择5.5.4 控制器及接口电路5.5.5 控制系统框图思考题6. 现代测控与仪器微纳米系统集成技术6.1 微纳米测试系统集成技术6.1.1 微纳米测试技术概述6.1.2 表面粗造度测试系统6.1.3 线条宽度测试系统6.1.4 台阶高度测试系统6.1.5 膜厚测量系统6.2 生物工程中测控集成技术6.2.1 生物单元测控集成技术6.2.2 典型应用系统6.3 纳米自组装技术6.3.1 纳米自组装技术概述6.3.2 纳米自组装技术6.3.3 纳米自组装技术典型应用思考题参考文献测量控制与仪器仪表工程师资格培训教材大纲《测量控制与仪器仪表的前沿技术及发展趋势》第一篇总论第一章概述§1.1 测量控制和仪器仪表§1.1.1 测量控制与仪器仪表概述§1.1.2 测量控制与仪器科学的学科内涵§1.1.3 仪器仪表分类§1.2 测量控制与仪器仪表的作用与地位§1.2.1 仪器仪表的重要作用§1.2.2 仪器仪表的地位§1.2.3 仪器仪表的市场需求§1.3 测量控制与仪器仪表的评价§1.3.1 评价内容§1.3.2 评价仪器仪表的技术体系§1.3.3 测量控制与仪器仪表误差与分析§1.4 测量、单位制、量值的传递与溯源§1.4.1 测量与计量§1.4.2 单位制§1.4.3 量值的传递与溯源§1.5 测量信息论§1.5.1 信息的概念§1.5.2 信息的作用§1.5.3 测量信息论习题与思考题参考文献第二章现代测量控制与仪器仪表的发展动向§2.1从“两弹一星”到“神舟五號飞船”§2.1.1 輝煌的技術成就§2.1.2 中国载人航天工程的七大系统§2.1.3 神舟号飞船的的发射与回收§2.1.4 神舟号飞船的现状与展望§2.2 中国计量事业的发展§2.2.1 我国计量事业的发展§2.2.2 差距与挑战§2.2.3 今后发展展望§2.3 我国仪器仪表发展的现状与趋势§2.3.1 我国仪器仪表产业的现状§2.3.2 我国仪器仪表产业的发展面临的压力§2.3.3 我国仪器仪表发展的趋势§2.4 现代测量控制与仪器仪表的的发展动向§2.4.1 国外仪器行业发展呈现出的发展趋势§2.4.2 国外仪器行业发展呈现出技术特点§2.4.3 未来十年仪器仪表关键技术习题与思考题参考文献第二篇测量控制与仪器仪表前沿技术第三章传感与测试前沿技术§3.1 概述§3.1.1 传感器与传感技术的概念§3.1.2 传感器的地位与作用§3.1.3 传感器的分类§3.1.4 传感器的主要性能指标§3.1.5 传感技术的发展§3.2 前沿传感技术§3.2.1 微型传感器§3.2.2 智能传感器§3.2.3 光电传感器§3.2.4 光纤传感器§3.2.5 生物传感器§3.3 前沿测试技术§3.3.1 MEMS测试技术§3.3.2 动态测试技术§3.3.3 视觉在线检测技术§3.3.4 三维数字化技术§3.3.5 分布式网络测试技术§3.3.6 医学中的前沿测试技术§3.3.7 无损检测前沿技术习题与思考题参考文献第四章模拟信号调理技术§4.1 引言§4.2 信号放大一、高输入阻抗运算放大器二、具数字增益控制的精密仪表放大器三、在系统可编程模拟器件ispPAC系列§4.3 开关电容滤波器一、开关电容滤波器的工作原理二、开关电容滤波器器件举例§4.4 高速24位∑-Δ型模数转换器一、概述二、工作原理与性能三、接口设计四、应用建议§4.5 模拟信号调理技术的发展趋势一、高分辨率模数转换器二、SoC技术三、在系统编程、下载四、高速运算五、非易失性大容量存储器§4.6 结束语习题与思考题参考文献第五章数字信号处理中的前沿技术§5.1 仪器仪表与信号处理§5.2 信号滤波技术§5.2.1 数字滤波器§5.2.2 维纳滤波§5.2.3 自适应滤波§5.3 信号分析§5.3.1 平稳随机过程的数据处理方法§5.3.2 时频分析§5.3.3 短时傅立叶变换§5.3.4 小波变换§5.4 非高斯信号处理习题与思考题第六章智能控制与系统§6.1 新型微控制器§6.1.1 ARM处理器§6.1.2 DSP处理器§6.1.3 可编程器件FPGA/CPLD §6.2 仪器仪表与系统控制网络总线§6.2.1 现场总线技术概述§6.2.2 CAN网络技术概述§6.2.3 工业以太网§6.2.4 仪器仪表总线§6.3 虚拟仪器及嵌入式系统§6.3.1 虚拟仪器§6.3.2 嵌入式系统§6.4 智能控制技术§6.4.1 人工智能§6.4.2 人工神经网络§6.4.3 混沌学§6.4.4 模糊控制习题与思考题参考文献第七章现代仪器仪表的设计与制造技术§7.1 先进设计制造技术对仪器仪表的作用§7.2 仪器仪表的现代设计技术§7.2.1 光机电一体化设计§7.2.2 智能化设计§7.2.3 信息化设计§7.2.4 产品与系统的创新设计§7.3 仪器仪表的前沿制造技术§ 7.3.1 计算机集成制造系统技术§ 7.3.2 柔性制造系统§ 7.3.3 虚拟制造技术§ 7.3.4 绿色制造技术§7.4 微纳米制造技术与仪器科学§ 7.4.1 微机电系统(MEMS)技术§ 7.4.2 纳米技术§ 7.4.3 微纳米制造技术§ 7.4.4 微纳米技术的融合§ 7.4.5 微纳米技术对现代仪器科学的影响习题与思考题参考文献第三篇典型测量控制与仪器仪表的发展趋势第八章典型工业过程参数检测与控制系统的发展趋势§8.1 工业自动化仪表的地位作用和特点§8.2 典型工业过程参数检测的发展与趋势§8.2.1 温度测量§8.2.2 压力测量§8.2.3 流量测量§8.2.4 物位测量§8.3 工业过程控制的发展与趋势§8.3.1 过程工业的特点§8.3.2 过程控制发展的回顾§8.3.3 过程控制的发展趋势§8.3.4 过程控制面临的问题§8.3.5 智能控制的发展习题与思考题参考文献第九章典型科学仪器的发展趋势§9.1 科学仪器的地位、作用和前沿技术§9.1.1 什么是科学仪器§9.1.2 科学仪器的地位和作用§9.1.3 科学仪器事业的发展方向和前沿§9.2 典型科学仪器的发展现状与趋势§9.2.1 光学仪器的发展现状和趋势§9.2.2 分析仪器的发展现状和发展趋势§9.2.3 其他实验室和现场、在线科学仪器§9.3 科学仪器发展的融合与分蘖§9.3.1 科学仪器科技与产业发展的融合趋势§9.3.2 科学仪器发展中的分蘖趋势习题与思考题参考文献第十章典型电子与电工测量仪器的发展趋势§10.1 电子与电工测量仪器的作用和基本特性§10.1.1 概述§10.1.2 电子测量仪器的作用和特点§10.1.3 电工测量仪器仪表§10.2 典型电子与电工测量仪器的发展现状与趋势§10.2.1 电子测量仪器的发展现状与趋势§10.2.2 电工测量仪器的发展现状与趋势习题与思考题参考文献第十一章典型医疗仪器的发展趋势§11.1 医疗仪器的作用与特点§11.1.1 医疗仪器的作用§11.1.2 医疗仪器的特点§11.1.3 医疗仪器的发展方向§11.2 典型医疗仪器的发展现状与趋势§11.2.1 医学检测仪器§11.2.2 近红外动态光谱技术及其在血液成分检测§11.2.3 图像诊断仪器§11.2.4 生物电诊断仪器习题与思考题参考文献。
仪表工考试:中级化工仪表维修工考试资料四1、问答题正在运行的气动薄膜调节阀,如果阀芯与阀杆脱节,会出现什么现象?正确答案:1)被调参数突然变化;2)调节阀不起控制作用,气动阀杆在某一极限位置不动。
2、问答题(江南博哥)什么是调节阀的流通能力,确定流通能力的目的是什么?正确答案:流通能力C表示调节阀的容量,其定义为:调节阀全开,阀前后压差为0.1MPa、流体重度为1g/cm3,每小时通过阀门的流体流量m3或kg。
流通能力C表示了调节阀的结构参数,根据调节阀C值,查出公称直径和阀门直径。
3、问答题仪表的线性还较好,试分析说明该表应如何调整才能合格?正确答案:由题可知,该表允许的最大绝对误差为Δa=2.5%×(2.5-0)=0.0625Pa,又因已知在加压过程中发现仪表的线性较好,且指针在压力为零时,约指示0.08MPa处。
综上情况分析,很可能是指针发生了相对位移与仪表量程稍小所致。
重新安装指针,并略增大扇形齿轮上OB的距离。
仪表就可能调整合格。
4、问答题什么叫攻丝?什么叫套丝?正确答案:用丝锥(螺丝攻)在孔中切削出螺纹称攻丝,用板牙在圆杆上切削出外螺纹称为套丝。
5、问答题执行器在自动控制系统中起什么作用?正确答案:在过程控制系统中,执行器接受调节器的指令信号,经执行机构将其转换成相应的角位移或直线位移,去操纵调节机构,改变被控对象进、出的能量或物料,以实现过程的自动控制。
在任何自动控制系统中,执行器是必不可少的组成部分。
如果把传感器比拟成控制系统的感觉器官,调节器就是控制系统的大脑,而执行器则可以比拟为干具体工作的手。
6、单选如果把1151变送器的电源极性接反,则仪表()A.烧坏B.没有输出C.输出跑最大D.输出跑最小正确答案:B7、单选一台电Ⅲ型差压变送器,所供电电压为12DC,那么它能正常工作吗?()A.可以B.显示不正常C.不可以D.视具体情况而定正确答案:C8、单选关于比例作用对闭环系统稳定性影响的描述,()是正确的。
中级职称考试大纲一、考试目的和要求中级职称考试是为了评价、选拔和培养应用型人才,旨在提高职业技能水平,增强工作能力和专业素质。
考试要求考生具备一定的综合素质和专业知识,能够在实际工作中独立开展工作任务。
二、考试科目和内容1. 业务知识与技能2. 综合素质与综合能力3. 业务实践与案例分析三、科目一:业务知识与技能1. 理论知识- 相关法律法规和政策法规- 业务基本理论和概念- 行业发展趋势和前沿技术2. 实践经验- 业务操作技能- 项目管理经验- 技术问题解决能力四、科目二:综合素质与综合能力1. 综合素质- 专业道德和职业操守- 团队合作精神- 学习能力和创新意识2. 综合能力- 问题分析和解决能力- 决策能力和协调能力- 沟通能力和表达能力五、科目三:业务实践与案例分析1. 业务实践考核- 实际工作中遇到的问题和解决方案- 参与过的重要项目和成果2. 案例分析考核- 分析真实案例中的业务问题和解决思路 - 提出可行的解决方案和建议六、考试形式与时间安排1. 科目一:业务知识与技能- 笔试形式,时间为3小时2. 科目二:综合素质与综合能力- 综合素质考核为面试形式,时间为1小时 - 综合能力考核为笔试形式,时间为2小时3. 科目三:业务实践与案例分析- 面试形式,时间为1小时七、考试评分和评价标准1. 考试评分- 每个科目满分100分,总分为300分- 各科目按一定比例计算总成绩2. 评价标准- 综合考虑理论知识掌握程度、实践经验和综合能力- 考察职业道德和职业操守、团队合作和创新能力八、合格标准1. 总分达到180分以上,科目一、科目二、科目三分别达到一定要求九、考试报名和准备1. 考试报名时间和方式- 根据考试通知,按要求报名- 缴纳考试费用并提交相关材料2. 考试准备- 充分复习考试大纲要求的知识点和技能- 提前准备案例分析和业务实践经验十、结语中级职称考试大纲为考生提供了明确的考试目的、要求、科目内容和评价标准。
深圳市职业技能鉴定(电子仪器仪表检定修理工)考试大纲1.职业概况1.1 职业名称:电子仪器仪表检定修理工。
1.2 职业定义:使用手工工具、仪器、仪表,从事电子仪表装配、鉴定及修理的人员。
1.3 职业等级:本大纲设有三个等级,分别为:初级(国家职业资格五级)、中级(国家职业资格四级)、高级(国家职业资格三级)。
1.4基本文化程度:高中毕业(或同等学历)。
1.5培训期限要求:全日制职业学校(或学院)教育,根据其培养目标和教学计划确定。
晋级培训期限:初级不少于300标准学时;中级不少于240标准学时;高级不少于200标准学时。
1.6报考条件具备下列条件之一者,可申请报考初级工:(1)在本职业(工种)或相关专业连续工作二年以上;(2)经过本职业初级工培训达到标准300学时数,并取得结业证书;(3)从事本职业学徒期满;(4)经教育或劳动保障行政部门审核认定的、以初级技能为培养目标的技工学校、职业高中相关专业的学生。
具备下列条件之一者,可申请报考中级工:(1)取得本职业(工种)或相关专业的初级工职业等级证书后,连续从事本职业工作3年以上,经过本职业中级工培训达到标准240学时,并取得结业证书;(2)取得本职业(工种)或相关专业的初级工职业等级证书后,连续从事本职业或相关专业工作5年以上;(3)连续从事本职业6年以上;(4)经教育或劳动保障行政部门审核认定的、以中级技能为培养目标的中等以上职业学校本专业学生。
具备下列条件之一者,可申请报考高级工:(1)取得本职业(工种)或相关专业的中级工职业等级证书后,连续从事本职业工作4年以上,经过本职业中级工培训达到标准200学时,并取得结业证书;(2)取得本职业(工种)或相关专业的中级工职业等级证书后,连续从事本职业或相关专业工作7年以上;(3)经教育或劳动保障行政部门审核认定的、以高级技能为培养目标的高等职业院校或高级技工学校本专业学生。
1.7鉴定方式、鉴定时间鉴定方式分为理论知识考试和技能操作考核。
仪表中级理论考试题+答案一、单选题(共59题,每题1分,共59分)1.我国使用的工频交流电频率为( )A、45HzB、65H.zC、60H.zD、50H.z正确答案:D2.智能阀门定位器于传统的阀门定位器不同之处,描述准确的是( )。
A、传统阀门定位器以微处理器为核心B、智能阀门定位器以喷嘴挡板代替压电阀C、智能阀门定位器具有自动校准功能和H.ART 协议通信功能D、A、B、C 选项全部都是正确答案:C3.节流装置前后要有足够的直管段长度,其目的是促使( )A、压力平衡B、流速平稳C、静压不变D、流量稳定正确答案:B4.在水平管路上安装超声波流量计时,探头应安装在水平中心线的( )之内,以防止上部有不满管、气泡或下部有沉淀等现象影响传感器正常测量。
A、±20°B、±30°C、±45°D、±40°正确答案:C5.用电容式液位变送器测量非导电介质的液位时,电容传感器使用与它绝缘的( ),作为外电极,外电极开有孔和槽,内外电极靠绝缘材料进行固定。
A、同轴金属圆筒B、中间绝缘体C、中间电极D、同轴非金属圆筒正确答案:A6.以下流量测量仪表中,不属于应用容积法测量的流量计是( )A、椭圆齿轮流量计B、靶式流量计C、腰轮流量计D、刮板式式流量计正确答案:B7.电气阀门定位器的转换组件相当于气动阀门定位器的( )。
A、比较机构B、反馈机构C、信号放大器D、输入波纹管正确答案:D8.控制阀执行机构按形式不同可分为( )。
A、故障开和故障关B、气动执行器、电动执行器和液动执行器C、直行程和长行程D、薄膜式、活塞式和长行程式正确答案:D9.气动调节阀当信号压力增加,阀杆向下移动,阀芯与阀座之间的流通面积减小的是( )。
A、正作用气关阀B、反作用气关阀C、正作用气开阀D、反作用气开阀正确答案:A10.点型感温探测器发生误报警,分析原因正确的是( )A、探头进水、灰尘B、线路板虚焊、烧焦C、热敏电阻引脚交叉或短路D、回路电压不足正确答案:C11.某型号硫化氢探测器显示浓度指示不回零,分析原因及解决处理方法不正确的是( )A、探头护罩可能有残余气体或可燃气,清洁探头积灰B、供电电压不足,表头进水或电路板故障,检查电源回路C、探头或仪表老化,更换探头仪表D、探测器零点漂移,在洁净空气下重新标定零点正确答案:B12.下列关于分析仪现场安装说法正确的是( )。
仪表维修工仪表维修工(技能)(中)炼油厂-仪表车间总负责人:魏志群电话:6901969参编人员:王冠霖简答题A001正文:简述检修热电阻感温元件的注意事项。
(KHD:专业技能)答文:(1)热电阻感温元件抽出保护管后,应将保护管内腐蚀或油污清除掉;(33%)(2)检修时,对于铂电阻不应用手直接接触铂丝,也不应将铂丝拆下;(33%)(3)将感温元件装入保护管时,若发现引出线过短,对铂电阻可用同样直径的银导线接长。
(33%)002正文:一般DCS中都采用哪些冗余措施? (KHD:专业知识)答文:(1)电源冗余,采用双电源或矩阵式多电源供电;(20%)(2)通讯线路,采用双线冗余;(20%)(3)控制单元,采用一比一冗余或多比一冗余;(20%)(4)输入输出冗余;(20%)(5)多台操作站之间互为冗余。
(20%)003正文:须定期用标气校准氧化锆分析仪,为什么?(KHD:专业技能)答文:(1)氧化锆是基于能斯特议程进行工作的,只有在理想状态下才能保证测量准确;(33%)(2)实际使用过程中存在许多干扰因素,如测量电池老化,积灰,SO2,SO3对电池腐蚀等,虽然安装探头时已进行了校准,但在进行过程中仪器参数,会逐渐变化,给测量带来误差;(33%)(3)所以为了测量准确必须用标气进行校准。
(33%)004正文:当KJB型可燃气体报警器故障灯亮时,怎样排除故障。
(KHD:专业能) 答文:(1)首先检查电缆连接是否可靠,有无断线;(33%)(2)若是长时间运行的报警器则应考虑是否探头烧坏;(33%)(3)最后是调整电桥平衡点。
(33%)005正文:联锁系统产生误动作的原因有哪些?(KHD:专业技能)答文:主要有:(1)电源失电或电压波动范围超过规定值;(20%)(2)一次元件故障;(20%)(3)逻辑元件损坏、继电器故障;(20%)(4)执行器故障;(20%)(5)连接导线短路或断路。
(20%)006正文:如何选用气动调节阀的气开式和气关式?(KHD:专业技能)答文:(1)事故条件下,工艺装置应尽量处于安全状态;(50%)(2)事故状态下,减少原料或动力消耗,保证产品质量。
第一部分专业基础知识一、测量基础(一)测量与误差1、掌握测量的定义研究三维空间中各种物体的形状、大小、位置、方向和其分布的学科。
测量是按照某种规律,用数据来描述观察到的现象,即对事物做出量化描述;测量是对非量化事物的量化过程。
2、掌握影响测量的几个因素人为因素、量具因素、力量因素、测量因素、环境因素。
3、掌握被测量与测量对象被测量:作为测量对象的特定量。
被测量和被测对象虽然都属于被测目标,但是关键词分别是"量"和"对象"."量"是一种"属性","对象"则是"现象、物体或物质"。
4、掌握误差的概念(1)误差与误差方程由于仪器、实验条件、环境等因素的限制,测量不可能无限精确,物理量的测量值与客观存在的真实值之间总会存在着一定的差异,这种差异就是测量误差。
设被测量的真值(真正的大小)为a,测得值为x,误差为ε,则 x-a=ε(2)绝对误差与相对误差设某物理量的测量值为x,它的真值为a,则x-a=ε;由此式所表示的误差ε和测量值x具有相同的单位,它反映测量值偏离真值的大小,所以称为绝对误差。
相对误差:它是绝对误差与测量值或多次测量的平均值的比值,即或,并且通常将其结果表演示成非分数的形式,所以也叫百分误差。
(3)引用误差仪表某一刻度点读数的绝对误差Δ比上仪表量程上限Am ,并用百分数表示5、误差分类其性质(1)掌握随机误差随机误差是指测量结果与同一待测量的大量重复测量的平均结果之差,即“同一待测量的大量重复测量的平均结果”指在重复条件下得到待测量的期望值或所有可能测得值的平均。
是排除了系统误差后的理想情况下仍然存在的误差。
特征只要测试系统的灵敏度足够高,在相同的测量条件下,对同一量值进行多次等精度测量时,仍会有各种偶然的,无法预测的不确定因素干扰而产生测量误差,其绝对值和符号均不可预知。
虽然单次测量的随机误差没有规律,但多次测量的总体却服从统计规律,通过对测量数据的统计处理,能在理论上估计起对测量结果的影响。
第一部分专业基础知识一、测量基础(一)测量与误差1、掌握测量的定义研究三维空间中各种物体的形状、大小、位置、方向和其分布的学科。
测量是按照某种规律,用数据来描述观察到的现象,即对事物做出量化描述;测量是对非量化事物的量化过程。
2、掌握影响测量的几个因素人为因素、量具因素、力量因素、测量因素、环境因素。
3、掌握被测量与测量对象被测量:作为测量对象的特定量。
被测量和被测对象虽然都属于被测目标,但是关键词分别是"量"和"对象"."量"是一种"属性","对象"则是"现象、物体或物质"。
4、掌握误差的概念(1)误差与误差方程由于仪器、实验条件、环境等因素的限制,测量不可能无限精确,物理量的测量值与客观存在的真实值之间总会存在着一定的差异,这种差异就是测量误差。
设被测量的真值(真正的大小)为a,测得值为x,误差为ε,则x-a=ε(2)绝对误差与相对误差设某物理量的测量值为x,它的真值为a,则x-a=ε;由此式所表示的误差ε和测量值x具有相同的单位,它反映测量值偏离真值的大小,所以称为绝对误差。
相对误差:它是绝对误差与测量值或多次测量的平均值的比值,即或,并且通常将其结果表演示成非分数的形式,所以也叫百分误差。
(3)引用误差仪表某一刻度点读数的绝对误差Δ比上仪表量程上限Am ,并用百分数表示5、误差分类其性质(1)掌握随机误差随机误差是指测量结果与同一待测量的大量重复测量的平均结果之差,即“同一待测量的大量重复测量的平均结果”指在重复条件下得到待测量的期望值或所有可能测得值的平均。
是排除了系统误差后的理想情况下仍然存在的误差。
特征只要测试系统的灵敏度足够高,在相同的测量条件下,对同一量值进行多次等精度测量时,仍会有各种偶然的,无法预测的不确定因素干扰而产生测量误差,其绝对值和符号均不可预知。
虽然单次测量的随机误差没有规律,但多次测量的总体却服从统计规律,通过对测量数据的统计处理,能在理论上估计起对测量结果的影响。
随机误差不能用修正或采取某种技术措施的办法来消除。
产生因素其产生因素十分复杂,如电磁场的微变,零件的摩擦、间隙,热起伏,空气扰动,气压及湿度的变化,测量人员的感觉器官的生理变化等,以及它们的综合影响都可以成为产生随机误差的因素。
统计规律(1)单峰性:绝对值小的误差出现的概率比绝对值大的误差出现的概率大。
(2)对称性:绝对值相等的正误差和负误差出现的概率相等。
(3)有界性:绝对值很大的误差出现的概率近于零。
误差的绝对值不会超过某一个界限。
(4)抵偿性:在一定测量条件下,测量值误差的算术平均值随着测量次数的增加而趋于零。
(2)掌握系统误差系统误差又叫做规律误差。
它是在一定的测量条件下,对同一个被测尺寸进行多次重复测量时,误差值的大小和符号(正值或负值)保持不变;或者在条件变化时,按一定规律变化的误差。
相同待测量大量重复测量的平均结果和待测量真值的差。
一般而言,由于测量步骤的不尽完善会引起测量结果的误差,其中有的来自系统误差,有的来自随机误差。
随机误差被假设来自无法预测的影响量或影响的随机的时间和空间变异。
系统误差和随机误差一样无法删除,但是通常可以降低,如果系统来自影响量对测量结果的可辨识效应。
中国仪器超市中系统误差有下列情况:误读、误算、视差、刻度误差、磨损误差、接触力误差、挠曲误差、余弦误差、阿贝误差、热变形误差等。
系统误差的特点是测量结果向一个方向偏离,其数值按一定规律变化,具有重复性、单向性。
我们应根据具体的实验条件,系统误差的特点,找出产生系统误差的主要原因,采取适当措施降低它的影响。
系统误差的来源有以下方面:(1)仪器误差这是由于仪器本身的缺陷或没有按规定条件使用仪器而造成的。
如仪器的零点不准,仪器未调整好,外界环境(光线、温度、湿度、电磁场等)对测量仪器的影响等所产生的误差。
(2)理论误差(方法误差)这是由于测量所依据的理论公式本身的近似性,或实验条件不能达到理论公式所规定的要求,或者是实验方法本身不完善所带来的误差。
例如热学实验中没有考虑散热所导致的热量损失,伏安法测电阻时没有考虑电表内阻对实验结果的影响等。
(3)个人误差这是由于观测者个人感官和运动器官的反应或习惯不同而产生的误差,它因人而异,并与观测者当时的精神状态有关。
系统误差有些是定值的,如仪器的零点不准,有些是积累性的,如用受热膨胀的钢质米尺测量时,读数就小于其真实长度。
需要注意的是,系统误差总是使测量结果偏向一边,或者偏大,或者偏小,因此,多次测量求平均值并不能消除系统误差。
电脑在进行数据处理的过程中,也会有误差,如在处数据型字段的时候,由于处理位数的不一样,所得结果是有误差的,与我们计算中采用四舍五入法得出的结果类似.(3)熟悉粗大误差又叫做粗误差或寄生误差。
在一定的测量条件下,测得值明显地偏离实际值所形成的误差。
产生本项误差的主要原因是主观原因,其中包括:使用了有缺陷的量具;操作时疏忽大意;读数、记录、计算的错误等。
另外,环境条件的反常突变因素也是产生这些误差的原因。
6、熟悉消除或减小误差的常见方法系统误差:从根源上消除,对于不变的系统误差,可以使用代替法、抵消法和变换法消除。
随机误差:多次测量取其平均值(对于正态分布的误差而言)。
粗大误差:数据本身就是错误的,直接去掉这个数据!a.选择合适的分析方法b.增加平行测定次数c.消除测定中系统误差(二)测量分类1、掌握直接测量与间接测量直接测量是将被测量与与标准量进行比较,得到测量结果。
间接测量是测得与被测量有一定函数关系的量,然后运用函数求得被测量。
2、掌握绝对测量与相对测量绝对测量是所用量器上的示值直接表示被测量大小的测量。
相对测量是将被测量同与它只有微小差别的同类标准量进行比较,测出两个量值之差的测量法。
3、熟悉静态测量与动态测量静态测量是对在一段时间间隔内其量值可认为不变的被测量的测量。
动态测量是为确定随时间变化的被测量瞬时值而进行的测量。
4、熟悉单项测量与综合测量单项测量是对多参数的被测物体的各项参数分别测量综合测量是对被测物体的综合参数进行测量。
5、熟悉主动测量与被动测量在产品制造过程中的测量是主动测量,它可以根据测量结果控制加工过程,以保证产品质量,预防废品产生。
被动测量是在产品制造完成后的测量,它不能预防废品产生,只能发现边挑出废品。
6、了解在线测量与离线测量在线测量:是采用测量认错器连续读取被测量,可时时观测到被测量的变化。
离线测量:是对被测量间隔测量。
(三)测量数据处理1、掌握平均值与标准偏差的概念标准偏差一种量度数据分布的分散程度之标准,用以衡量数据值偏离算术平均值的程度。
标准偏差越小,这些值偏离平均值就越少,反之亦然。
标准偏差的大小可通过标准偏差与平均值的倍率关系来衡量。
S 是样本标准差,表示样本参数的离散程度, i 从1到n,∑是总和, X 是样本均值2、掌握测量数据处理的基本步骤实验数据的处理方法实验结果的表示,首先取决于实验的物理模式,通过被测量之间的相互关系,考虑实验结果的表示方法。
常见的实验结果的表示方法是有图解法和方程表示法。
在处理数据时可根据需要和方便选择任何一种方法表示实验的最后结果。
(1)实验结果的图形表示法。
把实验结果用函数图形表示出来,在实验工作中也有普遍的实用价值。
它有明显的直观性,能清楚的反映出实验过程中变量之间的变化进程和连续变化的趋势。
精确地描制图线,在具体数学关系式为未知的情况下还可进行图解,并可借助图形来选择经验公式的数学模型。
因此用图形来表示实验的结果是每个中学生必须掌握的。
图解法主要问题是拟合面线,一般可分五步来进行。
①整理数据,即取合理的有效数字表示测得值,剔除可疑数据,给出相应的测量误差。
②选择坐标纸,坐标纸的选择应为便于作图或更能方使地反映变量之间的相互关系为原则。
可根据需要和方便选择不同的坐标纸,原来为曲线关系的两个变量经过坐标变换利用对数坐标就要能变成直线关系。
常用的有直角坐标纸、单对数坐标纸和双对数坐标纸。
③坐标分度,在坐标纸选定以后,就要合理的确定图纸上每一小格的距离所代表的数值,但起码应注意下面两个原则:a.格值的大小应当与测量得值所表达的精确度相适应。
b.为便于制图和利用图形查找数据每个格值代表的有效数字尽量采用1、2、4、5避免使用3、6、7、9等数字。
④作散点图,根据确定的坐标分度值将数据作为点的坐标在坐标纸中标出,考虑到数据的分类及测量的数据组先后顺序等,应采用不同符号标出点的坐标。
常用的符号有:×○●△■等,规定标记的中心为数据)(1-n )(2∑-=X Xi S nXi X ∑=的坐标。
⑤拟合曲线,拟合曲线是用图形表示实验结果的主要目的,也是培养学生作图方法和技巧的关键一环,拟合曲线时应注意以下几点: a.转折点尽量要少,更不能出现人为折曲。
b.曲线走向应尽量靠近各坐标点,而不是通过所有点。
c.除曲线通过的点以外,处于曲线两侧的点数应当相近。
⑥注解说明,规范的作图法表示实验结果要对得到的图形作必要的说明,其内容包括图形所代表的物理定义、查阅和使用图形的方法,制图时间、地点、条件,制图数据的来源等。
(2)实验结果的方程表示法。
方程式是中学生应用较多的一种数学形式,利用方程式表示实验结果。
不仅在形式上紧凑,并且也便于作数学上的进一步处理。
实验结果的方程表示法一般可分以下四步进行。
①确立数学模型,对于只研究两个变量相互关系的实验,其数学模型可借助于图解法来确定,首先根据实验数据在直角坐标系中作出相应图线,看其图线是否是直线,反比关系曲线,幂函数曲线,指数曲线等,就可确定出经验方程的数学模型分别为:Y=a+bx,Y=a+b/x,Y=a\b,Y=aexp(bx)②改直,为方便的求出曲线关系方程的未定系数,在精度要求不高的情况下,在确定的数学模型的基础上,通过对数学模型求对数方法,变成为直线方程,并根据实验数据用单对数(或双对数)坐标系作出对应的直线图③求出直线方程未定系数,根据改直后直线图形,通过学生已经掌握的解析几何的原理,就可根据坐标系内的直线找出其斜率和截距,确定出直线方程的两个未定系数。
④求出经验方程,将确定的两个未定系数代入数学模型,即得到中学生比较习惯的直角坐标系的经验方程。
.作图法:根据实验数据通过描图求斜率可以有效减少误差。
(多用于所求未知量可表示为比值时)2.列表法:主要原理是用控制变量来求出未知量(多用于2个以上未知量时或求表达式时)3.公式法:通过已知公式,直接代入实验数据求得(最简单的一种,常用于检验定理/公式的正确性)物理实验数据的处理方法实验数据是对实验定量分析的依据,是探索、验证物理规律的第一手资料。
在系统误差一定的情况下,实验数据处理得恰当与否,会直接影响偶然误差的大小。
所以对实验数据的处理是实验复习的重要内容之一。