统一螺纹标准(美制螺纹)
- 格式:doc
- 大小:139.00 KB
- 文档页数:4
美制螺纹标准美制螺纹标准,又称为UNC(Unified National Coarse Thread)和UNF(Unified National Fine Thread),是美国国家标准协会(ANSI)制定的一种螺纹标准。
它是一种常见的螺纹标准,广泛应用于机械制造、航空航天、汽车制造等领域。
本文将介绍美制螺纹标准的特点、应用范围以及相关的注意事项。
美制螺纹标准分为UNC和UNF两种类型。
UNC螺纹是一种粗螺纹,螺距较大,适用于对连接强度要求不高的场合;而UNF螺纹是一种细螺纹,螺距较小,适用于对连接强度要求较高的场合。
这两种螺纹标准都采用英寸作为单位,常见的规格有1/4-20、5/16-18、3/8-16等。
在实际应用中,选择合适的螺纹标准至关重要。
首先,需要根据连接件的材料和使用环境来确定使用UNC还是UNF螺纹。
一般来说,对于硬度较大的材料或者对连接强度要求较高的场合,应选择UNF螺纹;而对于一般材料或者连接强度要求不高的场合,可以选择UNC螺纹。
其次,还需要根据连接件的尺寸和使用要求来确定具体的螺纹规格。
选择合适的螺纹规格可以确保连接件的可靠性和稳定性。
除了选择合适的螺纹标准外,安装和使用过程中也需要注意一些细节。
首先,安装时需要确保螺纹连接的正确性和紧固力度,避免出现松动或者漏气现象。
其次,在使用过程中需要定期检查连接件的状态,确保螺纹没有损坏或者磨损。
另外,还需要注意螺纹连接件的防锈和防腐,选择合适的润滑剂或者防腐涂层,延长使用寿命。
总之,美制螺纹标准是一种重要的螺纹标准,广泛应用于各种机械制造领域。
选择合适的螺纹标准和规格,以及注意安装和使用过程中的细节,可以确保连接件的可靠性和稳定性,提高整体的工作效率和安全性。
希望本文的介绍能够帮助大家更好地理解和应用美制螺纹标准,为相关行业的发展和进步贡献一份力量。
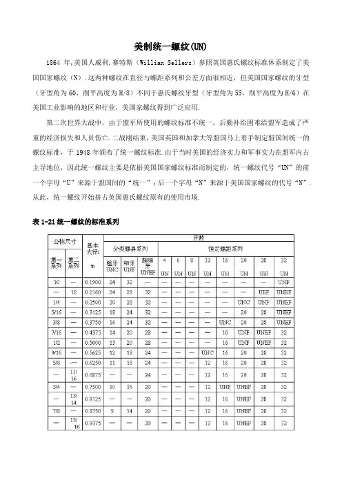
美制统一螺纹(UN)
1864年,美国人威利.赛特斯(Willian Sellers)参照英国惠氏螺纹标准体系制定了美国国家螺纹(N).这两种螺纹在直径与螺距系列和公差方面很相近,但美国国家螺纹的牙型(牙型角为60,削平高度为H/8)不同于惠氏螺纹牙型(牙型角为55,削平高度为H/6)在美国工业影响的地区和行业,美国家螺纹得到广泛应用.
第二次世界大战中,由于盟军所使用的螺纹标准不统一,后勤补给困难给盟军造成了严重的经济损失和人员伤亡.二战刚结束,美国英国和加拿大等盟国马上着手制定盟国间统一的螺纹标准,于1948年颁布了统一螺纹标准.由于当时美国的经济实力和军事实力在盟军内占主导地位,因此统一螺纹主要是依据美国国家螺纹标准而制定的,统一螺纹代号“UN”的前一个字母“U”来源于盟国间的“统一”;后一个字母“N”来源于美国国家螺纹的代号“N”.从此,统一螺纹开始挤占英国惠氏螺纹原有的使用市场.
表1-21统一螺纹的标准系列
统一粗牙螺纹(UNC或UNRC)的基本尺寸
公称直径基本大
径
D
牙
数
n
基本中
径
D2
UNR外螺纹设计
牙型小径(参考)
D2
内螺纹基本小径
D2
1/428 5/1624 3/824 7/1620 1/220
统一细牙螺纹(UNC或UNRC)的基本尺寸。
美制统一螺纹(U N)的
标准系列及基本尺寸-CAL-FENGHAI.-(YICAI)-Company One1
美制统一螺纹(UN)
1864年,美国人威利.赛特斯(Willian Sellers)参照英国惠氏螺纹标准体系制定了美国国家螺纹(N).这两种螺纹在直径与螺距系列和公差方面很相近,但美国国家螺纹的牙型(牙型角为60,削平高度为H/8)不同于惠氏螺纹牙型(牙型角为55,削平高度为H/6)在美国工业影响的地区和行业,美国家螺纹得到广泛应用.
第二次世界大战中,由于盟军所使用的螺纹标准不统一,后勤补给困难给盟军造成了严重的经济损失和人员伤亡.二战刚结束,美国英国和加拿大等盟国马上着手制定盟国间统一的螺纹标准,于1948年颁布了统一螺纹标准.由于当时美国的经济实力和军事实力在盟军内占主导地位,因此统一螺纹主要是依据美国国家螺纹标准而制定的,统一螺纹代号“UN”的前一个字母“U”来源于盟国间的“统一”;后一个字母“N”来源于美国国家螺纹的代号“N”.从此,统一螺纹开始挤占英国惠氏螺纹原有的使用市场.
表1-21统一螺纹的标准系列
公称直径基本大
径
D
牙数
n
基本中
径
D2
UNR外螺纹设计牙
型小径(参考)D2
内螺纹基本小径
D2
1/428 5/1624
统一细牙螺纹(UNC或UNRC)的基本尺寸。
英、美制紧固件螺纹英寸制螺纹包括惠氏螺纹(Whitworth thread)和统一标准螺纹(Unified thread)。
惠氏螺纹是英国英寸制规格紧固件用普通螺纹,其牙型角为55°,习惯用公称直径(单位为英寸inch)及每英寸牙数来表示,尺寸单位采用符号“””。
例如:1/2”-12BSW表示公称直径为1/2”的粗牙惠氏螺纹。
统一标准螺纹是美国英寸制规格紧固件用普通螺纹,其牙型角为60°,一般用号码(公称直径﹤1/4”)或公称直径的英寸分数(≥1/4”)、每英寸牙数和代号(UNC、UNF)来表示。
例如:1/2”-13UNC表示公称直径为1/2”的粗牙统一标准螺纹。
惠氏螺纹和统一标准螺纹公称直径与每英寸牙数备注:各种英、美制螺纹代号说明BA-British AssociationBSW-British Standard Whi tworthBSF-British Standard FineBSP-British Standard PipeBSPT-British Standard Pipe TaperedBSC-British Standard CycleUNC-Unified National CourseUNF-Unified National FineUNEF-Unified National Extra FineUNM-Unified National MiniatureNPT-National Pipe Tapered1-14 UNS 2B它是美标统一螺纹的一种标注方法1表示:公称直径,即螺纹的大径尺寸,也可以用分数值、螺纹号码或等值小数表示。
14表示:每英寸的牙数(即螺距),表示25.4MM(即1英寸)内有效牙数,(螺距计算方法=25.4MM÷牙数)UNC表示:它是统一螺纹系列中一种螺纹,统一螺纹可分为UN、UNS、UNEF、UNC、UNF2表示:螺纹精度等级,有1、2、3级,3级为无间隙配合,用于精度要求高场合;2级为一般用途的螺纹紧固件;1级为配合后螺纹间隙大B表示:内螺纹(若是A则表示外螺纹)统一螺纹:Unified Screw Threads( 由英国(United Kingdom)、加拿大(Canada)和美国(United States)於948年共同制定;UN:外螺纹设计牙型根部可平可圆(A flat root contour is specified ,but it is necessary to provide for some threading tool crest wear, hence a rounded root contour cleared beyond the 0.25p flat width of the Basic Profile is optional.)UNR:外螺纹设计牙型根部必须为圆弧(In order to reduce the rate of threading toolcrest wear and to improve fatigue strength of a flat root thread, the Design Profile of the UNR thread has a non-reversing continuous curved root tangent to the thread flanks at a depth of 0.625 H.)UNC:粗牙系列(Coarse-Thread Series);UNF:细牙系列(Fine-Thread Series);UNEF:超细牙系列(Extra-Fine-Thread Series);UNS:特殊螺距系列(Selected Combinations和Other Threads of Special Diameters, Pitches, and Lengths of Engagement);另外还有恒定螺距系列(Constant Pitch Series),有8UN、12UN、16UN等等,不一一列举。
美制统一螺纹(U N)的标准系
列及基本尺寸
-CAL-FENGHAI-(2020YEAR-YICAI)_JINGBIAN
美制统一螺纹(UN)
1864年,美国人威利.赛特斯(Willian Sellers)参照英国惠氏螺纹标准体系制定了美国国家螺纹(N).这两种螺纹在直径与螺距系列和公差方面很相近,但美国国家螺纹的牙型(牙型角为60,削平高度为H/8)不同于惠氏螺纹牙型(牙型角为55,削平高度为H/6)在美国工业影响的地区和行业,美国家螺纹得到广泛应用.
第二次世界大战中,由于盟军所使用的螺纹标准不统一,后勤补给困难给盟军造成了严重的经济损失和人员伤亡.二战刚结束,美国英国和加拿大等盟国马上着手制定盟国间统一的螺纹标准,于1948年颁布了统一螺纹标准.由于当时美国的经济实力和军事实力在盟军内占主导地位,因此统一螺纹主要是依据美国国家螺纹标准而制定的,统一螺纹代号“UN”的前一个字母“U”来源于盟国间的“统一”;后一个字母“N”来源于美国国家螺纹的代号“N”.从此,统一螺纹开始挤占英国惠氏螺纹原有的使用市场.
表1-21统一螺纹的标准系列
公称直径基本大
径
D
牙数
n
基本中
径
D2
UNR外螺纹设计牙
型小径(参考)D2
内螺纹基本小径
D2
1/428 5/1624
统一细牙螺纹(UNC或UNRC)的基本尺寸。
美制统一螺纹表UNC,UNF美制统一螺纹表 UNC、UNF在机械制造和工程领域,螺纹的应用无处不在,而美制统一螺纹更是其中重要的一员。
美制统一螺纹分为 UNC(粗牙螺纹)和 UNF(细牙螺纹)两种类型,它们在不同的场景中发挥着关键作用。
UNC 螺纹,即美制统一粗牙螺纹,具有较大的螺距。
这使得它在需要快速装配和拆卸的场合中表现出色,例如一些不太需要高精度紧固的结构连接。
由于螺距较大,UNC 螺纹能够更快地完成拧入和拧出的动作,提高了工作效率。
UNF 螺纹,也就是美制统一细牙螺纹,与 UNC 螺纹相比,螺距较小。
这一特点赋予了 UNF 螺纹更好的密封性和紧固性。
在对密封性和紧固力要求较高的环境中,如高压管道连接、精密仪器的组装等,UNF 螺纹往往是首选。
美制统一螺纹的规格通常通过一系列参数来描述。
首先是螺纹的公称直径,它代表了螺纹的大致尺寸。
例如常见的 1/4 英寸、1/2 英寸等规格。
其次是每英寸的牙数,这对于区分UNC 和UNF 螺纹至关重要。
UNC 螺纹每英寸的牙数相对较少,而UNF 螺纹每英寸的牙数则较多。
在实际应用中,选择使用 UNC 还是 UNF 螺纹需要综合考虑多个因素。
如果需要承受较大的载荷,并且对装配速度有要求,那么 UNC 螺纹可能更合适。
然而,如果连接部位需要防止泄漏,或者需要提供更精确和稳定的紧固力,UNF 螺纹则会更胜一筹。
此外,美制统一螺纹的精度等级也是一个需要关注的重要方面。
不同的精度等级适用于不同的工作条件和要求。
高精度等级的螺纹通常用于对精度要求极高的设备和部件,而一般精度等级的螺纹则能满足大多数普通应用场景的需求。
为了确保美制统一螺纹的正确使用和良好性能,在加工和制造过程中需要严格遵循相关的标准和规范。
这包括使用合适的刀具和量具,以及控制加工过程中的各项参数,如切削速度、进给量等。
在检测美制统一螺纹时,通常会使用螺纹量规等专用工具。
这些量规能够准确地测量螺纹的各项参数,以判断其是否符合标准要求。
美制统一螺纹表UNC,UNF美制统一螺纹表 UNC、UNF在机械制造和工程领域,螺纹连接是一种常见且至关重要的连接方式。
美制统一螺纹作为其中的重要一员,其 UNC 和 UNF 规格更是被广泛应用。
接下来,让我们深入了解一下美制统一螺纹表中的 UNC 和UNF。
美制统一螺纹,是由美国国家标准协会(ANSI)制定的螺纹标准。
它的出现旨在统一各种不同的螺纹规格,提高互换性和通用性,促进了工业生产的标准化和效率提升。
UNC 螺纹,即粗牙统一螺纹。
其特点是螺距较大,螺纹牙型较深,具有较高的强度和承载能力。
这使得 UNC 螺纹在一些对连接强度要求较高、承受较大载荷的场合得到广泛应用,比如大型机械结构、建筑构件等。
UNF 螺纹,则是细牙统一螺纹。
相较于 UNC 螺纹,UNF 螺纹的螺距较小,螺纹牙型较浅。
这使得它在需要更精密的连接、更好的密封性或者在空间有限的情况下更具优势。
例如,在汽车发动机部件、精密仪器仪表等领域,UNF 螺纹常常是首选。
从螺纹的尺寸规格来看,UNC 和UNF 螺纹都有一系列的标准尺寸。
以常见的英寸为单位,螺纹的直径通常从 1/4 英寸到 1 英寸不等。
对于每个直径尺寸,UNC 和 UNF 都有对应的螺距。
在实际应用中,选择使用 UNC 还是 UNF 螺纹,需要综合考虑多个因素。
首先是载荷情况,如果连接需要承受较大的拉伸、压缩或剪切力,那么 UNC 螺纹可能更合适;而对于一些需要精确调整、密封要求高的场合,UNF 螺纹则表现更佳。
其次是空间限制,如果安装空间较为狭小,UNF 螺纹由于其较小的螺距和较浅的牙型,可能更容易安装。
另外,加工难度也是一个需要考虑的因素。
一般来说,UNC 螺纹由于螺距较大,加工相对较容易;而 UNF 螺纹由于螺距较小,对加工设备和工艺的要求更高,加工成本也相应增加。
在螺纹的检测和测量方面,有专门的量具和方法。
常用的量具包括螺纹规、千分尺等。
通过这些量具,可以准确测量螺纹的直径、螺距、牙型等参数,以确保螺纹的质量和符合标准。
美制统一螺纹(UN)
1864年,美国人威利.赛特斯(Willian Sellers)参照英国惠氏螺纹标准体系制定了美国国家螺纹(N).这两种螺纹在直径与螺距系列和公差方面很相近,但美国国家螺纹的牙型(牙型角为60,削平高度为H/8)不同于惠氏螺纹牙型(牙型角为55,削平高度为H/6)在美国工业影响的地区和行业,美国家螺纹得到广泛应用.
第二次世界大战中,由于盟军所使用的螺纹标准不统一,后勤补给困难给盟军造成了严重的经济损失和人员伤亡.二战刚结束,美国英国和加拿大等盟国马上着手制定盟国间统一的螺纹标准,于1948年颁布了统一螺纹标准.由于当时美国的经济实力和军事实力在盟军内占主导地位,因此统一螺纹主要是依据美国国家螺纹标准而制定的,统一螺纹代号“UN”的前一个字母“U”来源于盟国间的“统一”;后一个字母“N”来源于美国国家螺纹的代号“N”.从此,统一螺纹开始挤占英国惠氏螺纹原有的使用市场.
表1-21统一螺纹的标准系列
统一粗牙螺纹(UNC或UNRC)的基本尺寸
统一细牙螺纹(UNC或UNRC)的基本尺寸。
.
(UN)
美制统一螺纹)参照英国惠氏螺纹标准体系制定了美Willian Sellers.赛
特斯(1864年,美国人威利这两种螺纹在直径与螺距系列和公差方面很相近,但美国国家螺纹的牙型.N)国国家螺纹()在,削平高度为H/6H/860,削平高度为)不同于惠氏螺纹牙型(牙型角为55(牙型角为.
美国工业影响的地区和行业,美国家螺纹得到广泛应用第二次世界大战中,由于盟军所使用的螺纹标准不统一,后勤补给困难给盟军造成了严美国英国和加拿大等盟国马上着手制定盟国间统一的.二战刚结束,重的经济损失和人员伤亡由于当时美国的经济实力和军事实力在盟军内占年颁布了统一螺纹标准.螺纹标准,于1948主导地位,因此统一螺纹主要是依据美国国家螺纹标准而制定的,统一螺纹代号“UN”的前后一个字母“N”来源于美国国家螺纹的代号“N”.一个字母“U”来源于盟国间的“统一”;.
从此,统一螺纹开始挤占英国惠氏螺纹原有的使用市场
统一螺纹的标准系列1-21表
统一粗牙螺纹(UNC或UNRC)的基本尺寸
公称直基本大牙数基本中UNR外螺纹设计牙型内螺纹基本小径
D2
小径(参考)径径径
D2 n
D2
D
0.2113
0.2500 1/4 28 0.2268 0.2074
;.
.
5/16 0.3125 24 0.2854 0.2629 0.2674 )的基本尺寸UNRC统一细牙螺纹(UNC或
;.。
美制统一螺纹(UN)
1864年,美国人威利.赛特斯(Willian Sellers)参照英国惠氏螺纹标准体系制定了美国国家螺纹(N).这两种螺纹在直径与螺距系列和公差方面很相近,但美国国家螺纹的牙型(牙型角为60,削平高度为H/8)不同于惠氏螺纹牙型(牙型角为55,削平高度为H/6)在美国工业影响的地区和行业,美国家螺纹得到广泛应用.
第二次世界大战中,由于盟军所使用的螺纹标准不统一,后勤补给困难给盟军造成了严重的经济损失和人员伤亡.二战刚结束,美国英国和加拿大等盟国马上着手制定盟国间统一的螺纹标准,于1948年颁布了统一螺纹标准.由于当时美国的经济实力和军事实力在盟军内占主导地位,因此统一螺纹主要是依据美国国家螺纹标准而制定的,统一螺纹代号“UN”的前一个字母“U”来源于盟国间的“统一”;后一个字母“N”来源于美国国家螺纹的代号“N”.从此,统一螺纹开始挤占英国惠氏螺纹原有的使用市场.
表1-21统一螺纹的标准系列
公称直径基本大
径
D
牙数
n
基本中
径
D2
UNR外螺纹设计牙
型小径(参考)D2
内螺纹基本小径
D2
1/428 5/1624
统一细牙螺纹(UNC或UNRC)的基本尺寸。
美制螺纹美制标准螺纹(也称统一制螺纹)量规用于检测螺纹的内外牙,螺纹牙形角60度,由外径、每英寸牙数、精度组合表示,如1/4-20UNC-2B,表示1/4英寸外径、每英寸20牙、2B精度内螺纹塞规,若是左旋旋向,应加LH表示。
美制内螺纹默认精度为2B,3B紧密级亦可提供,此外美制外螺纹的默认精度为2A,紧密级精度为3A,订货时注明精度,不提供精度按默认精度提供。
美制螺纹系列众多,美制粗牙(UNC)、美制细牙(UNF)、美制特细牙(UNEF)、美制不变螺距螺纹(UN)、美制特殊螺纹(UNS)。
还有一些美制牙将另外描叙。
第二次世界大战中,盟军的武器和装备所使用的螺纹主要有两种:一种是英国的惠氏螺纹(BSW、BSF);另一种是美国国家螺纹(UNC、UNF、UNEF、UN、UNS);由于两种螺纹的标准不统一,给盟军造成了严重的经济损失和人员伤亡。
二战结束以后,美国、英国和加拿大等盟国马上制定了统一的螺纹标准,由于当时美国的经济实力和军事实力在盟军中占主导地位,统一制螺纹主要是依据美国国家螺纹标准制定的,因此,在紧固螺纹领域,统一制螺纹开始挤占英国惠氏螺纹的使用市场,惠氏螺纹的圆弧牙顶和牙底牙型,叫英国吃了苦果;另外,澳大利亚、马来西亚、印度尼西亚、阿根廷、智利、比利时、匈牙利、意大利、瑞典、捷克等各国家也制定了惠氏螺纹国家标准。
现在世界各国使用惠氏螺纹(BSW、BSF)的国家在不断减少,取而代之的是统一制螺纹(UNC、UNF、UNEF、UN、UNS)。
美制螺纹(UNC、UNF、UNEF、UN、UNS)相关规格:NO:0-80UNF、NO:1-64UNC、NO:2-56UNC、NO:3-48UNC、NO:4-40UNC、NO:4-48UNF、NO:5-40UNC、NO:6-32UNC、NO:6-40UNF、NO:8-32UNC、NO:8-36UNC、NO:10-24UNC、NO:10-32UNF、NO:10-40UNS、NO:12-24UNC、NO:12-28UNF、NO:12-36UNS、1/4-20UNC、1/4-24UNS、1/4-28UNF、1/4-32UNEF、5/16-18UNC、5/16-20UN、5/16-24UNF、5/16-27UNS、5/16-32UNEF、3/8-16UNC、3/8-20UN、3/8-24UNF、3/8-32UNEF、7/16-14UNC、7/16-20UNF、7/16-24UNS、7/16-28UNEF、1/2-12UNS、1/2-13UNC、1/2-16UN、1/2-20UNF、1/2-28UNEF、9/16-12UNC、9/16-18UNF、9/16-24UNEF、5/8-11UNC、5/8-18UNF、5/8-24UNEF、3/4-10UNC、3/4-16UNF、3/4-20UNEF、3/4-24UNS、7/8-14UNF、7/8-20UNEF、7/8-24UNS、15/16-28UN、1"-8UNC、1"-12UNF、1"-20UNEF、1-1/8-12UNF、1-1/8-16UN、1-1/4-7UNC、1-1/4-12UNF、1-1/2-6UNC等等。
美制螺纹美制标准螺纹(也称统一制螺纹)量规用于检测螺纹的内外牙,螺纹牙形角60度,由外径、每英寸牙数、精度组合表示,如1/4-20UNC-2B,表示1/4英寸外径、每英寸20牙、2B精度内螺纹塞规,若是左旋旋向,应加LH表示。
美制内螺纹默认精度为2B,3B紧密级亦可提供,此外美制外螺纹的默认精度为2A,紧密级精度为3A,订货时注明精度,不提供精度按默认精度提供。
美制螺纹系列众多,美制粗牙(UNC)、美制细牙(UNF)、美制特细牙(UNEF)、美制不变螺距螺纹(UN)、美制特殊螺纹(UNS)。
还有一些美制牙将另外描叙。
第二次世界大战中,盟军的武器和装备所使用的螺纹主要有两种:一种是英国的惠氏螺纹(BSW、BSF);另一种是美国国家螺纹(UNC、UNF、UNEF、UN、UNS);由于两种螺纹的标准不统一,给盟军造成了严重的经济损失和人员伤亡。
二战结束以后,美国、英国和加拿大等盟国马上制定了统一的螺纹标准,由于当时美国的经济实力和军事实力在盟军中占主导地位,统一制螺纹主要是依据美国国家螺纹标准制定的,因此,在紧固螺纹领域,统一制螺纹开始挤占英国惠氏螺纹的使用市场,惠氏螺纹的圆弧牙顶和牙底牙型,叫英国吃了苦果;另外,澳大利亚、马来西亚、印度尼西亚、阿根廷、智利、比利时、匈牙利、意大利、瑞典、捷克等各国家也制定了惠氏螺纹国家标准。
现在世界各国使用惠氏螺纹(BSW、BSF)的国家在不断减少,取而代之的是统一制螺纹(UNC、UNF、UNEF、UN、UNS)。
美制螺纹(UNC、UNF、UNEF、UN、UNS)相关规格:NO:0-80UNF、NO:1-64UNC、NO:2-56UNC、NO:3-48UNC、NO:4-40UNC、NO:4-48UNF、NO:5-40UNC、NO:6-32UNC、NO:6-40UNF、NO:8-32UNC、NO:8-36UNC、NO:10-24UNC、NO:10-32UNF、NO:10-40UNS、NO:12-24UNC、NO:12-28UNF、NO:12-36UNS、1/4-20UNC、1/4-24UNS、1/4-28UNF、1/4-32UNEF、5/16-18UNC、5/16-20UN、5/16-24UNF、5/16-27UNS、5/16-32UNEF、3/8-16UNC、3/8-20UN、3/8-24UNF、3/8-32UNEF、7/16-14UNC、7/16-20UNF、7/16-24UNS、7/16-28UNEF、1/2-12UNS、1/2-13UNC、1/2-16UN、1/2-20UNF、1/2-28UNEF、9/16-12UNC、9/16-18UNF、9/16-24UNEF、5/8-11UNC、5/8-18UNF、5/8-24UNEF、3/4-10UNC、3/4-16UNF、3/4-20UNEF、3/4-24UNS、7/8-14UNF、7/8-20UNEF、7/8-24UNS、15/16-28UN、1"-8UNC、1"-12UNF、1"-20UNEF、1-1/8-12UNF、1-1/8-16UN、1-1/4-7UNC、1-1/4-12UNF、1-1/2-6UNC等等。
美制统一螺纹(UN)
1864年,美国人威利.赛特斯(Willian Sellers)参照英国惠氏螺纹标准体系制定了美国国家螺纹(N).这两种螺纹在直径与螺距系列和公差方面很相近,但美国国家螺纹的牙型(牙型角为60,削平高度为H/8)不同于惠氏螺纹牙型(牙型角为55,削平高度为H/6)在美国工业影响的地区和行业,美国家螺纹得到广泛应用.
第二次世界大战中,由于盟军所使用的螺纹标准不统一,后勤补给困难给盟军造成了严重的经济损失和人员伤亡.二战刚结束,美国英国和加拿大等盟国马上着手制定盟国间统一的螺纹标准,于1948年颁布了统一螺纹标准.由于当时美国的经济实力和军事实力在盟军内占主导地位,因此统一螺纹主要是依据美国国家螺纹标准而制定的,统一螺纹代号“UN”的前一个字母“U”来源于盟国间的“统一”;后一个字母“N”来源于美国国家螺纹的代号“N”.从此,统一螺纹开始挤占英国惠氏螺纹原有的使用市场.
表1-21统一螺纹的标准系列
公称直径基本大
径
D
牙数
n
基本中
径
D2
UNR外螺纹设计牙型
小径(参考)D2
内螺纹基本小径
D2
1/4 0.2500 28 0.2268 0.2074 0.2113 5/16 0.3125 24 0.2854 0.2629 0.2674
统一细牙螺纹(UNC或UNRC)的基本尺寸。
美国标准管螺纹一. 标准:ANSI B1.20.1美国标准管螺纹。
美国标准管螺纹不仅用于压力较低的水、煤气管道,也同时用于高温、高压系统。
就管螺纹而言,目前在世界范围内形成了以ISO标准为一方,以美国标准为另一方的两大管螺纹标准体系。
二. 螺纹类型1. 基本牙型:牙型角60°。
锥度1:16。
牙型为平顶平底。
2. 基本类型NPT 一般用途的美国标准锥管螺纹NPSC 管接头用美国标准直管螺纹NPTR 导杆连接用美国标准锥管螺纹NPSM 设备上的自由配合机械连接用美国标准直管螺纹NPSL 锁紧螺母的松配合机械连接用美国标准直管螺纹另有薄壁管上采用的UNS——薄壁管用特殊统一螺纹三. 一般用途的锥管螺纹NPT1. 标记:3/8-18NPT。
2. 基本中径和基准距离:锥管螺纹的基本中径是根据管子外径、螺距和手旋合长度确定的,内外螺纹之间用手旋合的公称长度为基准距离,内螺纹的基面为螺纹大端处截面(该截面上的螺纹中径为基本中径),外螺纹基面在离小端距离为基准距离处。
3. 常用螺纹尺寸尺寸代号每寸牙数大径中径小径建议底孔基准距离牙数1/8 27 10.242 9.489 8.736 φ8.6 4.102 4.361/4 18 13.616 12.487 11.358 φ11.1 5.786 4.103/8 18 17.055 15.926 14.797 φ14.5 6.096 4.321/2 14 21.223 19.772 18.321 φ17.9 8.128 4.483/4 14 26.568 25.117 23.666 φ23.2 8.611 4.751 11.5 33.228 31.461 29.694 φ29.2 10.160 4.601-1/4 11.5 41.985 40.218 38.451 φ37.9 10.668 4.831-1/2 11.5 48.054 46.287 44.520 φ43.9 10.668 4.83四. 管接头用直管内螺纹NPSF1. 该螺纹与标准锥管螺纹装配时,能形成耐压密封连接,但只在压力较低的情况下才采用。
美制统一螺纹表UNC,UNF 美制统一螺纹表 UNC,UNF在机械制造和工程领域,螺纹的应用无处不在。
而美制统一螺纹作为其中重要的一种,其 UNC 和 UNF 规格更是具有广泛的用途。
首先,我们来了解一下什么是美制统一螺纹。
美制统一螺纹是美国国家标准 ANSI 采用的螺纹标准,它具有一系列明确的规范和特点。
UNC 螺纹,全称为 Unified National Coarse Thread(统一国家粗牙螺纹)。
这种螺纹的特点是螺距较大,牙型较为粗壮,适用于对连接强度要求较高的场合。
比如在大型机械结构的连接中,UNC 螺纹能够提供足够的承载能力和稳定性。
UNF 螺纹,全称为 Unified National Fine Thread(统一国家细牙螺纹)。
与 UNC 螺纹相比,UNF 螺纹的螺距较小,牙型更为精细。
这使得 UNF 螺纹在一些对精度和密封性要求较高的应用中表现出色。
例如,在汽车发动机的部件连接、精密仪器的组装等方面,UNF 螺纹常常是首选。
那么,UNC 和 UNF 螺纹具体的规格参数是怎样的呢?UNC 螺纹的常见规格包括 1/4 20 UNC、3/8 16 UNC 等等。
其中,“1/4”和“3/8”表示螺纹的公称直径,“20”和“16”则表示每英寸的螺纹牙数。
UNC 螺纹的牙型角为60 度,其牙顶和牙底都有一定的圆弧半径,以增加螺纹的强度和减少应力集中。
UNF 螺纹的规格例如 1/4 28 UNF、3/8 24 UNF 等。
同样,公称直径在前,每英寸牙数在后。
UNF 螺纹由于螺距较小,所以在相同的公称直径下,其螺纹深度相对较浅。
在实际应用中,选择使用 UNC 还是 UNF 螺纹需要考虑多个因素。
如果连接需要承受较大的载荷和冲击,通常会优先选择 UNC 螺纹,因为其粗壮的牙型能够提供更好的强度。
而当对连接的密封性、精度或微调要求较高时,UNF 螺纹则更为合适。
此外,UNC 和 UNF 螺纹的加工和检测也有一定的要求和方法。
统一螺纹标准(美制螺纹标准)
统一螺纹标准(UTS)规定了一种标准螺纹形式和其他一系列数据,包括公差、容差和名称,通常多用于美国和加拿大。
它和世界其他地方常用的ISO公制螺纹相同,有着60°的牙型角,只是UTS螺纹的主要尺寸(外径和螺距)以英寸为单位,用分数表示,而不是以毫米为单位的整数值。
UTS目前由美国机械工程师协会/美国国家标准化组织(ASME/ANSI)管理控制。
基本齿廓
在本系列螺纹中,每个螺纹由大径Dmaj和螺距P规定。
UTS螺纹包括一个对称的V形螺纹。
在螺纹轴线
的平面上,V形两边形成60°
的夹角,V形高度为H,其最上
的0.125和最下的0.25被切
掉。
螺距P指两个螺纹顶端之
间的距离。
UTS螺纹为单线螺
纹,螺距等于导程(螺纹每
360°的轴向距离)。
UTS螺纹通
常不用螺距这一参数,而用每
英寸的牙数(TPI),它与螺距
互为倒数。
高度H和螺距P关系如下:
在外螺纹中(如螺栓),大直径Dmaj和小直径Dmin规定了螺纹的最大尺寸。
这也就是说,外螺纹直径最大为Dmaj,但最小直径可小于小径Dmin。
相反,在内螺纹中(如螺母),大径和小径为最小尺寸,因此螺纹最小尺寸为Dmin,但最大尺寸可大于Dmaj。
小径Dmin和有效中径Dp是通过大径和螺距得来的,见下式:
名称
UTS螺纹的标准名称由一个表示螺纹公称直径(大径)的数字,后跟每英寸的牙数表示。
对直径小于1/4英寸的,标准中规定用一个整数表示。
所有其他直
径均以英寸表示。
这组数字后可跟字母UNC、UNF或UNEF,分别表示“粗螺纹”、“细螺纹”或“超细螺纹”,或者也可跟公差级别。
例:
6-32 UNC 2B (大径:0.1380英寸,螺距:32牙/英寸)
常用尺寸
大径(in)圈/英寸大径(mm)丝锥
粗UNC 细UNF 超细
粗细超细
(UNEF
这些数字大致遵循一个对数级数,每增加一个螺纹尺寸,其螺纹抗拉强度约增加一倍。
规格大于等于0#的螺纹,可用下列公式计算其大径:大径=螺纹#×0.013"
+0.060"。
例如,规格为10的计算方法为:#10×0.013"+0.060"=0.190"大径。
统一微型螺纹系列用于直径为0.3~1.4mm(0.0118~0.0551in)的紧固件上,其规定见美国国家标准化组织(ANSI)标准B1.10。
它们用于手表、仪器和小型机械,与按ISO标准68制造的螺纹可以互换。
这些螺纹型号用多个零表示,如#000。
小于0#的螺纹大径计算公式为:大径=零型号×0.013"-0.060",其中“零型号”指第一个零后面的零的个数。
因此#00螺纹直径为0.047",#000直径为0.034"等。
机械螺纹系列以前曾包含奇数,并达16#或以上。
19世纪末20世纪初将其标准化,螺纹型号的范围大大缩小。
现在大于14#的机械螺纹或除1#、3#、5#外的奇数型号都比较少见。
尽管仍然可见到14#和16#螺纹,但它们不如0#到12#螺纹更常见。
有时要用特殊直径和螺距的螺纹(UNS),例如大径为0.619英寸(15.7mm),20牙/英寸。
UNS螺纹很少用于螺栓,而用于螺母、丝孔和其他螺纹外径上。
UNS 丝锥可容易买到。
大多数UNS螺纹每英寸牙数要多于其相应的UNF或UNEF标准,它们通常是可买到的强度最高的螺纹,因此常用在需要高应力的地方,如机械刀轴或自动推进轴。
测量
一个螺纹测量体系包括一系列螺纹关键数据和用于检测这些数据的量规,确定一个带螺纹的产品是否合格必需对这些关键数据进行检测。
目前, UTS的测量通过下列标准进行控制:
■ASME/ANSI B1.2-1983统一螺纹量规和测量(英寸)
■ASME/ANSI B1.3M-1992螺纹测量体系尺寸合格标准(英寸米制螺纹)这些标准为内外螺纹产品上的统一英寸螺纹((UN、UNR、UNJ螺纹)提供了必要的测量规格和尺寸,包括量规和测量设备的规格和尺寸,并描述了每种量规的基本目的和用途,而且建立了一个测量体系的螺纹合格标准。
公差级别
对螺纹进行分级是为了制造方便以及螺纹结构的可互换性。
大多数螺纹(不是所有)都属于一个级别标准,称为统一螺纹标准系列。
这个体系和组装件的配合类似。
1A、2A、3A级别用于外螺纹,1B、2B、3B级别用于内螺纹。
1级螺纹较松,方便组装或用于较脏的环境中。
2级螺纹最常见,他们设计时考虑到典型的机加车间能力和加工惯例使强度最大化。
3级螺纹公差较小。
螺纹级别指螺纹中径的可接受范围。
螺纹中径在上图中用Dp表示,有几种测量方法,生产中最常用的方法是使用过规和不过规。