平安工地自评表
- 格式:doc
- 大小:133.00 KB
- 文档页数:16
《公路水运工程“平安工地”考核评价原则》(试行)1 为强化公路水运工程安全生产管理,规范从业行为,贯彻安全责任,进一步推动“平安工地”建设活动,有序开展“平安工地”考核评价工作,特制定本原则。
2各级交通运送主管部门应按照本原则组织开展考核评价,建设、监理和施工单位参照本原则组织开展自查考核评价。
2.1“平安工地”考核评价按照百分制计算得分。
考核评价评分90分(含)以上为示范工程(合同段),评分70分(含)—90分为达标工程(合同段),评分70分如下为不达标工程(合同段),详见表1。
表1 考核评价级别划分2.2各考核项目评分时采用扣分制,扣分限值为各考核项目总赋分值。
2.3工程项目“平安工地”考核评价计分按如下公式计算:2.3.1建设单位得分=(考核项目实得分/考核项目应得分)×1002.3.2监理单位得分=(考核项目实得分/考核项目应得分)×1002.3.3 施工单位得分=施工单位基本管理得分×0.5+施工单位施工现场得分×0.5施工单位基本管理得分=(考核项目实得分/考核项目应得分)×100 施工单位施工现场得分=(考核项目实得分/考核项目应得分)×1002.3.4工程项目阶段得分P=Σ监理单位得分∑(施工单位得分×合同价)建设单位得分×0.2+————————×0.2 + ———————————×0.6监理单位个数∑施工单位合同价2.3.5 工程项目综合得分C=开工前安全生产条件审查分5(分)+(∑工程项目阶段得分/项目考核评价次数)×0.7+项目交工前考核评价得分×0.25。
注:1.工程项目开工前未开展安全生产条件审查,扣5分。
2.项目考核评价次数是指交通运送主管部门组织考核评价次数(含复查不达标次数)。
3.施工单位基本管理得分和施工现场得分均应达到70分(含)以上,否则不达标。
项目名称项目类型项目编号项目经理项目负责人检查时间一级风险数
量
建筑面积合同造价
开竣工日期年度重点施
工任务
自有分包
自有分包其他分包其他分包风险级别形象进度
一级风险
检查项达标分值单项达标率达标分值单项达标率
(一)安全行为达标
49100.0%19100.0%(二)文明施工
13100.0%58100.0%(三)脚手架69100.0%15100.0%(四)高处作业吊篮
24100.0%30100.0%(五)基坑工程
10100.0%19100.0%(六)模板支架
30100.0%23100.0%(七)高处作业
29100.0%合计检查项考核分值总数
检查人员项目人员数量分项检查得分分包单位数量分包人员数量 优良 合格 不合格
优良:总达标率≥80 合格:70≤总达标率<80 不合格:总达标率<70检查考核总体评价
陪检人员评价结果388检查项考核达标率100.0%总达标率100.0%
(十一)施工机具 (十二)有限、拆除、暗挖 (十三)安全最佳管理实践(加分)安全文化品牌培育0检查项(八)施工用电(九)大型机械 (十)起重吊装 局控 公司控一般一类机械设备照片文字描述
项目安全工程师及证书编号“平安工地”创建检查考核表。
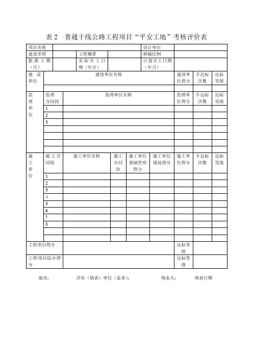
表2 普通干线公路工程项目“平安工地”考核评价表
地市:评价(填表)单位(盖章):填表人:填表日期
表3 工程项目开工前安全生产条件核查表
项目名称:
建设单位(盖章):核查人:核查日期:注:建设单位向市交通局报备时,1~4、8、10项应附附件资料,其余项附建设单位核查汇总清单。
表4 施工单位基础管理考核评价表项目名称:合同段:施工单位名称:
表5.1 施工单位施工现场考核评价表(通用部分100分)项目名称:合同段:施工单位名称:
考核评价单位(盖章):评价人:检查日期:年月日
表5.2 施工单位施工现场考核评价表(公路部分100分)项目名称:合同段:施工单位名称:
考核评价单位(盖章):评价人:检查日期:年月日
表6 监理单位考核评价表(140分)项目名称:合同段:监理单位名称:
考核评价单位(盖章):评价人:检查日期:年月日
表7 建设单位考核评价表(140分)项目名称:建设单位名称:
考核评价单位(盖章):评价人:检查日期:年月日。
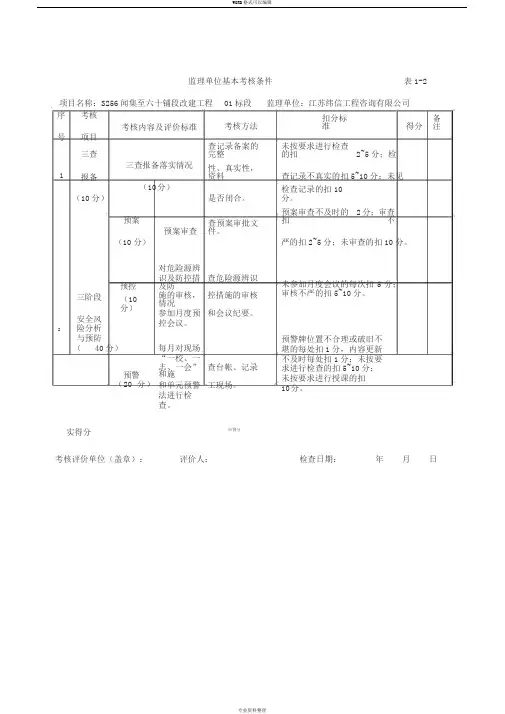
监理单位基本考核条件表1-2 项目名称:S256闻集至六十铺段改建工程01标段监理单位:江苏纬信工程咨询有限公司序考核考核方法扣分标准得分备注号考核内容及评价标准项目三查查记录备案的完整未按要求进行检查的扣2~5分;检1三查报备落实情况性、真实性,资料查记录不真实的扣5~10分;未见报备分)(10是否闭合。
检查记录的扣10分。
(10分)预案预案审查查预案审批文件。
预案审查不及时的扣2分;审查不(10分)严的扣2~5分;未审查的扣10分。
三阶段预控(10分)安全风2险分析与预防(40分)预警(20分)对危险源辨识及防控措查危险源辨识及防施的审核,控措施的审核情况参加月度预和会议纪要。
控会议。
每月对现场“一校、一志、一会”查台帐、记录和施和单元预警工现场。
法进行检查。
未参加月度会议的每次扣5分;审核不严的扣5~10分。
预警牌位置不合理或破旧不堪的每处扣1分,内容更新不及时每处扣1分;未按要求进行检查的扣5~10分;未按要求进行授课的扣10分。
实得分应得分考核评价单位(盖章):评价人:检查日期:年月日1监理单位考核评价表(140分)表6项目名称:S256闻集至六十铺段改建工程合同段:01标段监理单位名称:江苏纬信工程咨询有限公司序考核考核内容及评价标准考核评扣分标准得分备注号类别价方法项目明确总监、总监代表、副总监、无岗位职责,扣5分。
1.1岗位岗位职责缺项,发现一项扣1分。
专业监理工程师和监理员的职责查文件。
责任针对性不强,扣2-3 分。
安全岗位职责。
(5分)未逐级签订安全生产责任书,扣逐级签订安全生产责任书。
3分。
责任建立会议、检查、专项经费审规章批、隐患督促整改、危险性较制度少一项,扣2分。
11.2落实大工程方案审查、特种设备复查文件。
制度针对性不强、可操作性差,(15制度分)分)查、应急管理、事故报送等工扣1-3分。
(5作制度。
1.3安全未见行文,扣5分。
监理规编写安全监理规(计)划,且查文件安全监理规(计)划针对性不强,(计)划经批准。
施工企业安全生产评价汇总表评价类型:□市场准入□发生事故□不良业绩□资质评价□日常管理□年终评价□其他企业名称:经济类型:有限公司资质等级:、上年度施工产值:万元在册人数:自评扣分项目及原因说明汇总表AAAAAA两汉:诸葛亮先帝创业未半而中道崩殂,今天下三分,益州疲弊,此诚危急存亡之秋也。
然侍卫之臣不懈于内,忠志之士忘身于外者,盖追先帝之殊遇,欲报之于陛下也。
诚宜开张圣听,以光先帝遗德,恢弘志士之气,不宜妄自菲薄,引喻失义,以塞忠谏之路也。
宫中府中,俱为一体;陟罚臧否,不宜异同。
若有作奸犯科及为忠善者,宜付有司论其刑赏,以昭陛下平明之理;不宜偏私,使内外异法也。
侍中、侍郎郭攸之、费祎、董允等,此皆良实,志虑忠纯,是以先帝简拔以遗陛下:愚以为宫中之事,事无大小,悉以咨之,然后施行,必能裨补阙漏,有所广益。
将军向宠,性行淑均,晓畅军事,试用于昔日,先帝称之曰“能”,是以众议举宠为督:愚以为营中之事,悉以咨之,必能使行阵和睦,优劣得所。
亲贤臣,远小人,此先汉所以兴隆也;亲小人,远贤臣,此后汉所以倾颓也。
先帝在时,每与臣论此事,未尝不叹息痛恨于桓、灵也。
侍中、尚书、长史、参军,此悉贞良死节之臣,愿陛下亲之、信之,则汉室之隆,可计日而待也。
臣本布衣,躬耕于南阳,苟全性命于乱世,不求闻达于诸侯。
先帝不以臣卑鄙,猥自枉屈,三顾臣于草庐之中,咨臣以当世之事,由是感激,遂许先帝以驱驰。
后值倾覆,受任于败军之际,奉命于危难之间,尔来二十有一年矣。
先帝知臣谨慎,故临崩寄臣以大事也。
受命以来,夙夜忧叹,恐托付不效,以伤先帝之明;故五月渡泸,深入不毛。
今南方已定,兵甲已足,当奖率三军,北定中原,庶竭驽钝,攘除奸凶,兴复汉室,还于旧都。
此臣所以报先帝而忠陛下之职分也。
至于斟酌损益,进尽忠言,则攸之、祎、允之任也。
愿陛下托臣以讨贼兴复之效,不效,则治臣之罪,以告先帝之灵。
若无兴德之言,则责攸之、祎、允等之慢,以彰其咎;陛下亦宜自谋,以咨诹善道,察纳雅言,深追先帝遗诏。
“平安工地”工作自查自评报告(精选多篇)第一篇:“平安工地”工作自查自评报告“平安工地” 自检自评报告根据辽宁省《关于“平安工地”建设规范提升年活动考核标准》的有关要求,我公司认真对照考核指标,结合各施工现场实际情况逐条进行自评自查,现将自评情况汇报如下:一、公路施工现场1、驻地管理:施工驻地选址没有存在安全风险,驻地建筑面积、功能区划、标识标牌、宣传标语等符合施工标准化要求,民工驻地建设合理、宿舍与厨房分离,驻地消防设施满足规定要求,并悬挂责任人铭牌,设置消防通道。
2、路基工程:路基挖方作业不存在挖“神仙土”、坡面的浮危石及松散物及时清理;边坡防护作业支架、平台搭设及临边防护符合要求,并且填方区域有专人指挥,设置作业状态标识牌;路基病害处置工程按施工方案实施,并在危险处设置安全防护措施,取、弃土场防护、整形、排水满足要求。
3、桥梁工程:钻孔灌注桩施工泥浆池隔离防护到位,基坑边坡符合安全要求,土质松软时采取挡板等防护措施,并且基坑顶部设置安全防护栏杆和警告标志,模板、支架拆除时有专人指挥、设立警戒区,并按拆除方案拆除;高处作业人员安全带牢靠悬挂,做到高挂低用。
4、临时用电:临时用电采用TN-S接零保护系统,符合“三级配电、两级保护”要求,保护零线与工作零线混接,配电箱、开关箱符合“一机、一闸、一漏、一箱”,电箱未出现无门、无锁、无防雨措施,电线老化、破皮未包扎现象。
5、文明施工:在路基、桥梁设施安全生产标语、彩旗,在事故高发区设置各种警示牌、指示牌、公告牌、各种禁止标志,在施工便道、施工区域洒水降尘措施。
6、危险品管理:钢筋加工车间乙炔瓶、氧气瓶之间安全距离合理,油库、仓库等重点防火部位有专人负责,并设置警示标志或消防设施。
7、交通管理:便道能保证晴雨天正常通行,防排水设施比较完善,防护措施、安全警示标志和配备保通人员设置合理,对粉尘比较大的路段进行洒水作业。
二、内业资料1、平安工地活动方案:制定“平安工地”实施方案,落实组织机构、具体负责人员,并按方案开展检查和阶段性总结。
监理单位基本考核条件表1-2项目名称:S256闻集至六十铺段改建工程01标段监理单位:江苏纬信工程咨询有限公司
考核评价单位(盖章)
监理单位考核评价表(140 分)
表6
项目名称:S256闻集至六十铺段改建工程合同段:01标段监理单位名称:江苏纬信工程咨询有限公司
考核评价单位(盖章):评价人:检查日期:年月日
施工单位基础管理考核评价表(100分)表4项目名称:S256闻集至六十铺段改建工程合同段:01标段施工单位名称:中交一公局第五工程有限公司
考核评价单位(盖章):评价人:检查日期:年月日
施工单位施工现场考核评价表(通用部分100分)表5-1项项目名称:S256闻集至六十铺段改建工程合同段:01标段施工单位名称:中交一公局第五工程有限公司
考核评价单位(盖章):评价人: 检查日期:年月日
施工单位施工现场考核评价表(公路部分100分)表5-2项目名称:S256闻集至六十铺段改建工程合同段:01标段施工单位名称:中交一公局第五工程有限公司
考核评价单位(盖章):评价人: 检查日期:年月日。
表4 施工单位基础管理考核评价表(100分)项目名称:合同段:施工单位名称:序号类别考核项目考核内容及评价标准考核评价方法扣分标准得分备注1 安全生产条件(24分)1.1*施工单位安全生产许可证(4分)施工单位安全生产许可证有效。
查证书。
安全生产许可证失效扣4分。
1.2*从业人员资格条件(4分)项目负责人及安全管理人员持“三类人员”考核培训合格证书上岗,证书有效并与对应岗位人员身份相符。
施工现场每5000万元施工合同额的比例配备一名专职安全员。
特种作业人员持有效资格证书上岗,与相应工作对应。
查“三类人员”证件。
查台账,同时对现场在岗人员对应检查。
每发现一例未持有效证书或证书与对应岗位人员身份不相符,扣1分。
未按比例配备专职安全管理人员,发现少一人扣1分。
每发现一例特种作业人员未持有效证书,扣1分。
持证人在岗情况不明,扣1-2分。
1.3*从业人员保险(4分)全员劳动用工登记。
按规定为施工现场作业人员办理意外伤害保险。
查花名册及保单发票。
未建立人员台账,扣4分,台账不完善,扣2分。
未办理意外伤害保险扣4分。
意外伤害保险未覆盖全员或不连续,扣1-3分。
此文档部分内容来源于网络,如有侵权请告知删除!序号类别考核项目考核内容及评价标准考核评价方法扣分标准得分备注1.4安全组织机构(4分)建立专职安全管理机构,安全组织机构框图悬挂明显位置。
项目、各部门及作业层安全岗位职责及责任人明确。
逐级签订安全生产责任书。
查施工单位文件及签订的责任书。
未建立专职安全管理机构,扣4分。
安全组织机构框图未悬挂,扣1分。
安全岗位职责和责任人不明确,扣1-3分。
未逐级签订责任书,扣2-4分。
责任书签订不规范,扣1-2分。
1.5*机械设备管理(4分)建立机械设备分类管理台账。
建立特种设备管理档案,一机一档。
特种设备安装拆除应由具备资质条件的单位承担。
大型模板、承重支架及未列入国家特种设备目录的非标准设备,应组织专家论证和验收工作。
平安工地考核自评表以下是一个平安工地考核自评表的简要示例。
这个自评表可以帮助工地管理团队评估和改进安全管理工作。
请注意,具体内容可能需要根据实际情况和相关法规进行调整:平安工地考核自评表工程项目:_____________________日期:_______________________考核周期:___________________一、基本信息1.项目概况:•工地名称:•工程地点:•工程类型:2.负责人信息:•项目负责人:•安全负责人:•联系方式:二、安全管理制度1.安全生产责任制:•是否建立了明确的安全生产责任制?•责任制是否能够迅速响应和解决安全问题?2.安全操作规程:•是否制定了工程项目的安全操作规程?•工人是否接受了相应的培训并理解相关规程?三、安全设施及装备1.防护设施:•安全帽、安全鞋等是否配备齐全?•是否设置了警示标识和隔离措施?2.安全装备:•所有机械设备是否通过安全检查?•是否提供必要的个人防护装备?四、安全培训和教育1.培训计划:•是否制定了安全培训计划?•培训计划是否包括工地实际情况和应急处理?2.工人培训:•是否进行了入场培训和定期培训?•工人对安全操作是否有清晰的理解?五、事故隐患排查1.定期巡检:•是否进行了定期的安全巡查?•是否建立了事故隐患排查和整改制度?2.事故记录:•是否建立了事故记录和报告制度?•是否及时对事故进行了整改和防范?六、应急预案1.应急演练:•是否进行了定期的应急演练?•项目人员是否了解和熟悉应急预案?2.应急设备:•是否配置了必要的应急设备和急救物资?•是否定期检查和更新应急设备?七、其他安全管理措施1.安全会议:•是否定期召开安全会议?•会议是否能够有效推动安全管理工作?2.安全文明施工:•是否推动了安全文明施工活动?•是否得到了工人和相关方的积极响应?总体评估:(在以下项目中选择一个适当的评价:优秀、良好、一般、较差)•安全生产责任制:__________•安全设施及装备:__________•安全培训和教育:__________•事故隐患排查:__________•应急预案:______________•其他安全管理措施:________改进计划:(列出需要改进的方面,并制定改进计划)1.2.3.负责人签字:__________________ 日期:__________这份自评表可以用作工地安全管理团队的内部评估工具,帮助团队了解当前的安全状况,及时发现问题并制定改进计划。