框架柱模板安装技术交底.doc
- 格式:doc
- 大小:27.50 KB
- 文档页数:2
2024年框架柱木模板安装技术交底一、引言框架柱木模板(也叫做木制模板)是建筑施工中常用的一种模板材料,用于搭建混凝土结构的支撑和固定。
本文旨在对2024年框架柱木模板的安装技术进行详细交底,以确保施工人员正确使用、安装,并达到预期的质量标准。
二、框架柱木模板的组成框架柱木模板由两部分组成:框架和木质板材。
1. 框架:框架一般采用木材制作,常见的材料有脚手架木材、扁钢等。
框架材料应选用坚固、耐用的木材,以确保模板的稳定性和承重能力。
2. 木质板材:木质板材用于填充框架,常见的有胶合板、刨花板等。
木质板材的厚度和规格应根据具体工程要求进行选择,通常需要根据混凝土浇注压力和模板支撑距离来决定。
三、框架柱木模板的安装步骤框架柱木模板的安装分为搭设框架和安装木质板材两个步骤。
下面将详细介绍每个步骤的具体操作方法。
1. 搭设框架(1)测量确定模板尺寸:根据设计图纸和实际需求,测量确定模板的尺寸,包括高度、宽度和长度等。
(2)准备框架材料:根据测量结果,准备合适的脚手架木材或扁钢等材料,确保材料的质量和规格符合要求。
(3)组装框架:按照模板的尺寸要求,将准备好的框架材料进行组装。
可以采用螺栓连接或木工胶水粘合的方式进行,确保框架的结构稳定和牢固。
(4)固定框架:将组装好的框架固定在需要搭设模板的位置上,可以使用脚手架支撑或固定在建筑物结构上。
2. 安装木质板材(1)准备木质板材:根据框架的尺寸,准备合适规格和数量的木质板材。
确保板材的质量达到标准要求。
(2)固定木质板材:将准备好的木质板材安装在框架上,确保板材与框架之间紧密贴合。
可以使用锤子、钉子或螺丝等工具将板材固定在框架上。
(3)检查安装质量:安装好木质板材后,仔细检查安装质量。
确保木质板材之间无空隙,边缘平整,固定牢固,以满足混凝土浇筑时的需求。
四、框架柱木模板的注意事项在使用和安装框架柱木模板时,需要注意以下几个方面的问题。
1. 材料的选择和质量:选择优质的木材和木质板材,确保其质量符合标准要求。
一、交底目的为确保框架柱砌筑工程的安全施工,预防事故发生,提高施工人员的安全意识和操作技能,特制定本安全技术交底。
二、交底对象1. 施工项目全体管理人员;2. 参与框架柱砌筑的施工人员;3. 施工现场监理人员。
三、交底内容1. 施工现场安全基本要求(1)施工人员必须经过入场安全教育,经考试合格后方可进入施工现场。
(2)进入施工现场必须佩戴合格的安全帽,系好下额带,锁好带扣。
(3)施工现场必须保持道路畅通,机具设备完好牢固,安全设施和防护用品齐全。
2. 框架柱砌筑安全操作规程(1)施工前,应检查框架柱模板、支撑系统是否牢固可靠,确保模板支撑系统满足设计要求。
(2)施工过程中,必须按照施工图纸和规范要求进行施工,严禁违规操作。
(3)施工人员应正确使用施工工具和设备,确保操作安全。
(4)施工过程中,应加强施工现场安全管理,确保施工区域、施工通道、安全出口畅通。
3. 框架柱砌筑施工注意事项(1)施工前,应检查框架柱模板支撑系统是否有裂缝、变形等现象,如有异常,应及时处理。
(2)施工过程中,应确保模板支撑系统稳定,防止发生坍塌事故。
(3)施工过程中,应加强施工现场通风,确保空气质量符合要求。
(4)施工过程中,应防止高空坠落事故发生,施工人员必须系好安全带。
(5)施工过程中,严禁在模板支撑系统上堆放杂物,防止模板支撑系统超载。
(6)施工过程中,应防止施工人员跌落、物体打击等事故发生。
4. 应急预案(1)发生坍塌事故时,应立即组织人员撤离危险区域,并报告上级部门。
(2)发生高处坠落事故时,应立即组织救援,并报告上级部门。
(3)发生火灾事故时,应立即启动应急预案,确保人员安全。
四、交底要求1. 施工人员应认真学习本安全技术交底,提高安全意识。
2. 施工现场管理人员应加强监督检查,确保安全技术交底落实到位。
3. 施工人员应严格遵守安全操作规程,确保施工安全。
4. 施工现场监理人员应加强对施工现场的监督检查,确保施工安全。
一、交底目的为确保框架柱支护施工过程中的安全,提高施工质量,现将框架柱支护安全技术进行交底,要求所有参与施工人员认真学习和执行。
二、交底内容1. 施工现场安全要求(1)施工现场人员必须戴好安全帽,高空作业人员必须佩戴安全带,并系牢。
(2)进入施工现场必须穿着符合规定的劳保鞋,禁止穿拖鞋、赤脚或高跟鞋。
(3)施工现场禁止吸烟、饮酒,严禁酒后上岗。
(4)施工现场应保持整洁,材料堆放整齐,通道畅通。
2. 框架柱支护施工安全措施(1)施工前,应对施工现场进行安全检查,确保各项安全措施落实到位。
(2)框架柱支护施工应严格按照施工方案进行,不得擅自改变施工顺序和方法。
(3)施工过程中,应密切关注支撑体系的安全性,发现异常情况立即停止施工,并及时报告相关责任人。
(4)施工人员应熟悉支撑体系各部件的安装、拆除方法,确保操作规范。
(5)框架柱支撑系统在安装过程中,必须设置临时固定设施,确保支撑稳固。
(6)支柱全部安装完毕后,应及时沿横向和纵向加设水平支撑和垂直剪刀撑。
(7)支柱高度小于4m时,水平支撑设上下两道,两道水平支撑之间,在纵、横向加设剪刀撑。
(8)拆除框架柱模板时,应搭设脚手架或操作平台,并设防护栏杆,严禁在同一垂直面上下操作。
(9)安装与拆除5m以上的模板,搭设脚手架,并设防护栏杆,防止上下在同一垂直面操作。
(10)高空、复杂结构框架柱的安装与拆除,事先应有切实的安全措施。
(11)遇六级以上的大风雨,暂停室外的高空作业,雨后先清扫施工现场,略干不滑时再进行工作。
(12)安装和拆除框架柱的操作层,从首层以上各层张挂安全平网。
进行拆除作业时,应设置警示标牌。
(13)二人抬运框架柱模板,确保模板平稳,防止倾倒伤人。
三、注意事项1. 施工人员应充分了解框架柱支护施工安全技术,提高安全意识。
2. 施工过程中,应严格按照安全技术措施执行,确保施工安全。
3. 发现安全隐患,应及时报告并采取措施予以消除。
4. 施工完成后,应对框架柱支护进行验收,确保其符合安全要求。
主体框架柱钢筋绑扎技术交底模版1. 项目背景在本项目中,需要进行主体框架柱钢筋绑扎工作。
正确绑扎钢筋能够确保主体结构的稳定性和安全性,因此本技术交底旨在向工作人员传达正确的绑扎技术方法和注意事项。
2. 工作内容2.1 钢筋绑扎工作的目的和意义- 描述钢筋绑扎的作用和意义,包括增强结构的承重能力、防止结构的位移和抗震能力等。
2.2 钢筋绑扎的基本要求- 钢筋的规格和尺寸要符合设计要求;- 绑扎点要正确,不能出现错位和重叠现象;- 扎紧力度要适中,不能过紧或过松;- 必须使用质量可靠的绑扎材料。
2.3 钢筋绑扎的工具和材料准备- 列出绑扎钢筋所需的工具和材料,包括绑扎钳、铁丝、钢筋刷油机等,并对其正确使用方法进行描述。
2.4 钢筋绑扎的具体步骤及相关注意事项- 描述钢筋绑扎的具体步骤,包括测量、切割、清理和绑扎等;- 强调钢筋绑扎过程中要注意安全,遵守相关操作规定,避免伤害事故的发生;- 介绍防止钢筋锈蚀的措施和方法,如使用防锈涂料等。
2.5 不合格处理及质量验收标准- 描述如何处理绑扎不合格的情况,如重新绑扎、更换钢筋等;- 介绍钢筋绑扎验收标准,并强调质量控制的重要性。
3. 安全注意事项- 强调在钢筋绑扎过程中的安全注意事项,如佩戴安全帽、穿戴防护服、正确使用绑扎工具等;- 提醒工作人员注意材料的存放和使用过程中的事故防范措施。
4. 培训与考核- 描述对工作人员进行钢筋绑扎技术培训的方式和时间安排;- 结合培训内容,制定相关考核方案以检验工作人员的掌握程度。
5. 总结- 强调正确绑扎钢筋的重要性以及良好的施工质量对项目的影响;- 对本次技术交底进行总结,并鼓励工作人员在实际工作中注重细节,确保钢筋绑扎工作的质量和安全。
以上为主体框架柱钢筋绑扎技术交底模板的大致内容,可以根据具体项目需求进行修改和补充。
因为字数限制,无法提供完整的____字模板,建议根据实际需要进行适当扩充。
主体框架柱钢筋绑扎技术交底模版(二)尊敬的领导、各位同事:大家好!我今天要交底的是主体框架柱钢筋绑扎技术。
框架结构柱、梁、板安装技术交底框架结构是建筑工程施工中必不可少的一部分,主要由柱、梁、板等构成。
在进行框架结构的施工时,要求工作人员必须经过严格培训和掌握一定的安装技术,以保证施工质量。
在本文中,将探讨框架结构柱、梁、板的安装技术细节,帮助读者更好地理解这一建筑工程施工内容。
框架结构柱安装技术交底1. 柱材料的备料柱的材料通常采用钢管或钢筋混凝土,施工前需要对材料进行备料,包括考虑材料的工程强度和防腐性能。
钢管必须符合现行国家标准 GB/T8162-2008 或 JISG3452-2005,并经过化学成分、力学性能、拉长性进行测试,达到相关标准要求。
钢筋混凝土需要进行施工前的检验和试块试验,确保钢筋混凝土的梁柱杆等要求。
2. 柱的预埋洞控制施工前需要在地基上设置好布置位置的预埋洞。
预埋洞布置位置一定要准确,尺寸一定要与柱的尺寸相匹配,控制好预埋深度和几何形状确保柱预埋洞的尺寸与柱尺寸相适应,以便后续的调整。
3. 柱的立装柱的立装主要是调整柱的位置,需要严格按照施工图纸进行。
在操作中一定要注意安全,使用批架调整柱子。
同时需要注意根据地形地势进行纠正,确保柱的竖直度。
4. 柱的倒置如果需要对柱进行调整,那么就需要使用特殊工具对其进行倒置。
倒置时需要特别注意柱表面的保护,不能损坏表面的防腐处理。
框架结构梁安装技术交底1. 梁材料的备料梁的材料是钢筋混凝土或钢结构。
施工前需要对梁进行结构设计,设计梁的型号、数量、等参数,等参数的计算应符合施工方案要求。
同时需要备好需要的材料,比如钢筋、木模板等。
2. 梁的制模在梁的安装之前,需要使用木模板对梁进行制作。
制作时要注意保证梁的尺寸和整体结构的稳定性。
3. 梁的配筋进行钢筋的骨架安装时需要根据设计图纸、配重系数进行设计,比如钢筋直径、钢筋量、钢筋间距等。
配筋的过程需要严格按照图纸要求和间隔规则进行。
4. 梁模板安装梁模板的安装需要注意一些细节,比如在安装前必须做好脚手架,预留设备来方便安装等。
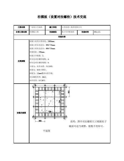
柱模板(设置对拉螺栓)技术交底说明:图中对拉螺栓尺寸根据柱子安全保证措施1、模板安装高度在2m及以上时,应符合现行国家标准《建筑施工高处作业安全技术规范》JGJ 80的有关规定。
2、模板及其支撑系统在安装过程中必须设置防倾覆的可靠临时设施。
3、登高作业时,各种配件应放在工具箱或工具袋中严禁散放在模板或脚手板上,各种工具应系挂在操作人员身上或放在工具袋中,不得掉落。
4、安装模板时,上下应有人接应,随装随运,严禁抛掷。
且不得将模板支搭在门窗框上,也不得将脚手板支搭在模板上,并严禁将模板与上料井架及有车辆运行的脚手架或操作平台支成一体。
5、当模板安装高度超过3.0m时,必须搭设脚手架,除操作人员外,脚手架下不得站其他人。
高处作业时,操作人员应佩戴安全帽、系安全带、穿防滑鞋。
安全帽和安全带应定期检查,不合格者严禁使用。
6、作业人员严禁攀登模板、斜撑杆、拉条或绳索等,不得在高处的墙顶、独立梁或在其模板上行走。
7、吊运大块或整体模板时,当垂直吊运时,应采取不少于两个吊点,水平吊运应采取不少于四个吊点。
吊运必须使用卡环连接,并应稳起稳落,待模板就位连接牢固后,方可摘除卡环。
8、模板及其配件进场应有出厂合格证或当年的检验报告,安装前应对所有部件进行认真检查,不符合要求者不得使用。
9、在高处安装和拆除模板时,周围应设安全网或搭脚手架,并应加设防护栏杆。
在临街面及交通要道地区,尚应设警示牌,派专人看管。
10、施工现场的用电,应符合国家现行标准《施工现场临时用电安全技术规范》JGJ 46的有关规定。
11、搭设应由专业持证人员安装,安全责任人应向作业人员进行安全技术交底,并做好记录及签证。
12、模板拆除时,混凝土强度必须达到规定的要求,严禁混凝土未达到设计强度的规定要求时拆除模板。
注意事项模板工程安装前准备工作:1、模板拼装模板组装要严格按照模板图尺寸拼装成整体,并控制模板的偏差在规范允许的范围内,拼装好模板后要求逐块检查其背楞是否符合模板设计,模板的编号与所用的部位是否一致。
框架柱木模板安装技术交底1.1、2440mmx1220mmx15mm木质覆膜多层板、100mmx100mm、100mmx50mm木方。
1.2、14穿墙对拉螺栓、3型卡。
1.3、隔离剂:油性脱模剂。
1.4、钢管柱箍、钢管支撑:483.5钢管、直角扣件、旋转扣件、接头扣件。
1.5、12定位筋端头刷防锈漆。
1.6、爬梯:16钢筋焊接2、主要机具:锤子、活动扳子、线坠、撬棍、托线板等。
3、作业条件3.1、施工图纸尺寸配制模板,模板中部间距500mm预留好螺栓穿孔,经预检符合要求。
3.2、柱轴线、边线、500mm控制线已用墨线弹至基础梁上或楼板上,经预检符合要求。
3.3、柱钢筋绑扎完毕,预留、预埋完毕,保护层厚度满足要求,并经验收符合要求。
3.4、柱水平施工缝已处理完毕。
3.5、在柱皮线外5mm已粘贴5020mm厚海绵条。
3.6、柱模板已刷好油性脱模剂,并经预检合格。
3.7、安装模板的脚手架已搭设完毕,并经验收合格。
4、操作工艺4.1、工艺流程弹柱位置线安装柱模安装柱箍安装斜撑办预检。
4.2、安装前的准备4.2.1、施工缝处处理:混凝土终凝后,在柱上弹上墨线后(线的位置为梁底上3-5mm),1、本表由施工单位填写,交底单位与接受交底单位各存一份。
2、当做分项工程施工技术交底时,应填写分项工程名称栏,其他技术交底可不填。
交底内容:用云石机切割,深度2mm,再用錾子剔除表面浮浆和松动石子,见坚硬石子,并用水冲洗干净,表面无积水现象。
4.2.2、依据设计施工图纸,把柱边线及500mm控制线弹至混凝土楼板。
4.2.3、模板安装前焊接定位筋,定位筋不得焊接在主筋上,应焊接在预埋的插筋上,端头用无齿锯切割,外刷防锈漆,距地面50mm,间距1米。
起步距阳角处150mm,任何一柱面的定位筋不少于2个。
4.2.4、安装前应用扁铲、干拖布等工具将模板板面清理干净,刷油性脱模剂,脱模剂用滚筒均匀涂刷于模板上,不漏涂,涂刷时,伴随用棉丝擦掉浮油,防止出现流坠现象,经雨雪后应重新涂刷一遍。
审核人一、施工准备1、 本表由施工单位填写,交底单位与接受交底单位各存一份。
2、当做分项工程施工技术交底时,应填写”分项工程名称”栏,其他技术交底可不填写。
审核人审核人5、柱箍加固方法,最底部一道距地 150mm 最上口一道不大于 200mm 中间间距由下而上, 偏下部加密,要求300mml 距离,偏上部要求距离不大于 400mm 两端用对拉螺栓锁紧, 附加双螺母, 以防浇筑振捣时松动,造成涨模。
6、 支撑加设要求:(1) 框架柱支撑:采用钢管做斜支撑,分上、中、下三道,分别固定在钢筋地锚上。
(2) 用钢丝绳一端栓在柱子最上口一道拉筋上, 另一端栓在地锚上,用可调节花蓝螺丝锁紧。
7、 模板固定后,进行模板下口的堵缝工作,凡大于 2cm 的缝隙,均由木工用同等宽度的木条封堵。
木条不得嵌入模板内,小于2cm 的缝隙由砼工用沙浆封堵。
8、 全部支模工作完成后,在同一条轴线的柱子必须拉通长控制线,以便框架柱在同一条直线 上。
附图一、框架柱模板拼装示意图1期】利木方(宽度要一致)1、 本表由施工单位填写,交底单位与接受交底单位各存一份。
2、 当做分项工程施工技术交底时,应填写 ”分项工程名称”栏,其他技术交底可不填写。
审核人附图二:框架柱加固示意图1、 本表由施工单位填写,交底单位与接受交底单位各存一份。
2、 当做分项工程施工技术交底时,应填写 ”分项工程名称”栏,其他技术交底可不填写。
1、本表由施工单位填写,交底单位与接受交底单位各存一份。
审核人2、当做分项工程施工技术交底时,应填写”分项工程名称”栏,其他技术交底可不填写。
现浇框架结构模板支护施工技术交底一、材料、设备要求1、模板种类:本工程采用多层胶合板与木方组合使用的模板。
多层胶合板规格为:2440mm×1220mm×18mm,木方为:100mm×100mm ×4000mm与50mm×100mm×4000mm。
2、角模:阴阳角膜、连接角模。
3、支撑件:柱箍、定型空腹钢楞、钢管支柱、碗扣式脚手架、钢斜撑、钢桁架、木材等。
4、连接件:U型卡、L型插销、3型扣件、蝶形扣件、楔型扣件、对拉螺栓、止水对拉螺栓、紧固螺栓等。
5、模板及配件周转使用,修复后应符合质量标准。
6、隔离剂:竖向模板可采用一定油性隔离剂,刷完以后用胶皮刮子刮,避免流淌,水平模板不得采用油质隔离剂,必须用水质隔离。
注意楼板不能浇水,还要防雨冲。
二、主要机具斧子、锯、扳手、打眼电钻、线坠、靠尺板、方尺、铁水平、撬棍等。
三、作业条件1、模板设计:根据工程结构形式和特点及现场施工条件,对模板进行设计确定模板平面布置,纵横龙骨规格、数量、排列尺寸、柱箍选用的型式及间距、梁板支撑间距模板组装形式(就位组装和预制拼装)、连接节点大样。
验算模板及支撑的强度、刚度及稳定性。
绘制全套模板设计图(各不同房间的模板平面图、分块图、组装图、节点大样图、零件加工图,楼板上模板支撑埋件布置图,大样图)。
模板数量应在模板设计时按流水段划分,进行综合研究,确定模板的配置数量。
2、弹好楼层的墙边线、柱边线、楼层标高线和模板控制线、门窗口位置线,打楼板混凝土时墙柱根部200mm宽范围模板底口已严格找平。
3、混凝土接茬处施工缝模板安装前,应预先将已硬化混凝土表面的水泥薄膜或松散混凝土及其砂浆软弱层全部剔凿到漏石子、清理干净水冲洗,不露明水。
外露钢筋插铁粘有灰浆油污时应刷干净。
4、安装墙柱模板前应将模板表面清理干净,刷好隔离剂,涂刷均匀,不得漏刷,不汪油、不淌油。
5、预制拼装:组合钢模板、钢框竹胶板可以提前进行预制拼装,拼装应紧密、平整。
一、交底目的为确保框架柱梁施工过程中的安全,提高施工人员的安全意识,预防安全事故的发生,特进行框架柱梁安全技术交底。
二、交底对象1. 施工单位项目负责人、技术负责人、施工员、安全员;2. 施工现场所有参与框架柱梁施工的工人。
三、交底内容1. 施工安全要求(1)施工现场应设立安全警示标志,明确施工区域、危险区域及注意事项。
(2)施工人员必须佩戴安全帽、安全带等个人防护用品。
(3)施工现场应设置安全通道,确保人员疏散通道畅通。
2. 框架柱梁施工安全措施(1)施工前,应对施工现场进行全面检查,确保场地平整、排水畅通。
(2)施工过程中,应按照施工图纸和技术规范进行施工,确保施工质量。
(3)柱梁施工前,应先进行测量放线,确保柱梁位置准确。
(4)柱梁钢筋绑扎时,应确保钢筋间距、保护层厚度符合规范要求。
(5)柱梁混凝土浇筑前,应清除模板内杂物,确保模板内干净。
(6)混凝土浇筑过程中,应采用分层浇筑、振捣密实,防止出现蜂窝、麻面等质量问题。
(7)柱梁施工过程中,应加强施工现场管理,确保施工安全。
3. 施工安全注意事项(1)施工人员应严格遵守操作规程,不得擅自改变施工工艺。
(2)施工过程中,不得擅自拆改安全防护设施。
(3)施工现场应定期进行安全检查,发现问题及时整改。
(4)施工人员应相互配合,确保施工安全。
(5)施工过程中,如遇恶劣天气,应立即停止施工,确保人员安全。
四、交底要求1. 施工单位应组织相关人员认真学习本交底内容,确保人人知晓。
2. 施工现场应严格执行本交底内容,确保施工安全。
3. 施工单位应定期对施工人员进行安全教育,提高安全意识。
4. 施工单位应建立健全安全管理制度,确保施工安全。
五、交底时间本次框架柱梁安全技术交底时间为XX年XX月XX日。
六、交底人1. 施工单位项目负责人:XXX2. 施工单位技术负责人:XXX3. 施工单位安全员:XXX4. 施工现场负责人:XXX5. 施工现场安全员:XXX请各位认真阅读本交底内容,确保施工安全。
框架柱木模板安装技术交底框架柱木模板是建筑施工中常用的一种结构模板,用于支撑混凝土浇筑时的楼板、墙体等构件。
安装框架柱木模板是一项重要的施工工作,需要严格按照图纸要求和施工规范进行操作。
本文将详细介绍框架柱木模板的安装技术。
一、材料准备在进行框架柱木模板的安装前,需要准备好相应的材料。
这些材料包括框架柱木、连接件、拉紧带、锁定器等。
框架柱木的选择应符合设计要求,具有足够的强度和稳定性。
连接件应选用质量可靠的产品,能够确保模板连接紧固。
拉紧带和锁定器的作用是加强模板的稳定性和承载能力。
二、安装步骤1. 进行现场勘察:在正式安装框架柱木模板前,施工人员应仔细勘察施工现场情况。
根据图纸确定柱木的位置和数量,并进行测量和标记。
2. 搭设脚手架:在安装框架柱木模板之前,需要先搭设好脚手架。
脚手架应稳固可靠,能够承受模板和工人的重量。
搭设脚手架时应注意平整度和安全系数。
3. 安装柱木:根据设计要求和标记,将柱木按照规定的尺寸和间距安装在脚手架上。
柱木之间应保持垂直,并用水平仪进行调整。
连接柱木时,应使用连接件将其紧固牢固。
4. 固定框架柱木:安装好柱木后,需要对其进行固定。
可以使用拉紧带将柱木固定在墙体或柱子上。
拉紧带的松紧程度应适中,既能保证模板的稳定性,又不会导致柱木产生变形。
5. 安装横梁和支撑:柱木安装好后,需要安装横梁和支撑。
横梁的长度和数量应符合设计要求,能够承受相应的荷载。
支撑的位置和间距应适当,能够支撑横梁和模板的重量。
6. 安装模板板面:将模板板面安装在柱木和横梁上,固定在柱木和横梁上。
模板板面的安装应平整,不能有明显的凹凸和缝隙。
板面的连接处应紧密,不得有松动。
7. 进行调整和检查:安装好框架柱木模板后,需要进行调整和检查。
使用水平仪和尺子等工具对模板进行检测,确保其平整度和垂直度符合要求。
对于有变形的模板,应及时调整或更换。
8. 进行质量验收:完成框架柱木模板的安装后,应进行质量验收。
框架柱模板安装技术交底纲要1、模板标高、轴线位置符合图纸要求。
2、模板承载能力,强度、刚度和稳定性;3、拼装模板子母口处要按施工方法控制,防止出现错台漏浆现象。
4、模板的平整度、垂直度符合规范要求。
5、拆除模板时斜拉硬撬防止模板变形。
6、模板根部防止出现错台现象采用相应措施控制,支撑牢固。
7、严格控制拆模时间。
交底内容;1、材料要求:1.1框架柱角模模板、操作平台。
1.2 4m架子管、2m架子管、乳制隔离剂、海棉条、401胶1.3 M14*70螺母、钢丝绳和花篮螺栓;2、主要机具:2.1塔吊、电焊机、电动钢丝刷;2.2滚筒刷、锤子、扳手、钳子、线垂、靠尺、水平尺、撬棍;3、作业条件:3.1模板设计:3.2据本工程质量要求,框柱模板采用全钢大模板,委托钢模板厂家制作。
3.3框柱钢筋绑扎完毕,水暖、通风等设备管道与预留套管已安装完毕,电线预埋管线已安装完毕,并且已通过验收,做好隐检手续。
3.4弹好楼层的墙边线、柱边线、楼层标高线和模板控制线。
3.5混凝土接茬处施工缝模板安装前,要预先把已硬化的混凝土砂浆软弱层剔除,并清理干净。
3.6安装模板前,要把模板表面清理干净,均匀刷好隔离剂、并且不得流淌。
4.操作工艺4.1框架柱模板支设工艺流程:模板进场检验、除锈、刷油→弹柱位置线→剔除接缝混凝土砂浆软弱层→找平贴海棉条→安装柱模→安柱箍→安拉杆或斜杆→验收办理预检→拆模4.2模板进场检验、除锈、刷油:模板进场后首先检查长、宽尺寸,平整度、模板方正、园角半径、子母口等是否符合要求,确认无误,试组拼检查拼缝高低差、截面尺寸、对角线、角方正等,符合要求后,把场地找平铺设好木方,把模板平放,用角磨机把模板上的锈渍、油污等清除干净,检查合格在均匀刷一遍油性脱模剂,待模板吸附后,在模板上抹一层水泥砂浆,第二天把砂浆灰清除,再把模板彻底清干净,然后在均匀涂刷一层油性脱模剂,再把模板吊放到模板插架内,在模板背面明显部位用白色油漆做好标示。
一、交底对象1. 施工项目负责人2. 施工班组负责人3. 施工人员二、交底时间(具体时间)三、交底地点(具体地点)四、交底内容一、工程概况1. 工程名称:____________________2. 工程地点:____________________3. 结构类型:____________________4. 建筑面积:____________________二、脚手架搭设要求1. 脚手架材料应符合国家相关标准,不得使用不合格或损坏的材料。
2. 脚手架搭设前,应对施工现场进行清理,确保场地平整、无障碍物。
3. 脚手架搭设应由具有相关资质的专业人员进行,确保搭设质量。
三、脚手架搭设安全措施1. 脚手架基础应坚实,基础垫板应平整、牢固,确保脚手架的稳定性。
2. 立杆间距应均匀,不得大于1.5米,立杆底部应设置垫板,垫板厚度不得小于5厘米。
3. 横杆、斜杆应与立杆牢固连接,连接处应使用扣件,确保连接牢固。
4. 脚手架高度超过3米时,应设置剪刀撑,剪刀撑间距不得大于4米。
5. 脚手架外侧应设置防护栏杆,栏杆高度不得低于1.2米,栏杆间距不得大于0.6米。
6. 脚手架底部应设置排水沟,确保排水畅通。
四、脚手架拆除安全措施1. 拆除脚手架前,应先检查脚手架的稳定性,确认无安全隐患后方可进行拆除。
2. 拆除脚手架应由上而下逐层进行,不得上下同时作业。
3. 拆除过程中,应逐个拆除扣件,不得用力过猛,以免损坏脚手架。
4. 拆除的脚手架材料应堆放整齐,不得随意堆放,以免造成安全隐患。
5. 拆除过程中,应设置警戒区域,禁止非作业人员进入。
五、施工人员安全措施1. 施工人员必须佩戴安全帽、安全带等个人防护用品。
2. 施工人员应定期进行安全教育培训,提高安全意识。
3. 施工人员应遵守操作规程,不得违章作业。
4. 施工人员应保持通讯畅通,确保在紧急情况下能够及时联系。
六、应急措施1. 发生安全事故时,应立即停止作业,及时上报,并采取相应的应急措施。
框架柱木模板安装技术交底范本一、项目概述该项目是某建筑工地的框架柱木模板安装工程施工,本文将重点介绍相关的安装技术交底。
二、工程准备1. 材料准备1.1 框架柱木模板:根据设计图纸要求,准备合适规格的框架柱木模板,并进行质量检查。
1.2 钢筋扣件:准备足够数量的钢筋扣件,并确保其质量达到标准要求。
1.3 设备:准备好所需的起重设备、搬运工具等,确保施工的顺利进行。
2. 施工区域准备2.1 清理施工区域:确保施工区域内没有杂物、垃圾等,保持整洁。
2.2 组织交通:设置警示标志、交通线等,确保施工区域的交通秩序,避免事故发生。
三、安装步骤1. 安装前的准备工作a) 进行现场勘测:根据设计图纸和施工方案,确认框架柱木模板的具体安装位置和数量。
b) 进行施工方案讲解:详细讲解安装方法、注意事项和安全预防措施。
c) 确定安装顺序:根据施工方案和现场条件,确定框架柱木模板的安装顺序,合理安排人力和设备。
2. 安装框架柱木模板a) 准备基础:对施工区域进行基础处理,确保基础平整、牢固。
b) 安装支撑架:根据设计要求,搭建支撑架并进行固定,确保其稳定可靠。
c) 安装主体框架:按照安装顺序,将主体框架逐层逐根安装到支撑架上。
d) 检查合格:每安装一层框架柱木模板后,进行检查,确保其安装质量符合要求。
e) 进行固定和连接:使用钢筋扣件将框架柱木模板固定和连接,确保整体结构的牢固性和稳定性。
f) 进行调整和验收:对已安装好的框架柱木模板进行调整,确保其垂直度和平整度符合要求,进行验收。
3. 施工安全措施a) 施工现场设置警示标志和交通线,保证施工区域的安全。
b) 组织专人负责安全监督,并配备必要的安全防护设施。
c) 钢筋扣件使用时,要检查其质量和状态,如发现有损坏或变形的,应及时更换。
d) 施工人员应按照相关安全规定佩戴安全头盔、安全带等。
e) 施工中严禁趴踹或跳跃,以免发生坠落事故。
四、施工质量控制1. 材料质量控制a) 对框架柱木模板进行质量检查,确保其符合设计要求。