分部工程检验汇总表
- 格式:xls
- 大小:21.00 KB
- 文档页数:1
第一章编制依据《城镇道路工程施工与质量验收规范》CJJ1 —2008《混凝土结构工程施工质量验收规范》GB 50204-2002《地下防水工程质量验收规范》GB 50208-2002《公路路基设计规范》JTG D30 —2004《公路路基施工技术规范》JTG F10 —2006《公路路面基层施工技术规范》JTJ 034—2000《公路沥青路面设计规范》JTG D50 —2006《公路沥青路面施工技术规范》JTG F40 —2004《公路水泥混凝土路面设计规范》JTG D40 —2002《公路混凝土路面施工技术规范》JTG F30 —2003《公路路基路面现场测试规程》JTG E60—2008《公路土工试验规程》JTG E40 —2007《公路工程集料试验规程》JTG E42—2005《公路工程水泥及水泥混凝土试验规程》JTG E30—2005《公路工程无机结合料稳定材料试验规程》JTJ 057—94《公路工程沥青及沥青混合料试验规程》JTJ 052—2000《建筑地基处理技术规范》JGJ 79-2002《混凝土路缘石》JC899—2002《混凝土路面砖》JC/T466—2000《铸铁检查井盖》CJ/T3012—1993《钢纤维混凝土检查井盖》JC889—2001《聚合物基复合材料检查井盖》CJ/T211—2005《聚合物基复合材料水箅》CJ/T212—2005《建设工程文件归档整理规范》GB/T 50328-2001《建设工程监理规范》GB 50319—2000《市政基础设施工程施工技术文件管理规定》建成【2002】221号《房屋建筑工程和市政基础设施工程竣工验收备案管理暂行办法》建设部第78号令第二章单位(子单位)分部(子分部)工程质量验收表式单位(子单位)工程质量竣工验收记录理和有关勘察、设计单位项目负责人进行验收,如有其他单位参加可增设签字盖章栏。
分部(子分部)工程检验记录A.0.3-1表编号:注:本表由施工单位制表人填写,总监理工程师(建设单位项目专业负责人)组织施工项目经理和有关勘察、设计单位项目负责人进行验收,并应按上表进行记录。
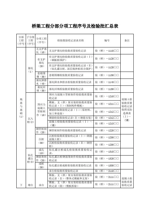
分部工程验收汇总表
工程名称:吴忠市利通区古城湾新村工程编号:
单位(子单位)工程质量控制资料核查记录表
第1页
第2页
单位(子单位)工程安全和功能检验
资料核查及主要功能抽查记录
注:抽查项目由验收组协商确定
单位(子单位)工程观感质量检查记录
注:①质量评价差的项目,应进行返修.
施工单位竣工自检记录表
施工单位:吴忠市利通区古城湾新村验收日期:2010年12月1日
注:表格内容要求用碳素墨水填写.
单位(子单位)工程质量竣工验收记录表
注:表格内容要求用碳素墨水填写。
沉降观测记录
工程名称:吴忠市利通区古城湾新村水准点(BM)相对标高:+0.10m
注:附观测点、水准点布置图和S、P、T三者关系及沉降量曲线图。
建设单位代表:樊杰工程技术负责人: 杨文涛填表人:刘涛
观测点、水准点布置图
工程名称: 吴忠市利通区古城湾新村施工单位:宁夏威翔建筑安装工程有限公司
工程负责人:樊杰制图人:杨文涛日期:2010年11 月20 日
S、P、T三者关系及沉降量曲线图
工程名称:吴忠市利通区古城湾新村施工单位:宁夏威翔建筑安装工程有限公司
工程负责人:樊杰制图人:刘涛日期:2010年11月20日
混凝土工程施工记录
施工单位:宁夏威翔建筑安装工程有限公司
项目经理:项目技术负责人:施工员:
混凝土工程施工记录
施工单位:宁夏威翔建筑安装工程有限公司
项目经理: 项目技术负责人:施工员:。
电线导管、电缆导管和线槽敷设检验批质量验收记录表(室内)电线导管、电缆导管和线槽敷设检验批质量验收记录表(室外)电缆桥架安装和桥架内电缆敷设检验批质量验收记录表电缆沟内和电缆竖井内电缆敷设检验批质量验收记录表电线、电缆穿管和线槽敷线检验批质量验收记录表(室内)电线、电缆穿管和线槽敷线检验批质量验收记录表(室外)缆线敷设和终接检验批质量验收记录表机柜、机架、配线架的安装检验批质量验收记录表信息插座和光缆芯终端的安装检验批质量验收记录表电线导管、电缆导管和线槽敷设检验批质量验收记录表(室内)电线导管、电缆导管和线槽敷设检验批质量验收记录表(室外)电缆桥架安装和桥架内电缆敷设检验批质量验收记录表电缆沟内和电缆竖井内电缆敷设检验批质量验收记录表电线、电缆穿管和线槽敷线检验批质量验收记录表(室内)电线、电缆穿管和线槽敷线检验批质量验收记录表(室外)电视监控系统检验批质量验收记录表电线导管、电缆导管和线槽敷设检验批质量验收记录表(室内)电缆桥架安装和桥架内电缆敷设检验批质量验收记录表电线、电缆穿管和线槽敷线检验批质量验收记录表(室内)公共广播系统检验批质量验收记录表电线导管、电缆导管和线槽敷设检验批质量验收记录表(室内)电缆桥架安装和桥架内电缆敷设检验批质量验收记录表电线、电缆穿管和线槽敷线检验批质量验收记录表(室内)入侵报警系统检验批质量验收记录表电线导管、电缆导管和线槽敷设检验批质量验收记录表(室内)电缆桥架安装和桥架内电缆敷设检验批质量验收记录表电线、电缆穿管和线槽敷线检验批质量验收记录表(室内)电线导管、电缆导管和线槽敷设检验批质量验收记录表(室内)电缆桥架安装和桥架内电缆敷设检验批质量验收记录表电线、电缆穿管和线槽敷线检验批质量验收记录表(室内)电线导管、电缆导管和线槽敷设检验批质量验收记录表(室内)4紧急报警系统各序号子分部(系统)检验批/分项1综合布线系统2安防监控系统3公共广播系统5无线对讲系统6LED信息发布系统电缆桥架安装和桥架内电缆敷设检验批质量验收记录表电线、电缆穿管和线槽敷线检验批质量验收记录表(室内)停车管理系统检验批质量验收记录表电线导管、电缆导管和线槽敷设检验批质量验收记录表(室内)电缆桥架安装和桥架内电缆敷设检验批质量验收记录表电线、电缆穿管和线槽敷线检验批质量验收记录表(室内)巡更系统检验批质量验收记录表9水电远抄管理系统物业管理系统分项及检验批质量验收记录表(Ⅰ)多表现场计量及远程传输系统电线导管、电缆导管和线槽敷设检验批质量验收记录表(室内)电缆桥架安装和桥架内电缆敷设检验批质量验收记录表电线、电缆穿管和线槽敷线检验批质量验收记录表(室内)出入口控制(门禁)系统检验批质量验收记录表电线导管、电缆导管和线槽敷设检验批质量验收记录表电缆桥架安装和桥架内电缆敷设检验批质量验收记录表电线、电缆穿管和线槽敷线检验批质量验收记录表暗龙骨吊顶工程检验批质量验收记录表(轻钢龙骨吊顶)墙体节能工程检验批质量验收表(保温棉敷设)饰面板安装工程检验批质量验收记录表(彩钢板)水性涂料涂饰工程检验批质量验收记录表(乳胶漆、防尘漆)活动地板面层工程检验批质量验收记录表普通灯具安装检验批质量验收记录表开关、插座、风扇安装检验批质量验收记录表照明系统检验批质量验收记录表防雷及接地检验批质量验收记录表室内空调环境检验批质量验收记录表电线导管、电缆导管和线槽敷设检验批质量验收记录表(室内)电缆桥架安装和桥架内电缆敷设检验批质量验收记录表电线、电缆穿管和线槽敷线检验批质量验收记录表(室内)不间断电源安装分项及检验批质量验收记录表13弱电间UPS供电系统8电子巡更系统10综合类(消费、考勤、门禁)管理系统12机房建设及汇聚间装饰工程7停车管理系统各系统检验批数汇总楼栋/部位数据中心研发中心呼叫中心园区一~五层一~四层一~六层/ ///东区、西区一~五层一~四层一~六层/ ///东区、西区一~五层一~四层一~六层/ ///东区、西区一~五层一~四层一~六层/一~五层一~四层一~六层/一~五层一~四层一~六层/一~五层一~四层一~六层/ ///东区、西区一~五层一~四层一~六层/ ///东区、西区一~五层一~四层一~六层/ ///东区、西区一~五层一~四层一~六层东区、西区一~五层研发中心//一~五层研发中心//一~五层研发中心//一~五层研发中心//一~五层研发中心//一~五层研发中心//一~五层研发中心//一~五层研发中心//一~五层研发中心//一~五层研发中心//一~五层研发中心//一~五层研发中心//一~五层研发中心//一~五层研发中心// ///出口、入口///出口、入口///出口、入口///出口、入口/西南、东南、东北、西北///西南、东南、东北、西北///西南、东南、东北、西北///西南、东南、东北、西北//数据中心研发中心呼叫中心/一~五层/一~六层/一~五层/一~六层/一~五层/一~六层/一~五层/一~六层/二层机房二层汇聚间//二层机房二层汇聚间//二层机房二层汇聚间//二层机房二层汇聚间//二层机房二层汇聚间//二层机房二层汇聚间//二层机房二层汇聚间//二层机房二层汇聚间//二层机房二层汇聚间//二层机房二层汇聚间//二层机房二层汇聚间//二层机房二层汇聚间//二层机房二层汇聚间//二层弱电间二层弱电间//二层弱电间二层弱电间//二层弱电间二层弱电间//二层弱电间二层弱电间//备注镀锌钢管光纤。
分部工程检验记录日期:2024年10月10日检验对象:XXXX分部工程1.简介XXXX分部工程是XXXX项目中的一个重要组成部分。
本次检验旨在检查该分部工程的施工质量是否符合相关规范和要求,确保工程的安全性和可靠性。
2.检验内容本次检验主要包括以下内容:(1)基础施工质量检验;(2)结构施工质量检验;(3)给排水施工质量检验;(4)电气施工质量检验;(5)装饰施工质量检验;(6)设备安装施工质量检验。
3.检验方法为了确保检验的准确和全面性,我们采用了以下方法:(1)查阅相关施工图纸和施工规范;(2)实地检查工程施工现场;(3)检查材料的质量;(4)对重点部位进行拍照记录;(5)与相关施工单位进行沟通和交流。
4.检验结果经过本次检验,我们对XXXX分部工程的施工质量进行了评估,结果如下:(1)基础施工质量良好,混凝土柱和墙体的浇筑均匀,无明显的裂缝和麻面现象;(2)结构施工质量符合规范要求,钢筋的布置密度均匀,焊缝牢固可靠;(3)给排水施工质量优良,管道的安装牢固,连接处无渗漏;(4)电气施工质量符合要求,电线的敷设整齐美观,接线端头密封良好;(5)装饰施工质量达标,墙面平整,拼接缝隐蔽,无开裂现象;(6)设备安装施工质量良好,设备安装位置准确,操作正常。
5.存在问题及改进措施在本次检验中,我们发现了以下问题:(1)部分基础施工现场存在杂物堆放不规范的情况,应及时清理;(2)部分结构施工中焊缝的工艺质量有待提高;(3)部分装饰施工中拼接缝处理不细致,需要加强培训和施工管理。
针对上述问题,我们制定了以下改进措施:(1)加强施工现场管理,及时清理杂物;(2)加强焊工的培训和管理,提高焊接质量;(3)加强装饰施工过程中的监督和检查,确保拼接缝处理的质量。
同时,我们将与相关施工单位进行沟通和协调,确保问题得到及时解决。
6.结论经过本次检验,XXXX分部工程的施工质量整体良好,仅存在个别问题需要改进。
我们将继续密切监督和检查施工过程,确保工程质量的进一步提升。
分部工程验收汇总表
工程名称:吴忠市利通区古城湾新村工程编号:
注:表格内容要求用碳素墨水填写。
单位(子单位)工程质量控制资料核查记录表第1页
第2页
注:表格内容要求用碳素墨水填写。
单位(子单位)工程安全和功能检验
资料核查及主要功能抽查记录
注:抽查项目由验收组协商确定
单位(子单位)工程观感质量检查记录
注:①质量评价差的项目,应进行返修。
施工单位竣工自检记录表
施工单位:吴忠市利通区古城湾新村验收日期:2010年12月1日
注:表格内容要求用碳素墨水填写。
单位(子单位)工程质量竣工验收记录表
注:表格内容要求用碳素墨水填写。
沉降观测记录
工程名称:吴忠市利通区古城湾新村水准点(BM)相对标高:+0.10m
注:附观测点、水准点布置图和S、P、T三者关系及沉降量曲线图。
建设单位代表:樊杰工程技术负责人:杨文涛填表人:刘涛
观测点、水准点布置图
工程名称:吴忠市利通区古城湾新村施工单位:宁夏威翔建筑安装工程有限公司
工程负责人:樊杰制图人:杨文涛日期:2010年11 月20 日S、P、T三者关系及沉降量曲线图
工程名称:吴忠市利通区古城湾新村施工单位:宁夏威翔建筑安装工程有限公司
工程负责人:樊杰制图人:刘涛日期:2010年11月20日
混凝土工程施工记录
施工单位:宁夏威翔建筑安装工程有限公司
项目经理:项目技术负责人:施工员:
混凝土工程施工记录
施工单位:宁夏威翔建筑安装工程有限公司
项目经理:项目技术负责人:施工员:。