雷电事故应急措施示范文本
- 格式:docx
- 大小:81.95 KB
- 文档页数:7
台风暴雨雷击应急处理作业规程范文第一部分:培训和准备1. 规范培训为了提高台风暴雨雷击应急处理的能力和水平,所有相关人员需要参加相关培训。
培训内容包括应急处理流程、安全知识、应急设备的使用方法等。
2. 做好防护准备在台风暴雨雷击前,所有从事户外作业的人员需要做好防护准备。
包括佩戴防雷头盔、穿戴防雷服、戴好防风眼镜等。
同时,要检查应急设备的完好性,确保其能够正常使用。
3. 检查台风暴雨雷击应急设备每个单位需要定期检查应急设备的状况,并及时修复或更换损坏的设备。
对于维修不可行的设备,则需要更换新的设备。
第二部分:台风暴雨雷击应急处理流程1. 注意天气预报在台风暴雨季节,密切关注天气预报是十分重要的。
一旦接到台风暴雨警报,立即启动应急处理流程。
2. 撤离人员根据实际情况,及时组织人员撤离至安全区域。
在撤离过程中,要严格按照预先制定的撤离路线和步骤进行。
3. 封闭建筑物在撤离人员后,立即对建筑物进行封闭,关闭门窗,以防暴雨和雷击对内部造成伤害。
同时,对于易受损的设备,需要进行固定或者移除。
4. 切断电源和燃气为了避免因雷击引发火灾和爆炸,必须及时切断电源和燃气。
对于特殊区域或特殊设备,需要特别注意切断电源和燃气的操作。
5. 加固防护在危险区域或易受损的设备上,可以采取加固措施。
比如加装防护罩、加固设备的固定等。
6. 监测气象情况在整个台风暴雨期间,密切关注气象情况,及时根据气象变化做出相应的调整和预警。
第三部分:事故应急处理1. 遇到突发事件在台风暴雨期间,可能会发生突发事件,如楼房倒塌、道路堵塞等。
及时向相关部门报告,并向现场指挥官请示处理措施。
2. 疏散人员对于被困在危险区域的人员,要优先保证其安全撤离。
在疏散过程中,要做好人员统计工作,确保无人被遗漏。
3. 救护伤员对于受伤的人员,要及时进行急救,并将其送往医院治疗。
在救护过程中,要注意个人防护和传染病的防控。
4. 清理道路和设备在台风暴雨过后,要及时清理道路和设备,排除阻碍,并对设备进行维修和检查,确保其正常运行。
一、预案背景随着夏季雷电天气的增多,雷击事故频发,给人们的生命财产安全带来严重威胁。
为提高应对雷击事故的能力,保障人民群众的生命财产安全,特制定本预案。
二、预案目标1. 建立健全防雷事故应急处置机制,确保雷击事故发生时能够迅速、有序地开展应急处置工作。
2. 最大程度减少雷击事故造成的损失,保障人民群众的生命财产安全。
3. 提高全体员工的防雷安全意识,提高防雷事故应急处置能力。
三、组织机构及职责1. 成立防雷事故应急处置领导小组,负责统一指挥、协调、调度和监督防雷事故应急处置工作。
2. 领导小组下设以下工作组:(1)现场救援组:负责现场救援、伤员救治和财产保护等工作。
(2)通信联络组:负责应急处置信息的收集、传递和发布等工作。
(3)后勤保障组:负责应急物资的筹备、调配和供应等工作。
(4)宣传报道组:负责应急处置工作的宣传报道和舆论引导等工作。
四、应急处置措施1. 预警响应(1)当气象部门发布雷雨预警信息时,立即启动本预案。
(2)各相关部门和单位要密切关注预警信息,做好应急准备工作。
2. 现场救援(1)现场救援组要迅速赶赴事故现场,开展救援工作。
(2)对受伤人员进行现场救治,并及时送往医院。
(3)对财产损失进行评估,采取有效措施保护现场。
3. 通信联络(1)通信联络组要确保信息畅通,及时收集、传递和发布应急处置信息。
(2)加强与气象、公安、消防等部门的沟通协调,共同应对雷击事故。
4. 后勤保障(1)后勤保障组要迅速调配应急物资,确保救援工作顺利进行。
(2)对受灾群众提供临时住所和生活必需品。
5. 宣传报道(1)宣传报道组要及时报道应急处置工作进展,回应社会关切。
(2)加强防雷安全知识宣传,提高全体员工的防雷安全意识。
五、应急响应等级1. Ⅰ级响应:雷击事故造成重大人员伤亡和财产损失。
2. Ⅱ级响应:雷击事故造成较大人员伤亡和财产损失。
3. Ⅲ级响应:雷击事故造成一定人员伤亡和财产损失。
六、预案实施与培训1. 本预案由各单位、各部门负责组织实施。
防雷击安全应急预案范本第一章总则为了加强对雷击安全的管理,确保人员财产的安全,制定本防雷击安全应急预案。
第二章应急响应1. 预案的启动与组织(1)领导小组:成立防雷击安全领导小组,负责制定并指导预案的实施。
(2)应急指挥部:根据实际情况成立雷击安全应急指挥部,负责组织、协调、调度和指挥应急工作。
2. 应急响应等级根据雷电频率和威胁程度,将雷击安全应急分为四个等级,分别为红色、橙色、黄色和蓝色。
3. 应急预案的通知和宣传(1)制定通知:根据不同等级的雷击安全应急,制定相应的通知,明确应急响应的要求和措施。
(2)加强宣传:通过内部通告、宣传栏、宣传片等方式,加强预案的宣传和普及,提高员工对雷击安全的意识和应急能力。
第三章防雷击安全风险评估与监控1. 风险评估(1)雷电频率分析:对所在地区雷电频率进行统计和分析,制定相应的防雷击措施。
(2)设备检测:对重要设备进行定期巡检,及时发现雷击风险,采取相应的预防措施。
2. 监控系统(1)建立雷击监控系统:利用先进的雷击监控设备,对场地进行全面的监控,及时发现雷电活动,采取相应的预警措施。
(2)监控人员培训:对雷击监控人员进行专业培训,提高其监控能力和判断准确性。
第四章应急措施1. 办公区域应急措施(1)办公设备保护:重要办公设备安装过电压保护设备,确保在雷电活动期间设备正常运行。
(2)人员撤离:根据应急响应等级,及时组织员工撤离,确保人员的安全。
2. 生产区域应急措施(1)生产设备保护:重要生产设备安装过电压保护设备,确保设备在雷击活动期间正常运行。
(2)停产措施:根据应急响应等级,及时停产,保障人员的安全。
(3)防护设施:建设防雷击设施,提高生产区域的雷击安全级别。
第五章应急演练与总结1. 应急演练(1)定期演练:按照预案要求,定期组织应急演练,提高人员的应急响应能力和协作能力。
(2)情景模拟:根据实际情况,设计不同的演练情景,对各种应急情况进行模拟演练。
雷击专项应急预案范文一、概述雷击是一种自然灾害,具有突发性和破坏力大的特点,给人们的生命财产安全造成了严重的威胁。
为了有效应对雷击灾害,减少损失,本预案旨在建立一套科学、有效的雷击应急预案,提供指导和保障措施。
二、应急预案的目标1. 确保人员安全:保障人员的生命安全,并妥善疏散受灾人员。
2. 最小化财产损失:通过采取紧急措施,减少财产损失。
3. 迅速恢复正常生产:在灾害发生后,尽快恢复正常的工作和生产秩序。
三、应急预案的基本原则1. 安全第一:确保人员的安全为首要任务。
2. 科学有效:根据实际情况,制定合理的预案和措施。
3. 分工合作:做好紧急应对工作,分工合作,协同配合。
4. 快速响应:在灾害发生后迅速启动应急预案并进行相应处理。
5. 不留盲点:全面考虑各种可能性和细节,不留任何盲点。
四、应急预案的组织机构1. 领导小组:指挥应急工作,包括应急工作组长、副组长等。
2. 专家咨询组:提供技术支持和指导。
3. 应急救援队:负责实施应急措施和抢险救援工作。
4. 调度指挥中心:负责信息收集、指挥调度和协调各方工作。
五、应急预案的应急措施1. 预警和监测:建立雷电监测系统,提前获取雷电信息,做好预警工作,确保人员及时避险。
2. 应急疏散:根据雷电的危险程度,及时组织人员疏散到安全地点,并进行必要的救援工作。
3. 电气设备的保护:加强对电气设备的维护和检修工作,确保设备的安全运行。
4. 防护措施:加强对建筑物、设备和通讯线路等的防护,及时采取措施减少雷击的危害。
5. 灾后救援:根据灾情,组织救援队伍进行灾后救援和重建工作。
六、应急预案的应急流程1. 预警和监测阶段a. 收集雷电信息,并与气象部门进行联系,获取最新预警信息。
b. 根据雷电预警信息,及时发布预警通知,告知相关部门和人员。
c. 部署雷电监测设备、人员,确保实时监测雷电情况。
2. 应急疏散阶段a. 根据雷电情况,及时启动疏散预案,通知相关人员疏散到安全地点。
雷电急救措施雷电是一种极具危险性的自然现象,如果不正确处理,可能会导致严重的伤害甚至死亡。
因此,了解雷电急救措施是非常重要的。
下面将详细介绍雷电急救措施的标准格式文本。
一、了解雷电雷电是一种大气电现象,由于云层内外的电荷分离引起。
雷电通常伴随着闪电和雷鸣声。
雷电的主要危害来自于其强大的电流和高温,可以对人体造成直接或间接的伤害。
二、1. 雷电警报当天空出现闪电和雷鸣声时,应该立即警惕雷电的可能性。
在户外时,应该寻找安全的避雷措施,如建筑物内或车辆内等。
2. 避免高危区域避免在雷电天气中待在高危区域,如高山、开阔地区、水边等。
这些地方容易成为雷击的目标。
3. 远离金属物体在雷电天气中,应远离金属物体,如铁栏杆、电线、电线杆等。
这些物体会吸引雷电,增加受伤的风险。
4. 就地避雷如果没有安全的避雷措施,应该采取就地避雷的方法。
就地避雷的关键是保持低姿势,尽量接触地面的面积减小,以减少雷电通过人体的可能性。
5. 避免接触水和湿地雷电喜欢击中湿润的地方,因此在雷电天气中应避免接触水和湿地。
不要在下雨时游泳或洗澡,以免成为雷击的目标。
6. 不要躺在地面上雷电通过地面传导,如果躺在地面上,会增加雷电通过人体的可能性。
因此,在雷电天气中,不要躺在地面上或接触地面。
7. 避免使用电器设备在雷电天气中,应避免使用电器设备,如手机、电脑、电视等。
雷电可能通过电线进入设备,增加触电的风险。
8. 寻找避雷措施在雷电天气中,如果有安全的避雷措施,应尽快寻找避雷措施。
这些避雷措施包括避雷针、避雷器等,可以将雷电引导到地下。
9. 寻求医疗救助如果不幸被雷电击中,应立即寻求医疗救助。
雷电可能导致电击伤、烧伤、心脏骤停等严重后果,及时的医疗救助可以减轻伤害并提高生存率。
总结:雷电是一种极具危险性的自然现象,了解雷电急救措施是非常重要的。
在雷电天气中,应该警惕雷电的可能性,并采取相应的避雷措施,如避免高危区域、远离金属物体、就地避雷等。
雷电急救措施雷电是一种非常危险的自然现象,经常会造成人员伤亡和财产损失。
在雷电发生时,正确的急救措施可以帮助减少伤害和风险。
下面是雷电急救措施的标准格式文本:1. 雷电的危害和预防措施雷电可以产生强大的电流和电磁场,对人体和物体造成严重伤害。
为了预防雷电事故的发生,应采取以下措施:- 在雷电季节,避免在室外活动,尤其是在雷暴天气条件下。
- 避免在雷雨天气下接打电话或使用电器设备,尤其是固定电话和有线电视。
- 避免在雷雨天气下接触金属物体,如铁栏杆、金属门等。
- 如果在户外被困在雷雨中,应尽快寻找安全的避雷措施,如避雷塔、建筑物等。
2. 雷电急救措施如果在雷电发生时有人受伤,应立即采取以下急救措施:- 立即拨打紧急救援电话,告知具体的事故地点和伤情。
- 如果受伤者处于室外,应尽快将其转移到室内或其他安全的场所。
- 如果受伤者停止呼吸或心跳,应立即进行心肺复苏(CPR)。
- 如果受伤者有明显的烧伤,应用冷水冲洗烧伤部位,并用干净的布覆盖伤口。
- 如果受伤者有电击伤,应先切断电源,然后用绝缘材料(如塑料棍、干木棍等)将其与电源分离,再进行急救措施。
3. 雷电急救培训和设备为了更好地应对雷电事故,建议参加雷电急救培训并了解相关设备的使用方法。
以下是一些常见的雷电急救设备:- 避雷针:安装在建筑物或其他高处,用于引导雷电电流进入地下,减少损害。
- 避雷器:用于保护电器设备免受雷击,通过将雷电电流导入地下。
- 避雷网:安装在建筑物周围,用于分散雷电电流,减少雷击的危险。
- 电击急救包:包含急救用品,如绝缘手套、绝缘剪刀、绝缘毯等,用于处理电击伤害。
4. 雷电事故的后续处理在雷电事故发生后,应及时进行后续处理,以减少潜在的风险和损失:- 检查建筑物和设备是否受损,并及时修复或更换。
- 对于电器设备,应进行彻底的检查和维修,以确保其安全使用。
- 对于受伤人员,应及时提供必要的医疗救治和康复护理。
- 对于受伤人员的家属和目击者,应提供心理支持和咨询服务。
雷电急救措施雷电是一种强大且危险的自然现象,常常伴随着强烈的闪电、巨大的雷声和剧烈的天气变化。
当人们在户外遭遇雷电时,正确的急救措施非常重要,可以有效减少伤害和生命威胁。
以下是针对雷电急救的标准格式文本,详细介绍了雷电急救的步骤和注意事项。
1. 确认雷电警报首先,当你在户外听到雷声或看到闪电时,应立即确认是否有雷电警报。
在许多地方,雷电警报系统会通过声音或其他方式提醒人们注意雷电的存在。
如果有雷电警报,你应该立即采取适当的措施保护自己。
2. 寻找安全的避雷措施在雷电天气中,最重要的是找到一个安全的避雷措施。
避雷措施可以是建筑物、车辆或其他避雷设施。
避雷措施应该是坚固的、有屋顶的,并且能够提供足够的保护。
避免站在开放的空地、高地或单独的树木下,因为它们是遭受雷击的主要目标。
3. 避免接触金属物体在雷电天气中,应避免接触金属物体,因为金属是电流的良好导体。
避免接触金属栏杆、金属门把手、电线、电线杆等物体,以免成为电流的通路。
此外,也应避免使用手机、电脑等电子设备,因为它们可能会吸引雷电。
4. 保持距离在雷电天气中,保持与其他人的距离至关重要。
避免站在人群中,特别是在露天活动或人多的地方。
如果你在户外与其他人一起,应尽量保持至少10英尺(约3米)的距离,以减少雷击的风险。
5. 蹲下并保持姿势如果你没有找到安全的避雷措施,应蹲下并保持特定的姿势。
蹲下并将头部靠近膝盖,同时用双手抱住双脚。
这个姿势有助于减少雷击时电流通过身体的可能性,并减少受伤的风险。
6. 避免水域和湿地雷电天气中,应避免接近水域和湿地,因为它们是电流传导的良好介质。
避免在游泳池、湖泊、河流或海滩等地方活动。
如果你在这些地方被困,应立即离开并寻找安全的避雷措施。
7. 不要躺在地面上在雷电天气中,不要躺在地面上,因为地面也是电流的传导介质。
雷击通常会通过地面传导,躺在地面上会增加被雷击的风险。
如果没有其他安全的避雷措施,应尽量保持蹲下的姿势。
防雷的应急预案(3篇)防雷的应急预案(通用3篇)防雷的应急预案篇1为了切实加强我校防雷电自然灾害工作的组织领导,建立高效有序的救灾运行机制,提高防灾救灾工作的整体水平,做好我校的防灾、救灾工作,特制定我校防雷电自然灾害应急预案:一、领导小组:组长:刘仁君副组长:刘仁新成员:刘仁丰刘延伟刘传华二、救援程序1、发生事故后,单位领导、教师应在第一时间赶到事故现场,按照应急救援预案,立足自救或者实施援救:(1)当雷击引起人员伤亡、火灾、爆炸等灾害时,及时实施消防、医疗救护、人员疏散、努力保证人员安全;(2)立即向教育局报告灾情;(3)保护好现场。
2、雷电灾害防御工作领导小组,立即向上级教育主管部门领导报告,并组织有关人员赶赴现场,成立事故处理现场指挥小组,指挥小组组长由校长担任,对抢险救灾事故处理实行统一指挥。
3、参加抢险救援工作,在事故应急指挥部的统一指挥下实施救援,不得拖延、推诿,应当采取有效措施,减少事故损失,防止事故蔓延扩大:(1)立即组织营救受害人员,组织撤离或者采取其他措施保护危险区域内的其他人员,排除险情;(2)迅速控制危害源,并对危害源造成的危害进行检验、监测,测定事故的危害区和危害程度。
三、雷电灾害事故报告(1)发生雷电灾害事故时,事故当事人或者发现人应当立即报告学校领导,紧急情况要报警,有伤亡、火灾、爆炸时,应当保护现场并迅速组织抢救人员和财产。
(2)较大以上雷电灾害事故,学校应当在事故发生后一小时内将事故发生时间、地点、造成后果、已采取措施等情况书面报告教育局主管部门。
防雷的应急预案篇2为了防御、避免和减轻雷电灾害,保证校园师生的生命和校园设备财产安全,杜绝因雷电灾害造成的的伤害事故,本着“安全第一、预防为主”的原则,根据教育部、中国气象局关于防御气象灾害的有关文件精神,以及福建省《防雷减灾管理办法》细则和我校园实际,制定本预案。
一、组织机构1.应急领导小组:职责:负责组织协调和检查校园防雷电工作,掌握校园防雷电工作动态,提出预防对策和措施,切实加强对防雷电工作的领导。
雷击事故应急预案1. 背景雷击是一种自然灾害,是在雷电天气环境下人体受到直接或间接的电击,造成人员伤亡或设备损坏的现象。
在雷电天气环境下,人们需要采取相应的措施,保障自身和设备的安全。
本文档提供了针对雷击事故的应急预案,以提供参考。
2. 雷击事故应急预案2.1 前期准备在雷电天气环境下,不要单独站在开阔地带,或在电缆设备附近,特别是在高耸物体较多的地方。
此外,为了提前预防雷击事故的发生,需要对设备进行检查和维护,确保设备完好无损,减小事故发生的概率。
2.2 雷击事故应急处理流程当发生雷击事故时,需要采取如下应急处理流程:第一步:立即停电在发生雷击事故时,首先需要立即停电,以避免电力设备受到电击,造成更大的损失。
停电的过程中,需要按照电力设备的规定操作,确保关键设备的正常停电。
第二步:紧急处理雷击现场在停电之后,应立即进入现场,查看损坏的设备和损伤的人员情况,并进行紧急处理。
在处理现场时,需要采取安全保护措施,避免二次伤害和沾染电气。
第三步:制定应急处置方案在处理现场的同时,需要制定应急处置方案,安排人员进行紧急维修,保障设备运转,并对受伤人员进行紧急救治。
当然,如果现场实在无法处理,需要及时上报相关部门,以求得进一步支援。
第四步:恢复供电在进行紧急处理之后,需要及时恢复供电,并开展设备的评估、检查和维护工作。
在恢复供电的过程中,需要确保设备能够正常运转,避免后续的电力安全事故发生。
3. 总结雷击事故的发生虽然无法完全避免,但是通过合理的应急预案,可以及时减小事故的损失。
在处理雷击事故的过程中,需要确保安全,同时使用科学的方法,保障设备和受伤人员的安全,同时在后续的工作中对设备进行检查和维护,预防类似事故再次发生。
雷电事故现场处置方案前言雷电是一种非常强大的自然灾害,可以造成许多损失和伤害。
当发生雷电事故时,采取正确的行动可以最大程度地保护人员的安全。
本文档旨在提供针对雷电事故现场的处置方案,以保证人员的安全和最大程度的减少损失。
雷电事故预防首先,要想尽可能避免雷电事故的发生,必须采取一些预防措施。
以下是一些预防雷电事故的建议:•不要在雷雨天气下进行户外活动,尤其是在开阔场地上;•如果被困在露天空地,不要试图躲避雷电,要尽快寻找避难所;•在室内避雷时,不要靠近窗户、水管、电器等易导电物;•避免在高处或较接近电线、金属结构等场所工作。
雷电事故现场处置方案当发生雷电事故时,立即采取以下行动:1. 保证个人安全首先要保护自己的安全,采取以下措施:•立即停止一切活动,保持冷静;•尽量避免站在高处或接近金属物或设备,远离易引起闪电危险的地方;•如果身边有密集的树林,则不要躲在树下或树旁。
2. 紧急救治伤员如果有人因雷击受伤,需要紧急救治:•立即拨打120急救电话,告知医护人员现场情况;•尽可能把被害人从危险区域转移至安全地带,在救护人员到达前进行简单的急救;•注意保暖,避免病情恶化。
3. 处理火灾和爆炸等附带事故如果雷击事故引发火灾、爆炸等附带事故,需要采取措施:•如果火势较小,可以用灭火器和水进行扑灭;•如果火势较大,不要冲动,等待消防人员到场;•遵循安全程序进行疏散、撤离。
4. 检查设备和建筑物在冷静、安全的情况下,可以进行设备和建筑物的检查:•要仔细检查室内设施和设备是否受损,如需维修,应尽快安排;•对于建筑物和其他结构使用机器检查,确保没有隐患;•如有问题,立即通知相关维修人员进行修复。
结语以上是雷电事故现场处置方案,当遭遇雷电事故时,需要保持冷静、迅速采取行动,才能最大程度地减少损失和保护人员的安全。
同时,也需要提前做好预防措施,避免再次遭遇雷电事故。
防雷击安全应急预案范本一、背景与目的1.1 背景概述:雷击是自然灾害中的一种常见形式,对人们的生命财产安全造成严重威胁。
为了减少雷击事故的发生,保障人民群众的安全,制定本防雷击安全应急预案。
1.2 目的:本防雷击安全应急预案的目的是规范单位、机构和个人在雷击事件发生时的处置流程,提高应对雷击事故的能力,最大限度地保障人民群众的生命和财产安全。
二、应急预案编制的依据与原则2.1 依据:本防雷击安全应急预案依据国家相关法律法规、政策文件、技术标准等编制。
2.2 原则:本防雷击安全应急预案编制遵循以下原则:(1)科学性原则:应急预案的编制应基于科学、准确的数据和信息,确保应急预案的科学性和可行性。
(2)可操作性原则:应急预案的操作流程应简单明了、易于操作和实施,以提高应急响应的效率和质量。
(3)紧急性原则:应急预案的应急响应流程应紧急、及时,以确保在雷击事件发生时能够迅速采取有效措施。
(4)综合性原则:应急预案应考虑各种可能的雷击安全问题,并综合各种资源和力量进行应对,以提高对雷击事故的应对能力。
三、应急预案的主要内容3.1 预警与监测(1)雷电监测:建立雷电监测系统,实时监测和预警雷电活动,向相关单位、机构和个人发布雷电预警信息。
(2)应急预警:收到雷电监测系统的预警信息后,及时启动应急预案,通知相关单位、机构和个人采取相应的防护措施。
3.2 防护与避难(1)建筑物防雷:根据国家相关标准,对建筑物进行雷击防护设施的规划和设计,并按时进行巡检和维护,确保设施的有效性。
(2)避难措施:在雷电活动严重、雷击预警较大的情况下,及时组织人员避难到安全地点,避免雷击事故的发生。
3.3 应急响应与救援(1)应急响应:建立应急指挥中心,及时启动应急响应,组织相关力量进行现场处置和救援工作。
(2)救援措施:根据现场情况,进行雷击事故的救援和抢救工作,确保伤员的安全和施救的及时性和有效性。
3.4 事后评估与总结(1)事后评估:对雷击事故的处置过程进行评估,总结存在的问题和不足,并提出相应的改善措施。
雷电灾害的应急预案范文(通用5篇)雷电灾害的应急预案范文(通用5篇)在平凡的学习、工作、生活中,难免会发生一些不在自己预期的事件,为了控制事故的发展,通常需要预先编制一份完整的应急预案。
我们该怎么去写应急预案呢?下面是小编为大家整理的雷电灾害的应急预案范文(通用5篇),仅供参考,希望能够帮助到大家。
雷电灾害的应急预案1为防范暴雨雷电等恶劣天气、防止可能出现的洪涝灾害,确保师生的人身和校园财产安全,结合我校实际,特制定本应急预案。
一、成立防强降雨防洪水领导小组:组长:王松新副组长:缪淑芳王贺武组员:校委会其它成员:学校保安各位班主任二、准备工作:1、学校在暴雨来临之前,仔细检查校舍状况,看屋面是否漏水,墙体是否淋雨,清理下水管道沟渠等排水设施,有问题及时维修,各班班主任要认真检查教室门窗是否关闭,电源是否切断;2、对师生进行防暴雨雷电洪水的安全知识教育,做到未雨绸缪;3、检查学校周边环境,防止因外部原因造成校内事故。
4、检查电路设备,防止因淋水引发事故;5、成立防洪抢险突击队,落实人员和职责,准备足够的沙袋、沙子、铁锹、雨衣、电筒等防洪用具;6、学校确定在紧急情况下的疏散路线和安置地点,组织师生开展自救、互救、逃生演练。
三、应急措施:1、关注天气预报,如遇恶劣天气或进入汛期各学校必须安排24小时值班,所有人员保持通讯24小时畅通,以便在紧急情况下能及时对各类人员进行调配;2、暴雨时段,学校值班人员和保安人员应当频繁地在学校各处巡视,要重点巡查学校的排水情况、电路运行情况、隐患部位,若发现险情,立即向值班主管和单位领导报告,启动应急程序;3、强雷电天气,要做好学校人员及电气化、远程教育设备的防雷电工作;4、一旦校舍出现险情,迅速组织学生有序疏散、转移至安全地带,教师要首先保证学生人身安全;5、及时通过校园广播、电话、手机等媒体和通讯工具向有关部门和人员传递信息、通报情况、获取各方面支持;6、关注学生上学放学的路况,如果道路损毁或存在安全隐患学生不能回家,学校应妥善安置学生,并及时联系家长;7、按照政府的统一安排,组织人员做好堵闸防汛任务。
雷电灾害应急预案(通用3篇)雷电灾害篇1一、组织领导及职责(一)成立防雷的领导小组:组长:组员:(二)领导小组的职责:1、全面负责本园雷击应急工作,进行自救互救、疏散知识的宣传教育,提高单位应急意识和抵御雷击灾害的能力。
2、对本园雷击防灾应急预案组织演练。
3、一旦发生雷击,全面负责本单位雷击应急工作,指挥各专业组按预案确定的职责投入抗雷救灾。
(三)各应急专业工作组:1、应急疏散组的组长:成员:各班的班主任2、宣传组组长:成员:各班班主任3、后勤保障组组长:二、防雷安全的宣传教育:1、防雷安全全园集中宣传的教育工作,主要由办公室负责;分班宣传教育工作,主要由各班班长负责。
2、防雷安全宣传教育主要内容有:如何防雷?包括室内、室外如何“避雷”;打雷时应该往哪里躲?被雷电击中后如何抢救、自救、互救等等。
3、防雷安全宣传教育的主要形式有集中宣讲、挂图、发放资料手册、知识竞赛等。
三、防雷应急处置:1、幼儿园上空暴雨、闪电、雷鸣即将发生时,应当切断园内包括微机、各教室、各办公室等在内的一切电源;2、各班主任应当召集、通知正在室外活动的幼儿安全地回到教室。
3、雷电正在发生时,应当关好门窗,防止球形雷(滚雷)窜入室内造成危害,不得打电话、手机,不要靠近室内的金属设备(如水管)及门窗等容易被雷击中的地方。
4、受雷击被烧伤或严重休克的人,身体并不带电。
应马上让其躺下,扑灭身上的火,并对他进行抢救。
若伤者虽失去意识,但仍有呼吸或心跳,则自行恢复的可能性很大,应让伤者舒适平卧,安静休息后,再送医院治疗。
若伤者已停止呼吸或心脏跳动,应迅速对其进行口对口人工呼吸和心脏按摩,在送往医院的途中要继续进行心肺复苏的急救。
5、发生雷击伤害事故后,不管现场有没有临时急救人员,都要立即拨打120,让专业医生组织抢救。
并通知受伤学生的监护人马上赶赴现场或医院。
四、防雷报告的制度:1、检查发现幼儿园防雷装置不能发挥正常作用,可能不符合标准规范要求时,要及时报告园长,由园长向上级报告。
防范雷电灾害事故应急预案范文(精选3篇)【范文大全】应急预案指面对突发事件如自然灾害、重特大事故、环境公害及人为破坏的应急管理、指挥、救援计划等。
以下是为大家整理的防范雷电灾害事故应急预案范文(精选3篇),欢迎品鉴!【篇一】防范雷电灾害事故应急预案一.编制目的为加强雷电灾害防御工作,规范雷电灾害应急管理,提高雷电灾害防御能力和水平,最大限度地减轻或者避免雷电灾害事件造成的损害,保护人民生命财产安全,维护社会的安全与稳定。
二.编制依据依据《中华人民共和国气象法》、《气象灾害防御条例》(国务院令第570号)、《中华人民共和国突发事件应对法》、国务院办公厅《突发事件应急预案管理办法》、中国气象局《气象部门应急预案管理实施办法》、xx省气象局《气象灾害应急预案》等法律法规和规范性文件的有关规定,制定本预案。
三.适用范围本预案适用于全县范围内防雷重点单位雷电灾害事件的防范和应急处置工作。
凡涉及跨本县行政区域,或超出本县处置能力,或需要由市局或地方负责处置的特别重大灾害应急处置工作,依据市局或市局相关灾害应急预案处置。
四.工作原则4.1以人为本、减少危害切实把保障社会公共安全和公众生命财产安全放在首位,最大程度地减少易燃易爆场所雷电灾害安全事件及其造成的人员伤亡和危害。
4.2统一领导、分级管理在临沂市气象局的统一领导下,按照分级负责,属地为主的原则,落实应急管理相关工作。
4.3预防为主、科学高效开展安全宣传,坚持日常巡查和预案演练,做好应对易燃易爆场所雷电安全事件的处置等各项准备工作。
4.4健全机制、依法规范建立部门内外和上下联动的协调制度,确保反应迅速、协调有序、运转高效、处置得当。
五.组织机构及职责5.1组织机构xx县气象局成立防雷重点单位雷电安全应急管理领导小组(以下简称领导小组),领导小组组长由分管副局长担任,成员由办公室、防灾减灾中心、气象台等科室负责人组成。
领导小组下设防雷应急办公室,成员由办公室、防灾减灾中心、气象台等科室人员组成。
【应急预案】雷击事故应急预案应急预案。
一、事故概述。
雷击事故是一种突发性的自然灾害,可能给人们的生命和财产造成严重危害。
在雷击事故发生时,需要采取紧急措施来保护人员和财产安全。
二、事故应急预案。
1. 紧急通知。
一旦发生雷击事故,立即通知相关部门和人员,包括消防部门、医疗救援队、安全管理人员等,确保他们能够及时到达现场。
2. 人员疏散。
在雷击事故发生后,立即组织人员进行疏散,确保他们远离可能受到雷击的区域。
同时,提醒人员不要在室外或高处逗留,以免遭受雷击。
3. 现场安全。
在雷击事故发生后,确保现场安全,防止火灾或其他次生灾害的发生。
同时,对受损设施和设备进行检查,及时修复和恢复正常运行。
4. 医疗救援。
对于受伤人员,立即进行医疗救援和急救处理,确保他们得到及时的治疗和抢救。
5. 信息发布。
及时发布事故情况和应急处理措施,提醒社会公众注意雷击事故可能带来的危害,并采取相应的防护措施。
6. 事故调查。
在事故发生后,及时展开事故调查,找出事故原因和责任人,并采取相应的整改措施,避免类似事故再次发生。
三、应急预案执行。
当雷击事故发生时,相关部门和人员应按照应急预案的要求,迅速行动,采取有效措施,保护人员和财产安全,最大限度地减少事故损失。
四、应急预案演练。
定期组织雷击事故应急预案演练,提高相关人员的应急处置能力和协调配合能力,确保在实际事故发生时能够迅速有效地应对。
五、应急预案的完善。
根据实际情况和经验教训,不断完善雷击事故应急预案,提高其适用性和实用性,确保在突发事故发生时能够有效应对。
六、其他事项。
在雷击事故应急预案的执行过程中,需要注意保护人员和财产的安全,确保应急处置措施的及时有效,最大限度地减少事故损失。
雷电急救措施雷电是一种自然现象,其产生的强大电能对人类和物体都具有严重的威胁。
当雷电发生时,正确的急救措施是非常重要的,可以帮助减少伤害并保护生命安全。
以下是雷电急救措施的标准格式文本:一、了解雷电的基本知识雷电是由云层中的正电荷和地面上的负电荷之间的放电产生的。
雷电通常伴随着闪电、雷鸣和强烈的电流。
了解雷电的基本知识可以帮助我们更好地应对雷电事故。
二、预防雷电事故1. 在雷电天气下,避免在户外活动,尤其是在开放的区域,如高山、高楼等。
寻找安全的室内避雷设施,如雷达避雷塔、避雷针等。
2. 避免接触金属物体,如金属栏杆、铁丝网等,因为金属是电流的良好导体。
3. 不要使用有线电话或电脑等电子设备,因为雷电可能通过电线传导到设备上,造成电击伤害。
三、雷电事故的急救措施1. 如果有人被雷电击中,应立即采取急救措施。
2. 首先,确保自己的安全。
在没有确保安全的情况下,不要接近受伤者,以免自己也受到雷击。
3. 如果受伤者没有呼吸或心跳,应立即开始心肺复苏术。
按照CPR(心肺复苏)的步骤进行操作,包括按压胸部和进行人工呼吸。
4. 如果受伤者仍有呼吸或心跳,但出现其他伤害,如烧伤或骨折,应尽快寻求专业医疗救助。
在等待救护车到达之前,可以进行简单的急救处理,如用湿毛巾覆盖烧伤部位,固定骨折部位等。
四、雷电事故后的注意事项1. 如果受伤者被成功救治,应尽快将其送往医院进行进一步的检查和治疗。
2. 雷电事故可能对受伤者的身体产生严重的影响,包括心脏、神经系统和呼吸系统等。
因此,及时进行专业的医疗检查是非常重要的。
3. 在雷电事故后,受伤者可能会出现心理创伤,如恐惧、焦虑等。
家人和朋友应给予他们足够的支持和理解,帮助他们渡过难关。
总结:雷电急救措施是在雷电事故发生时保护生命安全的重要步骤。
了解雷电的基本知识、预防雷电事故、正确实施雷电事故的急救措施以及雷电事故后的注意事项,都是保护自己和他人安全的关键。
在雷电天气下,我们应该保持警惕,遵守相关安全规定,以减少雷电事故的发生。
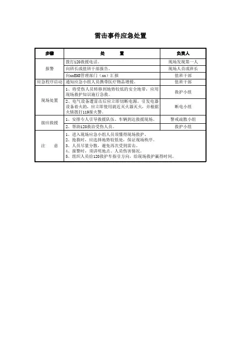
雷电事故应急措施示范文
本
In The Actual Work Production Management, In Order To Ensure The Smooth Progress Of The Process, And Consider The Relationship Between Each Link, The Specific Requirements Of Each
Link To Achieve Risk Control And Planning
某某管理中心
XX年XX月
雷电事故应急措施示范文本
使用指引:此解决方案资料应用在实际工作生产管理中为了保障过程顺利推进,同时考虑各个环节之间的关系,每个环节实现的具体要求而进行的风险控制与规划,并将危害降低到最小,文档经过下载可进行自定义修改,请根据实际需求进行调整与使用。
1 潜在事故和紧急情况
a. 本应急措施中的雷电事故包括:直接雷击、接触雷
击、旁侧闪烙和跨步电压。
b. 雷电事故主要发生在雨季(7、8 月份),因此施
工现场应做好雨季雷电事故的教育和预防工作,及时启动
应急预案。
c . 雷击事故是自然灾害的一种,由于雷电具有冲击电
流大、时间短、冲击电压高等特点,易造成雷击伤害事
故,直接威胁着施工现场的作业人员的人身安全。
2 雷电事故应急步骤:
(1) 信息收集和事故初步评价:
1)保持通讯畅通,信息及时沟通,随时掌握灾情发展
状况;
2)确定雷电事故种类、部位和范围;
3)确定人员伤害情况;
4)掌握天气变化情况(电话咨询、气象预报);
5)确定现有资源是否满足救援需要(人力、物资和设备),是否需要外援;
6)根据上述情况启动应急预案,实施救援行动。
(2) 应急行动:出现雷击昏倒而“假死”状态,可采取如下救护方法:
1)进行口对口人工呼吸。
雷击后进行人工呼吸的时间越早,对伤者的身体恢复越好。
应尽早争取在4 分钟内以心肺复苏法进行抢救,让心脏恢复跳动。
2)对伤者进行心脏按摩,并迅速通知医院进行抢救处理。
如果遇到一群人被闪电击中,应先抢救那些已无法发出声息的伤者,再抢救那些会发出呻吟的伤者。
3)如果伤者遭受雷击后引起衣服着火,切勿因惊慌而奔跑,此时应马上让伤者躺下,以使火焰不致烧伤面部,并往伤者身上泼水,可在地上翻滚以扑灭火焰,或趴在有水的洼地、池中熄灭火焰或者用厚外衣、毯子等把伤者裹住隔绝空气,以扑灭火焰。
4)如果触电者昏迷,应把他安置成卧式,使他保持温暖、舒适,并立即施行触电急救、人工呼吸。
5)雷电事故发生时,应当依据《防雷减灾管理办法》规定及时向当地气象主管机构报告。
6)对伤着进行急救的同时,与医院联系,及时转送。
3 人员自救:
a. 总体原则:一是人体的位置尽量降低,以减少直接雷击的危险;二是人体与地面的接触部分如双脚要尽量靠近,与地面接触越小愈好,以减少“跨步电压”。
b. 在雷电交加时,感到皮肤刺痛或头发竖起,是雷电
将至的先兆,应立即躲避。
c. 如果身处树木、楼房等高大物体,就应该马上离开。
如果来不及离开高大的物体,应该找些干燥的绝缘物放在地下,坐在上面,采用下蹲的避雷姿势,注意双脚并拢。
双手合拢切勿放在地面上。
d. 远离铁栏及其他金属物体。
并非直接的电击才足以致命。
闪电击中导电体后,电能是在瞬间释放出来的,向两旁射出的电弧远达好几米。
此外,炽热的电光使四周空气急剧膨胀,产生冲击波。
这些冲击波发出的声音,就是雷声。
若在近处听到,强大的声波可能震伤肺部,严重时可把人震死。
e. 雷雨时如果身在空旷的地方,应该马上蹲在地上,这样可减少遭雷击的危险。
不要用手撑地,应双手抱膝,胸口紧贴膝盖,尽量低头。
f. 空旷地带、孤树和孤立草棚等应该回避,因为它们
易遭雷击。
g. 雷电期间应尽量回避未安装避雷设备的高大物体,如在建建筑物顶部、高塔、大吊车、等制高点上。
h. 正在驾车,应留在车内。
车壳是金属的,因屏蔽作用,就算闪电击中汽车,也不会伤人,因此,车厢是躲避雷击的理想地方。
但是雷电期间最好不要骑马、骑自行车、骑摩托车和开敝蓬拖拉机。
i. 如在屋内,应把电视的户外天线插头和电源插头拔掉。
不要靠近窗口,尽可能远离电灯、电线、电话线等引入线,在没有装避雷装置的建筑内则要避开钢柱、自来水管和暖气管道,以防雷电电流经它们窜入人体。
此外,室内如人员较多,相互间应相隔几米为好。
如在户外,穿橡胶底的鞋或长靴有保护作用,但也不是完全保险。
j. 紧闭门窗,防止侧击雷和球雷侵入。
k. 不要靠近高压设备或在高低压线路下方行走。
4 预防措施
4.1 组织定期学习《电业安全规程》,加强用电安全意识;
4.2 加强电力设施的维护,防止设备老化造成的误触电事故;
4.3 加强对安全工器具的管理,防止因工器具不合格造成的误触电事故。
请在此位置输入品牌名/标语/slogan
Please Enter The Brand Name / Slogan / Slogan In This Position, Such As Foonsion。