泡沫灭火系统施工检查记录资料
- 格式:doc
- 大小:836.00 KB
- 文档页数:26
泡沫灭火系统施工检查记录该文档记录了泡沫灭火系统施工过程中的检查记录。
工程概述本工程是在某公司办公楼内施工泡沫灭火系统,该系统用于灭火器材提供收容空间的扩展,以确保在火灾发生时能够控制火势并保护人员和财产安全。
泡沫灭火系统是其中一个灭火器材类型,主要利用泡沫稠度来扑灭火焰并预防火势扩散。
施工检查记录第一阶段施工在第一阶段的施工中,我们主要负责布线和设置控制装置。
施工人员需确保控制装置在合适的位置,并与泡沫灭火喷头联接。
我们进行了以下检查:•检查电线的绝缘,确保其足够耐用以避免因高温冒烟。
•确保控制装置与灭火系统配套,如确保开关控制了泡沫灭火系统。
第二阶段施工在第二阶段的施工中,我们需要进行喷头的安装工作,并确保其灵活且范围足够广泛。
我们还需要确保管道和喷头的安装质量,以确保系统在火灾事件发生时能够起到应有的灭火作用。
我们进行了以下检查:•检查喷头的质量,如确保其没有漏洞。
•检查管道的加固情况,确保其能够承受喷头的压力。
•确认管道和喷头位置的合理性,以确保灭火系统能够有效地覆盖必要区域。
第三阶段施工在第三阶段的施工中,我们需要进行系统的调试和测试,以确保系统能够正常运行并在火灾情况下提供适当的灭火效果。
我们进行了以下检查:•测试灭火系统是否能够自动触发并在适当时间内喷射泡沫。
•确认灭火系统的水泵运行稳定且没有漏水。
•确认控制装置能够手动控制泡沫喷射。
在整个施工过程中,我们检查了电线、控制装置、管道、喷头和水泵等元件的状态,以确保系统能够正常工作并保护人员和财产安全。
我们还进行了系统的调试和测试,以确保其能够在需要时立即起到作用。
整个施工和测试过程结束后,我们确认系统能够稳定运行,并对客户进行了交付。
泡沫灭火系统泡沫比例混合器安装检验批质量验收记录项目名称:泡沫灭火系统泡沫比例混合器安装工程工程编号:2024-XXX安装日期:2024年X月X日安装单位:XXX公司单位地址:XXX二、安装人员1.主管安装人员:XXX2.助理安装人员:XXX三、安装设备1.设备名称:泡沫比例混合器2.型号及规格:XXX3.数量:X台四、安装过程1.介绍:安装人员按照相关规范和安装要求进行操作,确保设备安装正确、稳定和可靠。
2.安装地点:根据设计要求,在灭火系统管路上选择适当位置进行安装。
3.安装步骤:步骤一:检查设备包装是否完好,并进行组装准备。
步骤二:根据设计图纸要求,确定泡沫比例混合器的安装位置,进行现场标记。
步骤三:进行管道连接,确保接口牢固、密封性好。
步骤四:根据设备说明书,正确安装和连接控制阀、流量计等辅助设备。
步骤五:调试设备,检查排水系统和压力表的工作情况。
步骤六:进行电气接线,确保安全可靠。
步骤七:清理现场,组织文明施工。
五、质量验收标准1.设备安装位置正确,与管道连接紧密、牢固,无漏水现象。
2.辅助设备如控制阀、流量计等安装正确,操作灵活准确。
3.排水系统和压力表工作正常,无堵塞、漏水等问题。
4.电气接线正常,符合安全要求。
5.现场整洁,无杂物堆放。
6.安装记录齐全、准确。
六、存在问题及整改对策1.问题描述:XXX整改对策:XXX2.问题描述:XXX整改对策:XXX七、安装验收结果经过验收,泡沫比例混合器安装合格,符合设计要求和质量标准。
八、验收意见及结论经过现场检查和测试,泡沫灭火系统泡沫比例混合器安装合格,质量符合要求。
可以进行下一步联调测试和系统投入使用。
九、安装单位盖章安装单位:XXX公司盖章日期:XX年X月X日十、监理单位盖章监理单位:XXX公司盖章日期:XX年X月X日以上是一份泡沫灭火系统泡沫比例混合器安装检验批质量验收记录的示例,实际编写时可以根据具体情况进行调整和修改。
确保记录详细、准确,有助于保证泡沫灭火系统的正常运行和灭火效果。
泡沫灭火系统管道安装检查记录日期:XXXX年XX月XX日地点:XXX工厂项目:泡沫灭火系统管道1.检查泡沫灭火系统管道的材料和规格是否符合设计要求,并核对与设计图纸一致。
2.检查泡沫灭火系统管道的安装位置,确保与设计要求一致,并与其他管道、设备保持适当的间距。
3.检查泡沫灭火系统管道的支撑方式和支撑材料,确保能够承受管道的重量和运行时的压力。
4.检查泡沫灭火系统管道的连接方式,包括焊接、螺旋连接或法兰连接等,确保连接牢固可靠。
5.检查泡沫灭火系统管道的密封性能,使用无损检测方法,如水压试验或气压试验,确保管道没有泄漏。
6.检查泡沫灭火系统管道的阀门和控制装置,确保阀门的安装位置正确,控制装置的功能正常。
7.检查泡沫灭火系统管道的通风和消音装置,确保管道可以正常通风,并通过消音装置降低噪音。
8.检查泡沫灭火系统管道的防腐措施,如喷涂防腐漆或包覆防腐材料等,确保管道能够抵抗腐蚀。
9.检查泡沫灭火系统管道的标识和标志,如安全标志、指示标识等,确保易于识别和操作。
10.检查泡沫灭火系统管道的连接件,如法兰、螺纹等,确保连接牢固可靠,没有松动或漏气现象。
11.检查泡沫灭火系统管道的清洁度,如有需要,进行清洗和冲洗,确保管道内无杂质和堵塞。
12.检查泡沫灭火系统管道的接地装置,确保接地良好,提供安全的电气接地。
13.检查泡沫灭火系统管道的防护措施,如安装防护网或防撞装置,确保管道不受外界因素的损坏。
14.检查泡沫灭火系统管道的维护和检修设施,如安装检修口、清洗口等,确保能够进行定期维护和检修。
15.检查泡沫灭火系统管道的漏水报警装置,如有需要,进行漏水测试,确保能够及时报警。
总结:本次泡沫灭火系统管道安装检查,发现了以下问题和隐患:1.泡沫灭火系统管道的连接件存在松动和漏气现象,需要进行紧固和修复。
2.泡沫灭火系统管道的一些支撑材料存在老化和变形,需要更换和加固。
3.泡沫灭火系统管道的漏水报警装置未能正常工作,需要进行维修和更换。
泡沫灭火系统验收检查记录一、验收前准备工作1.灭火系统基本信息收集在验收前,需要收集泡沫灭火系统的相关基本信息,包括泡沫灭火系统的设计图纸、安装图纸、技术参数、产品证书、施工合同、试压记录等文件。
2.现场勘察对安装泡沫灭火系统的现场进行勘察,查看系统安装是否符合设计要求,是否存在明显的质量问题,以及相关设备和管道是否正确连接。
3.准备验收测试设备和材料准备好验收测试所需的设备和材料,包括如下内容:-水泵或压缩机,用于测试泵送系统的工作性能;-泡沫液,用于测试系统的喷洒效果和泡沫扑灭火效果;-泡沫液盘查测量设备,用于测量泡沫液的混合比例等参数;-实验仪器,如温度计、压力计等,用于测试系统的温度和压力变化情况;-检测工具,如超声波流量计、烟雾检测器等,用于测试系统的流量和检测灭火效果等。
二、验收测试内容1.压力测试对泵送系统进行压力测试,包括测试系统供水压力、管道系统压力、喷洒设备压力等。
测试方式可以采用安全阀调节压力的方法,将系统主管道或喷洒设备封闭,通过控制阀门逐渐增加压力,观察泄压阀门是否正常工作。
测试结果应符合设计要求。
2.流量测试测试泵送系统的流量性能,包括工作流量和喷洒覆盖面积等。
测试时可以使用超声波流量计等相应仪器进行检测,测试结果应符合设计要求。
3.自动控制测试测试系统的自动控制功能,包括系统的启动、关闭、报警和排故功能等。
通过测试泵送系统的自动控制模块是否正常工作,是否能够正确接收和处理外部信号。
4.泡沫液性能测试对泡沫液进行测试,包括泡沫液的混合比例、扑灭火的速度和扩散范围等。
测试时可以采用泡沫液盘查测量设备进行测量。
测试结果应符合设计要求。
5.现场演示测试对泡沫灭火系统进行现场演示,包括观察喷洒设备的喷洒范围和泡沫液的扑灭火效果等。
测试时应注意安全,确保演示过程中不对周围环境和人员造成影响。
三、验收报告编写根据现场测试结果和评估,编写详细的泡沫灭火系统验收报告。
报告应包括以下内容:1.泡沫灭火系统的基本信息和设计要求;2.验收过程中的关键问题和发现,包括设备安装问题、管道连接问题、控制系统问题等;3.各项测试的结果和评估,包括压力测试、流量测试、泡沫液测试、自动控制测试和现场演示测试等;4.对系统的性能评价和建议,包括系统的安全性、可靠性、灭火效果等;5.对问题和不足之处的整改建议,包括未能符合设计要求的系统部分是否需要重新安装或调整。
泡沫灭火系统泡沫发生装置安装检查记录检查日期:__________检查人员:__________一、检查基本信息:1.泡沫灭火系统名称:________________2.泡沫发生装置型号:__________________3.泡沫发生装置数量:__________________4.泡沫灭火系统设计压力:______________二、检查泡沫发生装置的外观:1.泡沫发生装置是否完整无损,有无变形或破损:_______________________2.泡沫发生装置上是否有与使用无关的附加装置或物品:_________________3.泡沫发生装置安装是否牢固,有无松动的现象:_____________________三、检查泡沫发生装置的连接管路:1.检查连接管路的安装是否符合设计要求,有无接口松动:__________________2.检查连接管路的材质是否正确,有无腐蚀或损坏:_______________________3.检查连接管路的密封性能是否良好,有无泄漏现象:_____________________四、检查泡沫发生装置的操作控制装置:1.泡沫发生装置的操作按钮是否清晰、易于操作:_____________________2.检查操作控制装置的工作状态指示灯是否正常标示:__________________3.检查操作控制装置的显示屏是否正常显示相关参数:__________________五、检查泡沫发生装置的电气系统:1.检查电气系统的接线是否牢固,有无松动现象:______________________2.检查电气系统的保护措施是否完善:_____________________________3.检查电气系统的接地是否可靠:_______________________________六、检查泡沫发生装置的泡沫供给系统:1.检查泡沫发生装置的泡沫储存容器,有无泄漏或损坏:_________________2.检查泡沫供给系统的泡沫泵,能否正常启动和运行:__________________3.检查泡沫供给系统中的阀门是否正常操作,有无卡死或松动:_____________七、检查泡沫发生装置的自动控制系统:1.检查自动控制系统的传感器和探测器是否正常工作:__________________2.检查自动控制系统的报警装置是否齐全、准确:_____________________3.检查自动控制系统的逻辑控制装置是否正常运行:___________________八、检查泡沫发生装置的维护与保养:1.检查是否进行了定期的维护和保养,有无保养记录:___________________2.检查维护和保养工作的质量是否达到要求:_________________________3.检查维护和保养工作的时间间隔是否合理:_________________________九、其他问题:1.是否存在其他需要注意的问题或隐患:______________________________十、检查结论:(根据检查情况选择)1.泡沫发生装置安装合格,无须更改。
6587泡沫灭火系统施工过程质量检查验收记录一、项目背景泡沫灭火系统是一种常见的消防设备,它可以有效地控制火灾的蔓延和熄灭火源。
为了确保泡沫灭火系统在施工过程中的质量,需要进行质量检查验收记录。
二、检查事项1.材料质量:检查泡沫灭火系统所使用的材料是否符合规定标准,如泡沫药剂、喷雾头、管道连接件等。
2.施工合理性:检查泡沫灭火系统的施工是否合理,是否符合相关消防设备安装规范和设计方案要求。
3.管道质量:检查泡沫灭火系统中的管道安装是否牢固,连接是否密封,有无渗漏现象。
4.泡沫喷雾头:检查泡沫喷雾头的安装位置是否合理,是否能覆盖到需要保护的区域。
5.电气设备:检查泡沫灭火系统中的电气设备是否安全可靠,是否符合相关安装规范。
6.工程记录:检查施工过程中的工程记录是否完整准确,包括施工报告、工艺流程图、记录表等。
三、检查结果1.材料质量:经检查,泡沫药剂、喷雾头、管道连接件等材料符合标准要求,没有发现明显的质量问题。
2.施工合理性:经现场检查,泡沫灭火系统的施工符合相关规范和设计方案要求,没有发现明显的施工质量问题。
3.管道质量:经试压检查,泡沫灭火系统中的管道连接牢固,无渗漏现象,符合安装要求。
4.泡沫喷雾头:经检查,泡沫喷雾头的安装位置合理,能够覆盖到需要保护的区域。
5.电气设备:经检查,泡沫灭火系统中的电气设备安装牢固,符合相关安装规范,没有发现明显的安全隐患。
6.工程记录:经查阅施工记录,施工过程中的工程记录完整准确,包括施工报告、工艺流程图、记录表等。
四、存在的问题及整改意见1.部分管道连接处存在较小的漏水现象,需要及时修复。
2.部分泡沫喷雾头安装位置需要进行调整,以确保能够覆盖到需要保护的区域。
3.部分电气设备的接线存在较松的现象,需要重新固定。
4.在工程记录中有一些不准确的记录,需要进行补充和整改。
五、整改措施1.漏水问题:对发现的漏水问题,及时进行修复,确保管道连接牢固,无渗漏现象。
2.喷雾头位置调整:对喷雾头位置不合理的地方,进行适当的调整,确保覆盖到需要保护的区域。
泡沫灭火系统施工检查记录编号:________________日期:________________施工单位:________________1.泡沫灭火系统安装情况检查:1.1泡沫灭火系统设备是否按照设计图纸要求进行安装,包括泡沫发生器、泵站、管道和控制系统等。
1.2设备固定牢固,无松动和变形情况。
1.3管道连接是否严密,无泄漏和渗透情况。
1.4设备安装位置是否符合设计要求,是否方便日常维护和检修。
1.5泡沫发生器安装位置是否能够覆盖到被保护区域,并且高度和角度符合设计要求。
2.泡沫液贮存设备检查:2.1液体泡沫罐体是否完整无损,无泄漏和渗透情况。
2.2泡沫液位是否在正常范围内,液面高度是否符合设计要求。
2.3泡沫罐体安装是否稳定,是否固定在合适的位置。
2.4泡沫泵站工作情况是否正常,运行声音是否正常,无异常震动。
3.控制系统检查:3.1控制系统安装是否符合设计要求,设备是否固定良好。
3.2控制系统的连接是否正常,无松动和脱落的连接。
3.3控制系统的电气连接是否牢固可靠,无漏电和短路情况。
3.4控制系统的设置参数是否符合设计要求,是否可以正常启停泡沫灭火系统。
4.泡沫灭火系统管道检查:4.1管道安装是否符合设计要求,无歪斜、弯曲和损坏的情况。
4.2管道连接是否紧密,无漏水和渗漏的情况。
4.3管道上的阀门设置是否合理,是否可以正常开关和控制,无卡死和卡顿现象。
4.4管道是否标明了使用介质和流向箭头,是否清晰可见。
5.微压控制系统检查:5.1微压控制系统的安装是否规范,设备固定是否牢固。
5.2微压控制系统的连接是否正常,无松动和脱落的情况。
5.3微压控制系统的传感器安装位置是否正确,是否能够准确感知压力变化。
5.4微压控制系统的设置参数是否合理,能否准确控制泡沫灭火系统的工作状态。
6.被保护区域检查:6.1被保护区域是否清洁干燥,无易燃易爆物质和大量灰尘。
6.2被保护区域是否符合设计要求,面积是否覆盖到位。
路漫漫其修远兮,吾将上下而求索- 百度文库附件2泡沫灭火系统检查表集团公司安全环保与节能部编制2014年9月2.1 泡沫储罐序号检查项目检查标准检查结果检查依据2.1.1 型号规格泡沫液储罐是否采用耐腐蚀材料制作(宜采用)是□否□泡沫液储罐宜采用耐腐蚀材料制作;且与泡沫液直接接触的内壁或衬里不应对泡沫液的性能产生不利影响(《泡沫灭火系统设计规范》GB 50151-2010第 3.5.1条)内壁或衬里是否不影响泡沫液的性能和质量是□否□2.1.2 泡沫罐储罐内是否留有泡沫液热膨胀空间是□否□常压泡沫液储罐应符合下列规定(《泡沫灭火系统设计规范》GB 50151-2010第 3.5.2):a) 储罐内应留有泡沫液热膨胀空间和泡沫液沉降损失部分所占空间;b) 储罐出液口的设置应保障泡沫液泵进口为正压,且应设置在沉降层之上;c) 储罐上应设置出液口、液位计、进料孔、排渣孔、人孔、取样口、呼吸阀或通气管。
储罐内是否留有泡沫液沉降损失部分所占空间是□否□出液口能否保障泡沫液泵进口为正压是□否□出液口是否设置在沉降层之上是□否□是否设置了出液口、液位计、进料孔、排渣孔、人孔、取样口、呼吸阀或通气管是□否□2.1.3 泡沫罐铭牌铭牌或标志牌上是否清晰标明泡沫液的种类是□否□泡沫液储罐罐体或铭牌、标志牌上应清晰标明泡沫液的种类、型号、出厂与灌装日期、配比浓度、有效日期及储量(《泡沫灭火系统设计规范》GB 50151-2010第3.5.3条;《建筑消防设施检测技术规程》GA503-2004第4.7.2.1条)是否清晰标明泡沫液的型号是□否□是否清晰标明泡沫液的出厂与灌装日期是□否□是否清晰标明泡沫液的配比浓度是□否□是否清晰标明泡沫液的有效日期及储量是□否□2.1.4 泡沫罐附属物泡沫液储罐的配件是否齐全完好是□否□泡沫液储罐的配件齐全完好,液位计、呼吸阀、安全阀及压力表状态应正常,并经标定检测合格(《建筑消防设施检测技术规程》GA503-2004第4.7.2.2条)液位计、呼吸阀、安全阀及压力表状态是否正常是□否□液位计、呼吸阀、安全阀及压力表是否经标定检测合格是□否□序号检查项目检查标准检查结果检查依据2.1.5 泡沫液泡沫液应在有效期范围内是□否□泡沫液应在有效期范围内;当采用非吸气型喷射装置时,应选用水成膜或成膜氟蛋白泡沫液;当采用海水作为系统水源时,必须选择适用于海水的泡沫液;高倍数泡沫灭火系统利用热烟气发泡时,应采用耐温耐烟型高倍数泡沫液;不同种类、不同牌号的泡沫液不得混存(《建筑消防设施检测技术规程》GA503-2004第4.1.1条,《泡沫灭火系统设计规范》GB50151-2010第3.2.2、 3.2.5 、3.2.6、 3.5.3条)当采用非吸气型喷射装置时,是否选用了水成膜或成膜氟蛋白泡沫液是□否□当采用海水作为系统水源时,是否选择了适用于海水的泡沫液是□否□高倍数泡沫灭火系统利用热烟气发泡时,是否采用耐温耐烟型高倍数泡沫液是□否□不同种类、不同牌号的泡沫液是否未混存是□否□2.1.6 泡沫液储存环境泡沫液是否储存在通风干燥的房间或敞棚内(宜)是□否□泡沫液宜储存在通风干燥的房间或敞棚内;储存的环境温度应符合泡沫液使用温度的要求;设在泡沫泵站外的泡沫压力储罐应根据环境条件采取防晒、防冻和防腐等措施《泡沫灭火系统设计规范》GB 50151-2010第3.2.7条;GB50281-2006泡沫灭火系统施工及验收规范5.3.4条)储存的环境温度是否符合泡沫液使用温度的要求是□否□设在泡沫泵站外的泡沫压力储罐是否根据环境条件采取防晒、防冻和防腐等措施是□否□2.1.7 泡沫罐的位置泡沫液储罐周围是否留有满足检修需要的通道,其宽度是否不小于0.7m,且操作面不小于1.5m是□否□泡沫液储罐周围应留有满足检修需要的通道,其宽度应不小于0.7m,且操作面应不小于1.5m;当泡沫储罐上的控制阀距地面高度大于1.8m时,应在操作面处设置操作平台或操作凳(《泡沫灭火系统施工及验收规范》GB50281-2006第 5.3.1条)当泡沫储罐上的控制阀距地面高度大于1.8m时,是否在操作面处设置操作平台或操作凳是□否□2.2比例混合器(装置)序号检查项目检查标准检查结果检查依据2.2.1 比例混合器设置比例混合器(装置)的是否符合相关技术规范的要求是□否□比例混合器(装置)的型号应根据保护对象的性质、储存量以及所使用泡沫液的型号、发泡倍数等情况综合确定,并符合相关技术规范的要求(《泡沫灭火系统设计规范》GB50151-2010第3.4.1条)比例混合器(装置)是否与保护对象的性质、储存量以及所使用泡沫液的型号、发泡倍数相符是□否□2.2.2 外观及标识在比例混合器外壳明显位置是否以箭头标示水流方向是□否□在比例混合器外壳明显位置,应以箭头标示水流方向,标注方向应与液流方向一致,应设置清晰永久性标志牌,应至少标示有:产品名称、规格型号、产品编号、工作压力范围、流量范围、混合比、适用泡沫液类型、生产企业名称或商标(GB 20031-2005 泡沫灭火系统及部件通用技术条件5.1.1.1条;《泡沫灭火系统施工及验收规范》GB50281-2006第 5.4.1.1条)标注的方向是否与实际液流是否方向一致是□否□是否设置设置清晰永久性标志牌是□否□标志牌上产品名称、规格型号、产品编号、工作压力范围、流量范围、混合比、适用泡沫液类型、生产企业名称或商标是否齐全是□否□2.2.3 平衡式比例混合器的压差平衡式比例混合装置的泡沫液进口压力是否大于水进口压力是□否□平衡式比例混合装置的泡沫液进口压力应大于水进口压力,且其压差能否满足产品的使用要求(《泡沫灭火系统设计规范》GB 50151-2010第3.4.2条)平衡式比例混合装置的压差能否满足产品的使用要求是□否□2.2.4 计量注入式比例混合压差计量注入式比例混合装置泡沫液注入点的泡沫液流压力是否大于水流压力,压差能否满足产品的使用要求是□否□计量注入式比例混合装置泡沫液注入点的泡沫液流压力应大于水流压力,压差能否满足产品的使用要求;计量注入式比例混合装置流量计进口前和出口后直管段的长度应不小于管径的10倍《泡沫灭火系统设计规范》GB 50151-2010第3.4.3)计量注入式比例混合装置流量计进口前和出口后直管段的长度是否不小于管径的10倍是□否□2.2.5 单向阀和冲洗放空设施平衡式比例混合装置和计量注入式比例混合的泡沫液进口管道上是否设置了单向阀是□否□平衡式比例混合装置和计量注入式比例混合的泡沫液进口管道上应设置单向阀;泡沫液管道上应设置冲洗及放空设施(《泡沫灭火系统设计规范》GB 50151-2010第3.4.2、3.4.3条)泡沫液管道上是否设置了冲洗及放空设施是□否□序号检查项目检查标准检查结果检查依据2.2.6 压力式比例混合配套泡沫罐压力式比例混合装置的泡沫液储罐是否满足设计要求是□否□压力式比例混合装置的泡沫液储罐满足设计要求的同时,单罐容积不应大于1Om3(《泡沫灭火系统设计规范》GB50151-2010第 3.4.2条,《泡沫灭火系统设计规范》GB50151-2010第3.4.4条)压力式比例混合装置的泡沫液储罐单罐容积是否不大于1Om3是□否□2.2.7 采用环泵式比例混合器备用泵采用环泵式比例混合器时是否设有不少于1个的备用量是□否□采用环泵式比例混合器时,应设有不少于1个的备用量,应并联安装在系统上,并应有明显的标志(《泡沫灭火系统设计规范》GB 50151-2010第3.4.5条,《泡沫灭火系统施工及验收规范》GB50281-2006第 5.4.2.2条)备用泵是否并联安装在系统上是□否□备用泵是否有明显的标志是□否□2.2.8 管线式比例混合器的安装位置管线式比例混合器是否安装在压力水的水平管道上或串接在消防水带上是□否□管线式比例混合器应安装在压力水的水平管道上或串接在消防水带上,并应靠近储罐或防护区,其吸液口与泡沫液储罐或泡沫液桶的高度不得大于1.0m(《泡沫灭火系统施工及验收规范》GB50281-2006第 5.4.5条)是否靠近储罐或防护区是□否□其吸液口与泡沫液储罐或泡沫液桶的高度是否不大于1.0m 是□否□2.3泡沫泵房序号检查项目检查标准检查结果检查依据2.3.1 泡沫泵站的设置是否未设置在防火堤内、围堰内、泡沫灭火系统保护区或其他火灾及爆炸危险区域内是□否□泡沫泵站的设置应符合下列规定(《泡沫灭火系统设计规范》GB 50151-2010第8.1.1、8.1.6条):a) 严禁将泡沫站设置在防火堤内、围堰内、泡沫灭火系统保护区或其他火灾及爆炸危险区域内;b) 采用环泵式比例混合器的泡沫消防泵站不应与生活水泵合用供水、储水设施;当与生产水泵合用供水、储水设施时,,应进行过泡沫污染后果的评估;c) 泡沫消防泵站与被保护甲、乙、丙类液体储罐或装置的距离不宜小于30m,固定式泡沫灭火系统的设计应满足在泡沫消防水泵或泡沫混合液泵启动后,将泡沫混合液或泡沫输送到保护对像的时间不大于5min;d) 当泡沫消防泵站与被保护甲、乙、丙类液体储罐或装置的距离为30m~50m时,泡沫消防泵站的门、窗不宜朝向保护对象;e) 当泡沫泵站靠近防火堤设置时,其与各甲、乙、内类液体储罐罐壁的间距应大于20m,且应具备远程控制功能;f) 当泡沫站设置在室内时,其建筑耐火等级不应低于二级采用环泵式比例混合器的泡沫消防泵站是否不与生活水泵合用供水、储水设施是□否□采用环泵式比例混合器的泡沫消防泵站与生产水泵合用供水、储水设施时,是否进行了泡沫污染后果的评估是□否□泡沫消防泵站与被保护甲、乙、丙类液体储罐或装置的距离是否不小于30m(宜)是□否□固定式泡沫灭火系统的设计应满足在泡沫消防水泵或泡沫混合液泵启动后,将泡沫混合液或泡沫输送到保护对像的时间是否不大于5min是□否□当泡沫消防泵站与被保护甲、乙、丙类液体储罐或装置的距离为30m~50m时,泡沫消防泵站的门、窗不宜朝向保护对象是□否□当泡沫泵站靠近防火堤设置时,其与各甲、乙、内类液体储罐罐壁的间距是否大于20m,是否具备远程控制功能是□否□当泡沫站设置在室内时,其建筑耐火等级是否不低于二级是□否□2.3.1 泡沫泵站的动力源是否为一级电力负荷的电源、或全部采用柴油机、或为二级电力负荷的电源,同时设置了备用柴油机是□否□泡沫泵站的动力源应符合下列要求之一(《泡沫灭火系统设计规范》GB 50151-2010第8.1.4条)。
表5.40.21 泡沫灭火系统消防泵安装检验批质量验收记录表5.40.21 工程编号:
泡沫灭火系统泡沫液储罐安装检验批质量验收记录表5.40.22 工程编号:
泡沫灭火系统泡沫比例混合器(装置)安装
检验批质量验收记录
表5.40.23 工程编号:
泡沫灭火系统管道、阀门和泡沫消火栓安装
检验批质量验收记录
表5.40.24 工程编号:
泡沫灭火系统泡沫产生装置的安装
检验批质量验收记录
表5.40.25 工程编号:
泡沫灭火系统系统调试检验批质量验收记录表5.40.26 工程编号:
表5.40.19 泡沫灭火系统材料进场检查检验批质量验收记录表5.40.19 工程编号:
泡沫灭火系统组件进场检查检验批质量验收记录表5.40.20 工程编号:。
泡沫灭火系统比例混合器安装检查记录范文下载提示:该文档是本店铺精心编制而成的,希望大家下载后,能够帮助大家解决实际问题。
文档下载后可定制修改,请根据实际需要进行调整和使用,谢谢!本店铺为大家提供各种类型的实用资料,如教育随笔、日记赏析、句子摘抄、古诗大全、经典美文、话题作文、工作总结、词语解析、文案摘录、其他资料等等,想了解不同资料格式和写法,敬请关注!Download tips: This document is carefully compiled by this editor. I hope that after you download it, it can help you solve practical problems. The document can be customized and modified after downloading, please adjust and use it according to actual needs, thank you! In addition, this shop provides you with various types of practical materials, such as educational essays, diary appreciation, sentence excerpts, ancient poems, classic articles, topic composition, work summary, word parsing, copy excerpts, other materials and so on, want to know different data formats and writing methods, please pay attention!Certainly! Here's a sample demonstration article on the topic of "Installation Inspection Record of Foam Fire Suppression System Proportioning Mixer":泡沫灭火系统比例混合器安装检查记录范文。
泡沫灭火系统施工检查记录资料一、灭火系统设计和材料准备1.根据工程环境和防火需求,制定了泡沫灭火系统的设计方案,并获得了相关部门的批准。
2.确定了泡沫灭火系统所需的材料和设备清单,包括灭火泵、储罐、管道、喷头等。
3.确保所选材料和设备符合相关标准和规范,且具备足够的耐火性能和稳定性。
二、施工过程检查1.现场检查施工过程的安全措施是否到位,包括工人的安全防护和施工区域的警示标识等。
2.确认施工项目南京市燃气热力工程施工质量验收规范施工单位具备相应的施工资质和经验,施工人员是否持有相应的证书。
3.检查施工现场的安全防护措施是否符合相关的要求,包括临时电源的设置、防火器材的摆放、安全通道的设置等。
4.检查施工现场的设备、材料和工艺是否符合设计要求,包括泡沫灭火系统的管道连接、喷头的安装位置等。
5.对施工现场进行逐层检查,核实灭火泵、储罐等设备的安装是否牢固可靠,管道是否严密连接等。
6.检查施工过程中的质量控制措施,包括焊接接头的质量、设备和材料的金属检测等。
三、系统调试和验收1.确保泡沫灭火系统在设施投入使用前进行了必要的调试,确保其稳定、可靠和有效。
2.对泡沫灭火系统进行水压试验,确保系统的管道和设备没有渗漏和故障。
3.进行绝缘电阻测试,检查系统的电气连接是否安全可靠。
4.对泡沫灭火系统进行功能测试,包括喷头的喷水强度和喷射距离等。
5.进行灭火泵的负荷测试,检查系统的稳定性和供水能力是否可以满足实际的灭火需求。
6.对泡沫灭火系统进行全面的验收,确保系统的设计、施工和调试都符合相关的要求和标准。
四、施工记录和资料整理1.对施工过程中的每个环节进行详细的记录,包括施工人员的姓名、施工日期、施工内容和施工结果等。
2.整理和归档施工的图纸和文件资料,确保施工记录完整的保存下来。
3.根据施工记录和资料,编制施工报告,详细介绍了施工的过程和结果,包括问题和解决方案等。
4.将施工记录和资料及相关报告交给相关部门进行检查和审核,确保施工符合相关的法规和法规要求。
泡沫灭火系统系统调试检验批质量验收记录泡沫灭火系统是一种常用的自动灭火系统,广泛应用于大型工厂、仓库、化工厂等场所。
为了保证泡沫灭火系统的正常运行,需要对其进行系统调试检验,以确保其质量符合要求。
下面是一份泡沫灭火系统系统调试检验批质量验收记录,内容包括验收项目、检验方法、检验结果等。
一、验收项目:1.泡沫灭火系统管道布置是否符合规范要求;2.泡沫灭火系统压力设置是否准确;3.泡沫灭火系统泡沫发生器和喷嘴布置是否合理;4.泡沫灭火系统水源和泵装置是否满足需求;5.泡沫灭火系统电气控制装置是否正常运行。
二、检验方法:1.对泡沫灭火系统的管道布置进行检查,核对其与设计图纸是否一致;2.使用压力表检测泡沫灭火系统的压力设置,确保其在设定范围内;3.检查泡沫发生器和喷嘴的安装位置和数量是否与设计一致;4.对水源和泵装置进行检查,确认其能够满足泡沫灭火系统的水压和流量要求;5.对电气控制装置进行功能测试,检查各个控制开关和指示灯是否正常运行。
三、检验结果:1.泡沫灭火系统管道布置符合规范要求,与设计图纸一致;2.泡沫灭火系统的压力设置正常,处于设定范围内;3.泡沫发生器和喷嘴的安装位置和数量与设计一致;4.水源和泵装置能够满足泡沫灭火系统的水压和流量要求;5.电气控制装置功能正常,各个控制开关和指示灯工作正常。
四、不合格处理:1.若泡沫灭火系统管道布置不符合规范要求,需进行调整和更改,直至达到要求为止;2.若泡沫灭火系统压力设置超出设定范围,需要对其进行重新调整;3.若泡沫发生器和喷嘴的安装位置和数量与设计不一致,需要进行调整和更改;4.若水源和泵装置不能满足泡沫灭火系统的水压和流量要求,需要更换或增加相应设备;5.若电气控制装置存在功能问题,需进行修复或更换相关部件。
五、验收结论:经过检验,泡沫灭火系统经过调试后质量符合要求,可以投入使用。
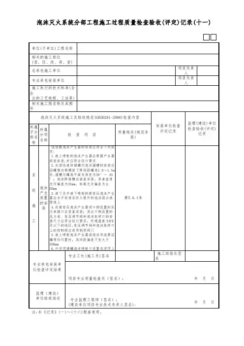
泡沫灭火系统施工检查记录
表1施工现场质量管理检查记录
泡沫灭火系统施工检查记录
表2-1施工过程质量检查记录
泡沫灭火系统施工检查记录表2-2施工过程质量检查记录
泡沫灭火系统施工检查记录表2-3施工过程质量检查记录
泡沫灭火系统施工检查记录表2-4施工过程质量检查记录
泡沫灭火系统施工检查记录表2-5施工过程质量检查记录
泡沫灭火系统施工检查记录表2-6施工过程质量检查记录
泡沫灭火系统施工检查记录表2-7施工过程质量检查记录
泡沫灭火系统施工检查记录表2-8施工过程质量检查记录
泡沫灭火系统施工检查记录表2-9施工过程质量检查记录
泡沫灭火系统施工检查记录表2-10系统试压记录
泡沫灭火系统施工检查记录表2-11管网冲洗记录
泡沫灭火系统施工检查记录表2-12安全阀、减压孔板、减压阀试验记录
泡沫灭火系统施工检查记录表2-13阀门试验记录
泡沫灭火系统施工检查记录表2-14管路隐蔽工程记录
泡沫灭火系统施工检查记录表2-15灭火系统联动试验记录
泡沫灭火系统工程验收记录表3工程质量控制资料核查记录
泡沫灭火系统工程验收记录
表4-1工程验收记录
泡沫灭火系统工程验收记录
表4-2工程验收记录
泡沫灭火系统工程验收记录
表4-3工程验收记录
泡沫灭火系统工程验收记录
表4-4工程验收记录
泡沫灭火系统工程验收记录
表4-5工程验收记录
泡沫灭火系统工程验收记录
表4-6工程验收记录
泡沫灭火系统工程验收记录
表4-7工程验收记录。