服务贸易等项目对外支付税务备案表(企业端模板)
- 格式:xls
- 大小:56.00 KB
- 文档页数:1
【服务贸易等项目对外支付税务备案表的全面评估与深入探讨】1. 服务贸易等项目对外支付税务备案表的概念在我国,对外支付税务备案表是指国内企业或个人向境外提供劳务、工程、服务对外支付款项,或者支付广告费、技术转让费等相关款项时,需要按照相关规定进行备案报告的一种税务管理措施。
这项措施旨在规范境内企业或个人的对外支付行为,加强税收管理,促进经济发展,同时也便于监管部门对涉外交易进行监控。
服务贸易等项目对外支付税务备案表的制度,无疑对国内企业与境外提供劳务、工程、服务等项目的交易活动产生了深远的影响。
2. 对外支付税务备案表的申报流程与注意事项在进行服务贸易等项目对外支付时,企业或个人需要按照国家财政部门的规定,填写相应的备案表并进行书面申报。
需要注意的是,对外支付税务备案表的申报内容必须真实准确,否则将会受到相应的处罚和法律责任。
在填写备案表时,还需要注意备案表的填报要求和格式,确保信息的完整性和规范性。
只有做足备案的工作,企业或个人的对外支付行为才能合法有效。
3. 服务贸易等项目对外支付税务备案表的意义与影响服务贸易等项目对外支付税务备案表的出台,对境内企业与境外提供劳务、工程、服务等项目的交易活动产生了积极的影响。
对外支付税务备案表的制度有利于加强对企业或个人对外支付的管理,提高对外交易的透明度和规范性。
备案表的出台也为税收管理提供了更多的依据和手段,有助于提高税收征管的效率和水平。
对外支付税务备案表的实施,为更好地维护国家税收利益、防范税收风险提供了重要保障。
4. 个人观点与理解在我看来,服务贸易等项目对外支付税务备案表的实施,是一个积极的改革举措,有利于规范境内企业与境外交易活动,促进经济的健康发展。
然而,也应注意合理简化备案手续,提高备案效率,让企业或个人能更便捷地进行对外支付,提高交易的灵活性和效益。
总结与回顾通过对服务贸易等项目对外支付税务备案表的全面评估与深入探讨,我们不仅对这一税务管理措施有了更深入的了解,也更加清晰地意识到其对境内企业与境外交易活动的重要意义。
服务贸易等项目对外支付税务备案一、适用范围涉及的内容:中国境内机构和个人向境外单笔支付等值5万美元以上(不含等值5万美元,下同)下列外汇资金,应向所在地主管税务机关进行税务备案。
适用对象:发生服务贸易、收益、经常性转移和部分资本项目等对外支付业务的纳税人。
二、事项审查类型依申请即办。
三、办理依据(一)《国家税务总局国家外汇管理局关于服务贸易等项目对外支付税务备案有关问题的公告》(国家税务总局国家外汇管理局公告2013年第40号)全文。
(二)《国家税务总局关于对外支付税务备案操作执行有关问题的通知》(税总函(2016)452号)全文。
四、受理机构主管税务机关办税服务厅(场所)(提供全市通办服务)。
五、决定机构主管税务机关。
六、数量限制无。
七、申请条件中国境内机构和个人向境外单笔支付等值5万美元以上(不含等值5万美元,下同)下列外汇资金,应向所在地主管税务机关进行税务备案:(一)境外机构或个人从境内获得的包括运输、旅游、通信、建筑安装及劳务承包、保险服务、金融服务、计算机和信息服务、专有权利使用和特许、体育文化和娱乐服务、其他商业服务、政府服务等服务贸易收入。
(二)境外个人在境内的工作报酬,境外机构或个人从境内获得的股息、红利、利润、直接债务利息、担保费以及非资本转移的捐赠、赔偿、税收、偶然性所得等收益和经常转移收入。
(三)境外机构或个人从境内获得的融资租赁租金、不动产的转让收入、股权转让所得以及外国投资者其他合法所得。
外国投资者以境内直接投资合法所得在境内再投资单笔5万美元以上的,应按照本规定进行税务备案。
境内机构和个人对外支付下列外汇资金,无需办理和提交《备案表》:(一)境内机构在境外发生的差旅、会议、商品展销等各项费用。
(二)境内机构在境外代表机构的办公经费,以及境内机构在境外承包工程的工程款。
(三)境内机构发生在境外的进出口贸易佣金、保险费、赔偿款。
(四)进口贸易项下境外机构获得的国际运输费用。
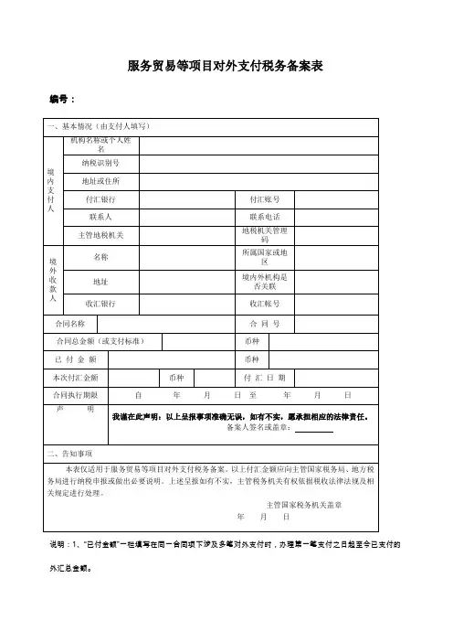
服务贸易等项目对外支付税务备案表标准化管理处编码[BBX968T-XBB8968-NNJ668-MM9N]服务贸易等项目对外支付税务备案表编号:说明:1、“已付金额”一栏填写在同一合同项下涉及多笔对外支付时,办理第一笔支付之日起至今已支付的外汇总金额。
2、本表一式三份,一份交备案人,二份留存国税机关。
3、对外支付项目仅有交易凭证或协议的,“合同名称”一栏应填写相关凭证或协议的名称,“合同号”一栏可不填。
对外支付税务备案须知1.境内机构和个人到外汇指定银行办理5万美元以上(不含5万美元)的服务贸易对外支付,应向主管国税机关提交加盖公章的合同(协议)或相关交易凭证复印件(外文文本应同时附送中文译本), 并填报《服务贸易等项目对外支付税务备案表》(一式三份,以下简称《备案表》),办理税务备案手续。
2. 同一笔合同需要多次对外支付的,备案人须在每次付汇前办理税务备案手续,但只需在首次付汇备案时提交合同(协议)或相关交易凭证复印件。
3. 备案人完成税务备案手续后,持主管国税机关盖章的《备案表》,按照外汇管理的规定,到外汇指定银行办理付汇审核手续。
4. 主管税务机关自收到《备案表》后15个工作日内,会对备案人提交的《备案表》及所附资料进行审查,并可要求备案人进一步提供相关资料。
主管税务机关如审查发现对外支付项目未按规定缴纳税款的,将依法追缴税款,并按照《税收征管法》、《税务登记管理办法》等税收法律法规的有关规定实施处罚。
涉及的主要规定有:(1)源泉扣缴的扣缴义务人应按照国税发[2009]3号文规定在合同签订之日起30日内办理扣缴税款登记和扣缴企业所得税合同备案手续。
扣缴义务人未按照规定办理扣缴税款登记的,税务机关应当自发现之日起3日内责令其限期改正,并可处以2000元以下的罚款。
扣缴义务人拒不接受税务机关处理的,税务机关可以收缴其发票或者停止向其发售发票。
扣缴义务人未按照规定的期限向税务机关报送代扣代缴、代收代缴税款报告表和有关资料的,由税务机关责令限期改正,可以处2000元以下的罚款;情节严重的,可以处2000元以上10000元以下的罚款。
服务贸易等项目对外支付税务备案表编号:说明:1、“已付金额”一栏填写在同一合同项下涉及多笔对外支付时,办理第一笔支付之日起至今已支付的外汇总金额。
2、本表一式三份,一份交备案人,二份留存国税机关。
3、对外支付项目仅有交易凭证或协议的,“合同名称”一栏应填写相关凭证或协议的名称,“合同号”一栏可不填。
对外支付税务备案须知1.境内机构和个人到外汇指定银行办理5万美元以上(不含5万美元)的服务贸易对外支付,应向主管国税机关提交加盖公章的合同(协议)或相关交易凭证复印件(外文文本应同时附送中文译本), 并填报《服务贸易等项目对外支付税务备案表》(一式三份,以下简称《备案表》),办理税务备案手续。
2. 同一笔合同需要多次对外支付的,备案人须在每次付汇前办理税务备案手续,但只需在首次付汇备案时提交合同(协议)或相关交易凭证复印件。
3. 备案人完成税务备案手续后,持主管国税机关盖章的《备案表》,按照外汇管理的规定,到外汇指定银行办理付汇审核手续。
4. 主管税务机关自收到《备案表》后15个工作日内,会对备案人提交的《备案表》及所附资料进行审查,并可要求备案人进一步提供相关资料。
主管税务机关如审查发现对外支付项目未按规定缴纳税款的,将依法追缴税款,并按照《税收征管法》、《税务登记管理办法》等税收法律法规的有关规定实施处罚。
涉及的主要规定有:(1)源泉扣缴的扣缴义务人应按照国税发[2009]3号文规定在合同签订之日起30日内办理扣缴税款登记和扣缴企业所得税合同备案手续。
扣缴义务人未按照规定办理扣缴税款登记的,税务机关应当自发现之日起3日内责令其限期改正,并可处以2000元以下的罚款。
扣缴义务人拒不接受税务机关处理的,税务机关可以收缴其发票或者停止向其发售发票。
扣缴义务人未按照规定的期限向税务机关报送代扣代缴、代收代缴税款报告表和有关资料的,由税务机关责令限期改正,可以处2000元以下的罚款;情节严重的,可以处2000元以上10000元以下的罚款。
境内机构服务贸易对外支付税务备案表编号:说明:1、同一项业务涉及多笔付汇,只需在首次付汇时提交合同复印件。
2、备案时,本表复印三份。
除原件递交付汇银行外,复印件一份留存国税机关,一份传递地税机关,一份境内机构留存。
备案须知1.境内机构到外汇指定银行办理5万美元以上(不含5万美元)的服务贸易对外支付,须事先填写《备案表》,到当地主管国家税务局办理备案手续。
2.境内机构可以通过以下途径取得空白《备案表》:(一)主管国家税务局办税服务厅窗口领取;(二)省、市两级国家税务局互联网站下载;(三)自行复印空白表备用。
3.境内机构须填写基本情况部分,告知事项部分由税务机关填写。
4“已付金额”一栏,填写在同一服务贸易行为涉及多笔对外支付外汇情况下,办理第一笔支付之日起至今,已支付的外汇总金额。
5.境内机构填写完毕后,将本表复印三份和相关合同(协议)复印件两份一并交主管国家税务局办理备案。
6.同一服务贸易行为如涉及多笔对外支付外汇,境内机构在每次办理5万美元以上(不含5万美元)的支付前,都须填写此表并办理税务备案手续,但只在首次备案时提交合同(协议)复印件。
7.主管税务机关核对表格内容后,现场填写告知事项并盖章。
境内机构持税务机关签章后的《备案表》,以及外汇管理局规定的其他单证,到外汇指定银行办理相关对外支付外汇手续。
8.境内机构应就以上付汇金额向主管国家税务局、地方税务局进行纳税申报或作出必要说明。
上述呈报如有不实,主管税务机关有权依据《中华人民共和国税收征收管理法》相关规定进行处理。
9.适用税收协定的还要提交协定对方主管税务机关出具的《居民身份证明》,以及税务机关要求提供的其他资料。
广州市国家税务局关于启用新版《服务贸易等项目对外支付出具<税务证明>申请表》(企业端模板)的通
知
文章属性
•【制定机关】广州市国家税务局
•【公布日期】2010.03.29
•【字号】
•【施行日期】2010.04.01
•【效力等级】地方规范性文件
•【时效性】现行有效
•【主题分类】税收征管
正文
广州市国家税务局关于启用新版《服务贸易等项目对外支付出具<税务证明>申请表》(企业端模板)的通知
尊敬的纳税人:
根据《国家外汇管理局国家税务总局关于进一步明确服务贸易等项目对外支付提交税务证明有关问题的通知》(汇发【2009】52号)的有关规定,对目前在用的《服务贸易等项目对外支付出具<税务证明>申请表》(企业端模板,以下简称“企业端模版”)进行了修改完善。
从 2010年4月1日起,纳税人需通过新的“企业端模板”生成报盘文件办理对外支付出具税务证明事宜。
请纳税人及时下载更新(下载路径:纳税服务-下载专区-业务表格-非居民企业所得税及国际税务类)。
广州市国家税务局
二0一0年三月二十九日。
广州市国家税务局关于更新“服务贸易等项目对外支付出具《税务证明》申请表(企业端模板)”的通知
文章属性
•【制定机关】广州市国家税务局
•【公布日期】2009.07.27
•【字号】
•【施行日期】2009.07.27
•【效力等级】地方规范性文件
•【时效性】现行有效
•【主题分类】税务综合规定
正文
广州市国家税务局关于更新“服务贸易等项目对外支付出具《税务证明》申请表(企业端模板)”的通知
尊敬的纳税人:
我局根据前期使用情况所反馈的问题,对“服务贸易等项目对外支付出具《税务证明》申请表(企业端模板)”进行了修改完善,修改的主要内容有四方面:
1.新模板能在office2000或office2003的环境下使用;
2.“合同总金额(或支付标准)”栏允许非数字型字符输入;
3.个人申请时,统一了国税登记证号的录入规则;
4.细化了模板的填写说明。
该模板已于2009年7月27日更新完毕。
请纳税人及时登陆广州市国税局网站“纳税服务-下载专区-业务表格-非居民企业所得税及国际税务类”栏目下载更新。
在填制该模板时,请仔细查阅填写说明(详见该模板中的第二个子表)。
广州市国家税务局
二00九年七月二十七日。