纯化水系统清洁验证方案
- 格式:doc
- 大小:92.00 KB
- 文档页数:8
车间工艺用水系统清洁消毒验证资料工艺用水系统清洁消毒验证方案1、概述(General)车间纯化水水系统包括:纯化水储罐、纯化水分配消毒系统及相应的水泵。
纯化水系统清洁、消毒对确保生产的纯化水的质量起着重要作用,为防止纯化水的污染、保证医疗器械的质量安全,对纯化水系统的清洁消毒方法进行验证。
本次验证的目的是按照规定的清洁消毒方法及频率对纯化水系统进行定期清洁消毒,能否保证纯化水的质量,达到预期的清洁消毒目的,不会对产品造成污染。
2、验证目的及范围(Verification purpose and scope)2.1 本次验证为车间纯化水清洁消毒验证,目的为验证《纯化水罐及管道清洗、消毒操作规程》规定的清洁消毒方法及周期能够保证该系统达到清洁消毒效果。
本方案适用于车间纯化水系统清洁消毒效果的验证。
2.2 验证范围:纯化水系统清洁方法。
3、验证小组成员及职责(Verification team members and responsibilities)3.1小组成员与职责3.2部门职责(Department duty)车间:负责验证方案、报告的起草及按验证方案进行实施。
生产部:负责验证方案、报告的审核;质检中心:负责样品的取样方法确定、取样检验。
质量部:负责验证方案、报告的审核及验证实施,仪器校验并及时出具检验报告书,指导验证方案的实施。
管理者代表:负责最终方案报告的审核3.3培训3.3.1验证前,由验证组组长对验证小组成员进行培训,验证小组成员接受培训并明确自己的职责。
3.3.2由车间工艺质量管理负责人对验证实施人员进行培训,培训内容包括验证实施过程中的操作要求及注意事项。
4、验证实施过程(Validation implentation)4.1验证前的准备工作对与验证有关的所有仪器进行校验或确认其在有效期内,并确定其精密度符合验证的使用要求。
表1:验证相关仪器一览表评价人:年月日审核人: 年月日4.2 纯化水系统消毒确认4.2.1验证项目及验证周期4.2.1.1验证项目4.2.1.1.1连续生产,每月对纯化水系统消毒一次方法及频率确认。
纯化水系统的验证方案纯化水系统的验证方案是确定纯化水系统能否在安装和操作过程中满足客户的要求和规格的过程。
验证过程也可以衡量系统的性能参数,并揭示潜在的不足之处。
下面是一个的纯化水系统验证方案。
1.0 引言该验证方案旨在检查纯化水系统的安装、工作和维护是否符合用户要求和规格。
测试将执行各种实验以解决性能参数和潜在缺陷。
当纯水系统符合规格并且可靠时,将该系统视为验证成功。
2.0 作用范围本验证方案适用于新安装的水纯化系统。
该范围包括水源、配件、过滤器、反渗透系统、灌装设备、计量设备和主要供电设备。
3.0 式样和样品处理我们将进行反渗透系统内的水质测试和样品处理,其中包括收集样品,并对水样进行操作以适应实验中涉及的测试设备。
除非要进行试验分析,否则样品处理应在分析前立即进行。
4.0 实验步骤4.1(第一天)- 水反渗透系统检查、测试与清洗在清洗反渗透系统时,请使用适当的清洁剂,例如氢氧化钠。
在反渗透系统开始洗涤前,请确定每个过滤器都是无菌的。
在确认方式上进行测试,以衡量水的质量。
在与反渗透系统分流之前,请检查反渗透系统的各个部分,以确保过滤器的完好性。
在检查过程中,请同时检查渗透和截留的流量。
4.2(第二天)- 细菌和其他微生物测试在第二天,我们将执行细菌和其他微生物测试。
我们将在出水位置和进水位置进行新鲜的取水,并将取样在48小时内提交到测试实验室。
实验室会进行环境检测,包括菌落计数和特定路径ogen检测。
4.3(第三天)- 电导率测试在第三天,我们将测试反渗透水的电导率。
测试电导率的仪器应该能够测量从5 S / cm到18.2 M / cm范围内的电导率,每个样品应至少测量3次。
4.4(第四天)- TOC测定在第四天,我们将测试反渗透水的总有机碳(TOC)。
TOC仪器应具有直接灼烧蒸发器和NDIR检测器。
样品的TOC结构应该是固定时间和温度标准。
5.0 测试标准为确保验证过程的准确性和一致性,我们将采用ASTM, EPA和ISO等国际测试标准。
XXXX 药业有限公司纯化水系统清洁消毒再验证方案编号:起草:日期:审阅:日期:批准:日期:实施日期:一、..................................................................... 概述2二、................................................................. 验证类型2三、................................................................. 验证目的2四、................................................................. 验证范围2五、....................................................... 验证小组成员及职责2六、....................................................... 验证计划和进度安排3七、................................................................. 验证依据3八、................................................... 清洁方法及取样部位设定3九、........................................................... 取样和检测方法5十、验证方案的实施 (7)表1取样点及取样频率 (8)表2按清洁程序清洗系统后各取样点检测记录如下 (9)表 3 检验检测结果记录表 (10)十一、验证结果分析、结论及在验证周期确认 (10)根据GMf要求,为确认设备的清洁规程及评价该设备清洁规程的效果,需进行清洁再验证。
专业整理纯化水系统在线清洁消毒验证方案Validation Protocol of Purified Water System online cleaning anddisinfection部门:Department 姓名Name签字/日期:Signature/Date起草人:Prepared by设备工程部曹厚明审核人:Reviewed by生产部杨梁斌审核人:Reviewed byQC 刘小兰审核人:Reviewed byQA 胡小妹批准人:Approved by质量负责人骆剑萍目录1 简述 (3)2 设备基本情况 (3)3 验证目的 (3)4 验证小组成员及职责 (3)5 验证内容 (3)6 培训 (5)7 验证结果评定及结论 (5)8 偏差 (6)9 变更 (6)1简述本系统采用了多介质过滤器去除原水中含有的悬浮物、胶体、泥沙等杂质,活性炭过滤器去除水中的小分子有机物、余氯、胶体等杂质,降低水的硬度,以防止后级RO膜氧化降解,精密过滤器主要过滤活性炭过滤器遗留下来的碎屑,防止进入RO膜,导致RO膜损坏。
1RO/2RO作为系统的主脱盐系统,她能去除水中绝大部分离子、热源、微生物等。
EDI系统主要去除RO出水后遗留下来的离子,达到深度脱盐的目的。
为了证明纯化水系统按照《1.0T/-2RO+EDI纯化水系统清洁消毒标准操作规程》进行清洁消毒,在清洁消毒周期内微生物限度和可见异物能够满足生产工艺和GMP规范要求,并将验证数据和验证结果进行汇总,形成验证结论,以证明按规定方法清洁后的设备,能够始终如一地达到预定的清洁标准。
工艺流程图如下:除垢加药装置原水→→原水箱→→原水泵→→列管式换热器→→多介质过滤器→→活性炭过滤器→→↓→→5μm精密NAOH加药装置过滤器→→系统清洗水箱→→高压泵1→→1RO系统→→1RO水箱→→高压泵2→→↓→→2RO系统→→2RO水箱→→EDI水泵→→EDI系统→→纯化水箱→→纯化水泵→→紫外线杀菌器→→列管式换热器→→0.22μm精密过滤器→→使用点→→回纯水箱2验证目的确认纯化水从纯化水机制备出来后经管道、储罐,再经管道到各使用点,对这一系列储罐、管道制定的清洗消毒程序能够始终如一地保证最终各使用点的纯化水符合质量标准。
纯化水系统验证方案受控状态:文件编号:版本号:编制:日期:年月日审核:日期:年月日批准:日期:年月日发布日期: 年月日生效日期: 年月日验证方案批准书目录1 验证小组2 验证目的3 工艺用水标准4概述5职责5.1 验证小组的职责5.2 设备科的职责5.3 质量部的职责6验证前的准备6.1 验证所需设备验证6.2验证所需文件资料7纯化水验证7.1三批检定验证7.1.1检定标准7.1.2检定方法7.1.3结果7.2验证结果与评定8拟定再验证周期9验证进度安排1 验证小组2 验证的目的确认系统重改装后水质要求;确认纯化水日常检定方法可靠、重现性好;确认纯化水使用前无污染;确认纯化水在允许最大存放时间内质量完全合格。
3 工艺用水标准我公司根据行业标准YY/T 1244-2014《体外诊断试剂用纯化水》要求,进行工艺用水的制备,分为生产配置用水,和辅助用水,并对该设备进行定期的维护保养,以保证制水质量。
3.1工艺用水标准确认:3.1.1性状应为澄清、无色的液体。
3.1.2电导率电导率(25℃)≤0.1mS/m即0.1uS/cm。
3.1.3 微生物总数微生物总数≤50CFU/mL。
3.1.4总有机碳总有机碳≤500µg/L。
3.1.5可氧化物质取纯化水100ml,加稀硫酸(10%)10ml,煮沸后,加高锰酸钾滴定液(0.02mol/L)0.10ml,再煮沸10分钟,粉红色不得全部消失。
注:以上总有机碳和可氧化物质两项可选做一项。
4 概述天津美德太平洋科技有限公司纯化水系统用于满足该公司试剂车间体外诊断试剂的生产,纯化水运送操作按照《纯化水制水机操作规程》进行,整个运送过程是完全受控的。
纯化水运送前清洁工作按照《纯化水管道清洁消毒操作规程》进行,且对清洁消毒工作定期进行验证。
纯化水接来后按规定只能24小时内用于配液等生产工序,存放2-5天的纯化水只能用于环境清洁卫生工作,存放5天以上的纯化水应废弃。
纯化水系统清洗消毒验证方案黑龙江神树制药有限公司黑龙江神树制药有限公司目录1.目的2.范围3.内容4.职责5.方案说明6.纯化水系统描述7.验证所需文件8.消毒效果验证9.性能确认10.偏差表11.评价和建议1.目的本方案的目的是为了证明纯化水系统提供的纯化水符合GMP要求,同时证明纯化水系统的清洗消毒效果是可靠的,周期是合理的。
2.范围1.本方案适用于生产车间的纯化水系统的清洗消毒验证2.该纯化水系统是用于生产车间配料和洁净区内设备、容器和工器具的清洗用水。
3.内容3.1本方案对纯化水系统的总送水口、回水口、纯化水储罐及各使用点的水质进行了测试和记录。
3.2本系统具有符合GMP要求的操作、清洗和维护的SOP。
4.职责4.1验证小组4.1.1起草验证方案;4.1.2组织协调验证方案的实施;4.1.3收集、整理和审核验证数据,起草验证报告。
4.2生产技术部4.2.1按纯化水标准操作规程对有关人员进行培训;4.2.2按本方案实施验证;4.2.3填写本方案所有有关表格。
4.3质量管理部4.3.1依据取样程序,负责对本方案涉及的纯化水系统各取样点进行取样。
4.3.2负责本方案所涉及的所有水质各项目的检测,并出具检测报告。
4.3.3负责有关仪器、仪表的校验。
在校验合格的仪器仪表上贴合格证。
5.方案说明5.1验证过程使用的仪器仪表必须经过校正,且符合中国国家标准。
否则,实地测试的数据无效。
5.2填写表格尽可能详细。
6纯化水系统描述我公司采用的这套水处理系统主要由自动软化水装置,精密过滤器、多介质过滤器、一级反渗透、二级返渗透等组成。
系统流程框图如下:7.验证所需文件以下列出的文件是用于指导纯化水系统的正确操作,并作为执行此方案的标准操作规程。
确认人:日期:8消毒效果验证8.1钝化、消毒步骤钝化、消毒方法:A.1%氢氧化钠溶液循环冲洗30分钟,停泵将碱液放掉。
B.用纯化水循环冲洗30分钟,停泵排水。
C.用3%氢氟酸和20%硝酸的混合酸液,在25-35℃之间循环处理10-20分钟,停泵排掉。
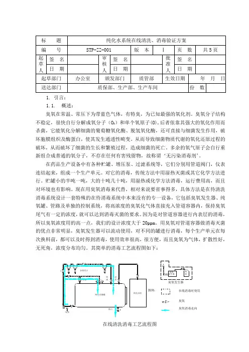
标 题 纯化水系统在线清洗、消毒验证方案编 号 STP-ZZ-001版 本Ⅰ页 数共5页 起 草人 签 名 审 核人 签 名批 准人 签 名 日 期 日 期 日 期 起草部门 办公室颁发部门质管部生效日期年 月 日 送达部门 质保部、生产部、生产车间份 数1. 引言: 1.1. 概述:臭氧在常温、常压下为带蓝色气体,有特臭,为已知最强的氧化剂。
臭氧分子结构不稳定,很快自行分解成氧分子(O 2)和单个氧原子(O),后者依靠其强大的氧化作用而杀菌,它能氧化分解细菌的葡萄糖氧化酶、脱氢氧化酶,还可直接与细菌发生作用,破坏胞膜组织及酶蛋白,使其发生通透性畸变。
从而导致细菌物质代谢的氧化还原过程的破坏,从而破坏了细菌的生长和繁殖过程,造成细菌的死亡。
多余的氧气原子会自行重新组合成普通的氧分子,不存在任何有害残留物,故称谓‘无污染消毒剂’。
在药品生产设备中有各种贮罐、增压泵、过滤系统等,它们分别用管道阀门,仪表连结起来,组成一个生产单元。
对它的消毒,传统方法中用湿热灭菌或其它化学方法进行。
贮罐小的半吨一吨,大的十吨几十吨,用湿热或化学方法消毒,运行费用高,而且对环境也有影响。
现在用臭氧消毒来代替,相对来说要省事得多,具体方法是在待清洗消毒系统设计一套特殊的在待消毒系统中本来没有的专一设备,它包括臭氧发生器、纯氧罐、管路及单独的控制系统,将高浓度的臭氧化气体直接充入管道容器内,保持臭氧尾气有一定的浓度,就可以达到消毒灭菌的要求。
因为是对管道容器进行内表层的消毒,所以臭氧浓度用的高一点,我们的设计浓度大于20ppm 。
用臭氧对管道容器做消毒灭菌的优点非常明显,臭氧发生器可以流动使用,对不同的罐进行消毒,每个生产单元在每次换料前,都可以及时得到消毒,使用效率很高,很方便,而且臭氧为气体,扩散性好,无死角,浓度分布均匀。
其简单的消毒工艺流程图如下:各使用点臭氧发生器纯化水储罐排污纯化水机呼吸器回流进水臭氧发生器纯氧图例:在线消毒时使用臭氧臭氧消毒走向臭氧在线清洗消毒工艺流程图1.2.预确认先按臭氧灭菌的效率、消毒技术规范的标准及兄弟厂家已经验证的参数值决定臭氧消毒的浓度(C):对管壁、容器表面,消毒尾气臭氧浓度大于20 ppm。
纯化水系统的验证方案文件编码:SOP-YZ-017-00验证方案审批表目录1.引言1.1概述1.2主要技术参数2验证目的3.验证小组成员组成及其职责4.验证计划5.验证内容5.1预确认5.2安装确认5.3运行确认5.4性能确认6.再验证7.验证结果评定与结论8.附录1.引言1.1概述该纯化水系统产水量0.5T/h,原水:饮用水。
制取工艺:饮用水→砂滤器→炭滤器→软化器→精密过滤器→一级反渗透→二级反渗透。
为了符合GMP及工艺要求,在纯化水箱及管路配送系统中增设臭氧消毒。
纯化水箱及循环泵材质均为304不锈钢。
为了保证水系统的日常监测,在单台设备的进、出口均设有取样阀。
为了保证过滤器效率及使用寿命,在软化器及RO处增设再生系统和PH 值调节系统。
为了保证测试准确,系统中主要仪器仪表元件均为进口。
管路配送系统采用304不锈钢。
整个管路安装采取循环方式布置。
纯化水的用途:主要作为口服固体制剂车间、橡胶膏剂车间生产的工艺用水、设备的清洗用水、质量检验用水。
1.2主要技术参数—本系统纯化水产量: 0.5T/h—一级纯化水电导率:<20µs/ cm—二级纯化水电导率: <2µs/ cm2验证目的2.1检查并确认该系统设备所用材质、设计、制造符合GMP要求。
2.2检查并确认管路分配系统的安装符合GMP要求。
2.3检查并确认设备的安装符合生产要求,公用工程系统配套齐全且符合要求。
2.4确认该系统设备的各种仪器仪表经过校正且合格。
2.5确认该系统的各种控制功能符合设计要求。
2.6确认该系统设备在稳定的操作范围内能稳定的运行且能达到设计标准。
2.7确认系统生产的水质能达到设定的质量标准。
2.8检查该系统设备的文件资料齐全且符合GMP要求。
2.9为设备检修改造和再验证提供数据资料。
3.验证小组成员组成及其职责4.验证计划5.验证内容5.1预确认5.1.1目的:确认所选定的设备是否符合工艺及GMP要求。
验证方案审批表验证小组人员及责任1引言1.1概述1.2目的1.3文件2运行确认2.1设备运行确认2.2清洁程序的确认2.2.1清洁原那么2.2.2清洁剂的种类、用量、浓度2.2.3清洁方式和程序2.2.4确认设备最难清洗部位2.2.5取样位置及检查项目2.2.6取样打算2.2.7残留量确信原那么及限度3性能确认3.1清洗成效检查3.1.1目检3.1.2化学检查、清洁剂的残留检查3.1.3微生物检查3.1.4不溶性微粒检查4清洗成效评判5结果评判及建议6最终批准验证方案审批表验证方案名称验证小组人员及责任责任组长:负责方案起草,方案实施全进程的组织及验证报告。
组员:别离负责方案实施进程中的运行及性能确认的具体工作1引言1.1概述在线清洗对大型设备的清洗是比较方便有效的方式,能够减少人为疏忽所至的污染。
本方案适用于纯化水系统的在线清洗。
本厂对纯化水系统的清洗手腕是采纳在线清洗的方式,在线清洗的原那么是最终维持在许诺的污染水平以下,如淋洗水的澄明度及微生物等要求不超过纯化水的水平,活性成份的残留不高于认可标准的要求等。
在对系统实施在线清洗时,对按选定的清洗的清洁剂及清洗程序进行确认,然后将选定的清洁剂配制成必然数量,并对清洁液的温度、pH、压力,流量,数量有必然的要求。
然后使清洁液在系统内循环并静止一按时刻,使清洁液充分与清洗表面接触,然后放掉,用必然量度淋洗水循环淋洗。
通过几回的淋洗,最终对淋洗水取样化验,其物理指标、化学指标、微生物指标合格,即为达到了在线清洗的目的。
清洗原理:通过对本厂纯化水贮存、输送的分析,选择最不利清洗的情形及最差条件,通过清洁剂的浸泡及循环来达到清洗的目的,然后对冲洗水样(或棉签取样)进行化学及微生物、澄明度检查,所得结果与可同意限度比较,如认可标准的限度,那么可证明清洗程序的有效性及稳固性。
1.2目的1.2.1检查并确认纯化水系统在线清洗系统符合设计要求,资料和文件符合GMP治理的要求。
XXXX药业有限公司纯化水系统清洁消毒再验证方案编号:起草:日期:审阅:日期:批准:日期:实施日期:目录一、概述 (2)二、验证类型 (2)三、验证目的 (2)四、验证范围 (2)五、验证小组成员及职责 (2)六、验证计划和进度安排 (3)七、验证依据 (3)八、清洁方法及取样部位设定 (3)九、取样和检测方法 (5)十、验证方案的实施 (7)表1 取样点及取样频率 (8)表2 按清洁程序清洗系统后各取样点检测记录如下 (9)表3 检验检测结果记录表 (10)十一、验证结果分析、结论及在验证周期确认 (10)一、概述根据GMP要求,为确认设备的清洁规程及评价该设备清洁规程的效果,需进行清洁再验证。
纯化水系统:由机械过滤器、活性碳过滤器、保安过滤器、二级反渗透、紫外线灭菌器、精密过滤器组成;机械过滤器除去水中杂质、悬浮物、胶体使浑浊的水通过机械过滤器过滤后水浊度能≤3度;活性碳过滤器去除水中的余氯、有机物等部分异味及色度,改善水质,延长反渗透膜的寿命。
保安过滤器防止前部设备系统的微小颗粒进入反渗透装置;去除水中的各种盐类、病毒及细菌使水纯净化主要作为生产工艺用水及洁净区设备清洗用水。
二、验证类型纯化水系统清洁消毒验证属再验证。
三、验证目的纯化水系统的清洁消毒是保证纯化水质量的重要措施,验证清洁消毒方法的有效性、可靠性是纯化水系统再验证的重要方面,通过对清洁消毒方法的再验证,来证实其清洁消毒规程的可靠性。
四、验证范围本方案适用于制剂车间生产所用及设备的清洁所用的设备如下:验证小组由相关部门领导、技术骨干或相关人员组成,负责本验证项目验证方案的起草、实施、组织与协调、验证结果与评定以及完成验证报告。
表1 验证小组成员及其职责1 纯化水制备系统的清洁程序。
1.1预处理系统的反冲洗:1.1.1 检查阀门,打开反冲洗阀门。
1.1.2 分别调节多介质过滤器、活性碳过滤器的多路阀至反冲洗状态。
1.1.3 启动反冲洗按钮,运行20~30min,当清洗液清澈时,关闭多路阀门,反冲洗操作结束,同时关闭阀门。
纯化水系统的验证方案纯化水系统的验证方案是确保纯化水系统工作效率和水质标准达到预期目标的一项重要步骤。
在工业、医疗、实验室等领域中需要使用高质量、高纯度的水,纯化水系统可以有效地去除水中的矿物质、有机物和微生物等杂质,以提供满足不同需求的水质。
在纯化水系统运行前或日常监测中,需要进行验证方案,以保证良好的工作状态。
一、验证目标验证方案的首要目标是确保纯化水系统达到预期效果,满足水质要求。
验证程序包括系统设计验证、安装验证和操作验证等。
在验证中,需要考虑到不同行业的水质标准和要求,以及软化剂、反渗透等工艺的影响,进行综合分析和评估。
二、验证步骤1.系统设计验证系统设计验证包括材料、设备选择和系统配置等,主要考虑与实际要求的匹配度,包括水质要求、流量、操作要求、操作便利性、易于维护等因素。
需要对纯化水系统的设计参数进行仔细分析,如水质检测、操作参数设定、消耗品更换等,以保证系统的功能完全匹配。
此外,还需要了解到系统的预算要求、长期运营成本、保修期等。
2.安装验证安装验证是为了核实纯水设备安装后符合设计要求,提供第一步的标准检查。
验证应完全按照要求执行,纯化水系统应正确安装,设备定位正确和连接良好,接口和连接点均端正无误。
验证期间进行系统换水和泄漏测试,以确定系统各阶段的软管、弯头、阀和过滤器等的连接状态,以及设备和工艺的有效性。
3.操作验证操作验证是验证实际工作情况的重要步骤,以验证纯化水系统的操作性能和控制性能。
实际操作时应注意几个方面的问题:保证水质符合要求;操作塞的状态是否正确;操作时的水流量是否符合要求;最后还应进行清洗和消毒测试,测试清洗能力和消毒水质。
通过操作测试,验证纯化水系统的维护和操作安全性能,保证水质的连续纯度,同时可以识别模拟故障或问题,从而更好的准备实际生产和实验测试。
三、验证的重要性验证纯化水系统的一个重要原因是在确保水质卫生规范的同时,还要减少实验室的不必要浪费和损失。
通过验证,确保纯水设备工作正常运行,水质达到标准要求,加强系统可靠性,减少维护和维修成本,同时可以延长设备寿命。
纯化水系统验证方案及报告目录一、系统描述 (5)二、验证目的 (8)三、验证执行文件 (8)四、验证参与部门及责任 (9)五、验证步骤 (9)1、预确认 (9)2、安装确认 (9)3、运行确认 (12)4、性能确认 (13)六、再验证 (17)七、验证结论及评价 (18)八、验证报告批准书 (19)一、系统描述本系统使用符合饮用水标准的原水作为水源,通过多介质过滤器、活性炭过滤器、保安过滤器(1um)过滤,再经两极反渗透制取纯化水进入储罐。纯化水输送系统由储罐输出,经紫外杀菌器消毒、微孔过滤器(0.22um)过滤,再由输水泵输出至各用水点。本系统制取的纯化水作为聚丙烯管生产冷却水、外用液体制剂生产工艺用水及清洁用水使用。1、安装地点:车间一制水间。2、设备型号、结构、工作参数及相关资料:设备型号:见说明书设备结构:见说明书设备参数:见说明书设备编号:使用部门:生产车间、质检中心3、纯化水系统工艺流程:4.对纯化水系统的基本要求:4.1本系统预处理设备均应符合设计要求。4.1.1原水水箱:材质:聚乙烯(PE);容积:1000L。4.1.2原水泵:材质:304不锈钢。4.1.3多介质过滤器:外壳:玻璃钢(FRP);滤料:石英砂;管道及阀门:材质:UPVC,能反冲、排放。4.1.4活性炭过滤器:外壳:玻璃钢(FRP);滤料:活性炭;管道及阀门:材质:UPVC,,能反冲、排放。4.1.5精密过滤器:外壳:304不锈钢;滤芯:PP熔喷:过滤精度:1um。4.1.6阻垢剂投加装置:进口计量泵、40LPE药箱。4.2本系统一、二级反渗透装置均应符合设计要求。反渗透:可物理及化学清洗。4.3本系统贮水容器的各项性能均应符合要求。贮水容器:2000L 304不锈钢制作,内壁电抛光并钝化,无死角,能经受高温消毒。含0.22u疏水性呼吸器及自动清洗球。以数显液位计计量贮水量。4.4本系统中涉及的管路及分配系统、纯化水输送泵都应符合设计要求。4.4.1前处理阶段管材选用ABS工程塑料,在反渗透系统高压泵后至储罐前的管道选用316L 不锈钢,储罐以后的输送管道选用304不锈钢,采用热熔式氩弧焊焊接连接。4.4.2阀门采用不锈钢隔膜阀,卫生快开接头连接。4.4.3纯化水输送管路安装数显紫外消毒器及0.22u不锈钢微孔过滤器。4.4.4纯化水输送泵采用丹麦格兰富纯水泵,316L.不锈钢制作,电抛光并钝化处理,卫生快开接头作连接件,本身以水做润滑剂。5.水处理主要设备功能简介:水中的杂质:1.电解质。2.溶解气体:CO、C02、H2S、Cl2、O2、N2等。3.有机物:有机酸、有机金属化合物在水中常以阴性或中性状态存在。4.悬浮颗粒物:如:泥沙、尘埃、微生物、胶化颗粒、有机物等。5.微生物5.1阻垢剂投加装置5.1.1主要设备:PE药箱、计量泵5.1.2功能:PAC为碱式氯化铝28%(凝聚剂)。使原水中胶体物及颗粒凝聚后在多介质过滤器中被过滤掉。5.2多介质过滤器5.2.1设备和构造:多介质过滤器内填充精选的石英砂和无烟煤。5.2.2功能:过滤原水中颗粒和胶体物质。正常流速8.5m/h,介质表面吸附水中颗粒和胶体物质。5.2.3反冲洗:当进、出口压差达到0.5-0.7kg/cm2;或SDI>4,多介质过滤器需进行反冲洗,同时加压缩空气,去除过滤器介质表面吸附的污染物。5.3活性炭过滤器5.3.1设备和构造:填充活性炭(国产果壳烧制)。5.3.2功能:去除水中余氯及有机物。说明:游离性余氯会使渗透膜活性基团氧化分解,引起膜结构破坏,还会使反渗透聚酰胺膜性能老化。5.4 MDC220阻垢加药系统5.4.1设备和构造:计量箱、计量泵5.4.2功能:加入阻垢剂后,防止反渗透膜上的结垢,影响使用寿命。阻垢剂美国进口。加入MDC220阻垢剂使浓水侧CaCO3、MgCO3、MgSO4、CaSO4、BaSO4、SrSO4、Si02浓度积大于其平衡溶解度常数时不易结晶析出,防止损坏膜元件。5.5保安过滤器5.5.1过滤器规格:1 u m5.5.2功能:去除粉化活性炭颗粒及前级微细颗粒等,保护RO膜不受阻塞。5.6反渗透系统(RO)5.6.1设备和构造:高压泵(1.5mpa),反渗透装置一套(TFC)型复合膜,单根膜脱盐率达到99.6%,一级脱盐率为98%,一级反渗透回收率60%。二级出水电阻率≥0.5MΩ.cm,二级反渗透回收率83%。5.6.2功能-反渗透装置主要功能为脱盐制取纯水,溶解固形物浓缩液被排放。-去除99%TOC,以及内毒素。反渗透出水内毒素含量小于0.03EU/ml。-高压泵保护,水压不足(<0.05mpa时发信号和停止高压泵运行。超压时,自动切断高压泵电源,自动停泵。5.7紫外灯紫外灯后装一台0.22 u过滤器,以去除被杀死的细菌及颗粒。二、验证目的1.检查并确认该系统设备所用材质、设计、制造符合GMP要求;2.检查并确认管路分配系统的安装符合GMP要求:3.检查该系统设备的文件资料齐全且符合GMP要求:4.检查并确认设备的安装符合生产要求、公用工程系统配套齐全且符合设计要求;5.确认该系统设备的各种仪器仪表经过校正且合格:6.确认该系统的各种控制功能符合设计要求;7.确认该系统设备在稳定的操作范围内能稳定的运行且能达到设计标准;8.确认系统生产的水质能达到设定的质量标准;并验证相关SOP的可行性、有效性;确定水的微生物警戒线。用系统运行的实际数据证明系统的能力及可靠性。9.为设备维修、改造和再验证提供数据资料。三.验证执行文件1.验证管理规程2.纯化水验证方案3.纯化水制备和输送操作规程4.电导率仪操作规程5.纯化水设备维护保养规程6.纯化水系统清洁消毒操作规程7.工艺用水监测管理规程8.纯化水质量标准9.纯化水检验操作规程10.纯化水取样标准操作规程四、验证参与部门及责任五、验证步骤1.预确认结论:确认人: 复核人: 日期: 2.安装确认2.1文件资料确认结论:确认人: 复核人: 日期: 2.2系统安装竣工情况确认:结论:确认人: 复核人: 日期: 2.3制水设备安装确认2.3.1精砂过滤器检查人: 复核人: 日期: 2.3.2活性炭过滤器检查人: 复核人: 日期: 2.3.3精滤器检查人: 复核人: 日期: 2.3.4一级反渗透装置检查人: 复核人: 日期:2.3.5二级反渗透装置检查人: 复核人: 日期: 2.3.6其它设备检查人: 复核人: 日期: 2.3.7公用介质及其它检查人: 复核人: 日期: 制水设备安装确认结论:确认人: 复核人: 日期:2.4管道输送系统安装确认2.4.1管道及阀门的材料确认:检查人: 复核人: 日期:2.4.2管道的连接和试压:输送管道采取可拆卸式,管道内壁光滑,无死角。夹层以上连接点采用热熔式氩弧焊焊接,接点内壁光滑。安装后,用纯化水试压,试验压力为工作压力的l.5倍,保压24小时,应无渗漏。2.4.3管道的清洗、钝化、消毒:2.4.3.1纯化水循环预冲洗:准备一个储液罐和一台水泵,与需钝化的管道连成一个循环通路,在储液罐中注入足够的常温纯水,用水泵加以循环,15分钟后打开排水阀,边循环边排放; 2.4.3.2碱液清洗:取氢氧化钠化学纯试剂,加入热纯化水(不低于70℃)制成1%的溶液,用泵进行循环,时间不少于30分钟,然后排放;将纯化水送水阀门打开,开启水泵,打开各用水点阀门,直到各用水点电导率与储水罐一致,排水时间至少30分钟;2.4.3.3钝化:取化学纯硝酸加纯化水制成8%溶液,在49-52℃温度下循环1小时后排放;2.4.3.4初始冲洗:用常温纯化水冲洗,时间不少于5分钟;2.4.3.5最后冲洗:再次冲洗,直到各用水点电导率与储水罐一致:2.4.3.6管道系统消毒:打开臭氧发生器,在整个不锈钢管道系统中通入臭氧,至少60分钟,然后用纯化水冲洗管道系统15分钟。2.4.3.7管道焊接记录管道清洗、钝化、消毒记录管道试压记录管道消毒记录确认结果表明结论:确认人: 复核人: 日期:安装确认结论:确认人: 复核人: 日期:3.运行确认3.1首先对岗位操作人员进行全面培训并考核,合格后凭上岗证上岗操作。结论:岗位操作人员按员工培训管理规程要求接受培训及考核,○符合○不符合上岗要求。附岗位操作人员培训记录确认人: 复核人: 日期:3.2运行前按相应清洁规程清洗所有储罐及输送管路。结论:确认人: 复核人: 日期: 4.性能确认4.1单体设备性能确认4.1.1精砂过滤器名称:精砂过滤器运行确认目的:检查精砂过滤器的运行能否达到订货要求。确认内容:在运行24小时后进行测量,检查确认内容见下表。检查人: 复核人: 日期: 4.1.2活性炭过滤器名称:活性炭过滤器运行确认目的:活性炭过滤器的运行能否达到订货要求。确认内容:在运行24后进行测量,检查确认内容见下表。检查人: 复核人: 日期: 4.1.3一级反渗透装置名称: 一级反渗透装置运行确认目的: 一级反渗透装置的运行能否达到订货要求。确认内容:在运行24后进行测量,检查确认内容见下表。检查人: 复核人: 日期: 4.1.4二级反渗透装置名称: 二级反渗透装置运行确认目的: 二级反渗透装置的运行能否达到订货要求。确认内容:在运行24后进行测量,检查确认内容见下表。检查人: 复核人: 日期:4.1.5系统其它装置名称:系统其它装置运行确认目的:系统其它装置的运行能否达到订货要求。确认内容:在运行24后进行测量,检查确认内容见下表。检查人: 复核人: 日期:结论:确认人: 复核人: 日期:4.2水系统性能确认测试4.2.1在正式开始水系统性能确认测试前,先按纯化水质量标准及检验操作规程对纯化水出水水质进行测试。以便在测试时发现问题及时解决。4.2.2水系统按照设计要求正常运行后,记录日常操作的参数,检测根据设计及使用情况连续三周。4.2.2.1取样频率:分三个周期,每周期7天,取样点见附表4.2.2.2合格标准:符合中国药典2010年版纯化水项下质量标准要求。4.2.2.3重新取样:由于取样、检验等因素,有时会出现个别点水质不合格现象,可在不合格使用点再重复取样、检验一次,重测指标必须合格。附表:纯化水取样点对照表详细内容见后附件检验操作记录及检验报告书结论:确认人: 复核人: 日期:六、同步验证6.1纯化水日常监测质量部拟订日常监测程序及验证周期,见下表:6.2在投入运行的同时,有计划地进行监控,验证时间一年。考察因原水任何质量变化而给系统运行和成品水质所造成的影响;考察并确认系统稳定运行的控制参数;考察系统各功能单元的运行状况。通过一年的监控,确认系统以下各项运行参数:活性炭的柱效及更换周期;石英砂过滤器反洗压差控制参数;蜂房过滤器更换压差控制参数;反渗透更换的控制参数。七、再验证长期停产、设备搬迁或管道改造后需进行再验证,每年进行一次回顾性验证。八、验证结论及评价报告九、验证报告书批准。
纯水系统验证方案说明1.测试项目:纯水系统的验证测试可以涵盖以下项目:-净化效率测试:验证纯水系统对水质中各种杂质的去除效率,例如溶解固体、有机物、细菌等。
-水质测试:测试纯水的关键水质参数,例如电导率、总溶解固体含量、pH值等。
-水流量测试:测试纯水系统的输出流量,确保达到预期要求。
-清洗效果测试:测试纯水系统对设备内部管道和水槽的清洗效果,验证清洗过程的可靠性。
-无菌性测试:验证纯水系统在工作状态下的无菌性,确保满足特定行业的洁净度要求。
-设备可靠性测试:验证纯水系统连续运行一段时间后的可靠性和稳定性。
2.测试计划:在制定测试计划时,需要考虑以下因素:-测试目标:明确测试的主要目标,例如验证纯水系统的净化效率、水质符合要求、设备可靠性等。
-测试资源:确定需要的测试设备、耗材和人力资源,以及测试所需的时间。
-测试频率:决定进行测试的频率和持续时间,保证测试结果的可靠性。
-测试环境:确定测试环境和条件,例如温度、湿度、空气质量等。
-测试样本:选择合适的水样作为测试样品,保证测试结果的可代表性。
3.测试方法:在进行纯水系统验证测试时,可以采用以下测试方法:-使用高精度的水质分析仪器对纯水进行水质参数测试,例如电导率计、溶解固体计、pH计等。
-使用生物指示物(例如生物指示器或测试纸)对纯水进行无菌性测试。
-使用标准污水样品进行净化效率测试,通过对比前后水质参数的变化来评估净化效果。
-使用流量计等仪器对纯水系统的输出流量进行测试。
-观察设备运行状态,记录设备故障的发生次数和时间,以评估设备的可靠性。
4.验证标准:根据纯水系统的应用需求和相应的行业标准,制定相应的验证标准。
以下是一些常用的验证标准示例:-水质参数:确定纯水系统的关键水质参数,并制定相应的标准范围,例如电导率小于X,pH值在X-X之间等。
-净化效率:根据特定行业的要求,制定纯水系统对各种污染物的去除率、降解率等指标。
-清洗效果:根据设备表面污染物的特点,制定合适的清洗指标,例如表面可见污染物少于X,无菌指示物检测阴性等。
目录1。
概述 (2)2。
目的 (2)3. 验证计划 (2)4。
验证机构成员与职责 (2)5。
安装确认 (3)6. 运行确认 (4)7. 性能确认 (5)8。
纯化水系统验证结论、验证结果及分析 (6)9。
验证领导小组审查意见 (6)第1页共7 页1。
概述1。
1 纯化水系统为公司委托河南省予康科贸有限公司设计、制造及安装的.该系统产出的成品水洁净度高,符合《YY/T 1244—2014 体外诊断试剂用纯化水》项下的质量标准,生产能力0.5T/h,能够符合现行《医疗器械生产质量管理规范附录体外诊断试剂》的管理要求和满足本公司实际生产能力的需要。
1。
2 本系统所用源水为符合中华人民共和国标准GB5749—2006的生活饮用水。
整套系统设备配置先进,所用材质、设计、制造均符合现行规范管理的要求.石英砂过滤器能手动反冲及排放,活性炭过滤器能防止细菌、细菌内毒素的污染.水箱采用SUS304不锈钢材料,纯化水水泵材质为SUS316不锈钢,所有管件采用UPVC/SUS304.系统设有自动控制及手动控制操作方式,可保证稳定运行。
1。
3 二级反渗透纯化水系统主要由原水预处理、反渗透、杀菌消毒三部分系统构成.预处理系统主要由原水罐、原水泵、石英砂过滤器、活性炭过滤器、树脂过滤器组成.反渗透系统主要由精密过滤器、高压水泵、阻垢剂加药箱、NaOH加药箱、一级和二级RO膜组件组成。
需要杀菌消毒系统主要由纯水箱、纯水泵、精密过滤器和紫外线(UV)杀菌装置系统、纯化水不锈钢循环管道组成.1.4 YK-RO-0。
5T二级反渗透纯化水系统设备基本情况:市政自来水→原水箱→原水泵→石英砂过滤器→活性炭过滤器→树脂过滤器→调节PH装置↓→一级增压泵→一级反渗透系统→一级纯水储罐→二级增压泵压泵→ 二级反渗透系统→↓← ←←←← ← ←← ←← ←↑→纯水储罐→纯水泵→紫外线装置→ 管网→各用水点2. 目的经过验证,确认二级反渗透纯化水系统能够符合现行体外诊断试剂行业要求和满足本厂生产的实际需要,并确认纯化水系统的清洁消毒方法、日常使用操作、日常监控周期以及再验证周期。
纯化水系统验证方案目录一、目的: (3)二、适用范围: (3)三、职责: (3)四、内容: (4)1、概述与风险评估: (4)2、验证小组成员: (5)3、验证指导与参考文献: (6)4、验证人员培训及健康状况: (6)5、对纯化水分配系统进行设计确认: (7)6、纯化水系统安装确认: (12)7、运行确认: (18)8、性能确认: (27)9、偏差分析与整改: (29)10、结果分析与评价: (29)11、再验证: (29)12、相关文件: (29)13、相关记录: (30)14、发放范围: (30)15、附件: (30)纯化水系统验证方案一、目的:105车间一楼进行B+A模式(小容量注射剂Ⅱ线)的改造,同时对纯化水管路分配系统进行了改造,对改造后纯化水分配系统进行验证,确保纯化水质量符合使用要求。
二、适用范围:纯化水系统的验证。
三、职责:1、验证小组成员负责验证方案的实施。
2、验证负责人负责验证方案的实施监督与管理。
四、内容:1、概述与风险评估:1.1注射剂车间共有三条生产线,三楼为最终灭菌的小容量注射剂生产线;二楼小容量注射剂生产线GMP证书已于2013年10月28日到期,目前处于停产状态;车间一楼改造为非最终灭菌的小容量注射剂生产线;三条生产线分别设有A/B级、A/ C级C、D级和一般控制区。
厂房拥有独立的人流、物流通道,布局科学合理。
主要公用系统有:注射用水系统、纯化水系统、纯蒸汽系统、压缩空气系统、惰性气体系统、洁净厂房及HVAC系统等。
本次纯化水系统验证是注射剂车间和纯化水分配系统重新改造后、生产前的第一次验证。
1.2纯化水制水系统位于注射剂车间三楼,纯化水是通过饮用水预处理、反渗透和混床去离子制水工艺制得;为符合GMP要求,105车间需按照GMP要求在车间改造成B+A模式的生产线。
为确认改造后纯化水管道分配系统仍能满足车间生产用水要求,现采用同步验证的方法对改造后的纯化水分配系统进行验证,确保纯化水分配系统经过改造后各使用点水质均符合生产工艺及质量要求。
项目设计、开发和实施报告完美(中国)日用品有限公司新研发中心纯化水系统验证方案起草部门:研发中心(工艺方法研发部)起草人:审核人:审批人:起草日期:验证概述1.验证目的:通过验证获得的数据证实新研发中心纯化水系统按现有操作规程能连续地稳定地供应规定质量和数量的合格纯化水。
通过验证数据证明纯化水系统的适用性和可靠性。
2.验证范围:新研发中心纯化水系统.3.验证依据:3.1生活饮用水卫生的标准(GB5749-2006)工艺用水(总进水)。
3.2《中国药典》中纯化水相关化学和微生物的标准。
3.3《保健食品GMP实施指南》--王丽平主编(广东省食品药品监督管理局组织编写)。
3.4《纯化水系统制水操作规程》、《纯化水系统清洗、消毒操作规程》《纯化水管道钝化操作规程》试验小组成员与职责序号工作内容及职责负责部门(人) 完成时间签名1 1.负责设备的安装及验收;2.主导整个纯化水系统进行安装、运行确认。
工程部(李利民)2011.102 1.负责制定《纯化水钝化操作规程》、《纯化水系统制水操作规程》、《纯化水系统清洗、消毒操作规程》;2.负责拟定纯化水系统验证方案及指导实施。
3.负责进行纯化水系统清洗、钝化等操作。
4.样品取样送检。
研发中心(吴晓春、余宗盛、曾建成、梁梓浩)2011.113负责检测样品及出具检测报告。
质保部(黄瑞娟、谢永强)2011.11验证内容1.研发中心纯化水制备工艺过程:絮凝剂投加还原剂投加阻垢剂投加↓↓↓市政来水→★电动阀→原水箱→原水泵→多介质过滤器(锰砂、石英砂)→活性炭过滤器→保安过滤器→1#UV (2m3/h)(2m3/h)(2m3/h)清洁二级反渗透用 PH调节↓↓CIP水箱(CIP水泵、CIP滤器)中间水箱→一级高压泵→一级反渗透系统→二级反渗透高压泵→二级反(2m3/h)(1.5m3/h)渗透系统→成品水箱→成品水泵→2#UV→★分配管路(用水点)(1m3/h)(1m3/h)备注: “★——★”久大公司供货范围2.安装运行确认:2.1安装确认(IQ)2.1.1目的检查并确认纯化水制备系统各设备及部件的材质、安装是否符合设计及GMP要求。
纯化水贮存分配及管路贮罐清洗消毒系统验证方案
1 目的
1.1本方案的目的在于验证纯水的贮存、分配及管路贮罐的清洗消毒是否符合SOP要求。
并对整个制水系统要素及生产过程中可能影响工艺用水质量的变化因素提供系统的验证方案,以保证在正常生产条件下,生产出符合要求并达到2010版国家药典要求的纯化水。
按照验证周期现有必要对期进行再验证。
1.2 验证过程应严格按照本方案规定的内容进行,若因特殊原因确需变更时,应填写验证变更申请,报验证小组组长批准。
2 概述:
本公司的纯水系统采用二级反渗透,该纯化水系统配套合理,主要的关键设备如反渗透膜、全自动保护装置、真空泵、保安过滤器等均为进口设备。
系统最低脱盐达到98.5%,制得纯化水电导率最低达1.2μs/cm,PH值为5~7。
3 验证小组
纯化水系统验证小组由质量部、生产部、研发部成员组成,验证小组成员如下:
组长
姓名职务部门
管理者代表
组员
部门经理质量部
部门经理生产部
部门经理工程部
4 职责
4.1 验证小组
4.1.1 负责验证方案的起草、修改。
4.1.2 负责组织本验证方案的实施。
4.1.3 负责验证数据的统计、分析、审核、做出结论。
4.1.4 负责验证报告的编写,并报验证小组组长。
4.2 工程部
4.2.1 负责设备的运行及安装检查。
4.2.2 负责提供设备使用说明书及平面布置图。
4.3 质量部
4.3.1 负责验证方案的审核。
4.3.2 负责仪器、仪表的校正。
4.3.3 负责纯化水化学指标及微生物的监测。
4.4 生产部
4.4.1 负责配合工程部完成验证工作。
5 验证前的准备
5.1 仪器仪表的校验:
为保证测量数据的准确可靠,应检查纯水处理装置上所有的仪器仪表是否在检定的有效期内。
按计划到验证结束,测试仪器是否仍在有效期内,如超期,则应在验证实施前送研发监督局计量所进行校验,并记录仪器仪表的校验情况。
附表一
检查情况:____________________________________________________________
_____________________________________________________________________。