高支模支架监测措施方案
- 格式:doc
- 大小:82.50 KB
- 文档页数:13
高支撑模板支架使用时监测措施
1、脚手架使用过程中应避免产生偏心荷载。
泵送混凝土时,应随浇、随捣、随平整,混凝土不可堆在输送管道出口处,以免产生较大的堆积荷载,使架子偏心受荷;装卸其它物料时亦防止对模板支撑或脚手架产生偏心、振动和冲击。
2、水平加固杆、交叉支撑等不得随意拆卸,施工要求拆卸时,应待施工完毕后马上补齐。
3、模板支撑及满堂脚手架下方,施工人员不得经常出入。
4、穿着安全:现场操作人员不得赤脚、穿硬底鞋、拖鞋或高跟鞋,必须戴安全帽。
5、浇筑同时应控制混凝土出料时不成堆,泵管设置严禁与支撑架连接且不得与外架连接,泵管设置应另外进行加固以防碰到架体使架体变形失稳。
6、支撑架上堆料限制:支撑架的操作层应保持畅通,不得堆放超载的材料。
交通过道应有适当高度。
工作前应检查脚手架的牢固性和稳定性。
7、模板和支撑承载安全:模板在支撑系统未钉稳牢前不得上人;在未安装好的梁底板或平台上不得放重物或行走。
在安装好的模板上,不得堆放超载的材料和设备等。
8、恶劣天气限制:凡遇到恶劣天气,如大雨、大雾及6级以上的大风时,应停止露天高空作业。
风力达到5级时,不得进行大块模板和高支模板等大件模具的露天吊装和支撑作业。
9、监测人员进入现场前要熟悉楼层楼梯位置,发生紧急情况时在紧急出口处进行疏散。
实用文档高支模支架监测措施方案高支模支架监测措施本工程采用扣件式脚手架支撑体系,为确保施工安全,必须随时进行监测。
重点监测措施如下:1.监测项目:支架沉降、位移和变形。
2.监测点布设:按每10-15米设置检测剖面,每个检测剖面应布置不少于2个支架水平位移和变形监测点,3个支架沉降观测点。
监测必须使用经纬仪、水平仪等监测仪器进行,监测仪器精度应满足现场监测要求,并设定变形监测报警值。
3.监测频率:在浇筑砼过程中应实施实时监测,一般监测频率不宜超过20~30分钟一次。
在砼初凝前后及砼终凝前后也应实施实时监测,监测时间可根据现场实际情况进行调整。
监测时间应控制在高支模使用时间至砼终凝后。
实用文档4.当监测数据超过预警值时必须立即停止浇筑砼,疏散人员,并进行加固处理。
在搭设前,工长及安全员需对所支撑的地下室顶板进行检查,底板混凝土强度达到施工强度时方可进行本模板支撑系统的施工。
待高支部分砼浇捣完毕后下层模板支撑方可拆除。
在搭设过程中,工长及安全员负责对支架搭设施工进行监测,确保支撑系统施工安全。
检查、巡查重点包括杆件的设置和连接、扫地杆、支撑、剪刀撑等构件是否符合要求,底板是否积水,底座是否松动,连接扣件是否松动,施工过程中是否有超载的现象,脚手架架体和杆件是否有变形现象。
脚手架在承受六级大风或大暴雨后必须进行全面检查。
3、在浇筑混凝土前,必须检查支撑是否可靠、扣件是否松动。
同时,浇筑过程中需要由专人实时观测支撑是否变形、松动,并及时恢复。
监测频率不应超过20-30分钟一次,浇筑完后不少于2小时一次。
4、针对现浇钢筋混凝土梁、板,当跨度大于4米时,模板应起拱。
本工程模板统一按全跨长度的1/400起拱。
实用文档5、在搭设高支架时,需要检查上层支架立杆是否与下层支架立杆对准,立杆底部是否铺设垫板。
6、在搭设高支架时,需要按照方案要求设置由下至上的竖向连续式剪刀撑,以确保模板支架立杆外侧周围的稳定性。
7、立杆接长严禁搭接,必须采用对接扣件连接。
高支模支架监测措施前言高支模支架是建设高层建筑物时常用的一种架子,工人需要站在支架上进行施工,因此支架的安全和稳定性很关键。
本文将介绍一些高支模支架监测措施,帮助保障工人在建筑施工中的安全。
什么是高支模支架高支模支架通称为“脚手架”,是指在建筑施工中,为工人们提供施工平台和安全防护的设施。
用高强度钢管做立柱,横梁和斜撑布置成井字形来搭建架子,通常可以分为门式和悬挂两种。
高支模支架在建筑施工中占据重要地位,是保障工人安全和顺利完成施工的关键要素。
高支模支架监测措施存在问题尽管高支模支架可以提供安全的结构支持,受各种因素与材质质量控制的影响,也有可能在施工中出现不安全因素,如:•支架结构质量问题;•钢管或横梁连接件质量问题;•支脚松动或桥架不平整等问题。
监测措施为了有效地提前预防高支模支架的不安全因素和事故,各项监测措施是必不可少的。
下面是一些常用的监测措施:相似性监测相似性监测主要针对桥架、支撑塔吊等大型建筑设施,通过先进的振动相似检测技术,为工地提供实时的结构健康状态监测服务,展现了一种低成本、高效率的健康监测方法。
环境监测环境监测主要针对施工中的天气状况、环境变化等情况,及时监测并及时告知各项方案,是必不可少的监测措施。
结构监测结构监测是高支模支架监控的重点内容, 通常包括激光位移、姿态角度、温度等多项关键数据的监控。
主要是进行连续性监测,周期性阶段性监测或突发事故的现场监测,为保证支撑系统的安全设计提供有效可靠的依据。
人员监测即人员安全措施,也是保障高支模支架安全的另一重要环节。
主要是对施工人员的个人安全用品进行检查,如安全带、绳索、安全帽等是否符合卫生、安全规范,人员的一些生理状态、体力状态等因素也可能影响到施工的安全。
结论通过本文对高支模支架监测措施的介绍可知,在高支模支架施工中,各项安全保障措施的必要性不可低估。
相应的监测措施有利于工人们的安全保障和建筑的质量安全,是当下建筑领域必不可少的一个环节。
高支模监测方案介绍高支模指的是一种用于建筑施工的临时支撑设备,用于支撑和固定混凝土结构的模板和脚手架。
在大型建筑工程中,高支模的安全性和稳定性是至关重要的。
为了确保高支模的安全使用,监测方案是必不可少的。
本文将介绍一种高支模监测方案,旨在帮助施工单位提高工作效率和施工质量。
监测目的高支模监测的主要目的是确保高支模的安全性和稳定性,包括以下几个方面:1.监测高支模结构的变形情况,及时发现和处理可能存在的结构失稳或变形问题;2.监测高支模的荷载情况,确保支撑设备能够承受实际施工荷载;3.监测高支模的震动情况,确保支撑设备在施工过程中不会出现不稳定或倒塌的情况;4.监测高支模的使用寿命,确定支撑设备的耐久性。
监测方法为了实现高支模的有效监测,可采用以下几种监测方法:1. 变形监测通过安装变形传感器在高支模的关键部位进行监测,包括支脚、撑杆、水平杆等。
变形传感器可以测量结构的变形量,并将数据传输给监测系统。
监测系统可以实时记录和分析变形数据,及时发现和处理结构失稳或变形的问题。
2. 荷载监测高支模的荷载监测可通过安装荷载传感器实现。
传感器可安装在支撑设备的关键部位,如支脚、立杆等。
通过监测传感器的数据,可以了解支撑设备所受荷载的大小和变化情况,确保支撑设备能够承受实际施工荷载。
3. 震动监测高支模在施工过程中可能会受到震动的影响,为了确保支撑设备的稳定性,可安装震动传感器进行监测。
震动传感器可以监测支撑设备所受到的震动情况,及时发现不稳定或倒塌的可能性,以采取相应的措施进行处理。
4. 寿命监测为了确保高支模的安全使用,还需对支撑设备的寿命进行监测。
可以通过记录和分析支撑设备的使用情况,如使用年限、施工次数、维修情况等,来评估支撑设备的寿命,并及时进行维护和更换。
监测系统为了实现高支模的有效监测,需要使用专门的监测系统。
监测系统应包括以下几个组成部分:1.传感器:包括变形传感器、荷载传感器和震动传感器,用于监测高支模的变形、荷载和震动情况。
监测措施
1、班组日常进行安全检查,项目部每周进行安全检查,公司每月进行安全检查,所有安全检查记录必须形成书面材料。
2、支模日常检查,巡查重点部位:
1)杆件的设置和连接、连墙件、支撑、剪刀撑等构件是否符合要求。
2)地基是否积水,底座是否松动,立杆是否悬空。
3)连接扣件是否松动。
4)架体是否有不均匀的沉降、垂直度。
5)施工过程中是否有超载现象。
6)安全防护措施是否符合规范要求。
7)支架与杆件是否有变形现象。
3、支架在承受六级大风或大暴雨后必须进行全面检查。
4、监测点布设:在支架边角位置设置监测点。
每个监测面应布置不少于 2 个支架水平位移和立杆变形监测点、3 个支架沉降观测点。
水平仪和经纬仪精度应满足现场监测要求,并设变形监测报警值。
扣件式钢管脚手架高支模搭设允许偏差及监测变形预警值
5 、监测方法
支撑的变形监测采用水准仪进行。
做法是:在首层柱的侧面标示出观测基准点,分别在支撑杆上标示观测点(位置在首层结构面上约
1.5m 处)。
在整个浇筑混凝土的过程中,进行监测。
6、监测频率:
在浇筑砼过程中应实施实时监测,一般监测频率不宜超过 20~30 分
钟一次。
在砼初凝前后级砼终凝前后也应实施实时监测,监测时间可根据现场
实际情况进行调整。
监测时间应控制在高支模使用时间至砼终凝。
7、当监测数据超过上表预警值时必须立即停止浇筑砼,疏散人员,并进
行加固处理。
高支模支架监测措施1.高支撑模板支架重点监测措施本工程模板支撑架采用扣件式脚手架支撑体系,在搭设过程中必须随时监测。
重点采取如下监测措施:2.模板支架搭设前,由工长及安全员对所支撑的梁、板进行检查,按规范梁、板混凝土强度达到施工强度时方可进行本模板支撑系统的施工,并要求待高支部分砼浇捣完毕后下层模板支撑方可拆除。
3.模板支架搭设过程中,工长及安全员负责对支架搭设施工进行监测,确保支撑系统施工安全,检查、巡查重点要求如下:3.1杆件的设置和连接、扫地杆、支撑、剪刀撑等构件是否符合要求。
3.2底板是否积水,底座是否松动,立杆是否符合要求。
3.3连接扣件是否松动。
3.4施工过程中是否有超载的现象。
3.5脚手架架体和杆件是否有变形现象。
3.6脚手架在承受六级大风或大暴雨后必须进行全面检查。
4.浇筑砼前必须检查支撑是否可靠、扣件是否松动。
浇筑砼时必须由模板支设班组设专人看模,随时检查支撑是否变形、松动,并组织及时恢复,在浇筑混凝土过程中应实施实时观测,一般监测频率不超过20-30分钟一次,浇筑完后不少于2小时一次。
5.现浇钢筋混凝土梁、板,当跨度大于4米时,模板应起拱;本工程模板统一按全跨长度的2/1000起拱。
6.上层支架立杆是否与对准下层支架立杆,立杆底部是否铺设垫板。
6.1模板支架立杆外侧周围是否按方案要求设置由下至上的竖向连续式剪刀撑。
6.2立杆是否有搭接现象,立杆接长严禁搭接,必须采用对接扣件连接。
6.3支架立杆成一定角度倾斜,或者支架立杆的顶表面倾斜式,是否有可靠措施确保支点稳定,支撑脚底是否有防滑移的可靠措施。
6.4立杆接长严禁搭接,必须采用对接扣件连接,相邻两立杆的对接接头不得在同步内,且对接接头沿竖向错开的距离不宜小于500,各接头中心距主节点不宜大于步距的1/3。
6.5高支架四周外侧和中间有结构柱的部位是否已按方案要求设置拉结点。
6.6在浇捣梁板混凝土之前,必须由项目部组织对高支架进行全面检查,合格后方可进行浇筑,并且在混凝土浇筑过程中,项目技术负责人、质安员、施工员必须随时对高支架进行观测。
高支模支架监测措施1.简介高支模支架在建筑和桥梁等工程中具有重要的支撑作用,对于工程安全和施工质量至关重要。
为了确保支架的稳定性和可靠性,在施工过程中需要采取监测措施,及时发现并处理潜在的问题,以保证工程的顺利进行。
2.监测目标高支模支架的监测目标主要包括以下几个方面:•支架的变形监测:通过监测支架的变形情况,可以判断支架是否出现了不正常的变形,及时采取措施进行修复或调整,以确保施工过程的稳定性。
•支架的载荷监测:通过监测支架承载的荷载情况,可以判断支架是否超载或存在不均匀受力的问题,及时采取措施进行调整,以保证支架的安全性和可靠性。
•支架的材料监测:通过监测支架所使用的材料的质量和性能,可以确保支架的材料符合工程标准和要求,以保证工程的施工质量和使用寿命。
3.监测方法为了实现对高支模支架的监测,可以采用以下几种方法:3.1 传感器监测传感器是一种常用的监测手段,通过安装在支架上的传感器,可以实时监测支架的变形、位移和载荷等情况。
常用的传感器包括应变传感器、位移传感器和负荷传感器等。
这些传感器可以将监测数据传输到监测系统中进行分析和处理。
3.2 形变测量仪监测形变测量仪是一种专门用于测量支架变形的设备,通过在支架上设置形变测量仪,可以准确测量支架的变形情况。
形变测量仪可以实时监测和记录支架的变形数据,并将数据通过数据线传输到数据采集器或计算机中进行分析和处理。
3.3 监测人员巡查监测人员巡查是一种常规的监测方法,通过派遣专业的监测人员对高支模支架进行巡查,及时发现支架的异常情况,并及时采取措施进行处理。
监测人员应具备一定的专业知识和经验,能够准确判断支架的状况。
4.监测频率为了有效监测高支模支架的变形和负荷情况,需要确定适当的监测频率。
监测频率的确定应根据具体的工程要求和支架的使用情况来进行。
一般情况下,高支模支架的监测频率可以按照以下原则进行确定:•在支架初次搭设完成后,应进行初次监测,以获取初始状态下的支架信息,确定基准值。
高支模工程施工监测措施
1)高支模日常检查,巡查重点部位
杆件的设置和连接、连墙件、支撑、剪刀撑等构件是否符合要求。
底座是否松动,立杆是否悬空。
连接扣件是否松动。
架体垂直度。
施工过程中是否确超载现象。
安全防护措施是否符合规范要求。
支架与杆件是否有变形的现象。
监测点布设在框架主梁中间设一个监测立面(梁外侧位置),每个监测面布设一个支架水平位移监测点、一个支架沉降观测点(部位详见平面图)。
每个监测剖面应布置不少于2个支架水平位移和立杆变形监测点。
监测仪器精度应满足现场监测要求,并设变形监测报警值。
2)监测频率
在浇筑砼过程中应实施实时监测,一般监测频率不宜超过30分钟一次。
在砼初凝前后及砼终凝前后也应实施实时监测,监测时间可根据现场实际情况进行调整。
监测时间控制在高支模使用时间至砼终凝。
3)变形控制值:梁、板底(钢管立杆)沉降为20mm,梁水平位移为10mm。
4)变形监测报警值:梁、板底(钢管立杆)沉降为15mm,梁水平位移为8mm。
5)检查工具:经纬仪、钢板尺及吊线。
当监测数据超过此表预警值时必须立即停止浇筑砼,疏散人员,并进行加强固处理。
高支模支撑体系监测措施1、监测点的设置监测点在每次所浇模架周边布点,根据《建筑施工临时支撑结构技术规范》(JGJ300-2013)中的要求,进行位移监测时,须按照如下要求设置监测点:(1)每个支撑结构应设基准点;(2)在支撑结构的顶层、底层及每5步设置位移监测点;(3)监测点应设在角部及四边的中部位置。
对于板底、梁底支撑,分别在顶层、中部及底层设置监测点,沿高度方向,具体设置方法为:顶层的监测点设置在自顶部数第二排水平杆平面内,中部监测点设置在立杆中部位置附近的水平杆平面内,底部监测点设置在从底部扫地杆以上的第二排水平杆平面内。
监测点布置详见附图:2、监测仪器设备和人员的配备(1)监测仪器设备(2)人员配备根据监测工程量及测量的需求,配置测量人员四名,两人负责测量,一人负责记录,一人负责分析及处理每天的监测数据。
3、监测方式方法及预警值要求设置基准点,可在周边已拆模、沉降稳定的墙柱上涂红漆作为标记,利用水准仪进行沉降测量,对于垂直度变化的监测,可在利用支架立杆上端的点位采用挂钢丝垂球的办法进行监测。
根据《建筑施工临时支撑结构技术规范》(JGJ300-2013)的要求,相应预警值要求如下:其中H为支撑结构高度在进行内力检测时,根据《建筑施工临时支撑结构技术规范》要求,其测点布置宜符合如下规定:(1)单元框架或单元桁架中受力大的立杆宜布置测点;(2)单元框架或单元桁架的角部立杆宜布置测点;(3)高度区间内测点数量不应少于3个。
4、监测频率(1)根据《建筑施工临时支撑结构技术规范》要求,位移监测频率不应少于每日1次,内力监测频率不得少于2小时一次。
(2)其他要求:支撑架变形观测共分三个阶段,频率为每天一次。
1)脚手架搭设好以及未上模板钢筋时;2)模板铺设完成以及钢筋绑扎完成时;3)在浇筑混凝土过程中应实时不间断观测。
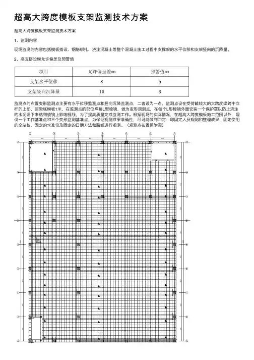
超⾼⼤跨度模板⽀架监测技术⽅案超⾼⼤跨度模板⽀架监测技术⽅案1、监测内容现场监测的内容包括模板搭设、钢筋绑扎、浇注混凝⼟等整个混凝⼟施⼯过程中⽀撑架的⽔平位移和⽀架竖向的沉降量。
2、⾼⽀搭设模允许偏差及预警值监测点的布置变形监测点主要有⽔平位移监测点和竖向沉降监测点,⼆者设为⼀点,监测点设在受荷截较⼤的⼤跨度梁跨中⽴杆的上部,距梁底模板1⽶,在监测点的部位焊接L型棱镜,做为变形观测点,在每个L形棱镜外⾯安装⼀个保护罩以防⽌浇注的⽔泥漏下来粘到棱镜上影响视线,为了提⾼质量完成监测⼯作。
根据现场的实际情况,在超⾼⼤跨度模板施⼯范围以外,埋设⼀个⼯作基准点和三个变形监测基准点,为保证观测成果准确性,尽可能做到四定:即固定⼈员观测和整理成果,固定使⽤的全站仪,固定的⽔准仪及固定的⽇期⽅法和路线进⾏观测。
(观测点布置见附图)沉降、位移监测点平⾯布置图3、监测时间混凝⼟浇注前观测⼆次,浇注时每隔30分钟观测⼀次,浇注完后前三天每天观测⼀次,第四天开始每三天观测⼀次,第⼗天开始每周观测⼀次,预计总观测时间为⼀个⽉。
4、超⾼⼤跨度模板模板⽀架重点监测措施本⼯程模板⽀撑架采⽤扣件式脚⼿架⽀撑体系,在搭设过程中必须随时监测。
本⽅案重点采取如下监测措施:1)、模板⽀架搭设前,由⼯长及安全员对所⽀撑的⼀层顶板进⾏检查,按规范底板混凝⼟强度达到施⼯强度时⽅可进⾏本模板⽀撑系统的施⼯,并要求待⾼⽀部分混凝⼟浇捣完毕后下层模板⽀撑⽅可拆除。
2)、模板⽀架搭设过程中,⼯长及安全员负责对⽀架搭设施⼯进⾏监测,确保⽀撑系统施⼯安全,检查、巡查重点要求如下:(1)、杆件的设置和连接、扫地杆、⽀撑、剪⼑撑等构件是否符合要求。
(2)、底板是否积⽔,底座是否松动,⽴杆是否符合要求。
(3)、连接扣件是否松动。
(4)、施⼯过程中是否有超载的现象。
(5)、脚⼿架架体和杆件是否有变形现象。
(6)、脚⼿架在承受六级⼤风或⼤暴⾬后必须进⾏全⾯检查。
3)、浇筑混凝⼟前必须检查⽀撑是否可靠、扣件是否松动。
高支模支架监测措施(一)高支撑模板支架重点监测措施本工程模板支撑架采用扣件式脚手架支撑体系,在搭设过程中必须随时监测。
本方案重点采取如下监测措施:(1)监测项目:支架沉降、位移和变形。
(2)监测点布设:按每10-15米设置检测剖面,每个检测剖面应布置不少于2个支架水平位移和变形监测点,3个支架沉降观测点。
必须使用经纬仪、水平仪等监测仪器进行监测,不得目测,监测仪器精度应满足现场监测要求,并设变形监测报警值。
(3)监测频率:在浇筑砼过程中应实施实时监测,一般监测频率不宜超过20〜30分钟一次。
在砼初凝前后及砼终凝前后也应实施实时监测,监测时间可根据现场实际情况进行调整。
监测时间应控制在高支模使用时间至砼终凝后。
扣件式钢管脚手架高支模搭设允许偏差及监测变形预警值(4)当监测数据超过表8-1预警值时必须立即停止浇筑砼,疏散人员,并进行加固处理。
1、模板支架搭设前,由工长及安全员对所支撑的地下室顶板进行检查,按规范底板混凝土强度达到施工强度时方可进行本模板支撑系统的施工,并要求待高支部分砼浇捣完毕后下层模板支撑方可拆除。
2、模板支架搭设过程中,工长及安全员负责对支架搭设施工进行监测,确保支撑系统施工安全,检查、巡查重点要求如下:(1)杆件的设置和连接、扫地杆、支撑、剪刀撑等构件是否符合要求。
(2)底板是否积水,底座是否松动,立杆是否符合要求。
(3)连接扣件是否松动。
(4)施工过程中是否有超载的现象。
(5)脚手架架体和杆件是否有变形现象。
(6)脚手架在承受六级大风或大暴雨后必须进行全面检查。
3、浇筑砼前必须检查支撑是否可靠、扣件是否松动。
浇筑砼时必须由模板支设班组设专人看模,随时检查支撑是否变形、松动,并组织及时恢复,在浇筑混凝土过程中应实施实时观测,一般监测频率不超过20-30分钟一次,浇筑完后不少于2小时一次。
4、现浇钢筋混凝土梁、板,当跨度大于4米时,模板应起拱;本工程模板统一按全跨长度的1/400起拱。
支模架监测措施一、监测的主要目的高大模板支撑系统在混凝土浇筑过程中和浇筑后一段时间内,由于受压可能发生一定的沉降和位移,如变化过大可能发生垮塌事故。
为及时反映高支模支撑系统的变化情况,预防事故的发生,需要对支撑系统进行沉降和位移监测。
二、监测控制采用经纬仪、水准仪对支撑体系进行监测,主要监测体系的水平、垂直位置是否有偏移。
三、监测点设置监测点以红色油漆标示三角形符号,画上刻度,且采用统一离地1.50m高程,设置在立杆之上,面朝监测方向。
支模架监测点布置应根据检测项目选取受力最大立杆、直接周边稳定性薄弱立杆或地基承载力低的立杆设置。
四、监测措施混凝土浇筑过程中,派安全员检查支架和支撑情况,发现下沉、松动、变形和水平位移情况的应及时解决。
监测项目:支架沉降和水平位移预警值、允许值:梁的支架沉降预警值取8mm,沉降允许值取10mm;梁的支架水平位移预警值取5mm,水平位移允许值取8mm。
五、监测说明①班组每日进行安全检查,项目部进行安全周检查,公司进行安全月检查;②模板工程日常检查重点部位:1) 杆件的设置和连接,连墙件、支撑,剪刀撑等构件是否符合要求;2) 连墙件是否松动;3) 架体是否有不均匀沉降,垂直度偏差;4) 施工过程中是否有超载现象;5) 安全防护措施是否符合规范要求;6) 支架与杆件是否有变形现象;六、监测频率监测从支模架开始搭设起,并重点在浇筑混凝土过程中应实时监测,一般监测频率不宜低于20~30分钟一次,在混凝土实凝前后及混凝土终凝前至混凝土7天龄期应实施实时监测,终凝后的监测频率为每天一次。
①本工程立杆监测预警值为10mm,立杆垂直偏差在24mm以内。
②监测数据超过预警值时必须立即停止浇筑混凝土,疏散人员,并及时进行加固处理。
高支模支架监测措施(一)高支撑模板支架重点监测措施本工程模板支撑架采用扣件式脚手架支撑体系,在搭设过程中必须随时监测。
本方案重点采取如下监测措施:(1)监测项目:支架沉降、位移和变形。
(2)监测点布设:按每10-15米设置检测剖面,每个检测剖面应布置不少于2个支架水平位移和变形监测点,3个支架沉降观测点。
必须使用经纬仪、水平仪等监测仪器进行监测,不得目测,监测仪器精度应满足现场监测要求,并设变形监测报警值。
(3)监测频率:在浇筑砼过程中应实施实时监测,一般监测频率不宜超过 20~30分钟一次。
在砼初凝前后及砼终凝前后也应实施实时监测,监测时间可根据现场实际情况进行调整。
监测时间应控制在高支模使用时间至砼终凝后。
扣件式钢管脚手架高支模搭设允许偏差及监测变形预警值(4)当监测数据超过表8-1预警值时必须立即停止浇筑砼,疏散人员,并进行加固处理。
1、模板支架搭设前,由工长及安全员对所支撑的地下室顶板进行检查,按规范底板混凝土强度达到施工强度时方可进行本模板支撑系统的施工,并要求待高支部分砼浇捣完毕后下层模板支撑方可拆除。
2、模板支架搭设过程中,工长及安全员负责对支架搭设施工进行监测,确保支撑系统施工安全,检查、巡查重点要求如下:(1)杆件的设置和连接、扫地杆、支撑、剪刀撑等构件是否符合要求。
(2)底板是否积水,底座是否松动,立杆是否符合要求。
(3)连接扣件是否松动。
(4)施工过程中是否有超载的现象。
(5)脚手架架体和杆件是否有变形现象。
(6)脚手架在承受六级大风或大暴雨后必须进行全面检查。
3、浇筑砼前必须检查支撑是否可靠、扣件是否松动。
浇筑砼时必须由模板支设班组设专人看模,随时检查支撑是否变形、松动,并组织及时恢复,在浇筑混凝土过程中应实施实时观测,一般监测频率不超过20-30分钟一次,浇筑完后不少于2小时一次。
4、现浇钢筋混凝土梁、板,当跨度大于4米时,模板应起拱;本工程模板统一按全跨长度的1/400起拱。
高支模监测实施方案一、前言。
高支模是建筑施工中常用的一种支撑结构,它承担着支撑混凝土浇筑和楼板施工的重要任务。
为了确保高支模的安全可靠使用,需要对其进行监测,及时发现问题并采取相应的措施。
因此,本文将介绍高支模监测的实施方案。
二、监测内容。
1. 垂直度监测。
高支模的垂直度是其稳定性和承载能力的重要指标,因此需要定期进行监测。
监测方法可以采用激光测距仪或水平仪进行,监测频率为每次施工前和施工后。
2. 支撑点监测。
支撑点是高支模的关键部位,需要进行定期的承载能力监测。
监测方法可以采用静载试验或者超声波检测,监测频率为每隔一定时间进行一次。
3. 材料监测。
高支模所使用的材料对其安全性和稳定性至关重要,因此需要对支模材料进行定期的抽样检测。
监测内容包括材料的强度、韧性等指标,监测频率为每批次材料到货前进行。
4. 环境监测。
施工环境对高支模的使用也有一定影响,因此需要对施工现场的环境进行监测。
监测内容包括温度、湿度等指标,监测频率为每天进行一次。
三、监测方案。
1. 监测计划制定。
在施工前,需要制定详细的监测计划,包括监测内容、监测方法、监测频率等。
监测计划应由专业人员编制,并经相关部门批准。
2. 监测设备准备。
在监测前,需要准备好相应的监测设备,确保设备的准确性和可靠性。
同时,需要对监测设备进行定期的维护和校准。
3. 监测人员培训。
监测工作需要专业的人员进行操作,因此需要对监测人员进行培训,确保其具备相关的监测技能和知识。
4. 监测记录和分析。
在监测过程中,需要对监测结果进行记录和分析,及时发现问题并采取相应的措施。
监测记录应详细、准确,便于后续的分析和总结。
四、监测措施。
1. 发现问题及时处理。
一旦发现高支模存在问题,需要立即停止使用,并采取相应的措施进行修复或更换,确保施工安全。
2. 提升管理水平。
加强对高支模的管理,健全相关的管理制度和流程,确保高支模的安全使用。
3. 定期检查维护。
定期对高支模进行检查和维护,及时发现问题并进行处理,延长高支模的使用寿命。
较大高支模工程监测监控措施1、监测目的为了确保模板支撑体系的安全和砼结构施工的顺利进行,掌握模板支撑体系在搭设、钢筋安装、砼浇捣过程中及砼终凝前后的受力与变形状况,确保模板支撑体系在各种施工工况及荷载的作用下,获得模板支撑体系的实际变形数据,起到对模板支撑体系实时监控,最终达到最佳安全状况。
2、影响因素本工程模板支架传力体系如下:上部荷载→梁或楼板底模→木楞→横向水平钢管→竖向钢管立杆→承载地基或结构层楼板。
在荷载作用下,木楞、水平横杆会产生弯曲变形,钢管立杆会产生竖向压缩变形。
一旦杆件变形过大,轻则对砼构件的质量产生影响(如标高不准确,平整度超过允许范围,甚至产生结构裂缝),重则使架体受力不均导致架体失稳坍塌,这要求杆件有足够的刚度来抵抗变形。
3、监测项目立杆顶水平位移、支架整体水平位移及立杆的基础沉降。
4、监测点设置支架监测点布设按监测项目分别选取在受力最大的立杆、支架周边稳定性薄弱的立杆及受力最大或地基承载力低的立杆设监测点。
监测点布置根据支架平面大小设置各不少于2个立杆顶水平位移、支架整体水平位移及立杆基础沉降监测点。
监测仪器精度满足现场监测要求,并设变形监测报警值5、监测措施(1)监测控制对支撑体系进行监测,主要监测体系的水平、垂直位置是否有偏移。
(2)监测措施混凝土浇筑过程中,派专人检查支架和支撑情况,发现下沉、松动、变形和水平位移情况的应及时解决。
(3)模板工程日常检查重点部位:1)杆件的设置和连接,连墙件、支撑,剪刀撑等构件是否符合要求;2)杆件是否松动;3)架体是否有不均匀沉降,垂直度偏差;4)施工过程中是否有超载现象;5)安全防护措施是否符合规范要求;6)支架与杆件是否有变形现象;(4)监测频率在浇筑混凝土过程中应实时监测,一般监测频率不宜超过20~30分钟一次,在混凝土终凝后的监测频率为每天一次。
6、监测频率在浇筑混凝土过程中应实时监测,一般监测频率不宜超过20—30分钟一次,在混凝土终凝后的监测频率为每天一次。
高支模施工监测方法
1、混凝土浇筑过程中,派专人检查支架和支撑情况,发现下沉、松动、变形和水平位移情况的应及时解决。
2、监测措施
(1)支撑的变形监测采用水准仪进行。
做法是:在首步的侧面标示出观测基准点,分别在支撑杆上标示观测点(位置在首层结构面上约1.5m处)。
在整个浇筑混凝土的过程中,安排专人在首层外围进行监测。
(2)模板工程日常检查重点部位:
1)杆件的设置和连接,连墙件、支撑,剪刀撑等构件是否符合要求;
2)连墙件是否松动;
3)架体是否有不均匀沉降,垂直度偏差;
4)施工过程中是否有超载现象;
5)安全防护措施是否符合规范要求;
6)支架与杆件是否有变形现象:
3、监测频率
在浇筑混凝土过程中应实时监测,间隔不得大于15min观测一次变形情况;待混凝土浇筑完成后至终凝前每隔30min观测一次;终凝后的监测频率为每天一次,连续观察7天。
(1)本工程立柱监测预警值为15mm,立柱垂直偏差≤18 mm,严禁偏心荷载。
(2)监测数据超过预警值时必须立即停止浇筑混凝土,疏散人员,并及时进行加固处理。
超高支模搭设允许偏差及监测变形允许值、预警值如下:
7、监测数据达到报警值时的处理方法
当监测数据接近或达到报警值时,必须立即停止超高支模上的施工作业,撤离作业人员,同时组织有关各方采取应急抢险措施。
高大模板支撑体系位移监测方法
梁板高支模采用扣件式钢管支撑体系,在搭设和钢筋安装、碎浇捣施工过程中,必须随时监测。
本方案采取如下监测措施:
1)班组日常进行安全检查,项目每周进行安全检查,分公司每月进行安全检查,所有安全检查记录必须形成书面材料。
2)日常检查、巡查重点部位:
①杆件的设置和连接、扫地杆、支撑、剪力撑等构件是否符合要求。
②底座是否松动,立杆是否符合要求。
③连接扣件是否松动。
④架体是否有不均匀的沉降,垂直度偏差是否超出规范要求。
⑤施工过程中是否有超载的现象。
⑥安全防护措施是否符合规范要求。
⑦脚手架体和脚手架杆件是否有变形的现象。
3)在浇捣高支模梁板碎前,由项目部对脚手架全面检查,合格后方可开始浇碎。
浇碎的过程中,由质检员、施工员对架体检查,随时观测架体变形。
发现隐患,立即停工整改,隐患消除后再施工。
4)高大模板施工过程中,施工单位进行监测,如有异常情况,及时上报。
①有项目部测量员在现场采用水平仪及经纬仪进行施工过程沉降和位移。
②监测点布置:在梁1/2跨的位置,每个监测剖面布设两个支顶位移测量点、三个支顶沉降观测点。
③监测频率:浇筑混凝土过程中实施监测,监测频率不超过30分钟一次。
监测时间从开始浇筑到混凝土初凝为止。
④变形监测预警值:支架垂直位移为IOmm,大梁支架水平位移为8mm,大梁支架沉降。
高支模支架监测措施(一)高支撑模板支架重点监测措施本工程模板支撑架采用扣件式脚手架支撑体系,在搭设过程中必须随时监测。
本方案重点采取如下监测措施:(1)监测项目:支架沉降、位移和变形。
(2)监测点布设:按每10-15米设置检测剖面,每个检测剖面应布置不少于2个支架水平位移和变形监测点,3个支架沉降观测点。
必须使用经纬仪、水平仪等监测仪器进行监测,不得目测,监测仪器精度应满足现场监测要求,并设变形监测报警值。
(3)监测频率:在浇筑砼过程中应实施实时监测,一般监测频率不宜超过20~30分钟一次。
在砼初凝前后及砼终凝前后也应实施实时监测,监测时间可根据现场实际情况进行调整。
监测时间应控制在高支模使用时间至砼终凝后。
扣件式钢管脚手架高支模搭设允许偏差及监测变形预警值(4)当监测数据超过表8-1预警值时必须立即停止浇筑砼,疏散人员,并进行加固处理。
1、模板支架搭设前,由工长及安全员对所支撑的地下室顶板进行检查,按规范底板混凝土强度达到施工强度时方可进行本模板支撑系统的施工,并要求待高支部分砼浇捣完毕后下层模板支撑方可拆除。
2、模板支架搭设过程中,工长及安全员负责对支架搭设施工进行监测,确保支撑系统施工安全,检查、巡查重点要求如下:(1)杆件的设置和连接、扫地杆、支撑、剪刀撑等构件是否符合要求。
(2)底板是否积水,底座是否松动,立杆是否符合要求。
(3)连接扣件是否松动。
(4)施工过程中是否有超载的现象。
(5)脚手架架体和杆件是否有变形现象。
(6)脚手架在承受六级大风或大暴雨后必须进行全面检查。
3、浇筑砼前必须检查支撑是否可靠、扣件是否松动。
浇筑砼时必须由模板支设班组设专人看模,随时检查支撑是否变形、松动,并组织及时恢复,在浇筑混凝土过程中应实施实时观测,一般监测频率不超过20-30分钟一次,浇筑完后不少于2小时一次。
4、现浇钢筋混凝土梁、板,当跨度大于4米时,模板应起拱;本工程模板统一按全跨长度的1/400起拱。
5、上层支架立杆是否与下层支架立杆对准,立杆底部是否铺设垫板。
6、模板支架立杆外侧周围是否按方案要求设置由下至上的竖向连续式剪刀撑。
7、立杆是否有搭接现象,立杆接长严禁搭接,必须采用对接扣件连接。
8、支架立杆成一定角度倾斜,或者支架立杆的顶表面倾斜式,是否有可靠措施确保支点稳定,支撑脚底是否有防滑移的可靠措施。
9、立杆接长严禁搭接,必须采用对接扣件连接,相邻两立杆的对接接头不得在同步内,且对接接头沿竖向错开的距离不宜小于500,各接头中心距主节点不宜大于步距的1/3。
10、高支架四周外侧和中间有结构柱的部位是否已按方案要求设置拉结点。
11、在浇捣梁板混凝土之前,必须由项目部组织对高支架进行全面检查,合格后方可进行浇筑,并且在混凝土浇筑过程中,项目技术负责人、质安员、施工员必须随时对高支架进行观测。
12、因高支架直接支撑在一层顶板上,故在高支架模板支撑架施工完毕至拆除高支撑架前,严禁拆除顶板的模板支撑,待高支撑架拆除完毕后方可拆除高支撑区一层的模板支撑;高支撑架的拆除按现场留置的同养试块达到拆除要求强度时,方可拆架。
(二)高支撑模板支架搭设时监测措施1、安装前应在楼面或地面弹出支撑架纵、横方向位置线,并进行抄平。
本工程高支架基础直接落在地下室顶板和楼面上。
2、支撑架的组装要求和顺序可参考外脚手架搭设中相应的规定。
3、顶托处应采取措施防止被砂浆、水泥浆等污物填塞螺纹。
4、满堂脚手架顶部施工操作层应满铺脚手板,并采取可靠连接方式与支撑架横梁固定。
5、搭设用的钢管规格、间距、扣件应符合设计要求,每根立杆底部应设置垫板或者垫木。
6、立杆底部的垫板应有足够的强度和支承面积,且应中心承载。
7、模板及其支架在安装过程中,必须设置有效的防倾覆临时固定设施。
(三)高支撑模板支架使用时监测措施1、脚手架使用过程中应避免产生偏心荷载。
泵送混凝土时,应随浇、随捣、随平整,混凝土不可堆在输送管道出口处,以免产生较大的堆积荷载,使架子偏心受荷;装卸其它物料时亦防止对模板支撑或脚手架产生偏心、振动和冲击。
2、水平加固杆、交叉支撑等不得随意拆卸,施工要求拆卸时,应待施工完毕后马上补齐。
3、模板支撑及满堂脚手架下方,施工人员不得经常出入。
4、穿着安全:现场操作人员不得赤脚、穿硬底鞋、拖鞋或高跟鞋,必须戴安全帽。
5、浇筑同时应控制混凝土出料时不成堆,泵管设置严禁与支撑架连接且不得与外架连接,泵管设置应另外进行加固以防碰到架体使架体变形失稳。
6、支撑架上堆料限制:支撑架的操作层应保持畅通,不得堆放超载的材料。
交通过道应有适当高度。
工作前应检查脚手架的牢固性和稳定性。
7、模板和支撑承载安全:模板在支撑系统未钉稳牢前不得上人;在未安装好的梁底板或平台上不得放重物或行走。
在安装好的模板上,不得堆放超载的材料和设备等。
8、恶劣天气限制:凡遇到恶劣天气,如大雨、大雾及6级以上的大风时,应停止露天高空作业。
风力达到5级时,不得进行大块模板和高支模板等大件模具的露天吊装和支撑作业。
(四)高支撑模板支架拆除时监测措施在高空拆模时。
作业区四周及进出口处应设围栏并加设明显标志和警示牌,严禁非操作人员进入作业区,垂直运输模板和其它材料时,应有统一指挥,统一信号。
混凝土在浇筑完成一些构件或一层结构之后,经过覆盖淋水养护之后,在混凝土具有相当强度时,为使模板能周转使用,就要对支撑的模板进行拆除。
拆模可分为两种情况:一种是在混凝土硬化后对模板无作用力的,如侧模板;一种是混凝土虽已硬化,但要拆除模板则其构件本身还不具备承担荷载的能力,那么,这种构件的模板不是随便就可以拆除的,如梁、板、楼梯等构件。
因此对混凝土支撑的模板,拆除要求:现浇结构的模板及其支架,要拆除时,其混凝土的强度应符合设计图纸上说明的要求;当设计上无具体要求时,应符合下列的规定:(1)侧模板如梁、柱、墙的侧模板,一般在混凝土强度能保证其表面及棱角不因拆模而受损坏时,方可拆除。
通常在常温时期(气温平均在10-250C),混凝土浇筑后24h即可拆模。
(2)梁、板等底模梁、板等底模则要求混凝土强度符合《混凝土结构工程施工质量验收规范》(GB50204-2002)要求,模板才可以拆除。
(3)悬挑模板拆除拆除楼板及梁底等横向结构模板时,应先将支架下降200-300㎜。
然后逐块拆除,严禁大片撬松垮落。
如先将支模架拆除,则必须在支好临时支撑后方可拆模。
在支拆挑檐的模板时,必须有可靠的安全措施。
(4)拆模操作安全拆除模板时,不得用力过猛或身体前倾,避免连人带板坠落,拆除高处部位的模板时,必须站稳在脚手架上操作,不得站在正在拆除的模板下面操作。
(5)所有构件拆模之前必须填写拆模申请表,待监理单位以及施工单位技术负责人同意签字后,方可拆模。
(6)预留孔洞封闭平台及楼板模板上的预留孔洞,应使用木板或安全网盖好或设围栏。
(7)操作者站立处规定模板和支模安拆时,指挥、挂卡环和拆环人员必须站在安全可靠的地方操作,严禁人员随模板起吊。
(8)用电和输送电路安全在模板上架设的电线和使用的电动工具,应采用36v的低压电源,或采取其它有效的安全措施。
在架空的高压输电线路下作业时,应停电作业或采取隔离防护措施。
(9)预防钉子伤人拆除的木模板,应将板上的朝天钉子向下,并及时运至堆放地点。
然后应拔除钉子再分类堆放整齐。
(10)拆卸吊运安全装拆组合模板时,上下应有人接应,模板及配件应随装拆随转运;严禁从高向下抛掷,已松动件必须拆卸完毕方可吊运。
高支模安全应急预案本高支模支撑系统作业危险源较多。
因此,有必要针对可能发生的危险源及伤害因素制定相应的安全技术措施加以控制,才能对安全施工起到保障作用。
(1)危险源:作业人员在各个部位施工,有可能造成高处坠落、模板坍塌,触电、机械伤害,物体打击和火灾。
(2)可能造成的伤害:高处坠落、物体打击、触电、模板坍塌等安全事故,可造成肢体伤残、劳动能力丧失、死亡。
(一)机构设置为对可能发生的事故能够快速反应、及时求援,项目部成立应急求援小组。
由项目经理唐波任组长,负责事故现场指挥,统筹安排全面工作。
具体安全管理机构如下图:高支模系统安全施工管理机构表5-1紧急求援电话: 120(二)人员职责及分工1、项目经理(第一安全责任人)XXX:负责高支模应急救援全面工作。
2、项目副经理(直接安全责任人)XXX:负责制定事故预防措施及相关部门人员的应急救援工作职责。
安排时间有针对性的应急救援应变演习,有计划区分任务,明确责任。
3、现场专职安全员:负责现场高支模施工的安全检查工作及现场应急救援的指挥工作,统一对人员,材料物资等资源的调配,并负责事故的上级汇报工作。
同时负责执行项目部下达的相关指令。
4、组员及各施工班组长:当发生紧急情况时,负责事故的汇报,并采取措施进行现场控制工作。
同时负责执行项目部下达的相关指令。
当发生紧急情况时。
立即启动应急救援预案并及时采取救援工作,尽快控制险情蔓延,必要时,报告分公司及公司甚至当地部门,取得政府及相关部门的帮助。
(三)应急救援工作程序1、报告(1)报告流程当事故发生时、按以下工作流程迅速报告:事故第一发发现人→现场值班人员→安全部→现场指挥组→坦背医院急诊科→公司经理及工作站。
(2)报告内容现场伤害事故发生时间、地点、伤亡和财产损失基本情况,可能产生的后果、性质、当前现场状况初步减少伤亡损失的应急措施。
(3)联系方式利用电话联系生产调度部门和安全部门值班人员,由值班人员按流程逐级报告。
总部:XXX 电话:技术部:XXX 电话:XX医院急诊科救护单位电话:2、联络(1)医疗救护组与区人民医院急诊科取得联系,报告事故地点人员伤亡情况,联系医务人员及救护车辆。
(2)抢救疏散组随时与急救中心保持联系,指挥疏散,小组派专人在路口引导救护车辆,以便顺利准确到达指定地点。
3、疏散(1)疏散组首先了解事故现场有无被困地点和抢救通道是否畅通。
(2)疏散组在极易造成拥挤疏散通道布置专人看护。
(3)疏散组派专人引导疏散至安全地带,并确认是否有人员未能脱离危险区,如存在立即进行施救。
(4)指挥组调派现场安全值班车辆到达事故现场待令,并联系施救所需设备、器具。
(四)救援方法高空坠落应急救援方法:现场只有1人时应大声呼救;2人以上时,应有1人或多人去打“120”急救电话及马上报告应急救救援领导小组抢救。
仔细观察伤员的神志是否清醒、是否昏迷、休克等现象,并尽可能了解伤员落地的身体着地部位,和着地部位的具体情况。
如果是头部着地,同时伴有呕吐、昏迷等症状,很可能是颅脑损伤,应该迅速送医院抢救。
如发现伤者耳朵、鼻子有血液流出,千万不能用手帕棉花或纱布去堵塞,以免造成颅内压增高或诱发细菌感染,会危及伤员的生命安全。
如果伤员腰、背、肩部先着地,有可能造成脊柱骨折,下肢瘫痪,这时不能随意翻动,搬动是要三个人同时同一方向将伤员平直抬于木板上,不能扭转脊柱,运送时要平稳,否则会加重伤情。