导线测量等级划分精度要求
- 格式:docx
- 大小:177.02 KB
- 文档页数:5
四级导线的精度指标导线的精度指标什么是四级导线四级导线是一种工程测量中常用的测量手段,它是由多根导线按照一定的规则连接而成的封闭四边形,用于测量平面内大地水准线的高度差。
四级导线的精度指标对于测量结果的准确性和可靠性非常关键。
四级导线的精度指标含义四级导线的精度指标主要包括两方面内容:误差限和等级。
误差限是指测量结果与真实值之间的允许误差范围,等级是指导线的准确度等级。
1. 误差限误差限是衡量四级导线精度的重要指标之一。
通常情况下,误差限是根据国家或地区的测量准确度要求来确定的。
较常用的误差限有:•0.1mm/m:高精度导线,适用于需要高精度测量的工程项目;•0.2mm/m:中精度导线,适用于一般工程测量;•0.5mm/m:低精度导线,适用于对测量精度要求不高的工程项目。
误差限的确定需要综合考虑测量任务的要求、设备条件和实际可操作性等因素。
2. 等级等级是指导线的准确度等级,也是评价导线精度的重要指标之一。
等级的确定一般参考国家或行业的相关标准,常见的等级有:•一等导线:精度高,适用于对测量精度要求较高的工程测量;•二等导线:精度较高,适用于一般工程测量;•三等导线:精度一般,适用于对测量精度要求不高的工程项目。
四级导线的测量方法四级导线的测量方法包括导线的布设、导线长度的测量和导线高程的测量,其中导线高程的测量是最为关键的。
1. 导线的布设导线的布设需要根据实际工程条件和需要考虑导线长度、方位角等因素。
布设时可以使用测量仪器进行精确定位,以确保导线的位置准确。
2. 导线长度的测量导线长度的测量使用测量仪器进行,常见的测量仪器有全站仪、电子测距仪等。
在测量过程中,需要注意使用仪器的正确方法,避免因使用不当而导致的误差。
3. 导线高程的测量导线高程的测量是四级导线测量中最为重要的一部分。
可以使用水准仪进行高程观测,通过观测导线两个端点的高程差,计算出导线的高程。
四级导线的应用领域四级导线广泛应用于各种工程测量中,包括建筑工程、道路工程、桥梁工程等。
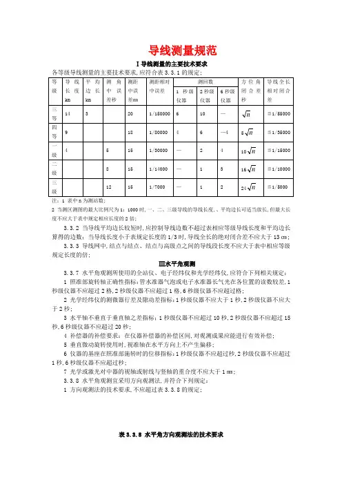
导线测量规范Ⅰ导线测量的主要技术要求各等级导线测量的主要技术要求,应符合表3.3.1的规定;注:1 表中n为测站数;2 当测区测图的最大比例尺为1:1000时,一、二、三级导线的导线长度,、平均边长可适当放长,但最大长度不应大于表中规定相应长度的2倍;3.3.2 当导线平均边长较短时,应控制导线边数不超过表相应等级导线长度和平均边长算得的边数;当导线长度小于表规定长度的1/3时,导线全长的绝对闭合差不应大于13㎝;3.3.3 导线网中,结点与结点、结点与高级点之间的导线段长度不应大于表中相应等级规定长度的倍;Ⅲ水平角观测3.3.7 水平角观测所使用的全站仪、电子经纬仪和光学经纬仪,应符合下列相关规定:1 照准部旋转轴正确性指标:管水准器气泡或电子水准器长气光在各位置的读数较差,1秒级仪器不应超过2格,2秒级仪器不应超过1格,6秒级仪器不应超过格;2 光学经纬仪的测微器行差及隙动差指标:1秒级仪器不应大于1秒,2秒级仪器不应大于2秒;3 水平轴不垂直于垂直轴之差指标;1秒级仪器不应超过10秒,2秒级仪器不应超过15秒,6秒级仪器不应超过20秒;4 补偿器的补偿要求:在仪器补偿器的补偿区间,对观测成果应能进行有效补偿;5 垂直微动旋转使用时,视准轴在水平方向上不产生偏移;6 仪器的基座在照准部施转时的位移指标:1秒级仪器不应超过秒,2秒级仪器不应超过1秒,6秒级仪器不应超过秒;7 光学或激光对中器的视轴或射线与竖轴的重合度不应大于1㎜;3.3.8 水平角观测宜采用方向观测法,并符合下列规定:1 方向观测法的技术要求,不应超过表3.3.8的规定;表3.3.8 水平角方向观测法的技术要求注;1 全站仪、电子经纬仪水平角观测时不受光学测微器两次重合读数之差指标的限制;2 当观测方向的垂直角超过±30的范围时,该方向2C互差可按相邻测回同方向进行比较,其值应满足表中一测回内2C互差的限值;2 当观测方向不多于3个时,可不归零;3 当观测方向多于6个时,可进行分组观测;分组观测应包括两个共同方向其中一个为共同零方向;其两组观测角之差,不应大于同等级测角中误差的2倍;分组观测的最后结果,应按等权分组观测进行测站平差;4 各测回间应配置度盘;度盘配置应符合附录C的规定;5 水平角的观测值应取各测回的平均数作为测站成果;3.3.9 三、四等导线的水平角观测,当测站只有两个方向时,应在观测总测回中以奇数测回的度盘位置观测导线前进方向的左角,以偶数测回的度盘位置观测导线前进方向右角;左右角的测回数为总测回数的一半;但在观测右角时,应以左角起始方向为准变换度盘位置,也可用起始方向的度盘位置加上左角的概值在前进方向配置度盘;左角平均值与右角平均值之和与3600之差,不应大于本规范表3.3.1中相应等级导线测角中误差的2倍;3.3.10 水平角观测的测站作业,应符合下列规定:1 仪器或反光镜的对中误差不应大于2mm;2 水平角观测过程中,气泡中心位置偏离整置中心不宜超过1格;四等及以上等级的水平角观测,当观测方向的垂直角超过±30的范围时,宜在测回间重新整置气泡位置;有垂直轴补偿器的仪器,可不受此款限制;3 如受外界因素如地震的影响,仪器的补偿器无法正常工作或超出补偿器的补偿范围时,应停止观测;4 当测站或照准目标偏心时,应在水平角观测前或观测后测定归心元素;测定时,投影示误三角形的最长边,对于标石、`仪器中心的`投影不应大于5mm,对于照准标志中心的投影不应大于10mm;投影完毕后,除标石外,其他各投影中心均应描绘两个观测方向;角度元素应量至15秒,长度元素应量至1mm;3.3.11 水平角观测误差超限时,应在原来度盘位置上重测,并应符合下列规定:1 一测回内2C互差或同一方向值各测回较差超限时,应重测超限方向,并联测零方向;2 下半测回归零差或零方向的2C互差超限时,应重测该测回;3 若一测回中重测方向数超过总方向数的1/3时,应重测该测回;当重测的测回数超过总测回数的1/3时,应重测该站;3.3.12 首级控制网所联测的已知方向的水平角观测,应按首级网相应等级的规定执行;3.3.13 每日观测结束,应对外业记录手簿进行检查,当使用电子记录时,应保存原始观测数据,打印输出相关数据和预先设置的各项限差;Ⅳ距离测量3.3.14 级及以上等级控制网的边工,应采用中、短程全站仪或电磁波测距仪测距,一组以下也可采用普通钢尺量距;3.3.15 本规范对中、短程测距仪器的划分,短程为3km以下,中程为3~15km;3.3.16 测距仪器的标称精度,按式表示;m D = a+b×D 3.3.16式中,m D—测距中误差㎜a—标称精度中的固定误差㎜b—标称精度中的比例误差系数㎜/kmD—测距长度km3.3.17 测距仪器及相关的气象仪表,应及时校验;当在高海拔地区使用空盒气压表时,宜选当地气象台站校准;3.3.18 各等级控制网边长测距的主要技术要求,应符合表的规定;表3.3.18 测距的主要技术要求注;1 测回是指照准目标一次,读数2~4次的过程;2 困难情况下,边长测距可采取不同时间段测量代替往返观测;3.3.19 测距作业,应符合下列规定:1 测站对中误差不应大于2㎜;2 当观测数据超限时,应重测整个测回,如观测数据出现分群时,应分析原因,采取相应措施重新观测;3 四等及以上等级控制网的边长测量,应分别量取两端点观测始末的气象数据,计算时应取平均值;4 测量气象元素的温度计宜采用通风干湿温度计,气压表宜选用高原型空盒气压表;读数前应将温度计悬挂在离开地面和人体 1.5m以外阳光不能直射的地方,且读数精确至0.2℃;气压表应置平,指针不应滞阻,且读数精确至50Pa;5 当测距边用电磁波测距三角高程测量方法测定的高差进行修正时,垂直角的观测和对向观测高差较差要求,可按本规范第4.3.2和和条中五等电磁波测距三角高程测量的有关规定放宽1倍执行;3.3.20 每日观测结束,应对外业记录进行检查;当使用电子记录时,应保存原始观测数据,打印输出相关数据和预先设置的各项限差;全站仪原始记录:测站点号,仪器高,气温、气压前后视点号,及其棱镜高、盘左和盘右水平角度、盘左和盘右天顶距或垂直角、盘左和盘右斜距;每个测站一个测回的测量记录顺序:1.测站点号,仪器高,气温气压2.后视点号,棱镜高,盘左水平角,盘左天顶距,盘左斜距3.前视点号,棱镜高,盘左水平角,盘左天顶距,盘左斜距4.前视点号,棱镜高,盘右水平角,盘右天顶距,盘右斜距5.后视点号,棱镜高,盘右水平角,盘右天顶距,盘右斜距6.计算前后视水平角的二倍照准差,计算前后视天顶距二倍指标差,并检查是否超限;。
导线测量规范(Ⅰ)导线测量的主要技术要求各等级导线测量的主要技术要求,应符合表3.3.1的规定。
注:1 表中n为测站数。
2 当测区测图的最大比例尺为1:1000时,一、二、三级导线的导线长度,、平均边长可适当放长,但最大长度不应大于表中规定相应长度的2倍。
3.3.2 当导线平均边长较短时,应控制导线边数不超过表3、3、1相应等级导线长度与平均边长算得的边数;当导线长度小于表3、3、1规定长度的1/3时,导线全长的绝对闭合差不应大于13㎝。
3.3.3 导线网中,结点与结点、结点与高级点之间的导线段长度不应大于表3、3、1中相应等级规定长度的0、7倍。
(Ⅲ)水平角观测3.3.7 水平角观测所使用的全站仪、电子经纬仪与光学经纬仪,应符合下列相关规定:1 照准部旋转轴正确性指标:管水准器气泡或电子水准器长气光在各位置的读数较差,1秒级仪器不应超过2格,2秒级仪器不应超过1格,6秒级仪器不应超过1、5格。
2 光学经纬仪的测微器行差及隙动差指标:1秒级仪器不应大于1秒,2秒级仪器不应大于2秒。
3 水平轴不垂直于垂直轴之差指标;1秒级仪器不应超过10秒,2秒级仪器不应超过15秒,6秒级仪器不应超过20秒。
4 补偿器的补偿要求:在仪器补偿器的补偿区间,对观测成果应能进行有效补偿。
5 垂直微动旋转使用时,视准轴在水平方向上不产生偏移。
6 仪器的基座在照准部施转时的位移指标:1秒级仪器不应超过0、3秒,2秒级仪器不应超过1秒,6秒级仪器不应超过1、5秒。
7 光学(或激光)对中器的视轴(或射线)与竖轴的重合度不应大于1㎜。
3.3.8 水平角观测宜采用方向观测法,并符合下列规定:1 方向观测法的技术要求,不应超过表3.3.8的规定。
表3.3.8水平角方向观测法的技术要求注;1 全站仪、电子经纬仪水平角观测时不受光学测微器两次重合读数之差指标的限制。
2 当观测方向的垂直角超过±30的范围时,该方向2C互差可按相邻测回同方向进行比较,其值应满足表中一测回内2C互差的限值。
衡量导线测量精度的指标导言在电力系统中,导线测量是一项非常重要的工作,它用于确定导线的位置和长度,以确保电力系统的安全运行。
然而,由于各种因素的影响,导线测量存在一定的误差。
因此,衡量导线测量精度的指标对于评估测量结果的准确性和可靠性至关重要。
1. 导线测量精度导线测量精度是指实际测得的导线位置和长度与其真实值之间的偏差程度。
它是衡量导线测量准确性和可靠性的关键指标。
通常情况下,导线测量精度可以通过以下两个方面来评估:1.1 偏差偏差是指实际测得值与真实值之间存在的差异。
在导线测量中,偏差可以分为绝对偏差和相对偏差两种形式。
1.1.1 绝对偏差绝对偏差是指实际测得值与真实值之间的数值差异。
它可以通过计算每个样本点或整体样本点集合上所有数据点之间的平均绝对偏差来衡量。
1.1.2 相对偏差相对偏差是指实际测得值与真实值之间的相对差异。
它可以通过计算每个样本点或整体样本点集合上所有数据点之间的平均相对偏差来衡量。
1.2 精度等级精度等级是指导线测量结果的准确性和可靠性的分类标准。
通常情况下,导线测量精度等级可以根据国家或行业标准进行划分,并根据不同等级的要求来评估导线测量结果。
2. 影响导线测量精度的因素导线测量精度受到多种因素的影响,这些因素包括但不限于以下几个方面:2.1 测距仪器误差测距仪器误差是指由于仪器本身设计、制造、使用等方面存在的误差。
这些误差可能包括系统误差、随机误差和仪器固有误差等。
2.2 环境条件环境条件是指导线测量过程中存在的各种外部条件,如天气、温度、湿度、地形等。
这些因素可能会对导线测量结果产生影响,从而影响导线测量精度。
2.3 人为因素人为因素是指导线测量操作中人员的技术水平、经验和操作规范等方面的影响。
不同的人员在导线测量过程中可能存在差异,从而对导线测量结果产生影响。
2.4 数据处理方法数据处理方法是指将实际测得的数据进行处理和分析的方法。
不同的数据处理方法可能会对导线测量结果产生影响,从而影响导线测量精度。
导线测量规范做好每一个测点的标记工作。
标记的类型因地质的不同而不同。
部分类型如下:(a)坚硬的土地标识应由30平方厘米和一米长的混凝土柱组成,安置于地下75厘米处,中心还应由直径为4厘米、长度为1.5—2米的铁管加固。
混凝土柱是由沙子或沙子、橡胶和水泥的混合物按5:1的比例混合而成。
铁管必须与混凝土柱的表面保持齐平,并在顶部一英尺处,用小石头和小圆石灌实。
在最顶部,用水泥泥浆填充,中心标志用0.22口径的弹壳或铜螺钉制作。
混凝土柱的表层应抛光摩平,以易于鉴别数字和字母。
(b)软土地放置底标和顶标,共同组成点标志。
底标是由直径为30厘米、深度至少为15厘米的混凝土块组成,置于……(第三页下端少一行),固定铜螺钉作为中心标志。
顶标表层不应低于地面75厘米深。
顶标是由30平方厘米的预制混凝土柱制成,中心为软钢,钢筋垂直于底标。
底标在顶标安置前,覆盖10厘米厚的沙子。
见图表所示。
(c)坚硬的岩石在岩石上垂直钻一个深度为30厘米的洞,然后将一根长度为46厘米直径为5厘米的管子插入洞内,露出岩石面16厘米处。
将水泥泥浆灌注到洞内,捣实,以固定中间的管子。
然后,用水泥泥浆填充至管子边缘,再插入0.22铜螺钉作为中央标志。
洞口周围的岩石表面出现裂痕,宜为水泥图章提供相应承载力。
管应与图章表面保持齐平,识别的标志印在水泥图章的上面。
2.3.1 (c)参考标点对于每一根混凝土柱,附近除了有明显的指向标志外,还应仔细描述至少3个参考标识。
参考标点可用15平方厘米,长60厘米的支柱及与上述标志相同的材料制作。
参考标点应选择良好的角度,其距离应控制在30米范围内,并可供经纬仪聚焦。
2.3.2标识的数量见“测量标识列举和分类”标识以字母P作为后缀连续排列,前缀为各地籍测量的英文单词第一个字母拼成。
例如:LCS 4P也就是:拉各斯地籍测量第4标志。
3. 地形观测3.1 角位观测水平角度的测量需用大地经纬仪,角度至少是0.5’’。
导线测量等级划分及精度要求导线及导线网按精度等级划分为三、四等和一、二、三级。
导线测量主要技术要求如下表所示:注:上述表中n表示测站数。
不同精度的全站仪测回数要求如下表所示:注:上述表中n表示测站数。
当测区测图的最大比例尺为1:1000 时,一、二、三级导线的平均边长及总长可适当放长,但最大长度不应大于表中规定长度的2倍。
当导线平均边长较短时,应控制导线边数,但不得超过上述表中相应等级导线长度和平均边长算得的边数;当导线长度小于上述表中规定长度的1/3 时,导线全长的绝对闭合差不应大于13cm。
导线网中,结点与结点、结点与高级点之间的导线长度不应大于上述表中相应等级规定长度的0.7倍。
导线网的布设应符合下列要求:1 导线网用作测区的首级控制时,应布设成环形网或多边形网,宜联测2 个已知方向。
2 加密网可采用单一附合导线或多结点导线网形式;3 导线宜布设成直伸形状,相邻边长不宜相差过大;4 网内不同线路上的点也不宜相距过近。
控制点点位的选定,应符合下列要求:1 点位应选在质地坚硬、稳固可靠、便于保存的地方,视野应相对开阔,便于加密、扩展和寻找;2 相邻点之间应通视良好,其视线距障碍物的距离,三、四等不宜小于1.5m;四等以下宜保证便于观测,以不受旁折光的影响为原则;3 当采用电磁波测距时,相邻点之间视线应避开烟囱、散热塔、散热池等发热体及强电磁场;4 相邻两点之间的视线倾角不宜太大;5 充分利用旧有控制点。
水平角观测所使用的全站仪、电子经纬仪和光学经纬仪,应符合下列相关规定:(1) 照准部旋转轴正确性指标:管水准器气泡或电子水准器长气泡在各位置的读数较差,1″级仪器不应超过2 格,2″级仪器不应超过1 格,6″级仪器不应超过1.5格;(2) 光学经纬仪的测微器行差及隙动差指标:1″级仪器不应大于1″,2″级仪器不应大于2″;(3) 水平轴不垂直于垂直轴之差指标:1″级仪器不应超过10″,2″级仪器不应超过15″,6″级仪器不应超过20″;(4) 补偿器的补偿要求,在仪器补偿器的补偿区间,对观测成果应能进行有效补偿。
导线测量规范(Ⅰ)导线测量的主要技术要求各等级导线测量的主要技术要求,应符合表3.3.1的规定。
注:1 表中n为测站数。
2 当测区测图的最大比例尺为1:1000时,一、二、三级导线的导线长度,、平均边长可适当放长,但最大长度不应大于表中规定相应长度的2倍。
3.3.2 当导线平均边长较短时,应控制导线边数不超过表3.3.1相应等级导线长度和平均边长算得的边数;当导线长度小于表3.3.1规定长度的1/3时,导线全长的绝对闭合差不应大于13㎝。
3.3.3 导线网中,结点与结点、结点与高级点之间的导线段长度不应大于表3.3.1中相应等级规定长度的0.7倍。
(Ⅲ)水平角观测3.3.7 水平角观测所使用的全站仪、电子经纬仪和光学经纬仪,应符合下列相关规定:1 照准部旋转轴正确性指标:管水准器气泡或电子水准器长气光在各位置的读数较差,1秒级仪器不应超过2格,2秒级仪器不应超过1格,6秒级仪器不应超过1.5格。
2 光学经纬仪的测微器行差及隙动差指标:1秒级仪器不应大于1秒,2秒级仪器不应大于2秒。
3 水平轴不垂直于垂直轴之差指标;1秒级仪器不应超过10秒,2秒级仪器不应超过15秒,6秒级仪器不应超过20秒。
4 补偿器的补偿要求:在仪器补偿器的补偿区间,对观测成果应能进行有效补偿。
5 垂直微动旋转使用时,视准轴在水平方向上不产生偏移。
6 仪器的基座在照准部施转时的位移指标:1秒级仪器不应超过0.3秒,2秒级仪器不应超过1秒,6秒级仪器不应超过1.5秒。
7 光学(或激光)对中器的视轴(或射线)与竖轴的重合度不应大于1㎜。
3.3.8 水平角观测宜采用方向观测法,并符合下列规定:1 方向观测法的技术要求,不应超过表3.3.8的规定。
表3.3.8水平角方向观测法的技术要求注;1 全站仪、电子经纬仪水平角观测时不受光学测微器两次重合读数之差指标的限制。
2 当观测方向的垂直角超过±30的范围时,该方向2C互差可按相邻测回同方向进行比较,其值应满足表中一测回内2C互差的限值。
导线测量规范Ⅰ导线测量的主要技术要求各等级导线测量的主要导线测量是一种用于测量导线长度和导线位置的技术手段,广泛应用于建筑、电力、通信等领域。
导线测量的主要技术要求包括测量精度、测量方法、测量仪器、影响测量精度的因素等。
在不同的等级导线测量中,还有一些特定的技术要求。
一、测量精度导线测量的首要要求是要求准确、可靠、可重复。
测量精度通常受到仪器精度和环境因素的影响。
因此,要选择适当的测量仪器,并提供合适的环境条件,确保测量结果的准确性。
二、测量方法导线测量有多种方法,包括直测法、差测法、反向测量法等。
不同的方法适用于不同的测量任务。
在测量过程中,要根据需要选择合适的测量方法,并进行相应的校准和修正。
三、测量仪器导线测量通常使用的仪器包括全站仪、平板仪、测量带等。
测量仪器的选择应根据测量任务的要求,选择精度高、功能全面的仪器。
在使用仪器时,要进行仪器的校准和定期检查,确保测量结果的准确性。
四、影响测量精度的因素导线测量的精度受到多种因素的影响,包括气象条件、地形条件、测量方法、仪器精度等。
在进行导线测量时,要充分考虑这些因素,进行相应的修正和校正,提高测量精度。
五、不同等级导线的特定要求不同等级的导线测量有一些特定的要求。
例如,在高精度导线测量中,要求使用高精度的仪器和测量方法,进行多次测量并取平均值,以提高测量精度。
而在一般等级导线测量中,要求采用较为简便的测量方法和仪器,考虑测量精度和测量成本的平衡。
综上所述,导线测量的主要技术要求包括测量精度、测量方法、测量仪器、影响测量精度的因素等。
在不同等级导线测量中,还有一些特定的要求。
通过合理选择测量方法和仪器,并进行相应的修正和校正,可以确保导线测量的准确性和可靠性。
四等导线测量规范四等导线是一种用于测量电阻的测量仪器。
在进行电阻测量时,需要严格遵守一定的测量规范,以保证测量结果的准确性和可靠性。
以下是四等导线测量规范的一些要点:1. 导线准备:为了保证测量精度,应选用电阻稳定、良好导电性能的铜制导线,并确保导线的长度、截面积和导线电阻都符合要求。
2. 导线长度限制:为了减小导线电阻对测量结果的影响,导线长度应尽量缩短,一般不超过10米。
3. 导线连接:导线连接应牢固可靠,接触面积应大,并且应保持导线之间的接触良好。
同时,应避免因接触不良或接触面积过小而引起测量误差。
4. 导线布置:导线的布置应尽量避免与其他电源线、信号线等产生干扰,避免磁场、电场等外界因素对测量结果的干扰。
5. 温度校正:考虑到导线电阻对温度的敏感性,四等导线在进行测量前,应进行温度校正。
在测量时,应记录环境温度,并根据温度系数进行修正。
6. 零位校正:在进行测量前,应进行零位校正。
即在测量仪器的导线接口前短路导线,将测量仪器的读数调整为零。
7. 测量仪器:选择合适的测量仪器进行四等导线测量。
常见的测量仪器有多用电表、标准电阻箱等。
在使用测量仪器时,要确保其测量范围和精度满足需求,并保持仪器的正常工作状态。
8. 多次测量:为了提高测量的准确性,建议进行多次测量,然后取平均值作为最终的测量结果。
在进行多次测量时,应确保测量条件基本一致。
总之,四等导线测量是一项重要的电阻测量方法,通过合理使用和操作导线,选择适当的测量仪器,并遵循测量规范,可以保证测量结果的准确性和可靠性。
在具体的测量操作中,还应根据具体情况进行相应的调整和修正,以确保测量的准确性。
导线测量精度要求首先,导线测量的准确度通常采用误差限和相对误差两种方式来表示。
误差限是指测量结果与实际值之间允许的最大偏差,通常以公称值的一定百分比表示。
相对误差是指测量结果与实际值之间的比值,通常以百分数表示。
对于导线测量来说,常见的准确度要求如下:1.直径、截面积和长度的测量精度要求较高,通常要求误差限在0.5%以下。
2.电阻的测量精度要求也较高,通常要求误差限在1%以下。
3. 电阻温度系数的测量精度要求较高,通常要求误差限在10 ppm/℃以下。
其次,导线测量精度还受到测量仪器性能的影响。
测量仪器的分辨率、灵敏度和稳定性是影响测量精度的主要因素。
常见的导线测量仪器包括电阻表、导线测量仪以及显微镜等。
这些仪器的性能参数要求如下:1.电阻表的分辨率应达到导线长度的1/1000,通常要求为0.1mΩ。
2.导线测量仪的分辨率要求以实际测量长度的1/1000为准。
3.显微镜的放大倍数要求以达到能够分辨导线细微变化的程度。
最后,导线测量精度还受到测量环境的条件的影响。
温度、湿度和电磁干扰都会对导线测量的精度产生影响。
为了提高测量精度,常采取以下措施:1.在恒定的温度和湿度条件下进行测量,通常要求温度误差限在0.01℃以下,湿度误差限在1%以下。
2.防止电磁干扰,采用屏蔽措施或者提高仪器的抗干扰能力。
3.校准测量仪器,确保仪器的准确性和稳定性。
总之,导线测量精度的要求是根据测量目的、测量仪器性能以及测量环境条件来确定的。
在实际测量中,需要根据具体情况进行合理的测量,以提高测量精度并减小误差。
通过精确测量可以保证导线质量的可靠性和稳定性,对各种电气设备和电路的正常运行起到重要作用。
3.3 导线测量3.3.1 导线控制网可布设成附合导线、闭合导线或导线网。
3.3.2 各等级导线测量的主要技术要求应符合表3.3.2的规定。
表3.3.2 导线测量的技术要求等级测距相对中误差测角中误差(″)导线全长相对闭合差方位角闭合差(″)测回数0.5″级仪器1″级仪器2″级仪器6″级仪器二等1/250000 1 1/100 000怎么(杨)±2.0n 6 9 - -三等1/150000 1.8 1/55000±3.6n 4 6 10 -四等1/80000 2.5 1/40000±5n 3 4 6 -一级1/40000 4 1/20000±8n- 2 2 -二级1/150008 1/10000±16n- - 1 3注:表中n为测站数,D为测距边长,以千米计。
3.3.3 导线相邻边长不宜相差过大,相邻边长之比不宜小于1:3。
3.3.4 水平角观测所使用的仪器应在有效检定期内,作业前应按附录B的规定进行必要的检校,仪器性能应符合附录B的规定。
3.3.5 水平角观测宜采用方向观测法,并符合下列规定:1 水平角方向观测法的主要技术要求应符合表3.3.5的规定。
表3.3.5 水平角方向观测法的技术要求等级仪器等级半测回归零差(″)同方向测回间2c互差(″)同一方向值各测回互差(″)四等及以上0.5″级仪器 4 6 4 1″级仪器 6 9 6 2″级仪器8 13 9一级及以下2″级仪器12 18 12 6″级仪器18 - 24注:当观测方向的垂直角超过±3°的范围时,该方向2C互差可按相邻测回同方向进行比较,其值应满足表中一测回内2C互差的限值。
2 当观测方向数少于3个时,可不归零。
3 当观测方向多于6个时,可进行分组观测。
平面控制桩二级导线精度要求
平面控制桩二级导线精度要求如下:
导线闭合差:±4√n N (当导线总长为 n 公里时)。
测角中误差:±12″。
方位角闭合差:±5√n N (当导线总长为 n 公里时)。
坐标差:±2√n N (当导线总长为 n 公里时)。
此外,对于平面控制桩,一级、二级和三级导线测量的精度要求如下:
一级导线测量精度要求:测角中误差±5″,边长相对中误差1/3000,方位角闭合差±10√n N(当导线总长为 n 公里时)。
二级导线测量精度要求:测角中误差±10″,边长相对中误差1/1000,方位角闭合差±20√n N(当导线总长为 n 公里时)。
三级导线测量精度要求:测角中误差±15″,边长相对中误差1/500,方位角闭合差±30√n N(当导线总长为 n 公里时)。
以上信息仅供参考,具体的精度要求需要根据相关标准和项目要求来确定。
导线测量规范Ⅰ导线测量的主要技术要求各等级导线测量的主要Document serial number【NL89WT-NY98YT-NC8CB-NNUUT-NUT108】导线测量规范(Ⅰ)导线测量的主要技术要求注:1 表中n为测站数。
2 当测区测图的最大比例尺为1:1000时,一、二、三级导线的导线长度,、平均边长可适当放长,但最大长度不应大于表中规定相应长度的2倍。
3.3.2 当导线平均边长较短时,应控制导线边数不超过表相应等级导线长度和平均边长算得的边数;当导线长度小于表规定长度的1/3时,导线全长的绝对闭合差不应大于13㎝。
3.3.3 导线网中,结点与结点、结点与高级点之间的导线段长度不应大于表中相应等级规定长度的倍。
(Ⅲ)水平角观测3.3.7 水平角观测所使用的全站仪、电子经纬仪和光学经纬仪,应符合下列相关规定:1 照准部旋转轴正确性指标:管水准器气泡或电子水准器长气光在各位置的读数较差,1秒级仪器不应超过2格,2秒级仪器不应超过1格,6秒级仪器不应超过格。
2 光学经纬仪的测微器行差及隙动差指标:1秒级仪器不应大于1秒,2秒级仪器不应大于2秒。
3 水平轴不垂直于垂直轴之差指标;1秒级仪器不应超过10秒,2秒级仪器不应超过15秒,6秒级仪器不应超过20秒。
4 补偿器的补偿要求:在仪器补偿器的补偿区间,对观测成果应能进行有效补偿。
5 垂直微动旋转使用时,视准轴在水平方向上不产生偏移。
6 仪器的基座在照准部施转时的位移指标:1秒级仪器不应超过秒,2秒级仪器不应超过1秒,6秒级仪器不应超过秒。
7 光学(或激光)对中器的视轴(或射线)与竖轴的重合度不应大于1㎜。
3.3.8 水平角观测宜采用方向观测法,并符合下列规定:1 方向观测法的技术要求,不应超过表3.3.8的规定。
注;1 全站仪、电子经纬仪水平角观测时不受光学测微器两次重合读数之差指标的限制。
2 当观测方向的垂直角超过±30的范围时,该方向2C互差可按相邻测回同方向进行比较,其值应满足表中一测回内2C互差的限值。
导线测量规范(I)导线测量的主要技术要求各等级导线测量的主要技术要求,应符合表3.3.1的规定。
2当测区测图的最大比例尺为1 : 1000时,一、二、三级导线的导线长度,、平均边长可适当放长,但最大长度不应大于表中规定相应长度的2倍。
332当导线平均边长较短时,应控制导线边数不超过表 3.3.1相应等级导线长度和平均边长算得的边数;当导线长度小于表 3.3.1规定长度的1/3时,导线全长的绝对闭合差不应大于13 cm o3.3.3导线网中,结点与结点、结点与高级点之间的导线段长度不应大于表331中相应等级规定长度的0.7倍。
(川)水平角观测3.3.7水平角观测所使用的全站仪、电子经纬仪和光学经纬仪,应符合下列相关规定:1照准部旋转轴正确性指标:管水准器气泡或电子水准器长气光在各位置的读数较差,1秒级仪器不应超过2格,2秒级仪器不应超过1格,6秒级仪器不应超过1.5格。
2光学经纬仪的测微器行差及隙动差指标:1秒级仪器不应大于1秒,2秒级仪器不应大于2秒。
3水平轴不垂直于垂直轴之差指标;1秒级仪器不应超过10秒,2秒级仪器不应超过15秒,6秒级仪器不应超过20秒。
4补偿器的补偿要求:在仪器补偿器的补偿区间,对观测成果应能进行有效补偿。
5垂直微动旋转使用时,视准轴在水平方向上不产生偏移。
6仪器的基座在照准部施转时的位移指标:1秒级仪器不应超过0.3秒,2秒级仪器不应超过1秒,6秒级仪器不应超过 1.5秒。
7光学(或激光)对中器的视轴(或射线)与竖轴的重合度不应大于1伽。
3.3.8水平角观测宜采用方向观测法,并符合下列规定:1方向观测法的技术要求,不应超过表 3.3.8的规定。
注;1全站仪、电子经纬仪水平角观测时不受光学测微器两次重合读数之差指标的限制。
2当观测方向的垂直角超过土3°的范围时,该方向2C互差可按相邻测回同方向进行比较,其值应满足表中一测回内2C互差的限值。
2当观测方向不多于3个时,可不归零。
导线测量等级划分精度要求————————————————————————————————作者:————————————————————————————————日期:导线及导线网按精度等级划分为三、四等和一、二、三级。
导线测量主要技术要求如下表所示:ﻫﻫ注:上述表中n表示测站数。
不同精度的全站仪测回数要求如下表所示:注:上述表中n表示测站数。
当测区测图的最大比例尺为1:1000 时,一、二、三级导线的平均边长及总长可适当放长,但最大长度不应大于表中规定长度的2倍。
ﻫ当导线平均边长较短时,应控制导线边数,但不得超过上述表中相应等级导线长度和平均边长算得的边数;当导线长度小于上述表中规定长度的1/3 时,导线全长的绝对闭合差不应大于13cm。
导线网中,结点与结点、结点与高级点之间的导线长度不应大于上述表中相应等级规定长度的0.7倍。
导线网的布设应符合下列要求:1 导线网用作测区的首级控制时,应布设成环形网或多边形网,宜联测2加密网可采用单一附合导线或多结点导线网形式;2 个已知方向。
ﻫﻫ3导线宜布设成直伸形状,相邻边长不宜相差过大;ﻫ4网内不同线路上的点也不宜相距过近。
控制点点位的选定,应符合下列要求:ﻫ1点位应选在质地坚硬、稳固可靠、便于保存的地方,视野应相对开阔,便于加密、扩展和寻找;2 相邻点之间应通视良好,其视线距障碍物的距离,三、四等不宜小于1.5m;四等以下宜保证便于观测,以不受旁折光的影响为原则;ﻫ3当采用电磁波测距时,相邻点之间视线应避开烟囱、散热塔、散热池等发热体及强电磁场;4 相邻两点之间的视线倾角不宜太大;5 充分利用旧有控制点。
水平角观测所使用的全站仪、电子经纬仪和光学经纬仪,应符合下列相关规定:(1) 照准部旋转轴正确性指标:管水准器气泡或电子水准器长气泡在各位置的读数较差,1″级仪器不应超过2格,2″级仪器不应超过1 格,6″级仪器不应超过1.5格;(2) 光学经纬仪的测微器行差及隙动差指标:1″级仪器不应大于1″,2″级仪器不应大于2″;(3)水平轴不垂直于垂直轴之差指标:1″级仪器不应超过10″,2″级仪器不应超过15″,6″级仪器不应超过20″;(4) 补偿器的补偿要求,在仪器补偿器的补偿区间,对观测成果应能进行有效补偿。
导线及导线网按精度等级划分为三、四等和一、二、三级。
导线测量主
要技术要求如下表所示:
注:上述表中n表示测站数。
不同精度的全站仪测回数要求如下表所示:
注:上述表中n表示测站数
当测区测图的最大比例尺为1:1000时,一、二、三级导线的平均边
长及总长可适当放长,但最大长度不应大于表中规定长度的2倍。
当导线平均边长较短时,应控制导线边数,但不得超过上述表中相应等级导线长度和平均边长算得的边数;当导线长度小于上述表中规定长度的1/3时,导线全长的绝对闭合差不应大于13cm。
导线网中,结点与结点、结点与高级点之间的导线长度不应大于上述表中相应等级规定长度的
0.7倍。
导线网的布设应符合下列要求:
1导线网用作测区的首级控制时,应布设成环形网或多边形网,宜联测2个已知方向。
2加密网可采用单一附合导线或多结点导线网形式;
3导线宜布设成直伸形状,相邻边长不宜相差过大;
4网内不同线路上的点也不宜相距过近。
控制点点位的选定,应符合下列要求:
1点位应选在质地坚硬、稳固可靠、便于保存的地方,视野应相对开阔,便于加密、扩展和寻找;
2相邻点之间应通视良好,其视线距障碍物的距离,三、四等不宜小于1.5m;四等以下宜保证便于观测,以不受旁折光的影响为原则;
3当采用电磁波测距时,相邻点之间视线应避开烟囱、散热塔、散热池等发热体及强电磁场;4相邻两点之间的视线倾角不宜太大;
5充分利用旧有控制点。
水平角观测所使用的全站仪、电子经纬仪和光学经纬仪,应符合下列相
关规定:
(1)照准部旋转轴正确性指标:管水准器气泡或电子水准器长气泡在各位置的读数较差,
1 〃级仪器不应超过2格,2〃级仪器不应超过1格, 6〃级仪器不应超过1.5格;
(2)光学经纬仪的测微器行差及隙动差指标:1 〃级仪器不应大于1 〃
2〃级仪器不应大于2〃;
(3)水平轴不垂直于垂直轴之差指标:1〃级仪器不应超过10 〃,2〃级仪器不应超过15〃,6〃级仪器不应超过20〃;
⑷补偿器的补偿要求,在仪器补偿器的补偿区间,对观测成果应能进行有效补偿。
(5)垂直微动旋转使用时,视准轴在水平方向上不产生偏移;
(6)仪器的基座在照准部旋转的位移指标:1〃级仪器不应超过0.3〃,
2〃级仪器不应超过1〃,6 〃级仪器不应超过1.5〃;
(7)光学对中器或激光对中器的对中误差不应大于1mm。
水平角观测宜采用方向观测法,并符合下列规定:
(1)方向观测法的技术要求,不应超过下表的规定:
(2)观测的方向数不多于3个时,可不归零;
(3)观测的方向数多于6个时,可进行分组观测。
分组观测应包括两个共同方向(其中一个为共同零方向)。
其两组观测角之差,不应大于同等级测角中误差的2倍。
分组观测的最后结果,应按等权分组观测进行测站平差。
(4)各测回间应配置度盘,按规范要求执行。
(5)水平角的观测值应取各测回的平均数作为测站成果。
三、四等导线的水平角观测,当测站只有二个方向时,应在观测总测回中以奇数测回的度盘位置观测导线前进方向的左角,以偶数测回的度盘位置观测
导线前进方向的右角。
左右角的测回数为总测回数的一半。
但在观测右角时,应以左角起始方向为准变换度盘位置,也可用起始方向的度盘位置加上左角的概值
在前进方向配置度盘
一级及以上等级控制网的测距边,应采用全站仪或电磁波测距仪进行测距,一级以下也可采用普通钢尺进行量距。
各等级边长测距的主要技术要求,应符合下表规定:
测距作业,应符合下列规定:
1测站对中误差和反光镜对中误差不应大于2mm
2当观测数据超限时,应重测整个测回,如观测数据出现分群时,应分析原因,采取相应措施重新观测;
3四等及以上等级控制网的边长测量,应分别量取两端点观测始末的气象数据,计算时应取平均值。
4测量气象元素的温度计宜采用通风干湿温度计,气压表宜选用高原型空气盒气压表;读数前应将温度计悬挂在离开地面和人体 1.5m 以外的地方,读
数精确至0.2 C;气压表应置平,指针不应滞阻,读数精确至50Pa。