最新不合格材料退场记录
- 格式:doc
- 大小:35.50 KB
- 文档页数:5
不合格材料退场记录表
不合格材料退场记录表
工程名称:员工宿舍A、员工宿舍B
建设单位:______
监理单位:___
施工单位:
材料名称:蒸压加气混凝土砌块
规格:600×200×200、600×200×180、600×200×120
数量:3000块
处理内容:
2012年3月10日,___提供的蒸压加气混凝土砌块进场,生产厂家为___。
在监理单位见证下送检,经___检测结果为不合格,报告编号为F-JQ2012--、F-JQ2012-、F-JQ2012-.现在监
理单位、建设单位、施工单位共同见证下,对这批蒸压加气混凝土砌块作全数退场处理。
施工单位(签章):
监理单位(签章):
建设单位(签章):
年月日
记录人:___同志
蒸压加气混凝土砌块退场证明
我项目部于2012年3月10日进场的蒸压加气混凝土砌块,规格为600×200×200、600×200×180、600×200×120,数量共3000块,由___提供,生产厂家为___。
经___检测结果为不合格,特报监理单位、建设单位。
该批次加气混凝土砌块于
2012年3月20日退场。
建设单位(盖章):
监理单位(签章):
施工单位(签章):
年月日。
钢筋退场证明
由XX房地产公司开发,我部施工的XX工程于XX年XX月XX日在监理公司见证员见证下将XX钢铁X级钢XX (炉批号:XX,数量:XXT )试拉件送往XX检测中心进行进场复试,钢筋拉伸检验不合格(报告日期:XX年XX月XX日,报告编号:XX)o我部又于XX年XX月XX 日及时对该规格钢筋进行双倍复检试验,试验结果仍然不合格(报告日期:XX年XX月XX日,报告编号:XX)。
在收到复试结果不合格的信息后,我部于XX年XX月XX日在监理公司现场监理工程师见证下将该批全部钢筋予以退场处理。
特此证明!
附件1:拉伸不合格(报告编号:XX)附件2:复检拉伸不合格(报告编号:XX)
附件3:退场照片****
XX年XX月XX日监理单位意见:。
不合格品退场记录表1. 引言不合格品是指不符合规定标准或要求的产品或材料,在生产过程中出现的质量问题。
为了追溯和管理不合格品,以及及时采取相应的措施,不合格品退场记录表被广泛应用于各个行业。
本文档旨在提供一个完整的不合格品退场记录表样式,以便企业或组织能够简便地记录和处理不合格品。
2. 不合格品退场记录表样式日期不合格品编号产品名称问题描述不合格现象处理措施负责人备注2022-01-01 HQP001 产品A 材料不符合要求颜色偏差剔除张三无2022-01-02 HQP002 产品B 尺寸不符合要求长度不达标返工李四有2022-01-03 HQP003 产品C 工艺问题表面粗糙削平王五无说明:•日期:记录该条不合格品退场记录的日期。
•不合格品编号:每个不合格品都应有独一无二的编号,以方便追溯和管理。
•产品名称:不合格品所属的产品名称。
•问题描述:对不合格品问题进行简要描述。
•不合格现象:对不合格品的具体现象进行描述,如颜色偏差、尺寸不达标等。
•处理措施:对不合格品的处理方式,如剔除、返工、削平等。
•负责人:负责处理该不合格品问题的责任人。
•备注:对该不合格品的其他相关备注信息。
3. 使用方法1.打开不合格品退场记录表样式,并在表格末尾添加新的记录行。
2.根据实际情况填写每个字段的内容,确保完整和准确。
3.保存并归档不合格品退场记录表。
4. 注意事项•确保记录每个不合格品的详细信息,以便追溯和分析。
•每条记录应包括不合格品的编号、问题描述、处理措施等核心信息。
•不合格品退场记录表应进行适当分类和归档,以便后续查询和管理。
•定期审核和分析不合格品退场记录,以识别潜在质量问题和改进机会。
5. 总结不合格品退场记录表是追溯和管理不合格品的重要工具。
通过记录和分析不合格品的相关信息,企业或组织能够及时采取相应的措施,减少质量问题的发生,并持续改进产品质量和生产过程。
以上是一个简单的不合格品退场记录表样式,根据实际需求可以进行修改和扩展。
不合格品材料退场记录记录日期:20XX年XX月XX日项目名称:XXXXXX项目进场日期:20XX年XX月XX日退场日期:20XX年XX月XX日1.项目背景XXXXXX项目是一项重要的建设项目,我们负责提供各种建筑材料。
为了确保项目的质量和进展,我们对所有进场的材料进行了严格的质量控制。
本次记录主要记录不合格品材料的退场情况。
2.不合格品材料检验和标记在材料进场后,我们立即进行了质量检验。
经过一系列的测试和检查后,我们发现了一些不合格品材料。
为了能够清晰地区分不合格品和合格品材料,我们对所有不合格品材料进行了标记。
标记方式如下:-材料名称和型号-发现日期和检查员姓名-不合格问题的简要描述3.不合格品材料处理具体的不合格品材料包括:-材料名称:XXXXX型号:XXXXX检查员:XXX不合格问题简要描述:XXXXX-材料名称:XXXXX型号:XXXXX发现日期:20XX年XX月XX日检查员:XXX不合格问题简要描述:XXXXX-材料名称:XXXXX型号:XXXXX发现日期:20XX年XX月XX日检查员:XXX不合格问题简要描述:XXXXX4.退场记录根据与供应商的协商结果,以下不合格品材料已经退场,并按照相关程序安全地进行了处理和妥善处置。
-材料名称:XXXXX型号:XXXXX发现日期:20XX年XX月XX日处理方式:XXXXX-材料名称:XXXXX型号:XXXXX发现日期:20XX年XX月XX日退场日期:20XX年XX月XX日处理方式:XXXXX-材料名称:XXXXX型号:XXXXX发现日期:20XX年XX月XX日退场日期:20XX年XX月XX日处理方式:XXXXX5.结论与建议此次退场记录表明,我们对于不合格品材料采取了正确的处理方式。
通过及时的检查和标记,我们避免了不合格品材料被误用和进一步影响项目进度和质量。
考虑到我们与供应商的合作,我们建议加强对他们的质量管理和检查工作,以减少不合格品材料的产生。
不合格试验品退场记录
一、背景
为了确保产品质量和安全性,我们对试验品进行了严格的检查和测试。
然而,有时会发现一些试验品不符合质量要求,被判定为不合格品。
本文档旨在记录和追踪这些不合格试验品的退场过程。
二、退场记录
三、处理流程
1. 不合格试验品退场申请:发现不合格试验品后,相关人员需填写不合格试验品退场申请表,包括试验品编号、不合格原因、处理措施等信息。
2. 质量部审核:质量部对不合格试验品退场申请进行审核,并提出是否可以退场的建议。
3. 处理措施执行:根据质量部的审核意见,不合格试验品进行相应的处理措施,如销毁、退回供应商、重新测试、报废等。
4. 记录和追踪:将退场的不合格试验品信息填写到退场记录表中,并确保及时更新和保存。
四、相关注意事项
1. 不合格试验品退场申请表应填写清晰、准确,并确保相关人员签字确认。
2. 处理措施执行时,应按照规定的操作流程进行,确保操作的准确性和可追溯性。
3. 不合格试验品退场记录表应及时更新,并妥善保存,方便后续的溯源和统计分析。
以上是对不合格试验品退场记录的简要说明,请各相关人员遵循此流程进行操作,以确保不合格试验品的有效处理和记录。
不合格设备退场记录
1. 介绍
本文档记录了不合格设备从现场退场的过程和相关信息。
2. 设备信息
- 设备名称:[填写设备名称]
- 设备型号:[填写设备型号]
- 设备编号:[填写设备编号]
- 生产日期:[填写设备生产日期]
- 生产厂家:[填写设备生产厂家]
3. 不合格原因
- 不合格描述:[填写设备不合格情况的详细描述]
- 检测日期:[填写设备不合格被检测的日期]
- 检测人员:[填写检测人员姓名]
- 检测结果:[填写设备不合格的检测结果]
4. 退场过程
- 退场日期:[填写设备退场的日期]
- 退场人员:[填写退场人员姓名]
- 退场原因:[填写设备退场的原因]
5. 退场记录
- 退场时间:[填写具体的退场时间]
- 退场地点:[填写设备退场的具体地点]
- 退场人员:[填写负责设备退场的人员姓名]
- 退场备注:[填写设备退场时的备注信息]
6. 后续处理
- 处理方式:[填写设备退场后的处理方式,例如报废、修复等] - 处理人员:[填写处理设备的人员姓名]
- 处理日期:[填写设备处理的日期]
7. 结论
根据设备的不合格情况和相关记录,本文档记录了设备的退场过程,并对后续处理进行了记录。
不合格样品退场记录
日期:[请填写日期]
产品信息:
- 产品名称:[请填写产品名称]
- 产地:[请填写产品产地]
- 生产日期:[请填写产品生产日期]
- 批次号:[请填写产品批次号]
不合格样品信息:
- 样品编号:[请填写不合格样品编号]
- 不合格原因:[请填写不合格原因]
处理措施:
根据质量问题和公司的处理规范,以下是关于不合格样品的退场处理措施:
1. 封存:不合格样品已封存,并标识为不合格。
2. 记录:在该记录中详细记录了不合格样品的信息,以备后续
追溯和处理。
3. 通知供应商:我们将及时通知供应商有关该批次不合格样品
的情况,并要求他们采取适当的纠正和预防措施。
4. 退货:根据供应商的要求,我们将退还不合格样品给供应商,以便进行进一步的分析和处理。
结论:
通过以上措施,我们确保了不合格样品的及时退场和相应的处理。
这样做是为了保障产品质量,并最大限度地减少对客户的影响。
制表人:
[请填写制表人姓名及职务]
审核人:
[请填写审核人姓名及职务] 日期:
[请填写制表日期]。
不合格文件退场记录
一、退场原因分析:
根据公司文件质量管理规定,对于不合格文件,应进行退场处理。
经过对不合格文件的仔细分析,得出以下退场原因:
1.文件错误或缺失:不合格文件可能存在关键信息错误、遗漏或不一致等问题,无法正常使用。
2.格式不符:不合格文件可能不符合公司文件格式要求,无法与其他文件对接和整合。
3.内容不清晰:不合格文件可能存在内容不清晰、表达不准确或不完整的问题,无法满足信息传递和沟通的需求。
4.逻辑不合理:不合格文件可能存在逻辑不合理、信息不连贯或结构混乱等问题,影响文件使用效果。
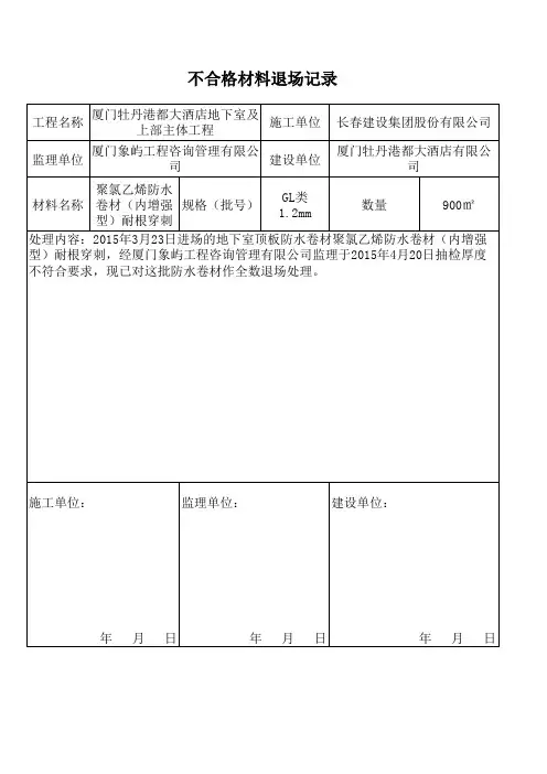
不合格材料退场记录
不合格材料退场记录
12
(11302957B1
)
处理内容:
由株洲市强联物资贸易有限公司提供的热轧带肋钢筋12,生产厂家为方大特钢科技股份有限公司,炉批号为11302957B1, 11月10日进场,经质安处于2012年12月7日抽检最小理论重量不符合规范要求,在此之前本钢筋未用于工程实体,现经建设单位、监理单位同意对这批钢筋作全数退场处理。
25
处理内容:
综合体育馆基础焊接报告:钢筋闪光对焊25,报告编号为
HJ11110023,检测结果不合格,先将现场综合体育馆闪光对焊25成品做废品拆除处理。
25(镀
锌)
处理内容:
综合体育馆锚杆基础焊接报告:钢筋双面搭接焊25,报告编号为HJ11110131,检测结果不合格,先将现场综合体育馆锚杆基础双面搭接焊25成品做废品拆除处理。
机械连接不合格处理记录表
25(镀
锌)
处理内容:
综合体育馆锚杆基础机械连接报告:钢筋直螺纹套筒接头25,报告编号为HJ11110117,检测结果不合格,先将现场综合体育馆锚杆基础,钢筋直螺纹套筒接头25成品在监理旁站下做废品拆除处理。
重新配置钢筋,全部采用双面搭接接头。