附录A 公司系统应急预案体系结构图
- 格式:docx
- 大小:41.76 KB
- 文档页数:1
国家电网公司应急预案编制规范国家电网公司发布2007-02-07 印发目次1 范围 (1)2 依据 (1)3 术语和定义 (1)4 应急预案编制 (2)5 应急预案体系结构 (4)6 综合应急预案框架内容 (6)7 专项应急预案框架内容 (11)8 现场处置方案框架内容 (13)9 附件 (15)附录A 应急预案编制格式和要求 (17)附录B 国家电网公司应急组织体系结构 (18)附录C 国家电网公司应急预案体系结构 (19)1 范围1.1 为了加强公司安全生产事故和其他各类突发事件应急预案的编制与管理,规范应急预案的编制程序、框架内容和基本要素,促进应急预案体系的规范化、制度化、标准化建设,制定本规范。
1.2 公司系统各单位结合本单位的生产规模、安全基础、应急能力等实际情况,可以对本规范提出的应急预案框架内容和基本要素进行适当调整。
2 依据本规范依据《生产经营单位安全生产事故应急预案编制导则》(AQ/T 9002-2006)、《国务院有关部门和单位制定和修订突发事件应急预案框架指南》、《国家电网公司应急管理工作规定》等制定。
3 术语和定义下列术语和定义适用于本规范。
3.1 危险源 hazard可能导致伤害或疾病、财产损失、工作环境破坏或这些情况组合的根源或状态。
3.2 危险源辨识 hazard identification识别危险源的存在并确定其特性的过程。
3.3 风险 risk— 1 —某一特定危险情况发生的可能性和后果的组合。
3.4 风险评估 risk assessment对事故发生的可能性和后果进行分析与评估,给出风险度量。
3.5 应急预案 emergency response plan针对可能发生的事故,为迅速、有序地开展应急行动而预先制定的行动方案。
3.6 应急准备 emergency preparedness针对可能发生的事故,为迅速、有序地开展应急行动而预先进行的组织准备和应急保障。
公司系统应急预案体系框架方案-2月23日公司系统应急预案体系框架方案应急预案体系建设是公司应急工作的基础,依据《中华人民共和国突发事件应对法》和《国家突发公共事件总体应急预案》的规定,按照国家安监总局《生产安全事故应急预案管理办法》,电监会《电力企业综合应急预案编制导则》、《电力企业专项应急预案编制导则》,《电力企业现场处置方案编制导则》,以及《国家电网公司应急管理工作规定》、《国家电网公司应急预案编制规范》等文件的要求,结合近年来应急工作实际,我们对公司原有应急预案体系进行了全面梳理,修改、完善,形成了符合公司“四化”管理标准,真正满足“横向到边、纵向到底、上下对应、内外衔接”要求,新的公司应急预案体系,该体系基本框架及内容如下:一、公司应急预案体系各层面预案设置原则1.公司应急预案体系预案分三级设置公司应急预案体系的结构按照总体预案、专项预案、现场处置方案三级设置。
总部及网省公司(直属单位)层面设总体预案、专项预案,市(水、火力发电厂,基层企业)、县供电公司层面设总体预案、专项预案、现场处置方案。
各级电网调度预案设置总体预案、专项预案、处置方案,满足调度系统和相应公司条块管理要求。
2.公司应急预案体系总体预案设置公司作为国家行业性企业,在处置自身突发事件的同时,还负有重要的应急救援社会责任,应参照国家应急预案体系设置总体预案,对公司应急组织机构及职责、预案体系的构成及相应程序、事故预防及应急保障、事件分类分级、应急培训及预案演练等,作出详细、明确的规定。
公司各层面企业均设置一个总体预案。
3.公司应急预案体系专项预案设置在总部层面,考虑到应对措施基本一致,同一类型突发事件合并设置专项预案,共设置16个专项预案。
如将冰雪、暴雨、台风等预案合并设置为气象灾害应急预案。
公司其他层面专项预案照此原则设置,以利于公司上下对应,以及与各级政府实现预案的衔接,并保持预案体系较长时间的稳定。
4.公司应急预案体系现场处置方案设置公司应急预案体系现场处置方案分为基本处置方案和特殊处置方案,基本处置方案的名称目录由公司统一制定下发,各基层单位编制发布。
办公室卫生管理制度一、主要内容与适用范围1.本制度规定了办公室卫生管理的工作内容和要求及检查与考核。
2.此管理制度适用于本公司所有办公室卫生的管理二、定义1.公共区域:包括办公室走道、会议室、卫生间,每天由行政文员进行清扫;2.个人区域:包括个人办公桌及办公区域由各部门工作人员每天自行清扫。
1. 公共区域环境卫生应做到以下几点:1)保持公共区域及个人区域地面干净清洁、无污物、污水、浮土,无死角。
2)保持门窗干净、无尘土、玻璃清洁、透明。
3)保持墙壁清洁,表面无灰尘、污迹。
4) 保持挂件、画框及其他装饰品表面干净整洁。
5)保持卫生间、洗手池内无污垢,经常保持清洁,毛巾放在固定(或隐蔽)的地方。
6) 保持卫生工具用后及时清洁整理,保持清洁、摆放整齐。
7) 垃圾篓摆放紧靠卫生间并及时清理,无溢满现象。
2. 办公用品的卫生管理应做到以下几点:1) 办公桌面:办公桌面只能摆放必需物品,其它物品应放在个人抽屉,暂不需要的物品就摆回柜子里,不用的物品要及时清理掉。
2) 办公文件、票据:办公文件、票据等应分类放进文件夹、文件盒中,并整齐的摆放至办公桌左上角上。
3) 办公小用品如笔、尺、橡皮檫、订书机、启丁器等,应放在办公桌一侧,要从哪取使用完后放到原位。
4) 电脑:电脑键盘要保持干净,下班或是离开公司前电脑要关机。
5) 报刊:报刊应摆放到报刊架上,要定时清理过期报刊。
6) 饮食水机、灯具、打印机、传真机、文具柜等摆放要整齐,保持表面无污垢,无灰尘,蜘蛛网等,办公室内电器线走向要美观,规范,并用护钉固定不可乱搭接临时线。
7) 新进设备的包装和报废设备以及不用的杂物应按规定的程序及时予以清除。
3. 个人卫生应注意以下几点:1)不随地吐痰,不随地乱扔垃圾。
2)下班后要整理办公桌上的用品,放罢整齐。
通讯联络组组长: 组员: 灭火行动组组长: 组员:消防引导组组长: 组员: 疏散引导组组长:组员: 副总指挥 总指挥: 出现火警 重大事故预案停水、电、设备故障 应急指挥部 火灾、爆炸、打架斗殴等 报警 110、119、120指挥中心 启动消防预案 现场灭火指挥。
办公室卫生管理制度一、主要内容与适用范围1.本制度规定了办公室卫生管理的工作内容和要求及检查与考核。
2.此管理制度适用于本公司所有办公室卫生的管理二、定义1.公共区域:包括办公室走道、会议室、卫生间,每天由行政文员进行清扫;2.个人区域:包括个人办公桌及办公区域由各部门工作人员每天自行清扫。
1. 公共区域环境卫生应做到以下几点:1)保持公共区域及个人区域地面干净清洁、无污物、污水、浮土,无死角。
2)保持门窗干净、无尘土、玻璃清洁、透明。
3)保持墙壁清洁,表面无灰尘、污迹。
4) 保持挂件、画框及其他装饰品表面干净整洁。
5)保持卫生间、洗手池内无污垢,经常保持清洁,毛巾放在固定(或隐蔽)的地方。
6) 保持卫生工具用后及时清洁整理,保持清洁、摆放整齐。
7) 垃圾篓摆放紧靠卫生间并及时清理,无溢满现象。
2. 办公用品的卫生管理应做到以下几点:1) 办公桌面:办公桌面只能摆放必需物品,其它物品应放在个人抽屉,暂不需要的物品就摆回柜子里,不用的物品要及时清理掉。
2) 办公文件、票据:办公文件、票据等应分类放进文件夹、文件盒中,并整齐的摆放至办公桌左上角上。
3) 办公小用品如笔、尺、橡皮檫、订书机、启丁器等,应放在办公桌一侧,要从哪取使用完后放到原位。
4) 电脑:电脑键盘要保持干净,下班或是离开公司前电脑要关机。
5) 报刊:报刊应摆放到报刊架上,要定时清理过期报刊。
6) 饮食水机、灯具、打印机、传真机、文具柜等摆放要整齐,保持表面无污垢,无灰尘,蜘蛛网等,办公室内电器线走向要美观,规范,并用护钉固定不可乱搭接临时线。
7) 新进设备的包装和报废设备以及不用的杂物应按规定的程序及时予以清除。
3. 个人卫生应注意以下几点:1)不随地吐痰,不随地乱扔垃圾。
2)下班后要整理办公桌上的用品,放罢整齐。
通讯联络组组长: 组员: 灭火行动组组长: 组员:消防引导组组长: 组员: 疏散引导组组长:组员: 副总指挥 总指挥: 出现火警 重大事故预案停水、电、设备故障 应急指挥部 火灾、爆炸、打架斗殴等 报警 110、119、120指挥中心 启动消防预案 现场灭火指挥。
应急救援组织结构图及职责1.指挥部的职责指挥部的职责是决定是否启动应急预案,以及预案的级别;决定是否发布应急救援联络信号;发布应急救援的命令;根据事故情况确定事故处理措施;命令各分队按预案顺序任务开展工作;决定是否向周边单位可能受到侵害的单位及时通报情况;指导群众撤离危险区域;决定向上级应急救援组织提出援助请求;组织事故调查;总结应急救援经验教训;尽快组织恢复生产。
2.现场指挥中心的职责在指挥的领导和统一指挥下,协调、组织、开展现场指挥工作,根据指示,启动公司事故应急救援预案。
遵循以人为本,先救人的原则处理事故,采取切实可行的安全措施,防止事故扩大或蔓延,指导现场人员安全撤离污染区域,随时向指挥部报告事故发展状况和人员伤亡情况。
及时向上级应急救援组织提出援助请求;组织事故调查;总结应急救援经验教训;组织恢复生产。
3.抢修队的职责抢修队的成员主要由生产科、设备科及维修人员组成。
主要职责是查明事故发生的原因,采取果断有效的安全措施,控制消除危险,防止事故扩大,查清现场人员防止造成人员伤亡,及时向上级应急救援组织提出援助请求;组织事故调查;总结应急救援经验教训;组织恢复生产。
治安警戒队的成员主要由保卫科组成,主要职责是根据风向及泄漏情况及时确定管制道路,禁止车辆和行人通行,每年对队伍人员演练效果进行评审,组织学习和演练。
协助做好现场人员抢救工作,协助做好中毒人员的救助工作,查清现场人员防止造成人员伤亡,及时向上级应急救援组织提出援助请求和汇报;协助事故调查;总结应急救援经验教训。
5.应急物资配备队的职责应急物资配备队由供应科、仓库等人员组成,等待指挥部安排应急物资采购和运输工作,如供应物资由供应处,物资运输及伤病员输送由公司车队等组成。
其主要职责是根据事故发展情况,做好应急物资的及时采购和运输,人员的撤离等工作,查清现场人员防止造成人员伤亡,及时向上级应急救援组织提出援助请求;协助事故调查;总结应急救援经验教训;组织恢复生产。
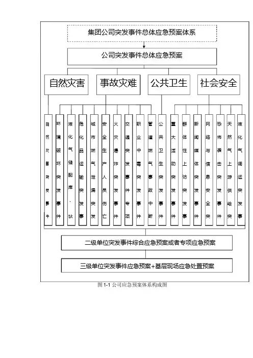
集团公司突发事件总体应急预案体系公司突发事件总体应急预案危化品运输突发事液化气储配库︑站环境破坏突发事件自然灾害突发事件职业中毒突发事件交通突发事件专项火灾爆炸突发事件安全生产人员伤亡城市燃气泄漏突发群体性上访突发事重大活动突发事件公共卫生突发事件管道燃气事故中断液化气调运突发事天然气上游供给突恐怖袭击突发事件网络与信息安全突新闻媒体突发事件二级单位突发事件综合应急预案或者专项应急预案三级单位突发事件应急预案+基层现场应急处置预案图 1-1 公司应急预案体系构成图社会安全自然灾害事故灾难公共卫生总体预案是应急预案体系的总纲,向上与集团公司突发事件应急预案体系相衔接。
是公司应对重特大突发事件的规范性文件。
为公司各专项应急预案和各单位应急预案提供指导原则和总体框架。
公司应急预案体系的构成如图 1-1 所示。
主要按照事件处置方法归纳分类,应对某一类型或者几种类型突发事件,着重解决特定突发事件的应急处置,是总体预案的支持性文件。
公司专项预案种类及应对风险如下:(一)事故灾难类1、城市燃气泄漏突发事件专项预案应对公司及所属单位发生二级以上的城市燃气(天然气、 LNG、CNG、人工煤气、管道液化石油气)泄漏事件,包括各种压力的管道泄漏、大面积户内泄漏、场站工艺设施泄漏。
2、火灾爆炸突发事件专项预案应对公司及所属单位发生二级以上的火灾爆炸事件,包括各类燃气发生泄漏引起的火灾爆炸;管道容器物理爆炸;其他火灾。
3、安全生产人员伤亡突发事件专项预案应对公司及所属单位由于各种安全风险引起人员伤亡的二级以上事件。
4、职业中毒突发事件专项预案应对公司及所属单位由于燃气泄漏时和进入罐体、管道、涵沟、阀井等有限空间作业时可能引起二级以上急性中毒突发事件。
5、液化气储配库、站突发事件专项预案应对构成重大危(wei)险源的液化气储配库、灌装站内发生的二级以上安全生产突发事件。
6、危化品运输突发事件专项预案应对液化气槽车铁路运输、公路运输;LNG 槽车公路运输;CNG 撬车公路运输过程中发生的二级以上突发事件。
办公室卫生管理制度一、主要内容与适用范围1.本制度规定了办公室卫生管理的工作内容和要求及检查与考核。
2.此管理制度适用于本公司所有办公室卫生的管理二、定义1.公共区域:包括办公室走道、会议室、卫生间,每天由行政文员进行清扫;2.个人区域:包括个人办公桌及办公区域由各部门工作人员每天自行清扫。
1. 公共区域环境卫生应做到以下几点:1)保持公共区域及个人区域地面干净清洁、无污物、污水、浮土,无死角。
2)保持门窗干净、无尘土、玻璃清洁、透明。
3)保持墙壁清洁,表面无灰尘、污迹。
4) 保持挂件、画框及其他装饰品表面干净整洁。
5)保持卫生间、洗手池内无污垢,经常保持清洁,毛巾放在固定(或隐蔽)的地方。
6) 保持卫生工具用后及时清洁整理,保持清洁、摆放整齐。
7) 垃圾篓摆放紧靠卫生间并及时清理,无溢满现象。
2. 办公用品的卫生管理应做到以下几点:1) 办公桌面:办公桌面只能摆放必需物品,其它物品应放在个人抽屉,暂不需要的物品就摆回柜子里,不用的物品要及时清理掉。
2) 办公文件、票据:办公文件、票据等应分类放进文件夹、文件盒中,并整齐的摆放至办公桌左上角上。
3) 办公小用品如笔、尺、橡皮檫、订书机、启丁器等,应放在办公桌一侧,要从哪取使用完后放到原位。
4) 电脑:电脑键盘要保持干净,下班或是离开公司前电脑要关机。
5) 报刊:报刊应摆放到报刊架上,要定时清理过期报刊。
6) 饮食水机、灯具、打印机、传真机、文具柜等摆放要整齐,保持表面无污垢,无灰尘,蜘蛛网等,办公室内电器线走向要美观,规范,并用护钉固定不可乱搭接临时线。
7) 新进设备的包装和报废设备以及不用的杂物应按规定的程序及时予以清除。
3. 个人卫生应注意以下几点:1)不随地吐痰,不随地乱扔垃圾。
2)下班后要整理办公桌上的用品,放罢整齐。
通讯联络组组长: 组员: 灭火行动组组长: 组员:消防引导组组长: 组员: 疏散引导组组长:组员: 副总指挥 总指挥: 出现火警 重大事故预案停水、电、设备故障 应急指挥部 火灾、爆炸、打架斗殴等 报警 110、119、120指挥中心 启动消防预案 现场灭火指挥。