供电企业安全性评价检查表32
- 格式:xls
- 大小:16.00 KB
- 文档页数:1
附录一供电企业安全性评价检查表供电企业安全性评价检查表(第01号)电气安全用具安全性评价检查表供电企业安全性评价检查表(第2号)手持电动工具安全性评价检查表供电企业安全性评价检查表(第3号)移动式电动机具安全性评价检查表供电企业安全性评价检查表(第4号)动力.照明配电箱安全性评价检查表供电企业安全性评价检查表(第5号)低压临时电源线路安全性评价检查表供电企业安全性评价检查表(第6号)安全带安全性评价检查表供电企业安全性评价检查表(第7号)脚扣及升降板安全性评价检查表供电企业安全性评价检查表(第8号)脚手架组件及安全网安全性评价检查表供电企业安全性评价检查表(第9号)脚手架安全性评价检查表供电企业安全性评价检查表(第10号)移动梯台(含梯子.高凳)安全性评价检查表供电企业安全性评价检查表(第11号)起重机械安全性评价检查表(吊钩)供电企业安全性评价检查表(第12号)起重机械安全性评价检查表(钢丝绳)供电企业安全性评价检查表(第13号)起重机械安全性评价检查表(滑轮及卷筒)供电企业安全性评价检查表(第14号)各式起重机械安全性评价检查表之一(桥型.门式)供电企业安全性评价检查表(第18号)手机轻小型起重设备安全性评价检查表供电企业安全性评价检查表(第19号)交.直流电焊机安全性评价检查表供电企业安全性评价检查表(第20号)主要木工机械安全性评价检查表供电企业安全性评价检查表(第23号)冲、剪、压机械安全性评价检查表供电企业安全性评价检查表(第24号)金属切销机床安全性评价检查表供电企业安全性评价检查表(第26号)压力容器安全性议价检查表供电企业安全性评价检查表(第27号)空压机安全性评价检查表供电企业安全性评价检查表(第28号)高压气瓶安全性议价检查表供电企业安全性评价检查表(第29号)劳动保护及个体防护用品评价检查表供电企业安全性评价检查表(第30号)安全帽安全性评价检查表供电企业安全性评价检查表(第31号)各类机动车辆安全性评价检查表供电企业安全性评价检查表(第32号)氧气、氢气、乙炔物理、化学特性之一供电企业安全性评价检查表(第32号)氧气、氢气、乙炔物理、化学特性之二供电企业安全性评价检查表(第33号)带电作业工具、库房、屏蔽服安全性评价检查表附录二供电企业安全性评价总分表附录三供电企业安全性评价结果明细表附录六供电企业安全性评价扣分项目整改结果统计表(查评组用)专业评价人第页附录四供电企业安全性评价发现的主要问题.整改建议及分项评分结果(查评组用)专业评价人第页附录五供电企业安全性评价检查发现问题及整改措施(车间.班组用)年月第页附录二供电企业安全性评价总分表附录三供电企业安全性评价结果明细表。
企业安全管理检查表电气安全检查表模版一、场所环境安全管理1. 装修设计:- 安装电路线路是否合理、布线是否整齐、线管是否完好。
- 安装电气设备位置是否合适,是否与易燃易爆物品相距足够远。
- 是否设置了电缆沟和跨越线路牌。
2. 紧急疏散:- 是否设置明显的安全疏散标志。
- 路灯是否正常运行,是否有辅助逃生照明设备。
3. 防雷接地:- 是否设置良好的防雷接地装置。
- 接地电阻是否符合规定。
4. 室内空气质量:- 是否安装室内空气质量检测设备。
- 是否定期开窗通风,保持室内空气清新。
二、电气设备安全管理1. 电气设备的选择与购买:- 是否选用符合国家标准的产品。
- 购买设备时是否查看产品合格证书。
2. 电气设备的使用与维护:- 是否将设备使用和维护手册置于明显位置供操作人员查阅。
- 是否按照维护手册的要求进行设备定期维护。
3. 电气线路和插头插座:- 线路接头是否牢固,是否完好无损。
- 插头插座是否充电。
- 是否有明显的线路标识,方便查看和维护。
4. 输电线路和开关设备:- 输电线路是否平稳、整齐、固定。
- 开关设备是否正常工作,是否有明显的故障。
5. 电气设备的过载保护:- 是否设置过载保护装置。
- 是否定期对过载保护装置进行测试和维护。
三、电气安全培训和应急管理1. 员工电气安全培训:- 是否对员工进行电气方面的安全培训。
- 是否定期组织电气安全知识培训。
2. 电气事故应急预案:- 是否编制了电气事故应急预案。
- 是否定期组织应急演练。
四、电气安全检测和评估1. 定期检测:- 是否定期对电气设备进行安全检测。
- 是否按时进行电气隐患排查。
2. 电气安全评估:- 是否定期进行电气安全评估。
- 是否根据评估结果制定改进措施。
以上是电气安全检查表的一个模版,企业可以根据实际情况进行修改和完善,以确保企业的电气设备安全。
企业安全管理检查表电气安全检查表模版(二)企业安全管理检查表一、生产安全管理1. 是否定期进行生产安全培训和培训记录是否完整?2. 是否落实安全生产责任制,安全生产管理人员是否到位?3. 是否建立健全安全生产制度,是否得到员工的有效执行?4. 是否制定并完善应急预案,是否定期演练?5. 是否定期进行设备维修保养,是否有维修记录?6. 是否进行巡检,是否存在安全隐患,是否及时处理?二、消防安全管理1. 是否配备消防设施,如灭火器、消火栓等?2. 是否制定并完善消防管理制度,是否得到员工的有效执行?3. 是否有消防演练计划,是否定期开展?4. 是否确保消防通道畅通,是否存在堆放物品、堵塞通道等现象?5. 是否定期检查、维护消防设施,是否有维修记录?三、电气安全管理1. 是否定期进行电气安全培训和培训记录是否完整?2. 是否制定并完善电气安全管理制度,是否得到员工的有效执行?3. 是否进行定期的电气设备维护保养,是否有维修记录?4. 是否进行电气线路的巡查,是否存在电路老化、短路等现象?5. 是否存在电气设备接地不良、过载、短路等安全隐患,是否及时处理?四、职业健康管理1. 是否建立健全职业健康管理制度,是否得到员工的有效执行?2. 是否进行职业健康培训和体检,培训和体检记录是否完整?3. 是否配备个人防护用品,员工是否正确佩戴使用?4. 是否存在化学物品泄漏、有害气体超标等职业健康风险,是否采取相应措施预防和控制?五、安全生产档案管理1. 是否建立完整的安全生产档案,是否定期备份?2. 是否按照规定保存安全生产文书和记录?3. 是否有安全事故记录,安全事故处理是否及时、妥善?4. 是否建立危险源台账,对危险源进行分类管理?5. 是否建立事故隐患排查治理台账,对隐患进行跟踪整改?以上是企业安全管理检查表的主要内容,根据企业的实际情况可以进行相应的修改和补充。
附录一供电企业安全性评价检查表供电企业安全性评价检查表(第01号)电气安全用具安全性评价检查表供电企业安全性评价检查表(第2号)手持电动工具安全性评价检查表供电企业安全性评价检查表(第3号)移动式电动机具安全性评价检查表供电企业安全性评价检查表(第4号)动力.照明配电箱安全性评价检查表供电企业安全性评价检查表(第5号)低压临时电源线路安全性评价检查表供电企业安全性评价检查表(第6号)安全带安全性评价检查表供电企业安全性评价检查表(第7号)脚扣及升降板安全性评价检查表供电企业安全性评价检查表(第8号)脚手架组件及安全网安全性评价检查表供电企业安全性评价检查表(第9号)脚手架安全性评价检查表供电企业安全性评价检查表(第10号)移动梯台(含梯子.高凳)安全性评价检查表供电企业安全性评价检查表(第11号)起重机械安全性评价检查表(吊钩)供电企业安全性评价检查表(第12号)起重机械安全性评价检查表(钢丝绳)供电企业安全性评价检查表(第13号)起重机械安全性评价检查表(滑轮及卷筒)供电企业安全性评价检查表(第14号)各式起重机械安全性评价检查表之一(桥型.门式)供电企业安全性评价检查表(第18号)手机轻小型起重设备安全性评价检查表供电企业安全性评价检查表(第19号)交.直流电焊机安全性评价检查表供电企业安全性评价检查表(第20号)主要木工机械安全性评价检查表供电企业安全性评价检查表(第23号)冲、剪、压机械安全性评价检查表供电企业安全性评价检查表(第24号)金属切销机床安全性评价检查表供电企业安全性评价检查表(第26号)压力容器安全性议价检查表供电企业安全性评价检查表(第27号)空压机安全性评价检查表供电企业安全性评价检查表(第28号)高压气瓶安全性议价检查表供电企业安全性评价检查表(第29号)劳动保护及个体防护用品评价检查表供电企业安全性评价检查表(第30号)安全帽安全性评价检查表供电企业安全性评价检查表(第31号)各类机动车辆安全性评价检查表供电企业安全性评价检查表(第32号)氧气、氢气、乙炔物理、化学特性之一供电企业安全性评价检查表(第32号)氧气、氢气、乙炔物理、化学特性之二供电企业安全性评价检查表(第33号)带电作业工具、库房、屏蔽服安全性评价检查表附录二供电企业安全性评价总分表附录三供电企业安全性评价结果明细表附录六供电企业安全性评价扣分项目整改结果统计表(查评组用)专业评价人第页附录四供电企业安全性评价发现的主要问题.整改建议及分项评分结果(查评组用)专业评价人第页附录五供电企业安全性评价检查发现问题及整改措施(车间.班组用)年月第页附录二供电企业安全性评价总分表附录三供电企业安全性评价结果明细表。
企业安全管理检查表-电气安全检查一、电气设备的管理1. 是否有定期检查、维修和保养电气设备的计划和制度?2. 是否有专人负责电气设备的管理和维护?3. 是否对电气设备进行定期检查和维护记录?4. 是否有电气设备管理台账,包括设备编号、设备名称、规格型号、使用地点、负责人等信息?二、电气设备的安装和改造1. 是否按照相关规范和标准进行电气设备的安装?2. 是否按照工程要求进行设备改造和扩建,并取得相应的施工许可和验收?3. 是否对电气设备进行验收,并保留相关的验收记录?三、电气线路的安全1. 是否按照规范要求进行电气线路的布置和敷设?2. 是否保持电气线路的清洁和整洁,避免堆放杂物和防止拆卸维修?3. 是否对电气线路进行定期巡视和维护,并保留记录?四、电气设备和线路的保护措施1. 是否安装了过载保护装置,并设置合适的过载保护电流值?2. 是否安装了漏电保护器,并设置合适的漏电保护动作电流值?3. 是否安装了短路保护装置,并设置合适的短路保护动作电流值?4. 是否设置了合适的接地装置,并对接地装置进行定期检查和测试?5. 是否对电气设备和线路进行过载、漏电、短路等安全隐患的定期检测和测试?五、用电安全1. 是否对用电人员进行安全教育和培训,确保其具备用电安全知识和技能?2. 是否制定了用电操作规程和安全操作规定,并进行宣传和培训?3. 是否设置了明显的电气安全警示标志和标识?六、应急预案和应急设备1. 是否制定了电气事故的应急预案,并进行宣传和演练?2. 是否配备了应急抢修设备,如手提灭火器、防护手套等?3. 是否设立了应急联系机制,明确各部门和人员的责任和联系方式?七、设备与人员的安全隔离1. 是否设立了明显的设备安全隔离区域,并设置了标志和警示线?2. 是否确保非相关人员不得进入设备安全隔离区域,避免发生触电事故?八、其他安全管理要求1. 是否定期开展电气安全检查和评估,及时发现和排除安全隐患?2. 是否记录和报告电气事故和事故原因,并进行分析和处理?以上是企业安全管理检查表-电气安全检查的内容,在实际检查过程中,还需要根据企业实际情况进行调整和补充。
序号1 2 3 4 5 6 7 8电力公司安全检查表检查检查检查内容检查状况类型项目按规定设置安全管理机构或装备安全管理人员( 从业人员不足 100 人的,应该装备专职或许兼职的安全生产管理人员;从业人员在100 人以上不足 300 人的,应该装备专职安全生产管理人员;从业人员在 300 人以上不足1000 人的,应该设置安全生产管理机构,并装备 2 名以上专职安全生产管理人员;从业人员在 1000 人以上的,应该设置特意的安全生产管理机构,并按不低于从业人员 3‰的比率装备专职安全生产管理人员 ) 。
组织机组织机构和人员1000 人以上的生产经营单位,应该成立本单位的安全生产委员会。
安全生产委员会由本单位的主要负构和职责人、分管安全生产的负责人(安全总监)、有关负责人、特意的安全生产管理机构及有关机构负责责人、安全生产管理人员和工会代表以及从业人员代表构成。
生产经营单位的安全生产委员会负责组织、指导、协调本单位安全生产工作任务的贯彻落实,研究和审察本单位有关安全生产的重要事项,协调本单位各有关机构安全生产工作有关事宜。
安全生产委员会每季度起码召开一次会议,会议应该有书面记录。
职责成立、健全安全生产责任制( 层层签署安全生产目标责任书) ,并对落真相况进行查核。
各级人员应掌握本岗位的安全生产职责。
安全生产花费提生产经营单位应该保证本单位具备安全生产条件所必要的资本投入,安全生产资本投入归入年度生产经安全投营计划和财务估算,不得挪作他用,并成立安全生产专项资本使用台账(依据上年度本公司营业收入的取入2% 提取)。
有关保险缴纳足额的保险费(工伤保险、安全生产责任险或风险抵押金),并保障职工享受工伤保险待遇。
成立安全教育培训的管理制度,确立安全教育培训主管部门,按期辨别安全教育培训需求,拟订各种教育培训管理人员的培训计划;按计划进行安全教育培训,对安全培训成效进行评估和改良;做好培训记录,并建教育培立档案。
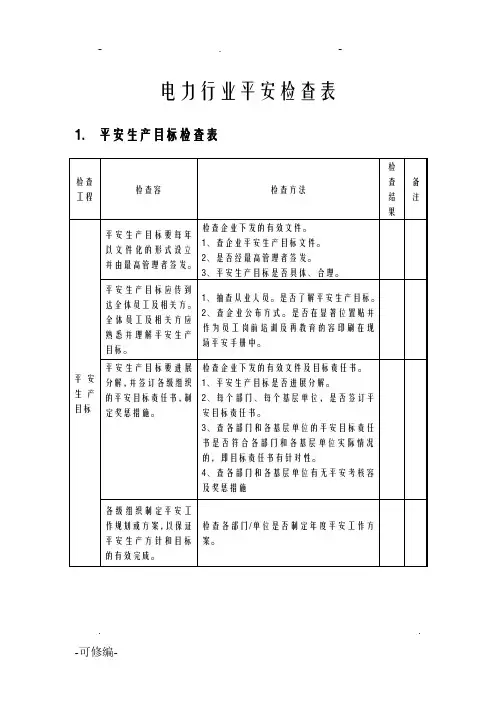
电力行业平安检查表
1. 平安生产目标检查表
. .
2 平安生产管理机构与职责检查表
. .
. .
3 平安生产投入与平安生产设施“三同时〞检查表
. .
1.4 法律法规与平安管理制度检查表
. .
5 教育培训考评检查表
. .
表6 特种设备、强制检测设备设施管理检查表
. .
表7 隐患排查和治理检查表
. .
. .
表8 重大危险源监控检查表
. .
表9 作业平安检查表
. .
表10 应急管理检查表
. .
表11 事故管理检查表
. .
. .
表14 锅炉设备及系统检查表
. .
. .
表15 化学水处理及系统检查表
. .
表16 汽轮机设备及系统检查表
. .
表17 热工控制设备及系统检查表
. .
表18 消防设施及系统检查表
. .
. .
表19 电气设备及系统检查表
. .
. .
. .
. .
. .
表20 特种设备设施检查表
. .
. .
表21 其他设备设施检查表
. .
. .
. .
. .
. .。