卧式多级离心泵检修规程..
- 格式:docx
- 大小:214.64 KB
- 文档页数:28
SLW80-250A/XBD-SLS60-200型卧式离心水泵维护、检修规程1 范围本规程对炼铁厂SLW80-250A/XBD-SLS60-200型卧式离心水泵设备的维护与检修进行了规定。
本规程适用于炼铁厂SLW80-250A/XBD-SLS60-200型卧式离心水泵设备的维护与检修。
2 引用标准冶金设备检修质量技术标准(冶金工业部1985年)安全技术规程(五矿营钢2004年)设备点检定修管理细则(五矿营钢2006年)3 术语定义五感:人体五感器官(眼,鼻,耳,嘴,手)的感觉。
设备点检:它是以采用“定点、定法、定标、定期、定人”的“五定”方法,对设备实行日常点检、定期点检和精密点检的全员设备管理。
设备日修:是指凡不影响主作业线生产,随时可安排停机进行的计划检修。
设备定修:就是在设备点检的基础上,必须在主作业线设备停机(停产)的条件下,或对主作业生产有重大影响的设备在停机条件下,按设备定修模型进行计划检修或定期的系统检修。
是对主作业线设备与生产物料协调和能源平衡的前提下所进行的规定时间的停产计划检修。
H: 是英文hour的字头,表示“小时”。
D: 是英文day的字头,表示“天”。
M: 是英文month的字头,表示“月”。
Y: 是英文year的字头,表示“年”。
4 职责水泵设备由设备技术室主管工程师负责技术管理,工程师、专职点检人员、操作人员,均负有管理、维护、检查、保养设备的责任。
5 管理内容与要求5.1技术性能(见表1)表1 SLW80-250A/XBD-SLS60-200型卧式离心泵技术性能表5.2维护规程5.2.1设备点检部位示意图(见图1)图1设备点检部位示意图1电动机 2联轴器 3 泵体5.2.2设备点检路线示意图O O O电动机联轴器泵体5.2.3点检部位及标准(见表2)表2 点检部位及标准5.2.4故障一般处理办法(见表3)表3 故障一般处理办法5.2.5主要部位易损件报废标准(见表4)表4 主要部位易损件报废标准5.2.6维护要求5.2.6.1对操作人员的维护要求5.2.6.1.1操作人员上岗前应首先学习设备使用说明书,熟练掌握水泵的结构、动作原理及操作要领,防止操作损坏设备。
多级离心泵维护检修规程1、设备的日常维护1.1日常维护内容(1)严格按泵的操作规程启动、运行与停车,并做好运行统计。
(2)每班检查润滑部位的润滑油与否符合规定。
(3)新换轴承后,工作 100 小时应清洗换油,油脂每运行~2400 小时换油。
(4)经常检查轴承温度,应不高于环境温度35℃,滚动轴承的最高温度不得超出75℃,经常检查电机温升。
(5)每班检查轴封处滴漏状况,填料密封保持每分钟 10~20 滴为宜,对于机械密封,要达成完好原则。
(6)经常观察泵的压力和电机电流与否正常和稳定,注意泵有无噪音等异常状况,发现问题及时解决。
(7)经常保持泵及周边场地整洁,及时解决跑、冒、滴、漏。
(8)维修人员应定时上岗,检查设备运行状况并及时解决所发现的问题。
1.2常见的故障解决办法吸入阀堵塞清扫吸入阀吸入管道阻力太大或吸水高度太高清扫吸入管路或减少吸水高度泵不打水或流量局限性出水管路阻力太大检查及清扫出水管路或改善出水管泵或吸入管内有空气,有漏气排除空气,消除漏气处处电流过大泵振动大叶轮堵塞清扫叶轮密封环磨损严重更换叶轮密封环填料压得太紧放松填料压盖转子部分固定部分磨擦检查、调节供水量过大调小出口阀,减少流量电机轴与泵同轴度超出规定找正联轴器泵轴弯曲或转子不平衡校直轴、转子做平衡叶轮中有异物或叶轮磨损清扫叶轮或更换叶轮转子与壳体产生摩擦调节转子与壳体间隙轴承间隙大调节间隙或更换轴承底座螺栓松动紧固底座螺栓中段导叶密封超出 3 倍值更换或修复油量局限性或油不干净加油或清洗轴承换油轴承温度高轴承间隙太小刮研轴瓦,调节间隙故障现象可能产生的因素检修办法及方法泵内部声音反常,泵不上水电机轴与泵轴同轴度超出规定找正联轴器流量太小增大流量吸入管阻力太大清扫吸入管或减少吸入高度在吸入管部分有空气渗入检查吸入管部分及阀,消除漏气处所吸送液体温度过高减少所吸送液体温度填料磨损更换填料轴或轴套磨损修复或更换磨损件泵轴弯曲校正或更换泵轴密封漏损大动、静密封环端面腐蚀、磨损或划伤修复或更换动、静密封环静环装配歪斜重装配静环弹簧压力局限性调节弹簧压缩量或更换弹簧1.3 紧急状况停车:发生下列状况之一时,应紧急停车:(1)忽然发生激烈振动;(2)泵内发出异常声响;(3)电流超出额定值持续不降经解决无效;(4)泵忽然不出水。
多级离心泵检修规程一总则本规则适用于卧式多级离心式给水泵。
二.技术性能型号位号流量(m3/h)扬程(m)级数功率(kw)叶轮直径(mm)电机型号DG25—30×4 3J0201 25 120 4 18.5 160 YB160L-2-18.5DG12—50×11 3J0203 12.5 550 11 55 146 YB250M-2-55三.完好标准1.零部件质量1) 零部件完整,质量符合标准;2) 基础、基座稳固完整,各部位齐整、紧固;3) 阀门、管线、管件、支架安装合理、牢固、标志明确。
2.运行状况1) 机组达到铭牌出力或查定能力;2) 运行参数符合要求;3) 润滑良好,油质、油位、符合规定;4) 机组性能良好,各项指标达到要求。
3.技术资料1) 有完整的验收记录、检修记录和运行记录;2) 有完整的工艺流程图、设备图及使用说明书;3) 有完整的设备档案;4) 操作规程、维护检修规程齐全;5) 设备的易损配件图纸齐全。
4.设备及环境1) 机组及其管线、阀门无跑、冒、滴、漏现象;2) 设备及其周围环境清洁、整齐,无油污,无灰尘。
四.检修周期小修中修大修3个月12~24个月36个月五.检修内容1.小修1) 检查填料密封,更换填料。
2) 检查轴承及润滑系统,更换润滑油(脂)。
3) 清理、检查冷却水系统。
4) 清扫、检查阀门。
5) 检查及找正联轴器,调整轴向间隙,更换易损件。
6) 消除运行过程中发现的缺陷及渗漏,检查紧固各部位螺栓。
2.中修1) 包括小修内容。
2) 解体、清洗检查叶轮、密封环、衬套、导叶、平衡盘、平衡环及各部位零件的磨损、腐蚀、冲蚀程度,予以修复或更换。
3) 修理及刮研轴瓦,调整间隙以及更换轴承。
4) 测定叶轮的静平衡。
5) 检查各段叶轮轮毂、轴套、平衡盘毂,紧固螺栓端面接触情况,测量及校正各段叶轮间距。
6) 测量泵轴及转子部件各部位跳动量。
7) 检查、调整各部位间隙,调整窜动量。
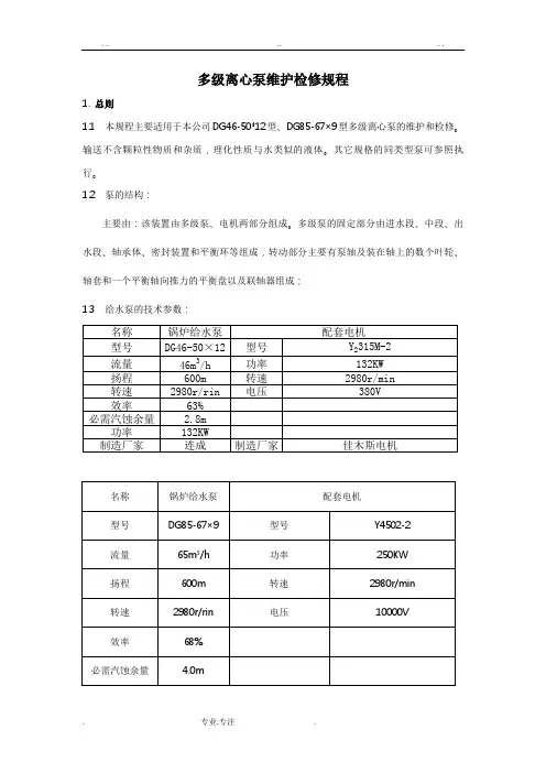
多级离心泵维护检修规程1. 总则1.1 本规程主要适用于本公司DG46-50*12型、DG85-67×9型多级离心泵的维护和检修。
输送不含颗粒性物质和杂质,理化性质与水类似的液体。
其它规格的同类型泵可参照执行。
1.2 泵的结构:主要由:该装置由多级泵、电机两部分组成。
多级泵的固定部分由进水段、中段、出水段、轴承体、密封装置和平衡环等组成,转动部分主要有泵轴及装在轴上的数个叶轮、轴套和一个平衡轴向推力的平衡盘以及联轴器组成;1.3 给水泵的技术参数:配套电机名称锅炉给水泵型号DG46-50×12型号Y2315M-2流量46m3/h功率132KW扬程600m转速2980r/min转速2980r/rin电压380V效率63%必需汽蚀余量 2.8m功率132KW制造厂家连成制造厂家佳木斯电机名称锅炉给水泵配套电机型号DG85-67×9 型号Y4502-2流量65m3/h 功率250KW扬程600m 转速2980r/min转速2980r/rin 电压10000V效率68%必需汽蚀余量 4.0m功率250KW制造厂家连成制造厂家佳木斯电机2、完好标准2.1零、部件2.1.1泵本体及各零、部件完整齐全;2.1.2各部连接螺栓齐全,连接紧固,无锈蚀;2.1.3安全防护装置齐全、稳固;2.1.4压力表、电流表等仪表齐全、灵敏,量程符合规定,并定期校验;2.1.5进、出口阀门及润滑、冷却系统管线安装整齐,标志明显,油标、油杯等齐全好用;2.1.6各部安装配合符合规定;2.1.7泵体、泵座及附属管线、管件油漆完整;2.1.8基础、底座完整、紧固。
2.2运行性能2.2.1油路畅通、润滑良好,实行“五定”,“三级过滤”;2.2.2压力、流量平稳,各部温度正常,电流稳定;2.2.3运转平稳,无异常振动、杂音等不正常现象;2.2.4能力达到铭牌出力或查定能力。
2.3技术资料2.3.1有泵的总装图或结构图,有易损配件图;2.3.2有使用说明书,产品合格证,质量证明书;2.3.3操作规程,维护检修规程齐全;2.3.4设备档案齐全,数据准确;2.3.4.1安装及试车验收资料;2.3.4.2设备运行记录;2.3.1.3历次检修及验收记录;2.3.1.4设备缺陷及事故情况记录2.4设备及环境2.4.1设备清洁,外表无灰尘、油垢;2.4.2基础整洁,表面无积水、杂物、环境整齐清洁;2.4.3进、出口阀门、法兰、接口及泵体各段结合处均无泄露;2.4.4动密封:2.4.4.1填料密封:初期每分钟≤20滴,末期每分钟≤40滴;2.4.4.2机械密封:初期无泄露,末期每分钟≤5滴;3、设备的维护3.1日常维护3.1.1严格按泵的操作规程启动、运行与停车,并做好记录。
多级离心泵检修规程一.检修前准备工作:工具、量具(150mm游标卡尺)、专用梅花扳手、木块、300mm三爪拉马、150mm三爪拉马、机封取出专用工具二.轴承、机械密封、密封腔、出口尾座、叶轮、泵壳拆卸方法:1. 轴承1.1将联轴器用300mm三爪拉马取出,分别拆卸进、排端轴承油盖、轴承托架;1.2拆卸轴承锁紧螺母,电机端为左旋,出口端为右旋,用150mm三爪拉马拆卸滚动轴承。
拆卸电机端轴承时可用加长三爪拉马进行拆卸。
在装入三爪拉马时,应将三爪调平使轴承受力均匀。
拆卸同时,可用蒸汽加热和用铜棒轻轻振动,加速轴承拆卸;2. 机械密封2.1分别将衬套取出(J0304还先将轴套锁紧螺毋拆卸,电机端左旋、出口端右旋),拆卸机械密封静环盖,取出轴套O形密封胶圈、轴套。
在取轴套时,轴套不易取出,则利用专用取出夹具完成;2.2专用机械密封取出夹具原理是,加工一个厚度为12mm、直径等于轴套非密封部位尺寸一样,然后将任意一边锯开,再在锯开除焊紧固螺钉以便使夹具牢固固定在轴套上,然后用三爪拉马将其取出;2.3机封取出后,应仔细检查动、静环磨擦副磨损情况,密封面上决不能有划痕。
弹簧弹性是否变形、断裂。
O形环是否变形、老化、断裂,一般情况O形胶圈一次性使用。
检查机封定位螺钉是否松动,推环是否变形,推环在动环座中上、下移动是否运行顺畅。
动环座止动口是否有损坏或变形。
如有以上问题应将更换成套机封;2.4轴套的检查,关键是动环密封O形圈密封部位、轴套O形圈密封部位,不能有划痕、毛剌、变形,不能敲打、更改该部位的尺寸。
如有损坏、变形、尺寸改变应更换合格的轴套;3. 密封腔、平衡盘、平衡环3.1机械密环拆卸完后即可将密封腔拆卸,在取出密封腔同时应注意该处有密封垫,通常该密封垫采用高压石棉垫,厚度s=1.00mm;3.2平衡盘拆卸时,如不能顺利将其取出,则利用原平衡盘上两个螺丝孔进行拆卸,方法是:将两根丝杆装入丝孔内拧紧,在轴末端装顶丝进行顶;3.3平衡盘的检查,平衡盘属易损件,通常使用7200小时(正常情况)可作报废,不作连续使用;3.4平衡环拆卸是出口尾座拆卸后放置平,再拆卸。
一般卧式离心泵的检修工艺及方法1、解体顺序:A、分别在泵与电机的联轴器上作记号,拆下电机送有关部门检查试验;B、松开泵壳体与吸入端盖之间的连接螺栓,拆下吸入端盖;C、松开叶轮螺母,拆下叶轮,取出叶轮键;D、拆下联轴器,由于联轴器与主轴一般配合较紧,不能盲目敲击,应使用拆卸联轴器工具拆卸;E、松开填料压盖的紧固螺栓,取下填料压盖,掏出填料;F、松开靠近联轴器侧的轴承压盖螺栓,拆下轴承压盖;G、将主轴连同滚珠轴承一起由联轴器侧取出。
抽取时应用铜棒轻轻敲击叶轮端主轴,不可用铁榔头直接敲击,以免损伤主轴端的螺纹。
2、注意事项:所有拆卸下的零部件应妥善保管,不得随意乱放。
容易混淆的零部件,都应专门作出记号。
数台泵同时解体时,各泵的零部件应分别存放。
对于精密的零部件应特别注意保护,不得堆压,并用干净的塑料布或者其他柔软材料包装好。
3、检修质量标准:A、各部件要清洗干净。
用一个大小合适的油盘,使用汽油或者其他清洗剂,将拆下的泵零件,根据加工精密程度,分别清洗干净。
一般是清洗滚动轴承和主轴,然后清洗叶轮和联轴器,同时清洗轴承室和泵壳体,最后清洗其他零部件。
B、滚动轴承应清洁无锈蚀,转动应灵活、无杂音,否则应更换。
C、主轴应光滑无锈蚀、毛刺,弯曲度在许可范围以内,特别是滚动轴承、叶轮、联轴器装配的一段及填料盒内一段,应无锈斑。
如发现轻微锈斑、毛刺,应用细砂布、油石打磨干净。
D、叶轮内孔应光滑、无毛刺,键槽应平滑,叶轮流道内应无型砂残留,叶轮密封圈处应无缺损,叶轮内各叶片应无残缺。
叶轮两盘面应无裂纹、砂眼、气孔等缺陷。
E、联轴器内孔应光滑,键槽应平滑、无毛刺,联轴器表面应无裂纹。
F、轴承室、泵壳体内应无型砂、无裂纹、无砂眼等。
G、轴的弯曲度不能超过0.05mm,否则应进行直轴。
H、密封环径向间隙用游标卡尺测量,其值应为导叶密封环内径与叶轮密封环外径差的一半。
其值应符合下表的规定,一般应为叶轮密封处直径的1/1000—1.5/1000,但最小不得小于轴瓦顶部间隙,且四周间隙应均匀相等。
TSH-HC-01-020 卧式多级泵检修规程-封面01-01页-状态卡02-03页-动作卡03-09页-附件09-13页工程验收确认检修负责人:车间设备负责人:设备部主管工程师:准备阶段状态卡000 检修前的准备;010 办理检修作业票;020 确认已具备施工条件;检修阶段100 拆联轴器护罩;110 拆联轴器;120 泵体拆除吊离;130 拆除轴承箱组件;140 拆卸机械密封组件;150 拆卸各级叶轮及蜗壳;160 拆除轴承;200 清洗检查轴承箱组件;210 清洗检查叶轮及壳体流道;300 回装叶轮及蜗壳;310 泵体回装;320 回装机械密封组件;330 组装滚动轴承组件;350 回装轴承;360 回装轴承箱组件;400 调整转子定位;4100 回装联轴器;交工阶段500 现场清扫;510 机泵试车和验收。
动作卡准备阶段000 检修前准备;001 B-( ) 检修施工的时间安排已经确定。
002 B-( ) 检修所需的零配件和相应的材料已备齐。
003 B-( ) 检查检修专用工具和经检验合格的量具、器具已备齐。
B-< > 起重工对起吊设施进行检查,应符合安全规定。
起重工签字( )签字( ) 004 B-( ) 查阅停机前机组各部位振动值、轴位移、轴承温度、供油压力及泄漏点。
005 B-( ) 查阅上次检修资料和有关图纸,做好检修人员培训,准备好最新版本的检修作业规程。
010 办理施工作业票011 B-( ) 施工作业票已经按规定程序办理审批好。
B-< > 确认施工作业票规定的内容已经全部落实。
签字( ) 020 确认机泵已经具备安全拆卸的条件;B < > C-< > 确认电机电源已经切断,相关阀门已关闭。
签字 ( ) ( ) 021 B-[ ] 确认机泵已经切出系统,排放导淋已全部打开,进出口压力指示为零,泵体温度接近环境温度。
B-< > 确认机泵已排油。
离心泵检修标准规程一、离心泵完好标准1.1 离心泵的基本结构离心泵主要由泵壳、转子、叶轮、轴承及密封等组成。
泵壳体是卧式,由吸入室和排出室组成。
在壳体的两端或一端设有支承转子的轴承室、机械密封室。
转子由主轴、叶轮、轴套、轴承、联轴器组成,各配件以不同的配合方式装配在轴上。
1.2检修标准:离心泵一般一年大修一次,累计运行时间未满2000h,可按具体情况适当延长。
(1)电流表、压力表工作正常稳定(2)机封或填料压盖部位的温度正常,机封无泄漏,填料密封渗漏正常。
(3)检查泵的轴承温升正常,轴承温升一般不超过周围温度35℃,最高不能超过75℃。
(4)检查泵的声音和振动是否正常。
二、检修周期和检修内容2.1 检修周期根据状态监测结果及设备运行状况,可以适当调整检修周期。
一般检修周期见表1。
2.2 小修项目(1)检查清理冷却水、封油和润滑等系统。
(2)处理在运行中出现的一般缺陷。
(3)根据运行情况,检查机械密封或更换填料密封。
(4)检查清洗轴承、轴承箱、挡油环、挡水环、油标等,调整轴承间隙。
并检查轴承滚子外圈间的间隙。
(5)检查各部螺栓有无松动。
(6)检查修理联轴器及驱动机与泵的对中情况。
2.3 大修项目(1)包括小修的所有项目。
(2)解体检查各零部件的磨损、气蚀和冲蚀情况并进行修理或更换,泵轴、叶轮必要时进行无损探伤。
(3)检查清理轴承、油封等,测量、调整轴承油封间隙。
必要时更换轴承或油封。
(4)检查轴的弯曲度,必要时校正轴的直线度。
(5)检查测量转子的各部圆跳动和间隙,必要时做动平衡校检。
(6)修理或更换机械密封及填料。
(7)测量并调整转子的轴向窜动量。
(8)调校出口压力表。
(9)检查进出口滤网,必要时更换。
(10)检查泵体、基础、地脚螺栓及进出口法兰的错位情况,防止将附加应力施加于泵体,必要时调整垫铁和泵体水平度或重新配管。
三、检修方法与质量标准3.1 检修前准备工作(1)掌握泵的运转情况,并备齐必要的图纸和资料。
卧式多级离心泵安全操作及保养规程前言卧式多级离心泵是一种常见的机械设备,它广泛应用于许多领域,如农业、化工、石油、电力等。
在使用过程中,正确的操作和保养对延长设备寿命、保障工作安全是至关重要的。
本文将介绍卧式多级离心泵的安全操作和保养规程。
安全操作1. 设备检查在操作前,首先要进行设备的检查,确保各项设备操作正常,没有异常情况。
具体的检查步骤如下:1.检查电机是否连接正常,无松动情况。
2.检查泵体和管路连接是否紧固,是否有泄漏现象。
3.检查泵体内部零部件是否有异物,如杂质、铁屑等。
4.检查各水阀的开关是否正常。
5.清理水箱,使水质清洁,确保水泵吸入的水不会影响正常运行。
2. 正确启动在进行启动前,应按照以下步骤进行操作:1.打开水泵控制系统主电源,查看各部分仪表的读数是否正常。
2.观察泵体是否有异响、振动和漏水现象。
3.打开自来水阀使泵体充水,否则空运转时轴承和机械密封容易受损。
4.开始启动电机,启动时要逐渐增加转速,不能猛然加速。
3. 停机操作当卧式多级离心泵运行一段时间后,需要进行停机操作。
具体步骤如下:1.逐级关闭出口阀门。
2.当所有阀门关闭后,将电机停止工作。
3.等待泵体内的水排出后,可以关闭进口水阀,并关闭电源。
4. 注意事项卧式多级离心泵在操作过程中需要注意以下事项:1.禁止超负荷工作,一旦发现工作负荷异常,应及时停机检查。
2.各部位轴承、机械密封部位在运行过程中温度不能超高(相对环境温差不应高于40℃),必须对温度进行监测,出现异常情况应及时停机检查。
3.禁止在低温环境下启动水泵,否则由于机械密封的作用,轴承和密封零件的压缩变形会导致启动困难,影响正常应用。
保养规程在正常操作过程中,必须按照保养规程进行保养,以确保设备的长期安全和稳定运行。
具体步骤如下:1. 环境保养卧式多级离心泵需要放置在通风干燥、无酸碱腐蚀气体和灰尘的环境下,远离食品、烟花爆竹和易燃易爆物品。
2. 清洁保养1.经常将泵体表面和电机表面清洗干净,清除各部位的积水、灰尘、泥沙和其它污垢。
卧式多级离心泵检修技术规程编制:审核:批准:231. 目录 (1)2. 总则 (2)3. 规程适用范围 (2)4. 离心泵主要部件的结构与作用 (3)5. 检修周期和检修内容 (5)6. 设备完好标准 (6)7. 离心泵常见故障、原因及处理方法 (16)8. 主要零部件的检修技术 (18)8.试车与验收 亠•总则根据上海东方泵业有限公司提供的《锅炉给水泵》和《多级离心 泵使用说明书》,参照原化学工业部颁发的《多级离心泵维护检修规 程》(HG25024— 91)以及其它有关技术资料,编制本规程。
二、规程适用范围本规程适用于盐湖海纳公司锅炉装置的锅炉给水和输送160 C以下的清水的多级离心泵(以下均简称为“多级泵”)的维护和检修,具体清单如下:本规程与制造厂的技术文件相抵触时,应遵循制造厂技术文件中的一切规定。
三、离心泵主要部件的结构与作用多级离心泵(如图1)的进出口方向均垂直向上,根据扬程的需要可选用不同的级数。
fljecf030.00 A^ft 041.00叶轮100.00縣支聚332.00 如权U021.00出巴段050.01入D段口坏140.00折淀业340.00022.00申段065.00 +O164.00 轴*440.00 耕030.02唸封箱依091.00 轴306.00轴冬450.00宇恕螺松图L多级离心泵结构示意图泵固定部分由进水段、中段、出水段、导叶、尾盖及轴承体等组成;为防止中段、导叶的磨损,在进水段和中段的内壁与叶轮易碰的地方,装有密封环和导叶套。
转子部分主要由泵轴及装在轴上的数个叶轮、轴套和一个平衡轴向推力的平衡盘以及联轴器组成,轴的两轴用轴承支承,并置于轴承体上;叶轮一般为单吸,吸入口都朝向一边。
转子在工作过程中可以左右串动,靠平衡盘自动将转子维持在平衡位置上。
多个叶轮串联工作,同一型号的扬程根据级数(即叶轮的个数)而定。
进水段、中段和出水段静止结合面用纸垫通过拉紧螺栓的拉紧来达到密封;为防止水进入轴承,在轴承前装有挡水圈,并在轴套间装有“O”形橡胶圈。
多级离心泵维护规程1.完好标准1.1泵本体及各零、部件完整、齐全。
1.2基础螺栓及各连接螺栓齐全、紧固、无锈蚀。
1.3安全防护装置齐全、稳固。
1.4压力表、电流表等仪表齐全、灵敏,量程符合规定,并定期校验。
1.5进、出口阀门及润滑、冷却系统管线安装整齐,标志明显,油标、油杯等齐全好用。
1.6各部安装配合符合规定。
1.7泵及附属阀门、管件、管线油漆完整。
1.8基础、底座完整、坚固。
1.9油路畅通,润滑良好,实行“五定”、“三级过滤”。
1.10运转正常,无异常振动、杂音等现象。
1.11压力、流量平稳,各部位温度正常,电流稳定。
1.12能达到铭牌出力或查定能力。
1.13设备清洁,外表无灰尘、油垢。
1.14基础清洁,表面及周围无积水、废液,环境整齐、清洁。
1.15进、出口阀门、法兰接口及泵体各段接合处均无泄漏。
1.16填料密封:初期每分钟不多于20滴,末期每分钟不多于40滴。
机械密封:初期应无泄漏,末期每分钟不超过5滴。
2.设备维护2.1日常维护2.1.1严格按泵的操作规程启动、运行与停车,并做好运行记录。
2.1.2每班检查润滑部位的润滑油情况。
2.1.3新换轴承后,工作100小时应清洗换油,以后每运行1000~1500小时换油一次,油脂每运行2000~2400小时换油。
2.1.4经常检查轴承温度应不高于环境温度35℃,滚动轴承的最高温度不得超大型过75℃;滑动轴承的最高温度不得超过65℃。
经常检查电机温升。
2.1.5每班检查轴封滴漏情况,填料密封保持每分钟10~20滴为宜;对于机械密封,要达到完好标准。
2.1.6经常观察泵的压力和电机电流是否正常和稳定,注意泵有无噪音等异常情况,发现问题及时处理。
2.1.7经常保持泵及周围场地整洁,及时处理跑、冒、滴、漏。
2.1.8维修人员应定时上岗,检查设备运行情况并及时处理所发现的问题2.3紧急情况停车遇有下列情况之一,应紧急停车处理:a.突然发生剧烈振动;b.泵内发出异常声响;c.电流超过额定值持续不降经处理无效;d.泵突然不出水。
第节多级离心泵维护检修规程一、检修周期和检修内容(一)检修周期(二)检修内容1、小修:(1)更换填料或检修机械密封。
(2)检查轴承,调正各部间隙及校正联轴节。
(3)紧固各部螺栓,消除运行中发生的缺陷和渗油,更换零件。
(4)检查转子轴向窜动量。
(5)清扫并修理冷却水,封油和润滑系统,更换润滑油(脂)。
2、大修:(1)包括小修内容。
(2)检查、调整各部间隙及转子的径向跳动,端面跳动,泵轴弯曲。
(3)检查修理平衡盘与平衡环的端面接触及各段间,叶轮轮毂、轴套、平衡盘轮毂轴肩、紧固螺母间的端面接触情况。
(4)检查修理轴瓦。
(5)清理检修进口滤网、逆止阀和运行系统阀门。
(6)检查和调整泵体的水平度。
(7)联轴节调整。
(8)检查压力表。
二、检修方法及质量标准(一)泵体1、泵坐与基础面应接触严密。
2、有轴向膨胀销的泵,滑销和销槽应平滑无毛刺。
3、泵段应无裂纹、气孔和严重砂眼,止口面无毛刺及碰撞变形,要求接触面达到75%以上。
4、组装总连螺栓时,应对称进行,且用力要均匀。
(二)导业及口环:1、导叶流道部分应光洁,导叶及口环配合部不应有严重的通孔、气蚀等缺陷。
2、口环与导叶轮的配合采用D/gc。
3、导叶口环与叶轮径向间隙见表1:表1 单位:mm(三)泵轴1、轴颈的不柱度和椭圆度不得大于轴颈的1/2000,但最大不得超过0.03mm,表面不得有伤痕,光洁度不低于▽6.2、以两轴颈圆柱面为基准,联轴节处轴段的径向跳动不大于表2规定:表2 单位:mm3、键槽中心线对轴心线的不对称度不大于0.03mm/100mm。
(四)叶轮1、叶轮口环,轮毂的径向跳动不大于表2规定。
2、叶轮的表3规定:表3 单位:mm3、轮毂键槽以及平衡盘,联轴节处键槽,中心线对轴心线不对称度不大于0.03mm/100mm。
4、更换叶轮时,须校核静平衡。
静平衡允差见表4:表4 单位:mm5、叶轮用去重法进行静平衡,但切去的厚度不得大于壁厚的1/3。
(五)转子与转子预装:1、叶轮、平衡盘与轴的配合采用D/gd配合。
BB3型卧式多级离心泵检修方案一、泵的概况:SCSK型泵为卧式两端支撑、轴向剖分、自平衡多级离心泵。
属TAPI610标准中的BB3型式。
叶轮采用对称布置,通过合理设计吸入轴套、中间套和节流轴套的外径平衡轴向力。
没有复杂的平衡盘、平衡鼓等平衡机构。
中间轴套、节流轴套设有适合两相流的结构设计。
泵级间采用环形密封件、壳体间采用薄垫密封,吸入和吐出口布置在壳体的下面,采用集装式机械密封,泵从驱动端看,泵顺时针旋转。
结构图二、人员组织:钳工7人,起重工1人。
三、工器具配置序名称规格、数量备注号1 倒链3吨2个2 吊带3吨3条3 液压扳手1套0电机已断电,生产车间对系统处理完毕,达到交出条件,办理交出手续,施工作业手续办理完毕000 检修前准备;010 办理施工作业票;020 放掉润滑油1拆卸泵各部零配件100 拆除泵体各部位的水线,油杯,压力表等;110 拆除电机与泵之间的联轴器短节,检查对中;120 回装两端机械密封定位卡片,松开机封压盖螺栓,拉出机械密封;130 拆卸两端轴承盖子及轴瓦压环,检查滑动轴承顶间隙、侧间隙、瓦背与轴承座的接触面积及两侧的过盈量、轴瓦与轴颈的接触面积、转子总串量并记录数据;140 拆卸两端轴承座、机械密封、密封腔体(注意:拆卸密封时锁定密封轴套都取下,清洁上、下轴瓦,并单独存放,以免损坏。
)150 泵主体部件的拆卸拆卸泵体前测量并记录转子串量151 泵盖及转子部件的拆卸:1、利用液压扳手拆卸泵盖和泵体的螺母并拔出定位销;(安全风险提示:使用液压扳手严格按照《液压扳手操作规程》操作使用,防止超压伤人及机械夹伤事故。
)2、起吊泵盖放置安全位置;3、将起吊绳索置于密封压盖处,轻轻将转子部件吊起,取出分半的中间套,然后将转子运送至检修厂房拆检(注意:各泵体密封环、节流套、中间套和吸入套的防转销,小心存放,防止丢失。
)152转子部件的拆卸:1、从非驱动端依次拆下节流盖、节流套、泵体密封环;2、从驱动端依次拆下吸入套和泵体密封环;3、将转子竖直放置,驱动端向上;4、将双吸叶轮用焊枪加热后向非驱端推动,取下卡环,拆下该叶轮、泵体密封环和吸入套,取下对应键;5、将吸入套加热后向非驱推动,取出卡环,拆下吸入套、泵体密封环,取下对应键;6、其他驱动端相同布置叶轮依同样的方法进行拆卸,同时注意各叶轮、密封环以及建一同对应编号保存。
卧式多级离心泵维修技术要求
1. 安全措施:在进行任何维修工作之前,确保采取适当的安全措施,包括关闭电源、锁定设备、佩戴个人防护装备等。
2. 拆卸与组装:按照制造商提供的拆卸和组装指南进行操作。
注意记录零件的位置和顺序,以便在重新组装时能够正确安装。
3. 清洁与检查:彻底清洁所有零件,包括叶轮、泵壳、轴等。
检查零件的磨损、腐蚀、裂纹等情况,并根据需要进行修复或更换。
4. 轴承检查与润滑:检查轴承的润滑情况,如有必要,添加适量的润滑剂。
如果轴承磨损严重或出现故障,应及时更换。
5. 密封检查与更换:检查轴封和机械密封的状况,如有泄漏或损坏,应进行修复或更换。
确保安装新密封时正确调整和紧固。
6. 叶轮平衡:如果叶轮出现不平衡或损坏,需要进行平衡校正或更换。
7. 轴校直:检查泵轴的直线度,如有必要,进行校直或更换。
8. 水压试验:在维修完成后,进行水压试验以确保泵的密封性能良好。
9. 调试与运行:在安装完成后,进行调试和运行测试,检查泵的性能是否符合要求。
请注意,以上内容仅为一般性的维修技术要求,具体的维修步骤和要求可能因不同的卧式多级离心泵型号和制造商而有所差异。
在进行维修工作时,始终参考设备制造商提供的维修手册和指南,以确保正确的操作和维修。
如果你不具备相关的维修经验和技能,建议寻求专业的维修服务或咨询设备制造商。
第 节多级离心泵维护检修规程一、检修周期和检修内容(1) 更换填料或检修机械密封。
(2) 检查轴承,调正各部间隙及校正联轴节。
(3) 紧固各部螺栓,消除运行中发生的缺陷和渗油,更换零件。
(4) 检查转子轴向窜动量。
(5) 清扫并修理冷却水,封油和润滑系统,更换润滑油(脂)。
2、大修:(1) 包括小修内容。
(2) 检查、调整各部间隙及转子的径向跳动,端面跳动,泵轴弯曲(3) 检查修理平衡盘与平衡环的端面接触及各段间,叶轮轮毂、轴 套、平衡盘轮毂轴肩、紧固螺母间的端面接触情况。
(4) 检查修理轴瓦。
(5) 清理检修进口滤网、逆止阀和运行系统阀门。
(6) 检查和调整泵体的水平度。
(7)联轴节调整(一)检修周1、 小修二)检修内容(8)检查压力表。
二、检修方法及质量标准(一)泵体1、泵坐与基础面应接触严密。
2、有轴向膨胀销的泵,滑销和销槽应平滑无毛刺。
3、泵段应无裂纹、气孔和严重砂眼,止口面无毛刺及碰撞变形,要求接触面达到75%以上。
4、组装总连螺栓时,应对称进行,且用力要均匀。
(二)导业及口环:1、导叶流道部分应光洁,导叶及口环配合部不应有严重的通孔、气蚀等缺陷。
2、口环与导叶轮的配合采用D/gc。
3、导叶口环与叶轮径向间隙见表1:表1 单位:mm(三)泵轴1、轴颈的不柱度和椭圆度不得大于轴颈的1/2000,但最大不得超过0.03mm,表面不得有伤痕,光洁度不低于^ 6.2、以两轴颈圆柱面为基准,联轴节处轴段的径向跳动不大于表2规疋:表2 单位:mm3、键槽中心线对轴心线的不对称度不大于0.03mm/100mm。
(四)叶轮1、叶轮口环,轮毂的径向跳动不大于表2规定。
2、叶轮的表3规定:表3 单位:mm3、轮毂键槽以及平衡盘,联轴节处键槽,中心线对轴心线不对称度不大于0.03mm/100mm。
4、更换叶轮时,须校核静平衡。
静平衡允差见表4:表4 单位:mm5、叶轮用去重法进行静平衡,但切去的厚度不得大于壁厚的1/3 (五)转子与转子预装:1、叶轮、平衡盘与轴的配合采用D/gd配合。
***药业有限公司1、目的:建立多级离心泵检修规程。
2、范围:本规程适用于输送温度不高于80弋的清水及化学性质类似水的其他液体,吸入直径100mm及以上和一盘多级离心泵的维护和检修。
3、责任:公司设备负责人,车间主任,设备维护检修人员对执行本规程负责。
4、规程4.1、检修间隔期4.1.1、检修类别:分为小修,大修二类。
4.1.2、检修间隔期检修间隔期见表:、检修内容4.2.1、小修4.2.1.1、更换填料或检修机械密封。
4.2.1.2、检查轴承,校正联轴器。
4.2.1.3、紧固各部位螺栓,消除运行中发生的缺陷和渗漏。
4.2.1.4、检查,或清理冷却水和润滑系统,更换润滑油(脂)4.2.1.5、清理,检修吸入口滤网,逆止阀和运行系统阀门。
4.2.2、大修4.2.2.1、包括小修内容。
4.2.2.2、检查泵轴弯曲情况,调整各部位间隙。
****药业有限公司4.2.2.3、检查,修理平衡盘与平衡环的端面接触及各段间,叶轮轮毂,轴套,平衡盘轮鼓,轴肩,紧固螺母间的端面接触。
4.2.2.4、检查或修理轴瓦,调整泵轴线与泵体基础平面的平行度。
4.225、找正联轴器。
4.2.2.6、修理或更换叶轮等各主要部件,更换轴承垫片和其它易损件。
4.2.2.7、对整杨的辅机进行清洗,除锈涂漆。
4.3、检修前的准备4.3.1、技术准备4.3.1.1、使用说明书,装配及技术标准等技术资料。
4.3.1.2、设备运行,监测,检修,缺陷,隐患,故障,功能情况等记录,并进行分析。
4.3.1.3、设备在检修前应进行有关技术对,噪音,振动,磨损,泄漏,老化,腐蚀及性能方面的预检,并记录。
4.3.1.4、制订检修计划。
4.3.2、物资准备4.3.2.1、拆装工具(特别是专用工具),检测量器具。
4.3.2.2、需要更换的备品配件及修理用的材料。
4.3.3、安全技术准备4.3.3.1、切断设备电源,隔断与泵相连的管道,并设置《禁止开启》警示牌。
卧式多级离心泵品牌安全操作及保养规程1. 引言卧式多级离心泵是一种常见的工业设备,广泛应用于石油、化工、冶金等行业。
为了确保泵的正常运行和延长使用寿命,必须进行安全操作和定期保养。
本文档旨在介绍卧式多级离心泵的品牌安全操作及保养规程,以提供使用者一份可靠的指南。
2. 安全操作规程2.1 泵房安全•操作人员应了解和遵守泵房的安全规定,包括紧急停车装置的位置和使用方法。
•确保泵房通风良好,并保持泵房内的干燥和清洁。
•不允许在泵房内吸烟或使用明火。
2.2 电气设备安全•操作人员必须熟悉电气设备的安全操作规程。
•确保电气设备和电缆的绝缘良好,并定期检查和维护。
•使用绝缘手套和其他必要的个人防护设备。
2.3 泵的操作•在操作泵之前,确保泵的连接管道和阀门处于正确位置。
•启动泵之前,检查泵是否有异常噪音、振动或漏水现象。
•在启动泵之前,确保泵的进水管道中没有杂物。
2.4 紧急停车•在紧急情况下,应立即操作紧急停车按钮或拉动紧急停车拉环。
•在紧急停车后,检查泵的状态,并及时排除故障。
3. 保养规程3.1 定期检查•定期检查泵的密封装置,确保其正常工作,必要时进行维修或更换。
•检查泵的轴承和润滑系统,确保润滑油和润滑脂的充足,并根据要求添加或更换。
•检查泵的进水口过滤器,必要时进行清洗或更换。
3.2 润滑维护•对泵的润滑部位进行定期润滑,使用指定的润滑剂,并根据要求更换润滑剂。
•检查润滑系统,确保其正常工作,并及时排除故障。
3.3 清洗和维护•当泵长时间停止使用或运行条件发生变化时,应彻底清洗泵和管道。
•定期检查泵的密封环和耐磨橡胶件,必要时进行更换。
3.4 季节性保养•根据不同季节的情况,对泵进行相应的保养,如冬季的防冻措施等。
4. 结论卧式多级离心泵的品牌安全操作及保养规程是保证泵长期稳定运行和延长使用寿命的关键。
通过遵守安全操作规程和定期保养,可以减少故障发生的可能性,提高运行效率,节省维修成本。
操作人员应加强对泵房安全和电气设备安全的认识,定期检查和维护泵的各项部件,确保泵的正常工作。
卧式多级离心泵检修技术规程编制:审核:批准:1.目录 (1)2.总则 (2)3.规程适用范围 (2)4.离心泵主要部件的结构与作用 (3)5.检修周期和检修内容 (5)6.设备完好标准 (6)7.离心泵常见故障、原因及处理方法 (16)8.主要零部件的检修技术 (18)8.试车与验收23亠•总则根据上海东方泵业有限公司提供的《锅炉给水泵》和《多级离心泵使用说明书》,参照原化学工业部颁发的《多级离心泵维护检修规程》(HG25024—91)以及其它有关技术资料,编制本规程。
二、规程适用范围本规程适用于盐湖海纳公司锅炉装置的锅炉给水和输送160 C以下的清水的多级离心泵(以下均简称为“多级泵”)的维护和检修,具体清单如下:本规程与制造厂的技术文件相抵触时,应遵循制造厂技术文件中的一切规定。
三、离心泵主要部件的结构与作用多级离心泵(如图1)的进出口方向均垂直向上,根据扬程的需要可选用不同的级数。
fljecf图L 多级离心泵结构示意图泵固定部分由进水段、中段、出水段、导叶、尾盖及轴承体等组 成;为防止中段、导叶的磨损,在进水段和中段的内壁与叶轮易碰的 地方,装有密封环和导叶套。
转子部分主要由泵轴及装在轴上的数个叶轮、轴套和一个平衡轴 向推力的平衡盘以及联轴器组成,轴的两轴用轴承支承,并置于轴承 体上;叶轮一般为单吸,吸入口都朝向一边。
转子在工作过程中可以 左右串动,靠平衡盘自动将转子维持在平衡位置上。
多个叶轮串联工 作,同一型号的扬程根据级数(即叶轮的个数)而定。
进水段、中段和出水段静止结合面用纸垫通过拉紧螺栓的拉紧来 达到密封;为防止水进入轴承,在轴承前装有挡水圈,并在轴套间装 有“O ”形橡胶圈。
两端轴圭寸采用油浸石棉盘根,密圭寸可通过调节压盖螺栓的松紧来 达到,正常的密封泄漏量应保持在每分钟 30滴以内。
锅炉给水泵的两端轴承体有环形冷却室结构,当被输送介质的温 度大于80C 时,应从外部通往冷水对轴承进行冷却。
泵由电动机通过联轴器直接驱动030.00 A^ft 041.00叶轮 100.00縣支聚332.00 如权U021.00出巴段 050.01入D 段口坏 140.00折淀业 340.00022.00申段 065.00 +O 164.00 轴* 440.00 耕030.02唸封箱依 091.00 轴 306.00轴冬 450.00宇恕螺松四、检修周期和检修内容检修周期:根据状态监测结果及设备运行状况,可以适当调整检修周期。
一般检修周期见表1检修内容如下:小修1.根据故障原因,排除故障;2.检修填料密封,更换填料;3.检查轴承,调整各部位间隙;4.检查及找正联轴器,调整轴向间隙,更换联轴器易损件;5.紧固各部位的螺栓,消除运行中发现的缺陷和渗漏,更换零件;6.检查转子轴向窜动量;7.清扫并检查修理冷却水、油封和润滑系统;更换润滑油(脂);8.清扫、检修阀门。
中修1.包括小修全部内容;2.检修机械密封,更换机械密封的零件;3.解体,清洗检查叶轮、密封环、衬套、轴套、导叶、平衡盘、平衡环及各零部件的磨损、腐蚀、冲蚀程度,进行修复或更换;4.修理及刮研轴瓦,调整间隙或更换轴承;5.测定叶轮的静平衡是否符合要求;6.检查各段叶轮毂、轴套、平衡盘毂、紧固螺母端面接触情况,测量及校正各段叶轮间距;7.测量泵轴及转子部件各部位的跳动量;8.检查、调整各部位间隙,调整转子窜动量;9.校验压力表;10.检修电机。
大修:1.包括中修全部内容;2.更换叶轮及导叶;3.更换泵轴;4.泵体各段检测、鉴定和作必要的修理;5.检查和调整泵体的水平度;6.设备及附属管线除锈、防腐及油漆。
五、完好标准:1零、部件1.1泵体及各零、部件完整齐全。
1.2基础螺栓及各连接螺栓齐全、连接紧固,无锈蚀。
1.3安全防护装置齐全、稳固。
1.4压力表、电流表等仪表齐全、灵敏、可靠,量程符合规定,并按规定定期进行校验。
1.5进、出口阀门及润滑、冷却系统管线安装整齐,标志明显并定期校验。
1.6各部安装配合符合规定:进、出口阀及管线安装合理,横平竖直,不堵不漏。
1.7泵体及附属阀门、管件、管线油漆完整,标志明显。
1.8基础及底座完整、坚固。
2运行性能:2.1润滑油位符合规定,润滑良好,能严格执行润滑制度的“五定”、“三级过滤”等规定。
2.2运转正常,无异常振动、杂音等现象。
2.3压力、流量平稳,各部温度正常,电流稳定。
2.4能达到铭牌出力或查定能力。
3技术资料3.1有泵的总装配图或结构图,有易损配件图。
3.2有使用说明书、产品合格证、质量证明书。
3.3设备档案齐全,数据准确可靠。
档案内容包括:3.3.1多级离心泵的安装、试车检验记录;3.3.2多级离心泵的设备履历卡片和运行、检测等记录;2.3.3.3多级离心泵的历次检修及验收记录;3.3.4设备缺陷及事故情况记录。
3.4操作规程、维护检修规程齐全。
4设备及环境4.1设备清洁,外表无灰尘、油垢。
4.2基础及底座整洁,表面及周围无积水、杂物,环境整齐清洁4.3进出口阀门、法兰接口及泵体各段结合处均无泄漏。
4.4轴封处泄漏量:441填料密封:初期每分钟不多于20滴,末期每分钟不多于40滴;442机械密封:初期应无泄漏,末期每分钟不得超过5滴。
5检修方法及质量标准5.1检修前的准备工作和检修中的注意事项5.1.1确定检修内容,制定检修方案,编制检修计划和检修进度。
5.1.2检修前向检修人员进行任务、技术、安全交底,检修人员应熟悉检修规程和质量标准,对于多级泵存在的重大缺陷应提出相应的技术措施。
5.1.3落实检修所需的材料与备件,校验检修中使用的量具、仪器, 准备好检修所需的工具,尤其是专用工具。
5.1.4多级泵交付施工单位进行检修前,设备所在单位必须按照原化学工业部颁发的《化工企业安全管理制度》和《化学工业部安全生产禁令》的有关规定,切断电源,做好设备、管路的卸压、隔绝、置换、清冼等工作,经分析合格后方可移交检修人员进行检修。
不具备施工条件的不准强行检修。
5.1.5检修中零部件的拆装应按规定进行,尽量使用专用工具;一些可以不拆的组合件尽量不拆;拆卸过程中不得随意破坏零件,万不得已时必须得到有关技术人员的同意。
5.1.6拆卸时应作好各零件的相对位置和方向的标记,要放置有序,以免组装出现漏装、错位、倒向等错误;即使具有互换性的零件(如叶轮、轴套等),组装时也不应随意调换位置,以免影响转子的平衡,或使原先已经磨合的配件又重新开始磨合,甚至产生其它问题。
拆卸下来零件可用煤油、柴油或专门的清冼剂清冼以除去油迹、污垢, 要清冼干净,整齐地摆放在干净的塑料布上,不得直接接触地面;精密加工的部件或部位,要用干净的布包扎好;拆卸后暴露出来的油、气管和开口处要妥善封闭,防止异物掉入。
5.1.7在检修过程中,应按要求对检修部位和关键部位的零件进行测量,要如实填写检修记录,经过检修的零部件尺寸包括配合尺寸,必须恢复到图纸规定或允许的范围内。
5.2 拆卸分段式多级离心泵的前段、中段、后段是由若干个拉紧螺栓固定在一起,形成一个完整的泵体。
拉紧螺栓的紧力使各段之间轴向密封面紧密贴合,阻止了泵腔内压力水向外泄漏。
拉紧力过大会图上分段式多级禽心泵拉紧螺栓1,前段2枠煨绘工申段4后段造成零、部件损坏;拉紧力过小则密封面泄漏。
有的设备制造厂在产 品说明书上给出拉紧螺栓的紧力值,检修后组装时按规定值上紧螺栓 就行;但多数制造厂没有给出拉紧螺栓紧力值,这就要求现场检修时, 根据拆装前后拉紧螺栓长度的对比来保证拉紧力适中。
简便的做法 是:拆卸之前将各个拉紧螺栓及其相匹配的螺母按顺序编号,例如按将螺栓和螺母端面打磨干净,对同一根拉紧螺栓分别测量其两端螺栓 露出螺母的高度Xy 和Yi ,并算出Zi(Zi = Xi + Yi);如图2。
组装时用同 样方法测量出Xi'和Yi'并计算出Zi',使Zi = Zi'。
测量时应做好测量记录(举例如表5), 测量完毕后可以开 始拆卸。
拆卸多级泵时 可以从两轴承架拆 起。
在取出平衡盘 之后,开始拆卸拉紧螺栓;在抽去拉紧螺栓时务必要相隔 180°的位 置上保留两根,以免前段、中段和后段突然散架,碰坏转子或其它零 件。
5.3 主要零部件的技术要求 5.3.1泵体与泵座1. 泵座与基础表面应接触严密,安装后底座的水平度误差为: 纵向不大于0.05mm/m ,横向不大于0.10mm/m 。
顺时针方向编号1、2、3、4、(另一端则按逆时然编号)。
用砂布表5.2.有轴向膨胀销的多级泵,滑销与销槽曾性与年架q O推动料J 应平滑无毛剌。
3.泵体应无裂纹,液体流道表面铸造光滑、无砂眼和气孔等缺陷;各段泵体结合面平行度误差不大于0.1mm/m,结合面及止口面应无毛剌及图工泵壳止口同心度检查碰撞变形,要求接触面积达75%以上4.泵体止口配合间隙过大会影响多级泵的转子和壳体的同心度,必须修理;止口间隙的检查与修理方法如下(见图3):⑴ 将两个装配时相邻的泵体迭起,在上面一个泵体上放置一个磁性百分表架,百分表的触头与下面一个泵体的外圆相接触,按图中箭头方向将上面一个泵体往复推动,在百分表上的读数就是止口的间隙。
在十字方向上测量两次,如测到的间隙值为规定值(见表6)的一倍半以上或超过极限值,止口必须修理。
表6:⑵简单的修复方法是在泵体凸起的止口外圆上均匀分布地堆焊6〜8处,每处长25〜40mm,然后在车床上车削到所需要的尺寸5.泵体与叶轮密封环的配合采用H7/h6。
6.组装时,拧紧总连接螺杆应对称进行且用力要均匀。
5・3・2 导叶与衬套1.导叶流道部分应光滑,型砂必须清理干净;导叶与衬套配合部位不应有严重的通孔、气蚀等缺陷。
2.衬套与导叶的配合采用H7/n6或H7/r63. 导叶衬套与叶轮轮毂的径向间隙如表 使用磨损不超过表中最大值的三倍。
5.3.3泵轴及轴套1. 泵轴表面不得有裂纹、伤痕和锈蚀 等缺陷,必要时在大修或更换泵轴前进行无 损探伤检查;轴磨损后可用电镀、喷镀、刷 镀等方法进行修复。
2. 泵轴与叶轮及轴套配合公差用h6,与滚珠轴承配合的轴颈处 用js6或k6,与联轴器配合处轴颈用js6;轴颈的圆度和圆柱度偏差不 得大于轴径公差的1/2,最大不得超过0.03mm 。
3.轴颈表面粗糙度:装配叶轮、滚珠轴承处不大于 1.6,装配滑动轴承或联轴器处不大于3. 2。
表&处的径向圆跳动应不大于0.03mm 。
5. 键槽中心线对轴中心线相对位置的偏差应符合规定指标:偏 移不大于0.06mm ,歪斜不大于0.03mm/100mm 。
6. 与密封填料接触的轴套外圆表面应无砂眼、气孔等缺陷,其 表面粗糙度为1. 65.3.4 叶轮4.以轴承处 轴颈为基准,用千 分表检查装配叶 轮、轴套及联轴器乙间隙应四周均匀, 表7.1. 叶轮的液体流道内壁应清理光洁,不能有粘砂、毛剌和污垢;流道入口加工面与非加工面衔接处应平滑过渡。