单轨吊轨道安装标准
- 格式:doc
- 大小:462.00 KB
- 文档页数:5
单轨吊轨道选型安装标准(试行)Ⅰ、选型单轨吊轨道型号、规格参照下表选择:承担特别重型设备运输时应对轨道吊挂点强度进行校核:Ⅱ、安装一、吊具单轨吊轨道吊具包括锚杆、吊挂板、高强度螺栓、圆环链、U 型索具等。
其中锚杆不小于M22*2200,锚固力不小于80KN/ 根;连接螺栓为10.9 级以上高强度螺栓;圆环链规格为18*64mm或18*90mm(T8),U型索具额定载荷在8.5t 以上。
二、吊挂形式1、锚喷巷道锚喷巷道采用锚杆+吊挂板+圆环链、锚杆+圆环链两种生根形式(1)单链吊挂方式如图1 所示。
此吊挂方式适应于10°以下的一般运输巷采掘工作面机风巷)使用。
图 1 单链单吊挂板吊挂方式1. 锚杆2. 专用吊挂板3.高强螺栓M20× 1004. 专用垫块5. Φ18×64mm6.U 型吊环7. 高强螺栓M20× 1208.I140E 轨道(2)双链吊挂方式①双锚杆双链无吊挂板吊挂方式如图2 所示,此吊挂方式适应于10°以上的一般运输巷(采掘工作面机风巷)使用。
②四锚杆双链双吊挂板轻轨吊挂方式巷使用如图 4 所示,四锚杆双链双吊挂板重轨吊挂形式一般选用 两根Φ 18× 90mm 吊挂链,每根吊挂链采用一个吊挂板加两根1. 锚杆 4.U 型吊环5. 高强螺栓 M20× 1203. Φ 18× 64mm 链环 6.I140E 轨道如图 3 所示,此吊挂方式是适应于10°以下的主要运输图 2 双锚杆双链无吊挂板吊挂方式2. 双螺帽图 3 四锚杆双链双吊挂板吊挂方式③四锚杆双链双吊挂板重轨吊挂方式锚杆固定,即每个吊挂点采用 4 根锚杆吊挂图 4 四锚杆双链双吊挂板重轨吊挂方式2.专用吊挂板 3. 专用垫块 4. 双螺母5. 高强螺栓 M20× 1006. Φ18× 90mm 链环7. 吊具3)三链吊挂方式图 5 四锚杆三链单吊挂板吊挂方式2、架棚巷道架棚巷道采用卡具 +圆环链、圆环链捆绑在 U 型钢上生根 形式1. 锚杆8.I140V 轨道如图 5 所示,此吊挂方式是适应于10°以上的主要运输(1)单链吊挂方式如图6a、图6b 所示(2)双链吊挂方式如图7a、图7b 所示图6a卡具吊挂U型钢图7a 专用卡板吊挂图7b 双链捆绑U 型钢吊挂注:U型棚吊挂方式除以上两种方式外,可根据现场实际增加吊链。
单轨吊轨道及道岔安装标准单轨吊直轨线路:1、接头平整度,水平、垂直偏差不得大于2mm。
2、方向及接头摆角允许偏差:水平不大于3°,垂直不大于7°。
3、下轨面接头轨缝不得大于6mm.。
4、轨道悬吊链铅垂偏角不得大于30°。
5、连接螺栓必须采用专用高强度螺栓,插入式横梁与工字钢梁应密贴牢固。
6、悬吊高度(下轨面至底板),运输7000型支架的巷道不得小于2700mm,运输8000型支架不得低于2800 mm,其它巷道不得小于2500 mm。
7、单轨吊轨道终端必须安装可靠的阻车装置。
单轨吊弯轨线路:8、接头平整度,水平、垂直偏差不得大于2mm。
9、方向及接头摆角允许偏差:水平不大于3°,垂直不大于3°10、下轨面接头轨缝不得大于3mm.。
11、轨道悬吊链铅垂偏角不得大于30°。
12、连接螺栓必须采用专用高强度螺栓,插入式横梁与工字钢梁应密贴,卡具齐全,横拉式小梁两边应有止滑块。
13、悬吊高度(下轨面至底板),运输7000型支架的巷道不得小于2700mm,运输8000型支架不得低于2800 mm,其它巷道不得小于2500 mm。
道岔质量通用道岔:14、每组道岔悬吊点应不少于7个,悬吊链铅垂偏角不得大于3015、轨道接头处转角不大于3°。
16、下轨面接头轨缝不大于3mm。
17、水平曲率半径不得大于4m,垂直曲率半径不得大于10m。
18、连接螺栓必须采用专用高强度螺栓。
19、道岔轨道无明显变形,活动轨动作灵敏、准确。
20、单轨吊线路中的道岔应采用固锁装置(采用气动驱动方式时除外)。
道岔指示仪指示正确,安全有效。
特殊道岔:21、每组道岔悬吊点应不少于6个,悬吊链铅垂偏角不得大于3022、下轨面接头轨缝不大于6mm。
23、连接螺栓必须采用专用高强度螺栓,各部连接必须紧固。
24、道岔轨道无明显变形,活动轨动作灵敏、准确。
第三条单轨吊轨道安装要求:1、轨道布置要按照巷道设计要求打设。
单轨吊安装标准、使用要求、检查标准、验收标准报告单轨吊安装标准(一)、单轨吊轨道安装标准1、单轨1.1 单轨吊轨道主要有直轨、曲轨、连接轨和过度轨四种,吊轨规格及安装应满足下列要求:1.1.1使用符合德国工业标准(DIN20593)的专用钢轨I140E,直轨标准长度3m ,宽度68mm,高度155mm,中板厚度7±0.5mm,允许单根轨道垂直夹角是3.5°,水平夹角±1°。
弯轨水平曲率半径不得小于4m,每节弧长不得大于2m,弧长大于1.6m时,应在其中点设一吊耳;垂直弯轨曲率半径不得小于10m,每节弧长不得大于3m,弧长大于1.6m时,应在其中点增设一吊耳。
水平弯轨及轨道与道岔连接处应用法兰连接。
1.1.2同一线路必须使用同型号单轨,道岔单轨要与线路单轨型号一致,单轨接头间隙不得大于3mm,高低和左右允许偏差分别为2mm 和1mm,接头摆角垂直不得大于7°,水平不得大于3°2、单轨悬吊装置要求:2.1要求吊挂单轨的各吊挂点间距偏差不得大于15mm,10组吊挂点间距的累计偏差不得大于30mm。
2.2吊挂紧固件应使用GB5780 M20×80螺栓和GB170 M24螺母或10.9级高强度M20×80螺栓和M20螺母。
使用前应做不小于150kN 集中载荷的抽样试验。
2.3吊环可使用16Mn钢或机械性能相当的材料,使用前应做不小于150kN集中载荷的抽样试验。
2.4吊环链可选用GB/T12718-91标准的¢18×64规格的高强度圆环链,使用前应做不小于150kN集中载荷的抽样试验。
2.5当采用锚杆悬吊时,每个单轨吊挂点需有双锚杆吊挂,要求单根锚杆锚固力不得小于90kN,安装单轨前要对每根锚杆进行预定54kN锚固力的集中载荷试验。
锚杆的托板必须紧贴巷壁,应用机械或力矩扳手拧紧,锚杆露出长度不得小于100 mm,悬吊单轨的两条圆环链夹角应在30°~ 60°之间。
临时单轨吊轨道安装标准
1井下所有单轨吊临时轨道,包括吊挂掘进机二运临时轨道和吊轨式临时支护单轨吊轨道等均执行永久单轨吊轨道打设标准:
1.1、接头平整度:水平、垂直偏差均不大于2mm;
1.2、方向及接头摆角允许偏差:水平不大于3°,垂直不大于7。
1.3、下轨面接头轨缝不得大于6mm;
1.4、轨道悬吊链铅垂偏角不得大于30°。
2、吊轨式临时支护使用的单轨吊轨道必须为合格轨道,队组在拆除轨道过程中,要轻拿轻放,严禁从高处摔、扔轨道。
如发现变型轨道或接道后不能保证轨道平直时要及时更换,不合格轨道标明上井整形。
3、临时轨道前后必须安设阻车器,阻车器安设规范执行正规道标准,临时轨道涨紧销必须按规定捆绑,临时轨道必须及时拆除,不得长时间占用轨道,违者考核100-200元/处。
4、临时轨道按照永久道考核标准进行考核。
单轨吊轨道选型安装标准Ⅰ、单轨吊轨道选型一、轻载运输线路1、平巷或15°(含15°)以下的斜巷运输,采用3米/根(或以下)的轻型单轨吊轨道(I140E)。
2、15°以上的斜巷运输,采用2米/根(或以下)的轻型单轨吊轨道(I140E)。
二、重载运输线路担负综采掘设备、支架运输任务的线路定义为重载运输线路。
1、平巷或10°(含10°)以下的斜巷运输,采用2米/根(或以下)的轻型单轨吊轨道(I140E)。
2、10°以上的斜巷运输,采用3米/根(或以下)的重型单轨吊轨道(I140V)。
三、变坡段、转弯段等特殊地段的轨道选型按高一级标准执行。
Ⅱ、单轨吊轨道安装一、吊具1、单轨吊轨道采用专用吊挂板及M22*2800mm(M20*2500)锚杆进行锚固,锚深不小于2600(2000)㎜,锚固长度不小于1800(1500)㎜,锚固力不小于120(100)KN/根,锚杆外露150±10㎜,吊挂板尽可能贴紧岩面,若不能紧贴应在吊挂板上方用留有50mm空间,并在吊挂板上方锚杆螺纹上加背帽背紧吊挂板。
2、单轨吊轨道吊挂必须使用高强度螺栓(10.9级以上),吊链采用18*64以上的高强圆环链,和与之相配套的U型环(T8级)。
3、所有轨道连接件必须配套使用,严禁用异物代替。
二、吊挂1、单轨吊吊挂链生根方式:(1)锚喷巷道由两根锚杆固定一个专用吊板,用一根或两根吊链将吊板和轨道连接起来(见图一a、图一b)。
(图一a轻轨)(图一b重轨)(2)架棚巷道采用吊具(两种结构)生根在棚梁上,下部用吊环将吊链与轨道连接起来(见图二a、b)。
图二 a图二 b(3)架棚巷道吊挂,如吊挂点在两棚梁之间的,采用两根吊挂链,前后两个棚梁各吊挂一根吊挂链(见图三)。
图三2、运输线路平巷段每隔5个生根点应加一道防偏摆吊链,斜巷段每隔3个生根点应加一道防偏摆吊链,每个生根点应加一道防窜动吊链,每隔3个生根点加一道防偏摆吊链。
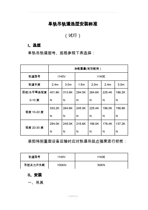
单轨吊轨道选型安装标准(试行)I、选型单轨吊轨道型号、规格参照下表选择:承担特别重型设备运输时应对轨道吊挂点强度进行校核:H、安装一、吊具单轨吊轨道吊具包括锚杆、 吊挂板、高强度螺栓、圆环链、 U 型索具等。
其中锚杆不小于M22*2200 ,锚固力不小于80KN/根;连接螺栓为10.9级以上高强度螺栓;圆环链规格 为18*64mm 或18*90mm ( T8), U 型索具额定载荷在 8.5t以上。
[、吊挂形式 1、锚喷巷道锚喷巷道采用锚杆+吊挂板+圆环链、锚杆+圆环链两种 生根形式。
(1)单链吊挂方式如图1所示。
此吊挂方式适应于10。
以下的一般运输巷(采 掘工作面机风巷)使用3. 高强螺栓M20 X 4.专用垫块1007.高强螺栓M20 X 8.I140E 轨道1.锚杆2.专用吊挂板5.①18 X64mm6.U 型吊环O图1单链单吊挂板吊挂方式120(2)双链吊挂万式①双锚杆双链无吊挂板吊挂方式如图2所示,此吊挂方式适应于10。
以上的一般运输巷(采掘工作面机风巷)使用1.锚杆2.双螺帽3.①18 X64mm 链环4. U型吊环5.高强螺栓M20 X1206.I140E轨道②四锚杆双链双吊挂板轻轨吊挂方式如图3所示,此吊挂方式是适应于10。
以下的主要运输巷使用。
O图2双锚杆双链无吊挂板吊挂方式③四锚杆双链双吊挂板重轨吊挂方式如图4所示,四锚杆双链双吊挂板重轨吊挂形式一般选用两根①18 X90mm 吊挂链,每根吊挂链米用一个吊挂板加两根锚杆固定,即每个吊挂点采用4根锚杆吊挂。
1.锚杆2.专用吊挂板3.专用垫块5. 高强螺栓M20 X100 6•①18 X90mm 链环7.吊具(3)三链吊挂方式4.双螺母8.I140V 轨道图3 四锚杆双链双吊挂板吊挂方式sow图4四锚杆双链双吊挂板重轨吊挂方式如图5所示,此吊挂方式是适应于10。
以上的主要运输巷使用图5四锚杆三链单吊挂板吊挂方式2、架棚巷道架棚巷道采用卡具+圆环链、圆环链捆绑在U型钢上生根形式。
单轨吊轨道选型安装标准(试行)Ⅰ、选型单轨吊轨道型号、规格参照下表选择:承担特别重型设备运输时应对轨道吊挂点强度进行校核:Ⅱ、安装 一、吊具净载重量(有效载荷)轨道型号 I140V I140E轨道长度 2.4m 3.0m 1.5m 2.0m 2.4m 3.0m 直线/水平弯曲坡度0-10度401.8K N 313.6K N 294.0K N 264.6K N 225.4K N 186.2K N 坡度10-20度333.2KN 264.6KN 245.0K N 225.4K N 196.0K N 156.8K N 坡度20-30度294.0KN245.0K N 215.6K N196.0K N176.4K N137.2K N轨道型号 I140V I140E 吊挂点允许负载100KN50KN单轨吊轨道吊具包括锚杆、吊挂板、高强度螺栓、圆环链、U型索具等。
其中锚杆不小于M22*2200,锚固力不小于80KN/根;连接螺栓为10.9级以上高强度螺栓;圆环链规格为18*64mm或18*90mm(T8),U型索具额定载荷在8.5t以上。
二、吊挂形式1、锚喷巷道锚喷巷道采用锚杆+吊挂板+圆环链、锚杆+圆环链两种生根形式。
(1)单链吊挂方式如图1所示。
此吊挂方式适应于10°以下的一般运输巷(采掘工作面机风巷)使用。
图1单链单吊挂板吊挂方式1.锚杆2.专用吊挂板3.高强螺栓M20×1004.专用垫块5. Φ18×64mm6.U型吊环7.高强螺栓M20×1208.I140E轨道(2)双链吊挂方式①双锚杆双链无吊挂板吊挂方式如图2所示,此吊挂方式适应于10°以上的一般运输巷(采掘工作面机风巷)使用。
图2双锚杆双链无吊挂板吊挂方式②四锚杆双链双吊挂板轻轨吊挂方式如图3所示,此吊挂方式是适应于10°以下的主要运输巷使用。
1.锚杆2.双螺帽3. Φ18×64mm 链环4.U 型吊环5.高强螺栓M20×1206.I140E 轨道图3 四锚杆双链双吊挂板吊挂方式③四锚杆双链双吊挂板重轨吊挂方式如图4所示,四锚杆双链双吊挂板重轨吊挂形式一般选用两根Φ18×90mm吊挂链,每根吊挂链采用一个吊挂板加两根锚杆固定,即每个吊挂点采用4根锚杆吊挂。
单轨吊轨道选型安装标准(试行)Ⅰ、选型单轨吊轨道型号、规格参照下表选择:净载重量(有效载荷)轨道型号I140VI140E轨道长度2.4m3.0m1.5m2.0m2.4m3.0m直线/水平弯曲坡度401.8K313.6K294.0K264.6K225.4K186.2K 0-10度NNNNNN333.2K264.6K245.0K225.4K196.0K156.8K 坡度10-20度NNNNNN294.0K245.0K215.6K196.0K176.4K137.2K 坡度20-30度NNNNNN承担特别重型设备运输时应对轨道吊挂点强度进行校核:轨道型号I140VI140E吊挂点允许负载100KN50KNⅡ、安装一、吊具单轨吊轨道吊具包括锚杆、吊挂板、高强度螺栓、圆环链、U型索具等。
其中锚杆不小于M22*2200,锚固力不小于80KN/根;连接螺栓为10.9级以上高强度螺栓;圆环链规格为18*64mm或18*90mm(T8),U型索具额定载荷在8.5t以上。
二、吊挂形式1、锚喷巷道锚喷巷道采用锚杆+吊挂板+圆环链、锚杆+圆环链两种生根形式。
(1)单链吊挂方式如图1所示。
此吊挂方式适应于10°以下的一般运输巷(采掘工作面机风巷)使用。
图1单链单吊挂板吊挂方式333.3锚杆2.专用吊挂板3.高强螺栓M20×1004.专用垫块294.1Φ18×64mm6.U型吊环7.高强螺栓M20×1208.I140E轨道(2)双链吊挂方式①双锚杆双链无吊挂板吊挂方式如图2所示,此吊挂方式适应于10°以上的一般运输巷(采掘工作面机风巷)使用。
图2双锚杆双链无吊挂板吊挂方式333.4锚杆2.双螺帽3.Φ18×64mm链环294.2U型吊环5.高强螺栓M20×1206.I140E轨道②四锚杆双链双吊挂板轻轨吊挂方式如图3所示,此吊挂方式是适应于10°以下的主要运输巷使用。
单轨吊轨道安装标准1、安装要求⑴吊挂板用锚杆进行锚固,锚杆顶端用双锚帽紧固。
⑵巷道顶板与吊挂板配合必须良好,不得有空隙。
⑶吊挂板与顶板用锚杆及垫块进行锚固,锚杆顶端用两个螺帽进行锚接。
⑷吊挂板通过M20×100螺栓与18×64矿用圆环链(用来调节轨道高度)进行连接。
⑸18×64矿用圆环链与轨道通过U型环及M20×120螺栓进行连接。
⑹轨道底侧通过扣件配合定位连接,上侧通过吊耳配合与U型环连接。
⑺调节轨道或弯道梁与道岔配合底边用M16×180螺栓组合套装进行紧固,顶侧除用M20螺栓与18×64矿用圆环链连接外,还要进行紧固。
⑻对于轨道高度的调节,根据所吊货物的高度、巷道高度等综合进行确认,高度调节用圆环链进行调节(如3环、5环等)2、吊挂要求:⑴原则上采用单吊链吊挂方式。
由两根锚杆固定一个专用吊板,用一根吊链将吊板和轨道连接起来。
锚杆直径不小于φ20mm,全螺纹锚杆长度不小于2m,锚深不小于1.6m,锚固长度不小于0.7m,锚固力不小于130KN/根。
⑵轨道线路悬吊高度,必须保证运输物料下方与底板距离不小于0.1m。
⑶吊链采用φ18×64mm以上的圆环链,吊链铅垂偏角不得大于60°。
3、轨道铺设要求:⑴直轨线路:A、接头平整度:水平、垂直偏差均不得大于3mm。
B、方向:目视直顺,轨道无明显变形,接头摆角允许偏差:水平不超过3°,垂直不超过5°。
C)下轨面接头轨缝不大于5mm。
⑵弯轨线路:A、接头平整度:水平、垂直偏差均不得大于3mm。
B、方向:目视直顺,轨道无明显变形,接头摆角允许偏差:水平不超过3°,垂直不超过5°。
C、下轨面接头轨缝不得大于3.5mm。
D、弯道曲率半径由机车性能及巷道实际情况确定。
⑶道岔安装:A、每组道岔悬吊点应不少于7个,均匀分布在道岔的吊挂点上B、轨道接头处摆角允许偏差不大于4°C、下轨面接头轨缝,不大于3.5mm。
单轨吊轨道选型安装标准(试行)Ⅰ、选型单轨吊轨道型号、规格参照下表选择:承担特别重型设备运输时应对轨道吊挂点强度进行校核:Ⅱ、安装一、吊具单轨吊轨道吊具包括锚杆、吊挂板、高强度螺栓、圆环链、U型索具等。
其中锚杆不小于M22*2200,锚固力不小于80KN/根;连接螺栓为10.9级以上高强度螺栓;圆环链规格为18*64mm或18*90mm(T8),U型索具额定载荷在8.5t以上。
二、吊挂形式1、锚喷巷道锚喷巷道采用锚杆+吊挂板+圆环链、锚杆+圆环链两种生根形式。
(1)单链吊挂方式如图1所示。
此吊挂方式适应于10°以下的一般运输巷(采掘工作面机风巷)使用。
图1单链单吊挂板吊挂方式1.锚杆2.专用吊挂板3.高强螺栓M20×1004.专用垫块5. Φ18×64mm6.U型吊环7.高强螺栓M20×1208.I140E轨道(2)双链吊挂方式①双锚杆双链无吊挂板吊挂方式如图2所示,此吊挂方式适应于10°以上的一般运输巷(采掘工作面机风巷)使用。
图2双锚杆双链无吊挂板吊挂方式②四锚杆双链双吊挂板轻轨吊挂方式如图3所示,此吊挂方式是适应于10°以下的主要运输巷使用。
图3 四锚杆双链双吊挂板吊挂方式③四锚杆双链双吊挂板重轨吊挂方式如图4所示,四锚杆双链双吊挂板重轨吊挂形式一般选用两根Φ18×90mm吊挂链,每根吊挂链采用一个吊挂板加两根1.锚杆2.双螺帽3. Φ18×64mm链环4.U型吊环5.高强螺栓M20×1206.I140E轨道锚杆固定,即每个吊挂点采用4根锚杆吊挂。
图4四锚杆双链双吊挂板重轨吊挂方式1.锚杆2.专用吊挂板3.专用垫块4.双螺母5.高强螺栓M20×1006.Φ18×90mm链环7.吊具8.I140V轨道(3)三链吊挂方式如图5所示,此吊挂方式是适应于10°以上的主要运输巷使用。
单轨吊安装标准(一)、单轨吊轨道安装标准1、单轨1.1单轨吊轨道主要有直轨、曲轨、连接轨和过度轨四种,吊轨规格及安装应满足下列要求:1.1.1使用符合德国工业标准(DIN20593)的专用钢轨I140E,直轨标准长度3m ,宽度68mm,高度155mm,中板厚度7±0.5mm,允许单根轨道垂直夹角是3.5°,水平夹角±1°。
弯轨水平曲率半径不得小于4m,每节弧长不得大于2m,弧长大于1.6m时,应在其中点设一吊耳;垂直弯轨曲率半径不得小于10m,每节弧长不得大于3m,弧长大于1.6m时,应在其中点增设一吊耳。
水平弯轨及轨道与道岔连接处应用法兰连接。
1.1.2同一线路必须使用同型号单轨,道岔单轨要与线路单轨型号一致,单轨接头间隙不得大于3mm,高低和左右允许偏差分别为2mm和1mm,接头摆角垂直不得大于7°,水平不得大于3°2、单轨悬吊装置要求:2.1要求吊挂单轨的各吊挂点间距偏差不得大于15mm,10组吊挂点间距的累计偏差不得大于30mm。
2.2吊挂紧固件应使用GB5780 M20×80螺栓和GB170 M24螺母或10.9级高强度M20×80螺栓和M20螺母。
使用前应做不小于150kN集中载荷的抽样试验。
2.3吊环可使用16Mn钢或机械性能相当的材料,使用前应做不小于150kN 集中载荷的抽样试验。
2.4吊环链可选用GB/T12718-91标准的¢18×64规格的高强度圆环链,使用前应做不小于150kN集中载荷的抽样试验。
2.5当采用锚杆悬吊时,每个单轨吊挂点需有双锚杆吊挂,要求单根锚杆锚固力不得小于90kN,安装单轨前要对每根锚杆进行预定54kN锚固力的集中载荷试验。
锚杆的托板必须紧贴巷壁,应用机械或力矩扳手拧紧,锚杆露出长度不得小于100 mm,悬吊单轨的两条圆环链夹角应在30°~ 60°之间。
单轨吊安装标准(一)、单轨吊轨道安装标准1、单轨1.1 单轨吊轨道主要有直轨、曲轨、连接轨和过度轨四种,吊轨规格及安装应满足下列要求:1.1.1使用符合德国工业标准(DIN20593)的专用钢轨I140E,直轨标准长度3m ,宽度68mm,高度155mm,中板厚度7±0.5mm,允许单根轨道垂直夹角是 3.5°,水平夹角±1°。
弯轨水平曲率半径不得小于4m,每节弧长不得大于2m,弧长大于1.6m时,应在其中点设一吊耳;垂直弯轨曲率半径不得小于10m,每节弧长不得大于3m,弧长大于1.6m时,应在其中点增设一吊耳。
水平弯轨及轨道与道岔连接处应用法兰连接。
1.1.2同一线路必须使用同型号单轨,道岔单轨要与线路单轨型号一致,单轨接头间隙不得大于3mm,高低和左右允许偏差分别为2mm 和1mm,接头摆角垂直不得大于7°,水平不得大于3°2、单轨悬吊装置要求:2.1要求吊挂单轨的各吊挂点间距偏差不得大于15mm,10组吊挂点间距的累计偏差不得大于30mm。
2.2吊挂紧固件应使用GB5780 M20×80螺栓和GB170 M24螺母或10.9级高强度M20×80螺栓和M20螺母。
使用前应做不小于150kN 集中载荷的抽样试验。
2.3吊环可使用16Mn钢或机械性能相当的材料,使用前应做不小于150kN集中载荷的抽样试验。
2.4吊环链可选用GB/T12718-91标准的¢18×64规格的高强度圆环链,使用前应做不小于150kN集中载荷的抽样试验。
2.5当采用锚杆悬吊时,每个单轨吊挂点需有双锚杆吊挂,要求单根锚杆锚固力不得小于90kN,安装单轨前要对每根锚杆进行预定54kN锚固力的集中载荷试验。
锚杆的托板必须紧贴巷壁,应用机械或力矩扳手拧紧,锚杆露出长度不得小于100 mm,悬吊单轨的两条圆环链夹角应在30°~ 60°之间。
单轨吊轨道选型安装标准(试行)Ⅰ、选型单轨吊轨道型号、规格参照下表选择:承担特别重型设备运输时应对轨道吊挂点强度进行校核:Ⅱ、安装一、吊具单轨吊轨道吊具包括锚杆、吊挂板、高强度螺栓、圆环链、U型索具等。
其中锚杆不小于M22*2200,锚固力不小于80KN/根;连接螺栓为10.9级以上高强度螺栓;圆环链规格为18*64mm或18*90mm(T8),U型索具额定载荷在8.5t以上。
二、吊挂形式1、锚喷巷道锚喷巷道采用锚杆+吊挂板+圆环链、锚杆+圆环链两种生根形式。
(1)单链吊挂方式如图1所示。
此吊挂方式适应于10°以下的一般运输巷(采掘工作面机风巷)使用。
图1单链单吊挂板吊挂方式1.锚杆2.专用吊挂板3.高强螺栓M20×1004.专用垫块5. Φ18×64mm6.U型吊环7.高强螺栓M20×1208.I140E轨道(2)双链吊挂方式①双锚杆双链无吊挂板吊挂方式如图2所示,此吊挂方式适应于10°以上的一般运输巷(采掘工作面机风巷)使用。
图2双锚杆双链无吊挂板吊挂方式1.锚杆2.双螺帽3. Φ18×64mm链环4.U型吊环5.高强螺栓M20×1206.I140E轨道②四锚杆双链双吊挂板轻轨吊挂方式如图3所示,此吊挂方式是适应于10°以下的主要运输巷使用。
图3 四锚杆双链双吊挂板吊挂方式③四锚杆双链双吊挂板重轨吊挂方式如图4所示,四锚杆双链双吊挂板重轨吊挂形式一般选用两根Φ18×90mm吊挂链,每根吊挂链采用一个吊挂板加两根锚杆固定,即每个吊挂点采用4根锚杆吊挂。
图4四锚杆双链双吊挂板重轨吊挂方式1.锚杆2.专用吊挂板3.专用垫块4.双螺母5.高强螺栓M20×1006.Φ18×90mm链环7.吊具8.I140V轨道(3)三链吊挂方式如图5所示,此吊挂方式是适应于10°以上的主要运输巷使用。
单轨吊轨道线路铺设标准一、一般规定1、顶板稳定性好,厚度大的近水平或缓倾斜煤层,开拓大巷沿煤层布置,机械化水平较高的矿井,可采用单轨吊车运输。
2、单轨吊车运输的悬挂吊轨必须安全可靠,并应符合下列规定(1)采用铺喷支护时每个吊轨悬挂点应采用双锚杆吊挂。
(2)用矿用工字钢梯形棚支护时可用顶梁或在顶梁间加小短梁悬挂吊轨,支架间应设纵向拉杆。
(3)U型可缩性金属支护时可采用支架顶梁悬挂吊轨,支架间应设纵向拉杆。
(4)料石或混凝土金属横梁支护时可采用梁悬挂吊轨。
(5)以上悬挂吊轨必须满足对锚杆锚固力或对悬挂点进行预定集中载荷试验的要求。
(6)吊轨及悬挂点应按列车运行中的最大负进行设计,需要时可增设悬挂点。
3、单轨吊车运行牵引性能及运输力应符合设备相应的特性曲线。
4、单轨吊车同一线路应采用同型号吊轨,道岔吊轨应与线路吊轨型号一致。
5、防爆柴油机车单轨吊车宜用于倾角小于12°的倾斜巷道。
6、防爆柴油机车单轨吊车轨道岔宜布置于不大于5°的吊轨线路段,道岔活动轨的摆角不应大于11°。
7、单轨吊梁必须进行编号管理。
二、轨道铺设要求1、一般要求(1)单轨吊车吊轨宜采用I140E型和I140型专用轨,并应与单轨吊车设备型号相配套选用。
(2)直轨每xx不得大于3m。
(3)水平弯轨曲率半径不得小于4m,每节弧长不得大于2m,弧长超过1.6m时,应在其中点设一吊耳。
(4)垂直弯轨曲率半径不得小于10m,每节弧长不得大于3m,弧长超过1.6m的凸轨,应在其中点设一吊耳。
(5)当采用I140型轨道时,其垂直弯的弧长不得大于2m。
(6)同一线路必须使用同型号吊轨,道岔轨型应与吊轨型号一致,并宜布置在不大于5°的吊轨线路段,道岔活动轨的摆角不得大于11°。
(7)道岔框架4个悬挂点的受力应均匀,对每个悬挂点应做不小于90kN 预定集中荷载试验。
(8)每个吊点的锚杆或锚索不少于2根。
(9)吊轨直线段目视直顺,10米弦量不超过20mm。
单轨吊轨道选型安装标准(试行)Ⅰ、选型单轨吊轨道型号、规格参照下表选择:承担特别重型设备运输时应对轨道吊挂点强度进行校核:Ⅱ、安装 一、吊具净载重量(有效载荷)轨道型号 I140V I140E轨道长度 2.4m 3.0m 1.5m 2.0m 2.4m 3.0m 直线/水平弯曲坡度0-10度401.8K N 313.6K N 294.0K N 264.6K N 225.4K N 186.2K N 坡度10-20度333.2KN 264.6KN 245.0K N 225.4K N 196.0K N 156.8K N 坡度20-30度294.0KN245.0K N 215.6K N196.0K N176.4K N137.2K N轨道型号 I140V I140E 吊挂点允许负载100KN50KN单轨吊轨道吊具包括锚杆、吊挂板、高强度螺栓、圆环链、U型索具等。
其中锚杆不小于M22*2200,锚固力不小于80KN/根;连接螺栓为10.9级以上高强度螺栓;圆环链规格为18*64mm或18*90mm(T8),U型索具额定载荷在8.5t以上。
二、吊挂形式1、锚喷巷道锚喷巷道采用锚杆+吊挂板+圆环链、锚杆+圆环链两种生根形式。
(1)单链吊挂方式如图1所示。
此吊挂方式适应于10°以下的一般运输巷(采掘工作面机风巷)使用。
图1单链单吊挂板吊挂方式1.锚杆2.专用吊挂板3.高强螺栓M20×1004.专用垫块5. Φ18×64mm6.U型吊环7.高强螺栓M20×1208.I140E轨道(2)双链吊挂方式①双锚杆双链无吊挂板吊挂方式如图2所示,此吊挂方式适应于10°以上的一般运输巷(采掘工作面机风巷)使用。
图2双锚杆双链无吊挂板吊挂方式②四锚杆双链双吊挂板轻轨吊挂方式如图3所示,此吊挂方式是适应于10°以下的主要运输巷使用。
1.锚杆2.双螺帽3. Φ18×64mm 链环4.U 型吊环5.高强螺栓M20×1206.I140E 轨道图3 四锚杆双链双吊挂板吊挂方式③四锚杆双链双吊挂板重轨吊挂方式如图4所示,四锚杆双链双吊挂板重轨吊挂形式一般选用两根Φ18×90mm吊挂链,每根吊挂链采用一个吊挂板加两根锚杆固定,即每个吊挂点采用4根锚杆吊挂。
单轨吊安装标准(一)、单轨吊轨道安装标准1、单轨1.1 单轨吊轨道主要有直轨、曲轨、连接轨和过度轨四种,吊轨规格及安装应满足下列要求:1.1.1使用符合德国工业标准(DIN20593)的专用钢轨I140E,直轨标准长度3m ,宽度68mm,高度155mm,中板厚度7±0.5mm,允许单根轨道垂直夹角是 3.5°,水平夹角±1°。
弯轨水平曲率半径不得小于4m,每节弧长不得大于2m,弧长大于1.6m时,应在其中点设一吊耳;垂直弯轨曲率半径不得小于10m,每节弧长不得大于3m,弧长大于1.6m时,应在其中点增设一吊耳。
水平弯轨及轨道与道岔连接处应用法兰连接。
1.1.2同一线路必须使用同型号单轨,道岔单轨要与线路单轨型号一致,单轨接头间隙不得大于3mm,高低和左右允许偏差分别为2mm 和1mm,接头摆角垂直不得大于7°,水平不得大于3°2、单轨悬吊装置要求:2.1要求吊挂单轨的各吊挂点间距偏差不得大于15mm,10组吊挂点间距的累计偏差不得大于30mm。
2.2吊挂紧固件应使用GB5780 M20×80螺栓和GB170 M24螺母或10.9级高强度M20×80螺栓和M20螺母。
使用前应做不小于150kN 集中载荷的抽样试验。
2.3吊环可使用16Mn钢或机械性能相当的材料,使用前应做不小于150kN集中载荷的抽样试验。
2.4吊环链可选用GB/T12718-91标准的¢18×64规格的高强度圆环链,使用前应做不小于150kN集中载荷的抽样试验。
2.5当采用锚杆悬吊时,每个单轨吊挂点需有双锚杆吊挂,要求单根锚杆锚固力不得小于90kN,安装单轨前要对每根锚杆进行预定54kN锚固力的集中载荷试验。
锚杆的托板必须紧贴巷壁,应用机械或力矩扳手拧紧,锚杆露出长度不得小于100 mm,悬吊单轨的两条圆环链夹角应在30°~ 60°之间。
单轨吊轨道安装标准
一、轨道及吊装件设计要求
1.单轨吊轨道主要有直轨、弯轨、道岔和过度轨四种,吊挂轨道规格满足下列要求:
2.使用符合德国工业标准(DIN20593)的专用钢轨I140E,直轨标准长度2.25m ,宽度68mm,高度155mm,中板厚度7+0.5mm。
3.允许单根轨道垂直夹角是3.5°,水平夹角±1°。
4.弯轨最小水平曲率半径4m,每节弧长不大于2.5m,弧长大于1.6m 时,应在其中点设一吊耳。
5.轨道垂直转弯(爬坡)用轨道拼接完成,最小垂直曲率半径10m,即爬坡能力+/﹣12°。
6.水平弯轨及轨道与道岔连接处应用法兰连接。
7.同一线路必须使用同型号单轨,道岔单轨要与线路单轨型号一致,单轨接头间隙不得大于3mm,高低和左右允许偏差分别为2mm和1mm。
8.吊挂紧固件应使用至少8.8级高强度M20×115螺栓和M20×95螺栓。
9.吊挂链环选用GB/T12718-91标准的¢18×64规格的高强度圆环链。
10.吊挂U型环为生产厂家设计制造专用配件,不可用其他产品替代。
11.工字钢、U型钢卡具为生产厂家专用配件,不可用其他产品替代。
二、轨道悬挂安装要求:
1.轨道吊挂方式由生产厂家设计工程师确定,用户不可擅自更改吊挂方式。
2.锚杆锚固力需做抽样测试,单根锚杆拉锚力100KN以上,即每个吊点(双锚杆)150kN集中载荷的抽样试验。
3.轨道吊挂完毕后,如图一、图二、图三所示:-3°≤α≤3°,80°≤γ≤100°,-1°≤β≤1°,-10mm≤m≤10mm。
图一
图二
图三
4.单轨直道段,为限制轨道的横向摆动,需沿纵向每隔十组吊点增设一组加强链,两条加强链夹角大于120°,如下图示:
水平轨道横拉链图
5.轨道在坡上安装时,每个轨道用一根斜拉链进行斜拉,每隔4条轨道,沿轨道垂直方向设一横拉链,如下图:
坡上轨道斜拉链图
6.弯轨与弯轨连接、弯轨与直轨连接和弯轨、直轨与道岔连接均为法兰式连接,法兰连接处间隙小于3mm,轨道底最大间隙小于2mm,如下图示:
法兰式连接
7.过度轨为道岔与直轨连接用轨道,此轨根据实际安装情况加工。
锚杆悬挂
双锚杆悬挂
1)吊挂轨道选用锚杆悬挂时,选用φ22x2500mm高强锚杆。
如有特殊地质条件需选用其他型号锚杆,用户需与生产厂家设计工程师协商确定,保证拉锚力。
2)当采用锚杆悬吊时,要求单根锚杆锚固力大于100kN,锚杆外露长度
在100-150 mm之间,巷道中垂线与锚杆夹角小于10°。
3)要求吊挂轨道的各吊挂点间距偏差不得大于20mm,10组吊挂点间距的累计偏差不得大于50mm。
三、单轨吊道岔
道岔示意图
1.单轨吊道岔布置在不大于3°的单轨线路段。
道岔活动轨的摆角12°。
道岔框架设4个悬挂点,每个悬挂点由锚杆锁件悬挂,道岔与外接轨道连接点用法兰连接。
2.道岔悬吊完毕后,道岔倾角小于3°。
3.道岔气动控制箱安装于巷道一侧帮上,高度适宜操作即可。
4.气缸控制管路需固定在巷道帮上,避免外界锐器损伤。