国标法烘干法快速水分测定仪说明书
- 格式:pdf
- 大小:93.15 KB
- 文档页数:2
水分测定仪使用方法说明书引言水分测定仪是一种专用设备,用于准确测定样品中的水分含量。
本文将详细介绍水分测定仪的使用方法,帮助用户正确操作设备,并获得准确的测试结果。
1. 设备介绍水分测定仪由下列部件组成:1.1 电子控制面板:包括操作按钮、显示屏和指示灯,用于设定参数、显示测量结果和指示设备状态。
1.2 加热装置:用于将样品进行加热,以蒸发其中的水分。
1.3 称量装置:测定样品的质量。
1.4 传感器:用于检测样品中的水分含量。
2. 使用准备在进行水分测定之前,需要进行以下准备工作:2.1 将水分测定仪放置在平稳的工作台面上,确保设备稳定可靠。
2.2 检查设备电源是否连接,确保正常供电。
2.3 打开仪器开关,待设备初始化完成。
2.4 清洁加热装置和传感器,确保无杂质影响测量结果。
3. 操作步骤3.1 样品准备:(1)取一定量的样品,根据样品特性决定取样数量和重量。
(2)将样品放置在密封容器中,以防止水分流失。
3.2 参数设置:(1)根据样品特性,设定合适的测量温度和时间。
(2)通过操作面板上的按钮,进入参数设置界面,并逐步设定相关参数。
3.3 测量操作:(1)将样品放入设备的加热装置中,确保密封性。
(2)根据设备的要求操作控制面板,启动测量过程。
(3)测量过程中,注意观察设备指示灯和显示屏上的信息,确保设备正常工作。
3.4 测量结果:(1)测量完成后,等待设备冷却。
(2)打开仪器,取出样品,并用称重仪器测量样品质量。
(3)将测得的样品质量输入到电子控制面板中。
(4)设备将根据设定的参数计算出样品中的水分含量,并显示在屏幕上。
4. 维护和注意事项4.1 定期清洁仪器:使用后,必须清洁加热装置和传感器,避免杂质对测量结果的影响。
4.2 妥善保存设备:在不使用时,应将设备存放在干燥、通风的地方,避免受潮或受损。
4.3 正确使用电源:保证设备正常供电,防止电源问题引起的测试不准确或设备损坏。
4.4 遵守设备规定的安全操作:仪器操作人员要严格按照设备说明书中的操作规程进行,避免人身安全事故的发生。
快速水分测定仪操作规程一、引言快速水分测定仪是一种用来测定样品中水分含量的仪器。
其高效、快速的特点使其在各行各业得到广泛应用。
本操作规程旨在帮助操作人员正确使用快速水分测定仪,全面了解仪器的使用方法和安全事项。
二、仪器准备1.将快速水分测定仪放置在平稳的台面上,确保仪器平稳。
2.检查仪器的电源插头,确保插头无损坏,插入电源插座。
3.打开仪器的开关,待仪器启动完成后进行下一步操作。
三、样品准备1.准备待测样品,并按照要求进行必要的样品预处理。
2.将样品输入到快速水分测定仪的样品容器中,要确保样品量不超过仪器规定的最大容量。
四、测定操作1.打开仪器的操作界面,通过触摸屏或仪器按钮选择测定模式和相应的参数。
2.将样品容器放置在仪器的测定室中,并确保样品容器密封良好。
3.根据仪器提示,启动水分测定程序。
4.等待仪器自动完成测定过程,不要在操作过程中移动或干扰仪器。
5.当仪器显示测定结果时,记录相应的数据。
五、数据处理1.将测定结果导出到计算机或打印机中,以便进行数据处理和保存。
2.对测定结果进行分析和比较,根据需要进行数据修正或统计。
3.根据实验要求和标准,对结果进行解读,并书写实验报告或其他相关文档。
六、仪器维护1.使用完毕后,关闭仪器的电源开关。
2.清洁仪器的外部表面,可以使用干净的软布擦拭。
3.定期进行仪器的保养和检修,确保仪器的正常工作。
4.注意仪器的防尘和防潮,避免仪器受到损坏。
七、安全注意事项1.在操作过程中,要保持仪器的稳定,避免碰撞和摔落。
2.注意仪器的电源安全,不要将电源插头插入不符合要求的电源插座。
3.操作人员要熟悉仪器的功能和操作方法,避免误操作。
4.注意仪器的高温部件,避免烫伤。
5.在清洁仪器或进行维护时,必须先将电源断开。
以上是快速水分测定仪的操作规程,希望能够帮助操作人员正确使用仪器,确保测定结果的准确性和可靠性。
在操作过程中,一定要注意安全事项,避免意外事故的发生。
同时,定期维护和检修仪器,可以延长仪器的使用寿命,提高工作效率。
MV_RR_CNG_0145 烘干法谷物水分测定仪检定方法1.烘干法谷物水分测定仪检定规程说明2.烘干法谷物水分测定仪检定规程摘要本规程适用于新制造、使用中和修理后的烘干法谷物水分测定仪(以下简称水分仪) 的检定。
一技术要求1 在仪器明显部位应装有铭牌,标明该水分仪名称、型号、准确度等级、制造厂名称、出厂编号和制造年月等。
2 烘干装置2.1 加热元件应性能稳定,质量可靠。
2.2 烘干装置的内壁材料应具有良好的耐热和保温性能。
2.3 烘干装置内必须装有分度值不大于2℃的温度计。
2.4 温度调节器应灵敏可靠,控温允差应符合本规程第6条允差表的规定。
2.5 水分仪电源回路和外壳间的绝缘电阻应不小于20 MΩ。
2.6 水分仪电源回路和外壳间应能承受50 Hz、电压为1 500 V的正弦波交流电1 min 的试验,试验中应无击穿和飞弧现象。
3 秤量装置(天平或象限秤)3.1 标尺3.1.1 天平微分标尺的刻线或象限秤标尺的刻线应清晰,不允许有断线和斑点等现象,分度值必须等于下列表示的若干kg:nnn1×10 、2×10 、5×10 。
式中n是负整数。
分度值也可以用表示水分含量的0.1%、0.2%来划分。
3.1.2 分度的间距不得小于1mm,刻线宽度不得大于0.3 mm。
3.2 指针指针针尖宽度不得大于分度线的宽度,指针与标尺之间的距离不得大于3 mm。
3.3 刀子和刀承3.3.1 钢制刀子工作部位的硬度为:HRC58~62。
刀承和挡刀板的硬度不低于HRC 62。
玛瑙刀子、刀承的硬度不低于HV 850。
3.3.2 刀子轴向移动量不得大于0.8 mm。
3.4 阻尼指针偏离平衡位置5个分度时,在阻尼器的作用下,其摆动不得超过7个周期。
3.5 试样盒同一台水分仪中所有试样盒之间的重量差值应不大于5 mg, 试样盒必须用耐高温的金属材料制造。
4 水准器用来调整水分仪水平的水准器,其灵敏度应不低于10′。
沪量制(字)00000066Y H S1001烘干法水分测定仪使用说明书目录一、概述 (1)二、主要技术指标 (3)三、安装与调整 (4)四、操作使用 (4)五、数据接口 (15)六、使用范例 (15)七、维护与保养 (19)八、故障解决方法 (20)九、附注 (21)十、装箱清单 (22)-1-YHS1001装箱清单说明书一份电源线一根100g砝码一只称盘10只盘托一只档风圈一只手拍一块保险丝3只合格证一份-22-九.附注1、用户可根据需要向我单位购买校准砝码。
2、用户可根据需要向我单位购买微型打印机(CKUP NT-16S)打印机。
3、本公司拥有对本说明书的最终解释权。
4、本公司保留修改技术规格而不事先通知的权利。
5、本公司保留修改本说明书的权利,恕不另行通知。
本产品执行标准Q/YXLQ16 YHS1001烘干法水分测定仪-21-一.概述1.1 简介感谢您购买本公司的YHS1001烘干法水分测定仪(以下简称为水分仪)又称卤素水分仪。
本公司是领先的精密水分测定仪、天平、粘度计及热分析仪器的生产商。
我们有专业的技术人员会尽快地向您提供服务。
为确保您能完全掌握水分仪的使用。
请您务必先仔细阅读本说明书,再进行使用YHS1001烘干法水分测定仪,谢谢。
1.2 特点用途YHS1001烘干法水分测定仪操作方便,测量准确,有以下特点。
①该水分仪集电子天平技术、卤素辐射技术和温控技术于一体②该水分仪体积小巧,功能完善,使用方便③该水分仪升温迅速,加热均匀④该水分仪采用大的背景可切换的带背光点阵式液晶显示,读数清晰⑤该水分仪内置功能键:可对重量、时钟校准;手动、定时、自动关闭模式选择;样品单元进行设置,加热结束蜂鸣器提示等多种功能⑥该水分仪内置数据库可储存50个样品所设置的数据⑦该水分仪若连接RS232串口打印机,可输出9种参数;⑧该水分仪在干燥过程中显示所有测试数据⑨该水分仪能广泛应用于医药、食品、烟草、粮食、化工等行业的实验室和日常进货及过程控制。
快速水分测定仪操作规程2(1.4 仪器预热方式~在使用前必须预热30分钟~若环境温度较低需预热一小时~经预热后测定的数据真实有效。
第三章快速水分测定仪操作规程3.1取样与样品制备3.1.1 取样与样品的制备,与重要测试参数的选择对最终的测试精度十分关键。
3.1.2凡被测样品颗粒状的,应用粉碎机粉碎成粉状,方可进行测定,否则测试时间过长,且水分含量不能完全被干燥。
3.1.3 在采集颗粒,粉状样品过程中,一定要充分混样,保证样品水分均匀。
3.1.4对于一些易燃,易爆的测试样品,应选择较低的加热温度,并尽量取少的样品量,对于这些样品的测试应十分小心。
3.1.5对于大水分含量(粮食或液体)的样品制备过程中,应尽量避免水分丧失,若不能避免,这部分丧失应计算进去。
3.1.6对于柔软,粘弹性的样品,应切割成尽量薄的片。
3.1.7取样量的多少,建议用户一个基本原则就是薄薄铺满称盘底面积的量,粉状样品大致为3克左右。
3.1.8每次取样量的精度也很重要,误差应小于?0.005克。
3.2 测定水分操作3.2.1在仪器现时重量指示灯亮状态下,用手扶住机身,轻轻掀起加热筒。
用试样匙取试样放在称量盘中,此时仪器显示“3.000”克左右(取样数量对测定精度有一定影响,其规律是取样量大,重复性好,但测定时间长,兼顾精度与时间,我们建议取样为3?0.005克),取下称量盘用手将试样表面抖均匀或用小棒使试样表面均匀(注意防止试样丢失),放在托架上,连同托架一起轻轻放到称量盘支架上,合上加热筒。
3.2.2待重量显示稳定时,按“?”键,紧接按“测试”键,仪器自动开始测定水分,此时水分示值指示灯亮,数据窗显示正在失去的水分量。
温度显示值在上升,直到设定值。
在测定水分中温度显示值上下跳动2-3度为正常现象。
3.2.3 当水分测定完成后,仪器自动停止加热,并发出报警声,按一次“显示”键即可消除报警声,此时显示判别时间。
再按一次“显示”键,仪器显示最终水分值。
水分测定仪的操作说明书操作说明书一、产品简介水分测定仪是一种用于快速、准确测定物质中水分含量的仪器。
本操作说明书将详细介绍水分测定仪的操作方法及注意事项,以确保用户正确并安全地使用该仪器。
二、仪器准备1. 将水分测定仪放置在水平台面上,并确保仪器平稳牢固。
2. 通过电源线将水分测定仪连接到电源插座上。
3. 打开水分测定仪的电源开关,待仪器启动并进入正常工作状态。
三、样品准备1. 准备待测样品,并将其放置在干燥容器中。
2. 如果样品较大,可将其切割成合适大小以确保测定的准确性。
3. 如果样品已经包含在其他容器中,需要将其转移至干燥容器中。
四、操作步骤1. 打开水分测定仪的仪器盖(或样品室门),将样品放置于样品托盘中,并将仪器盖(或样品室门)关闭。
2. 在仪器控制面板上选择合适的测定模式,如快速测定模式或标准测定模式。
3. 根据样品特性,在控制面板上设置合适的测定参数,如测定时间、温度等。
根据需要,也可设置其他附加参数。
4. 确认设置无误后,点击开始测定按钮,开始自动测定过程。
5. 在测定过程中,仪器将自动控制加热、通风等操作,以确保测定的准确性和有效性。
6. 等待测定结束后,仪器将自动停止并显示测定结果。
7. 打开仪器盖(或样品室门),取出样品托盘,将样品取出。
五、注意事项1. 使用水分测定仪前,请阅读并理解本操作说明书,并确保按照步骤正确操作。
2. 在操作过程中,应注意仪器表面的清洁并避免任何物质进入样品室。
3. 样品室应保持干燥,并在每次测定前进行清洁和干燥处理。
4. 尽量避免样品过大或过小,以免影响测定结果的准确性。
5. 完成测定后,及时清洁仪器并将其放置在干燥通风的地方。
6. 如有任何异常情况或故障发生,请及时与供应商或售后服务人员联系。
六、维护保养1. 定期对水分测定仪进行维护保养,如清洁仪器表面、校准仪器等。
2. 若出现仪器故障或异常,请勿私自拆卸或修理,应咨询专业人员进行维修和保养。
水分测定仪操作说明书第一节:引言水分测定仪是一种用于确定样品中水分含量的仪器。
本操作说明书旨在提供关于水分测定仪的正确定用方法及操作流程,以确保准确可靠的测量结果。
在使用之前,请仔细阅读本说明书,并按照指导进行操作。
第二节:仪器介绍水分测定仪由以下几个主要部分组成:1. 仪器外壳:提供保护和支架功能,确保仪器稳定。
2. 加热器:通过加热样品,促使其水分蒸发。
3. 称量器:用于准确测量样品的质量。
4. 传感器:用于检测样品中的水分含量变化。
5. 控制面板:用于设置和监控测量参数。
第三节:操作准备在使用水分测定仪之前,需要进行以下准备工作:1. 确保仪器连接电源,并打开电源开关。
2. 检查仪器的外部情况,确保无损坏和杂质。
3. 清洁烘盘,并确保无残留物。
4. 校准秤盘,以确保测量准确。
5. 准备样品,并按照要求进行处理和准备。
第四节:操作流程1. 将待测样品放置在秤盘上,记录样品质量,并确保记录准确无误。
2. 打开水分测定仪控制面板,根据实际需要设置相关参数,如测量时间和温度等。
3. 点击“开始”按钮,仪器开始运行。
4. 仪器会加热样品至设定的温度,并开始监测水分的蒸发情况。
5. 一旦测量完成,仪器会自动停止加热,并显示测量结果。
6. 将测量结果记录下来,并进行必要的数据处理。
7. 清洁烘盘和秤盘,并关闭水分测定仪。
第五节:注意事项在使用水分测定仪时,请注意以下事项:1. 操作人员需要具备基本的实验室操作知识,并按照说明书操作。
2. 切勿触摸加热器等高温部件,以免烫伤。
3. 样品应均匀分布在秤盘上,避免偏心现象对测量结果的影响。
4. 根据需要选择合适的测量时间和温度,以保证获得准确的测量结果。
5. 将仪器放置在稳定的平台上,避免仪器晃动或倾斜。
结语:本操作说明书提供了水分测定仪的正确使用方法及操作流程,希望能够帮助操作人员正确操作仪器,并获得准确可靠的测量结果。
在使用仪器之前,请确保详细阅读并理解本说明书的内容,并遵循相关操作要求。
SH-10A水分快速测定仪使用说明书一、仪器的用途本仪器可供工矿企业、农业、科研机构的试验室需要对化工、制药原料、燃料、成品、半成品、颗粒或粉状及谷物、土壤、造纸、食品、茶叶等所含的游离水分进行测试,它们的含水量大多是一项重要的技术经济指标,Sh10A型烘干法水分测定仪对于试样能够经受红外线辐射波照射而不至于被挥发或分解的物质均能使用本仪器,并能及时指导生产。
二、主要技术参数最大载荷 10g 定时器范围 0~30min微分标尺分度值 5mg 恒温精度±2℃微分标尺读数范围 0~1g 秤盘直径φ100mm准确度等级一级电源及功耗 220V/50Hz 260W调温范围 80~160℃外形尺寸 28×37.5×56cm重量(净量) 12kg三、仪器原理与结构Sh10A型烘干法水分测定仪是根据称重法和烘箱法原理设计,将物质在烘干前和烘干后的质量进行比较,以得到物质内所含水分的百分比。
本仪器由单盘上皿式天平、红外线干燥箱及电器控温三大部件组成,天平的秤盘置于红外线干燥箱内,当试样物质受穿透性强的红外线辐射波热能后,游离水分迅速蒸发,当试样物中的游离水分充分蒸发后,通过天平的光学投影装置,可直接读出试样物质含水率的百分比。
烘干速度快,重复性好,控温电路采用半导体热敏电阻及可控硅控温线路,其升温速度快,恒温性能好,电网电压波动时对温度变化影响小,该仪器还装有定时器及报警装置,操作简单。
图一、图二、图三为仪器结构示意图。
1. 投影屏11.支架21.光学柱2. 控温旋钮12.横梁22.秤盘3. 定时旋钮13.大平衡螺母23.秤盘架4. 电源开关14.指针24.小平衡螺母5. 垫脚15.光源灯座25加码盘6. 水平调整脚16.光源灯支架26.阻尼片7. 水准器17.集光镜8. 天平开关旋钮18.微分标尺9. 电源插头19.物镜筒10.重心铊20.上三棱镜27. 干燥箱29. 五芯线插座(背后)31. 后盖板28. 温度计30. 红外线灯泡32. 零位微调旋钮33. 熔断丝管35. 五芯线插头34. 紧固螺钉四、仪器安装1.拆开包装箱后,请仔细阅读说明书,根据仪器装箱单,检查仪器成套性是否齐全,然后把仪器外形上的灰尘揩清洁,再安置在没有振动的稳固工作台上,垫上垫脚(5),旋动水平调整脚(6)务使水准器(7)中气泡位于圆圈中心,插上天平开关旋钮(8),打开仪器后部上盖(31),拆去外壳与干燥箱联接的紧定螺钉(34),把干燥箱取下,用手帕蘸无水乙醇抹刀承,同时干燥箱内用软刷刷去灰尘(切勿碰撞热敏电阻)。
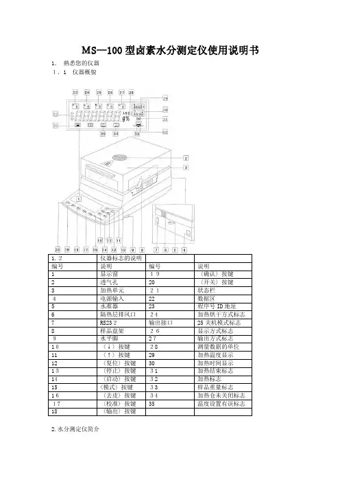
MS—100型卤素水分测定仪使用说明书1.熟悉您的仪器1.1 仪器概貌1.2仪器标志的说明编号说明编号说明1 显示窗19〈确认〉按键2 透气孔20 〈开关〉按键3 加热单元21状态栏4电源输入22 数据区5 水准器23 程序号ID地址6 隔热层排风口24 加热烘干方式标志7 RS232输出接口25关机模式标志8 样品盘架26显示方式标志9水平脚27输出方式标志10〈↓〉按键28 测量数据的单位11 〈↑〉按键29 加热温度显示12 〈复位〉按键30 加热时间显示13〈停止〉按键31 加热结束标志14 〈启动〉按键32 加热标志15 <模式〉按键33 样品重量标志16〈去皮〉按键34 加热仓未关闭标志17 〈校准〉按键35 温度设置有误标志18 〈输出〉按键2.水分测定仪简介2.1 卤素水分测定仪的用途此卤素水分测定仪可用来测量物质的水分含量。
仪器根据热解重量原理,测量开始时,仪器测定(含水)样品重量,然后,仪器内置的卤素加热烘干装置启动,对被测样品进行加热烘干处理。
在烘干过程中,仪器连续测定样品的重量并显示失去的水分。
测量结束时,仪器显示样品水分含量或烘干物质含量作为最终测量结果.在实际应用中,最重要的因素是加热烘干速度。
与常规的红外加热或烘箱法相比,使用卤素加热在达到最大加热功率时所需的时间更短。
同时,此仪器还可以使用高温,这是另一个缩短烘干时间的重要因素,因此,可以大大地提高水分测量的效率.除了所有测量参数(如:加热烘干时间,加热温度等)都可预先设置外,此仪器还可将一些常用样品的测量参数保存在仪器内,便于以后再次使用时直接从仪器程序中调出。
每次开机时,仪器自动保留最近一次的设置状态。
MS—100 型水分测定仪功能齐全,但操作简单。
状态标志会显示仪器当前的设置状态和测量过程,使用户清楚方便地了解仪器的工作状态.除了方便用户使用的各种操作程序,测量结果的准确性也很重要。
本仪器配置了高精度低漂移的称重系统,确保仪器测量结果的准确性。
水分快速测定仪操作规程1、操作方法:1.1干燥处理:把需用的称盘全部放进干燥箱内,斜靠在两边的壁上进行加热,去除吸附水分。
2、称试样物质的重量:称试样物质和重量必须在常温下进行,取样可以采取下两种方法:2.1 仪器经干燥处理冷却到常温后,用10g砝码效正天平零位,然后对试样物质进行称量,按选定的量值把试样物质全部称好,放置在备用称盘或其它容器内。
(试样物质重量不得超过10g。
2.2 选用精度不低于5mg的天平称试样物质里量,这种取样方法尤其适用于生产工艺过程中的连续测试工作,能大大加快测试速度。
3、预热调零:由于天平是不等臂上皿式,工作时称盘在干燥箱内上下运动,时间一长,干燥箱内称架热量会传到横梁一端,使横梁一臂受热生产膨胀伸长,改变常温下平衡力和、距,使天平零位改变,产生天平误差。
消除误差方法:3.1 在加砝码盘内加上10g砝码,按下红外线灯电源开关,约20分钟后再开启天平,观察投影屏上的刻度线不再移动时即可效正,如果产生怀疑,应按上述方法重新效正。
3.2 每次测试结束后,取下试样,在称盘上放10g砝码,这时再观察天平零位平衡值与测试前平衡之差,此值应折合在含水率上。
4、加热测试:天平经预热调零后,取下10g砝码,把预先称好的试样物质均匀地倒在称盘内(当试样重量在10g以下,应在加码盘内加适量的平衡砝码,使天平平衡),然后对试样物质进行加热。
(加热时天平可关闭,待设定时间到再开启天平,这样使天平刀子不容易磨损,并且保证了天平的再现性。
)在使用10g或5g的定量试样时,样品的含水量不大于1g,可在投影屏内直接读取试样的含水率。
若样品的含水量大于1g,应关闭天平在加码盘上添加1g砝码后,继续测试。
如果试样物质在加温很长时间里仍达不到恒重点,一般有两种可能:4.1 试样温度偏低水分蒸发缓慢;4.2 试样温度偏高使试样中游离水蒸发的同时,试样物质本身被挥发或分解,甚至被溶化。
因此试样的温度和时间是测定水分正确性关键,在试样的失重曲线上会有一段恒重点,可用低温加热使这段恒重点适当延长,便于观察和掌握读数的时间。
◆ 使用方法1.仪器的标定仪器需要根据当地的测量品种,标定出不同品种所对应的测量基准值。
标定仪器前,用烘干法(GB9695.15-1998 肉与肉制品水分含量测定法)测定出样品的水分含量。
标定步骤如下:(1)将仪器的状态开关置于"标定"状态(向上推移),此时仪器的LCD显示器显示“0 ”,仪器进入标定状态。
打开电源开关,仪器预热5min。
(2)左手持主机,右手持传感器手柄,使传感器针状电极位于空气中。
(3)将传感器针状电极插入被测样品中,用右手轻扶传感器手柄,左手大拇指按操作键,显示器的数字自动加1,变成" 1 "。
(4)重复本步骤(3),直至显示器显示“ 20 ”,然后短时间(<1S)按操作键,此时仪器显示"50.0 %",且高位数字(小数点左边)" 50"闪烁。
(5)短时间(<1s)按下操作键,仪器的显示数字的高位将自动加1(继续闪烁),显示"51.0%",且高位数字(小数点左边)“50”。
(6)重复步骤(5),直至显示数字的高位与烘干法测定出的样品水分含量的高位一致(如果烘干法测量结果为75.6%,则将仪器显示的高位调节至75)。
(7)长时间(>2s)按下操作键,仪器显示数据的低位(小数点右边)闪烁,显示“××.0 %”。
(8)短时间(<1s)按操作键,仪器的显示数字的低位将自动加1(继续闪烁),显示" ××.1 %"。
(9)重复步骤(8),直至显示数字的低位与烘干法测定出的样品水分含量的低位一致(如果烘干法测量结果为75.6%,则将仪器显示的低位调节至6,仪器显示75.6%)。
(10)长时间(>2s)按下操作键后,仪器自动给出被测样品的基准值,标定过程结束。
(11)记录标定结果,即该品种的测量基准值。
为减少仪器的测量误差,测量品种应尽量细分,并且至少每年重新标定一次基准值。
文件编号: GC-JS-WJ-010页数:1/1制定日期: 2016 年12月28日制作: 核准:文件名称: 烘干法水分测定仪作业指导书一、使用方法:1.触摸屏幕,启动仪器,仪器内部进行自校;显示器点亮;仪器自检结束后进入主页面。
2.预热30分钟。
二、操作事项:1.重量校准(单点)水分仪可用100克的外校砝码校准。
为了提高和保证称量数据的准确性,在首次称量或要求精确称量之前进行重量校准。
重量校准如下:a.清洗样品盘应放置到位,仪器关上盖。
在主菜单界面上触摸校准键b.触摸重量校准键c.选择重量校准键d.放上100克标准砝码于样品盘内,关上盖。
e.显示校准结束请移去砝码后,拿掉砝码。
(若不为零,则再重复以上操作步骤)2.重量校准(多点)a.触摸重量校准键b.选择重量校准键,依次放上屏幕显示的量程的砝码即可。
c.操作方法参照单点校准3.查看当前仪器温度此功能在界面右边,主要为客户查看样品烘干前的温度提供方便。
为了仪器测量的准确性,尽可能做到同样品烘干前仪器温度一致。
4.日期和时间校准设置当首次使用仪器时,您应确认当前的时间和日期。
若断电时,仪器可存储设置。
设置时间日期步骤如下:a.在主菜单界面触摸校准键。
b.触摸时钟校准,设置当前的日期,时间,最后触摸确认键,结束设置。
5.干燥温度设置干燥温度可以从60℃~200℃之前设置。
步骤如下:a.在主菜单界面触摸干燥采样键。
b.在干燥温度的显示框内设置温度。
c.触摸确认键,结束设置。
烘干法快速水分仪检测标准在水分检测领域,检测速度与测量准确度之间的矛盾一直没有解决,针对这一现象,深圳冠亚集团研发了一款新一代快速水分检测仪器,能够快速准确的检测出样品的水分含量。
该水分仪采用物理烘干法,通过加热系统快速加热样品,使样品的水分能够在最短时间之内完全蒸发,从而能在很短的时间内检测出样品的含水率。
检测一般样品通常只需3分钟左右。
原理与国家标准烘箱法相同,检测结果具有可替代性,仪器采用一键式操作,不仅操作简单而且也避免了人为因素对测量结果产生的误差。
整套仪器无易耗品,绿色环保,简单易上手。
1、工作原理采用干燥失重法原理,通过加热系统快速加热样品,使样品的水分能够在最短时间之内完全蒸发,从而能在很短的时间内检测出样品的含水率。
检测一般样品通常只需3分钟左右。
冠亚水分仪采用的原理与国家标准烘箱法相同,检测结果具有可替代性,仪器采用一键式操作,不仅操作简单而且也避免了人为因素对测量结果产生的误差。
2、操作步骤第一步:按校准键,放砝码,自动校准。
(定期效准,不用每天开机效准)第二步:取样xg,按测试键开始工作。
第三步:仪器加热中,仪器正在显示丢失的水分值。
第四步:测定结束,仪器显示最终水分。
3、技术参数1、称重范围:0-150g可调试测试空间为3cm2、水分测定范围:0.01-100%3、样品质量:0.100-150g4、加热温度范围:起始-250℃加热方式:可变混合式加热微调自动补偿温度最高15℃5、水分含量可读性:0.01%6、显示参数:7种红色数码管独立显示模式7、外型尺寸:380×205×325(mm)8、电源:220V±10%9、频率:50Hz±1Hz10、净重:3.7Kg4、仪器特点检测速度快,只需几分钟,创行业之最;采用最新一代传感技术,快速、简便,一键式操作;操作简单,全自动操作模式,无可动部件;关键零部件均采用纯进口高端材料,以保证产品检测结果的准确性;零易损件,样品盘采用耐酸耐碱耐变形的纯不锈钢材料,无易耗品,样品盘克循环利用;采用特质的环形卤素光源,加热均匀,加热器更耐用;5、使用注意事项1.在测定水分过程中,一定要避免震动,加热筒下端缺口不能迎风摆放。
江西臻药堂药业股份有限公司GMP管理文件证检测工作顺利进行,为员工的标准化操作提供依据特制定此操作规程范围:适用于烘干法水分测定仪的操作岗位责任人:质控部、现场QA人员内容:1.仪器的调整1.1光学投影仪的调整:当天平装好使用时,投影屏窗上显示刻度应明亮清晰,如刻度不清晰或亮度偏暗时可用下列方法调整:1.1.1投影屏上亮度暗:旋松光源灯的紧定螺钉,作升降或旋转光源灯座和移动电源灯支架,保证灯光源对准由聚光镜和物镜组成的光轴线上。
让光聚成一个明亮的小圆光束准确的射入物镜。
经调整后投影屏上应有足够的亮度。
而且无色差现象,如调整光源灯仍不理想时可将聚光镜筒作轴向移动进行调整,直至投影屏上充满强光为止,最后拧紧紧定螺钉。
1.1.2刻度线迷糊不清:可旋松物镜筒上的紧定螺钉,缓慢的拨动物镜筒,稍作轴向移动,直至投影屏上刻度清晰为止,随即拧紧紧定螺钉。
1.1.3刻度线上数字偏离投影屏框正常位置:可将三棱镜架的固定螺钉少许放松。
可改变三棱镜折射线使之处于正常位置,随即紧定螺钉。
1.1.4投影屏上有异物和黑影显示时,可用无水乙醇把各光学部件擦净,特别注意要很小心地把横梁上的微分标牌擦干净。
1.2零位的调整:在光学投影调整完成后,打开开关旋钮,观察投影屏中的基准线与“00”位线是否重合,若不重合,则通过调节平衡螺母使之基本重合,再通过调节零位微调旋钮使之基准线与“00”位线完全重合。
1.3分度值的调整:天平出厂前均已调好。
如需要检验,则在称盘上先放10g组合砝码校正天平零位、然后取出1g砝码,此时投影屏上的基准线从与“00”位线重合变为与1g线重合(200分格),其误差应不大于±1格(5mg),超过允差时,应切断电源、取下干燥箱内称盘架及称盘以及外壳与底座的连接线拔下,然后将外壳旋钮顺时针旋动,取下外壳。
旋动在横梁下端带斜形的重心螺母,如分度值不足,则将重心螺母向上微调、过多则反之。
在旋动重心螺母时,必须将横梁轻轻稳住、不要移动、以免刀刃损坏。
目的
建立DSH-10快速水分测定仪标准操作规程,使DSH-10快速水分测定仪的操作规范化、标准化,符合检验操作和GMP的管理要求,使操作人员能够正确、安全、合理的操作。
范围
DSH-10快速水分测定仪的操作。
责任
质量控制科科长、QC检查员。
内容
"
1 编制依据:DSH-10快速水分测定仪使用说明书。
2 仪器组成:防风罩、样品盘支架等组成。
3 工作步骤:
(1)开关短按打开显示视屏,进入称量模式。
(2)设置加热温度,温度范围是50℃-180℃,一般设置为105℃
(3)准备要测试的样品(议样品重量在3-10g)
-1把空的样品盘放入盘托架,放在支架上。
-2按下去皮键清零,去出样品盘的重量
-3把样品均匀地分布在样品盘上,(样品必须大于显示屏会显示样
品的称量纸。
(4)关上加热罩
(5)短按测试键开始测试
】
(6)测试时,同时显示千种百分比、水分百分比
(7)短按去皮/返回键,退出此次测试,回到称量模式等待下一次测试
4、保养和维修
仪器应经常保持清洁,避免灰尘及棉主纤维等物粘在天平上,以免影响天平的准确性,使用完毕后应套上防尘罩,仪器暂时不使用应放置干燥剂。
5、注意事项:在测试规程中,如果打开加热罩时,停止加热,返回回到称量模式,该测试无效
测试完成后蜂鸣器间隙鸣叫提示,按“去皮/返回”键退出,回到称量模式。
一、概述与特性1.1概述水分测定仪是在电子天平基础上配置高精度传感器和高效率的二次热辐射装置,达到快速、准确的水分测定。
水分测定仪是以热动力原理为基础,通过物质干燥后的质量和湿重的比获得水分百分比含量和其它结果。
水分测定仪预先存储各种不同样品水份测定方法,使得测试工作快速、简单。
与机械式产品相比成倍提高工作效率和测量结果的准确性。
一般样品只需几分钟即可完成测定。
该仪器操作简单,测试准确,显示部分示值清晰可见,分别可显示水分值、样品初值、终值、测定时间、温度等数据。
并具有与计算机,打印机连接功能。
该水分仪可广泛应用于一切需要快速测定水分的行业,满足各行业的应用要求,如塑胶、橡胶、化工、医药、食品、等行业中的生产过与实验过程中技术参数:型号XFSFYY120A 120B 50A 60A最大称量值100g 100g 100g 100g显示分度值0.001g 0.002 0.005g 0.01g可读性0.01% 0.02% 0.05% 0.1%(样品>10g)加热源卤素灯温度设置45℃- 160℃重量校准100g称盘尺寸φ110 (mm)外形尺寸(D*W*H)330*205*165(mm)包装尺寸(D*W*H)410*315*335 (mm)净重 3.2kg毛重 4.6kg1.2 安全防范为安全可靠地使用好水份分析仪,请务必遵守以下条款:a.本仪器适用于样品水分含量的测定。
所有不恰当的操作均可能导致人身伤害和仪器的损坏。
b.请依照说明书规定的要求接入交流电源。
仪器使用3针带接地插头,严禁断开接地插头。
c.电源线接插应不妨碍人体正常活动。
避免人体触碰或绊倒。
d.不要在危险、潮湿和不稳定的环境下操作本仪器。
e.清洗水分仪时应拔掉电源。
f.使用中应确保仪器周围有足够的空间.上方空间至少1m.g.仪器必须要有专业人员操作并戴好相应的防护用品。
如安全眼睛、防护服、手套和口罩。
h.请不要任意改动仪器的部件和其他方面。
国标法烘干法快速水分测定仪说明书
概述
水是万物之源,绝大多数物质里面都有水的存在。
在生产加工中,水分含量是大多数行业必须检测的指标之一,目前水分检测在现行的国家标准里面,干燥失重法适用于大多数的行业,本文简单介绍了SFY-20D国标烘干法快速水分测定仪,供读者参考,
水分测定仪工作原理
采用干燥失重法原理,通过加热系统快速加热样品,使样品的水分能够在最短时间之内完全蒸发,从而能在很短的时间内检测出样品的含水率。
检测一般样品通常只需3分钟左右。
冠亚水分仪采用的原理与国家标准烘箱法相同,检测结果具有可替代性,仪器采用一键式操作,不仅操作简单而且也避免了人为因素对测量结果产生的误差。
水分测定仪操作步骤
第一步:按校准键,放砝码,自动校准。
(定期效准,不用每天开机效准)
第二步:取样xg,按测试键开始工作。
第三步:仪器加热中,仪器正在显示丢失的水分值。
第四步:测定结束,仪器显示最终水分。
水分测定仪特点
检测速度快,只需几分钟,创行业之最;
采用最新一代传感技术,快速、简便,一键式操作;
操作简单,全自动操作模式,无可动部件;
关键零部件均采用纯进口高端材料,以保证产品检测结果的准确性;
零易损件,样品盘采用耐酸耐碱耐变形的纯不锈钢材料,无易耗品,样品盘克循环利用;
采用特质的环形卤素光源,加热均匀,加热器更耐用;
水分测定仪技术参数
1、称重范围:0-90g
可调试测试空间为3cm
2、水分测定范围:0.01-100%
3、样品质量:0.100-90g
4、加热温度范围:起始-205℃
加热方式:可变混合式加热
微调自动补偿温度最高15℃
5、水分含量可读性:0.01%
6、显示参数:7种
红色数码管独立显示模式
7、外型尺寸:380×205×325(mm)
8、电源:220V±10%
9、频率:50Hz±1Hz
10、净重:3.7Kg
水分测定仪使用注意事项
1.在测定水分过程中,一定要避免震动,加热筒下端缺口不能迎风摆放。
2.测定样品在称量盘中堆积一定要平整,堆积面积尽量布满称盘底面,堆积厚度应尽量薄,利于水分完全蒸发。
3.在测定水分过程中,不能用手去摸加热筒,严禁敲击或直接振动工作台面。
4.由于该仪器称重系统为精密设备,尤其传力部分特别怕重压,冲击,因而在每次取,放称量盘时尽量用托架,若用手进行取,放称量盘应轻取,轻放。
5.测定完成后,马上取下称量盘必须用托架,以免烫手.托架在放入仪器中不应碰到称重支架与称量盘。
6.测定后须待称量盘完全冷却后,再放入下一个试样。