空调型号命名规则
- 格式:doc
- 大小:15.00 KB
- 文档页数:2
Hybrid-Illusion风管送风式空调(热泵)热水机组Ducted Air-Cooling Air Conditioning Heat Pump Water Heater型号 M H D 5 1 8 E B N A A1 2 3 4 5 6 7 89 10 11附加选项 N L F H12 13 14 15维修码 M H D 5 1 8 E B N A A N L F H1 2 3 4 5 6 7 8 9 10 11 12 13 14 15 第 1 位 M = 小型分体第 2 位 H = 热泵型空调热水机第 3 位 D = 管道机第 4 位 5 = 螺纹连接第 5, 6 位名义冷量,单位:KBtu/h18 24第 7 位设计序列号E第 8 位电源类型B =220/50Hz/1PH第 9 位 E电加热N= 无电加热系统F= 有1.8 Kw 电加热系统(MHD518)H= 有2.8 Kw 电加热系统(MHD524)第 10 位控制器A= 线控 B=线控+遥控第 11 位设计变化A = 首次设计变化第 12 位附件选项N= 无回风箱, 无过滤网M= 有后回风箱, 无过滤网A= 有后回风箱, 有过滤网K= 有下回风箱, 无过滤网L= 有下回风箱, 有过滤网(过滤网标准配置为尼龙过滤网)第 13 位盘管接管(面对出风口)L= 左接管( 标准) R=右接管第14 位配置变化(非客户选择码)F= 低高度内机第15 位热泵与单冷区分码(随外机)H= 配热泵型外机C= 配单冷型外机型号 H AR E 18 0130 6 D1 2,345,67-10 11 12附加选项 100 1 1 A13-15 16 17 18维修码 H AR E 18 0130 6 D 100 1 1 A1 2,345,67-10 11 12 13-15 16 17 18第 1 位机型H= 空调热泵热水机组第 2,3 位机组空调功能AR= 空气源冷热风型空调机组第 4 位型号S= 单系统无水箱电加热控制E= 单系统含水箱电加热控制(控制能力:电加热最大功率2.5kw)第 5,6 位名义制冷量,单位:KBtu/h1824第 7-10 位产生热水量:单位: l/h注:名义工况,⊿t=40℃。
空调型号的含义对于空调命名来说,我们用一个产品为例为大家做简单介绍,我们以具体型号为KFR-50LW/BP3DN1Y-C的空调为例。
下面我们就简要为大家介绍一些这款立柜空调的命名方法,也希望以此为基础,让各位了解更多的空调命名规则。
KFR-50LW/BP3DN1Y-CK:空调或表示房间空调器F:分体式R:冷暖型,单冷型无此标识50:制冷量为5000瓦L:立式柜机(G:壁挂型空调)W:外机BP:变频式3:三级能效D:电辅热功能N1:R410A环保冷媒Y:遥控控制C:型号区别码,即此机为变频系列里C款机型。
一、空调的主要参数制冷量和制热量:空调调节室内气温的能量。
例如50机的制冷量5000W,制热量5800W。
二、制冷功率和制热功率:空调的耗电量。
例如50机的制冷功率1860W,制热功率1810W + 辅助电加热功率1500W=3310 W。
三、能效比:空调制冷量与制冷功率的比值。
例如50机的能效比是5000÷1860=2.69四、卖场所称空调的“匹”数,例如“1匹”、“1.5匹”、“2匹”等等,是一种约定俗成的说法,指空调的制冷量。
五、空调主要机型的型号标识及其含义:1. KFR-25GW,简称25机;2. KFR-35GW,简称35机;3. KFR-50LW,简称50机;4. KFR-60LW,简称60机;5. KFR-70LW,简称70机;6. KFR-120LW,简称120机。
六、25、35、50、60、70、120:表示制冷量。
分别为2500瓦、3500瓦、5000瓦、6000瓦、7000瓦、12000瓦。
其他数值的制冷量以此类推。
空调型号字母中有“R”的为冷暖空调;没有“R”的是单冷空调。
在上述型号字母之后标有“BP”的,表示变频空调;没有“BP”的,表示定速空调;标有“ZBP”的,表示直流变频空调。
其他的字母数字是空调的系列号。
三、空调主要机型对应的匹数:1. 25机:1匹;2. 35机:1.5匹;3. 50机:2匹;4. 60机:2.5匹;5. 70机:3匹;6. 120机:5匹。
[电器知识] 空调命名规则大全日期: 2010-01-25 18:01:31通常空调型号上标注的信息有:功能:单冷,冷暖制冷量:2300瓦,2500瓦,等外形:挂机,柜机其他信息:电辅助加热,变频,系列,颜色等。
不同品牌的空调都有各自不同的命名规则,不过国产品牌的命名较为统一,大多数字母含义相同。
一般KF代表单冷机,KFR代表冷暖机,KFRD代表冷暖电辅,GW代表挂机,LW代表柜机,BP代表有变频,23代表制冷量未2300瓦。
但各国产品牌在命名中也都有各自的特点,以下一一举例。
美的 KFR-23GW/DY-F(E4)含义KFR-23GW:制冷量为2300瓦的冷暖挂机DY:带辅助电加热功能F:F系列E4:四级能效海尔 KF-72LW/01UC(F)-S5含义KF-72LW:制冷量为7200瓦的单冷柜机01UC:01UC系列(F):负离子(BP:变频,X:双向送风,D:辅助电加热,Q:换新风)S5:5级能效海信 KFR-36GW/97FZBPC(玫瑰红)含义KFR-36GW:制冷量为3600的冷暖挂机97:97系列ZBP:直流变频科龙 KFR-50LW/VK-4(K15)含义VK:系列-4:四级能效志高 KFR-35GW/MD(M99A)+2含义D:辅助电暖(M99A):系列+2:二级能效合资品牌命名规则各不相同,主要有以下几个品牌:惠而浦 ASH-120C含义ASH:挂机(AVH:柜机)120:制冷量为3500瓦C:伯爵系列大金 FVXS60GV2CW含义FVX:柜机(FTX:挂机)S:新冷媒(D:直流变频)60:制冷量为6000瓦GV:系列2C:2级能效W:白色(N:香槟金)松下 HC18FB2含义HC:系列C:单冷18:制冷量为5000瓦F:柜机2:二级能效三菱电机 MSD-CE07VD含义S:挂机(F:柜机)D:单冷(H:冷暖,Z:变频)CE:系列07:制冷量为2300瓦日立 RAS/C-25BVX含义RA:日立空调S:挂机(P:柜机)C:家用25:制冷量B:系列V:变频(H:冷暖,C:单冷)x:系列变种(Y,Z)奥克斯 KFR-51LW/SF(4) 含义SF:系列(SA,BQ)(4):4级能效三洋 SAP-NC332HE含义NC:系列332:制冷量为3320瓦H:冷暖(C:单冷)E:电辅助加热(B:蓝色,R:红色)三菱重工 SRFNC71D含义F:柜机(K:挂机)NC:系列71:制冷量为7100瓦D:冷暖电辅(C:单冷,H:冷暖)。
家电命名全解析(家电英才网)每到年末都会是家电促销的又一个黄金期,不少消费者都会趁着促销为自己的家庭选购一些新的家电产品,但是在面对卖场中种类繁多各具特色的家电产品时,尤其是看到那些一长串晦涩难懂的家电命名时,不少消费者在选家电上都会犯难,相信大多数消费者并不了解家电命名的意义,也不清楚每个字母相应的含义,相信这个是每个购买家电的消费者都会遇到的难题。
今天笔者就简单通过一些具体实例,为大家介绍一下白电产品命名原则,告诉大家如何通过命名了解到家电产品的性能,希望能对您提供一些帮助,让大家在选购家电时都能做到心中有数。
家电产品尤其是白电产品,通常都会以一长串有规律的数字加字母进行命名,但同时这些数字和字母也都有着各种的含义,代表了产品不同的性能或是规格,可以说家电产品的名称就是该产品的身份证件,不光能帮助我们区分不同的产品,还能够帮助我们了解产品的一些关键性能。
下面我们就简单为大家介绍一下白电产品的命名规则,希望能够给消费者提供一些参考,让消费者在双节家电选购时能够做到心中有数,选择到最适合自己的家电产品,享受最便捷的生活体验。
● 洗衣机命名:类型容量一目了然对于洗衣机而言,由于洗衣机主要分为滚筒和波轮两类,所以在命名原则上也有一定的区分,对于在国内并不常见的搅拌式洗衣机我们就不坐主要介绍了。
下面我们就以海尔一款5公斤波轮作为例子来为大家介绍一下洗衣机的命名原则,(国产品牌的命名基本上都是按照国内已有的规定来命名,比较容易区分,像西门子等品牌都有着自己独特的命名规则,对于大家选购帮助不大。
不过对于这类独特命名的产品,我们都可以在能效标识上看的标准和自己两类命名,消费者不妨参考一下)。
海尔洗衣机在卖场上受到很多消费者关注,效率遥遥领先,今天我们以这款海尔XQG50-8866A滚筒洗衣机为例为大家介绍洗衣机的命名准则,这款洗衣机既有着不错的洗涤效果,又有着简单的操作方法而且还拥有七种不同的洗涤程序方便选择,卖场销售火爆,目前售价为2490元,比较实惠。
空调型号命名规则(1)K—房间空调器。
(2)结构形式:F—分体式房间空调器;C—窗式房间空调器;(3)功能代号(单冷型无此代号):R-热泵型;D—电热型;RD-热泵辅助电热型。
(4)名义制冷量:用阿拉伯数字表示,其值取制冷量的前两位数。
20、22、23代表一匹、25、26、28代表1。
25匹、30、31、33、35、36代表1。
5匹、40、45、50、60代表2匹、70代表3匹、120代表5匹(5)分体式室内机组结构代号:L-柜式; G—壁挂式;C—窗式;N—内藏式;F—风管式;Q-嵌入式;D-吊顶式;W—室外机(6)特殊功能:Y—遥控(仅限窗机);D—直流;BP-变频(美的: BP、格力:Fd);J—离子除尘;X-双向换风;F-负离子如:KC-50/Y代表窗机,单冷,制冷量为5000W,为遥控型;KFR—35GW/BP表示壁挂分体式变频空调器,冷暖,制冷量为3500W。
空调适用面积参考1P:11—17㎡1。
25P:18-23㎡ 1.5P:18-25㎡2P:30-33㎡3P:40—45㎡5P:60㎡左右10P:100㎡左右特推荐:空调器的命名有一套国家统一的标准,产品型号及含义如下:***** * **1 2 3 4 5 6 7 81-表示产品代号(家用房间空调器用字母K表示)2—表示气候类型(一般为T1型,T1型气候环境最高温度为43 C,T1型代号省略)3—结构形式代号(空调器按结构形式分为整体式和分体式,整体式空调器又分为窗式和移动式,代号分别为:分体式-F、窗式—C、移动式—Y)4-功能代号(空调器按功能主要分为单冷型、热泵型及电热型,单冷型代号省略,热泵型、电热型代号分别R、D)5-规格代号(额定制冷量,用阿拉伯数字表示,空调器制冷量在10000W以下的,其单位为100W;制冷量大于或等于10000W时,其单位为1000W)6—整体式结构分类代码或分体式室内机组结构分类代号(室内机组结构分类为吊顶式、挂壁式、落地式、天井式、嵌入式等,其代号分别为D、G、L、T、Q等)7—室外机组结构代号(室外机组代号为W)8-工厂设计序号和特殊功能代号等,允许用汉语拼音大写字母或阿拉伯数字表示.下面以格力空调几个型号作简单说明KCD-46(4620)其中K表示房间空调器,C表示窗机,D表示电热型,46表示制冷量是4600瓦.KFR—25GW/E(2551)其中K表示房间空调器,F表示分体式,R表示热泵型,25表示制冷量是2500瓦,G表示挂壁式,W表示室外机代号,E表示冷静王系列产品。
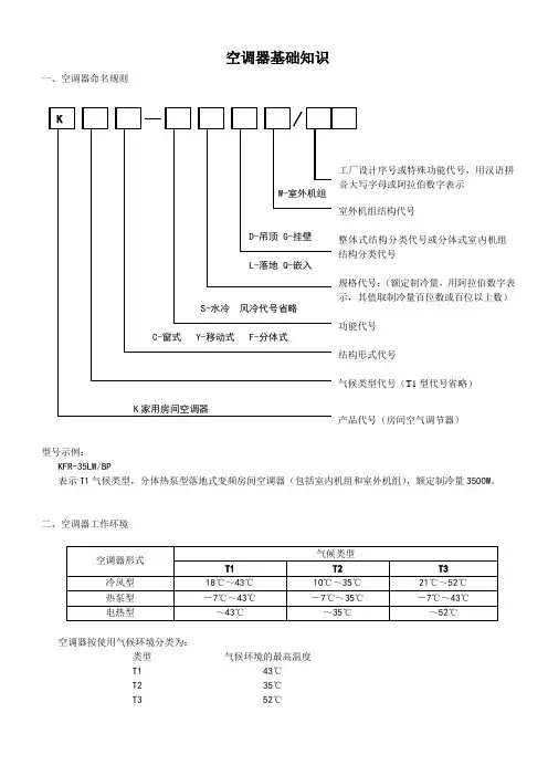
空调器基础知识一、空调器命名规则W-室外机组D-吊顶 G-挂壁L-落地 Q-嵌入S-水冷 风冷代号省略C-窗式 Y-移动式 F-分体式K 家用房间空调器型号示例:KFR-35LW/BP表示T1气候类型,分体热泵型落地式变频房间空调器(包括室内机组和室外机组),额定制冷量3500W 。
二、空调器工作环境空调器按使用气候环境分类为:类型 气候环境的最高温度 T1 43℃ T2 35℃ T3 52℃K工厂设计序号或特殊功能代号,用汉语拼音大写字母或阿拉伯数字表示 室外机组结构代号整体式结构分类代号或分体式室内机组结构分类代号规格代号:(额定制冷量,用阿拉伯数字表示,其值取制冷量百位数或百位以上数) 功能代号 结构形式代号气候类型代号(T1型代号省略)产品代号(房间空气调节器)三、房间空气调节器的主要测试项目及测试条件在制冷运行中,T3工况相比T1工况有差异:额定制冷试验,只提高室内、室外的干球温度,室内、室外分别提高了2℃、11℃,而室内室外的湿球温度保持不变;最大运行试验,只提高室外侧的干、湿球温度,室外侧的干、湿球温度分别提高了9℃、5℃,而室内侧温度则保持不变。
在制热运行中,T3工况相比T1工况无差异。
试验电压额定制冷(热)运行的试验电压为额定电压。
最大运行的试验电压分别为额定电压的90%及110%。
四、房间空气调节器的有关参数制冷量空调器进行制冷运行时,单位时间内从密闭空间、房间或区域内除去的热量总和,单位:W。
制热量空调器进行制热运行时,单位时间内送入密闭空间、房间或区域内的热量总和,单位:W。
消耗功率(输入功率)空调器进行制冷(热)运行时,所消耗的总功率,单位W。
能效比(EER)在额定工况和规定条件下,空调器进行制冷运行时,制冷量与总有效输入功率之比,其值用W/W表示。
性能系数(COP)在额定工况和规定条件下,空调器进行热泵制热运行时,制热量与总有效输入功率之比,其值用W/W表示。
按照国标规定,对于空调器的效率表述为:制冷运行用能效比(EER),制热运行用性能系数(COP)。
连日的高温,让空调市场异常火爆,不少消费者都将目光锁定了松下空调,纷纷表示国际品牌信得过,然而在购买松下空调时,他们也产生了一些困扰,由很多字母数字型号组成的代码让他们摸不上头绪,松下空调的服务人员告诉我们:其实空调器的命名是有一套严格的国家标准的,本文就简单为大家普及一下国家标准型号命名规则及松下空调的命名规则,希望能对大家今后购买松下空调有所帮助。
一、国家标准型号规则,以松下空调怡岚KFR-26GW/BpHH1为例子:K F R- 26 G W/ Bp HH11 2 3 4 5 6 7 81—表示“空调专门代号”(家用房间空调器用字母K表示)2—表示“空调结构”:分体式(F)、整体式(C)3—表示“空调类别”:冷暖型(R)、单冷型(无)4—表示“制冷量”:26即表示制冷能力2600W。
5—表示“室内机类别”:挂壁式室内机(G)、落地式室内机(L)6—表示“室外机”:W代表室外机。
7—表示“空调技术”:变频(Bp)、定速(无)8—表示“企业自编代号”,HH1是松下2014怡岚珍珠白系列的代号。
二、基于国家标准型号规则,以上是松下空调的国标型号规则。
为了消费者更容易记住松下空调的产品型号,松下空调自身也有一套命名规则。
通过了解松下空调的命名规则,大家在购买空调时就能更加清晰的获悉空调的基本性能了。
(备注:06年10月以后机型制定标准)下面,我们不妨以其中深受欢迎的壁挂式空调(2014怡岚和2014怡众),来帮助大家理解松下空调的型号。
目前市场上非常叫座的松下空调当属2014怡岚系列,怡岚系列有9个型号,分别为:正如上述型号所示,根据松下空调的命名规则,我们可以获知如下的信息:●H代表的是豪华型,HE即豪华变频,怡岚系列属于松下空调高端旗舰级产品,是豪华变频的类别,价格也不菲哦。
●E代表的是变频冷暖。
●9、18代表的是制冷能力,原则上匹数约等于制冷量/1000,如HE9KH1系列,查回国标型号对应的制冷量,我们可以得出这是1匹的怡岚,再比如HE13KH1S型号,就是1.5匹,以此类推。
市面上知名的精密空调品牌:力博特 美国 LIEBERT (艾默生旗下)精密空调的领导者1.产品命名规则 P 1 020 U W P M S 1 IPEX 系列加湿类型:0-无加湿;I -红外加湿;S -电极加湿再热类型:0-无电加热;1-一级电加热;2-二级电加热显示屏形式:S -小显示屏;L -大显示屏电源形式:M -三相/50Hz /400V系统配置:R -制冷剂为R22,涡旋压缩机2个;P -制冷剂为R22,涡旋压缩机1个冷却方式:A -风冷;W -水冷送风方式:U -上送风;F -下送风;D -风管型制冷量级别:××KW机组框架:1-单门;2-双门;3-三门S -制冷剂为R407C ,涡旋压缩机2个;Z-制冷剂为R407C ,涡旋压缩机1个史图斯 德国 STULZ 德国STULZ 是知名的精密空调品牌,以前在大陆地区由梅兰日兰代理销售,自2011年开始以独立品牌独立渠道自己销售。
1.产品型号A :空气冷却 G:水/乙二醇冷 GE :乙二醇冷 加自由冷却 CW :冷冻水直接冷却1,2171 (1500)D 向下流动 U 向上流动S 标准 L 低能量A=CyberAir海洛斯 意大利 HIROSS 洛斯(HIROSS )公司于1964年在意大利创建,拥有员工近5000人,是欧洲最大的生产机房专用空调的厂家,也是有世界上机房专用空调行业中最先进的科研中心。
海洛斯公司致力于开发具有最新、最先进技术的高品质空调系统,其旗下品种齐、规格全。
近年在国内的营业额及利润持续高速增长,其中核心产品“海洛斯”机房空调国内市场占有率超过30%,成为行业翘首。
海洛斯机房精密空调, 作为全球领先的制冷服务提供商,为IDC 机房、数据中心以及生产制造应用环境提供业内先进的精密IDC 空调产品、管理软件及系统。
(已被艾默生收购,除P/Q 系列外的其它产品已经纳入艾默生产品系列中)优力 意大利 Uniflair 企业名称:优力(珠海)电器制造有限公司 产品规格:制冷设备 许可证编号:XK06-015-00365。
《房间空气调节器》标准之空调型号命名规则介绍1 适用范围适用于采用风冷及水冷冷凝器,全封闭型电动机-压缩机,制冷量在14kW以下家用或类似用途的房间空气调节器2 产品型号命名规则及意义(1)气候类型代号及对应工作环境温度(6)规格代号(1)KT3C-35/A表示T3气候类型、整体(窗式)冷风型房间空气调节器,额定制冷量为3500W,第一次改型设计。
(2)KFR-28GW表示T1气候类型、分体热泵型壁挂式房间空气调节器(包括室内机制和室外机组),额定制冷量为2800W。
室内机组KFR-28G表示T1气候类型、分体热泵型壁挂式房间空气调节器室内机组,额定制冷量为2800W。
室外机组KFR-28W表示T1气候类型、分体热泵型壁挂式房间空气调节器室外机组,额定制冷量为2800W。
(3)KFR-50LW/Bp表示T1气候类型、分体热泵型落地式变频房间空气调节器(包括室内机组和室外机组),额定制冷量为5000W。
室内机组KFR-50L/Bp表示T1气候类型、分体热泵型落地式变频房间空气调节器室内机组,额定制冷量为5000W。
室外机组KFR-50W/Bp表示T1气候类型、分体热泵型落地式变频房间空气调节器室外机组,额定制冷量为5000W。
(4)一拖二KFR-50(25×2)GW2表示T1气候类型、分体热泵型壁挂式一拖二房间空气调节器(包括室内机组和室外机组),总制冷量为5000W。
室外机组KFR-50W2室内机组KFR-25G 挂壁式KFR-25G 挂壁式(5)一拖三KFR-112(25G+50L+40D)W3/Bp表示T1气候类型、分体热泵型一拖三变频房间空气调节器(包括三个室内机组和一个室外机组),总制冷量为11200W。
室外机组:KFR-112W3/Bp室内机组KFR-25G/Bp 挂壁式KFR-50L/Bp 落地式KFR-40D/Bp 吊顶式(6)一拖四及以上室外机组KFR-140Wd/Bp室内机组根据产品匹配情况和上述命名表示原则可分别进行标示。
海尔空调新型号字母及数字含义其实空调的命名规则是有一定的规律的,很多人只看型号的名字就知道是什么样的空调,有什么样的特点,就是这样来的。
这里以海尔空调KFR,35GW/01BAX21T为例子,给大家讲解。
KFR,35GW/01BAX21TK:产品代号(房间空调器)F:整机结构形式代号[分体式F,整体式C (窗机)]R:功能代号[热泵R(带或者不带辅热), 单冷机省略]35:规格代号(额定制冷量,取百位以上数)G:室内机结构分类代号[G(挂壁式)、L (落地柜式) 、Q (嵌入式) 、N(低静压风管)、E(风管机)、A(立式暗藏)、D(吊顶落地式)]W:室外机结构代号(汉语拼音wai的首字母)01:室外机设计序号,用数字“01-99“表示 (商用外机序号从21-29,51-59.71-79)BA:室内机设计序号(用2个字母表示,第1位表示基本外观、第2位表示衍生外观)X:特殊功能代号一位(表示该产品主推且最重要的卖点功能; Y:加氧, S:加湿, W:物联网,G:感人; X:双新风,F:负离子\水离子,C:聪明风(挂机)环绕风(柜机);Q:除甲醛;Z:除菌;K:除尘;H:立体均匀风(嵌入机),J:基站、A:安装隐形(风管机/立式暗藏)2:系统代号(1代表R22定频,2代表R410A冷媒直流变频, 3代表R410A定频) 1:能效等级代号用数字标识T:统帅标识举例说明:1、KFR,72LW/61SAX21说明:表示分体柜式空调,卖点功能:双新风,有制热功能,制冷量为7200W,室内机外观系列为SA系列,R410A直流变频空调1级能效;室内机代号为KFR-72L/ SAX21 室外机代号为KFR-72W/6121室外机的序号带6这个数字,表示带双新风功能。
2、KFR,26GW/01BAC13说明:表示分体挂壁式空调,卖点功能:聪明风,有制热功能带辅助电热,制冷量为2600W,室内机外观系列为BA系列,定频空调3级能效;室内机代号为KFR-26G/ BAC13,室外机代号为KFR-26W/01133、KFR-72LW/71CAJ13说明:表示分体柜式空调,卖点功能:基站空调,有制热功能,制冷量为7200W,室内机外观系列为CA系列,室外机序号为71,R22定频空调3级能效;室内机代码:KFR,72L/CAJ13 室外机代码:KFR,72W/7113。
空调型号命名规则
(1)K—房间空调器。
(2)结构形式:F—分体式房间空调器;C—窗式房间空调器;
(3)功能代号(单冷型无此代号):R—热泵型;D—电热型;RD—热泵辅助电热型。
(4)名义制冷量:用阿拉伯数字表示,其值取制冷量的前两位数。
20、22、23代表一匹、25、26、28代表1.25匹、30、31、33、35、36代表1.5匹、40、45、50、60代表2匹、70代表3匹、120代表5匹
(5)分体式室内机组结构代号:L-柜式;G-壁挂式;C-窗式;N-内藏式;F-风管式;Q-嵌入式;D-吊顶式;W-室外机
(6)特殊功能:Y-遥控(仅限窗机);D-直流;BP-变频(美的: BP、格力:Fd);J-离子除尘;X-双向换风;F-负离子
如:KC-50/Y代表窗机,单冷,制冷量为5000W,为遥控型;
KFR-35GW/BP表示壁挂分体式变频空调器,冷暖,制冷量为3500W。
空调适用面积参考
1P:11-17㎡ 1.25P:18-23㎡ 1.5P:18-25㎡2P:30-33㎡3P:40-45㎡5P:60㎡左右10P:100㎡左右
特推荐:空调器的命名有一套国家统一的标准,产品型号及含义如下:
* * * * * * * *
1 2 3 4 5 6 7 8
1—表示产品代号(家用房间空调器用字母K表示)
2—表示气候类型(一般为T1型,T1型气候环境最高温度为43 C,T1型代号省略)
3—结构形式代号(空调器按结构形式分为整体式和分体式,整体式空调器又分为窗式和移动式,代号分别为:分体式—F、窗式—C、移动式—Y)
4—功能代号(空调器按功能主要分为单冷型、热泵型及电热型,单冷型代号省略,热泵型、电热型代号分别R、D)
5—规格代号(额定制冷量,用阿拉伯数字表示,空调器制冷量在10000W以下的,其单位为100W;制冷量大于或等于10000W时,其单位为1000W)
6—整体式结构分类代码或分体式室内机组结构分类代号(室内机组结构分类为吊顶式、挂壁式、落地式、天井式、嵌入式等,其代号分别为D、G、L、T、Q等)
7—室外机组结构代号(室外机组代号为W)
8—工厂设计序号和特殊功能代号等,允许用汉语拼音大写字母或阿拉伯数字表示。
下面以格力空调几个型号作简单说明
KCD-46(4620)其中K表示房间空调器,C表示窗机,D表示电热型,46表示制冷量是4600瓦。
KFR-25GW/E(2551)其中K表示房间空调器,F表示分体式,R表示热泵型,25表示制冷量是2500瓦,G表示挂壁式,W表示室外机代号,E表示冷静王系列产品。
KFR-50LW/E(5052LA)其中K表示房间空调器,F表示分体式,R表示热泵型,50表示制冷量是5000W,L表示落地式,W表示室外机代号。