施工上人马道搭设技术交底含图范本
- 格式:doc
- 大小:259.00 KB
- 文档页数:8
技术交底记录鲁JJ-011 工程名称聊城经开南苑新城住宅施工单位中国建筑第八工程局有限公司交底部位脚手架工序名称马道(斜道)搭设交底提要:马道(斜道)搭设的材料要求、搭设要求、应注意的质量问题、安全注意事项。
交底内容:悬挑层以上在悬挑架外侧搭设上人马道,悬挑型钢为5根6米长16 号工字钢;工字钢采用“U”型环钢筋固定,“U”型环采用φ16的钢筋(HRB235)加工制作,“U”型环内径宽度100㎜,长度为不小于550㎜。
““U”型环预埋时在横向角加设横向筋,“U”型环的预埋与悬挑层、楼层绑扎钢筋同步。
每个悬挑梁部位“U”型环埋设分别不少于三道,即在工字钢尾部200㎝处设置第一道(另设一道预备扣),再向前200m处设置第二道,距工字钢端部2800mm设置第三道。
如下图:工字钢固定示意图“U”型环钢筋固定位置示意图项目(专业)交底人接受交底人技术负责人山东省建设工程质量监督总站监制鲁JJ-011 工程名称聊城经开南苑新城住宅施工单位中国建筑第八工程局有限公司交底部位脚手架工序名称马道(斜道)搭设交底提要:马道(斜道)搭设的材料要求、搭设要求、应注意的质量问题、安全注意事项。
交底内容:马道正立面图为增加马道悬挑工字钢过长的抗扭力;上部斜拉钢丝绳两道,第一道距工字钢外端部300mm,第二道距端部1300mm,用16#的钢丝绳作吊绳,在悬挑梁的上一层结构预埋φ20的钢筋(HRB235)吊环使16#钢丝绳穿越悬挑工字钢前端部的焊接吊环,向上一层结构预埋的吊环作斜拉,并用葫芦或紧绳机收紧,再用不少于三组的ф14卡头加以固定。
或在钢丝绳接头之间用20花栏螺丝,将钢丝绳收紧。
项目(专业)交底人接受交底人技术负责人山东省建设工程质量监督总站监制山东省建设工程质量监督总站监制一份交底单位存,一份接受交底单位存。
山东省建设工程质量监督总站监制。
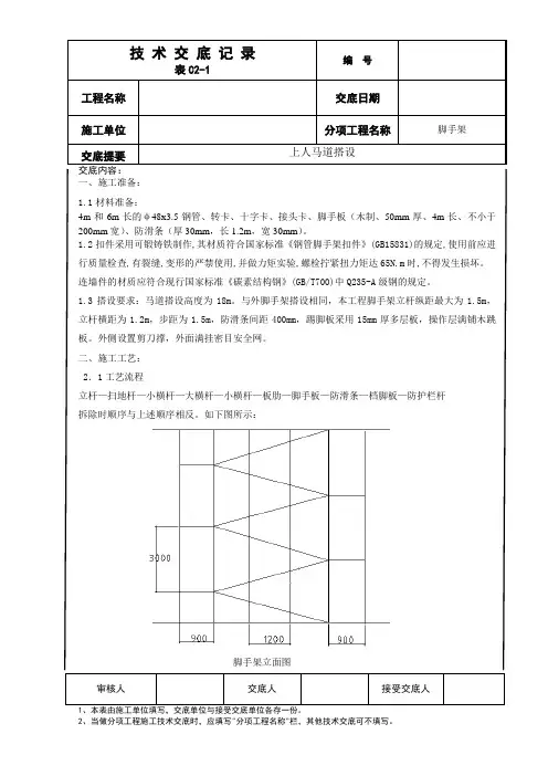
一、施工准备:1.1材料准备:4m 和6m 长的φ48x3.5钢管、转卡、十字卡、接头卡、脚手板(木制、50mm 厚、4m 长、不小于200mm 宽)、防滑条(厚30mm ,长1.2m ,宽30mm )。
1.2扣件采用可锻铸铁制作,其材质符合国家标准《钢管脚手架扣件》(GB15831)的规定,使用前应进 行质量检查,有裂缝,变形的严禁使用,并做力矩实验,螺检拧紧扭力矩达65N.m 时,不得发生损坏。
连墙件的材质应符合现行国家标准《碳素结构钢》(GB/T700)中Q235-A 级钢的规定。
1.3搭设要求:马道搭设高度为18m 。
与外脚手架搭设相同,本工程脚手架立杆纵距最大为1.5m ,立杆横距为1.2m ,步距为1.5m ,防滑条间距400mm ,踢脚板采用15mm 厚多层板,操作层满铺木跳板。
外侧设置剪刀撑,外面满挂密目安全网。
二、施工工艺: 2.1工艺流程立杆—扫地杆—小横杆—大横杆—小横杆—板肋—脚手板—防滑条—档脚板—防护栏杆 拆除时顺序与上述顺序相反。
如下图所示:脚手架立面图脚手架平面图2.2内外架均采用钢管组立(租赁站提供的专用架子钢管和配套扣件),有严重 锈蚀、弯曲或裂纹的不得使用。
2.3钢管连接不得使用铅丝绑扎,必须用合格的玛钢扣件。
2.4外架必须与结构预留洞口伸处的钢管拉接牢固,拉接点垂直间距为 2.7m ,水平间距为6.0m 。
2.5马道满铺脚手板,不得有空隙和探头板、飞跳板,脚手板与横肋用铁丝绑 牢。
防滑条同脚手板钉牢。
2.6在马道外侧满挂密目网。
三、质量要求3.1所有材料必须合格,机械性能符合要求。
3.2斜道搭设必须坚固、稳定、不摇不晃。
3.3立杆接头应错开布置在不同步距内,与相近大横杆的距离不得大于步距的三分之一,垂直偏差不大于1/400,立杆与大横杆必须以直角扣件扣紧,不得隔步设置或遗漏。
3.4大横杆上下接长位置应错开,在不同的立杆纵距中,与相近立杆的距离不大于纵距的三分之一,同一排大横杆的水平偏差不大于该片脚手架长度的1/300, 且不大于 50mm 。
一、施工准备1.主要材料:φ48.3×3.6钢管、十字扣件、转角扣件、对接扣件、50mm厚脚手板、1.5宽密目安全网、水平安全兜网、铅丝、绑扎丝。
1.1材料要求:(1)架子管严禁使用有裂缝、结疤、分层、错位、硬弯、毛刺、压痕和深的划道、斜口的钢管。
(2)扣件严禁使用有裂纹、气孔、缩松、砂眼等锻造缺陷的扣件。
2.作业条件:(1)脚手架基础达到上人搭设条件并清理干净、无杂物。
(2)进场钢管经过检验,钢管无锈蚀、压扁或裂纹,扣件无脆裂、变形、滑丝等现象。
(3)现场管理人员已理解方案内容,向操作人员交完底。
(4)测量人员已在现场放好脚手架立杆位置线,并已做完定距定位。
二、施工工艺2.1工艺流程:基础处理→立杆→横杆→剪刀撑→接头锁紧→脚手板→上层立杆→立杆连接锁→横杆拉结点设置→……。
2.2架体参数:人行马道采用“之”字形,宽度为1m,坡度为1:3,拐弯处设置平台。
马道两侧及平台外围均设置护身栏杆及挡脚板;栏杆高度为1.2m,挡脚板高度不应小于180mm。
马道转角处设置休息平台,宽度1.5m。
人行马道搭设位置尽量定于9.5m跨处,并抱柱连接。
(具体详见人行马道立面示意图)安全通道宽度为3m,长度为4.5m,高为3m,与结构连接,顶部铺双层脚手板,上下间距500mm,两侧用多层板设硬质围挡,每隔1.5m用花杆设八字撑,底端铺设脚手板,其防滑条不大于30mm,顶部前端设安全标志,前端两侧设安全格言。
(具体详见附图)2.3基础处理:2.3.1马道立杆基础为室外回填土,回填土需夯实后经工长组织验收,验收合格后浇筑1.2宽、150厚C15混凝土垫层,并在立杆下方通长铺设50mm厚脚手板。
2.3.2立杆位置进行放线,标定立杆位置,基础垫层上立杆下铺放50mm厚脚手板,并在垫板上重新标定立杆位置。
2.4马道搭设要求:2.4.1搭设作业程序,放置纵向扫地杆→自角部起依次向两边竖立底(第一根)立杆,底端与纵向扫地杆扣接固定后,装设横向扫地杆并与立杆固定(固定立杆底端前,应吊线确保立杆垂直),每边竖起3-4根立杆后,随即装设第一步纵向平杆(与立杆扣接固定)和横向平杆(小横杆,靠近立杆并与纵向平杆扣接固定)、校正立杆垂直和平杆水平使其符合要求后,按40~60N·m力矩拧紧扣件螺栓→按上诉要求依次向前延伸搭设,直至第一步架交圈完成。
工程名称
施工单位x集团有限公司分项工程名称脚手架工程
交底提要马道搭设施工技术交底
交底内容:
一、工程概况
本工程现场场地标高为:边坡坡顶标高约为1100.6m,±0.00=1100.9m。
基坑边壁均采用钢筋网片喷锚+锚杆钢筋网片喷锚支护,放坡坡度为1:0.56/1:0.19,坡底与底板下口留设0.6m宽作业面。
基坑深度在-14.37m左右,东西向长约102m,南北向长约为156m。
根据本工程施工组织设计:地下室平均施工人数在300人左右。
考虑人员通行的要求,同时考虑满足搭设空间,在基坑南侧靠近3-2#塔吊下设有1号马道。
图一马道搭设位置图
审核人交底人
接受交底人
本表由施工单位填写。
工程名称
施工单位x集团有限公司分项工程名称脚手架工程交底提要马道搭设施工技术交底
交底内容:
二、施工准备
2.1材料准备
脚手架钢管(100根ф48×3.6×6000;50根ф48×3.6×4000;ф48×3.6×3000,100根ф48×3.6×1500,20根ф48×3.6×1200),木模板,防滑条,十字扣500个,直接50个,转扣120个,安全网,密目网,安全带。
审核人交底人
接受交底人
本表由施工单位填写。
工程名称
施工单位x集团有限公司分项工程名称脚手架工程交底提要马道搭设施工技术交底
交底内容:
四周设置安全警示标语,并在休息平台处悬挂安全警示牌。
图2 安全通道标语
审核人交底人
接受交底人
本表由施工单位填写。
1、本表由施工单位填写,交底单位与接受单位各保存一份。
2、当做分项工程施工技术交底时,应填写“分项工程名称”栏,其它技术交底可不填写。
技术交底记录表表C2-1编 号工程名称 安徽九洲方圆有限公司制药工程项目交底日期 2014年2月12日 施工单位 中铁建设集团有限公司分项工程名称提取车间2马道搭设交底提要 马道、安全通道搭设施工工艺,质量及安全环保措施交底内容: 1、主要材料,48.3×3.6的架子钢管、十字扣件、旋转扣件、对接扣件、密目安全网1800×6000mm 、50×200×4000mm 脚手板等 2、作业条件2.1 搭设底部回填土提前夯实整平 2.2 原材料及配件检验合格2.3 马道搭设部分楼层外脚手架搭设完毕3、施工工艺及搭设流程搭设顺序:放线→铺设垫板→立杆→扫地杆→斜向大横杆→踏步小横杆→侧面纵向剪刀撑→马道底部纵向剪刀撑→铺设顶部防砸层→马道两侧挂密目式安全网→验收。
3.1 搭设前测量人员进行放线定位,确保位置正确。
各车间具体定位根据现场实际情况选定。
3.2 立杆位置进行放线,标定立杆位置,并在立杆底部铺设50mm 厚脚手板做垫板,放直调平,确定立杆稳定,立杆必须用对接扣件进行对接。
3.3 马道搭设采用单排单立杆,立杆纵距为1.5m 、横距为1.2m ,步距1.8m,扫地杆离地0.2m,休息平台宽1.5m,休息平台位置每600mm 一道设置拦腰杆,斜道两侧及休息平台均设置1.2m 栏杆和不低于180mm 挡脚板,栏杆处满挂安全密目网,斜道上满铺脚手板并用铁丝绑扎固定,脚手板上每隔250-300mm 设置防滑条,防滑条尺寸不小于20×30mm.马道外立面自底至顶搭设剪刀撑,剪刀撑钢管用旋转扣件固定在与之相交的立杆之上并用不少于3个旋转扣件固定,旋转扣件中心线至主节点的距离不宜大于150mm 。
3.4扫地杆距地面200mm,扣件必须拧紧。
一、工程名称:____________________二、施工单位:____________________三、分项工程名称:施工马道四、交底部位:____________________五、交底时间:____________________六、交底内容:1. 施工马道的作用及重要性施工马道是施工现场为满足人员、材料和设备运输而设置的一种临时性道路。
马道的设置对于保障施工现场的安全生产、提高施工效率具有重要意义。
因此,施工马道的搭建必须符合相关安全规范和标准。
2. 施工马道设计要求(1)设计应满足施工现场人员、材料和设备运输的需要,确保运输安全、便捷。
(2)马道宽度应不小于1.2米,高度应符合现场实际情况。
(3)马道坡度不宜大于1:3,特殊情况应进行特殊设计。
(4)马道应设置足够的扶手和警示标志,以保障人员安全。
3. 施工马道施工要求(1)施工前,应对施工现场进行实地考察,确定马道设置位置和长度。
(2)马道铺设材料应符合国家相关标准,确保质量。
(3)马道施工过程中,应确保施工人员安全,严格遵守操作规程。
(4)马道施工完毕后,应进行验收,确保马道符合设计要求。
4. 施工马道安全管理要求(1)施工过程中,应加强施工现场安全管理,确保施工人员生命安全。
(2)施工人员必须佩戴安全帽、系好安全带,严格遵守操作规程。
(3)施工现场应设置明显的警示标志,提醒人员注意安全。
(4)施工现场应配备必要的应急救援设施,如急救箱、消防器材等。
5. 施工马道拆除及清理要求(1)马道拆除前,应确保施工现场无施工人员和设备。
(2)拆除过程中,应严格按照操作规程进行,确保安全。
(3)拆除后的材料应及时清理,不得堆放在施工现场。
七、交底人:____________________八、审核人:____________________九、接受交底人:____________________十、备注:1. 施工单位应严格按照本交底内容执行,确保施工安全。
一、交底目的为确保人行马道搭设过程中的安全,防止事故发生,特制定本安全技术交底,要求所有参与搭设作业的人员认真学习并严格遵守。
二、适用范围本交底适用于所有涉及人行马道搭设的工程项目。
三、搭设要求1. 马道设计:- 人行马道宽度应不小于1米,坡度以1:3为宜,确保行人行走舒适。
- 转弯休息平台面积不小于3平方米,平台宽度不小于1.5米,方便行人休息和避让。
- 马道应设置在安全、稳定的区域,避免靠近临边、高空作业区域。
2. 材料准备:- 使用符合国家标准的材料,如木材、钢材等。
- 材料应进行检验,确保无裂纹、变形等缺陷。
3. 搭设步骤:- 基础处理:对马道底部进行平整、夯实,确保基础稳定。
- 立杆搭设:立杆埋入地下深度不小于50厘米,并夯实覆土。
- 横杆搭设:横杆间距应与立杆间距相适应,确保马道结构稳固。
- 脚手板铺设:脚手板应铺满、绑牢,搭接部分应用双排木,搭茬板的板端应搭过排木20厘米,并用三角木填补板头凸楞。
- 防滑措施:斜坡马道的脚手板应设防滑木条,防滑木条厚度不小于33厘米,间距不大于30厘米。
四、安全注意事项1. 人员配备:- 搭设作业人员必须经过专业培训,具备相关技能。
- 新工人入场前必须进行三级教育,考试合格后方可进入施工现场。
2. 个人防护:- 进入施工现场必须戴合格安全帽,系好下颚带,锁好带扣。
- 操作人员应穿着合适的劳保服装,佩戴防滑鞋。
3. 现场管理:- 施工现场严禁吸烟,严禁嬉戏打闹。
- 严禁酒后上岗,严禁操作与自己无关的设备。
4. 验收标准:- 马道搭设完成后,必须进行验收,确保其符合设计要求和安全标准。
- 验收合格后方可投入使用。
五、应急处置1. 常见事故:- 马道结构不稳定、脚手板松动、防滑措施不到位等。
2. 应急措施:- 发现问题立即停止作业,进行整改。
- 采取必要的安全措施,防止事故扩大。
六、总结为确保人行马道搭设过程中的安全,所有参与作业的人员必须严格遵守本安全技术交底,加强安全意识,提高自我保护能力,共同营造一个安全、有序的施工环境。
一、工程概况1. 工程名称:[工程名称]2. 施工单位:[施工单位]3. 施工地点:[施工地点]4. 施工时间:[施工时间]二、安全注意事项1. 人员要求1.1 所有参与马道搭设作业的人员必须经过专业培训,持有相关操作证。
1.2 新工人入场前必须进行三级安全教育,考试合格后方可上岗。
1.3 禁止酒后上岗、疲劳作业。
2. 施工材料2.1 马道所用材料必须符合国家相关标准,确保质量可靠。
2.2 材料进场前应进行检查,确保无质量问题。
3. 施工工艺3.1 运料马道宽度不小于1.5m,坡度以1:6为宜。
3.2 人行马道宽度不小于1m,坡度为1:3,宽度不小于1m。
3.3 转弯休息平台面积不小于6平方米,平台宽度不小于2m;转弯休息平台面积不小于3平方米,平台宽度不小于1.5m。
3.4 立杆、横杆间距应与结构架子相适应,独立马道的立、横杆间距不超过1.5m。
3.5 杉篙立杆埋入地下的深度,不小于50cm,埋入覆土夯实。
3.6 排木间距不超过1m。
马道宽度超过2m时,排木中间应加吊杆,每隔一根立杆应在吊杆下加设托杆和八字戗。
3.7 斜道必须三面设剪刀撑,中间每隔5-7根立杆设一组剪刀撑。
3.8 脚手板应铺满、绑牢。
搭接部分应用双排木,搭茬板的板端应搭过排木20cm,并用三角木填补板头凸楞。
3.9 斜坡马道的脚手板均应设防滑木条,防滑木条厚度33cm,间距不大于30cm。
3.10 马道及平台必须设两道护身栏,并设18cm高度的挡脚板,里侧拐角及进出口处护身栏不得伸出端柱。
4. 安全防护4.1 施工现场必须配备足够的安全防护设施,如安全帽、安全带、防滑鞋等。
4.2 施工人员必须正确佩戴个人防护用品,如安全帽、安全带等。
4.3 施工现场严禁吸烟、嬉戏打闹。
5. 施工现场管理5.1 施工现场应保持整洁、有序,不得乱堆乱放材料。
5.2 施工现场应设置明显的警示标志,如“危险”、“禁止通行”等。
5.3 施工现场应配备消防器材,并定期进行检查和维护。
施工上人马道搭设技术交底含图
1
2020年4月19日
技术交底记录
注:本记录一式两份,一份交底单位存,一份接受交底单位
存。
山东省建设工程质量监督总站监制
技术交底记录
鲁JJ-011 工程名称聊城经开南苑新城住宅施工单位中国建筑第八工程局有限公司
交底部位脚手架工序名称马道(斜道)搭设
交底提要:
马道(斜道)搭设的材料要求、搭设要求、应注意的质量问题、安全注意事项。
交底内容:
悬挑层以上在悬挑架外侧搭设上人马道,悬挑型钢为5根6米长16 号工字钢;工字钢采用“U”
型环钢筋固定,“U”型环采用φ16的钢筋(HRB235)加工制作,“U”型环内径宽度100㎜,长度为不小于550㎜。
““U”型环预埋时在横向角加设横向筋,“U”型环的预埋与悬挑层、楼层绑扎钢筋同步。
每个悬挑梁部位“U”型环埋设分别不少于三道,即在工字钢尾部200㎝处设置第一道(另设一道预备扣),再向前200m处设置第二道,距工字钢端部2800mm设置第三道。
如下图:
工字钢固定示意图
“U”型环钢筋固定位置示意图
注:本记录一式两份,一份交底单位存,一份接受交底单位存。
山东省建设工程质量监督总站监制技术交底记录
交底内容:
马道正立面图
为增加马道悬挑工字钢过长的抗扭力;上部斜拉钢丝绳两道,第一道距工字钢外端部300mm,第二道距端部1300mm,用16#的钢丝绳作吊绳,在悬挑梁的上一层结构预埋φ20的钢筋
(HRB235)吊环使16#钢丝绳穿越悬挑工字钢前端部的焊接吊环,向上一层结构预埋的吊环作斜
拉,并用葫芦或紧绳机收紧,再用不少于三组的ф14卡头加以固定。
或在钢丝绳接头之间用20花
栏螺丝,将钢丝绳收紧。
项目(专业)
交底人接受交底人
技术负责人
注:本记录一式两份,一份交底单位存,一份接受交底单位
存。
山东省建设工程质量监督总站监制
技术交底记录
鲁JJ-011 工程名称聊城经开南苑新城住宅施工单位中国建筑第八工程局有限公司。