K《岩土工程》复习题
- 格式:doc
- 大小:122.00 KB
- 文档页数:8
选择题
在岩土工程勘察中,下列哪项不属于初步勘察阶段的主要任务?
A. 查明地形地貌及地质构造
B. 确定岩土层分布及其物理力学性质
C. 查明地下水的类型、补给及排泄条件
D. 详细评价地基的稳定性和承载力(正确答案)
土的抗剪强度主要由哪种力构成?
A. 内聚力
B. 摩擦力
C. 内聚力和摩擦力共同作用(正确答案)
D. 土的重力
下列哪种方法常用于测定土的天然密度?
A. 灌砂法(正确答案)
B. 静力触探
C. 标准贯入试验
D. 圆锥动力触探
在进行岩土工程设计时,下列哪项不是必须考虑的因素?
A. 地基土的承载力
B. 地下水位的变化
C. 土壤的颜色(正确答案)
D. 地震烈度
下列哪种土的分类是基于土的颗粒大小及其组成特征?
A. 粘性土
B. 残积土
C. 砂土(正确答案)
D. 软土
岩土工程中的“基坑支护”主要是为了什么目的?
A. 增加基坑的深度
B. 防止基坑侧壁失稳和周边建筑物受损(正确答案)
C. 提高地基的承载力
D. 加速基坑的施工速度
下列哪种试验用于测定土的压缩性?
A. 直剪试验
B. 固结试验(正确答案)
C. 三轴压缩试验
D. 渗透试验
在岩土工程中,下列哪项不是导致地基沉降的主要原因?
A. 地基土层的固结
B. 地基土层的压缩
C. 地基土层的侧向挤出
D. 地基土层的化学变化(正确答案)
下列哪种仪器常用于现场测量土的含水量?
A. 比重瓶
B. 烘箱
C. 酒精燃烧法装置
D. 含水量测定仪(正确答案)。
岩土工程基础考试一、选择题(每小题2分,25个小题,共计50分)1.土壤的内摩擦角是指土壤在剪切破坏时,剪切面与水平面之间的A。
A. 最大倾角B. 最小倾角C. 垂直角D. 任意角2.岩体的单轴抗压强度测试是评估岩石在C条件下抵抗压碎的能力。
A. 拉伸B. 剪切C. 单向压缩D. 多向应力3.在地基处理中,采用换填法主要是为了提高地基的B。
A. 透水性B. 承载力C. 压缩性D. 抗剪强度4.土压力理论中,朗肯土压力理论适用于A条件下的土压力计算。
A. 墙背直立、光滑、填土面水平B. 墙背倾斜、粗糙、填土面倾斜C. 任意形状墙背D. 弹性半空间体5.渗透系数是衡量土壤C性能的指标。
A. 压缩性B. 强度C. 透水性D. 变形模量6.在岩土工程勘察中,钻孔取芯是了解地层岩性和地质构造的D手段。
A. 次要B. 间接C. 可选D. 直接7.基础的最终沉降量主要由三部分组成,不包括B。
A. 瞬时沉降B. 卸载回弹C. 固结沉降D. 次固结沉降8.滑坡治理中,抗滑桩的主要作用是A。
A. 增加滑坡体的抗滑力B. 减少滑坡体的下滑力C. 改变滑坡体形状D. 加速地下水排泄9.基坑开挖过程中,为了防止坑壁坍塌,常采用的支护结构有C。
A. 挡土墙B. 防水帷幕C. 钢板桩D. 排水管10.土的固结过程是指土壤在B作用下,孔隙水被排出,体积减小,密度增加的过程。
A. 剪切力B. 外力C. 内力D. 摩擦力11.岩质边坡的稳定性分析常采用D法。
A. 极限平衡B. 朗肯土压力C. 太沙基承载力D. 赤平投影12.土壤的液性指数是用来评价土壤B状态的指标。
A. 压缩性B. 稠度C. 渗透性D. 强度13.在地基处理中,采用预压法主要是为了C。
A. 提高地基承载力B. 改变地基土的性质C. 加速地基沉降D. 减少地下水位14.岩石的风化作用主要包括物理风化、化学风化和A风化。
A. 生物B. 机械C. 热力D. 电磁15.边坡稳定性分析中,安全系数大于1表示A。
岩土工程概论试题及答案一、单项选择题(每题2分,共20分)1. 岩土工程主要研究的是以下哪类材料?A. 金属材料B. 非金属材料C. 土体和岩石D. 混凝土答案:C2. 土体的三相组成包括哪三相?A. 气体、液体、固体B. 气体、液体、光体C. 气体、固体、光体D. 液体、固体、光体答案:A3. 土体的孔隙比是指什么?A. 孔隙体积与土体总体积的比值B. 孔隙体积与土体干体积的比值C. 土体干体积与孔隙体积的比值D. 土体总体积与孔隙体积的比值答案:B4. 以下哪项不是岩土工程勘察的目的?A. 确定土层的物理力学性质B. 确定地下水位C. 确定土体的化学成分D. 确定土体的渗透性答案:C5. 土体的压缩系数是指什么?A. 土体在垂直荷载作用下的压缩量与土体高度的比值B. 土体在垂直荷载作用下的压缩量与土体原始高度的比值C. 土体在垂直荷载作用下的压缩量与土体原始体积的比值D. 土体在垂直荷载作用下的压缩量与土体原始干体积的比值答案:B二、多项选择题(每题3分,共15分)1. 岩土工程中常用的原位测试方法包括以下哪些?A. 标准贯入试验B. 静力触探试验C. 钻孔取芯D. 土体化学分析E. 十字板剪切试验答案:ABE2. 土体的强度指标主要包括以下哪些?A. 内摩擦角B. 黏聚力C. 孔隙比D. 压缩系数E. 弹性模量答案:AB3. 影响土体压缩性的因素包括以下哪些?A. 土体的颗粒大小B. 土体的颗粒形状C. 土体的孔隙比D. 土体的含水量E. 土体的渗透性答案:ACD三、判断题(每题1分,共10分)1. 土体的渗透性与土体的孔隙率成正比。
()答案:×2. 土体的内摩擦角越大,土体的抗剪强度越高。
()答案:√3. 土体的含水量增加会导致土体的压缩性增加。
()答案:×4. 土体的颗粒大小对土体的渗透性没有影响。
()答案:×5. 土体的孔隙比越大,土体的压缩性越强。
()答案:√四、简答题(每题5分,共20分)1. 简述岩土工程勘察的一般步骤。
岩土工程勘察复习题 HEN system office room 【HEN16H-HENS2AHENS8Q8-HENH1688】《岩土工程勘察》复习题一、名词解释:(15分)①地表移动盆地:采空区当地下开采影响到达地表以后,在采空区上方地表将形成一个凹陷盆地②曲率:采空区任意一点处的平均倾斜变化率③水平变形:采空区任意两点水平位移之差与两点的水平距离之比④地表倾斜:任意两点的沉降差与两点间的水平距离之比⑤湿陷系数:试样在一定压力作用下,浸水湿陷变形量与原高度之比⑥自重湿陷系数:试样在饱和的自重压力下,浸水湿陷变形量与原高度之比⑦湿陷起始压力:使非自重湿陷性黄土开始发生湿陷所需的最低压力⑧膨胀率:指在一定压力作用下,处于侧限条件下的原状土样在浸水膨胀稳定后,土样增加的高度与原高度之比⑨自由膨胀率:指人工制备的烘干土样,在水中增加的体积与原体积之比⑩线缩率:土的竖向收缩变形与试样原始高度之比○11膨胀力:土样在体积不变时,由于浸水膨胀产生的最大内应力○12收缩系数:以原状土样在直线收缩阶段,含水量减小1%时的竖向线收缩率○13胀缩总率:在一定压力下,收缩量与土的含水量可能减小的幅度之积与膨胀率的和○14冲填土:由于水力冲填泥沙形成的填土○15老填土:当主要组成物质为粗颗粒,堆填时间在10a以上者;或主要组成物质为细颗粒,堆填时间在20a以上者○15融化下沉系数:冻土在融化前后的高度改变量和冻土融化前的高度之比○16洞探:依靠专门机械设备在岩层中掘进,通过竖井、斜井和平硐来观测描述地层岩性、构造特征,并进行现场试验以了解岩层的物理力学性质指标○17探井:常用于土层中,查明地层岩性,地质结构,采取原状土样,兼做原位测试。
是经过地球物理勘探证实有希望的地质构造,为了探明地下情况寻找油汽田而钻的井。
二、问答题(20分)1、岩土工程勘察纲要的基本内容?1.工程名称及建设地点2.勘察阶段及技术要求3.制定勘察刚要的依据4.建筑场地的自然条件及研究程度5.勘察工作的内容、方法及要求①尚需继续搜集的各种资料文献②工程地质测绘③钻探④原位测试⑤土、水的试验分析⑥各种长期观测⑦资料整理及报告书中的内容及要求6.勘察工作进行中可能遇到的问题及处理措施7.附件:①岩土工程勘察任务委托书②勘察试验点平面布置图③勘察工作进展计划表2、滑坡稳定性计算应符合哪些要求?1.正确选择有代表性的分析断面,正确划分牵引段、主滑段和抗滑段2.正确选择强度指标,宜根据测试结果、反分析和当地经验综合确定3.有地下水时,应计入浮托力和水压力4.根据滑面(带)条件,按平面、圆弧或折线,选用正确的计算模型5.当有局部滑动可能时,除验算整体稳定外,尚验算局部稳定6.当有地震、冲刷、人类活动等影响因素时,应计入这些因素对稳定的影响3、简述建筑物的沉降观测工作及停止观测的标准。
岩土考试题库及答案解析一、单项选择题1. 岩土工程中,土的分类通常基于哪种特性?A. 土的颜色B. 土的颗粒大小C. 土的密度D. 土的化学成分答案:B2. 土的三相组成包括哪三部分?A. 固体、液体、气体B. 固体、液体、空气C. 固体、水、空气D. 固体、水、气体答案:A3. 土的压缩性是指什么?A. 土在荷载作用下的体积变化B. 土在荷载作用下的密度变化C. 土在荷载作用下的颗粒重新排列D. 土在荷载作用下的水分迁移答案:A二、多项选择题1. 以下哪些因素会影响土的剪切强度?A. 土的密度B. 土的颗粒大小C. 土的含水量D. 土的固结历史答案:A, C, D2. 土的固结过程主要涉及以下哪些因素?A. 土的渗透性B. 土的压缩性C. 土的剪切强度D. 土的固结压力答案:A, B, D三、判断题1. 土的饱和度是指土中水的体积与土的总体积之比。
()答案:错误2. 土的固结是指在荷载作用下,土体体积减小的过程。
()答案:正确四、简答题1. 简述土的剪切强度的影响因素。
答案:土的剪切强度主要受土的密度、含水量和固结历史等因素的影响。
密度越高,颗粒间的接触面积越大,剪切强度也越高。
含水量的增加会降低土的剪切强度,因为水分的存在会减少颗粒间的摩擦力。
固结历史表明土体在历史上受到的荷载,固结程度越高,土体的剪切强度越低。
2. 解释什么是土的固结和固结过程。
答案:土的固结是指土体在荷载作用下体积减小,孔隙水排出,土体密度增加的过程。
固结过程通常涉及土体的渗透性,即水通过土体的能力,以及土体的压缩性,即土体在荷载作用下的体积变化能力。
固结压力是导致固结的外部荷载。
五、计算题1. 已知某土样的固结压力为200 kPa,土的压缩系数为0.1 MPa^-1,求该土样在固结过程中体积减少的百分比。
答案:首先计算固结引起的体积变化量,使用公式ΔV/V₀ = (σ - σ₀) / (n * σ₀),其中ΔV 是体积变化量,V₀是初始体积,σ 是固结压力,σ₀是初始固结压力(通常取0),n 是压缩系数。
岩土工程施工考试题1. 岩土工程施工的基本原理是什么?请简要说明。
2. 请列举岩土工程施工过程中常见的安全措施,并说明其重要性。
3. 在岩土工程施工中,地基处理工程的方法有哪些?请分别说明其适用范围和施工要点。
4. 请简要说明岩土工程施工中常见的地基基础种类,并举例说明其适用场景。
5. 请说明在施工过程中如何避免地基基础施工中的质量事故?6. 岩土工程施工中的土方开挖有哪些注意事项?请说明其施工要点和安全措施。
7. 请说明在地基基础施工中如何控制地基沉降。
8. 岩土工程施工中的爆破作业有哪些安全措施?请说明其重要性和施工要点。
9. 请简要说明岩土工程施工中的监测方法,包括地下水位监测、地基沉降监测和地表位移监测等。
10. 请列举岩土工程施工中常见的地基加固方法,并说明其适用场景和施工要点。
11. 请说明岩土工程施工中的质量验收标准和方法。
12. 岩土工程施工中常见的危险因素有哪些?请列举并说明其预防措施。
13. 请说明在地基基础施工中如何控制地基侧压力的影响。
14. 岩土工程施工中常见的地基基础施工质量问题有哪些?请列举并说明其解决方法。
15. 请结合实际案例分析岩土工程施工过程中的成功经验和失败教训。
16. 请说明在实际工程中如何选择合适的岩土工程施工方法和技术。
17. 请列举岩土工程施工中常见的材料和设备,并说明其选用标准和注意事项。
18. 请说明在地基基础施工过程中如何预防地基沉降不均匀的问题。
19. 岩土工程施工中的施工现场管理有哪些要点?请详细说明其管理措施。
20. 请结合实际案例说明岩土工程施工中常见的质量事故和安全事故,并提出防范措施。
以上就是岩土工程施工考试题,希望能对您的学习有所帮助。
祝您考试顺利!。
岩土工程师考试题第一题:土壤力学地基工程施工中,常常需要对土体进行压实。
请简述常用的土壤压实方法,并分别说明其原理和适用条件。
答:常用的土壤压实方法有静力压实和振动压实两种。
静力压实是通过施加静载荷,使土体产生变形并增加土体间颗粒间的接触力,从而增加土体的密实度。
静力压实方法的原理在于利用外加压力,使土体颗粒发生重排和变形,进而填充土壤颗粒间的空隙,增加土体的密实度。
适用于处理黏性土以及一些细粒土。
振动压实是通过振动设备,对土体施加振动力,使土体颗粒间的摩擦力减小,从而让土体颗粒更紧密地堆积在一起,增加土体密实度。
振动压实方法的原理在于将外界振动力引入土体中,通过振动幅度和频率的控制,使土壤颗粒间发生相对错动,减小颗粒间的摩擦力,提高土体的密实度。
适用于处理砂土、砾石等颗粒性较好的土体。
第二题:岩石力学在工程施工中,经常需要对岩石进行切割和爆破,以便进行隧道、场地平整等作业。
请简述常用的岩石切割和爆破方法,并分别说明其原理和适用条件。
答:常用的岩石切割方法有机械切割和火焰切割两种。
机械切割是采用机械设备对岩石进行钻孔、锯割或钢丝锯等方式,进行切割。
机械切割方法的原理在于通过机械设备的力和切割工具的运动,对岩石进行直接的物理作用,使岩石断裂或破碎,实现切割的目的。
适用于较硬的岩石材料。
火焰切割是利用氧炔火焰高温燃烧,对岩石进行热切割。
火焰切割方法的原理在于将氧气和煤气等混合燃烧,产生高温火焰,对岩石进行直接热分解或熔化,从而实现切割的目的。
适用于一些有机质含量较高的岩石。
岩石爆破是通过在岩石内布设爆破药剂,引爆药剂,使岩石发生爆炸,从而实现破碎和切割的目的。
岩石爆破的原理在于利用爆炸药剂的爆炸能量,产生巨大的冲击力和震动波,使岩石断裂、破碎或剥离,实现切割和破碎的目的。
适用于较硬且规模较大的岩石。
第三题:地基处理在地基工程中,常常需要对软弱地基进行加固处理。
请简述常用的地基处理方法,并分别说明其原理和适用条件。
选择题
在岩土工程勘察中,确定土层物理性质的重要指标之一是:
A. 土的密度
B. 土的含水量(正确答案)
C. 土的颜色
D. 土的气味
下列哪项不是岩土工程中常用的地基处理方法?
A. 强夯法
B. 换土垫层法
C. 真空预压法
D. 电镀加固法(正确答案)
岩土工程中,用于评估岩体稳定性的主要方法是:
A. 地质雷达探测
B. 岩体质量分级(正确答案)
C. 水文地质分析
D. 土壤污染检测
下列哪种现象通常不是由地下水活动引起的岩土工程问题?
A. 地面沉降
B. 土体滑坡
C. 岩溶塌陷(正确答案)
D. 基坑突水
在进行岩土工程设计时,下列哪项参数不是必须考虑的?
A. 地基承载力
B. 岩土的抗压强度
C. 岩土的抗剪强度
D. 岩土的导热系数(正确答案)
岩土工程勘察报告中,通常不包含以下哪项内容?
A. 地质构造描述
B. 岩土层分布及特性
C. 地下水位及水质分析
D. 周边建筑物详细设计图(正确答案)
下列哪种岩土体结构对工程建设最为不利?
A. 层状结构且层间结合良好
B. 散体结构,无胶结(正确答案)
C. 块状结构,岩体完整
D. 碎裂结构,但裂隙不发育
在进行深基坑支护设计时,主要考虑的外部荷载不包括:
A. 土压力
B. 水压力
C. 地面超载
D. 地震波直接作用力(正确答案)
岩土工程中,用于提高软土地基承载力的常用方法之一是:
A. 桩基加固(正确答案)
B. 地面硬化
C. 增加土层厚度
D. 降低地下水位。
岩土工程试题一、名词解释(每题5分,共20分)1.剪切强度2.承载能力3.土压力4.土壤液化二、填空题(每空1分,共10分)1.岩土工程中常用的天然地基包括_______、______、和______。
2.根据变形特点,岩石可分为_______ 、_______ 和_______ 三类。
3.在工程中,常把岩体的强度指标近似地等于_______ 的强度。
4.岩体中的结构面按成因可分为_______、_______ 和_______ 三类。
5.地下水按埋藏条件可分为_______ 和_______ 三类。
三、选择题(每题3分,共15分)1.下列哪项不属于岩土工程勘察的内容?()A. 确定岩土的分类和名称B. 确定岩土的物理力学性质指标C. 确定水文地质条件D. 确定岩土的变形和稳定性评价2.下列哪项不是岩土工程设计的基本原则?()A. 安全性和可靠性B. 经济性和合理性C. 美观性D. 环保性和可持续性3.关于岩土工程中常用的桩基,下列哪项描述是错误的?()A. 桩基是一种常用的深基础形式B. 桩基的承载能力主要取决于桩身的强度和刚度C. 桩基施工方法有预制桩和灌注桩两种D. 桩基施工方法有锤击法和振动法两种4.关于地下水对岩土工程的影响,下列哪项描述是错误的?()A. 地下水对岩土的强度和稳定性有重要影响B. 地下水位的升降会引起岩土变形和滑坡等问题C. 地下水压力会对地下工程的稳定性和安全性产生影响D. 地下水不会对地基产生侵蚀作用,因此不需要采取防护措施。
5.关于岩土工程中常用的地基处理方法,下列哪项描述是错误的?()A. 地基处理方法有置换法、排水固结法、振密挤密法等。
B. 地基处理方法应根据具体情况选择,以达到最佳处理效果。
C. 地基处理后应进行质量检测和验收,确保处理效果符合要求。
D. 地基处理不需要考虑对周围环境的影响,只关注处理效果即可。
1.简述采矿工程中岩体力学的特点。
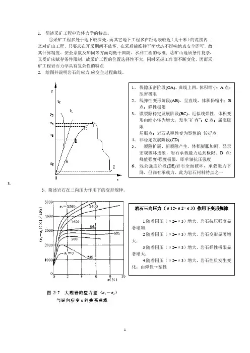
①采矿工程多处于地下较深处,而其它地下工程多在距地表较近(几十米)的范围内;②对矿山工程,只要求在开采期间不破坏,在采后能维持平衡状态不影响地表安全即可,故其计算精度、安全系数及加固等方面均低于国防、水利工程的标准;③矿山地质条件复杂,又受矿床赋存条件限制,故采矿工程的位置选择性不大,同时采掘工作面不断变化,因而采矿工程岩石力学具有复杂性的特点2.绘图并说明岩石的应力-应变全过程曲线。
3.3、简述岩石在三向压力作用下的变形规律。
1、裂隙压密阶段(OA)。
曲线上凹,体积缩小;A点:压密极限2、线弹性变形阶段(AB)。
呈直线,体积仍缩小;B点:弹性极限3、微裂隙稳定发展阶段(BC)。
近似线弹性,体积变形由缩小转为增大,发生“扩容”;C点:屈服极限屈服点:岩石从弹性变为塑性的转折点4、非稳定发展阶段(CD)5、裂隙扩展、新裂隙产生,体积膨胀加剧,显示宏观破坏迹象,岩石承载能力达到极限;D点:峰值强度/强度极限,即单轴抗压强度6、残余强度阶段(DE)岩石全面破坏,承载能力下降,但尚有承载力,此为岩石材料特点之一岩石三向压力(σ1>σ2=σ3)作用下变形规律1随着围压(σ2=σ3)增大,岩石抗压强度显著增加;2随着围压(σ2=σ3)增大,岩石变形显著增大;3随着围压(σ2=σ3)增大,岩石弹性极限显著增大;4随着围压(σ2=σ3)增大,岩石性质发生变化:由弹性→塑性4. 解释岩石的不稳定蠕变曲线,试述如何利用它进行岩体工程破坏的预报?5. 绘图并说明岩石力学介质常用的理论模型。
①岩石自身性质 ⑴ 虎克体——弹簧元件 理想弹性元件,呈线弹性,完全服从虎克定律,其力学关系为由于弹性模量E 为常量,故变形与时间无关,有dtd Edt d εσ=⑴ 过渡蠕变阶段(Ⅰ)在加载瞬间有一弹性变形ε0,继而以较快的速度增长,随后蠕变速度逐渐降低,并过渡到等速蠕变阶段。
若在此阶段内卸载,则会出现瞬间弹性变形(PQ 段),和通过一段时间才能恢复的变形(QR 段) ⑵ 稳定蠕变阶段(Ⅱ)变形缓慢,应变与时间近于线性关系,变形速度保持恒定若在此阶段卸载,则不仅出现瞬间的弹性恢复(TU 段)和弹性后效(UV 段),还会有不可恢复的永久变形残留 ⑶加速蠕变阶段(Ⅲ)蠕变速度加快,内部裂隙迅速发展,促使变形加剧,直到破坏 * 利用蠕变曲线进行岩石工程破坏预报。
XX年岩土工程师专业知识考试复习题及答案1、根据土的物理指标与承载力参数之间的经历关系,对于D≥800的单桩竖向极限承载力标准值计算公式为:A. QUK=μ∑qsikli+ qpkAp;B. QUK=λsμ∑qsikli+ λpqpkAp;C. QUK=μ∑ψsiqsiklsi+ ψpqpkAp;D. QUK=μ∑qsikli+ ψpqpkAp;答案:C2、承台底面下长度为12.5m的预制桩截面为350mm×350mm,打穿厚度L1=5m的淤泥质土,qsik=11KPa, 进入硬可塑粘土的长度为L2=7.5m,qs2k=80.4KPa ,qpk=2930KPa, rP=rS=rSP=1.65。
拟采用3根桩,该预制桩的竖向极限承载力标准值和基桩竖向承载力设计值:A Quk=1280kN R=776kNB Quk=1480kN R=816kNC Quk=1728kN R=790kND Quk=1650kN R=830Kn答案:B3、综合确定一级建筑物桩基单桩竖向承载力标准值时,必须采用( )方法?A.现场静载荷试验;B.静力触探;C.标准贯入;D.经历参数;答案:A4、在某级荷载作用下,静载荷试验时出现( )情况时仍可继续加载?A.桩的沉降量为前一级荷载作用下沉降量的5倍;B.沉降量超过5mm;C.桩的沉降量大于前一级荷载作用下沉降量的2倍,且经24小时尚未到达相对稳定;D.已到达单桩最大抗拔力或压重平台的最大重量时;答案:B5、根据土的物理指标与承载力参数之间的经历关系确定单桩竖向极限承载力标准值时,应采用( )式?A. QUK=μ∑liβifsi+ αqCAp;B. QUK=μ∑qsikli+ qpkAp;C. QUK=μ∑ψsiqsiklsi+ ψpqpAp;D. QUK=λsμ∑qsikli+ λpqpkAp;答案:B6、根据室内试验结果确定,嵌岩桩单桩竖向极限承载力标准值的计算公式为:QUK=μ∑ξsiqsikli+μξsfrChr+ξpfrCAp其中第一项中ξsi的意义为:A.嵌岩段侧阻力修正系数;B.嵌岩段端阻力修正系数;C.覆盖层第I层土的侧阻力发挥系数;D. 嵌岩段总极限侧阻力;答案:C7、按《建筑地基根底设计标准》规定,桩身强度Q≤ApfeψC,其中ψC为桩的工作条件,该系数的取值与( )有关?A.桩周土性质;B.桩型及成桩工艺;C.桩端土性质;D.桩的材料强度;答案:B8、某桩基工程静载荷试验,其3根桩的试桩的P-S曲线为陡降型,其发生明显陡降的起始点相应荷载分别为810KN,800KN,760KN:(1)实测极限承载力平均值Qum=( )kNA.800B.790C. 805D.760答案:B(2)每根试桩的极限承载力实测值与平均值之比α1,α2,α3=( )A.0.962,1.013,1.025B.1.025,1.013,0.962C.1.013,1.025,0.962D.0.962,1.025,1.013答案:A(3)αi的标准差Sn=( )A.0.3B.0.1C.0.03D.0.15答案:C(4)以上结果折减系数=( )A.0.99B.0.98C.0.97D.1.0答案:D(5)单桩竖向极限承载力标准值Quk=( )A.790B.805C.782.1D.774.2答案:A9、根据标准规定,以下各条中仍应考虑承台效应的条件是( )?A.端承桩;B.承台地面以下存在可液化土、湿陷性黄土、高灵敏度软土、欠固结土、新填土;C.桩穿越较厚的土层、进入相对较硬层;D.可能出现震陷、降水、沉桩过程产生高孔隙水压和地面隆起的地区;答案:C10、桩基进展软弱下卧层验算时,按整体冲剪破坏计算的条件是( )?A.桩距SD≤6D;B. SD>6D;C.桩基下方持力层厚度t<(Sa-De)Cosθ/2;D.σZ+rZZ≤quw/rq;答案:A。
岩土专业知识试题及答案一、选择题(每题2分,共20分)1. 岩土工程主要研究的是:A. 建筑物的外观设计B. 岩石和土壤的力学性质C. 建筑材料的选择D. 建筑施工的组织管理2. 土壤的压缩性是指:A. 土壤的抗剪强度B. 土壤的抗冻性C. 土壤在压力作用下的体积减小D. 土壤的渗透性3. 下列哪一项不是土的力学性质指标?A. 内摩擦角B. 黏聚力C. 弹性模量D. 孔隙率4. 土的抗剪强度是由以下哪些因素决定的?A. 土的密度B. 土的内摩擦角和黏聚力C. 土的含水量D. 土的颗粒大小5. 土的分类中,砂土属于:A. 粗粒土B. 细粒土C. 特殊土D. 有机土二、填空题(每空2分,共20分)6. 土的三相组成包括______、______和______。
7. 土的压缩试验中,土样的压缩系数是______与______的比值。
8. 土的剪切试验通常采用______和______两种方法。
9. 土的渗透性是指土中______的移动能力。
10. 土的冻胀是指土在______条件下体积增大的现象。
三、简答题(每题10分,共20分)11. 简述土的压缩性对地基工程的影响。
12. 描述土的剪切试验的目的和意义。
四、计算题(每题15分,共30分)13. 某土样在侧限条件下,经过压力为100kPa时,土样的压缩量为1.0mm;当压力增加到200kPa时,压缩量为2.0mm。
试计算该土样的压缩系数和压缩指数。
14. 假设有一土坡,其高度为10m,坡度为1:1,土的内摩擦角为30°,黏聚力为0,试计算该土坡的稳定性。
五、论述题(每题10分,共10分)15. 论述岩土工程在现代城市建设中的重要性。
答案一、选择题1. B2. C3. D4. B5. A二、填空题6. 固体颗粒、液体水、气体空气7. 压缩量、压力增量8. 直接剪切试验、三轴剪切试验9. 水分或气体10. 冻结三、简答题11. 土的压缩性是指土在压力作用下体积减小的性质。
岩土工程勘察复习题一、不定项选择题1、粉土的密实度根据(4)指标进行划分。
①标准贯入实测锤击数;②重型动力触探锤击数;③超重型动力触探锤击数;④孔隙比;2. 地下水在岩土工程中的作用可能有(1234 )。
①浮托作用;②潜蚀作用;③流砂作用;④对建筑材料的腐蚀作用;3、岩土工程勘察的等级由以下几个方面确定(123 )。
①工程重要性等级;②场地复杂程度等级;③地基的复杂程度等级;④工程安全等级;4、对于取土器,以下说法正确的是(1234 ):①在其它参数相同的条件下,取土器内径越大,对土样扰动越小;②在其它参数相同的条件下,取土器刃口角度越小,对土样扰动越小;③在其它参数相同的条件下,面积比越大,对土样的扰动越大;④适当的内间隙比,会减小对土样的扰动;5、岩土工程测绘的比例尺和所用地形底图的比例尺均为1:10000,要求在地形底图上每1cm2均要有一个观测点,那么实际每km2的范围内要布设的观测点个数为( 3 )。
①1个;②10个;③100个;④1000个;6、《岩土工程勘察规范》规定,地质界线和地质观测点的测绘精度,在图上不应低于3mm,那么对于1:50000比例尺的测绘图,要求地质体或地质界线的测绘误差为( 2 )。
①300m;②150m;③100m;④50m;7、地质条件对宏观震害有一定影响,以下说法正确的是(134 )。
①其它条件相同的情况下,I类场地比III类场地引起的宏观震害轻;②其它条件相同的情况下,第四纪沉积物越厚,宏观震害越轻;③上硬下软的地层结构有利于减轻宏观震害;④地下水埋藏较浅(如埋深1~5m)时会加重宏观震害;8、板理、片理和片麻理是哪种岩类的构造特征( 3 )①岩浆岩;②沉积岩;③变质岩;④花岗岩;9、以下哪种地貌单元属于冲积地貌(123 )①牛轭湖;②河流阶地;③河漫滩;④海积阶地;10、对于房屋建筑及构筑物的岩土工程勘察,在初步勘察阶段,勘察工作量的布置应符合下列(123 )原则。
岩土工程师复习题集1. 岩土工程的定义是什么?请简述其在土木工程中的重要性。
2. 描述岩土工程中常见的土壤类型及其特性。
3. 什么是土的压缩性?请解释其对地基设计的影响。
4. 土的抗剪强度理论有哪些?请列举并简要解释。
5. 什么是有效应力原理?它在岩土工程中的应用是什么?6. 描述土的渗透性及其在地下水控制工程中的作用。
7. 什么是土的固结理论?固结试验的目的是什么?8. 简述土的剪切波速测试方法及其在工程中的应用。
9. 描述土的压缩模量和剪切模量,它们在工程设计中的作用是什么?10. 什么是土的三轴试验?它与直剪试验有何不同?11. 什么是边坡稳定性分析?请列举常用的边坡稳定性分析方法。
12. 边坡设计中,如何考虑降雨、地震等自然因素对稳定性的影响?13. 请解释什么是地基承载力?它与土的物理性质有何关系?14. 什么是桩基础?桩基础设计中需要考虑哪些因素?15. 描述桩土相互作用的基本原理及其在桩基础设计中的应用。
16. 什么是基坑工程?基坑支护设计需要考虑哪些因素?17. 基坑工程中,土压力的计算方法有哪些?请列举并简要解释。
18. 什么是土的冻胀?冻胀对建筑物有何影响?19. 什么是土的膨胀性?膨胀土对工程结构可能造成哪些问题?20. 描述岩土工程中的地基处理方法,包括换填、预压、深层搅拌等。
21. 什么是地锚?地锚在岩土工程中的应用是什么?22. 请解释什么是土的液化现象?液化对建筑物的影响有哪些?23. 描述土的非线性行为及其在工程设计中的重要性。
24. 什么是土的应力路径?它在岩土工程分析中的作用是什么?25. 什么是岩土工程的数值分析方法?请列举几种常用的数值分析软件。
26. 描述岩土工程中的环境影响评估,包括污染土壤的处理方法和生态修复技术。
27. 什么是岩土工程的监测?监测在岩土工程中的重要性是什么?28. 请解释什么是岩土工程的风险评估?风险评估在工程设计中的作用是什么?29. 什么是土的动态特性?土的动态特性在地震工程中的应用是什么?30. 描述岩土工程中的地质勘察方法,包括钻探、取样、原位测试等。
岩土工程试题一、选择题1. 岩土工程属于哪个工程领域?a) 电气工程b) 土木工程c) 计算机工程d) 化学工程2. 下列哪个因素不是岩土工程设计的考虑因素?a) 岩土力学性质b) 工程使用寿命c) 地下水位d) 施工成本3. 岩土工程中,土的刚性指标是什么?a) 压缩模量b) 剪切强度c) 孔隙比d) 液限4. 岩石的抗压强度指的是岩石能承受的最大什么力?a) 剪切力b) 拉伸力c) 压缩力d) 弯曲力5. 下列哪种方法不属于岩土工程中的土壤改良方法?a) 土壤加固b) 地下水位控制c) 土壤替代d) 土壤固化二、填空题1. 岩土工程中常用的试验方法是____试验。
2. 岩土工程的重要任务之一是____。
3. 下面哪个参数是用来描述土壤中颗粒直径较大的颗粒的?4. 岩土工程中的____是指土壤在受到应力作用下的变形性质。
5. 下面哪一项不属于岩土工程中的岩石分类?三、案例分析某地发生了一起岩土工程事故,导致相关工程严重受损。
事故发生后,工程专家为了找出事故的原因,进行了一系列的分析和调查。
最终,他们发现事故原因主要有以下几个方面:1. 基础土壤选择不当:工程基础选用的土壤不具备足够的强度和稳定性,无法承受实际的工程荷载。
2. 施工过程管理不善:施工过程中,未严格控制土方开挖深度和坡度,导致基础土壤的稳定性受到破坏。
3. 地下水管理不当:地下水位未被合理控制,导致基础土壤的稳定性受到影响。
为了避免类似的岩土工程事故再次发生,工程专家提出了以下几个改进措施:1. 在岩土勘探阶段,需对基础土壤进行详细的工程地质评价和力学性质测试,以确保选用合适的土壤。
2. 在施工过程中,要加强对土方开挖的管理,确定合适的开挖深度和坡度,并采取相应的支护措施。
3. 在地下水管理方面,要进行合理的水文地质分析,选择适当的控制措施,例如井点排水、排渗沟等。
以上是对岩土工程事故的分析和改进措施的概述,通过合理的勘探设计和良好的施工管理,可最大限度地减少岩土工程事故的发生,确保工程的安全可靠性。
K《岩土工程》复习题
————————————————————————————————作者:————————————————————————————————日期:
厦门大学网络教育2013-2014学年第二学期
《岩土工程》课程复习题
一、名称解释
1构造地震 2 基本烈度 3 最优含水量4推动式滑坡 5 普通砂井6 均质滑坡7 复合地基8 膨胀土9湿陷起始压力10灰土桩11地震震级12挤密法13压实度14置换法15塑料排水带1.压实度指的是土或其他筑路材料压实后的干密度与标准最大干密度之比,以百分率表示。
2.挤密法用冲击或振动方法,把圆柱形钢质桩管打入原地基,拔出后形成桩孔,然后进行素土、灰土、
石灰土、水泥土等物料的回填和夯实,从而达到形成增大直径的桩体,并同原地基一起形成复合地基。
3.自重湿陷系数当湿陷性黄土在土体被水浸湿时,由于外加荷重引起黄土湿陷所测得的湿陷系数,
称非自重湿陷系数。
[1]
4.面积置换率复合地基中,一根桩和它所承担的桩间土体为一复合土体单元。
在这一复合土体单元
中,桩的断面面积和复合土体单元面积之比,称为面积置换率
5.高压喷射注浆法高压喷射注浆就是利用钻机钻孔,把带有喷嘴的注浆管插至土层的预定位置后,
以高压设备使浆液成为20Mpa以上的高压射流,从喷嘴中喷射出来冲击破坏土体。
浆液凝固后,便在土中形成一个固结体与桩间土一起构成复合地基
6.切层滑坡滑动面与岩层面相切,常沿倾向山外的一组断裂面发生,滑坡床多呈折线状,多分布在逆倾
向岩层的山坡上。
7.排水固结法排水固结法是对天然地基,或先在地基中设置砂井(袋装砂井或塑料排水带)等竖向
排水体,然后利用建筑物本身重量分级逐渐加载;或在建筑物建造前在场地上先
行加载预压,使土体中的孔隙水排出,逐渐固结,地基发生沉降,同时强度逐步提高的方法。
8.地震烈度表示地震对地表及工程建筑物影响的强弱程度。
(或释为地震影响和破坏的程度)。
9.季节性冻土指的是冬季冻结春季融化的土层。
10.真空预压法真空预压法是在软粘土中设置竖向塑料排水带或砂井,上铺砂层,再覆盖薄膜封闭,
抽气使膜内排水带、砂层等处于部分真空状态,排除土中的水分,使土预先固结以减少地基后期沉降的一种地基处理方法。
11.均质滑坡
14.基本烈度地震基本烈度是指未来50年内在一般场地条件下可能遭遇的超越概率为10%的地震烈度
值。
...
15.CFG桩CFG桩是英文Cement Fly-ash Grave的缩写,意为水泥粉煤灰碎石桩,由碎石、石屑、砂、
粉煤灰掺水泥加水拌和,用各种成桩机械制成的可变强度桩。
16.井径比井高跟井宽的比值
17.最优含水率对同一种土料,在不同含水率下,用同一击数将它们分层击实,在该击数下,干密度的最大值称为最大干密度,此时相应的含水率称为最优含水率
二、选择题
1在下列地基处理中,哪种属于排水固结法?()
A 高压喷射注浆法
B 真空预压法
C 压密灌浆法
D CFG桩法
2在换填法施工是,为获得最佳夯实效果,宜采用垫层材料的哪种含水量作为施工控制含水量?()
A 最低含水量
B 饱和含水量
C 最优含水量
D 临界含水量3下列地基中,不宜采用强夯法处理的是()
A 高饱和度的粉土
B 碎石土
C 砂土
D 粘性土4下列哪种情况属于对建筑抗震不利的地段()
A 坚硬土或开阔平坦密实均匀的中硬土等
B 软弱土,液化土,条状突出的山嘴,高耸孤立的山丘,非岩质的陡坡,
河岸和边坡边缘等。
C地震时可能发生滑坡、崩塌、地陷、地裂、泥石流等
D地震断裂上可能发生地表错位的部位
5下列哪种情况属于对建筑抗震危险的地段()
A 坚硬土或开阔平坦密实均匀的中硬土等
B 软弱土,液化土,条状突出的山嘴,高耸孤立的山丘
C 非岩质的陡坡,河岸和边坡边缘等。
D地震时可能发生滑坡、崩塌、地陷、地裂、泥石流等以及地震断裂上
可能发生地表错位部位
6灰土桩的填料()
A 选用新鲜的、粒径均匀的生石灰与土拌合
B选用新鲜的、粒径均匀的熟石灰与土拌合
C 生石灰与土的体积比宜为2:8或3:7
D熟石灰与土的体积比宜为2:8或3:7
7关于湿陷起始压力,以下阐述不正确的是()
A 可以用室内压缩试验或野外载荷试验确定
B 在p-δs曲线上,与δs=0.015所对应的压力即为湿陷起始压力
C 在p-δs曲线上,与δs=0所对应的压力即为湿陷起始压力
D 可以通过使基底压力小于湿陷起始压力来避免湿陷的发生
8对存在稳定性问题的边坡,常采用的加固与预防措施不包括()
A 排水、加固
B 削坡、减载与反压
C 挤密、压实
D 设置支挡
结构
9关于膨胀土,下列说法错误的是()
A 膨胀土裂隙发育,常有光滑面和擦痕
B 膨胀土常常造成地形陡峭,有很多自然陡坎
C 膨胀土地区常见浅层滑坡、地裂
D 膨胀土场地上的建筑物裂缝随气候而张开和闭合
10按照《岩土工程勘察规范》的有关规定,在季节性冻土地区,应提供()
A 场地土的最大冻结深度
B 场地土的计算冻结深度
C 场地土的设计冻结深度
D 场地土的标准冻结深度
11抗震设防标准的超越概率的概念是()
A 是指某场地可能遭遇大于或等于给定的地震烈度或地震动参数值的概
率
B 是指某场地设防烈度出现的概率
C 是指基本地震烈度出现的概率
D 是指地震动参数出现的概率
12在砂井堆载预压法中,通常预压荷载的大小宜为接近地基的()
A 设计荷载
B 极限荷载
C 临界荷载
D 标准
荷载
13在强夯法中,计算强夯的影响深度时的公式为(),其中W为夯锤质量(t),h为落距(m),s为夯沉量
A B C D
14某场地置换卵石垫层厚度2.0m,基础宽度为1.5m,则垫层底面宽度应不能小于()
A 2.8m
B 3.15m
C 3.8m
D 4.0m
15下列地基处理方法中,当场地允许是采用下列哪种方法处理厚度较大的松散砂土地基较为有效和经济?()
A 换土垫层
B 旋喷桩
C 砂土-堆载预压
D 强夯
16当采用真空预压法进行地基处理时,膜下真空度应保持在()以上。
A 800mmHg
B 650mmHg
C 400mmHg D
300mmHg
17加载预压法中,竖向排水砂井的深度是根据建筑物对地基稳定性和变形要求确定,下列叙述不正确的是()
A 以地基抗滑稳定性控制的工程,如土坝、路堤等,砂井深度应超过最
危险滑动面1.5m
B 以沉降控制的建筑物,如果压缩层厚度不大,砂井深度贯穿压缩土层
即可
C以沉降控制的建筑物,如果压缩层较厚但间有砂层或透镜体时,砂井应打至砂层或透镜体层
D 当施工条件达不到设计深度时,可采用超载预压法
18换填法处理软土或杂填土的主要目的是()
A 消除湿陷性
B 置换可能发生剪切破坏的土层
C 消除土的胀缩性
D 降低土的含水量
19在振冲碎石桩法中,桩位布置形式,下列陈述正确的是()
A 对独立或条形基础,宜用放射形布置
B 对独立或条形基础,宜用正方形、矩形布置
C 对大面积满堂基础,宜用矩形三角形布置
D对大面积满堂基础,宜用等腰三角形布置
20关于液化指数的计算,下述正确的是()
A 液化指数计算的深度一般情况下应取10m
B 10~15m范围内权函数为10
C 深度增加,权函数值相应减少
D 当实测标准贯入技术大于临界标准贯入击数时,液化指数应取负值
三、简答题
1如何计算地基土抗震承载力?哪些情况下可不做抗震承载力验算?
2. 如何判定湿陷性黄土地区的湿陷性等级?
3. 试述滑坡整治中截流排水法的具体工程措施有哪些?
四、计算题
1某建筑场地12m×30m采用灰土挤密桩整片处理地基,地基土处理前平均干密度1.7t/m3,最大干密度为1.9t/m3。
要求处理后桩间土平均干密度为1.8t/m3,桩径为400mm,按正三角形布置,试估算桩间距及桩根数。
2某场地为细砂地基,天然孔隙比e0=1.0,e max=1.10,e min=0.62,承载力特征值为90kPa,由于不能满足上部结构荷载的要求,采用碎石桩加密地基,桩长7.5m,桩径为600mm,等边三角形布置,地基挤密后要求砂土的相对密实度达到0.85。
(修正系数取1.1,桩土应力比为3),试计算桩的间距及复合地基承载力。
3某自重湿陷性黄土场地一座7层民用建筑,外墙基底面积为宽12m,长6m,拟采用等边三角形布置灰土挤密桩整片处理消除地基土湿陷性。
处理土层厚度4m,桩孔直径390mm,已知桩间土的最大干密度为1.80 t/m3,地基处理前土的平均干密度为1.40 t/m3,要求桩间土经成孔挤密后的平均挤密系数达到0.90,试求拟处理地基面积范围内所需要的桩的根数。