SY-009码头栏杆安装作业指导书
- 格式:docx
- 大小:13.92 KB
- 文档页数:6
栏杆工程作业指导书1、适用范围及材料进场监理控制(1)本工程窗台高度小于900mm均设护窗栏杆,所有楼梯栏杆竖向应小于110mm,临空栏杆高度大于等于1100mm;防护栏杆最薄弱处承受的最小水平推力应不小于15KN/m。
(2)栏杆扶手选用不锈钢管,做法参照06J403-1-24-B13;采用三种规格的材料分别为Ø60、Ø38、25Ø,壁厚为1.2厚不锈钢管。
(3)不锈钢管材料进场必须有质量证明文件,外观质量必须符合要求。
(4)不锈钢焊条或焊丝:其型号按规范要求选用,必须有质量证明文件。
2、施工过程监理质量控制要点(1)对现场原预埋件进行清理,没有预埋件的部位,根据实际需要增加预埋件。
(2)施工前,墙面、楼梯抹灰完毕。
(3)现场供电应符合焊接用电要求。
(4)定位、放线→固定件安装→立杆安装→楼梯饰面完后栏杆下部法兰安装→扶手安装→抛光(5)按照设计要求,将固定件间距、位置、标高、坡度进行找位校正,弹出栏杆纵向中心线和分格的位置线。
(6)因结构预埋件安装位置偏差较大,所有预埋件均需外接处理,达到设计安装尺寸要求,按所弹固定件的位置线,打孔安装,每个固定件不得少于2个ф10的膨胀螺栓固定,焊接立杆,铁件的大小、规格尺寸应符合设计要求。
(7)按弹好的立杆位置线和标高控制线,首先以楼梯第一跑面起始点至每跑休息平台转弯处安装扶手立杆,同时立杆根部根据配装法兰,再将扶手管与每跑两端平台立杆焊接固定。
(8)焊接立杆与固定件时,应放出上、下两条立杆位置线,每根主立杆应先点焊定位检查垂直没有问题后,再分断满焊,焊接焊缝符合设计要求及施工规范规定。
焊接后应清除焊药、并进行防锈处理。
(9)将预制好的弯头与扶手管对接,固定在平台立杆上,依次连接二跑,按此程序由下至上直到楼梯上端休息平台,将楼梯扶手轮廓型式组装完毕之后,每踏步立杆不同长度补充安装就位,严格执行设计要求间距尺寸和双向垂直度。
焊接扶手时,应先点焊,检查位置间距、垂直度、直线度是否符合质量要求,再进行满焊。
爬梯、栏杆安装作业指导书1 目的为规范爬梯、栏杆安装作业,提高码头工程外观质量,预防安全事故的发生,特制定本作业指导书。
2 范围适用于本公司所属水运工程露天铁艺栏杆、爬梯安装作业。
3 术语定义无4 职责4.1 作业人员按照此作业指导书,进行爬梯、栏杆的安装作业。
物机部门负责材料采购、进场及对进场材料的初步验收。
4.2 技术员负责技术交底和施工质量的控制。
4.3 安全管理人员和材料员负责材料进场前的验收,安全管理人员负责栏杆安装前对作业人员的安全技术交底、安全教育工作。
5 作业流程图作业准备作业过程收尾工作6 作业标准6.1 作业准备6.1.1 作业人员进场,6.1.1.1爬梯、栏杆安装方案拟定、报审:按照所在工程的施工特点、设计要求、参照《水运工程质量检验标准》编制爬梯、栏杆安装施工方案并向相关单位报审。
6.1.1.2作业人员进场:选择爬梯、栏杆安装的专业分包协力队伍进场。
6.1.2安全技术交底、安全教育:对进场作业人员进行作业前的安全技术交底及三级安全教育,明确作业过程中的安全要求和技术要求。
6.1.3材料进场、验收:按设计要求,采购施工材料,材料进场前应选择合理场地堆放材料,材料进场后,由物机部们协同安全质量管理部门对材料进行验收,检测各项技术指标,对不合格的材料,应立即清退更换。
6.1.4爬梯栏杆加工和检查验收:爬梯按设计要求在加工场的制作平台上进行下料、制作,制作成形后按设计要求进行除锈与涂刷防腐涂层,运至码头现场,爬梯进场后应对其进行各项技术指标检测,验收合格后,将相关资料向监理单位报审,报审通过后才能投入使用;栏杆在码头平台上进行下料、加工,加工完成后严格执行三检程序,合格后才能投入使用。
6.1.5预埋件的清理与检查:对爬梯和栏杆安装需要的相应预埋件进行清理,参照设计图纸及《水运工程质量检验标准》,通过测绘仪器对相应预埋件的位置及标高进行全面检查。
预埋件清理人员必须穿好救生衣,戴好安全帽,高空、临边人员系好安全带,人员使用专用清理工具。
栏杆工程作业指导书编制李庆日期 2014年2月审核日期批准日期修订记录一、目的:保证栏杆工程质量符合《建筑工程施工质量验收统一标准》GB50300-2001和《建筑装饰装修工程质量验收规范》GB50210-2001,符合2002年版《工程建设强制性条文》(房屋建筑部分)的相关要求及合同约定的标准。
二、适用范围:适用于重庆地区民用住宅小区的公共楼梯和户内金属(金属玻璃)栏杆安装工程的施工、检查和验收。
(注:各类建筑的专业设计尚应满足相应设计要求)三、编制依据:依据《住宅设计规范》GB50096-1999(2003)、《钢结构工程施工质量验收规范》,国家现行相关设计标准、规范、知名企业施工工艺标准及结合重庆地区实际情况加以调整四、作业要点:1.技术质量职责:1.1业主负责监理,总、分包单位之间的协调管理,并对过程、结果进行跟踪、督促管理。
1.2总包单位负总包管理责任,对最终产品负责。
1.3分包单位对施工的质量负责,并承担相应的责任损失。
1.4监理单位对分包单位负监督管理责任,对总分包单位负协调管理责任。
2.技术质量要求;2.1分部(子分部)工程分包施工单位必须具备相应的施工资质,并在开工前报送监理单位和总包单位。
2.2施工单位技术人员应按要求持证上岗,并按要求报送监理单位和总包单位。
2.3分包单位施工前应接受业主、监理、总包单位对其进行全面的施工技术交底,包括工程概况、技术质量要求、工期进度要求、安全文明施工等内容。
2.4分包单位施工前应根据设计文件、监理、业主要求及合同要求,编制切合实际的施工方案,并报送监理单位和总包单位。
2.5分包单位应对作业班组进行入场教育、施工技术交底和安全文明施工交底。
2.6分包单位应及时完善各种隐蔽资料,检查记录、施工记录等,并在监理和总包单位要求、指导下装订成册或由总包单位代理装订,报送总包单位统一组卷。
2.7材料进场制度:进场材料应符合设计和合同要求,并及时报验,提供相关和合格证明文件和抽样检验试验报告。
护栏施工作业指导书一、概况XXX特大桥外侧为外包式护栏、内侧为波形护栏,各2220.7*2m,其中内侧波形护栏只浇筑护栏底座,波形护栏安装由业主另行确定施工单位。
计划2010年4月1日开工,2010年11月底全部完成。
护栏是桥梁施工中最需注重外观质量和线型的部分之一,要求外观平整、光洁、无色差和不规则裂缝,线性平顺、无明显下垂和拱起。
护栏施工必须在桥跨处于自承状态下方可。
二、施工方案(1)、施工前准备除锈:有可能箱梁预制结束后很长时间内没有进行护栏施工,导致预埋钢筋生锈,所以钢筋连接前要除锈。
清理杂物:预制、安装箱梁和进行横梁、湿接缝施工时可能留有杂物,需要清理干净。
补凿毛:由于预制箱梁时遗漏或凿毛不到位.浇筑混凝土前要补凿毛。
修正预埋钢筋:预制箱梁预埋的钢筋可能存在位置不准、数量不够等现象,需要再植钢筋。
具体是通过冲击钻打出空洞,使用环氧树脂把植筋粘接牢固。
(2)、测量放样先放出桥面中心线,以此为基础向两边测出护栏边线,在护栏内口顺桥向每5m 为一断面进行放样,相邻点位用墨斗弹线相连;底部用高标号砂浆作标高带,此标高带设计高程=护栏顶高程-护栏模板高度。
(3)、钢筋连接钢筋按不同品种、等级、规格及生产厂家分批验收、分别堆放,下垫上盖,保持钢筋表面洁净,并设立识别标志。
钢筋要有生产厂家的质量证明书,项目部工地试验室按规定的频率进行力学和可焊性能试验,合格后万可使用。
使用前清除表面油渍、漆皮、鳞锈。
据设计图纸,护栏钢筋与预埋钢筋连接,绑扎钢筋接头的两接头间距不小于1.3倍搭接长度,搭接接头的截面积不得超过总截面积的25%。
外包护栏的5#筋、波形护栏的4#筋,因设置断缝,需要每10cm断开,留有5cm左右的空隙。
保护层使用upvc塑料三角垫块,钢筋与模板之间用铅丝扎紧并相互错开。
钢筋绑扎要挂线进行,确保位置准确,不影响钢筋保护层的厚度。
对已施工好的钢筋及预埋件进行自检,自检合格后报监理工程师验收。
(4)、模板总的原则是:板面平整,接缝严密,外露面美观,结构简单,制作、装拆方便,有足够的刚度和强度。
橡胶护舷安装作业指导书1 目的为了规范高桩码头橡胶护舷安装,确保护舷安装的质量和安全,特制定橡胶护舷安装作业标准。
2 范围适应于本公司鼓型及拱形橡胶护舷安装。
3 术语定义橡胶护舷:安装在码头或船舶上,用以吸收船舶与码头或船舶之间在靠岸或系泊时的碰撞能量,保护船舶、码头免受损坏的防冲设备。
4 职责4.1作业人员负责按照设计图纸施工,并服从项目部现场工作人员的工作指令。
4.2技术人员负责确认护舷的型号规格,控制护舷的安装质量;4.3专职安全员负责班前教育,对现场船机设备进行安全检查,实施防止人员落水等应急措施;5 作业流程图6 作业标准6.1作业准备6.1.1班前教育:由现场专职安全员对参加施工的人员进行安全教育,内容主要包括正确佩戴个人防护用品、宣贯人员落水应急措施等;并对即将使用的机械设备完好性进行检查,主要涉及到汽车式吊机、载重汽车、吊索、挂梯等。
6.1.2个人防护:工作服、安全帽、救生衣、防护手套、安全绳、防滑鞋。
6.1.3机具准备:配备吨位合适的汽车吊就位、挂梯2架于护舷两侧就位、铁锤、防爆扳手、钢丝刷、排刷、配备一艘交通船于作业区停靠值守。
6.1.4材料运输:将挂梯、润滑油、防腐材料及准备安装的橡胶护舷选择吨位合适的载重汽车运送至码头安装处附近,运输途中如有急弯路路口须设立警示标牌并设专人值守,指挥过往车辆,防止交通事故发生;护舷质量须满足设计及规范要求,并提供产品出厂合格证。
6.2作业过程6.2.1预埋件校正:作业人员通过挂梯上下,安全绳要遵循“高挂低用”的使用原则,检查预埋螺栓或预埋套筒的位置是否正确,如果出现预埋件偏位或倾斜的现场,须使用铁锤、防爆扳手等机具配合校正。
6.2.2清理预埋件:使用钢丝刷将预埋螺栓或预埋套筒上的混凝土渣等付着物清理干净。
6.2.3涂刷润滑油:使用排刷在清理完毕的预埋螺栓或预埋套筒表面均匀涂刷一层润滑油。
6.2.4护舷就位:将钢丝绳穿过护舷预留孔,为避免钢丝绳勒坏护舷,需在钢丝绳表面包上麻布等类似防护物品,作业人员持牵引绳配合汽车式吊机将护舷对准预埋螺栓或预埋套筒就位。
云南省×××××××××××××工程施工箱变、高压电缆分支箱、冷却器护栏施工作业指导书批准:审核:编制:××××××有限责任公司2017年10月13日1、目的指导×××现场护栏施工,提高工作质量,保证施工进度。
2、适用范围及职责适用于倘甸×××风电场护栏安装工程。
一般职责划分为:⑴工程技术部负责本作业指导书的编制和修订;⑵安全部负责进场人员的培训、教育及考试及现场的安全巡查;⑶质量部负责现场施工质量的控制和验收;⑷作业队负责安排合格的人员操作,对有特殊要求的工种做到持证上岗,严格按照要求进行施工3、引用标准⑴《建筑地基基础工程施工质量验收规范》(GB50202-2002);⑵《混凝土结构工程施工质量验收规范》(GB50202-2002);⑶《施工现场临时用电安全技术规范》(JGJ46-2005);4、组织构成4.1冷凝器施工人员组织构成工作负责人:××安全管理人员:××现场施工人员:2人(以现场实际施工情况为准,暂定2人)4.2箱变、分支箱及环网柜施工人员组织构成工作负责人:××安全管理人员:××现场施工人员:3人(以现场实际施工情况为准,暂定3人)5、工作计划×××风电场冷凝器护栏安装1-24#机位,共计24个;箱变护栏安装为13-24#箱变,共计12个;高压电缆分支箱及环网柜共计7个。
计划先进行冷凝器护栏安装,完成后再进行箱变、高压电缆分支箱及环网柜的护栏安装。
冷凝器护栏安装:施工人员:3人施工顺序:1#→24#计划工期:2017年10月16日-2017年10月27日箱变、高压电缆分支箱护栏安装:施工人员:3人施工顺序:24#→11# →高压电缆分支箱计划工期:2017年10月29日-2017年11月11日(注:实际工作时间按现场天气及现场情况调整)6、材料及施工器具准备材料:原材料采用现场经取样送检合格的P.0 42.5水泥和砂石骨料;护栏采用加工好的成品运至现场;施工用模板。
栏杆与扶手制作与安装作业指导书全套一.材料要求:L不锈钢扶手、栏杆的壁厚的规格、尺寸、形状应符合设计要求,一般壁厚不小于L5mm,以钢管为立杆时壁厚不小于2mm。
2.玻璃栏板的厚度应符合设计要求,并不小于12廊的钢化玻璃或夹胶玻璃,钢化玻璃应有进场复试报告。
3.扶手材料一般用硬杂木加工半成品,其树种、规格、尺寸、形状按设计要求。
木料材质均应纹理顺直、颜色一致,不得有腐朽、节疤、裂缝、扭曲等缺陷,含水率不大于12%,弯头一般使用扶手料以45。
角断面相接,断面特殊的木扶手按设计要求备弯头料。
4•一般用聚醋酸乙烯(乳胶)等化学粘接剂,胶粘剂中有害物质限量应符合国家规范要求。
二、质量控制要点:1.定位、放线:按照设计要求,将固定件间距、位置、标高、坡度进行找位校正,弹出栏杆纵向中心线和分格的位置线。
低层、多层住宅的阳台栏杆净高不应低于1.05m。
中高层、高层住宅的栏杆净高不应低于LlOm〃。
2.安装固定件:按所弹固定件的位置线打孔安装每个固定件不得少于2个φlθ的膨胀螺栓固定,监理及时检验锚固螺栓的锚固质量合格后经签认方准焊接立杆。
锚固件间距符合设计及规范要求。
3.焊接立杆:立杆的制作符合设计和规范要求,栏杆的垂直杆件间距不应大于Sllm,高度符合设计及规范要求。
焊接立杆与固定件时,应放出上、下两条立杆位置线,每根主立杆应先点焊定位检查垂直度不大于4mm,再分断满焊,焊接焊缝符合设计要求及施工规范规定。
焊接后应清除焊药、并进行防锈处理。
4.安装石材盖板:地面为石材地面时,栏杆处安装有整块石材时,立杆焊接后,按照立杆的位置,将石材开洞套装在立杆上。
开洞大小应保证栏杆的法兰盘能盖严。
安装盖板时宜使用水泥砂浆。
固定的石材面保证栏杆高度符合设计及规范要求。
5.焊接扶手或安装木扶手固定用的扁钢:采用不锈钢管扶手时,焊接宜使用氢弧焊机焊接,焊接时应先点焊,检查位置间距、垂直度、直线度是否符合质量要求,再进行两侧同时满焊。
桥面系防护栏杆预制及安装作业指导书桥面系防护栏杆预制及安装作业指导书单位:编制:审核:批准:二00九年十二月二十一日发布二00九年十二月二十一日实施防护栏杆预制及安装作业指导书1.适用范围本作业指导书适用于高速铁路土建工程的防护栏杆预制及安装作业。
2.作业准备2.1内业技术准备开工前,技术人员应对施工图纸及相关的通用图纸和实施性施工组织设计进行认真阅读和审核,熟悉客运专线铁路作业指南、验收标准以及相关的规范。
制定安全保障措施及应急预案,对进场作业人员进行岗前技术、安全培训和考核,合格后持证上岗。
对考核合格的作业人员进行技术交底。
2.2外业技术准备栏杆钢筋骨架绑扎完毕并检验合格,进场模板必须通过质量验收,并打磨、除锈,涂刷脱模剂。
3.技术要求3.1模板设计、制作及安装应符合《铁路混凝土工程施工质量验收补充标准(铁建设[2005]160)》及《铁路混凝土工程施工技术指南(TZ210-2005》,应具有足够的强度、刚度和稳定性,表面平整;尺寸应与栏杆图纸设计要求尺寸相符。
3.2模板接缝应严密、不漏浆,错台应不大于5mm。
3.3模板安装后轴线偏差、尺寸应符合相关验标要求。
4、防护栏杆工程材料栏杆材料混凝土:立柱、托梁、扶手采用C40,隔柱及柱帽采用C30(加纤维),后浇注砂浆M10树脂砂浆,钢筋HPB235、HRB335。
法兰钢板连接型钢:Q235-B.Z金属部件所有外露部分采用锌铬涂层进行防腐处理。
螺栓、垫圈15MnvB。
5.桥面系防护栏杆预制工艺标准及要求5、1施工准备5、1、1施工道路平整、水、电线路开通,安全可靠。
5、1、2测量放样,定出伸缩段及连续梁边界线。
5、1、3参加安装的作业人员经技术技能培训,方可上场作业。
5、1、4做好技术与安全交底工作。
5、1、5预制厂使用的各种机械调试完毕后,并保证处于良好的工作状态。
5、2桥面系栏杆预埋件处理5、2、1施工前预埋螺栓面清洗干净,法兰钢板采用200*300mm,预埋件的位置要准确,确保现场安装顺利进行。
栏杆工程作业指导书样本
9.1公司抽查原则
9.1.1.根据同一标段内各楼栋进度随机选取处于栏杆安装完毕的2~4套房作为栏杆工程的实测套房。
户数最多的房型为必选,其中一套为项目部抽查过的。
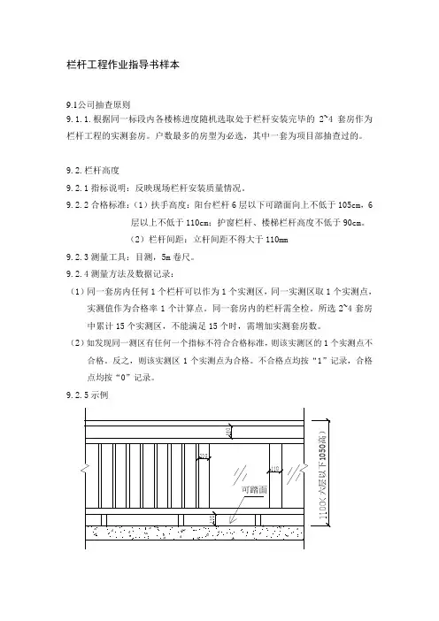
9.2.栏杆高度
9.2.1指标说明:反映现场栏杆安装质量情况。
9.2.2合格标准:(1)扶手高度:阳台栏杆6层以下可踏面向上不低于105cm,6
层以上不低于110cm;护窗栏杆、楼梯栏杆高度不低于90cm。
(2)栏杆间距:立杆间距不得大于110mm
9.2.3测量工具:目测,5m卷尺。
9.2.4测量方法及数据记录:
(1)同一套房内任何1个栏杆可以作为1个实测区,同一实测区取1个实测点,实测值作为合格率1个计算点。
同一套房内的栏杆需全检。
所选2~4套房中累计15个实测区,不能满足15个时,需增加实测套房数。
(2)如发现同一测区有任何一个指标不符合合格标准,则该实测区的1个实测点不合格。
反之,则该实测区1个实测点为合格。
不合格点均按“1”记录,合格点均按“0”记录。
护栏施工作业指导书一、目的为了指导和规范现场施工,我们编制了《护栏施工作业指导书》,望各队及质检工程师严格遵照执行。
二、编制依据1、中华人民共和国行业标准《公路桥涵施工技术规范》(JTJ041-2000);2、中华人民共和国交通部《公路工程国内招标文件范本》(2003版);3、中华人民共和国行业标准《公路工程质量检验评定标准》JTG F80/1-2004;三、施工工艺及要求1、施工准备(1)开始施工前,做好水准、导线点的复测、加密工作。
(2)做好水电的接通工作。
(3)人员、设备及模板等按时到位。
(4)开工报告经驻地办批准,并进行了层层的技术交底和安全交底。
2、测量放样由项目部测量队准确放样,放样点按照5m一个,放出护栏的线形及端头线。
如果桥梁为曲线桥,则需在每跨端头放线,以保证护栏线形和主线线形的一致、顺畅,并适当加密。
施工队应根据测量队放出的点进行准确细部放样,并弹出墨线;质检工程师对线形进行仔细检查。
3、钢筋工程根据放样线对梁顶预埋钢筋进行纠偏,并按照图纸要求加工、连接护栏钢筋骨架。
预埋筋与骨架筋连接采用焊接,焊缝长度不小于10d;水平筋间搭接长度不小于35d。
质检工程师对钢筋骨架进行仔细检查,合格后向监理工程师报验。
4、模板工程测量护栏模板底对应位置梁顶标高,根据护栏顶部设计标高反推以决定模板底部砂浆垫层的厚度。
我部外侧防撞护栏座高度由84.5cm变更为86.5cm。
在绑好的钢筋骨架上按照50cm间距设置橡胶垫块,并在钢筋弯起位置增设垫块,以保证保护层厚度。
护栏模板采用定型钢模板。
模板应具备足够的强度、刚度和稳定性。
模板进场后应先进行试拼,检查其接缝是否严密,是否有挠曲变形等;如有质量问题,应及时通知厂家进行校正或更换。
并对试拼合格的模板按顺序进行编号,以便使用时合理使用。
在使用前对模板进行打磨、校正,并均匀涂抹脱模剂,脱模剂应使用新机油,不得使用材油和废机油。
模板按照编号顺序正确安装,如发现与钢筋有抵触,应及时调整钢筋骨架尺寸,保证保护层厚度。
本文部分内容来自网络整理,本司不为其真实性负责,如有异议或侵权请及时联系,本司将立即删除!== 本文为word格式,下载后可方便编辑和修改! ==围栏安装作业指导书篇一:栏杆作业指导书佛肇城际轨道GZZH-5标(DK064+683.150~DK076+214.720)桥面附属桥面系栏杆施工作业指导书中铁十一局佛肇城际项目桥面附属大旺预制构件场二0一四年五月二十八日1、适用范围适用于GZZH-5标段桥面系栏杆预制安装施工。
2、作业准备2.1内业技术准备开工前组织技术人员认真学习实施性施工组织设计、《高速铁路无砟轨道铁路工程施工质量验收暂行标准》、《高速铁路无砟轨道铁路工程施工技术指南》、等验收标准、技术指南,仔细阅读审核设计技术交底文件、轨道板施工图纸,掌握轨道板预制施工工艺参数。
结合设计参数选择施工机械,制定施工安全保证措施及应急预案。
对作业人员进行技术交底,对机械操作人员要进行岗前培训,考试合格后方可上岗。
2.2外业技术准备收集各种技术数据,为技术方案、施工工艺、机械选择提供依据。
修建生产生活设施,根据施工方案配置管理人员、技术人员、试验人员、安全人员、施工机械、试验仪器等人员设备。
3、技术要求3.1所有原材料及预埋件应有合格证明书和复验报告单,不合格者不得使用。
3.2施工前按设计提供的配合比进行室内试验,确定施工配合比,保证强度能达到设计要求。
3.3在大规模生产前,进行试制,确定各项技术参数,检验施工效果,确定工艺参数,并报监理单位确认。
4、施工程序与工艺流程4.1施工工序施工程序为:施工准备钢筋笼制作安装检测4.2工艺流程栏杆施工模具安装及调整混凝土养护钢筋笼加工脱模成品5、施工要求5.1施工准备按规划设计建设栏杆生产线、混凝土工程机械设备、金属加工机械、动力机械、运输机械、预应力设备、试验及测量检测设备等机械设备等。
技术准备:对机械设备、模具进行全面检测,确保全部符合相关要求。
对进场的原材料、预埋件等进行验收检测。
栏杆立柱安装作业指导书本页仅作为文档页封面,使用时可以删除This document is for reference only-rar21year.March铁路客运专线…标桥梁工程编号:桥梁栏杆立柱安装作业指导书单位:编制:审核:批准:年月日发布年月日实施.铁路客运专线…标桥梁工程栏杆立柱作业指导书1. 适用范围本作业指导书适用于..铁路客运专线…标桥梁栏杆立柱安装工作。
2.作业准备2.1 所有参建人员全部培训合格、挂上岗证上岗。
2.2 每个吊装工作面配备汽车吊一台,吊具一副,两端防护标识一对,防护员一人等。
2.3 每个安装工作面配备安装人员若干对,桥上作业均配备安全带、扳手、螺帽、垫片;桥下设防护人员和警示标识。
3. 技术要求3.1平面线型、高程原则上按设计文件进行安装、固定。
总体线形平顺。
3.2栏杆内侧间距满足设计要求。
3.3栏杆立柱垂直,扶手高度保持一致,10m内失度不大于10mm。
3.4立柱的光洁面一律朝内,色泽基本一致的放在一起。
4.施工程序及工艺流程4.1盖板场和安装分部在盖板场交接立柱,办理书面交接手续,确认立柱质量合格后,装车运往工地。
4.2工地吊装现场两端设置好防护,汽车吊调运立柱至桥面,摆放稳妥,不得侵限。
4.3 桥上作业人员抬运立柱至安装位置,安装人员背好安全带并在防护墙上固定牢固后,相互配合将立柱安放到位。
4.4 安装垫片、螺帽,用扳手初步拧紧,每根立柱至少拧紧对角两个螺帽。
4.5栏杆扶手材质、管件长度、具体安装要求等均对立柱的安装有影响,目前原则上可在梁端预留适当的缺口,暂不安装立柱。
待京石公司明确相关要求后,再对后续工序予以明确。
5.施工要求5.1立柱验收交接后,由各安装单位负责成品的保护。
运输吊装过程要捆扎牢固,轻吊轻放,摆放安全稳定,防止磕碰破损;其他后续施工时,也要做好成品防护。
5.2预埋法兰不平的、标高不符合要求的,用不同厚度的热镀锌垫片找平。
5.4各分部在正式施工前,均需进行工艺试验,确定正式的工艺指导施工。
预制构件水上安装作业指导书1.目的为规范高桩码头预制构件水上安装施工,确保预制构件陆上运输及水上安装的安全、质量,明确施工过程中的技术措施以及施工注意事项,特制定本方案。
2.范围适用于本公司所属的高桩码头预制构件水上安装施工。
3.术语定义无。
4.职责4.1作业人员按照此标准做好个人防护,进行预制构件的安装。
4.2测量人员复核下横梁顶标高,同时放出构件的横向和纵向位置的边线或中线,支座坐标及纵横中心线放样及复测标高。
4.3现场技术人员负责监控构件陆上运输、水上安装及构件安装质量验收等事宜。
4.4安全员负责预制构件安装的安全监控,安质部负责现场船机安全检查、排除现场安全隐患。
4.5调度室负责现场施工船机调度。
5.作业流程图6 .作业标准6.1 作业准备6.1.1 设备进场及检验:起重船、架桥机、汽车式起重机等关键设备需提前进场,提 交有效证件报备,做好施工准备。
6.1.2 班前教育:由专职安全员对参加施工的人员进行安全三级教育;对即将使用的 机械设备完好性进行严格检查;由工程部对吊梁所使用的吊索、扁担梁等承重设施进行受 力验算,确保吊具满足受力要求。
6.1.3 安全防护、机具准备:水上防护:工作服、安全帽、救生衣、安全绳等设施需 到位;吊索、扁担梁、汽车式起重机、运梁车、运梁驳船等设备经安全检查后到场就位; 配备1艘交通船在施工区域值守。
6.1.4 技术交底(1)组织施工人员全面熟悉并核对图纸,核查无误后,准备进行项目施工。
(2)施工前对各设备进行检测,并保证其各种性能良好。
(3)对进场人员进行安全、技术交底和培训,考试合格后方可上岗。
(4)构件出运前必须做竣工测量,并在构件两端标出竖向中心线及支座中心线。
(5)构件安装前,必须对横梁或者帽梁进行交接验收,测量记录备案,砼强度试验报 告及其它相应技术资料齐全,横梁或者帽梁外观没有裂纹、蜂窝、孔洞及露筋等缺陷。
作业过程构件安装起重船就位构件运输 支座安装 架桥机就位 +1 收工尾作机械设备、机 具清理 完善记录台账 作业准备(6)通过计算选择合适的吊具及吊绳。
施工技术交底记录编号:003部位名称围堰、护面工序名称预制、安装栅栏板交底日期交底单位交底人傅杨帆接收部门栅栏板板施工队接收人交底内容:见附件。
参加单位(部门)参加人员会签栏施工技术交底(预制、安装栅栏板)编制部门:编写:日期:审批:日期:一、工程概略依据设计图纸,桩号 0+100~ 0+350 段为栅栏板护面。
此段设计为永远堤岸形式,主要目的在于保护整个船厂的安全。
二、主要工程量桩号0+100-0+2000+200-0+2800+280-0+3000+300-0+350 m31481193074共计371 m 3(200 块)备注:栅栏板钢筋、结构施工图纸见附件。
三、工作流程钢模板制作钢筋加工现场绑扎钢筋现浇栅栏板砼拆模保养调运、安装四、施工方法4.1 施工整体部署栅栏板预制采纳钢模,计划在施工现场平坦一块预制场所用于预制构件施工。
钢模采纳现场加工,计划加工 6 套模板。
栅栏板安装采纳平板车联合 15t 吊车,第一平板车将栅栏板运至安装地址,而后由 15t 吊车依据丈量人员指挥安装栅栏板。
施工设施及人员状况(1) 6 套预制钢模板、 1 台平板车、 1 台 15t 吊车(2)人员配置构成预制、安装栅栏板施工的人员安排状况以下:负责内容职务备注施工负责人项目经理、技术负责人 2 人质检负责人质检员 1 人丈量员丈量员 3 人技术员专职施工员 3 人预制组人员12 人技术工安装组人员12 人记录员施工员 2 人安全员安全主任 1 人( 3)施工工期( 1)预制栅栏板35 天 2010.7.2 ~(2) 0+100~0+200 段安装栅栏板8 天2010.8.2 ~(3) 0+200~0+280 段安装栅栏板 6 天2010.8.10 ~(4) 0+280~0+300 段安装栅栏板 3 天2010.8.16 ~(5) 0+300~0+350 段安装栅栏板 6 天2010.8.19 ~4.3 施工质量控制工程施工严格依照交通部颁发的规范、规程执行,查收标准执行《水运工程质量查验标准》(JTS257-2008)4.3.1 钢筋施工过程质量控制钢筋工程质量程序控制表示图熟习图纸和技术资料学习操作规程和质量标准书面交底操作人员参加钢筋、模板工序交接检查钢筋、混凝土工序交接检查浇筑混凝土,留人看钢筋执行验评标准钢筋合格证钢筋代用单自检记录隐蔽查收记录质量评定记录施工记录事故记录施工准备技术交底钢筋下料成型现场绑扎安装质量检查资料管理钢材材质证明,取样复验检查脚手架,脚手板拟订与审察钢筋配料单按不一样型号挂牌中间抽查自检办理查收签证手续梁、柱、板、基础、抽查 10%,但不合格项办理清理现场,文明施工钢筋加工制作质量控制:实时向监理提交加工方案、加工资料表。
预埋件安装作业指导书1 目的为规范预埋件安装作业,提高码头工程质量,避免安全事故,特制定本作业标准。
2 范围适用于本公司所属高桩码头工程预埋件安装作业。
3 术语定义无4 职责4.1作业人员按照此标准进行预埋件安装。
4.2 技术人员负责预埋件安装过程中技术控制,保证安装质量。
4.3 材料员负责材料采购、进场及对进场材料的初步验收。
4.4 工程经济部门负责设计图纸的复核,确定预埋件型号、数量、预埋位置及其它设计要求。
4.5 安全质量管理部门负责预埋件安装前对作业人员的安全技术交底、安全教育工作;安装过程的质量控制和安全文明施工控制;安装完成后的实体验收工作。
5 作业流程图作业作业收尾6 作业标准6.1 作业准备6.1.1 安全技术交底、安全教育6.1.1.1图纸复核:结合码头、引桥设计图纸以及码头面层其他附属机构图纸确定预埋件的规格型号、数量、设计要求、预埋位置,形成统计表格,经项目总工程师复核无误后下发至现场管理人员及协力队伍管理人员,同时列出详细预埋件采购计划单至物机部门;6.1.1.2作业人员进场:选择码头工程施工专业分包协力队伍进场并要求进场作业队伍提供资质证明资料至项目部备档。
6.1.1.3安全技术交底、安全教育:对进场作业人员进行作业前的安全技术交底及三级安全教育,明确作业过程中的安全要求和技术要求。
6.1.2材料进场、验收:按设计要求,采购预埋件,材料进场前应选择合理场地堆放材料,材料进场后,由物机部们协同安全质量管理部门、工程经济部门对材料进行验收,参照设计图纸检测各项技术指标,对不合格的预埋件,应立即清退更换。
6.1.3防腐防锈处理:6.1.3.1对订制的预埋件,应在车间加工完成后,按设计要求进行防腐防锈处理,处理完成后再运送至施工现场,进入施工现场后由工程经济部门、安全质量管理部门对预埋件进行专项防腐防锈检查,检查合格后才可投入使用;自制预埋件制作完成后,应由安全质量管理部门对其结构进行检查验收,验收符合设计要求后再进行防腐防锈处理,处理完成后再验收,验收符合设计要求后才能投入使用。
防撞护栏、防抛物基座及地袱梁施工作业指导书一、防撞护栏、防抛物基座及地袱梁施工工艺护栏现浇、防抛物基座及地袱梁施工工艺流程图二、钢筋工程进场的钢筋:必须具有出厂质量保证书和试验报告单,进场时除应检查其外观和标志外,还必须按不同的钢种、等级、牌号、规格及生产厂家分批抽取试样进行力学性能检验,检验方法应符合现行国家标准的规定。
钢筋经进场检验合格后方可使用。
钢筋配料单必须经过技术主管审核后,才准开料,开料成型的钢筋,应按图纸编号顺序挂牌,堆放整齐。
钢筋的堆放场地要采取防锈措施。
钢筋制作安装过程中必须做好钢筋构造截面尺寸的控制及临时定位工作。
钢筋制作及安装,允许误差规定如下:①横向、纵向钢筋间距偏差不超过±10mm 。
监理工程师审查批准首件开工报告检查平面位置、顶面高程 钢筋检查 模板安装 砼浇筑 组织中间交验 承包人返工整改至符合要求 不合格 不合格 不合格 不合格②保护层厚度与设计尺寸的偏差不超过±5mm。
③同一截面内钢筋接头不超过50%,且接头错开500mm以上。
④钢筋制作采用机械切割成形。
长度误差±10mm,弯起钢筋位置:±20mm;弯起钢筋高度:±5mm。
保护层垫块采用预制砼垫块,钢筋绑扎后,经过监理工程师验收合格后,方可立设模板。
钢筋在灌注混凝土前不得受油污、脱模剂的污染,以免降低与混凝土的粘结力。
三、模板工程模板是保证防撞护栏各部尺寸和外观质量的基础,防撞护栏模板采用定型钢模板,模板要符合结构尺寸,保证有足够的强度和刚度,并要装拆方便。
钢筋及预埋件安装完毕并报监理工程师检验合格后,方可进行模板安装。
模板采用拉杆固定,模板板面要求平整,接缝严密,不漏浆,保证防撞墙外露面美观,线条流畅。
使用过的模板必须经过清洁处理后才能重新拼装使用。
预留孔洞,(如吊点洞)预埋件的模板要确保位置准确,稳定可靠。
模板的支撑,必须有足够刚度和强度,支承部位必须牢固可靠。
码头拦船设备安装施工方案2.1.1. PHC管桩施上准各本T程中共计使用钢筋混凝十PHC管桩112根,直径均为800mm,均位于深水段,在涩注桩初步施T完成后再进行施打。
PHC管桩由预制场进行预制,随后由构件厂车队负贵运输至施工I场地堆场,由技术人员检查台格后按收并堆放在施工场地的堆场,使用时配合拖轮逃行托航,通过海上运桩方驳运全施工海域,最终到达桩位附近.施T.顺序可简单描述为:施T.准备→桩的驳运.船舶驻位-一打桩船吊桩→打桩船测量定位一锤击沉桩→复测桩位及桩顶标高→验收。
施上准各要点:场内堆存:(1)堆放场地应平整、坚实:(2)堆存时PIC管桩间应采取防止碰撞的缓冲措施:管桩应按不同规格、长度及施T.流水顺序分别堆放..(3)当场地条件许可时,宜单层堆放:叠层堆放时不宜超过2层。
(4)叠层堆放PIC管桩时应采用多支华堆存,堆存时热楞应均匀放置,并应保持同一平向且上下对齐。
运桩前: .(1)检查所有参与此施T的船机、设备状态是否良好,各船机、设备试运行,备好易损配件;检查吊索具是否坚固,锚缆、钢丝绳等是否有断丝,有损.坏的器具不能使用:装船前,对PIC桩进行防腐验收和桩身质量检查,保证每根桩在起吊前都要检查桩身是否有裂纹,桩身质量必须符合规范要求,确认完好后方可吊运。
(2)桩的吊点计算:由于桩长超过20m,采用4点吊,根据《水运工程施⊥》PI31表7-1所示公式计算吊点位置;按照计算得到的吊点位置数据,在相应的桩.上用钢尺测量并做好标记待运,钢尺应检校其温度在20C,拉力为50N条件下的钢尺实长。
打桩船选择:打桩架高度计算:H≥L+H+H,_ +H,-H。
=56+6.2+1.5-9.5= 54.2m最终取56m。
根据打桩架高度选择合适的打桩船即可。
桩的驳运:(1)根据施T.时的沉桩顺序和吊桩的可能性,分层堆放桩,分层数不大于2层月装桩总吨位严禁超出驳船的最大载車量:例如: PIIC 桩車0.6t/m,按平均桩长63. 0m考虑,方驳105最大载重400t,最多可以装10桩根。
爬梯、栏杆安装作业指导书
1 目的
为规范爬梯、栏杆安装作业,提高码头工程外观质量,预防安全事故的发生,特制定本作业指导书。
2 范围
适用于本公司所属水运工程露天铁艺栏杆、爬梯安装作业
3 术语定义无
4 职责
4.1 作业人员按照此作业指导书,进行爬梯、栏杆的安装作业。
物机部门负责材料采购、进场及对进场材料的初步验收。
4.2 技术员负责技术交底和施工质量的控制。
4.3 安全管理人员和材料员负责材料进场前的验收,安全管理人员负责栏杆安装前对作业人员的安全技术交底、安全教育工作。
5 作业流程图
业
准
准备
作
业
过
程
收
尾
工
作
6 作业标准
6.1 作业准备
6.1.1 作业人员进场,
6.1.1.1 爬梯、栏杆安装方案拟定、报审:按照所在工程的施工特点、设计要求、参照
《水运工程质量检验标准》编制爬梯、栏杆安装施工方案并向相关单位报审。
6.1.1.2 作业人员进场:选择爬梯、栏杆安装的专业分包协力队伍进场。
6.1.2 安全技术交底、安全教育:对进场作业人员进行作业前的安全技术交底及三级安全教育,明确作业过程中的安全要求和技术要求。
6.1.3 材料进场、验收:按设计要求,采购施工材料,材料进场前应选择合理场地堆放材料,材料进场后,由物机部们协同安全质量管理部门对材料进行验收,检测各项技术指标,对不合格的材料,应立即清退更换。
6.1.4 爬梯栏杆加工和检查验收:爬梯按设计要求在加工场的制作平台上进行下料、制作,制作成形后按设计要求进行除锈与涂刷防腐涂层,运至码头现场,爬梯进场后应对其进行各项技术指标检测,验收合格后,将相关资料向监理单位报审,报审通过后才能投入使用;栏杆在码头平台上进行下料、加工,加工完成后严格执行三检程序,合格后才能投入使用。
6.1.5 预埋件的清理与检查:对爬梯和栏杆安装需要的相应预埋件进行清理,参照设计图纸及《水运工程质量检验标准》,通过测绘仪器对相应预埋件的位置及标高进行全面检查。
预埋件清理人员必须穿好救生衣,戴好安全帽,高空、临边人员系好安全带,人员使用专用清理工具。
6.1.6 施工放样:预埋件检查合格后,对照预埋件位置,通过弹线、吊线锤、靠水平
尺等方法进行施工放样,确保栏杆安装后位置、标高准确无误,线型顺直完美。
6.2 作业过程
6.2.1 爬梯栏杆安装:按照放样位置进行爬梯、栏杆的安装,根据施工需要合理选择施工机械配合作业,安装过程中,由技术人员进行现场督促检查,严格按设计图纸及施工方案进行栏杆安装,发现问题应及时向上汇报。
爬梯、栏杆安装属临边高处作业,作业人员应严格
按临边高处作业安全操作规程进行作业。
栏杆安装启用吊机配合作业时,必须遵守吊装安全操作规程,安装过程中,应设专人监护。
特种作业人员必须持证上岗。
爬梯、栏杆安装施工应严格按工完、料尽、场地清的要求进行控制。
6.2.2 防腐防锈处理
6.2.2.1 对安装好的栏杆按设计要求、参照《水运工程质量检验标准》进行除锈、防腐、防锈处理;对安装好的爬梯焊接部位进行二次防腐防锈处理。
防腐涂剂做好防火防爆措施。
6.2.2.2 醇酸磁漆涂刷施工工艺:
6.2.2.2.1 施工表面应清洁干燥无污物,以免影响漆膜的附着力。
6.2.2.2.2 理论涂布率:12.2 平方米/升(以40微米干膜计)。
6.2.2.3 环氧富锌底漆涂刷施工工艺:
6.2.2.3.1 底漆涂刷前应将栏杆表面油迹、油脂清楚干净,要求表面清洁干燥,避免凝露。
6.2.2.3.2 底漆涂刷的漆膜厚度,其干膜厚度不得小于50 微米(湿膜75 微米)。
6.2.2.3.3 底漆在常温下,完全固化时间为3 天;。
6.2.2.3.4 理论涂布率:12.8 米2/升(以50微米干膜计)。
6.2.2.3.5 混合比率:基料BW999:0锌粉BWG90= 3.2 :6.8 (重量比)【
7.4 :2.6 (体积比)】
6.2.2.4 红丹防锈漆涂刷施工工艺:
6.2.2.4.1 涂料的性能通常与表面处理的程度成正比。
6.2.2.4.2 新钢材: 喷砂至Sa2级.应该注意,冰点或冰点以下温度会使表面结冰,
从而影响漆膜的附着力。
油漆本身的温度应高于15℃,以保证正常的施工性能。
在狭窄的空间内施工和干燥期间应大量通风。
6.2.2.4.3 理论涂布率:2.5 平方米/升(以40微米干膜计)。
6.2.2.5 醇酸磁漆涂刷施工工艺:
6.2.2.5.1 施工表面应清洁干燥无污物,以免影响漆膜的附着力。
6.2.2.5.2 理论涂布率:12.2 平方米/升(以40微米干膜计)。
6.3 收尾工作
6.3.1 资料报验、实体验收:爬梯、栏杆安装完成后,按相相关要求进行资料报验,由安全质量管理部门对已安装好的爬梯、栏杆进行验收,验收合格后再报监理单位报验。
6.3.2 爬梯、栏杆保养:对验收合格后的爬梯、栏杆应进行保养,不得在已安装完成的护栏上涂抹砂浆及挂放杂物;为防污染,在交叉作业过程中,成品护栏需盖上保护膜;已安装好的护栏再进行一次表面清理,修补划痕,确保表面光滑洁净。
6.4 施工注意事项
6.4.1 爬梯、栏杆安装注意事项
6.4.1.1 施工现场临时用电应严格按所在项目的临时用电方案执行。
6.4.1.2 建立特种设备和特种作业人员管理台账,要求特种设备必须具有相关安检部门提供的安检资料、特种作业人员必须持证上岗。
6.4.1.3 防锈防腐作业时,施工废料不可随意丢弃,应集中收集、统一处理,以免污染环境。
6.4.2 技术保证措施:
6.4.2.1 材料要求,所有材料及成品进场,必须有材质单,合格证。
6.4.2.2 作业人员上岗前,根据其不同工作岗位,进行专业技术与安全文明施工的教育。
6.4.2.3 在施工过程中由技术人员进行检查,及时纠正施工现场违章操作等问题,及时发现质量问题及提出质量问题整改措施,保证工程质量达到设计要求及验收标准。
6.4.2.4 严格执行工程质量验收标准,材料的品种、规格、型号、厚度必须符合设计
要求。
6.4.2.5 安装时须找正位置,或合理利用测绘仪器扫线,竖向用水平尺与吊线锤控制栏杆柱的垂直度,焊口满焊,打磨光滑平整。
做到美观,制作尺寸准确,产品做到横平竖直,符合设计要求及验收标准。
铁梯制作及安装允许偏差、检验数量和方法
注:① L为铁梯长度,单位为mm;②链条铁梯的弯曲矢高不作检查7 支持性文件
《水运工程质量检验标准》(JTS 257-2008)
8 相关记录
无
9 附件
无。