估算系统电容电流的计算方法
- 格式:docx
- 大小:13.49 KB
- 文档页数:1
电容电流的计算书电网的电容电流,应包括有电气连接的所有架空线路、电缆线路、发电机、变压器以及母线和电器的电容电流,并应考虑电网5~10年的发展。
1.架空线路的电容电流可按下式估算:I C =(2.7~3.3)U e L×10-3 (F-1)式中:L——线路的长度(㎞);U e——线路系统电压(线电压KV)I C ——架空线路的电容电流(A);2.7 ——系数,适用于无架空地线的线路;3.3 ——系数,适用于有架空地线的线路;同杆双回线路的电容电流为单回路的1.3~1.6倍。
亦可按附表1所列经验数据查阅。
附表1 架空线路单相接地电容电流(A/km)2.电缆线路的电容电流可按(F-2)式估算,亦可进行计算I C=0.1U e L (F-2)按电容计算电容电流具有金属保护层的三芯电缆的电容值见附表2。
附表2 具有金属保护层的三芯电缆每相对地电容值(µF/㎞)将求得的电缆总电容值乘以1.25即为全系统总的电容近似值(即包括变压器绕组、电 动机以及配电装置等的电容)。
单相接地电容电流可由下式求出: I C =3 U e ωC ×10-3(F-3)其中 ω=2πf e式中 I C —— 单相接地电容电流(A ); U e —— 厂用电系统额定线电压(kV ); ω —— 角频率; f e —— 额定功率(Hz );C —— 厂用电系统每相对地电容(µF );2.2、6~10 kV 电缆和架空线的单相接地电容电流I C 也可通过下式求出近似值。
6kV 电缆线路=I C 6S 22002.84S95++U e (A ) (F-4)10kV 电缆线路 =I C 0.23S22001.44S95++U e(A ) (F-5) 式中 S —— 电缆截面 (㎜²)U e —— 厂用电系统额定电压(kV ) 2.3 电容电流的经验值见附表3。
附表3 6~35kV 电缆线路单位长度的电容电流(A/㎞)2.4 6~10 kV 交联聚乙烯绝缘电力电缆的接地电容电流。
第36卷 第2期2016年03月西安科技大学学报JOURNALOFXI’ANUNIVERSITYOFSCIENCEANDTECHNOLOGYVol.36 No 2Mar 2016 DOI:10.13800/j.cnki.xakjdxxb.2016.0221文章编号:1672-9315(2016)02-0282-06 煤矿10kV供电系统电容电流计算方法张红涛1,王 星1,蔡文龙1, 永1,2(1 西安科技大学电气与控制工程学院,陕西西安710054;2 陕煤集团神木红柳林矿业有限公司,陕西榆林719300)摘 要:随着煤矿生产规模以及矿井供电网络不断扩大,使得矿井供电系统对地电容电流越来越大,存在很大的安全隐患,为了减少煤矿安全事故的发生,保障矿井供电系统的安全运行,对矿井供电系统电容电流的准确掌握就十分重要。
而传统的电容电流计算方法考虑的因素比较单一,估算误差较大,已不能满足要求。
文中总结了传统计算方法的特点,并在传统计算方法的基础上引入了电缆材料影响系数、电气设备增值系数以及环境因素影响系数,得到了煤矿10kV供电系统电容电流的修正计算方法。
文中以某煤矿10kV供电系统为例,进行了电容电流实测结果和理论计算结果的对比分析,验证了该修正计算方法的正确性。
综合考虑了多因素影响的煤矿供电系统电容电流修正计算方法较传统计算方法的计算误差更小,精度更高,对于煤矿供电系统电容电流的理论估算以及消弧线圈容量的确定具有一定的实际指导意义。
关键词:煤矿;电容电流;修正公式;计算方法中图分类号:TM751 文献标志码:ACapacitivecurrentcalculationmethodsof10kVpowersystemincoalmineZHANGHong tao1,WANGXing1,CAIWen long1,YUNYong1,2(1 CollegeofElectricalandControlEngineering,Xi’anUniversityofScienceandTechnology,Xi’an710054,China;2 ShaanxiCoalGroupShenmuHongliulinMiningCo.,Ltd.,Yulin719300,China)Abstract:Withthescaleofcoalmineproductionandpowernetworkcontinuestoexpand,thecapacitivecurrenttogroundoftheminepowersystemalsoincreases.Thusthereexistsgreatsecurityrisk.Inordertoreducetheaccidentsandensurethesafetyoftheminepowersystem,itisveryimportanttomasterthecapacitivecurrentintheminepowersystem.Traditionalcapacitivecurrentcalculationmethodconsidersrelativelyfewinfluentialfactors,soitsestimationerrorislarge,whichcannotmeettherequirements.Thispapersummarizesthecharacteristicsofthetraditionalmethod,andgetsthecorrectioncalculationmethodofacoalmine10kVpowersystemonthebasisofthetraditionalmethodbyintroducingthecablematerialinfluentialcoefficient,electricalequipmentaddedcoefficientandenvironmentalfactorsinfluentialcoefficient.Throughexamplesofacoalmine10kVpowersystem,thispapercomparedthecapacitivecurrentmeasuredresultswiththeoreticalcalculationresults,andthecorrectioncalculationmethodhasbeenverified.Thecapacitivecurrentcorrectioncalculationmethodtakesintoaccounttheinfluenceofmultiplefactors,soithassmallercalculationerrorsandhigheraccuracythanthetraditionalcalculationmethod.Thecorrectioncalculationmethodhascertainpracticalsignificancetoestimatetheca收稿日期:2015-10-20 责任编辑:高 佳通讯作者:张红涛(1989-),男,陕西咸阳人,硕士研究生,E mail:623558729@qq.com博看网 . All Rights Reserved.第2期张红涛等:煤矿10kV供电系统电容电流计算方法pacitivecurrentofminepowersystemanddeterminethepetersencoilcapacity.Keywords:coalmine;capacitivecurrent;correctionformula;calculationmethod0 引 言随着煤矿生产规模的不断扩大,电缆线路增长,矿区配网系统对地电容电流越来越大。
一、电力线路电容电流估算方法。
一、中性点不接地系统对地电容电流近似计算公式:
无架空地线:Ic=××U×L×10-3(A)
有架空地线:Ic=××U×L×10-3(A)
其中U为额定线电压(KV)
L为线路长度(KM)
为系数,如果是水泥杆、铁塔线路增加10%
说明:1、双回线路的电容电流是单回线路的倍(6-10KV系统)
1、按现场实测经验:夏季比冬季电容电流增加10%左右。
2、由变电所中电力设备所引起的电容电流的增加估算如下:
额定电压(KV) 6 10 35 110
增值% 18 16 13 10
二、电力电缆线路的电容电流估算
6KV:Ic=Ue(95+)/(2200+6S)(安/公里)
10KV:Ic=Ue(95+)/(2200+)(安/公里)
其中S为电缆截面积(mm2)
Ue为额定线电压(KV)
上面的公式适用于油浸纸绝缘电力电缆,聚氯乙烯绞联电缆单位长度对地电容电流比油浸纸绝缘电力电缆大,参考厂家提供的参数和现场实测经验,大约增值20%左右。
电容电流的计算书电网的电容电流,应包括有电气连接的所有架空线路、电缆线路、发电机、变压器以及母线和电器的电容电流,并应考虑电网5~10年的发展。
1.架空线路的电容电流可按下式估算:I C =(2.7~3.3)U e L×10-3 (F-1)式中:L——线路的长度(㎞);U e——线路系统电压(线电压KV)I C ——架空线路的电容电流(A);2.7 ——系数,适用于无架空地线的线路;3.3 ——系数,适用于有架空地线的线路;同杆双回线路的电容电流为单回路的1.3~1.6倍。
亦可按附表1所列经验数据查阅。
附表1 架空线路单相接地电容电流(A/km)2.电缆线路的电容电流可按(F-2)式估算,亦可进行计算I C=0.1U e L (F-2)按电容计算电容电流具有金属保护层的三芯电缆的电容值见附表2。
附表2 具有金属保护层的三芯电缆每相对地电容值(µF/㎞)将求得的电缆总电容值乘以1.25即为全系统总的电容近似值(即包括变压器绕组、电 动机以及配电装置等的电容)。
单相接地电容电流可由下式求出: I C =3 U e ωC ×10-3(F-3)其中 ω=2πf e式中 I C —— 单相接地电容电流(A ); U e —— 厂用电系统额定线电压(kV ); ω —— 角频率; f e —— 额定功率(Hz );C —— 厂用电系统每相对地电容(µF );2.2、6~10 kV 电缆和架空线的单相接地电容电流I C 也可通过下式求出近似值。
6kV 电缆线路=I C 6S 22002.84S95++U e (A ) (F-4)10kV 电缆线路 =I C 0.23S22001.44S95++U e(A ) (F-5) 式中 S —— 电缆截面 (㎜²)U e —— 厂用电系统额定电压(kV ) 2.3 电容电流的经验值见附表3。
附表3 6~35kV 电缆线路单位长度的电容电流(A/㎞)2.4 6~10 kV 交联聚乙烯绝缘电力电缆的接地电容电流。
110kv变电站低压系统电容电流计算及消弧线圈配置一、概述110kv变电站是电力系统中重要的电能传输和分配设施,其低压系统的电容电流计算和消弧线圈配置是保障系统安全稳定运行的重要环节。
本文将对110kv变电站低压系统电容电流计算和消弧线圈配置进行详细介绍,以期为相关工程技术人员提供参考和指导。
二、110kv变电站低压系统电容电流计算1. 低压系统电容电流的定义在110kv变电站的低压系统中,电容器被广泛应用于无功补偿和电压稳定等方面。
低压系统中的电容器会产生电流,称为电容电流。
电容电流的大小直接影响着系统的稳定性和安全性。
2. 电容电流的计算方法电容电流的计算方法可以通过以下公式来实现:Ic = 2πfCU其中,Ic为电容电流,f为电源的频率,C为电容器的电容量,U为电平电压。
3. 电容电流计算的实例分析以某110kv变电站的低压系统为例,其安装有若干台电容器,电容量分别为10μF、15μF、20μF和25μF,电源频率为50Hz,低压系统的电压为110V。
根据上述公式,分别计算出各个电容器的电容电流,并对比电容电流的大小,进行综合评估。
三、110kv变电站低压系统消弧线圈配置1. 消弧线圈的作用110kv变电站低压系统中,消弧线圈是用来限制短路电流和消除接点电弧的设备。
其作用是在低压系统发生故障时,迅速限制电流大小,使得故障电流迅速减小至可靠的数值,从而保护设备和系统的安全运行。
2. 消弧线圈的配置原则在110kv变电站低压系统中,消弧线圈的配置需要遵循一定的原则,包括:(1)根据低压系统的额定电流和短路容量确定消弧线圈的额定容量;(2)根据低压系统的接线方式和结构确定消弧线圈的接线方式;(3)根据低压系统的保护要求确定消弧线圈的动作特性。
3. 消弧线圈的配置方法消弧线圈的配置方法需要根据具体的110kv变电站低压系统情况进行综合考虑,包括系统的负荷特性、故障特性、运行条件等因素。
四、结论110kv变电站低压系统电容电流计算和消弧线圈配置是保障系统安全稳定运行的重要工作。
发电机对地电容量估算方法在电力系统工程中,对发电机的对地电容量的准确估算具有重要意义。
它不仅关系到系统的稳定性和安全性,还影响到电力设备的设计与运行。
本文将详细介绍发电机对地电容量的估算方法,以供参考。
一、发电机对地电容量的概念发电机对地电容量是指发电机定子绕组与地之间的电容值。
当发电机运行时,由于电压的作用,会在发电机对地之间产生一定的电容电流,影响发电机的性能和电力系统的稳定性。
因此,准确估算发电机对地电容量具有重要意义。
二、估算方法1.理论计算法理论计算法是根据发电机的结构参数和材料特性,通过公式计算得出对地电容量的方法。
具体步骤如下:(1)确定发电机的结构参数,如定子绕组半径、长度、绝缘材料等;(2)根据绝缘材料的介电常数,计算定子绕组与地之间的等效介电常数;(3)根据发电机的额定电压和频率,计算对地电容值;(4)将计算结果与实际测试值进行对比,修正计算公式,提高估算精度。
2.实测法实测法是通过实际测量发电机对地电容电流,再根据公式计算出对地电容量的方法。
具体步骤如下:(1)在发电机运行过程中,测量对地电容电流;(2)根据测得的电容电流和发电机的额定电压、频率,计算对地电容量;(3)为了提高估算精度,可以采用多种测量方法(如冲击法、谐振法等)进行对比分析。
3.经验公式法经验公式法是根据大量实测数据和统计分析,总结出适用于特定类型发电机的对地电容量估算公式。
这种方法简单易行,但精度相对较低,适用于初步估算。
三、注意事项1.估算发电机对地电容量时,要充分考虑发电机的实际运行条件,如温度、湿度等;2.选择合适的估算方法,结合理论计算和实测数据,提高估算精度;3.对于不同类型的发电机,其估算方法可能有所不同,需根据实际情况进行调整;4.定期对发电机对地电容量进行检测和评估,确保电力系统的安全稳定运行。
总结:本文详细介绍了发电机对地电容量的估算方法,包括理论计算法、实测法和经验公式法。
在实际应用中,应根据发电机的具体类型和运行条件,选择合适的方法进行估算,以确保电力系统的安全稳定运行。
电容放电电流计算公式电容是一种用来储存电荷的器件,通过它可以将电荷储存在电场中。
当我们连接一个电容器到一个电源时,电容器会逐渐充电,电容器两端的电压会逐渐增加。
而当我们断开电源,让电容器自行放电时,电容器两端的电压会逐渐减小。
在电容放电过程中,电流起着重要的作用。
电流是指单位时间内通过导体横截面的电荷量,它表示了电荷在电路中的流动情况。
对于电容放电电流的计算,我们可以利用以下公式:I(t) = I0 * e^(-t/RC)其中,I(t)表示时间t时刻的电流值,I0表示初始电流值,e是自然常数,t表示时间,R表示电阻的阻值,C表示电容的电容值。
根据上述公式,我们可以看出,电容放电电流是一个随时间指数递减的过程。
初始时刻的电流值较大,随着时间的推移,电流值会逐渐减小。
这是因为随着时间的增加,电容器两端的电压减小,从而导致电流减小。
在实际应用中,电容放电电流的计算对于电路设计和分析非常重要。
通过计算电流的变化情况,我们可以了解电容放电过程中的能量转换和损耗情况,从而优化电路设计,提高能效。
除了上述的电容放电电流计算公式,我们还可以通过其他方法来计算电流。
例如,可以利用电容放电的时间常数来估算电流的变化情况。
时间常数τ可以通过以下公式计算:τ = RC时间常数τ表示电容放电过程中电流的变化速度,它取决于电容的电容值C和电阻的阻值R。
当时间t等于时间常数τ时,电流的数值会减小到初始电流的1/e倍。
当时间t等于5个时间常数τ时,电流的数值会减小到初始电流的1/e^5倍。
通过计算时间常数τ,我们可以预测电容放电过程中电流的变化趋势。
这对于电路设计者来说是非常有用的,可以帮助他们更好地理解和控制电路中的电流变化。
总结起来,电容放电电流的计算是电路设计和分析中的重要内容。
我们可以利用电容放电电流计算公式或时间常数来估算电流的变化情况。
通过深入了解和应用这些计算方法,我们可以优化电路设计,提高电路的性能和能效。
配电网电容电流计算一、概述随着城市电网的扩大,电缆出线的增多,系统电容电流大大增大。
当系统发生单相接地故障,其接地电弧不能自熄,极易产生间隙性弧光接地过电压,持续时间一长,在线路绝缘弱点还会发展成两相短路事故。
因此,当网络足够大时,就需要采用消弧线圈补偿电容电流,这是保证电力系统安全运行的重要技术措施之一。
为避免不适当的补偿给电力系统安全运行带来威胁,首先必须正确测定系统的电容电流值,并据此合理调整消弧线圈电流值,才能做到正确调谐,既可以很好地躲过单相接地的弧光过电流,又不影响继电保护的选择性和可靠性。
目前,电容电流的测定方法很多,通常采用附加电容法和金属接地法进行测量和计算,但前者测量方法复杂,附加电容对测量结果影响较大,后者试验中具有一定危险性。
目前,根据各种消弧线圈不同的调谐原理,有多种间接测量电网电容电流的方法。
其根本思想都是利用电网正常运行时的中性点位移电压、中性点电流以及消弧线圈电感值等参数,计算得到电网的对地总容抗,然后由单相故障时的零序回路,计算当前运行方式下的电容电流。
在实际运行中,对于出线数较多、线路较长或包含大量电缆线路的配电系统,当其发生单相接地故障时,对地电容电流会相当大,接地电弧如果不能自熄灭,极易产生间隙性弧光接地过电压或激发铁磁谐振,持续时间长,影响面大,线路绝缘薄弱点往往还会发展成两相短路事故。
因此,DL/T620-1997《交流电气装置的过电压保护和绝缘配合》规定:3~10kV钢筋混凝土或金属杆塔的架空线路构成的系统和所有35kV、66kV系统,当单相接地故障电流大于10A时应装设消弧线圈;3~10kV电缆线路构成的系统,当单相接地故障电流大于30A,又需在接地故障条件下运行时,应采用消弧线圈接地方式。
消弧线圈一般为过补偿运行(即流过消弧线圈的电感电流大于电容电流),也就是说装设的消弧线圈的电感必须根据对地电容电流的大小来确定,以防止中性点不接地系统发生单相接地而引起弧光过电压。
小电流接地系统接地电流计算与保护整定1 中性点不接地系统接地电流计算发生单相金属性接地时,接地相对地电压降为零,非接地两相对地电压升高3倍,三相之间电压保持不变,仍然为线电压。
流过故障点的电流是线路对地电容引起的电容电流,与相电压、频率及相对地间的电容有关,一般数值不大。
单相接地电容电流的估算方法如下:1.1 空线路单相接地电容电流IcIc=1.1(2.7~3.3) UeL10ˉ式中:Ue 线路额定线电压(kV);L 线路长度(km);1.1 采用水泥杆或铁塔而导致电容电流的增值系数。
无避雷线线路,系数取2.7;有避雷线线路,系数取3.3对于6kV线路,约为0.0179A/km;对于10kV线路,约为0.0313A/km;对于35kV线路,约为0.1A/km。
需要指出:(1)双回线路的电容电流为单回线路的1.4倍(6~10kV线路)。
(2)实测表明,夏季电容电流比冬季增值约10 %。
(3)由变电所中电力设备所引起的电容电流值可按表1-27进行估算。
1.2 电缆线路单相接地电容电流Ic油浸纸电缆线路在同样的电压下,每千米的电容电流约为架空线路的25倍(三芯电缆)和50倍(单芯电缆)。
也可按以下公式估算:6 kV电缆线路Ic=〔(95+3.1S)(2200+6S)〕Ue A/km10 kV电缆线路Ic=〔(95+1.2S)(2200+0.23S)〕Ue A/km式中:Ic 电容电流(A/km);S 电缆芯线的标称截面面积(mm);Ue 线路额定线电压(kV)。
对于交联聚乙烯电缆,每千米对地的电容电流约为油浸纸电缆的1.2倍。
油浸纸电缆和交联聚乙烯电缆的电容电流,见表1-28至表1-301.3 架空线和电缆混合线路单相接地电容电流Ic混合线单相接地电容电流可采用以下经验公式估算:Ic=Ue(Lk+35lc)350式中:Ic:电容器电流(A)Uc:线路额定线电压(kV)Lk:同一电压Ue的具有电的联系的架空线路总长度(km)Lc:同一电压Ue的具有电的联系的电缆线路总长度(km)表1-28 6-35KV油浸纸电缆接地电容电流计算值2 小接地电流系统单相接地保护及计算2.1 小电流接地系统的电容电流计算。
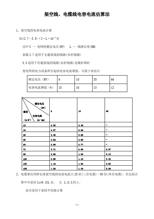
架空线、电缆线电容电流估算法
1、架空线的电容电流计算
I=(2.7~3.3)·U·L·10-3安
式中U —电网的额定电压(KV) L —线路长度(KM)
系数2.7适用于无避雷线的线路(木杆线路)
3.3适用于有避雷线的线路(木杆线路)金属杆塔时
变电所的电力设备所引起的电容电流增值,可按下表估计
2、电缆要比同样长度架空线的电容电流大25倍(三芯电缆)~50倍(单芯电缆),在近似计
算中可采用Ic=0.1UL安, U,L定义同上。
也可采用下表的平均值计算
电缆线路电容电流平均值(安/公里)
交联聚乙烯绝缘聚氯乙烯护套电力电缆选用互感器直径一览表。
系统电容电流的估算
一般来说,系统应按电压等级估算电容电流,每一电压等级总电容电流均应包括线路、母线及其它一次设备的电容电流。
实际计算时往往将变电站设备的电容电流纳入线路电容电流中的方法计算。
即:
Ic=ΣI
cable +ΣI
line
A.电缆线路电容电流的估算
电缆线路的电容电流远大于架空线路的电容电流,必须单独计算,其值与电缆的截面积、电缆结构、额定电压密切相关,可参考表三进行估算。
表三给出了单位公里长不同类型电缆的电容电流值。
表三电缆线路电容电流的平均值单位:A/KM
估算需将各类电缆电容电流分别求出,再求和,即为系统总电缆电流I
cable。
B.架空线路电容电流的估算
一般3~35KV架空线路每相对地电容为5000~6000pF,由此可以估算不同电压等级线路每公里的单相接地电容电流值,见表四。
考虑变电站设备的电容电流时,可用表四中增大的百分值予以修正。
表四无避雷线架空线单相接地电容电流平均值单位(A/KM)。
电容定义式C=Q/UQ=I*T电容放电时间计算:C=(Vwork+ Vmin)*I*t/( Vwork2 -Vmin2) 电压(V) = 电流(I) x 电阻(R)电荷量(Q) = 电流(I) x 时间(T)功率(P) = V x I (I=P/U; P=Q*U/T)能量(W) = P x T = Q x V容量 F= 库伦(C) / 电压(V)将容量、电压转为等效电量电量=电压(V) x 电荷量(C)实例估算:电压5.5V 1F(1法拉电容)的电量为5.5C(库伦),电压下限是3.8V,电容放电的有效电压差为5.5-3.8=1.7V,所以有效电量为1.7C。
1.7C=1.7A*S(安秒)=1700mAS(毫安时)=0.472mAh(安时)若电流消耗以10mA计算,1700mAS/10mA=170S=2.83min(维持时间分钟)电容放电时间的计算在超级电容的应用中,很多用户都遇到相同的问题,就是怎样计算一定容量的超级电容在以一定电流放电时的放电时间,或者根据放电电流及放电时间,怎么选择超级电容的容量,下面我们给出简单的计算公司,用户根据这个公式,就可以简单地进行电容容量、放电电流、放电时间的推算,十分地方便。
C(F):超电容的标称容量;R(Ohms):超电容的标称内阻;ESR(Ohms):1KZ下等效串联电阻;Vwork(V):正常工作电压Vmin(V):截止工作电压;t(s):在电路中要求持续工作时间;Vdrop(V):在放电或大电流脉冲结束时,总的电压降;I(A):负载电流;超电容容量的近似计算公式,保持所需能量=超级电容减少的能量。
保持期间所需能量=1/2I(Vwork+ Vmin)t;超电容减少能量=1/2C(Vwork2 -Vmin2),因而,可得其容量(忽略由IR引起的压降)C=(Vwork+ Vmin)*I*t/( Vwork2 -Vmin2)举例如下:如单片机应用系统中,应用超级电容作为后备电源,在掉电后需要用超级电容维持100mA的电流,持续时间为10s,单片机系统截止工作电压为4.2V,那么需要多大容量的超级电容能够保证系统正常工作?由以上公式可知:工作起始电压Vwork=5V工作截止电压Vmin=4.2V工作时间t=10s工作电源I=0.1A那么所需的电容容量为:C=(Vwork+ Vmin)*I*t/( Vwork2 -Vmin2)=(5+4.2)*0.1*10/(52 -4.22)=1.25F根据计算结果,可以选择5.5V 1.5F电容就可以满足需要了。
220kv电缆电容电流估算
估算220kV电缆的电容电流需要知道以下几个因素:
1. 电缆长度
2. 电缆截面积
3. 电缆介质损耗角正切值(通常取0.001)
4. 电缆的额定电压值
5. 供电电压值
根据以上几个因素,我们可以使用以下公式计算出电缆的电容电流:
电容电流Ic = (√3 x Uc x C x tgδ x L x 10^-3) / √2
其中,Ic为电容电流,单位为安培(A);
Uc为电缆额定电压,单位为千伏(kV);
C为电缆电容值,单位为微法(μF);
tgδ为电缆介质损耗角正切值;
L为电缆长度,单位为千米(km)。
需要注意的是,电缆电容电流会随着供电电压的增加而增大。
因此,在使用上述公式计算时,需要确保供电电压值与电缆额定电压值相同。
110kV 望山变电站工程接地变容量计算书一、工程名称:110kV 望山变电站工程二、计算内容:10kV 、35kV 电容电流的估算及消弧线圈容量的选择三、计算依据:《电力工程电气设计手册电气一次部分》第六章《高压电气选择》四、已知数据1、10kV 终期出线:架空20回,线路长度为20km ;电缆长2km.2、10kV 本期出线:架空12回;电缆2km.3、10kV 线路长度: 电缆每回线平均长度0.2km.4、10kV 出线电缆截面:按三芯截面300mm 2计算5、35kV 终期出线:架空10回,每回线路长度为30km ;电缆8回,1.2km.6、35kV 本期出线:架空6回;电缆1.2km.7、35kV 出线电缆截面:按三芯截面150mm 2计算8、变电站附加10kV 电容电流数量:16%9、变电站附加35kV 电容电流数量:13%五、计算公式10kV 侧: 1、每千米电容电流 km UA SS Ic /23.0220044.195++==2.44A 2、消弧线圈容量补偿Q=kIcU N /√3=20+0.025×20×12×1.35×10.5/√3=690.0256*20*20*1.35*10.5/√3=83.8式中:k-系数,过补偿取1.35Ic-电网电容电流A35kV 侧: 1、每千米电容电流km A Ic /15.3=2、消弧线圈容量补偿Q=kIcU N /√3=1.35*3.15*1.2*35/√3=103.2103.2+0.078*30*6*1.35*35/√3=103.2+338=486.2式中:k-系数,过补偿取1.35Ic-电网电容电流A六、结论10kV侧:选用2台单台容量为600kVA的接地变兼站用变,接地变容量为315kVA,站用变容量为200kVA,每台主变带1台接地变兼站用变.35kV侧:选用2台单台容量为550kVA的消弧线圈.。
10kv电容电流计算公式
一、电力线路电容电流估算方法。
中性点不接地系统对地电容电流近似计算公式:
无架空地线:Ic=1.1×2.7×U×L×10-3(A)
有架空地线:Ic=1.1×3.3×U×L×10-3(A)
其中U为额定线电压(KV)
L为线路长度(KM)
1.1为系数,如果是水泥杆、铁塔线路增加10%
说明:1、双回线路的电容电流是单回线路的1.4倍(6-10KV系统)
1、按现场实测经验:夏季比冬季电容电流增加10%左右。
2、由变电所中电力设备所引起的电容电流的增加估算如下:
额定电压(KV)
6
10
35
110
增值%
18
16
13
10
3、一般估算值:
6KV:Ic=0.015(安/公里)
10KV:Ic=0.025(安/公里)
35KV:Ic=0.1(安/公里)
二、电力电缆线路的电容电流估算
6KV:Ic=Ue(95+3.1S)/(2200+6S)(安/公里)
10KV:Ic=Ue(95+1.2S)/(2200+0.23S)(安/公里)
其中S为电缆截面积(mm2)
Ue为额定线电压(KV)
上面的公式适用于油浸纸绝缘电力电缆,聚氯乙烯绞联电缆单位长度对地电容电流比油浸纸绝缘电力电缆大,参考厂家提供的参数和现场实测经验,大约增值20%左右。
电容电流的估算
10kV系统的接地电容电流与供电线路的结构、布置、长度有关, 主要取决电缆线路的截面和长度, 具体工程设计时应按工程条件计算,变电站10kV出线为电缆线路或架空线路, 根据《电力工程电气设计手册》第1册(电气一次部分) 电容电流的估算如下:
1、对于电缆线路电容电流估算为:
Ic1=0.1U e×L=1.05L [L为电缆线路总长度(km)]
10kV电缆实际各截面电容电流:
I c1=[(95+1.44S)/(2200+0.23S)]×Ue×L
表1:常用6~10kV电缆线路的电容电流(A/km)
注括号内为实测值
2、对于架空线路电容电流的估算值为:
I c2=(2.7~3.3)UeL×10-3
L——线路的长度(km)
I c2——架空线路的电容电流(A)
2.7——系数,适用于无架空地线的线路(10kV一般无地线)
3.3——系数,适用于有架空地线的线路
同杆双回线路电容电流为单回的1.3~1.6
I c2=2.7U e L·10-3=0.02835L [L为架空线路总长度(三相)]
3、对于变电站增加的接地电容电流如下表:
表2:变电站增加接地电容电流值
4、总电容电流
I C∑= I c1+ I c2
对于10kV系统, 附加的变电站电容电流为16%
故I c=1.16I C∑。
估算系统电容电流的计算方法
答:系统总电容电流是小电流接地系统的重要数据,它与系统的结构、运行方式、电压等级有很大关系。
WXD-2型小电流选线装置的运行只需要对系统同一电压等级的总电容电流进行估算,估算的步骤如下:
(1)按电缆或架空线及电压等级分别计算出各类线路的总长度;
(2)根据“设计数据”一章内容的表三、表四计算出各类线路的电容电流;
(3)求出总电容电流。
举例如下:
某变电站线路的构成为10KV及35KV母线各一段,10KV架空出线总长40KM,电缆出线总长11KM;35KV架空出线总长50KM,电缆出线总长15KM,缆芯截面积均为70mm2。
系统总电容电容电流计算如下:
(1) 10KV电缆电容电流:Ic10=0.9×11=9.9A
35KV电缆电容电流:Ic35=3.7×15=55.5A
(2) 10KV架空线电容电流:
IL10=0.03×40+(0.03×40)×0.16=1.39A
35KV架空线电容电流
IL35=0.10×50+(0.10×50)×0.13=5.65A
(3)总电容电流:
10KV母线:Ic=Ic10+IL10=9.9+1.39=11.29A
35KV母线:1c=Ic35+IL35=55.5+5.65=61.15A
这个计算方法对交联电缆误差较大,偏小。
现在还有哪个供电局用70mm2电缆供电?
10KV架空出线总长40KM,电缆出线总长11KM,这么长,线损吓死人,可能吗。
计算电容电流A/KM明显偏小,现在都用交联电缆了,不是过去的纸绝缘电缆!
110KV以上的线路几乎都是直接接地系统,几乎不用这个。