中华人民共和国实行能源效率标识的产品目录(第一至十批))
- 格式:doc
- 大小:87.00 KB
- 文档页数:10
中华人民共和国实行能源效率标识的产品目录(第一批)
中华人民共和国实行能源效率标识的产品目录(第二批)
中华人民共和国实行能源效率标识的产品目录(第三批)
中华人民共和国实行能源效率标识的产品目录(第四批)
中华人民共和国实行能源效率标识的产品目录(第五批)
中华人民共和国实行能源效率标识的产品目录(第六批)
中华人民共和国实行能源效率标识的产品目录(第七批)
中华人民共和国实行能源效率标识的产品目录(第八批)
中华人民共和国实行能源效率标识的产品目录(第九批)
中华人民共和国
实行能源效率标识的产品目录(第十批)。
中华人民共和国实行能源效率标识的产品目录(第一批)
中华人民共和国实行能源效率标识的产品目录(第二批)
中华人民共和国实行能源效率标识的产品目录(第三批)
中华人民共和国实行能源效率标识的产品目录(第四批)
中华人民共和国实行能源效率标识的产品目录(第五批)
中华人民共和国实行能源效率标识的产品目录(第六批)
中华人民共和国实行能源效率标识的产品目录(第七批)
中华人民共和国实行能源效率标识的产品目录(第八批)
中华人民共和国实行能源效率标识的产品目录(第九批)
中华人民共和国
实行能源效率标识的产品目录(第十批)。
中华人民共和国实行能源效率标识的产品目录(第一批)
中华人民共和国实行能源效率标识的产品目录(第二批)
中华人民共和国实行能源效率标识的产品目录(第三批)
中华人民共和国实行能源效率标识的产品目录(第四批)
中华人民共和国实行能源效率标识的产品目录(第五批)
中华人民共和国实行能源效率标识的产品目录(第六批)
中华人民共和国实行能源效率标识的产品目录(第九批)
中华人民共和国
实行能源效率标识的产品目录(第十批)。
、|
!_
一个人总要走陌生的路,看陌生的风景,听陌生的歌,然后在某个不经意的瞬间,你会发现,原本费尽心机想要忘记的事情真的就这么忘记了..
中华人民共和国实行能源效率标识的产品目录(第一批)
国家发改委2004年第71号公告
1.
2.
中华人民共和国实行能源效率标识的产品目录(第二批)
国家发改委2006年第65号公告
中华人民共和国实行能源效率标识的产品目录(第三批)
国家发改委2008年第8号公告
中华人民共和国实行能源效率标识的产品目录(第四批)
国家发改委2008年第64号公告
中华人民共和国实行能源效率标识的产品目录(第五批)
国家发改委2009年第17号公告
中华人民共和国实行能源效率标识的产品目录(第六批)
国家发改委2010年第3号公告
中华人民共和国实行能源效率标识的产品目录(第七批)
国家发改委2010年第28号公告。
中国能效标识介绍:2004年8月,国家发改委、国家质检总局联合制定并发布《能源效率标识管理办法》(以下简称《办法》),这标志着我国将实施能源效率标识制度。
能源效率标识是附在产品或产品最小包装上的一种信息标签,用于表示用能产品的能源效率等级等性能指标,为用户和消费者的购买决策提供必要的信息,以引导用户和消费者选择高效节能产品。
建立和实施能源效率标识制度,对提高耗能设备能源效率,提高消费者的节能意识,加快建设节能型社会,缓解全面建设小康社会面临的能源约束矛盾具有十分重要的意义。
《办法》规定,国家发改委、国家质检总局和国家认监委负责能源效率标识制度的建立并组织实施。
凡列入《目录》的产品,应当在产品或者产品最小包装的明显部位标注统一的能源效率标识,并在产品说明书中说明。
能源效率标识采取生产者或进口商自我声明、备案、政府有关部门加强监督管理的实施模式。
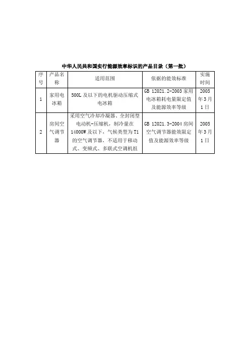
我国能效标识制度2005年3月1日开始实施根据《办法》的规定,国家发展和改革委员会、质检总局和国家认监委制定并发布了《中华人民共和国实行能源效率标识的产品目录(第一批)》、《中国能源效率标识基本样式》、《家用电冰箱能源效率标识实施规则》和《房间空气调节器能源效率标识实施规则》(2004年71号),自2005年3月1日起将率先从冰箱、空调这两个产品开始实施能源效率标识制度。
能效标识为蓝白背景,顶部标有“中国能效标识”(CHINA ENERGY LABEL)字样,背部有粘性,要求粘贴在产品的正面面板上。
标识的结构可分为背景信息栏、能源效率等级展示栏和产品相关指标展示栏。
作为一种信息标识,能效标识直观地明示了用能产品的能源效率等级、能源消耗指标以及其他比较重要的性能指标,而能源效率等级是判断产品是否节能的最重要指标,产品的能源效率等级越低,表示能源效率越高,节能效果越好,越省电。
目前我国的能效标识将能效分为1、2、3、4、5共五个等级,等级1表示产品达到国际先进水平,最节电,即耗能最低;等级2 表示比较节电;等级3表示产品的能源效率为我国市场的平均水平;等级4表示产品能源效率低于市场平均水平;等级5是市场准入指标,低于该等级要求的产品不允许生产和销售。
能效标识产品目录(第1-7批)行政处罚项目:未在产品说明书和产品标识上注明能耗指示的处罚种类:责令限期改正,罚款。
法律依据:《中华人民共和国节约能源法》第四十七条,违反本法第二十六条(生产用能产品的单位和个人,应当在产品说明书和产品标识上如实注明能耗指标)规定,未在产品说明书和产品标识上注明能耗指标的,由县级以上人民政府管理产品质量监督工作的部门责令限期改正,可以处5万元以下的罚款。
《能源效率标识管理办法》的规定,凡是列入实施能效标识产品《目录》的产品,应当在产品或者产品最小包装的明显部位标注统一的能源效率标识,并在产品说明书中说明。
没有按照《能源效率标识管理办法》及相应的实施规则标注能效标识是一项违法行为并将受到处罚。
第二十三条违反本办法规定,生产者或进口商应当标注统一的能源效率标识而未标注的,由地方节能管理部门或者地方质检部门责令限期改正,逾期未改正的予以通报。
第二十四条违反本办法规定,有下列情形之一的,由地方节能管理部门或者地方质检部门责令限期改正和停止使用能源效率标识;情节严重的,由地方质检部门处1万元以下罚款:(一)未办理能源效率标识备案的,或者应当办理变更手续而未办理的;(二)使用的能源效率标识的样式和规格不符合规定要求的。
第二十五条伪造、冒用、隐匿能源效率标识以及利用能源效率标识做虚假宣传、误导消费者的,由地方质检部门依照《中华人民共和国节约能源法》和《中华人民共和国产品质量法》以及其他法律法规的规定予以处罚。
第一批家用电冰箱、房间空调器两个产品。
2005年3月1日第一批产品目录颁布。
第二批适用于额定洗涤容量为1公斤至13公斤的家用电动洗衣机(不适用于搅拌式洗衣机和没有脱水功能的单桶洗衣机);名义制冷量大于7100W、采用电机驱动压缩机的单元式空气调节机、风管送风式和屋顶式空调机组(不适用于多联式空调(热泵)机组和变频空调机)。
第三批冷水机组、家用燃气快速热水器和燃气采暖热水炉(以下简称“燃气热水器”)、中小型三相异步电动机(以下简称“电动机”)、自镇流荧光灯和高压钠灯五类产品。
能源效率标识制度3月1日正式生效市经委、市质监局将依
法监督检查
佚名
【期刊名称】《资源节约与环保》
【年(卷),期】2005(021)001
【摘要】国家发展和改革委员会、国家质量监督检验检疫总局颁布的《能源效率
标识管理办法》《第17号令),3月1日正式生效,同时开始实施《中华人民共和国实行能源效率标识的产品目录(第一批)》、《中国能源效率标识基本样式》、《家用电冰箱能源效率标识实施规则》和《房间空气调节器能源效率标识实施规则》市经委、市质监局按职责分工进行落实、监督和依法检查。
【总页数】1页(P48)
【正文语种】中文
【中图分类】X921.265
【相关文献】
1.石狮市质监局开展能源效率标识专项执法检查 [J],
2.大连市质监局开展食品相关产品生产许可r获证企业专项监督检查工作 [J],
3.盘锦市质监局开展涉环保类检验检测机构监督检查及分类评价 [J],
4.辽阳市质监局开展家电产品能效标识专项监督检查 [J],
5.西安市人民政府办公厅转发市建委市质监局市经委关于开展建筑用砖质量整顿工作意见的通知 [J], ;
因版权原因,仅展示原文概要,查看原文内容请购买。
中华人民共和国国家发展和改革委员会、国家质量监督检验检疫总局令第35号——能源效率标识管理办法文章属性•【制定机关】国家发展和改革委员会,国家质量监督检验检疫总局(已撤销) •【公布日期】2016.02.29•【文号】中华人民共和国国家发展和改革委员会、国家质量监督检验检疫总局令第35号•【施行日期】2016.06.01•【效力等级】部门规章•【时效性】现行有效•【主题分类】节能管理正文中华人民共和国国家发展和改革委员会国家质量监督检验检疫总局令第35号为加强节能管理,推动节能技术进步,提高用能产品能源效率,推广高效节能产品,我们对《能源效率标识管理办法》进行了修订,现将修订后的《能源效率标识管理办法》予以发布,自2016年6月1日起施行。
2004年8月13日国家发展改革委、国家质检总局令第17号发布的《能源效率标识管理办法》同时废止。
国家发展和改革委员会主任:徐绍史国家质量监督检验检疫总局局长:支树平2016年2月29日能源效率标识管理办法第一章总则第一条为加强节能管理,推动节能技术进步,提高用能产品能源效率,依据《中华人民共和国节约能源法》、《中华人民共和国产品质量法》、《中华人民共和国进出口商品检验法》及其实施条例、《中华人民共和国认证认可条例》,制定本办法。
第二条本办法所称能源效率标识(以下简称能效标识),是指表示用能产品能源效率等级等性能指标的一种信息标识,属于产品符合性标志的范畴。
第三条国家对节能潜力大、使用面广的用能产品实行能效标识管理。
具体产品实行目录管理。
国家发展和改革委员会(以下简称国家发展改革委)、国家质量监督检验检疫总局(以下简称国家质检总局)和国家认证认可监督管理委员会(以下简称国家认监委)负责能效标识管理制度的建立并组织实施。
国家发展改革委会同国家质检总局、国家认监委制定并公布《中华人民共和国实行能源效率标识的产品目录》(以下简称《目录》),规定统一适用的产品能效标准、实施规则、能效标识样式和规格。
能源效率标识管理规定为规范能源效率标识的管理,最新版的《能源效率标识管理方法》自2021年6月1日起施行,下面我给大家介绍关于能源效率标识管理规定的相关资料,期望对您有所关怀。
能源效率标识管理条例第一章总则第一条为加强节能管理,推动节能技术进步,提高用能产品能源效率,依据《中华人民共和国节省能源法》、《中华人民共和国产品质量法》、《中华人民共和国进出口商品检验法》及其实施条例、《中华人民共和国认证认可条例》,制定本方法。
其次条本方法所称能源效率标识(以下简称能效标识),是指表示用能产品能源效率等级等性能指标的一种信息标识,属于产品符合性标志的范畴。
第三条国家对节能潜力大、使用面广的用能产品实行能效标识管理。
具体产品实行名目管理。
国家进展和改革委员会(以下简称国家进展改革委)、国家质量监督检验检疫总局(以下简称国家质检总局)和国家认证认可监督管理委员会(以下简称国家认监委)负责能效标识管理制度的建立并组织实施。
国家进展改革委会同国家质检总局、国家认监委制定并公布《中华人民共和国实行能源效率标识的产品名目》(以下简称《名目》),规定统一适用的产品能效标准、实施规章、能效标识样式和规格。
第四条地方各级人民政府管理节能工作的部门(以下简称地方节能主管部门)、地方各级质量技术监督部门和出入境检验检疫机构(以下简称地方质检部门),在各自职责范围内对所辖区域内能效标识的使用实施监督管理。
第五条列入《名目》的用能产品生产者和进口商应当向国家质检总局和国家进展改革委授权的中国标准化争辩院(以下简称授权机构)备案能效标识及相关信息。
其次章能效标识的实施第六条生产者和进口商应当对列入《名目》的用能产品标注能效标识,依据国家统一规定的能效标识样式、规格以及标注规定印制和使用能效标识,并在产品包装物上或者使用说明书中予以说明。
列入《名目》的用能产品通过网络交易的,还应当在产品信息呈现主页面醒目位置呈现相应的能效标识。
在产品包装物、说明书、网络交易产品信息呈现主页面以及广告宣扬中使用的能效标识,可按比例放大或者缩小,并清楚可辨。
2008年第64号
根据《能源效率标识管理办法》(国家发展改革委和国家质检总局第17号令)规定,国家发展改革委、国家质检总局和国家认监委组织制定了《中华人民共和国实行能源效率标识的产品目录(第四批)》、《转速可控型房间空气调节器能源效率标识实施规则》、《多联式空调(热泵)机组能源效率标识实施规则》、《储水式电热水器能源效率标识实施规则》、《家用电磁灶能源效率标识实施规则》、《计算机显示器能源效率标识实施规则》和《复印机能源效率标识实施规则》,现予公告,自2009年3月1日起实施。
2008年12月31日前出厂的产品,可延迟至2010年3月1日前加施能效标识。
国家发展改革委
国家质检总局
国家认监委
二〇〇八年十月十七日
附件点击下载:
1、《中华人民共和国实行能源效率标识的产品目录(第四批)》;
2、《转速可控型房间空气调节器能源效率标识实施规则》;
3、《多联式空调(热泵)机组能源效率标识实施规则》;
4、《储水式电热水器能源效率标识实施规则》;
5、《家用电磁灶能源效率标识实施规则》;
6、《计算机显示器能源效率标识实施规则》;
7、《复印机能源效率标识实施规则》。
中华人民共和国实行能源效率标识的产品目录(第四批)。
中华人民共和国实行能源效率标识的产品目录(第一批)
中华人民共和国实行能源效率标识的产品目录(第二批)
中华人民共和国实行能源效率标识的产品目录(第三批)
中华人民共和国实行能源效率标识的产品目录(第四批)
中华人民共和国实行能源效率标识的产品目录(第五批)
中华人民共和国实行能源效率标识的产品目录(第六批)
中华人民共和国实行能源效率标识的产品目录(第七批)
中华人民共和国实行能源效率标识的产品目录(第八批)
中华人民共和国实行能源效率标识的产品目录(第九批)
中华人民共和国
实行能源效率标识的产品目录(第十批)。