工 作 计 划 安 排 表
- 格式:doc
- 大小:39.50 KB
- 文档页数:2
酒店pa周工作计划表篇一: PA部周工作计划表 PA分部工作计划及工作职责PA分部保洁员劳动纪律、行为规范1、必须按照酒店要求着装、打卡、签到、上、下班2、工作期间不准将无关人员带入酒店会客和办理私事; 3、遇见客人、领导、同事主动热忱打招呼,并为客人提供相应的服务;4、不允许谈论客人、领导和同事,学会真诚做人;5、不允许迟到、早退、溜岗、串岗、睡岗及扎堆聊天;6、不准将酒店物品带出酒店,一经发现扣发当月工资后开除;7、主动帮助客人、同事,相互协助,相互关心,做文明礼貌之人;8、做好本职工作,发现问题及时上报,尽量避免影响和损失; 9、随时接受上级领导的工作指令和其它工作任务;10、工作时要严格,认真按操作程序进行,严禁违章操作。
PA分部保洁员工作职责及工作程序1、7:00准时到指定区域整理仪表,打卡签到上班;2、接受当日工作任务,巡查所属区域按先急后缓顺序进行;3、9: 30前必须将所属区域卫生要做细一遍;4、10:30前必须多次对大堂重点区域的检查并及时跟进;5、11:00前对当厅的区域卫生要按标准程序清洁并及时被充客用易耗品;6、客人就餐前要多次巡查大堂,公共区域卫生状况; 7、遇宴会会议要服从加班并提供相应的客卫服务;8、13: 00后检查上述区域卫生状况后做当日的计划卫生;9、晚餐前再次检查当日的卫生质量度及时跟进;10、晚餐后(17:00前)做下班卫生,收集垃圾,打下班卡,签退,并报上司是否还有其它工作服务。
篇二:酒店PA工作流程将工作流程时间话,相关领导按时间抽查巡视督导差10分钟是正常现象。
招商工作计划进度表招商计划及进度为加强招商力度,降低封路对xx广场的影响。
本着节约、高效的目的,商运部计划从2012年5月-12月,起启动新一轮的招商计划如下:一、现场招商1、利用各馆外立面空置的广告位制作五幅招商广告喷画(已完成)。
2、拟在b1馆外立面和c1馆外立面空置的醒目位置再制作两个大型招商条幅,加大招商信息的公布。
3、4、拟组织商家每周末在场馆门前进行商品展销活动。
桥北路开通后,拟在场馆门前策划“周周乐”“xx形象大使选拔赛”“xx之星选拔赛”等群众性的文艺活动,每周六、日举行,由xx美居组办,邀请市民踊跃参加。
目的:低成本、高效率,迅速达到增加现场人气,吸引媒体关注、扩大宣传力度。
二、放盘到各地产中介部招商。
三、利用网站招商在百姓网、赶集网、58同城网等免费商品信息发布网站上发布招商信息(已完成)。
四、发动各员工利用人际关系推荐、介绍大的商家前来洽谈租场。
五、组织商运部员工走出去到周边城市知名的专业市场内宣传招商。
1、布匹市场(窗帘布艺区)、南岸路装饰城,以及xx市周边区县建材装饰聚集区。
3、4、参加人员:宣传方式:招商人员分散到目标场内逐户讲解宣传xx美居广场的优势,拉拢商家入驻。
xx商运部2012-5-10篇二:招商计划书人和商业高新区项目招商计划书第一部分招商策划一、项目总定位(一)统一宣传口径1、宣传总精神:鞍山休闲购物的天堂2、顺应鞍山市高新区新一轮开发趋势,解民所需。
人和商业控股鼎力巨献,政府支持,民心所向。
3、抢占鞍山未来cbd的核心区位,与鞍山站前商业相互补充共同构筑鞍山城市新商业配套中心及休闲广场建设,打破鞍山传统商业模式,引领鞍山城市商业全面升级。
4、融合现代地产和商业运作理念之精华,借鉴吸收国内外商业的成功经验,整合国外先进商业模式并结合鞍山本地文化,为鞍山人民打造全新的休闲购物广场。
5、近十二万平方米的建筑面积,集一流大型超市、著名家电卖场、专业奥特莱斯、娱乐休闲、餐饮多功能为一体的shopping mall,汇聚万千人流、物流、资金流、信息流,将成为鞍山高新区的真正核心商业中心。
表安全检查隐患整改单
检查部门:项目部检查日期:检查人(签字):
@
注:本单一式两份,由检查部门及整改责任单位各执一份。
表安全检查隐患整改单
检查部门:项目部检查日期:检查人(签字):
…
注:本单一式两份,由检查部门及整改责任单位各执一份。
表安全检查隐患整改单
检查部门:项目部检查日期:检查人(签字):
、
注:本单一式两份,由检查部门及整改责任单位各执一份。
表安全检查隐患整改单
检查部门:项目部检查日期:检查人(签字):
^
注:本单一式两份,由检查部门及整改责任单位各执一份。
表安全检查隐患整改单
检查部门:项目部检查日期:检查人(签字):。
注:本单一式两份,由检查部门及整改责任单位各执一份。
表安全检查隐患整改单
检查部门:项目部检查日期:检查人(签字):
)
注:本单一式两份,由检查部门及整改责任单位各执一份。
表安全检查隐患整改单
检查部门:项目部检查日期:检查人(签字):
注:本单一式两份,由检查部门及整改责任单位各执一份。
&
表安全检查隐患整改单
检查部门:项目部检查日期:检查人(签字):
|
注:本单一式两份,由检查部门及整改责任单位各执一份。
#
表安全检查隐患整改单
检查部门:项目部检查日期:检查人(签字):
注:本单一式两份,由检查部门及整改责任单位各执一份。
表安全检查隐患整改单
检查部门:项目部检查日期:检查人(签字):
注:本单一式两份,由检查部门及整改责任单位各执一份。
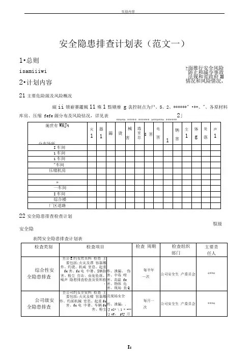
安全隐患排查计划表(范文一)1•总则isamiiiwi2•计划内容21主要危险源及风险概况縦ii锁嶄赛鑑辄11殊1黠娥療g衾控制点为尸、5、2、******^ •*+、"、各原材料库房、压缩 fefe源分布及风险怙况,详见表2」施世有WHJt 分布场所灾1器1 漏烫械害毒窒息$ 害电害 1辆害尘1体g处落声1I车间1车间1车间"车间压缩机房»一车间I车间综合楼厂区道路22安全隐患排查检查计划安全隐表閃安全隐患排査计划表检査类别检査项目检査周期检査组织部门主要责任人综合性安全隐患排査至公E旳女笊负料检查主要包括:火灾及澤容器爆炸、灼烫、机咸窒息、起重fe害、fe电中暑、$辆扮害、粉尘打击、由处坠落、噪声隐想排査检査及资料检・炸、泄漏、伪害、中毒唠害、高温 fe害、物体危害、现场査Q毎半年—次公司安全生产委员会«**«公司级安全隐患排査全公司旳女全贸料检査主要包括:火灾及樑容器爆炸、灼派机械窒息、起重fe害、fc电中暑、车辆fe害、粉尘及现场女全烬、泄漏:./J rl* \ 1 * +**/j cf、pTJ 刀、每月一次公司安全生产委员会***«馭级"计划实施保障2■訂安全隐患排査机构及人员职责*««*成络组(1) 、制泄所属班组日常安全检査讣划、方案,并组 织实施。
(2) 、负贵制定所属班组日常安全检查发现问题的整 改il •划、方案,并组织实施整改和组织整改验收。
检矗纜综合性安全隐患排查表号序检査内容检査标准检査方法结繁査备注1生产运行 安全生产运行正常现场检査1生产现场乐间内外应保持整齐、清洁、通道平坦、畅通现场检査5 作业区的场 地~场地应S 齐、防潸.无凹陷、凸起和严朿油 污现纵现场检査1 设备保养 设备保养责任落实到人现场检査 现场检査• >生产现场 生产现场无违$停放花辆 现场检査( 机泵油封 机泵油封无溢油严重 现场检査■i 安全标出牌 安全标忠:牌整洁完好 现场检査S动火 动火严矗执行动火制度现场检査J 设备修理设备修理悬挂警示标出并落实安全暗施 现场检査10 设备管道 设备管道应无裂紋和渗漏.管道应保持畅通,密封良好.无跑、冒、満、漏现欽现场检査U—百道I:的阀 门管道上的阀门应启闭灵活.关闭严密不漏现场检査12 氏材料.半成 佔、器具、运输1: 原材料、半成骷、器具、运输」:具等堆放规范,不得侵占午行通道和人行通道现场检査13车•间地面 车•间地面的油污及垃圾应及时清理 现场检査11 工艺纪律操 作记录 工艺纪律操作记录准时、准确、字休工整査 燥作记录现场检査)3 工艺控制点 工艺控制点在规定范用 现场检査If生产岗位生产岗位严格执行操作规程现场检査1; 工作环境.职业安全卫生生产 现场包括操作室工作环境.职业安全卫生生产现场包括操作室整 洁干浄 现场检査IS 劳保用品 生产工人按要求穿戴劳保川品现场检査19安全管理新入厂人员未经三级安全教僭或考试不合格 看.不准参加生产或笊独操作现场检査排査人员: 安全隐患排査计划实施管理规定"未曹)蹩鎳晝if 薪勰憐捂姚那划、方案未及时整改的,对责任人处罚100 漏參翻料的, 对责任人处罚jo 元/B agsaii3)对安全隐患排査工作突出,成绩显著的,给予奖励100-0元/人。
建设项目进度计划表篇一:工程项目建设进度安排计划表工程项目建设进度安排计划表第五节项目资金筹措根据全县“十一五”水电农村电气化县电源和电网点及其他工程项目建设,共需投资29175.91万元,其中:电源工程投资19145.41万元,变电工程投资4320万元,线路工程投资5020.5万元,辅助工程投资690万元。
其工程项目资金筹措安排计划如下:篇二:项目进度计划及制定方法项目进度计划及制定方法一、项目进度计划项目进度计划是指在确保合同工期和主要里程碑时间的前提下,对设计、采办和施工的各项作业进行时间和逻辑上的合理安排,以达到合理利用资源、降低费用支出和减少施工干扰的目的。
按照项目不同阶段的先后顺序,分为以下几种计划:1、项目实施计划承包商基于业主给定的重大里程碑时间(开工、完工、试运、投产),根据自己在设计、采办、施工等各方面的资源,综合考虑国内外局势以及项目所在国的社会及经济情况制定出的总体实施计划。
该计划明确了人员设备动迁、营地建设、设备与材料运输、开工、主体施工、机械完工、试运、投产和移交等各方面工作的计划安排。
2、详细的执行计划(目标计划)由承包商在授标后一段时间内(一般是一个月)向工程师递交的进度计划。
该计划是建立在项目实施计划基础之上,根据设计部提出的项目设计文件清单和设备材料的采办清单,以及施工部提出的项目施工部署,制定出详细的工作分解,再根据施工网络技术原理,按照紧前紧后工序编制完成。
该计划在工程师批准后即构成正式的目标计划予以执行。
3、详细的执行计划(更新计划)在目标计划的执行过程中,通过对实施过程的跟踪检查,找出实际进度与计划进度之间的偏差,分析偏差原因并找出解决办法。
车辆调度计划表篇一:车辆调度安排表车辆调度安排表车号:驾驶员:篇二:公司车辆调度安排表车辆调度安排表篇三:车辆调度工作方案全省教育工作会议车辆调度工作方案全省教育工作会议即将召开,届时省教育厅副厅长XXX同志亲临讲话。
为做好全省教育工作会议的车辆调度工作,体现本承办单位快捷、安全、高效的良好形象,根据工作实际和承办单位的总体安排,特制定如下工作方案:一、工作目标按照一流的工作标准,精心组织,周到安排,厉行节约,文明礼貌,高质量、高效率的搞好车辆安排和调度工作,力争让每一位参会人员高兴而来,满意而归,树立会议承办单位的良好对外形象。
二、工作任务 1、负责编制全省教育工作会议的车辆保障经费预算;2、做好会议期间的车辆(转载自:.CDFD池锝范文网:车辆调度计划表)安排、调度; 3、做好服务车辆驾驶员培训管理; 4、进行车辆技术状态审查、驾驶员审查,制作和发放参会车辆编号、通行证;5、负责通行线路确定;6、会议结束后进行车辆保障经费的结算等工作。
三、工作机构及职责根据实际情况,为保证会议期间车辆调度工作的顺利进行,决定成立五个车辆调度小组,分别负责来自全省各地的参人员接送工作,具体职责如下:1、总务组,由车队长X XX为总协调,XXX、XXX二人参加,调配小汽车、9座商务车各一辆(车号??、??),用于机动。
具体负责车辆运行费用的预决算,制定调度工作预案,省教育厅领导车辆安排,参会人员返程机、车票的预订,调配会议用车并制订车辆行驶路线、对驾驶员进行培训、督促各小组对车辆进行检修,及时了解和掌握参会人员途中情况及反馈至各调度小组,妥善安排好来宾车辆。
劳动力配备安排表June 8th, 2022, what a day of hard work.
劳动力安排计划
根据本工程施工特点,本工程计划投入项目管理人员共十人,按工程进度计划要求,将幕墙工程施工划分为四个施工阶段,即测量放线及埋件补遗及纠偏处理、龙骨安装和幕墙面板块安装阶段;
安装队伍在工地作业,在施工高峰期时人数最高达35人,各工种根据施工组织计划,分阶段分别组织进场,具体劳动力安排计划如下表所示:
1劳动力计划按总工期和现场具体情况进行调整与调配;
2上表劳动力计划仅指现场施工人员劳动力计划;
3上表劳动力计划为施工现场劳动力基本保证计划,在施工高峰期劳动力人数可向上进行调整;。
员工工作计划考核实施细则一、考核目的为规范公司的计划考核管理,按照《员工绩效考核管理办法》的要求,客观准确地评价员工的工作业绩,了解工作进展情况,特制订本细则。
本细则规定了月度、季度、年度工作计划考核的内容、方式、流程、要求等等。
二、考核对象集团公司各部门、直管企业按要求需要制定月度、季度、年度工作计划的员工。
三、考核内容1.月度工作计划:主要是指工作任务。
2.季度工作计划:主要包括季度业务指标计划和季度专项工作计划。
其中季度专项工作计划涵盖了上季度未完成的专项工作部分。
四、考核方式1.工作计划考核采取计划制定人提交计划完成情况报告、上级主管或部门进行考核的形式。
2.一般情况,季度工作计划、年度工作计划的考核,其考评方法和评份评准在计划核准时有说明,年度、季度考核时,按已制定办法和标准进行考核。
3.员工月度工作计划纳入月度职责履行情况考核,具体参照《员工工作职责履行情况考核细则》执行。
4.员工工作计划考核得分由各部门填报,并最终由人力资源部汇总并反馈和通报。
5.集团公司各部门主管及直管单位负责人(含)以上人员的季度、年度工作计划考核由集团营运管理部组织实施。
五、考核流程1.工作计划的制订:各员工按计划管理要求做好月度、季度和年度工作计划,提交各门主管核准。
核准以后的工作计划提交相关监管部门一份。
包括《员工月度工作计划核准表》、《员工季度工作计划核准表》、《员工年度工作目标计划核准表》。
2.工作计划到期后,员工需在规定的日期内编制工作计划完成情况报告,并及时向直接上级和考核部门提交。
3.工作计划完成情况报告分《员工月度工作计划完成情况报告表》、《员工季度工作计划完成情况报告表》、《员工年度工作目标计划完成情况报告表》,是员工对本人年度、季度、月度工作的总结及评价,不仅是员工自我认识、自我调整、自我反省的一个过程,也是对改善工作态度,调整工作方向起着非常重要的促进作用。
社区副书记工作计划篇一:社区党支部书记工作计划****社区党支部书记工作计划2017年12月,新一届党支部换届,我正式当选为社区党支部书记。
再次当选为社区支部书记,我深知道身上的担子重了,心中也有了对于未来三年发展的计划。
我将紧紧围绕“把****建设成现代田园空港城市”这个主题,以实现、维护和发展好群众的根本利益为核心,以增加基层党组织政治功能和保持基层党员的先进性为重点,大力推进基层党建和社区各项工作。
在未来三年里,我将自己最大的努力,做到以下几点:一、抓好班子队伍建设,促进各项工作稳步发展社区党总支部是党的最基层组织,肩负着贯彻执行党的路线、方针、政策的任务,承担着上传下达的重任,没有一个团结、有魄力、战斗力强的支部班子,就无法完成各项目标工作任务,社区的发展,居民增收,为民办实事就都是空话,所以,从抓班子建设作风入手。
首先,提高班子成员整体素质,努力学习党的路线、方针、政策及法律法规,坚定共产主义信念,提高自身素质和工作能力。
其次,用制度来管人管事,建立健全各种规章制度,规范财务管理,并定期上墙公布,增加各项工作的透明度。
第三加强党员队伍教育和管理,不断提高党员队伍的整体素质,积极发展新党员,以创建“五个好”示范党支部为目标,把广大党员、干部的思想和行动统一到社区发展和建设当中上来。
生产计划排产表格篇一:生产计划表格第三十章生产计划表格一、生产计划综合报表二、生产计划安排表总经理:厂长:审核:拟定:三、各部门生产计划安排表300第三十章四、生产规划明细表五、周生产计划表301说明:1.依据月生产计划的执行状况修订。
2.依据产品的要求标准时间制订时程。
3.计划时程栏内注明计划产量。
六、月生产计划表302第三十章审核:计划:七、长远生产计划表303篇二:如何做一个可执行的生产计划排程一、做出详细生产作业计划需要哪些条件?在许多生产管理者眼中,生产作业计划是不重要的,如果我们只停留在小加工作坊的规模,大脑就能把一个月的订单、物料、资源记得清清楚楚,那么生产计划排程的必要性确实不太大,但事实上,随着生产规模的扩大,人脑已经不可能完成如此大数据量的存储功能,这时就到了生产管理的Excel时代,许多生产管理人员对Excel使用非常熟悉,并乐在其中,但如果要问他计划的详细信息,计划的优劣以及可执行性问题,这就遇到了困难,道理很简单,Excel只是将数据的存储从大脑移到了电脑,增大了容量,却仍然没有实质性的改进,但Excel的存储作用却是不言而喻的,它是生产计划排程数据准备的重要手段,但Excel相对于文本来说只是多了一个方便操作的表格,并没有严格的二维数据关系,这时就到了生产管理的ERP/MES时代。
这些基础数据主要包括如下几种:(1)所有产品结构信息。
即生产管理中BOM管理,有了产品结构才能方便的进行订单分解,分解成实际生产的任务。
(2)所有产品的制造工艺信息。
简单来说,就是要能知道任何一个制造任务(如一个零件)可以分解为几步以及每一步之间的逻辑关系,每一步用到哪些物料、需要哪种设备、需要哪些辅助工具,即是生产管理中常说的工艺流程。
(3)所有使用的资源信息。
资源是必备的生产主体,没有资源,生产无从谈起,所以需要对生产所需要的全部资源进行管理,这里所说的资源包含物料、设备、工具等。
对资源的管理主要是对资源能力和成本的管理。
说明:在各部门紧锣密鼓的开业筹备中,为了使各项工作能形成一盘棋,步步有招,环环相扣,确保成功开业,避免工作中的差、漏、错、忘,及部门间交叉衔接的管理盲区。
我们对应做、已做、拟做的各项营运工作从架构设定、人员到位、策划推广、招商进程、制度制定、流程方面、工程方面、铺货方面、开荒、保洁方面、人员招聘、营运设施到位时间以及各种设备、设施的到位、调试时间、营运软件到位时间、广告位到位时间、垃圾堆放点、卸货区的地点、管理要求、行径
说明:在各部门紧锣密鼓的开业筹备中,为了使各项工作能形成一盘棋,步步有招,环环相扣,确保成功开业,避免工作中的差、漏、错、忘,及部门间交叉衔接的管理盲区。
我们对应做、已做、拟做的各项营运工作从架构设定、人员到位、策划推广、招商进程、制度制定、流程方面、工程方面、铺货方面、开荒、保洁方面、人员招聘、营运设施到位时间以及各种设备、设施的到位、调试时间、营运软件到位时间、广告位到位时间、垃圾堆放点、卸货区的地点、管理要求、行径。
工作计划推进表模板Template of work plan promotion form汇报人:JinTai Co I I ege第1页共5页工作计划推进表模板前言:工作计划是对一定时期的工作预先作出安排和打算时制定工作il•划,有了工作计划,工作就有了明确的LI标和具体的步骤,大家协调行动,使工作有条不紊地进行。
工作il•划对匸作既有指导作用,乂有推动作用,是提高工作效率的重要手段。
本文档根据工作讣划的书写内容要求,带有规划性、设想性、讣划性、方案和安排的特点展开说明,具有实践指导意义。
便于学习和使用,本文档下载后内容可按需编辑修改及打印。
工作推进情况的报告现将4月规划建设工作推进情况报告如下:一、招商引资情况新川创新科技园着力构建集现代产业、现代生活和现代都市于一体的国际一流创新科技园区,按照中新双方签署的协议,新方将利用自身资源优势为新川创新科技园引进一定数量的高端产业和高端项目,在2012-20xx年为该园区引进不少于 60家符合规划的’高端项目,2016-20xx年新增引进不少于80 家符合规划的高端项目。
天河生物医药研发园由成都xxx有限公司投资50亿元,力争在5年内投入运营,届时将聚集各类生物医药企业约800家,从业人员达5万人,培育20家以上干万元的生物医药创新企业、3-5家具备上市条件的生物医药潜力企业。
国际低碳环保科技园由XXX有限公司、赛伯乐•中第2页共5页国投资等共同投资40亿元,着眼于促进低碳科技型企业集群发展,打造节能环保、城市智能能源微网两大低碳产业集群,项目预计5年建设完成并投入使用。
届时将入驻企业85家,就业职工1. 2万人。
软件园四期将在现有天府软件园120万平方米载体和近600家软件企业入驻的基础上,继续引进壮大软件及服务外包产业集群。
大源商务商业核心区目前已开工金融、科技、商务集群项目10个,拟建项目11个,将继续重点引进现代商贸服务业、高端商业综合体和金融产业类项目,争取早日落地一批、开工一批、建成一批。
工作计划安排表(一)
周次起止时间工作安排执行部门
1 8.27—8.31 1、组织政治学习、校本培训
2、制订计划、备课、发书
3、进一步清理校园环境、安全隐患排查
校长室
教导处
总务处
2 9.3—9.7 1、开学,按课表上课
2、组织开学典礼,上好开学第一课
3、完善学校规章制度绩效考核细则
校长室
教导处
总务处
3 9.10—9.1
4 1、备课、计划,业务校内自查
2、开展推普周活动
3、庆祝教师节
校长室
总务处
4 9.17—9.21 1、少先队专题活动,队干调整
2、校内教研活动,办理新生学籍
3、经典古诗文诵读比赛、推普周活动
教导处
少先队
5 9.25—9.30 1、国防和爱国主义教育活动
2、校内公开课、业务月查
3、迎“国庆”板报评比
教导处
少先队
6 10.1—10.5 1、安排国庆假期值班
总务处
7 10.8—10.12 1、进一步净化、美化校园环境
2、少先队活动
3、开展小学生文明礼仪宣传普及主题活
动
总务处
少先队
8 10.15—10.19 1、班级管理经验交流会
2、开展“双走入”大家访活动
3、校内公开课
教导处
少先队
9 10.22—10.26 1、法制宣传教育
2、优秀作业展评
3、团队干专题会议
教导处
少先队
10 10.29—11.2 1、纪律安全教育
2、业务月查
3、校内教研活动
总务处
教导处
11 11.5—11.9 1、期中文化素质测试
2、校内运动会筹备、报名
教导处
少先队
12 11.12—11.16 1、开展校园文化周活动
2、校内教学大比武
3、期中颁奖家长会
教导处
少先队
13 11.19—11.23 1、召开班主任工作座谈会
2《小学生守则》《小学生日常行为规
范》教育
教导处
少先队
工作计划安排表(二)
周次起止时间工作安排执行部门
14 11.26—11.30 1、举行小学生运动会
2、公物检查评比、文明班级评比
3、优秀作业展评
4、业务月查
教导处
少先队
总务处
15 12.3—12.7 1、片级教研交流活动
2、“留守儿童”工作经验交流会
3、冬季长跑启动仪式
教导处
少先队
16 12.10—12.14 1、班级文化建设评比
2、师德师风交流会
3、冬防教育
校长室
总务处
教导处
17 12.17—12.21 1、开展学习竞赛活动
2、校内公开课
3、校内卫生评比
教导处
少先队
总务处
18 12.24—12.28 1、学困生转化经验交流会
2、爱国主义电影周
3、讲雷锋故事、践行雷锋精神
教导处
少先队
19 12.31—1.4 1、少先队专题活动优秀板报评比
2、庆祝“元旦
3、业务月查
教导处
少先队
20 1.7—1.11 1、深入开展“双走入”大家访活动
2、班班通教学经验交流会
3、手工制作比赛
教导处
少先队
21 1.14—1.18 1、召开学生家长代表座谈会
2、校园之星评比
3、公物检查评比
4、音体美随堂测试
总务处
少先队
教导处
22 1.21—1.25 1、期末家长会
2、完善学籍系统评语、学生成绩
3、组织期末文化素质测试
校长室
少先队
总务处
23 1.28—1.31 1、寒假安全教育
2、填写发放素质报告册
3、安排寒假值班护校
校长室
总务处
少先队。