奶泡机检验规范
- 格式:docx
- 大小:143.47 KB
- 文档页数:4
乳品机械设备安全操作规定随着生活水平的提高,乳制品需求量也在不断增加。
乳品机械设备是乳制品加工中重要的设备之一,是一项技术含量较高的工作,需要掌握一定的乳品机械设备安全操作规定。
1. 设备安全操作规定1.1 乳品机械设备必须维护良好,严禁存在有毁坏设备结构或仪器仪表的现象。
1.2 在清洗乳品机械设备之前,必须停机检查,确认设备处于安全状态后方可进行。
1.3 在使用乳品机械设备过程中,绝不能超负荷运转或超出设备的负载范围。
如果出现负荷过大的情况,应及时停机排除故障。
1.4 在使用乳品机械设备时,必须按照设备说明书,正确操作设备。
任何无名修改都是禁止的。
1.5 在清洗乳品机械设备时,必须关注清洗剂的浓度和使用方法。
一定要在设备停机时进行清洗,停机时间大约要半至一小时。
1.6 在清洗乳品机械设备之前,应将设备喷头等部件拆卸后清洗,随后才能进行内部清洗。
1.7 在使用乳品机械设备时,应该先进行试机检查,测试机器是否正常,设备是否可以正常运转。
1.8 在使用乳品机械设备时,应注意设备上的警示标志和告示牌,不得擅自篡改、拆除或移动。
2. 安全操作人员2.1 配备专门负责乳品机械设备安全管理的安全操作人员。
2.2 安全操作人员必须熟悉乳品机械设备的工作原理和操作规程,具有一定的知识和技能。
2.3 安全操作人员必须经过专业的安全培训和考核,具有操作证书和相关的资质证书。
2.4 安全操作人员必须定期进行安全检查和维护,及时发现和排除安全隐患。
2.5 安全操作人员必须加强安全意识,遵守规章制度,确保设备的稳定运行。
3. 安全防范措施3.1 在乳品机械设备上安装防护设备,防止工作对象的物体碰伤操作人员或砸坏设备。
3.2 外部人员必须在安全操作人员的指导下进入乳品机械设备厂房或使用乳品机械设备。
3.3 乳品机械设备必须放置在干燥通风并且环境整洁的地方,设备要与设备之间定时进行空气消毒,确保设备的卫生和安全。
3.4 在操作乳品机械设备时,应该注意个人的安全措施,穿戴好相关的工作服和工作鞋,不得穿拖鞋或受限制的衣着。
中小型牛奶加工设备安全操作规定为了确保中小型牛奶加工设备的正常运转和生产过程中的安全,制定以下安全操作规定:一、设备检查与维护1.每次使用前,应对设备进行检查,确认设备运行状态正常,各部件无异常磨损、裂纹或异响等情况。
2.每周至少进行一次全面检查,彻底检查冷却水、燃气、电力和液压系统,保持设备完好无损。
3.对于维修保养需求或异常情况应及时记录和处理,为之后的检查和维护提供支持。
4.工作结束后,清理设备外部的油脂和杂质,保持机器外部的清洁度。
二、安全操作1.操作人员应接受正规的培训并持有相应的资格证书,在操作前,应仔细阅读设备的使用手册,了解设备的结构、组成、运行原理和操作程序,严格按照操作程序进行操作。
2.在使用加工设备时要坚决遵守操作规定,严格禁止在设备运转中进行维修和拆卸。
3.使用电气设备和液压液力元器件时应定期检查,防止各种松动产生。
4.使用时应仔细观察加工设备的运行情况,遇到异响、温度增高等异常情况时应及时停机检查。
5.在使用中,应检查生产环境和工作区域是否满足使用要求,如有不满足的情况应立即纠正。
6.对于设备的初次安装和重新安装需求,应由正规的专业技术人员进行操作,禁止无资质的人员进行操作。
三、安全保障1.设备应选用质量可靠、效率高的中小型加工设备,并定期对设备进行保养保障工作的顺利进行。
2.工作场所应符合卫生、安全、环保要求,并应定期进行自查和疏导。
3.在设备使用时,工程师应认真执行紧急救援预案,保证设备的故障处置保障工作的顺利常态化处理。
四、结论中小型加工设备是企业经营和发展的基础设施,对使用安全和使用效率的保障非常重要。
必须严格依照设备使用和安全管理规定,保证设备的正常运转和工作环境的卫生安全,为企业的高效生产管理提升打下基础。
机械制造行业产品质量检验规范一、前言高质量的产品是机械制造行业的基石,而产品质量的检验则是保证产品符合标准和客户需求的重要手段。
本文将就机械制造行业的产品质量检验规范展开讨论,包括检验流程、方法和标准等方面的要求。
二、检验前准备2.1 检验计划在进行产品质量检验前,需要制定详细的检验计划。
检验计划应包括检验范围、检验方法、检验设备和工具的准备等内容。
检验计划的制定应根据产品的特点和客户要求进行,并及时调整以适应实际情况。
2.2 检验设备和工具为了保证检验的准确性和可靠性,需要准备适当的检验设备和工具。
这些设备和工具应当符合相关的国家标准和规定,并经过定期的校准和维护。
在使用检验设备和工具前,应进行检查和确认其状态良好。
三、产品质量检验步骤3.1 外观检查外观检查是产品质量检验的第一步,通过对产品外观的检查可以初步判断产品是否存在明显的缺陷或损伤。
外观检查应包括产品的色泽、形状、尺寸、表面光洁度等方面的要求,并将检查结果记录在检验报告中。
3.2 尺寸检验尺寸检验是产品质量检验的关键环节之一,对产品的关键尺寸进行准确的测量和判定能够直接反映产品的质量水平。
尺寸检验应采用适当的测量工具和方法,比如卡尺、游标卡尺、坐标测量机等,并按照相关的国家标准和规定进行操作和记录。
3.3 功能性能检验功能性能检验是产品质量检验的核心内容,通过检测产品的功能性能能够评估产品是否能够满足客户的需求和使用要求。
功能性能检验应采用适当的测试方法和设备,比如负载试验台、运行试验台等,并按照相关的国家标准和规定进行操作和记录。
3.4 耐久性检验耐久性检验是对产品的使用寿命和耐用性进行评估的重要手段。
耐久性检验应采用适当的试验装置和方法,比如疲劳试验机、振动试验台等,并按照相关的国家标准和规定进行操作和记录。
3.5 环境适应性检验环境适应性检验是对产品在不同环境条件下的适应性进行评估的重要手段。
环境适应性检验应采用适当的试验方法和设备,比如恒温恒湿试验箱、盐雾试验箱等,并按照相关的国家标准和规定进行操作和记录。
奶泡机标准
奶泡机的标准主要包括以下几点:
1.安全性:奶泡机必须符合相关的安全标准,如电气安全、防
火安全等。
2.卫生性:奶泡机的材料必须符合食品卫生标准,易于清洗,
不易滋生细菌。
3.效率性:奶泡机应能快速、均匀地制作奶泡,提高饮品制作
效率。
4.操作性:奶泡机的操作应简单易懂,方便用户使用。
5.耐用性:奶泡机应具有较高的耐用性,能够承受长时间的使
用和磨损。
6.节能性:奶泡机应具有节能性能,符合环保要求。
在购买奶泡机时,消费者应选择符合上述标准的产品,以确保使用安全、卫生、方便。
同时,也可以参考其他用户的评价和建议,选择适合自己的品牌和型号。
另外,还需要关注产品的售后服务和保修政策,以便在使用过程中出现问题时能够得到及时解决。
咖啡机检验标准规范文件一、外观检验。
1.1 整体检查。
咖啡机的外观得让人看着舒服,这就好比找对象,第一印象很重要。
外壳不能有明显的划痕、磕碰或者掉漆的地方。
咱就说啊,要是咖啡机一拿出来就坑坑洼洼的,就像一个人穿得破破烂烂去参加宴会,多不体面啊。
1.2 部件查看。
各个部件得装配得严丝合缝,不能有松松垮垮的情况。
就像盖房子,每块砖都得码得整整齐齐。
像水箱、滤网这些部件,不能有裂缝或者变形的问题。
要是水箱漏水,那可就像竹篮打水一场空,这咖啡机就没法好好工作了。
二、功能测试。
2.1 加热功能。
咖啡机加热得快,这是基本要求。
就像热锅炒豆子,得迅速热起来。
如果等了半天还没把水加热到合适的温度,那可真能把人急得像热锅上的蚂蚁。
而且温度要能稳定在合适的区间,不然咖啡的味道就像六月天穿皮袄,不是那个味儿了。
2.2 冲泡功能。
冲泡的时候,水流要均匀稳定。
这就好比涓涓细流,不能一会儿大一会儿小。
不均匀的水流冲出来的咖啡,口感就像夹生饭一样糟糕。
另外,滤网要能有效地过滤咖啡渣,要是喝到嘴里都是渣子,那可真让人倒胃口,就像吃菜吃到沙子一样难受。
2.3 其他功能。
如果咖啡机还有什么打奶泡之类的附加功能,那也得好用。
打出来的奶泡得细腻绵密,就像云朵一样。
要是奶泡粗糙得像老树皮,那做出的咖啡饮品可就大打折扣了。
三、安全检查。
3.1 电路安全。
咖啡机的电路必须安全可靠,可不能有漏电的情况。
这就像走在雷区一样危险。
电线也不能有破损或者暴露的地方,否则就像一颗定时炸弹,随时可能出问题。
3.2 操作安全。
在操作过程中,咖啡机不能有什么突然的危险动作。
比如突然喷水或者散出热气烫伤人,这要是发生了,就像捅了马蜂窝一样,会给使用者带来很大的麻烦和伤害。
总的来说,咖啡机检验就得像一个挑剔的食客检查食物一样细致,这样才能保证到消费者手里的咖啡机是好用又安全的。
乳制品检测设备管理制度第一章总则第一条为规范乳制品检测设备的管理,提高乳制品质量安全保障水平,根据国家有关法律法规,制定本制度。
第二条本制度适用于乳制品生产企业、乳制品检测机构及相关管理部门。
乳制品检测设备包括但不限于牛奶分析仪、奶站分析仪、牛奶化学分析仪、牛奶生化分析仪、乳品分析仪等。
第三条乳制品检测设备管理应遵循“先预防、后保障”的原则,确保乳制品检测设备的安全、稳定、准确使用,维护乳制品生产和质量安全。
第四条乳制品检测设备管理工作由相关管理部门负责监督执行。
第五条乳制品检测设备管理应遵循科学、合理、规范的原则,注重设备维护和保养,严格遵守操作规程,确保乳制品检测设备的安全、稳定和准确使用。
第六条乳制品检测设备管理应加强教育与培训,提高员工乳制品检测设备操作技能,确保设备的正确使用和安全维护。
第二章乳制品检测设备的购置第七条乳制品生产企业、乳制品检测机构及相关管理部门在购置乳制品检测设备时,应符合国家相关标准和规定。
第八条乳制品检测设备的购置应通过正规渠道购买,并签订合同,保留购置发票和其他相关凭证。
第九条乳制品检测设备的购置应符合质量要求,确保设备的精度和稳定性。
第十条新购乳制品检测设备应通过验收,验收合格后方可使用。
验收包括设备是否完好、运行是否正常等。
第十一条购置的乳制品检测设备应保留相应的使用说明书和产品合格证明,以备查询。
第三章乳制品检测设备的维护与保养第十二条乳制品检测设备的维护与保养分为日常维护和定期维护两种。
第十三条乳制品检测设备使用过程中,应配备专门的操作人员,操作人员要经过专业培训,掌握设备的基本使用和维护知识。
第十四条乳制品检测设备使用过程中,应按照使用说明书的要求,进行操作,禁止漫无目的的操作。
第十五条乳制品检测设备使用过程中,应及时清理设备表面的污垢及灰尘,确保设备清洁卫生,防止设备在运行中受到污染。
第十六条乳制品检测设备使用过程中,应按时对设备进行日常保养,保持设备的光滑度和稳定性。
食品饮料机械的质量标准及检验方法食品饮料机械的质量标准及检验方法随着人们生活水平的提高和对健康的重视,食品饮料机械在日常生活中扮演着重要的角色。
为了确保食品饮料机械的质量,保障用户的健康和安全,制定一套合理的质量标准及检验方法非常重要。
本文将从四个方面介绍食品饮料机械的质量标准及检验方法,分别是设计标准、材料标准、加工标准和安全标准。
一、设计标准食品饮料机械的设计标准主要包括结构设计、功能设计和外观设计。
在结构设计方面,机械应具有合理的结构布局,易于操作和维护。
在功能设计方面,机械应具备所需的功能,并能满足用户的需求。
在外观设计方面,机械应具有美观、耐用的外观,符合用户的审美需求。
二、材料标准食品饮料机械的材料标准主要包括机身材料、接触食品部分的材料和密封材料。
机身材料应具有足够的强度和刚性,能够承受机械的工作负荷。
接触食品部分的材料应符合食品安全标准,不产生对人体健康有害物质。
密封材料应具有良好的密封性能,确保机械的正常运行。
三、加工标准食品饮料机械的加工标准主要包括加工工艺和加工精度。
加工工艺应科学合理,能够实现机械的设计要求。
加工精度应符合设计要求,确保机械的正常运行和精确性能。
四、安全标准食品饮料机械的安全标准主要包括电气安全、机械安全和使用安全。
电气安全标准要求机械的电气部分采用符合国家标准的电气元件,具有过流、过压、漏电等安全保护装置。
机械安全标准要求机械的结构设计合理,不存在危险的棱角、尖锐物体等潜在伤害因素。
使用安全标准要求机械在正常操作时不应发生危险事故,需要标明使用方法、注意事项等使用说明。
食品饮料机械的检验方法主要有外观检验、尺寸检验、材料检验、功能检验和安全检验等。
外观检验主要针对机械的外观进行检查,检查是否有划痕、变形、脱漆等问题。
尺寸检验主要检查机械的各个部件的尺寸是否符合设计要求。
材料检验主要检查接触食品部分的材料是否符合食品安全标准。
功能检验主要检查机械的各种功能是否正常,能否达到设计要求。
乳品机械安全操作保养规定前言乳品机械是乳制品加工生产线的重要组成部分,其安全操作及保养对于保障生产线的正常运转、生产过程中的卫生质量具有重要意义。
本文档将介绍乳品机械的安全操作及保养规定,以提高生产效率、降低生产成本、保障生产安全。
一、机械安全操作规定1.机械操作前的准备在操作乳品机械之前,需要进行一定的准备工作,确保机械及其周边环境安全:1.确定任务:在操作前要明确任务,了解所需工作环节及操作规程。
2.检查机械:检查机械外部是否存在损坏、缺陷等问题,确保其外表无明显问题。
3.检查周边环境:检查机械所处环境是否有杂物、水源等污染问题。
4.检查操作人员:操作人员应在具备一定的机械操作技能的情况下,操作乳品机械。
2.机械操作中的注意事项在进行机械操作时,应特别注意以下事项:1.操作机械时应稳定:在操作乳品机械时,应稳定身体及手部,避免误操作。
2.遵守操作规程:按照操作规程进行机械操作,不得违反安全规定进行操作。
3.避免机械过载:在机械运转时应避免过载,一旦发现异常情况,应及时停止机械运转。
4.妥善保管使用工具:使用完毕的工具应及时清理、妥善保管,以防损坏或丢失。
5.避免操作杂音:操作时应避免不必要的讲话及杂音,以免干扰其他同事操作、影响生产。
6.禁止非法操作:非法操作机械、进行三分之二式操作等行为一律禁止。
3.机械操作后的整理工作在操作乳品机械之后,应及时进行机械清洗、清理等工作:1.机械清理:清除机械内外的杂物,确保机械干净卫生。
2.工具归位:将使用完毕的工具、材料归位,确保机械周边整洁。
3.操作记录:记录机械的操作时间、使用人员及操作工艺等信息,以便生产过程中发生问题时进行追溯。
二、机械保养规定1.日常保养为保障乳品机械正常运作,应定期对机械进行保养:1.定期清洗:定期对机械进行清洗,防止机械内外杂物滞留,保证产出的乳制品质量。
2.定期润滑:定期给机械及其部件涂抹润滑油,保证机械及其部件的正常使用寿命和性能。
豆奶粉包装机泡打粉包装机安全操作及保养规程一、前言豆奶粉包装机和泡打粉包装机是常用于食品加工厂等多种场合的机器,为保证生产安全和产品质量,我们需要严格遵守操作规程,同时对机器进行定期保养维护。
本文档介绍了豆奶粉包装机和泡打粉包装机的安全操作和保养规程,希望对您的工作生产有所帮助。
二、豆奶粉包装机安全操作1. 操作前检查每次使用豆奶粉包装机之前,需要进行以下检查:•检查机器是否有损坏或异物,如有需要及时清除并报修;•检查电源是否正常,手动检查所有电器元件是否紧固;•检查加热器和温控器是否正常,若有问题需要及时报修;•检查包装纸张是否合格,如有问题需要停机处理。
2. 操作中注意事项在豆奶粉包装机操作过程中,需要遵守以下注意事项:•操作前需要先将手洗干净并穿上车间制服,佩戴好手套、口罩和防护眼镜;•操作人员不得将手伸进机器内部,以防受伤;•不得随意开启或关闭机器,以防对机器造成损坏;•在操作过程中如遇到任何异常情况,如噪音、振动等,应立即停机处理。
3. 操作后注意事项操作结束后需要进行以下处理:•关闭电源,清理和检查机器是否有异物、损坏等,如有需要及时报修;•清理及更换机器内的各种润滑油,以保证机器长期正常运转;•更换包装材料。
三、豆奶粉包装机保养规程为保证豆奶粉包装机长期稳定运行,需要定期对机器进行保养维护:1. 润滑油更换润滑油起到机器齿轮和轴承的润滑作用,定期更换润滑油可以提高机器使用寿命。
每年至少更换一次润滑油,更换过程需要注意以下几点:•关闭机器电源,拆下润滑油盖,将润滑油放入盆中;•拆下机器润滑油的滤网,并清洗干净;•将新润滑油注入机器油箱中,同时加入适量的润滑脂,并搅拌均匀;•充分搅拌后,重新装上滤网和润滑油盖。
2. 清洗和保养食品接触部位豆奶粉包装机的主要使用目的是包装食品,因此它的食品接触部位需要经常清洗和保养。
具体操作如下:•断电;•用清水将机器表面和内部清洗干净,以防杂质继续残留;•用干净毛巾将机器内表面擦干,防止水分及沾污;•将机器撤离灰尘并保持环境干燥清洁。
乳制品厂泡沫清洗机主站安全操作规定
为了保障乳制品厂泡沫清洗机的安全性能,规范操作流程,保证生产环境的安全,特制定以下操作规定:
1. 泡沫清洗机的工作原理
泡沫清洗机是通过高速旋转的机械力以及空气压缩来产生稠密的泡沫,利用泡沫的缓冲和清洁作用,达到高效清洗。
乳制品厂泡沫清洗机主站的作用是将清洗液混合后喷洒在被清洗表面上,起到强力清洁作用。
操作人员应该了解清洗液的种类、使用方式、适用范围,确保清洗效果。
2. 操作前须知
2.1 操作前准备
•必须确保清洗液已准备完毕,清洗液的配比按照生产车间标准比例进行,必须在所需配比范围内进行。
•了解清洗液的成分,必要时需要配戴防护手套、口罩等防护物品,防止对人体产生危害。
•配置好泡沫清洗机,设备与电源电缆已进行适当绝缘,确保不会发生电气危险。
•保持清洗设备周围环境整洁,防止杂物堆积。
包装过程检验规定检具:米尺、方尺、水平尺测量,视检一、出厂检验为确保产品质量,保证产品出厂合格率达到质量目标要求,对产品出厂前检验做如下规定:1、对机组的外观进行检查,看机组板面、仪表盘是否有碰伤、划伤痕迹;若有要进行表面处理或更换仪表盘,并做好记录。
2、按机组的功能编写操作说明,并随机包装。
3、对机组的性能检验要符合企业标准,并确认达到该机组检测技术要求。
4、每台机组应按有关规定进行包装、标识。
经检验员检验合格,并附上质量检验合格证后,方可出厂。
二、标志规定1、每台机组在明显部位固定铭牌,铭牌用耐腐蚀、耐氧化的铝制铭牌,内容要注明以下项目:①制造单位、商标②产品名称、型号③主要技术性能参数④出厂编号⑤制造日期2、机组的操作说明包括:①机组的名称、型号,适用条件、执行标准、噪声②工作原理③主要技术参数④外形图、电气原理图、接线图⑤安装说明,维护保养项目⑥主要部件的名称等项目3、产品合格证要注明:①机组的型号、名称②出厂编号③产品商标④检验结论⑤检验员签章及日期4、以上资料填写装箱单,并随机组包装二、包装规定1、机组包装前做好清洁处理,表面干燥整洁。
2、机组用塑料布包裹,并用透明胶带纸包扎,防止在运输过程中淋雨,受潮。
3、机组底座用180M螺栓与枕木固定,以免机组在运输过程中与车厢发生相16⨯对移动,发生碰撞。
4、机组用刨花板和20mm厚木板钉箱打包,并用钢带扎紧,防止包装箱变形,内衬20mm泡沫板,防止刨花板划伤机组表面。
螺杆机不用木箱包装,用塑料布做简易包装,以防雨淋即可。
5、包装箱上应印制下列标志,且清晰准确:①制造单位②接收单位和地址③产品名称、型号④产品重量⑤外形尺寸⑥“向上”、“防雨”⑦禁止:“倾斜”、“翻到”,强烈震动等标识。
奶制品检测仪器技术规范
奶制品依旧面临着一些问题,这些问题可能是商家利益导致的,也可能是发展背景引起的,但都会引出一个词——营养价值。
以牛奶为例,目前市面上主流的牛奶有两类,分别是巴氏杀菌奶和常温纯牛奶,而巴氏杀菌奶就是我们传统观念中熟悉的鲜牛奶。
事实上,如果单从喝的角度来说,两者口感上的差距并不大,但是如果讨论营养价值,就有着明显的区别了。
首先,两种牛奶在处理工艺上有明显的区别,巴氏杀菌奶是采用巴氏消毒法加工生产的牛奶,而这种加工方法可以在不损失牛奶中的有效营养成分情况下杀死牛奶中可能存在的有害微生物,不过仍会存在一定的菌类,因此需要低温保存,且保存时间不长;而常温纯牛奶使用的是139到142摄氏度的高温进行杀菌,杀菌更加彻底,因此可以常温保存且、保存时间较长,但是由于高温同样会损伤免疫蛋白、乳铁蛋白等营养成分,因此营养价值远不如巴氏杀菌奶。
而从发展的角度来说,其实早期我们喝的奶是以巴氏杀菌奶为主的,但是由于一些品牌的挤压竞争,导致巴氏杀菌奶一度受到常温纯牛奶的挤压,直到最近晚上科普新内容的推广才再次被大众注意到,并了解到它的好。
但这同样也刺激了检测产业的推进。
由于巴氏杀菌奶从工艺上来说,对于奶制品的品质要求更高,因此比起常温纯牛奶,细菌等微生物检测上需要投入的经历也更多。
因此对于检测时候仪器的精度和准度要求自然也更高。
不过好在这些年食
安检测类的仪器发展同样迅速,想要准确完成牛奶安全的界定也并非难事了。
此外,不同的乳制品根据标准的不同,检测的工艺用到的仪器设备也都不同,不过总体上来说,随着相关安全知识的科普,乳制品规范的完善以及相关检测仪器的不断发展,如今的乳制品市场,总体上是安全且丰富的。
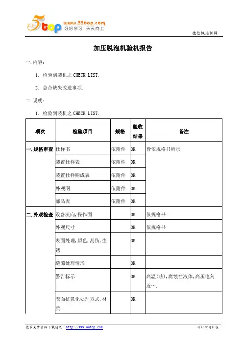
适用型号:MF 6305
抽样标准:GB2828.1/2003 AQL:CRITICAL A C=0 R e=1 MAJOR=1.0% MINOR=2.5%
序号项目检验标准
检验
方法
等级
检验
数量
一包
装
内
容
1.卡通箱
拉尺
测量
MAJ GⅡ
2.彩盒视检MAJ GⅡ
3.说明书视检MAJ GⅡ
4.卡通唛视检MAJ GⅡ
二功
能
1.上機身放在底座上可360度順暢地轉也不影響運作视检MAJ GⅡ
2.煮奶時,奶溫達到60-70℃溫度達到能自動斷電,留意攪拌棒
轉動是否順暢. (用水測試,水温7℃±1℃)
测试MAJ GⅡ
3.電源開關制要順暢视检MAJ GⅡ
4.檢查熱打奶泡/熱攪拌/冷打奶泡/冷攪拌功能是否正常视检MAJ GⅡ
5.檢查熱打紅燈/冷打藍燈是否均勻视检MAJ GⅡ
6.隨手放攪拌棒必須固定在杯的中心點视检MAJ GⅡ
7.檢查攪拌棒是否順利固定在奶杯內臂视检MAJ GⅡ
8.檢查攪拌棒是否可立於杯蓋上(由磁石固定),並輕易取下视检MAJ GⅡ
9.檢查攪拌彈簧圈是否可獨立存放杯蓋上视检MAJ GⅡ
10.檢查攪拌彈簧圈是否可順利裝上/去下视检MAJ GⅡ
11.在230V的电压下干烧,奶杯旋转360°不断电,发热管30
秒内自动跳制断开
测试MAJ GⅡ
12.在220V-240V的电压下用水或奶测试,功率在450W-525W内测试MAJ GⅡ
13.攪拌轉速測試: 空載,2500-3400rpm 测试MAJ5PCS
14.噪音測試: 負載,最大水位(用水測試) <60dB,距離30CM 测试MAJ5PCS
15.
a.额定電壓:230V,熱打奶泡功能:將脂肪含量為1.5%,溫度為
7℃的奶倒入打奶機分別至最大容量和最小容量,然後開機,打
奶完成後
奶溫不超過70℃.打奶效果,泡沫比例必須占奶泡總體積的2/3
或以上,奶最多占奶泡總體積的1/3。
b. 冷打奶泡功能:將脂肪含量為1.5%,溫度為7℃的奶倒入打
奶機至最大容量,然後開機,打奶完成後打奶效果,泡沫比例必
須占奶泡總體積的2/3或以上,奶最多占奶泡總體積1/3.
c. 熱奶功能. 將脂肪含量為1.5%,溫度為7℃的奶倒入打奶機
至最大容量,然後開機加熱自動斷電時的溫度為65±5℃,
测试MAJ3PCS
16.低電壓0.94倍測試可正常工作(216V) 测试MAJ2PCS
17.高電壓1.15倍測試可以正常工作乾燒自動斷電後,保險絲不
能斷開,(256V)
测试MAJ2PCS 18. 在MAX(最大)線下,檢查主機在直放時的最高水位重量是
否在230-270克
测试MAJ 3PCS 19.在Min(第二)線下,檢查主機在直放時的最高水位是否在
140-160ml
测试MAJ 3PCS
20.電源線長度: 80cm+5cm/- 0cm(不包含插頭) 测量MAJ 5PCS
21.主機重量:723g以上测量MAJ 5PCS
22.機身尺寸: 107×200mm 测量MAJ 2PCS
23.攪拌頭拉力測試≥2kg 测量MAJ 2PCS
24.攪拌圈彈黃圈數30pcs 目测MAJ 2PCS
三全安1.a.耐壓測試為1800V AC/1mA/5s(冷打)
b.耐壓測試:1800V/1mA/5s(熱打)
测试MAJ GⅡ2.洩漏電流: 額定電額 1.06倍工作: 230*1.06=243.8V.
洩漏電流少於 0.75mA
测试MIN GⅡ
3.接地電阻: <0.1ohm(連電源線<0.2ohm). 测试CRI GⅡ
4.電源綫拉力:
Requirement電源線拉力規格
Machine Weight/機器重量1-4kg
Force/拉力值6kg
Pulling 6kg in every second for 25 times. Power Cord should not be
loosen, no >2mm displacement, no electrical functioning problems.
電源線拉力6kg,每秒拉放一次.累計拉25次,要求:線檔不能松脫,
電源線位移不得大於2mm,電氣性能合格.
测试CRI 2PCS
5.螺絲扭力測試
Screw
Outer Dia.
(mm)
d<=2.8 2.8<d<=3.
3.0<d<=3.
2
3.2<d<=3.
6
3.6<d<=
4.
1
Screw
Torque
(kgf.cm)
4 5 6 8 12
测试MAJ2PCS
6.將溫控器短路,在煲內無水的情況下通入254Vac直至燒斷
fuse b.不能產生明顯的火焰和熔融金屬,拆機檢查發熱管不
能燒斷(測量保險絲斷開時的溫度不能超過375℃)
测试MAJ1PCS
7.熱飲料或熱奶泡過程中,無論任何條件下若工作時間到210S,
控制線露強制停止發熱和電機工作,LED燈熄滅.
测试MAJ1PCS
8.塑膠表面溫升不能超過60 K 测量MAJ2pcs
9.金屬表面溫升不能超過45 K 测量MAJ 2PCS
10.a.機內的引線連接不能錯,螺絲有打緊,銅線不能露出.
b.端子拉力≥2.5kg
目测MAJ 5PCS
c.連接底板發熱線,不能用錫點連接
d.拆開BS插頭檢查,保險絲不能用錯,保險絲夾要夾緊
11.電器間隙: 基本絕緣: 4mm.
爬電距離: 基本絕緣: 8mm.
测量MAJ 5PCS
12.正機用10N力在玻璃面上推,不能移位测试MAJ 2PCS
13.底座手指測試,用50 N的力推底蓋與底座連接位置,手指不
能接觸安全部分
测试MAJ 2PCS 14.按鈕手指測試, 用10 N的力推按鈕, 手指不能接觸安全部
分
测试NAJ 2PCS
15.奶杯用5%的鹽水測試24小時,不能有鏽漬测试MAJ 2PCS
16.底蓋衝擊測試,0.5J衝擊錘,在三個不同的位置,不良長度接
受3mm,發現不良長度4 mm重新測試
测试MAJ 2PCS
17.每台機至少有一個防拆螺絲目测MAJ GⅡ
18.擺在15°斜度面,不能翻倒测试MIN 2PCS
19.奶杯噴油硬度測試,用2H圓筆,推50次,油不能松起测试MAJ 2PCS
20.奶杯做百格測試测试MAJ 2PCS
四
外
观1.絲印採用75%酒精和3M膠紙測試,不允許有脫落現象,(注:絲
印不能在分模線)
测试MIN 3PCS
2.零件與零件間沒有明顯離縫视检MIN GⅡ
3.底座及大身不可有凹陷, 花痕, 披鋒口,生銹.视检MIN GⅡ
4.塑膠件不能有縮水,披鋒,破裂,刮花或汙等現象视检MIN GⅡ
5.檢查大身外殼是否扣到位视检MIN GⅡ
6.檢查所有絲印要清楚视检MIN GⅡ
7.所有塑膠噴油要均勻视检MIN GⅡ
8.所有塑膠要有材料麥视检MIN 2PCS
9.底座繞電源線是否順暢,出線口不能有批鋒,视检MIN GⅡ
五标识所有字唛跟簽板视检MAJ GⅡ
六包
装
注
意
事
项
1.跌落测试:产品不可以有破损、变形、损坏、功能失常,外
包装不可有破损、严重变形
外箱重量跌落高度
次序:一角、三边、六面,
跌落后检查功能及外观
是否正常
0.45-9.52kg 76cm
9.53-18.59kg 61cm
18.6-27.66kg 46cm
27.67-45.36k
g
31cm
测试MAJ 2PCS
2.膠袋印有環保PE mark,警告語言/並打孔视检MAJ GⅡ
3.量度卡通箱實際尺寸及重量是否側麥尺寸相同尺量MAJ GⅡ
G Ⅱ七外
箱
1.内容要相符视检MAJ GⅡ
2.印刷要清楚视检MAJ GⅡ
3.不能打钉视检MAJ GⅡ
八彩
盒1.彩盒印刷内容跟簽板视检MAJ GⅡ
2.彩盒印刷要清楚视检MAJ GⅡ
3.颜色跟簽板一致视检MAJ GⅡ
4.彩盒不能汙/花/尘视检MAJ GⅡ
九说明
书
1.說明書印刷要清楚,內容/ 顏色跟簽板,不能有汙视检MAJ GⅡ。