营运客车类型划分及等级评定(JTT325-2010)
- 格式:doc
- 大小:160.50 KB
- 文档页数:10
《营运客车类型划分及等级评定》(JT/T325-2013)宣贯培训内容一、依法落实营运客车类型等级审查评定和燃料消耗量审核达标规定▲1客运经营企业:选购客车,应保障客车营运性能、安全性能和燃料消耗符合国家规定的基础性技术要求。
---客运经营者应该执行交通运输部有关规章,选购符合《营运客车类型划分及等级评定》标准及交通运输主管部门评审发布的车型;选购符合《营运客车燃料消耗量限值及测量方法》标准及交通运输主管部门公布的营运客车燃料消耗量达标车型。
▲2运输管理机构:客车评审,应按照交通行业标准及交通运输部规定,落实营运客车市场准入和车辆技术监督管理基础工作。
---运输管理机构必须依据交通运输部有关规章和《营运客车类型划分及等级评定》标准要求,落实营运客车配发证件前的客车等级评定和年度类型等级复核;依据交通运输部有关规章和《营运客车燃料消耗量限值及测量方法》,拒绝道路运输车辆燃料消耗量不达标车型进入道路运输市场。
▲3 交通运输部有关规章《道路旅客运输及客运站管理规定》(交通运输部2012年第8号令)《道路运输车辆燃料消耗量检测和监督管理办法》(交通运输部2009年第11号令)二、《营运客车类型划分及等级评定》修订简介▲1《营运客车类型划分及等级评定(JT/T325)》自1997年发布至今,将取代旧版本的JT/T325-2013已经是第5次修订。
◆典型客车第1批至7批按照JT/T325-1997评审发布,所发布的车型等级于2004年6月30日废止执行。
◆高级客车第8批至13批按照JT/T325-2002评审发布,所发布的车型等级于2007年6月30日废止执行。
◆高级客车第14批至20批按照JT/T325-2004评审发布,所发布的车型等级于2008年6月30日废止执行。
◆高级客车第21批至37批按照JT/T325-2006评审发布, 目前有效,自2014年废止执行。
《陕西省运管局关于贯彻执行《营运客车类型划分及等级评定(JT/T325-2010)》的通知》(陕交运发[2011]32号),对按照325-2006标准发布的车型在325-2010标准实施后有具体规定。
附件1
JT/T 325-2013《营运客车类型划分及等级评定》
第1号修改单
一、增加8.1.22条,如下:
纯电动客车及混合动力客车应装配有动力电池箱专用自动灭火装置,地板铺盖物材料应具有阻燃性,其阻燃性应符合GB8624中5.1.2铺地材料B1—B级,s1-t0燃烧性能要求,氧指数应大于或等于30%。
二、增加8.1.23条,如下:
混合动力客车采用40km/h等速法测试的纯电动工况续驶里程应不小于50km;纯电动客车采用40km/h等速法测试的纯电动工况续驶里程应不小于200km(超级电容、钛酸锂快充纯电动客车除外)。
三、增加8.1.24条,如下:
纯电动客车及混合动力客车动力电池系统总质量与整车整备质量的比值不大于20%。
四、将表4营运客车等级评定性能指标的脚注a、f、k修改如下:
a前置车发动机机舱在客舱外,且在车外设舱盖时,可视为中、后置。
纯电动客车对发动机位置不做要求。
f比功率等于发动机额定功率与最大设计总质量之比。
纯电动客车及混合动力客车对比功率不做要求。
k特大型高级双层客车的行李舱容积为同等级单层客车的50%,燃气客车的行李舱容积为同等级燃油客车的50%,纯电动客车的行李
舱容积为同等级燃油客车的25%。
特大型(卧铺)营运客车类型等级评定(复核)表
特大型(座式)营运客车类型等级评定(复核)表
注:座椅汽车安全带为全部座椅。
大型(卧铺)营运客车类型等级评定(复核)表
大型(座式)营运客车类型等级评定(复核)表
中型(座式)营运客车类型等级评定(复核)表
注:座椅汽车安全带为全部座椅。
重庆市道路运输管理局制小型(座式)营运客车类型等级评定(复核)表
注:1、车长不大于5.5m时,可不设车内行李架;2、座椅汽车安全带为全部座椅。
重庆市道路运输管理局制(注:可编辑下载,若有不当之处,请指正,谢谢!)。
JT/T325-2010标准(营运客车类型划分及等级评定)一、JT/T325标准实施概况:1、本标准的历次发布情况:JT/T325-1997、JT/T325-2002、JT/T325-2004、JT/T325-2006、JT/T325-2010;2、自2000年9月交通部发布“第1批高级客车类型划分及等级评定表”以来,至2011年2月已发发布了三十七批评定表(第38批正在申报中);二、类型划分和等级划分2、等级划分:特大型客车等级评定性能指标大型客车等级评定性能指标中型客车等级评定性能指标卧铺客车等级评定必要条件8.2.2.1 卧铺客车等级评定应符合8.2.1规定(座椅、行李舱容积、车内行李架等除外),卧铺尺寸按GB/T 16887测量,并应符合表5规定。
8.2.2.2 卧铺客车中卧铺类型应相同,采用平铺或半躺不可调式,且不得设置折叠铺及混装两种类型卧铺。
8.2.2.3 在驾驶区、踏步间及其他服务设施(卫生间等)上方空间内不得设置卧铺(低驾驶区上方有顶板车型除外)。
8.2.2.4 卧铺的支撑杆件、扶梯及护栏等金属件表面应采用软性材料包覆。
8.2.2.5 高、中级卧铺客车上下铺间的空调气流应均布,且人均换气量大于同等级座位客车的30%。
8.2.2.6 卧铺客车行李舱容积规定见表6。
表5 卧铺规格尺寸表6 行李舱容积单位为立方米/人8.2.2.7卧铺客车应安装杀菌、消除有害气体的空气净化装置,其通风量应不小于人均10m3/h。
8.2.2.8卧铺客车卧具空间布置应不大于二层。
8.2.2.9卧铺客车车身应为全承载式结构。
8.2.2.10卧铺客车应采用无内胎子午线轮胎。
特大型双层公路客车等级评定必要条件特大型双层公路客车等级评定除了符合8.2.1规定外,还应符合:等级为高级;前桥、随动桥为独立式结构;传动系中应装备液力缓行器,并在全承载式车身中设置前后楼梯,车身结构应符合GB/T19950的规定。
交通运输部关于贯彻落实交通行业标准《营运客车类型划分及等级评定》(JT/T 325―2013)的通知文章属性•【制定机关】交通运输部•【公布日期】2013.07.29•【文号】交运发[2013]448号•【施行日期】2013.07.29•【效力等级】部门规范性文件•【时效性】现行有效•【主题分类】交通运输综合规定正文交通运输部关于贯彻落实交通行业标准《营运客车类型划分及等级评定》(JT/T 325-2013)的通知(交运发﹝2013﹞448号)各省、自治区、直辖市、新疆生产建设兵团交通运输厅(局、委),上海市、天津市交通运输和港口管理局:交通行业标准《营运客车类型划分及等级评定》(JT/T 325)作为交通运输部门对道路客运车辆实施管理的重要基础性标准,多年来对推动道路客运装备技术进步、规范道路客运市场经营秩序、不断改善道路客运安全和服务质量发挥了重要作用。
日前,新修订的《营运客车类型划分及等级评定》(JT/T 325-2013)标准已正式发布实施。
为积极稳妥地做好该标准的贯彻实施工作,现就有关工作提出如下要求:一、充分认识贯彻实施JT/T 325-2013标准的重要意义近来,部结合当前道路客运安全新形势和提高客运服务质量的新要求,在落实道路客运安全管理制度,进一步提升道路客运服务能力等方面采取了一系列措施,相继出台了多项管理制度和标准规范,JT/T 325-2013标准作为主要的一项标准,对各类等级客车的安全性、节能环保、舒适性等相关配置和性能指标适时提出了更高的要求。
认真贯彻落实JT/T 325-2013标准,将有利于促进道路客运车辆技术升级,引导我国客车产业健康发展,有利于确保道路客运安全管理制度的落实,有利于不断提高道路客运服务质量,有利于保持道路客运业可持续发展的能力。
因此,各地交通运输部门、道路运输管理机构以及各相关客车生产企业,要从保障道路旅客生命安全、促进道路客运业可持续发展、推动我国客车产业升级的高度,深刻认识和理解实施JT/T 325-2013标准的重要意义。
《营运客车类型划分及等级评定》JT/T325-2010版标准宣贯12主要内容JT/T325标准实施概况32实施JT/T325标准的效果和社会意义3z JT/T325标准,全名《营运客车类型划分及等级评定》,是交通运输行业推荐性技术标准.交通运输主管部门对从事班线、租赁、旅游及出租等经营性客车的性能及服务配置,要求必须符合本标准规定,这时标准具有强制性.JT/T325标准实施概况3z该标准于1996年由部公路司组织制定,1997年由交通部发布了JT/T325-1997”营运客车类型划分及等级评定”标准,至今已有13年.z2000年交通部公路司委托中国公路学会客车分会按JT/T325标准开展营运客车评定等级及技术支持工作.45z JT/T325标准,自1997 年实施以来,经过四次重大修改,共形成了1997、2002、2004、2006及2010版。
自2010年11月1日起执行2010版。
2000年8月交通部发布”第一批高级客车类型划分及等级评定表”以来,至2010年10月发布了三十六批高级客车评定表。
申报高级客车的企业累计120多家,共发布4885个高级客车车型.其中21-36批为有效车型,数量为1922个。
中级客车网上公布的有效车型也有1685个。
61、推动了公路客运车辆的技术水平提升,加快了客车类型和等级结构调整的步伐.z 公路总量持续增长,截止2009年底,全国公路总里程386.08万公里,其中高速公路6.51万公里.2009年底,全国公路营运汽车达1087.35万辆,同比增加16.8%.z 其中载客汽车180.79万辆,2799.71万客位,同比分别增加6.6%、9.3%.2实施JT/T325标准的效果和社会意义71996年-2009年载客汽车数量增长情况1807900722324100000400000700000100000013000001600000190000019961997199819992000200120022003200420052006200720082009等级营运客车结构调整情况z2010年客车学会统计1-9月份各类客车销售148401辆,同比增长32.19%.其中各类高级客车30371辆,同比增长51.76%,特别是高一级客车增加了95.95%。
营运客车类型划分及等级评定规则【法规类别】铁路运输【发文字号】交公路发[2002]590号【发布部门】交通部(已撤销)【发布日期】2002.12.10【实施日期】2002.12.10【时效性】现行有效【效力级别】部门规范性文件营运客车类型划分及等级评定规则(2002年12月10日交通部交公路发[2002]590号文印发)第一条为加强道路运输车辆技术管理和营运客车类型划分及等级评定工作,推动营运客车结构调整和技术进步,规范营运客车类型划分及等级评定行为,为客运线路审批、客运企业资质评定和核定运价提供依据,根据国家有关法律法规和汽车产业政策,制定本规则。
第二条在中华人民共和国境内从事营业性道路旅客运输的客车(包括国产和进口客车)的类型划分及等级评定工作适用本规则。
第三条营运客车类型划分及等级评定工作应当遵循客车生产企业自愿、交通主管部门组织、专家评定、分级管理的原则,公平、公开、公正地进行。
第四条凡产品已列入国家经贸委核准的汽车产品公告的企业,对现销售及拟投放道路旅客运输市场的客车,均可自愿申请客车等级评定。
进口客车的生产企业或者其代理商自愿申请客车等级评定的,参照本规则执行。
第五条交通部主管全国营运客车类型划分及等级评定工作。
地(市)级以上交通主管部门主管本行政区域内营运客车类型划分及等级评定工作,其所属的道路运政管理机构负责组织实施。
第六条交通部负责国产或进口高级客车的类型划分及等级评定工作,并向社会发布《高级客车类型划分及等级评定表》。
省级交通主管部门或其所属的道路运政管理机构负责本行政区域内生产的或进口的中级客车的类型划分及等级评定工作,并在本行政区域内发布《中级客车类型划分及等级评定表》。
省级交通主管部门在本行政区域内发布《中级客车类型划分及等级评定表》时,应同时抄报交通部并抄送全国其他各省、自治区、直辖市交通主管部门。
其他各省、自治区、直辖市交通主管部门对该省交通主管部门发布的《中级客车类型划分及等级评定表》应当予以认可,不得重复进行中级客车类型划分及等级评定。
营运客车类型划分及等级评定Type dividing and class rating forCommercial motor-vehicles of passengertransport中华人民共和国交通行业标准(JT/T 325—2004)代替JT/T 325—2002 2004-11-12 中华人民共和国交通部发布前言本标准代替JT/T325-2002《营运客车类型划分及等级评定》。
本标与JT/T325-2002的主要差异如下:1. 根据GB 7258-2004《机动车运行安全技术条件》及GB 1589-2004《道路车辆外廓尺寸、轴荷及质量限值》修改或增补下列评级指标:营运客车安装ABS、行驶记录仪、车外顶行李架、汽车安全带、匀速(50km/h)行驶车内噪声及特大型营运客车;2. 增加了一些条款的具体要求或规定:车身承载式结构、复合悬架、比功率及人均通风量计算等;3. 修改了高级卧铺客车卧铺布置及各部位尺寸的规定;4. 新增了特大、大型高三、高二级的客车“在底盘动力总成间配置CAN总线”;5. 表格中减少文字叙述内容。
本标准由交通部公路司提出并归口。
本标准主要起草单位:中国公路学会客车分会、中国公路车辆机械总公司、吉林大学交通学院、南京依维柯汽车有限公司及常州公路运输有限公司。
本标准主要起草人:王金铭、孟秋、王云耀、蔡团结、吴明、谢星、李显生。
本标准所代替标准的历次发布情况为:JT/T325-1997,JT/T325-2002 。
营运客车类型划分及等级评定1 范围本标准规定了营运客车类型、等级划分及评定内容、规则和条件。
本标准适用于在道路上使用的经营性客车。
是交通管理部门对其评级的依据。
2 规范性引用文件下列文件中的条款通过在本标准中引用而成为本标准的条款。
凡是注日期的引用文件,其随后所有的修订单(不包括勘误的内容)或修订版均不适用于本准则,然而,鼓励根据本标准达成协议的各方研究是否可使用这些文件的最新版本。
JT/T325-2010标准(营运客车类型划分及等级评定)一、JT/T325标准实施概况:1、本标准的历次发布情况:JT/T325-1997、JT/T325-2002、JT/T325-2004、JT/T325-2006、JT/T325-2010;2、自2000年9月交通部发布“第1批高级客车类型划分及等级评定表”以来,至2011年2月已发发布了三十七批评定表(第38批正在申报中);二、类型划分和等级划分2、等级划分:特大型客车等级评定性能指标大型客车等级评定性能指标中型客车等级评定性能指标卧铺客车等级评定必要条件8.2.2.1 卧铺客车等级评定应符合8.2.1规定(座椅、行李舱容积、车内行李架等除外),卧铺尺寸按GB/T 16887测量,并应符合表5规定。
8.2.2.2 卧铺客车中卧铺类型应相同,采用平铺或半躺不可调式,且不得设置折叠铺及混装两种类型卧铺。
8.2.2.3 在驾驶区、踏步间及其他服务设施(卫生间等)上方空间内不得设置卧铺(低驾驶区上方有顶板车型除外)。
8.2.2.4 卧铺的支撑杆件、扶梯及护栏等金属件表面应采用软性材料包覆。
8.2.2.5 高、中级卧铺客车上下铺间的空调气流应均布,且人均换气量大于同等级座位客车的30%。
8.2.2.6 卧铺客车行李舱容积规定见表6。
表5 卧铺规格尺寸表6 行李舱容积单位为立方米/人8.2.2.7卧铺客车应安装杀菌、消除有害气体的空气净化装置,其通风量应不小于人均10m3/h。
8.2.2.8卧铺客车卧具空间布置应不大于二层。
8.2.2.9卧铺客车车身应为全承载式结构。
8.2.2.10卧铺客车应采用无内胎子午线轮胎。
特大型双层公路客车等级评定必要条件特大型双层公路客车等级评定除了符合8.2.1规定外,还应符合:等级为高级;前桥、随动桥为独立式结构;传动系中应装备液力缓行器,并在全承载式车身中设置前后楼梯,车身结构应符合GB/T19950的规定。
JT_T325-2010营运客车等级划分标准JT/T325—2004 JT中华人民共和国交通行业标准JT/T 325-代替JT/T 325-2006营运客车类型划分及等级评定Type dividing and class rating forcommercial motor-vehicles of passenger transport(2010年修订征求意见稿)发布实施JT/T 325-中华人民共和国交通部发布1JT/T 325-营运客车类型划分及等级评定 1 范围本标准规定了营运客车术语、类型划分、等级划分及评定内容、规则和要求。
本标准适用于经营性的公路客车和公共汽车,是交通管理部门对其评级的依据,旅游客车等可参照采用。
2 规范性引用文件下列文件中的条款通过在本标准中引用而成为本标准的条款。
凡是注日期的引用文件,其随后所有的修订单(不包括勘误的内容)或修订版均不适用于本标准。
然而,鼓励根据本标准达成协议的各方研究是否可使用这些文件的最新版本。
凡是不注日期的引用文件,其最新版本适用于本标准。
GB 1589 道路车辆外廓尺寸、轴荷及质量限值GB 7258 机动车运行安全技术条件GB 8410 汽车内饰材料阻燃性能GB 12676 汽车制动系结构、性能和试验方法GB 13094 客车结构安全要求GB/T 19950 双层客车结构安全要求GB 13594 汽车防抱制动系统性能要求和试验GB/T 16887 卧铺客车技术条件GB 17691 车用压燃式发动机排气污染物排放限值及测量方法GB 18352.3 轻型汽车污染物排放限值及测量方法(中国?,?阶段) GB 18565 营运车辆综合性能要求和检验方法2JT/T 325-GB/T 19056 汽车行驶记录仪GB/T 19239 液化石油气汽车专用装置的安装要求GB/T19240 压缩天然气汽车专用装置的安装要求GB/T19754 重型混合动力电动车能量消耗量试验方法JT/T 198 汽车技术等级评定标准JT 711 营运客车燃料消耗量限值及测量方法QC/T 476 客车防雨密封性限值QC/T 633 客车座椅QC/T 777 汽车电磁风扇汽离合器技术条件3 术语和定义下列术语和定义适用于本标准。
营运客车类型划分及等级评定(JT/T325-2010)1 围本标准规定了营运客车类型、等级划分及评定容、规则和条件。
本标准适用于在道路上使用的经营性客车。
是交通管理部门对其评级的依据。
2 规性引用文件下列文件中的条款通过在本标准中引用而成为本标准的条款。
凡是注日期的引用文件,其随后所有的修订单(不包括勘误的容)或修订版均不适用于本准则,然而,鼓励根据本标准达成协议的各方研究是否可使用这些文件的最新版本。
凡是不注日期的引用文件,其最新版本适用于本标准。
GB/T 4780汽车车身术语GB 8410汽车饰材料阻燃性能GB 13094客车结构安全要求GB 13594汽车防抱制动系统性能要求和试验方法GB/T 16887卧铺客车技术条件GB 17691车用压燃式发动机排气污染物排放限值及测量方法GB 18352.1轻型汽车污染物排放限值及测量方法(Ⅰ)GB 18352.2轻型汽车污染物排放限值及测量方法(Ⅱ)GB 18565营运车辆综合性能要求和检验方法JT/T 198—1995汽车技术等级评定标准QC/T 476—1990客车防雨密封性限值QC/T 633-2000客车座椅3 术语和定义下列术语和定义适用于本标准。
3.1 营运客车Commercial motor-vehicles of passenger transport用于营业性旅客运输的汽车。
4 类型划分营运客车分为客车及轿车两类。
4.1客车按车身长度分为大型客车、中型客车和小型客车三种。
见表1。
表 1 单位:m5 等级划分等级划分见表2表 26 等级评定容6.1 客车主要评定:客车结构与底盘配置:动力性;安全性;舒适性(车噪声、空气调节、乘客座椅(卧铺))及服务设施等;6.2 轿车主要评定:发动机排量、空气调节与控制、卫星定位系统及行舱容积等。
7 等级评定规则7.1 第8章规定的所有评定指标均为必要条件。
7.2 新车等级评定客车生产企业开发的新产品,根据该生产企业提供的技术文件及实车检测结果,依第8章规定评定等级,以“评定表”形式发布。
山东省交通运输厅关于印发山东省营运客车类型划分及等级评定规则的通知正文:----------------------------------------------------------------------------------------------------------------------------------------------------山东省交通运输厅关于印发山东省营运客车类型划分及等级评定规则的通知鲁交运〔2018〕3号各市交通运输委(局):现将《山东省营运客车类型划分及等级评定规则》印发给你们,请认真贯彻执行。
山东省交通运输厅2018年3月26日山东省营运客车类型划分及等级评定规则第一条为了加强道路运输车辆技术管理和营运客车类型划分及等级评定工作,推动营运客车结构调整和技术进步,规范营运客车类型划分及等级评定工作,根据交通运输部《道路运输车辆技术管理规定》《营运客车类型划分及等级评定规则》等有关规定,制定本规则。
第二条在本省行政区域区内从事道路旅客运输经营的客车(包括国产和进口客车)的类型划分及等级评定工作适用本规则。
第三条凡产品已列入国家工业和信息化部核准的汽车产品公告的企业,对现销售及拟投放道路旅客运输市场的客车,均应当申请客车类型划分及等级评定。
第四条营运客车类型划分及等级评定工作应当遵循自愿申请、专家评定、分级管理的原则,公平、公开、公正地进行。
第五条省道路运输管理机构负责全省中级营运客车类型划分及等级评定工作,发布本行政区域内《中级客车类型划分及等级评定表》并抄报交通运输部。
设区的市和县级道路运输管理机构负责本行政区域内营运客车类型及等级准入核查和年度复核工作。
第六条本省行政区域内客车生产企业申请评定高级客车的,应当根据交通运输部《营运客车类型划分及等级评定规则》的规定,向交通运输部提出申请,提交有关文件。
第七条在本省行政区域内进行类型划分和等级评定的中级客车,其车辆型号应当在交通运输部发布的《营运客车安全达标车型表》内;以汽油或者柴油为单一燃料且总质量超过3.5吨的客车,其车辆型号还应当在《道路运输车辆燃料消耗量达标车型表》内。
一、类型划分
二、等级划分
三、在用车过户时: 已评定等级在用客车, 当过户时必需重新评定等级, 应按自新车投入营运之日计算, 当累计行驶里程或使用年限超出下表3要求时, 将由已评等级降至相邻下一等级:
四、等级评定条件:
通常要求
8.1.1客车车长小于5 m时, 可不设车内行李架。
8.1.2座椅尺寸按QC/T633要求测量。
8.1.3座间距按GB 13094要求测量。
8.1.4内饰件应软化处理, 所使用非金属材料应含有阻燃性能, 并符合GB 8410要求。
8.1.5卫生间应设洗手池, 冲洗便器污水应存入污水箱。
8.1.6客舱按GB/T4780要求。
8.1.7行李舱与客舱隔离并在车外含有独立舱门完整空间, 若分置若干处时, 任一处容积不得小于0.15 m3(其中任意边长大于0.4m), 不然不记入总容积。
核计行李舱容积时, 其乘客数按评定该等级核实人数(不含司机及导游员)。
8.1.8防雨密封性符合QC/T476。
8.1.9客车底盘润滑点少于五处时, 可选装自动润滑装置。
8.1.10 ABS(一类)按GB13594要求。
8.1.11各类型、等级营运客车发动机排放值应满足GB 18352.1、GB 18352.2及GB 17691要求
五、高级客车质量确保期
8.1.12.1 按新车投入营运之日起计保质里程或年限, 质量确保期按表4要求, 并以先达成为准。
六: 客车等级评定必需条件
1、必需有内行李架
2、车身结构: 大型高三级必需是承载式车身
3、通道宽要求:。
JT/T325-2010营运客车类型划分及等级评定中华人民共和国交通行业标准营运客车类型划分及等级评定JT/T325-2010大型高三级大型二高级大型高一级大型中级大型普通级中型高二级中型高一级中型中级中型普通级小型高二级小型高一级小型中级小型普通级卧铺客车轿车1 范围本标准规定了营运客车类型划分、等级划分、等级评定内容、等级评定规则和等级评定条件。
本标准适用于在道路上行驶的营业性客运汽车。
2 引用标准下列标准所包含的条文,通过在本标准中引用而构成为本标准的条文。
在标准出版时,所示版本均为有效。
所有标准都会被修订,使用本标准的各方应探讨、使用下列标准最新版本的可能性。
GB8410-94汽车内饰材料的燃烧特性GB12479-90客车防尘密封性限值GB12481-90客车防雨密封性限值JT/T198-95汽车技术等级评定标准3 定义本标准采用下列定义:营运客车Commercial motor-vehicle of passenger transport用于营业性旅客运输的汽车。
4 类型划分营运客车分为客车(合卧铺客车)和轿车。
客车分为大型客车、中型客车和小型客车三种。
4.1 大型客车车身长度>9m。
4.2 中型客车6m<车身长度≤9m。
4.3 小型客车车身长度≤6m。
5 等级划分5.1 大型客车分为高三级、高二级、高一级、中级和普通级五个等级。
5.2 中型客车分为高二级、高一级、中级和普通级四个等级。
5.3 小型客车分为高二级、高一级、中级和普通级四个等级。
5.4 轿车分为高二级、高一级、中级和普通级四个等级。
6 等级评定内容6.1 大型客车、中型客车及小型客车主要评定动力性、行驶平顺性、制动性、密封性、车内噪声、空气调节、乘客座椅(卧铺)、车内服务设施、整车布置与内饰。
6.2 轿车主要评定发动机排量和空调性能。
7 等级评定规则7.1 本标准第8章所规定的所有评定条件均为必要条件。
7.2 高三级、高二级和高一级营运客车的技术状况应达到JT/T198所规定的一级车水平;中级和普通级营运客车的技术状况应不低于JT/T198所规定的二级车水平。
《客车类型划分及等级评定》新旧标准对此
江锋
【期刊名称】《客车技术与研究》
【年(卷),期】2011(000)004
【摘要】通过JT/T325—2010与JT/T325—2006的对比,梳理出修改的主要内容,帮助有关人员进一步熟悉新标准。
【总页数】2页(P56-57)
【作者】江锋
【作者单位】金龙联合汽车工业(苏州)有限公司,江苏苏州215123
【正文语种】中文
【中图分类】U469.1
【相关文献】
1.从JT/T 325-2006《营运客车类型划分及等级评定》谈商用客车的NVH [J], 刘晓睛;卢晓莉
2.JT/T 325-2002《营运客车类型划分及等级评定》对高级客车底盘的要求 [J], 王云耀
3.对JT/T325-2002《营运客车类型划分及等级评定》新标准的建议 [J], 顾云
4.交通运输部关于发布《营运客车类型划分及等级评定》等10项交通运输行业标准和1项交通运输部部门计量检定规程的公告 [J],
5.JT/T325-2006《营运客车类型划分及等级评定》交通行业标准第1号修改单[J],
因版权原因,仅展示原文概要,查看原文内容请购买。
非许可第383项:营运客车类型划分及等级评定一、行政审批项目名称、性质名称:营运客车类型划分及等级评定性质:非行政许可二、行政审批适用范围、对象自治区行政区域内的客车生产或进口企业三、设定行政审批的法律依据1、《营运客车类型划分及等级评定规则》(交公路发[2002]590号)第六条第二款:“省级交通主管部门或其所属的道路运政管理机构负责本行政区域内生产的或进口的中级客车的类型划分及等级评定工作,并在本行政区域内发布《中级客车类型划分及等级评定表》”。
2、《关于加强营运客车类型划分及等级评定管理工作的通知》(交公路发[2007]248号)第三条第二款:“申报中级客车的,由客车生产企业自愿向企业所在地省级交通主管部门或道路运输管理机构提出申请。
省级交通主管部门或道路运输管理机构应当按照中级客车评定程序和《营运客车类型划分及等级评定规则》(交公路发〔2002〕590号)的规定组织现场查看、实测和评定,并将发布的《中级客车类型划分及等级评定表》(以下简称《中级客车评定表》)及时抄报交通部”。
四、行政审批数量无数量限制五、行政审批条件交通行业标准《营运客车类型划分及等级评定》(JT/T 325)六、申请材料目录及示范文本1、评级申报表,示范文本见附件一、附件二(申请座位车评级填写附件一,申请卧铺车评级填写附件二);2、客车主要配置汇总表,示范文本见附件三、附件六;3、申报车型定型的试验报告复印件(附有正右、正左侧彩色产品照片2张)(国产车);4、经办人的身份证明及其复印件、所在单位出具委托书,委托书中应当明确被委托人姓名和委托办理的事项。
纸质材料,一式一份,身份证明原件仅供现场查验。
七、申请书式样及示范文本评定申报表,式样见附件一、附件二,范本见附件四、附件五八、行政审批的具体权限自治区道路运输管理局负责广西区域内生产的或进口的中级客车的类型划分及等级评定的受理、组织专家现场查看实测、评定九、行政审批程序由自治区道路运输管理局进行初审并组织专家进行现场查看和实测,评定合格的拟文以《中级客车类型划分及等级评定表》的形式发布,并书面通知未通过评定的企业。
营运客车类型划分及等级评定(JT/T325-2010)
1 围
本标准规定了营运客车类型、等级划分及评定容、规则和条件。
本标准适用于在道路上使用的经营性客车。
是交通管理部门对其评级的依据。
2 规性引用文件
下列文件中的条款通过在本标准中引用而成为本标准的条款。
凡是注日期的引用文件,其随后所有的修订单(不包括勘误的容)或修订版均不适用于本准则,然而,鼓励根据本标准达成协议的各方研究是否可使用这些文件的最新版本。
凡是不注日期的引用文件,其最新版本适用于本标准。
GB/T 4780汽车车身术语
GB 8410汽车饰材料阻燃性能
GB 13094客车结构安全要求
GB 13594汽车防抱制动系统性能要求和试验方法
GB/T 16887卧铺客车技术条件
GB 17691车用压燃式发动机排气污染物排放限值及测量方法
GB 18352.1轻型汽车污染物排放限值及测量方法(Ⅰ)
GB 18352.2轻型汽车污染物排放限值及测量方法(Ⅱ)
GB 18565营运车辆综合性能要求和检验方法
JT/T 198—1995汽车技术等级评定标准
QC/T 476—1990客车防雨密封性限值
QC/T 633-2000客车座椅
3 术语和定义
下列术语和定义适用于本标准。
3.1 营运客车Commercial motor-vehicles of passenger transport
用于营业性旅客运输的汽车。
4 类型划分
营运客车分为客车及轿车两类。
4.1客车按车身长度分为大型客车、中型客车和小型客车三种。
见表1。
表 1 单位:m
5 等级划分
等级划分见表2
表 2
6 等级评定容
6.1 客车主要评定:客车结构与底盘配置:动力性;安全性;舒适性(车噪声、空气调节、乘客座椅(卧铺))及服务设施等;
6.2 轿车主要评定:发动机排量、空气调节与控制、卫星定位系统及行舱容积等。
7 等级评定规则
7.1 第8章规定的所有评定指标均为必要条件。
7.2 新车等级评定
客车生产企业开发的新产品,根据该生产企业提供的技术文件及实车检测结果,依第8章规定评定等级,以“评定表”形式发布。
7.3 在用车等级评定
7.3.1 在用客车经检测符合GB18565标准有关规定时,才具备评定等级资格。
7.3.2 在用客车经检测,按JT/T 198评为一级车时,才具有评定高级客车资格。
7.3.3 根据7.3.2车辆现有技术等级和设施的实车检测结果,按第8章规定评定等级。
7.3.4 已评定等级的在用客车,当过户时必须重新评定等级,应按自新车投入营运之日计算,当累计行驶里程或使用年限超过下表3规定时,将由已评等级降至相邻下一等级:
表 3
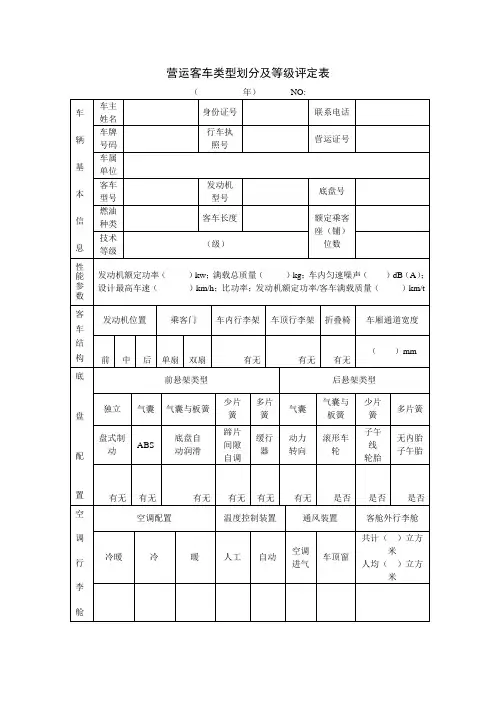
8 等级评定条件
8.1 一般规定
8.1.1客车车长不大于5 m时,可不设车行架。
8.1.2座椅尺寸按QC/T633规定测量。
8.1.3座间距按GB 13094规定测量。
8.1.4饰件应软化处理,所使用的非金属材料应具有阻燃性能,并符合GB 8410的规定。
8.1.5卫生间应设洗手池,冲洗便器污水应存入污水箱。
8.1.6客舱按GB/T4780规定。
8.1.7行舱与客舱隔离并在车外具有独立舱门的完整空间,若分置若干处时,任一处容积不得小于0.15 m3(其中任意边长不小于0.4m),否则不记入总容积。
核计行舱容积时,其乘客数按评定该等级核实人数(不含司机及导游员)。
8.1.8防雨密封性符合QC/T476。
8.1.9客车底盘润滑点少于五处时,可选装自动润滑装置。
8.1.10 ABS(一类)按GB13594规定。
8.1.11各类型、等级营运客车发动机排放值应满足GB 18352.1、GB 18352.2及GB 17691要求。
8.1.12高级客车质量保证期
8.1.12.1 按新车投入营运之日起计保质里程或年限, 质量保证期按表4规定,并以先达到为准。
表4
8.2 客车等级评定必要条件
客车等级评定必要条件见表5 。
表5
8.3 卧铺客车等级评定必要条件
8.3.1 卧铺客车等级评定应符合8.2 各项条件(除座椅、行舱容积、车行架项外),卧铺尺寸按GB/T 16887测量,并应符合表6规定:
表6 单位:mm
8.3.2表7 单位为人均立方米
8.48.4 轿车等级评定必要条件
轿车(供出租、租赁)等级评定必要条件见表表8。