压铸机保养记录表
- 格式:xls
- 大小:24.50 KB
- 文档页数:1
年 月
12345678910111213141516171819202122232425262728293031
123456
7哥林标清洁8910
5.未上班时画“/”
审核:
MG-FM-024/A
项次
点检项目
备注
1.以“√”表示正常, 以“×”表示异常
2.异常者立即通知组长或工程师处理,其异常记录于异常说明栏位
3.点检者签名由保养人负责
4.本表每月一张核准后存档备查检查机舌各连接部位是否有漏油
点检者签名
检查油箱内油量开机前检查润滑系统是否正常
检查工作压力是否正常
生产时检查熔炉,鹅颈射嘴温度与设定是否相符
确认人签名
上海迈极电子有限公司
压铸机 设 备 点 检 表
部门:压铸
月
清洁机身及熔炉
异常说明。
压铸机的维护和保养
为了保证压铸机能正常运行,必须高度重视机器的维护和保养,做到每日每班检查,每周及半年检查,并做好设备维修保养记录。
每日检查内容有:油泵是否工作正常,有无异常响动,油位是否低于标尺,油温是否过高,油的颜色是否正常,油箱盖是否密封,整个液压系统有无漏油情况,油管及接头有无松动,哥林柱螺母有无松动,润滑系统各润滑点的润滑情况是否正常,检查行程开关及整机固定螺母的动作与紧固情况,观察储能器的氮气压力是否正常,液压系统中各种压力工作情况,冷却系统是否正常,机器所有动作是否正常。
每周检查项目有:清除油箱上滑脚、哥林柱及曲肘等处的合金渣料,检查所有油阀线圈的固定及工作情况,检查油位是否在正常位,检查储能器有无漏油、漏氮气情况。
半年检查项目有:清洗或更换过滤芯、检查中板、哥林柱与导套之间的间隙是否正常,调整滑脚高低,检查全部电器元件,旋紧松动的连接部分,检查润滑油泵及润滑系统的工作情况。
日期:200 年月机器编号:日期1 2 3 4 5 6 7 8 9 10 11 12 13 14 15 16检查项目1、机铰合金屑、油污有无清洁2、机铰开合模过程中有无异响3、哥林柱合金屑、油污有无清洁4、钢带合金屑、油污有无清洁5、油管连接处有无漏油6、压力表有无漏油7、行程开关是否动作正常行程开关有无清洁8、操作台开关有无按钮松动9、外部显见线路有无破损10、润滑油壶油量是否充足11、润滑油接头有无脱落12、锁模、顶针、模座、打料油缸有无漏油、13、安全门合金屑、油污清理14、机器的油冷却器冷却水是否开启,油温有无偏高15、发热套、发热饼飞溅锌液有无清理16、鹅颈锤头连接处、喷管连接处锌液是否清理17、整机钣金合金屑、油污有无清洁18、工作场地物品摆放、工具有无整理摆放好执行人签名注:1、检查保养好标√,检查保养不好标×。
2、发现不良情况应及时通知设备维护人员。
日期:200 年月机器编号:日期17 18 19 20 21 22 23 24 25 26 27 28 29 30 31检查项目1、机铰合金屑、油污有无清洁2、机铰开合模过程中有无异响3、哥林柱合金屑、油污有无清洁4、钢带合金屑、油污有无清洁5、油管连接处有无漏油6、压力表有无漏油7、行程开关是否动作正常行程开关有无清洁8、操作台开关有无按钮松动9、外部显见线路有无破损10、润滑油壶是否充足11、润滑油接头有无脱落12、锁模、顶针、模座、打料油缸有无漏油、13、安全门合金屑、油污清理14、机器的油冷却器冷却水是否开启,油温有无偏高15、发热套、发热饼飞溅锌液有无清理16、鹅颈锤头连接处、喷管连接处锌液是否清理17、整机钣金合金屑、油污有无清洁18、工作场地物品摆放、工具有无整理摆放好执行人签名注:1、检查保养好标√,检查保养不好标×。
2、发现不良情况应及时通知设备维修人员。
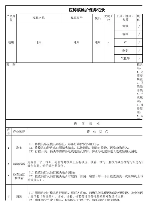
清洗、浇口套(分流锥)、导柱、导套、抽芯等滑动部件及模具外观清洁如新;4
NO 负责人确认方法∕
B
1模修工目视[4]
[5]A 2
模修工
目视[1]A
3模修工通水、油检查
∧年/月/日
∧模修工∧年/月/
日∧编制
校对
审核
标准化
审定
模修工
∧∧
标记处数签
字
日期
借用情
每次检查每次检查∕
故障形式压铸模具维护保养作业标准
冷却水管、模温机油管第1页 共12页
注意:发生异常情况时
告
确认频度品质特性
7000~8000模次
铸件缺陷形式分类
[1]漏油 [2]断裂 [3]装配干涉 [4]外观、商品性 [5]机加不良 [6]不符合标准
无镁皮、镁屑等污垢
无阻塞、泄漏、破损重要项目规格值
更改文件号管理项目模具外观分型面、型腔
无锈蚀、污垢、水滴,清洁如新
电。
配;。
1机铰润滑检查所有分配器工作正常压力、时间设置正确
2操作面板检查各按钮、旋钮无松动信号正常
3机身电盒检查线路固定
上盖螺丝配齐拧紧
4安全门检查无松动信号正常
5电箱换气扇检查运转正常
6哥林柱检查表面无明显压痕或划痕
7压力表检查缷压后归零
升压后指示压力正确
8油阀检查线圈紧固
电压正常:D C24V
动作正常
表格编号:XXXXXXXXX 管理者签名
××××公司
机 型: 机身编号:年月
冷室压铸机每周保养表
序号项目
检查确认或结果
内容或标准
第三周第四周
图例
保养者签名
第一周第二周。