箱式变压器现场验收表
- 格式:docx
- 大小:14.54 KB
- 文档页数:2
附件:QB福州电业局企业标准Q/FJGA20137-2005福州电业局10kV及以下配电工程验收管理办法2005-08-17发布 2005-08-22实施福建省福州电业局发布Q/FJGA20137-2005前言为了规范10kV及以下配电工程验收的流程,明确相关部门和岗位人员的职责,保证工程施工质量,确保配电网安全运行,根据《福建省电力有限公司配电网规范化管理办法》(闽电生〔2004〕461)文件精神,对原《福州电业局业扩项目市场化运作管理办法》(榕电业项[2003]012号)的附件七“10kV及以下配电工程验收管理办法”进行修订。
本标准自公布之日起施行,同时原标准废止。
本标准明确了10kV及以下配电工程验收的相关部门的职责、工作范围及检查与考核。
本标准的附录一、附录二和附录三是标准的附录。
本标准由福州电业局标准化领导小组提出。
本标准由生产技术部归口。
本标准起草部门:生产技术部。
本标准主要起草人:何书华。
本标准参加审核人:林向阳、陈家毅、岑旭、周小燕、罗晓文、陈长征、陈俊山、叶忠、陈群力。
本标准批准人:王智敏。
本标准由生产技术部负责解释。
Q/FJGA20137-2005 福州电业局10kV及以下配电工程验收管理办法1.范围为了保证10kV及以下配电工程的施工质量,促进工程施工技术水平的提高,确保配电网络安全运行,规范配电工程等额验收工作,特制定本办法;本办法适用于本局10kV及以下配电新建、改建工程〔包括配改、技业、业扩(客户投资移交电业部门维护管理的)等工程〕的验收。
2.引用标准DL/T 601-96 架空绝缘配电线路设计技术规程GB 50061-1997 66kV及以下架空电力线路设计规范DL/T 602-96 架空绝缘配电线路施工及验收规程GB 50173-92 电气装置安装工程35kV及以下架空电力线路施工及验收规范GB 50217-94 电力电缆设计规范GB 50168-92 电气装置安装工程电缆线路施工及验收规范GB 50053-94 10kV及以下变电所设计规范GB 50169-92 电气装置安装工程接地装置施工及验收规范CECS 49:93 低压成套开关设备验收规程GB 50150-91 电气装置安装工程电气设备交接试验标准GB 50171-92 电气装置安装工程盘、柜及二次回路结线施工及验收规范GB 50254-96 电气装置安装工程低压电器施工及验收规范GB 50257-96 电气装置安装工程爆炸和火灾危险环境电气装置施工及验收规范GB 50258-96 电气装置安装工程1kV及以下配线工程施工及验收规范GB 50259-96 电气装置安装工程电气照明装置施工及验收规范GBJ 147-90 电气装置安装工程高压电器施工及验收规范GBJ 148-90 电气装置安装工程电力变压器、油浸电抗器、互感器施工及验收规范GBJ 149-90 电气装置安装工程母线装置施工及验收规范榕电业配[2003]228号福州电业局10kV电缆运行规程榕电业配[2003]228号福州电业局小区设备运行规程榕电业配[2003]419号福州电业局中低压配电架空线路设计安装标准榕电业配〔2003〕227号福州电业局配电线路设备运行规程3.管理办法3.1配电架空线路、电缆线路和小区设备工程应验收的项目及标准的最终依据为国家、行业、省公司及我局相关验收规范。
精心整理避雷引下线和变配电室接地干线敷设安装检验批质量验收记录(Ⅰ)防雷引下线(GB50303-2002)表25编号:WZCXJZ/QR060702避雷引下线和变配电室接地干线敷设安装检验批质量验收记录(Ⅱ)变配电室接地干线(GB50303-2002)表25编号:WZCXJZ/QR060207变压器、箱式变电所安装检验批质量验收记录(GB50303-2002)表5编号:WZCXJZ/QR060102/060201不间断电源安装检验批质量验收记录(GB50303-2002)表9编号:WZCXJZ/QR060603□□□槽板配线安装检验批质量验收记录(GB50303-2002)表16编号:WZCXJZ/QR060504柴油发电机组安装检验批质量验收记录(GB50303-2002)表8编号:WZCXJZ/QR060602成套配电柜、控制柜(屏、台)和动力、照明配电箱(盘)安装检验批质量验收记录(Ⅱ)低压成套柜(屏、台)(GB50303-2002)表6编号:WZCXJZ/QR060103/060202/060501/060601成套配电柜、控制柜(屏、台)和动力、照明配电箱(盘)安装检验批质量验收记录(Ⅰ)高压开关柜(GB50303-2002)表6编号:WZCXJZ/QR060103/060202成套配电柜、控制柜(屏、台)和动力、照明配电箱(盘)安装检验批质量验收记录(Ⅲ)照明配电箱(盘)(GB50303-2002)表6编号:WZCXJZ/QR060501低压电动机、电加热器及电动执行机构检查接线检验批质量验收记录(GB50303-2002)表7编号:WZCXJZ/QR060402□□(GB50303-2002)表10编号:WZCXJZ/QR060403□□□专用灯具安装检验批质量验收记录。
《建筑工程施工质量验收统一标准》GB50300-2013统一表格Word版本附录A施工现场质量管理检查记录施工现场质量管理检查记录应由施工单位按表填写,总监理工程师进行检查,并做出检查结论。
表施工现场质量管理检查记录开工日期:附录B建筑工程的分部工程、分项工程划分附录C室外工程的划分附录D—般项目止常检验一次、二次抽样判定D.对于计数抽样的一般项目,正常检验一次抽样可按表D.判定,正常检验二次抽样可按表D.判定,抽样方案应在抽样前确定。
D.样本容量在表D•或表D•给出的数值之间时,合格判定数可通过插值并四舍五入取整确定。
表一般项目正常检验一次抽样判定表一般项目正常检验二次抽样判定表注:单位工程验收时,验收签字人员应由相应单单位工程质量竣工验收记录位的法人代表书面授权。
表单位工程质量控制资料核查记录施工单位序项资料名称份数施工单位监理单位号目核查意见核查人核查意见核查人1图纸会审记录、设计变更通知单、工程洽商记录2工程定位测量、放线记录3原材料出厂合格证书及进场检验、试验报告4施工试验报告及见证检测报告5建筑与结构隐蔽工程验收记录6施工记录7地基、基础、主体结构检验及抽样检测资料8分项、分部工程质量验收记录9工程质量事故调查处理资料10新技术论证、备案及施工记录1图纸会审记录、设计变更通知单、工程洽商记录2原材料出厂合格证书及进场检验、试验报告3管道、设备强度试验、严密性试验记录4隐蔽工程验收记录5系统清洗、灌水、通水、通球试验记录6施工记录7分项、分部工程质量验收记录8新技术论证、备案及施工记录工程名称续表续表施工单位序号项目 称名料资份数位单理监见意査核人查核见意査核人查核会程纸工图、n □合告检□□ 4智能律 □ L录□ 建筑 、术技统□3 告m□□ 会程纸工图、□合告检□建□2 筑节能3告外告艮扌测检匕匕厶冃节统备设□□ U□□□工程名称主要功能抽查记录续表表单位工程观感质量检查记录续表2、观感质量现场检查原始记录应作为本表附表。
表A.12室外箱变安装分部工程报验申请表工程名称:银川阅海湾中央商务区中央公园供电工程注:本表由施工单位填写,一式两份上报监理单位审批后,监理单位留存。
表E.3室外箱变安装分部(子分部)工程质量验收记录表注:本表由施工单位填写,一式三份上报监理单位审批后,施工单位留存。
地基基础、主体结构分部工程质量验收不填写“分包单位”、“分包单位负责人”和“分包技术负责人”。
地基基础、主体结构分部工程验收勘察单位应签认,其它分部工程验收勘察单位可不签认。
室外箱变安装分部(子分部)工程质量验收记录表注:本表由施工单位填写,一式三份上报监理单位审批后,施工单位留存。
地基基础、主体结构分部工程质量验收不填写“分包单位”、“分包单位负责人”和“分包技术负责人”。
地基基础、主体结构分部工程验收勘察单位应签认,其它分部工程验收勘察单位可不签认。
表A.11定位放线分项工程报验申请表工程名称:银川阅海湾中央商务区中央公园供电工程注:本表由施工单位填写,一式两份上报监理单位审批后,监理单位留存。
表E.2定位放线分项工程质量验收记录表注:1:地基基础、主体结构工程的分项质量验收不填写“分包单位”和分包项目经理。
2:当同一分项2栏存在多项检验批时,应填写检验批名称。
3:本表由施工单位填写,一式两份上报监理单位审批后,监理单位留存。
表A.5施工测量放线报验单工程名称:银川阅海湾中央商务区中央公园供电工程注:本表由施工单位填写,一式三份上报监理单位审批后,施工单位留存。
表D.7工程定位测量记录□□□□□□□□□注:本表由施工单位填写,一式三份上报监理单位审批后,施工单位留存。
表A.5施工测量放线报验单工程名称:银川阅海湾中央商务区中央公园供电工程注:本表由施工单位填写,一式三份上报监理单位审批后,施工单位留存。
表D.7工程定位测量记录□□□□□□□□□注:本表由施工单位填写,一式三份上报监理单位审批后,施工单位留存。
表A.5施工测量放线报验单工程名称:银川阅海湾中央商务区中央公园供电工程注:本表由施工单位填写,一式三份上报监理单位审批后,施工单位留存。
建筑电气分部工程质量验收记录
GB50303-2015
注:1.地基与基础分部工程的验收应由施工、勘察、设计单位项目负责人和总监工程师参加并签字。
2.主休结构、节能分部工程验收应由施工、设计单位项目负责人和总监工程师参加并签字。
建筑电气分部工程质量验收记录
GB50303-2015
注:1.地基与基础分部工程的验收应由施工、勘察、设计单位项目负责人和总监工程师参加并签字。
2.主休结构、节能分部工程验收应由施工、设计单位项目负责人和总监工程师参加并签字。
建筑电气分部工程质量验收记录
GB50303-2015
注:1.地基与基础分部工程的验收应由施工、勘察、设计单位项目负责人和总监工程师参加并签字。
2.主休结构、节能分部工程验收应由施工、设计单位项目负责人和总监工程师参加并签字。
变压器、箱式变电所安装检验批验收记录
变配电室及电气竖井内接地干线敷设检验批质量验收记录
电动机、电加热器及电动执行机构检查接线
检验批质量验收记录
电气设备试验和试运行检验批质量验收记录
(续表)
导管内穿线和槽盒内敷线检验批质量验收记录
塑料护套线直敷布线检验批质量验收记录
电缆头制作、导线连接和线路绝缘测试检验批质量验收记录
普通灯具安装检验批质量验收记录
开关、插座、风扇安装检验批质量验收记录
建筑物照明通电试运行检验批质量验收记录
接地装置安装检验批质量验收记录
防雷引下线及接闪器安装检验批质量验收记录
建筑物等电位联结检验批质量验收记录
电缆敷设检验批质量验收记录
07030501
电缆敷设检验批质量验收记录
07030501。
电力变压器小修三级验收单一、项目概述电力变压器是电力系统中不可或缺的重要设备,经过一段时间的使用,由于各种原因可能出现故障或需要进行小修。
本次项目为电力变压器的小修,目的是恢复设备的正常运行,确保其在电力系统中的稳定性和可靠性。
二、任务目标1.对电力变压器进行全面的检查和维修,确保设备的正常运行;2.清洗变压器内部的绝缘油,更换变压器油;3.检查变压器绕组的接线情况,修复损坏的绕组;4.检查变压器的冷却系统,确保冷却系统正常运行;5.对变压器的外部绝缘和接地进行检查,修复损坏的部分;6.进行设备的绝缘测试,确保设备的安全可靠。
三、具体操作1.变压器外观检查对变压器外观进行检查,包括变压器的机械结构、接地装置、绝缘子、气体放电装置等,发现问题及时记录并进行修复。
2.变压器绝缘测试使用合适的测试仪器对变压器进行绝缘测试,包括绝缘电阻测量、介质损耗测量等。
确保变压器的绝缘性能符合标准要求。
3.变压器绕组检查和修复对变压器的绕组进行检查,包括绕组接线的松紧程度、绕组的绝缘状况、绕组接地情况等。
如发现绕组损坏或接地不良等问题,进行修复。
4.变压器油清洗和更换将变压器内部的绝缘油抽出,清洗变压器油箱和油管道,并进行绝缘油的更换。
确保变压器内部油的质量符合标准要求。
5.变压器冷却系统检查对变压器的冷却系统进行检查,包括冷却器的清洗、水泵的工作情况、冷却风扇的运行状态等。
如发现问题,进行维修或更换。
6.变压器外绝缘和接地检查对变压器的外绝缘进行检查,包括绝缘子的破损情况、绝缘子串的松动、绝缘子表面的污秽等。
同时检查变压器的接地装置,确保接地电阻符合要求。
四、验收标准1.变压器外观完好,无机械损伤;2.变压器绝缘测试合格,绝缘电阻符合标准要求;3.变压器绕组无松动、接地良好;4.变压器油清洗干净,绝缘油符合标准要求;5.变压器冷却系统正常运行,冷却效果良好;6.变压器外绝缘无破损、绝缘子表面清洁;7.变压器接地电阻符合要求。
关于单位工程项目划分及有关填写说明达华集团北京中达联咨询有限公司第一分公司关于单位工程项目划分及有关填写说明的解释依据《风力发电场项目建设工程验收规范》DL/T5191—2004要求,单位工程可按风力发电组、升压站、线路、建筑、交通五大类进行划分,每个单位工程是由若干个分部工程组成的,它具有独立的、完整的功能。
一:每台风力发电机组的安装工程为一个单位工程,它由风力发电机组基础、风力发电机组安装、风力发电机监控系统、塔架、电缆、箱式变电站、防雷接地网七个分部工程组成。
二:升压站设备安装调试单位工程包括主要变压器、高压电器、低压电器、母线装置、盘柜及二次回路接线、低压配电设备等的安装调试及电缆铺设、防雷接地装置八个分部工程。
三:场内架空电力线路工程和电力电缆工程分别以一条独立的线路为一个单位工程。
每条架空电力线路工程是由电杆基坑及基础埋设、电杆组立及绝缘子安装、拉线安装、导线架设四个分部工程组成。
每条电力电缆工程是由电缆沟制作、电缆保护管的加工与敷设、电缆支架的配制与安装、电缆的敷设、电缆终端和接头的制作五个分部工程组成。
四:中控楼和升压站建筑工程一般由基础(包括主变压器基础)、框架、砌体、层面、楼地面、门窗、装饰、室内外给排水、照明、附属设施(电缆沟、接地、场地、围墙、消防通道)10个分部工程组成。
五:交通工程中每条独立的新建(或扩建)公路为一个单位工程。
单位工程一般由路基、路面、排水沟、涵洞、桥梁等分部工程组成。
六:以上各分部工程完工后必须及时组织监理参加的自检验收。
单位工程完成后,施工单位应向建设单位提出验收申请,单位工程验收领导小组应及时组织验收。
同类单位工程完工验收可按完工日期先后分别进行,也可按部分或全部同类单位工程一道组织验收。
对于不同类单位工程,如完工日期相近,为减少组织验收次数,单位工程验收领导小组也可按部分或全部各类单位工程一道组织验收。
单位工程完工验收必须按照设计文件及有关标准进行。
现场验收检查原始记录
共 3 页第 1 页
监理校核: XXX检查: XXX 记录:XXX 验收日期: XXXX 年 XX 月 XX 日说明:1.此表应为3张表,第1、2、3张一样,检验批编码:0701*******、0701*******、0701*******
2.此表与变配电室子分部07020101变压器、箱式变电所安装分项成套配电柜、控制柜(屏、台)和动力、照明配电箱(盘)安装检验批质量验收记录表相同。
填写说明
1.表头填写:
“单位(子单位)工程名称”栏、“检验批名称”栏、及“检验批编号”栏,按对应的“检验批质量验收记录”填写。
2.验收项目填写
⑴编号:填写验收项目对应的条文号。
⑵验收项目:按对应的“检验批质量验收记录”的验收项目的顺序,填写现场实际检查的验收项目及设计要求、规范规定的内容,如果对应多行检查记录,验收项目不用重复填写。
⑶验收部位:填写本条验收的各个检查点的部位,每个部位占用一格,下个部位另起一行。
⑷验收情况记录:
①采用文字描述、数据说明或者打“√”的方式;
②不合格和超标的必须明确指出;
③对于定量描述的抽样项目,直接填写检查数据。
⑸备注:发现明显不合格的个体的,要标注是否整改、复查是否合格。
⑹监理校核:监理单位现场验收人员签字。
⑺检查:施工单位现场验收人员签字。
⑻记录:填写本记录的人签字。
⑼验收日期:填写现场验收当天日期。
王娟说明:此表应为3张表,第1、2、3张一样,
检验批编码:0701*******、0701*******、0701*******。
第十二章电力工程电力工程施工质量验收划分为单位工程、分部工程、分项工程和检验批。
单位工程应按一个完整工程或一个相当规模施工范围划分,并按下列原则确定:(1)变、配电所工程:每座变、配电所为一个单位工程;(2)区间电力工程:不大于一个供电臂的区间电力工程为一个单位工程;(3)站场电力工程:一个站、场的电力工程为一个单位工程;(4)电源线路工程:一条电源线路为一个单位工程;(5)电力远动系统安装工程:一套独立的电力远动系统为一个单位工程。
分部工程应按一个完整部位或主要结构及施工阶段划分;分项工程应按工种、工序、设备类别划分;检验批可根据施工及质量控制和验收需要按施工段或部位等划分。
电力工程的单位工程、分部工程、分项工程和检验批的具体划分及编号应符合下列各表的规定。
变、配电所分部工程、分项工程、检验批划分及编号(变、配电所单位工程编号0901)续表区间电力分部工程、分项工程、检验批划分及编号(区间电力单位工程编号0902)站场电力分部工程、分项工程、检验批划分及编号(站场电力单位工程编号0903)电源线路分部工程、分项工程、检验批划分及编号(电源线路单位工程编号0904)电力远动系统安装分部工程、分项工程、检验批划分及编号(电力远动系统安装单位工程编号0905)基础检验批质量验收记录表说明主控项目1.运达现场的水泥、砂、石、钢筋、型钢等原材料,按进场批次进行检验,其品种、规格、质量应符合有关规定。
检验数量和检验方法:符合《铁路混凝土与砌体工程施工质量验收标准》(TB10424—2003)的有关规定。
2.基础的地质条件应满足设计要求。
检验数量:施工、监理单位均全部检查。
检验方法:观察检查。
3.在混凝土施工前,应根据设计规定标号进行混凝土配合比试验,并取得配合比试验报告。
检验数量:施工单位对同强度等级、同性能的混凝土进行一次配合比试验。
监理单位全部检查。
检验方法:施工单位进行配合比试验,监理单位检查配合比选定单。
Q/CSG表8-2 电缆线路工程资料核查表工程编号:Q/CSG 表8-2Q/CSG表电缆线路工程单位工程质量验收与评定记录表2.验收结论栏填写“优良”或“合格”;)3.单位工程质量验收是由业主项目部组织监理、设计、施工单位等单位参加的验收,验收合格后,移交给启委会验收组组织相关单位进行投产前的启动验收。
,!Q/CSG表电气试验分部工程质量验收记录表{~Q/CSG表电缆线路土建分部工程质量验收记录表;!Q/CSG表电缆线路安装分部工程质量验收记录表,Q/CSG表电气试验分部工程质量验收记录表]Q/CSG表电气试验分部工程质量验收记录表@Q/CSG表电气试验分部工程质量验收记录表$\【S056】Q/CSG表电缆敷设和电缆支架(桥架)安装及电缆防火封堵分项工程质量验收记录表!《…【S056】Q/CSG表电缆终端头(中间头)制作安装和电缆终端头(户外)接地及保护管安装分项工程质量验收记录表(,!|…($【W164】Q/CSG表电气设备试验分项工程质量验收记录表一次、二次绕组绝缘电阻值不宜低于1000 M,一次绕组耐压前后绝缘电阻不应有明显变化;直流电阻与出厂值比较(一次不宜大于10%,、二次不宜大于15%);一次、二次绕组交流耐压按规程要求;励磁特性与出厂试验报告测量值比不宜相差30%误差测量按规程要求;一次、二次绕组绝缘电阻值不宜低于1000 M,一次绕组耐压前后绝缘电阻不应有明显变化;一次、二次绕组交流耐压按规程要求;、绝缘电阻不少于1000M;直流参考电压不低于厂家要求(变化不大于±5%)和倍直流参考电压下的泄漏电流不应大于50µA;》; 【Q/CSG表电力电缆试验分项工程质量验收记录表Q/CSG表二次电缆敷设及接线分项工程质量验收记录表{Q/CSG表二次电缆敷设及接线分项工程质量验收记录表;【H087】【H088】【H089】Q/CSG表接地装置分项工程质量验收记录表工程编号:Q/CSG表、*!Q/CSG表电缆沟(井)分项工程质量验收记录表0~10(0~8)mm【H089】Q/CSG表电缆沟(井)分项工程质量验收记录表+10~20(+5~15)mm【H089】Q/CSG表电缆沟(井)分项工程质量验收记录表(【H089】Q/CSG表电缆沟(井)分项工程质量验收记录表【H089】Q/CSG表电缆沟(井)分项工程质量验收记录表~#》Q/CSG表电缆沟分项工程质量验收记录表%0~10(0~8)mm+10~20(+8~15)mm%【H089】Q/CSG表-1 电缆管道分项工程质量验收记录表【H089】Q/CSG表-2 电缆管道分项工程质量验收记录表【H089】Q/CSG表电缆管道分项工程质量验收记录表【H089】Q/CSG表电缆管道分项工程质量验收记录表。
变压器、箱式变电所安装检验批质量验收记录变压器、箱式变电所安装检验批质量验收记录注:本表内容的填写需依据《现场验收检验批检查原始记录》。
本检验批质量验收的规范依据见本页背面。
填写说明一、填写依据1 《建筑电气工程质量验收规范》GB50303-2002。
2 《建筑工程施工质量验收统一标准》GB50300-2013。
二、检验批划分变配电室单独划分检验批。
三、GB50303-2002规范摘要主控项目5.1.1 变压器安装应位置正确,附件齐全,油浸变压器油位正常,无渗油现象。
5.1.2 接地装置引出的接地干线与变压器的低压侧中性点直接连接;接地干线与箱式变电所的N母线和PE母线直接连接;变压器箱体、干式变压器的支架或外壳应接地(PE)。
所有连接应可靠,紧固件及防松零件齐全。
5.1.3 变压器必须按本规范第3.1.8条的规定交接试验合格。
5.1.4 箱式变电所及落地式配电箱的基础应高于室外地坪,周围排水通畅。
用地脚螺栓固定的螺帽齐全,拧紧牢固;自由安放的应垫平放正。
金属箱式变电所及落地式配电箱,箱体应接地(PE)或接零(PEN)可靠,且有标识。
5.1.5 箱式变电所的交接试验,必须符合下列规定:1 由高压成套开关柜、低压成套开关柜和变压器三个独立单元组合成的箱式变电所高压电气设备部分,按本规范3.1.8的规定交接试验合格。
2 高压开关、熔断器等与变压器组合在同一个密闭油箱内的箱式变电所,交接试验按产品提供的技术文件要求执行。
3 低压成套配电柜交接试验符合本规范第4.1.5条的规定。
一般项目5.2.1 有载调压开关的传动部分润滑应良好,动作灵活,点动给定位置与开关实际位置一致,自动调节符合产品的技术文件要求。
5.2.2 绝缘件应无裂纹、缺损和瓷件瓷釉损坏等缺陷,外表清洁,测温仪表指示准确。
5.2.3 装有滚轮的变压器就位后,应将滚轮用能拆卸的制动部件固定。
5.2.4 变压器应按产品技术文件要求进行检查器身,当满足下列条件之一时,可不检查器身。
目录建筑电气工程施工现场质量管理记录DQ1.1建筑电气分部工程质量验收记录DQ1.2建筑电气子分部工程质量验收记录(统表1) DQ1.3分项工程质量验收记录(统表2) DQ1.4建筑电气工程质量控制资料核查记录DQ1.5建筑电气工程安全和功能检验资料及主要功能抽查记录DQ1.6建筑电气工程观感质量检查记录DQ1.7设备、材料、器具进场验收记录DQ2.1建筑电气工程材料、设备、器具出厂合格证及进场检(试)验报告汇总表DQ2.2技术负责人:质量检查员:年月日线槽、电导管安装隐蔽验收记录DQ2.3重复接地(防雷接地)工程隐蔽验收记录DQ2.4防雷接地系统布置简图DQ2.5配线敷设施工隐蔽验收记录DQ2.6工序交接试验验收记录DQ2.7电气设备交接试验记录DQ2.8线路(设备)绝缘电阻测试记录DQ2.9接地电阻测试记录DQ2.10线路、插座、开关接地检验记录DQ2.11建筑照明通电、全负荷试运行记录DQ2.12大型灯具牢固性试验记录DQ2.13架空线路及杆上电气设备安装分项工程检验批质量验收记录DQ3.1.1变压器、箱式变电所安装分项工程检验批质量验收记录DQ3.1.2成套配电柜、控制柜(屏、台)和动力、照明配电箱(盘)及控制框安装分项工程检验批质量验收记录DQ3.1.3电线导管、电缆导管和线槽敷设分项工程检验批质量验收记录DQ3.1.4电缆头制作、接线和线路绝缘测试分项工程检验批质量验收记录DQ3.1.5建筑物景观照明灯、航空障碍标志灯和庭院灯安装分项工程检验批质量验收记录DQ3.1.6建筑物照明通电试运行分项工程检验批质量验收记录DQ3.1.7接地装置安装分项工程检验批质量验收记录DQ3.1.8裸母线、封闭母线、插接式母线安装分项工程检验批质量验收记录DQ3.2.1电缆沟内和电缆竖井内电缆敷设分项工程检验批质量验收记录DQ3.2.2。
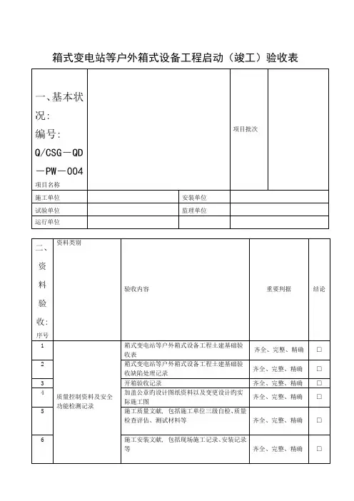
箱式变电站等户外箱式设备工程启动(竣工)验收表一、工程概况本工程名称:箱式变电站等户外箱式设备工程。
工程地址:XX市XX区XX路XX号。
投资人:XXX公司。
施工单位:XXX工程有限公司。
二、验收依据本工程验收按照以下法规和标准执行:•《建筑工程质量验收规范》(GB50300-2013)•《电力工程施工质量检验标准》(DL/T 5303-2015)•《电气设备安装工程施工质量验收规范》(GB50233-2014)•《箱式变电站及配电房技术条件》(GB/T17467-1998)三、工程质量标准1.参照各项法规和标准,本工程实行零缺陷验收,所有设备符合国家相关技术标准,工程质量满足要求。
2.通过验收的变电站及设备达到设计要求,保证电力设备正常运行,其外观、标记清晰、合理布局,各设备之间距离符合要求。
3.构筑物及设备检查完成,并符合国家相关标准,达到质量验收要求,满足防潮、防火、防盗等要求;操作方便、安全,满足安全验收要求。
4.环境卫生达到国家相关标准,各设施配置完善。
四、工程验收内容本工程验收内容包括以下方面:1. 项目概况对项目名称、工程地址、建设单位、施工单位等概况进行简要介绍。
2. 工程实物验收对本工程实物进行全面验收,包括变电站建筑物、主变、高压开关柜、低压配电柜、配电变压器、电缆桥架、安全防护、门窗、附属设施等各项内容进行检查,确保满足设计要求和施工规范。
3. 工程技术标准验收本工程的各项技术标准验收,按照国家相关法规和标准进行检验,检查项目包括设计、施工、设备安装、电气接线、电气试验、接地保护、运行管理等等。
4. 工程环境卫生验收对本工程施工现场进行环境卫生验收,包括工程占用区域环境卫生,施工现场的生活垃圾、建筑垃圾处理情况进行检查。
五、工程质量管理工程质量管理内容包括项目成本管理、材料使用管理、质量管理、安全管理、施工进度管理等各项内容,确保工程施工过程的科学、合理、高效进行,保证工程质量达到验收要求。
目录建筑电气工程施工现场质量管理记录DQ1.1建筑电气分部工程质量验收记录 DQ1.2建筑电气子分部工程质量验收记录(统表1) DQ1.3分项工程质量验收记录(统表2) DQ1.4建筑电气工程质量控制资料核查记录 DQ1.5建筑电气工程安全和功能检验资料及主要功能抽查记录 DQ1.6建筑电气工程观感质量检查记录 DQ1.7设备、材料、器具进场验收记录 DQ2.1建筑电气工程材料、设备、器具出厂合格证及进场检(试)验报告汇总表DQ2.2技术负责人:质量检查员:年月日线槽、电导管安装隐蔽验收记录 DQ2.3重复接地(防雷接地)工程隐蔽验收记录 DQ2.4防雷接地系统布置简图 DQ2.5配线敷设施工隐蔽验收记录 DQ2.6工序交接试验验收记录 DQ2.7电气设备交接试验记录 DQ2.8线路(设备)绝缘电阻测试记录 DQ2.9接地电阻测试记录 DQ2.10线路、插座、开关接地检验记录 DQ2.11建筑照明通电、全负荷试运行记录 DQ2.12大型灯具牢固性试验记录 DQ2.13架空线路及杆上电气设备安装分项工程检验批质量验收记录 DQ3.1.1变压器、箱式变电所安装分项工程检验批质量验收记录 DQ3.1.2成套配电柜、控制柜(屏、台)和动力、照明配电箱(盘)及控制框安装分项工程检验批质量验收记录 DQ3.1.3电线导管、电缆导管和线槽敷设分项工程检验批质量验收记录 DQ3.1.4电缆头制作、接线和线路绝缘测试分项工程检验批质量验收记录 DQ3.1.5建筑物景观照明灯、航空障碍标志灯和庭院灯安装分项工程检验批质量验收记录 DQ3.1.6建筑物照明通电试运行分项工程检验批质量验收记录DQ3.1.7接地装置安装分项工程检验批质量验收记录 DQ3.1.8裸母线、封闭母线、插接式母线安装分项工程检验批质量验收记录 DQ3.2.1电缆沟内和电缆竖井内电缆敷设分项工程检验批质量验收记录 DQ3.2.2避雷引下线和变配电室地干线敷设分项工程检验批质量验收记录表 DQ3.2.2电缆桥架安装和桥架内电缆敷设分项工程检验批质量验收记录 DQ3.3.1电线、电缆穿管和线槽敷线分项工程检验批质量验收记录 DQ3.3.2低压电动机、电加热器及电动执行机构检查接线分项工程检验批质量验收记录 DQ3.4.1低压电气动力设备试验和空载试运行分项工程检验批质量验收记录 DQ3.4.2。
架空线路及杆上电气设备安装检验批质量验收记录表GB 50303-200206010 Array1变压器、箱式变电所安装检验批质量验收记录表 GB 50303-20022 1成套配电柜、控制柜(屏、台)和动力、照明配电箱(盘)安装检验批质量验收记录表GB 50303-2002(Ⅰ)高压开关柜321电线导管、电缆导管和线槽敷设检验批质量验收记录表 GB 50303-2002 (Ⅱ)室外4电线、电缆穿管和线槽敷线检验批质量验收记录表 GB 50303-2002060105 060305 060406 060503 060606电缆头制作、接线和线路绝缘测试检验批质量验收记录表GB 50303-2002656767建筑物景观照明灯、航空障碍标志灯和庭院灯安装检验批质量验收记录表GB 50303-200279建筑物照明通电试运行检验批质量验收记录表GB 50303-200281接地装置安装检验批质量验收记录表GB 50303-20029681裸母线、封闭母线、插接式母线安装检验批质量验收记录表GB 50303-200206020 306030 1 06060 4电缆沟内和电缆竖井内电缆敷设检验批质量验收记录表GB 50303-20023电缆桥架安装和桥架内电缆敷设检验批质量验收记录表GB 50303-200224电线导管、电缆导管和线槽敷设检验批质量验收记录表GB 50303-2002(Ⅰ)室内45256防爆导管的连接、接地、固定和防腐7 绝缘导管的连接和保护8 柔性导管的长度、连接和接地9导管和线槽在建筑物变形缝处的处理施工单位检查评定结果项目专业质量检查员: 年月 日监理(建设)单位验收结论监理工程师(建设单位项目专业技术负责人) 年月 日成套配电柜、控制柜(屏、台)和动力、照明配电箱(盘)安装 检验批质量验收记录表 GB 50303-2002(Ⅱ)低压成套柜(屏、台)低压电动机、电加热器及电动执行机构检查接线检验批质量验收记录表GB50303-2002低压电气动力设备试验和试运行检验批质量验收记录表GB 50303-20023工程名称分项工程名称验收部位施工单位专业工长项目经理施工执行标准名称及编号分包单位分包项目经理施工班组长施工质量验收规范规定施工单位检查评定记录监理(建设)单位验收记录主 1 电气设备和线路的试验控项目2现场单独安装的低压电器交接试验一般项目1 运行电压、电流及其指示仪表检查2 电动机试通电检查3交流电动机空载启动及运行状态记录4大容量(630A及以上)导线或母线连接处的温升检查5 电动执行机构的动作方向及指示检查施工单位检查评定结果项目专业质量检查员:年月日监理(建设)单位验收结论监理工程师(建设单位项目专业技术负责人)年月日开关、插座、风扇安装检验批质量验收记录表GB 50303-20028工程名称分项工程名称验收部位施工单位专业工长项目经理施工执行标准名称及编号分包单位分包项目经理施工班组长施工质量验收规范规定施工单位检查评定记录监理(建设)单位验收记录主控项目1 插座及其插头的区别使用2 插座接线3 特殊情况下的插座安装4 照明开关的安装要求5 吊扇的安装规定6 壁扇安装一般项目1 插座安装和外观检查2 照明开关的安装3吊扇的吊杆、开关和表面检查4 壁扇的高度和表面检查施工单位检查评定结果项目专业质量检查员:年月日监理(建设)单位验收结论监理工程师(建设单位项目专业技术负责人)年月日成套配电柜、控制柜(屏、台)和动力、照明配电箱(盘)安装检验批质量验收记录表GB 50303-2002(Ⅲ)照明配电箱(盘)槽板配线检验批质量验收记录表GB 50303-20024工程名称分项工程名称验收部位施工单位专业工长项目经理施工执行标准名称及编号分包单位分包项目经理施工班组长施工质量验收规范规定施工单位检查评定记录监理(建设)单位验收记录主控项目1 槽板配线的电线连接2槽板敷设和木槽板阻燃处理一般项目1 槽板的盖板和底板固定2槽板盖板、底板的接口设置和连接3槽板的保护套管和补偿装置设置施工单位检查评定结果项目专业质量检查员:年月日监理(建设)单位验收结论监理工程师(建设单位项目专业技术负责人)年月日钢索配线检验批质量验收记录表GB 50303-2002普通灯具安装检验批质量验收记录表GB 50303-2002专用灯具安装检验批质量验收记录表GB 50303-2002柴油发电机组安装检验批质量验收记录表GB 50303-2002不间断电源安装检验批质量验收记录表GB 50303-2002避雷引下线和变配电室接地干线敷设检验批质量验收记录表GB 50303-2002(Ⅰ)防雷引下线避雷引下线和变配电室接地干线敷设检验批质量验收记录表GB 50303-2002(Ⅱ)变配电室接地干线建筑物等电位联结检验批质量验收记录表GB 50303-2002接闪器安装检验批质量验收记录表GB 50303-20024工程名称分项工程名称验收部位施工单位专业工长项目经理施工执行标准名称及编号分包单位分包项目经理施工班组长施工质量验收规范规定施工单位检查评定记录监理(建设)单位验收记录。