零部件确认流程图
- 格式:pdf
- 大小:187.83 KB
- 文档页数:1
轿车底盘零部件产品开发设计流程
一、德系产品客户认可工作流程
见附录A、附录B
二、北美产品认可工作流程
见附录C、附录D
三、出口产品认可工作流程
见附录E、附录F
四、过程设计开发工作流程
见附录G
五、产品试制工作流程
见附录H
产品和过程认可工作流程(自制件)
产品和过程认可工作流程(自制件)
产品和过程认可工作流程(外购件)
产品和过程认可工作流程(外购件)
产品和过程认可工作流程(自制件)
产品和过程认可工作流程(自制件)
产品和过程认可工作流程(自制件)
产品和过程认可工作流程(外购件)
产品和过程认可工作流程(外购件)
产品和过程认可工作流程(外购件)
产品和过程认可工作流程(自制件)
产品和过程认可工作流程(自制件)
产品和过程认可工作流程(自制件)
产品和过程认可工作流程(外购件)
产品和过程认可工作流程(外购件)
产品和过程认可工作流程(外购件)
产品过程设计和开发工作流程。
汽车新产品开发质量签收管理程序1范围本程序适用于新产品开发各环节的质量签收。
本程序适用于XX汽车股份有限公司(以下简称公司)本部,分公司及控股子公司可参照执行。
2 目的规范新产品开发各环节的签收作业,保证零部件的一致性与符合性,确保整车/机性能达到设计目标,最终满足与超越顾客对产品的期望。
3 术语和定义3.1 签收:对交付物的状态进行确认。
3.2 全尺寸:图纸标注的全部尺寸(包括性能和材质)。
3.3 供应商出厂报告:供应商出具的全检报告和全尺寸报告。
4 职责4.1 采购部:负责对供应商零部件与技术资料符合性、一致性的确认。
4.2 制造工厂:负责对配套件的实物符合性进行验证,负责对生产成品的符合性进行确认。
4.3 项目组:负责制定零部件签收明细,确认零部件与设计状态投产过程的一致性,负责对整车/机的状态进行确认与保证。
4.4 汽研总院:负责对每轮前5辆/台产品在生产现场指导、确认设计状态与生产状态的符合性。
4.5 质量部:负责本流程各环节执行情况的督查与考核。
5 工作要求及程序5.1 工作程序5.1.1 预装车/机的签收(1)确定签收明细1) CC前,由项目组制定需进行签收的零部件/产品明细及项目,原则上要包括关重零部件和正在进行质量整改的零部件。
2) CC后,对所有专用零部件/产品进行签收。
(2)制造工厂发送《配套件检查规格》(附录B.1)给供应商。
(3)供应商按公司的《配套件检查规格》编制检验项目。
(4)制造工厂审批供应商检验项目通过后,向采购部STA、供应商发布。
(5)制造工厂编制零部件控制计划(附录B.2)。
(6)制造工厂对产品预验收,须确认零部件以下基础资料:开发技术要求、定点通知、产品BOM表、生产(试制)计划、供应商检查成绩表、产品三联单等的完整性与有效性。
5.1.2 零部件全尺寸的签收(1)供应商依据开发合同、产品图、技术条件等,每批须抽取5件零部件进行全尺寸的检测,出具全尺寸报告。
零部件初品确认管理规范(ISO9001:2015)1.0 目的为确保公司新增的原材料及零部件与4M变更的原材料及零部件符合产品品质要求,特制定本规程。
2.0 适用范围适用于本公司生产及采购的原材料和零部件的初品评价管理和确认工作。
3.0 定义3.1 零部件初品:因新增物料、设计更改、模具改造(改模、修模、复制模等)、新增供方、材料替代、工艺改进等原因而最初生产的零部件及形成零部件的原材料。
3.2 4M:是指影响产品品质的人、机、料、法4个要素。
4.0 职责4.1 初品检验员:负责初品的检验和测试工作,并及时提供初品检验报告,对测试结果的正确性负责。
4.2 理化测试工程师: 负责新增的原材料、与食物接触零部件的某些材料特性及产品销售国家或地区要求的相关理化指标检验和测试工作,及时提供理化指标检验报告,对测试结果的正确性负责。
4.3 开发设计工程师:负责提供初品检测所需的技术规格书、测试项目、图纸、关键尺寸标注等需测试的标准,对提供的技术文件正确性、合理性负责,在IQC出具合格的初品测试报告后,依据综合需求,对零部件初品下发确认单确认,对初品的最终品质确认,并负责与供应商就初品技术和质量问题进行沟通和全程跟进。
4.4 工程技术工程师:负责量产后产品改进、设计更改、4M变更后的初品评估和确认,并对以上初品的最终品质确认。
4.5 电气/电器工程师: 负责对产品的元器件与电器件的技术确认并负责与供应商就技术和质量问题进行沟通和全程跟进。
4.6 检验工程师:负责检验作业指导书的制定,并依据委托测试单做相关实验,并对IQC不能检验的项目负责转委托测试(测试评价或第三方评价)。
负责初品评价实验的效性,出具相关实验报告。
4.7 产品评价工程师:负责对初品报告的审核,决定初品能否符合成品需求并确认初品能否批量试用,并对来料检零部件检验标准会签确认。
4.8IQC主管:负责初品检验工作的整体协调和高效运作,负责零部件初品报告审核,并有权对初品不良项目责成相关部门改善。
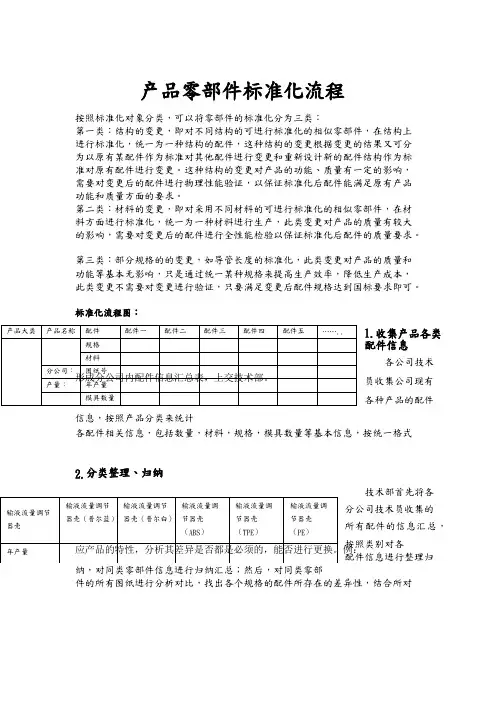
产品零部件标准化流程按照标准化对象分类,可以将零部件的标准化分为三类:第一类:结构的变更,即对不同结构的可进行标准化的相似零部件,在结构上进行标准化,统一为一种结构的配件,这种结构的变更根据变更的结果又可分为以原有某配件作为标准对其他配件进行变更和重新设计新的配件结构作为标准对原有配件进行变更。
这种结构的变更对产品的功能、质量有一定的影响,需要对变更后的配件进行物理性能验证,以保证标准化后配件能满足原有产品功能和质量方面的要求。
第二类:材料的变更,即对采用不同材料的可进行标准化的相似零部件,在材料方面进行标准化,统一为一种材料进行生产,此类变更对产品的质量有较大的影响,需要对变更后的配件进行全性能检验以保证标准化后配件的质量要求。
第三类:部分规格的的变更,如导管长度的标准化,此类变更对产品的质量和功能等基本无影响,只是通过统一某种规格来提高生产效率,降低生产成本,此类变更不需要对变更进行验证,只要满足变更后配件规格达到国标要求即可。
标准化流程图:1.收集产品各类配件信息各公司技术员收集公司现有各种产品的配件信息,按照产品分类来统计各配件相关信息,包括数量,材料,规格,模具数量等基本信息,按统一格式2.分类整理、归纳技术部首先将各分公司技术员收集的所有配件的信息汇总,按照类别对各配件信息进行整理归纳,对同类零部件信息进行归纳汇总;然后,对同类零部件的所有图纸进行分析对比,找出各个规格的配件所存在的差异性,结合所对3.对可进行标准化的配件核算其标准化的效益和成本技术部对上一步分析中可以进行标准化的配件,根据根据各配件的年总需求量,单个配件所需要的原材料成本,加工成本,以及加工此类配件的模具的数量、精度等,对可进行标准化的配件从原材料成本、加工成本、换模成本等方面进行汇总,确定各标准化方案所带来的直接经济效益或成本,结合此标准化方案所带来的管理效益、质量效益等进行综合评比,以此来确定最佳的标准化方案。
1汽车制造有限公司支持性文件1 目的1.1 为规范各生产线各类零部件的切换工作同时与ERP系统同步执行,防止出现呆滞料影响生产计划执行。
2 范围2.1 适用于制造部各生产线上零部件的切换。
3 定义3.1 零部件:本办法中指各生产线上使用的零件个体、总成、标准件、化学品、油品、各类附件等生产物料。
3.2 生产制造部:指焊装制造部、涂装制造部、总装制造部三大制造部的统称。
3.3 切换输出:是指因质量原因、工艺原因、新产品试制需要改变原有生产状态、新品种的生产需求,可以是纸档、电子档、会议纪要、领导签字批示等文件。
3.4 ERP系统:是指本公司向用友公司购买的NC系统,全面指导、处理、指挥、控制本公司生产经营活动的一个计算机运算平台。
4 职责4.1 品质保证部4.1.1 质量管理科SQE负责输出所有因质量整改、质量优化、程序升级等原因造成零部件切换的申请(需注明老状态零部件的处理方法,如需BOM变更,需要经过工艺转化)。
4.1.2 质量管理科SQE负责通知厂家对质量整改的首批来件做好标识区分。
4.1.3 质量管理科SQE负责根据生管提供的切换信息下发切换确认单流程给各个部门。
4.1.4 检验科检验员负责对【切换库存统计表】里的物料清单进行重点检查。
4.1.5 检验科检验员负责对新状态件进行检验并通知生产管理部组织进行评审。
4.1.6 检验科长负责审核切换信息验证记录。
4.1.7 文员负责切换信息的接收及传递。
4.2 工艺技术部4.2.1 工艺员负责所有设计变更、新产品批量、临时混装、临时处理等零部件切换,做【技术状态更改通知单】下发各部门(生管、品保、总装、物流、焊装、涂装、采购中心、财务、售后服务公司等部门,并注明老状态零部件的处理方法)。
4.2.2 工艺员负责产品部所有的工艺文件以及品保下发的切换申请(件号变更)的对接、转换、下发工作。
4.2.3 BOM管理员负责根据切换信息对PBOM进行维护。
4.2.4 文员负责切换信息的接收及传递。
设计BOM:结构组件+电子组件+包装组件构成的所有零件清单。
制造BOM:设计BOM+制造辅料构成的所有零件清单。
3.7防错:一种在产品设计和开发阶段和制造过程中防止制造不合格产品的方法。
3.8质量功能展开(QFD):质量功能展开(Quality Function Deployment;QFD),是一个能够将顾客的心声转为商品设计,以制造出能够符合顾客需求的产品,并且能在转换的过程中透过企业内部的营销行销,商品开发、品质设计及生产制造的相关部门的整合与协调,以提升跨部门间相互沟通与共享咨询的绩效。
3.9项目经理:研发部对具体开发项目实行项目经理负责制,负责开发项目的组织、协调、监督等。
3.10IQC(Input Quality Control):来料品质检验。
3.11DR(design review)设计评审,DR1策划阶段;DR2图纸阶段;DR3样机阶段;DR4试生产阶段3.12量产之前的所有设计变更,研发中心以《技术通知单》(XX-00-11)形式通知相关部门。
4、职责和权限:4.1销售部:1)营销调研。
2)起到与客户有关联业务的窗口作用。
4.2研发部:1)技术可行性分析、成本核算。
2)制定年度新产品开发计划。
3)开发项目可行性评审。
4)与客户签订技术协议。
5)组织成立CFT小组。
6)改型品和新产品的确定。
7)质量功能展开(QFD)。
8)确定设计方案报告书、制定新产品设计进度计划表。
9)设定设计品质目标、关键器件清单、初始流程图、外观仕样图。
10)制定初始物料清单、初始特殊特性清单、产品安全与法律法规评估。
11)产品策划阶段评审DR1制定总成图、技术指标。
12)系统DFMEA、防错设计。
13)制定结构总图、原理图。
14)结构FMEA、线路FMEA。
15)制定零件图、线路图。
16)制定物料清单17)样品确认。
18)工程、物料规范制定。
19)包装、说明书、特殊特性的制定。
20)组织CFT小组成员进行图纸设计评审(DR2)评审。
汽车零部件研发流程APQP表单输出随着社会的发展,汽车行业在不断的壮大,人们对汽车性能要求以及零部件的要求也越来越高。
一个汽车零部件的研发需要经过漫长而严格的过程,需要项目团队的共同参与,执行每个岗位的工作职责,APQP主要应用在各个汽车行业的主机厂、零部件厂商在研发新项目时所遵循的汽车类的项目管理框架。
主要涉及的质量标准IATF16949,是汽车类企业需要进行认证的体系。
汽车零件部件研发流程可总结成6个阶段,分别为RFQ阶段GATE0 (项目企划一V1),项目策划及确立阶段GATE1(项目输入一丫2),产品设计和开发阶段GATE2 (产品设计与开发一V3),过程设计与开发GATE3 (过程设计与开发—V4),产品及过程确认阶段GATE4(产品和过程确认一V5),量产阶段及项目总结6人丁£5(项目输出一V6)。
以下是针对研发流程的每个阶段过程输出进行详细讲解。
RFQ阶段GATE0 (项目企划一VI)该阶段也属于前期阶段,主要是收集市场需要信息,项目组针对主机厂整车提供的开发需求,确定客户产品开发需求,详细了解整车开发的品质及周期要求,并且在此基础上评估自身设计开发能力、品质能力、生产能力、风险评估及效益评估,这就需要公司全体技术成员参与评估是否立项。
同步针对现有的生产工艺、技术能力等进行项目可行性评估。
产品需求包括:产品物理功能特性、产品运用范围和环境、产品寿命、可用性、可靠性、法律法规要求。
可行分析包括:市场调研(同行业质量的可靠性,资料的收集跟分析)、政策分析、技术分析、专利分析、SWOT分析、产品定义建议、资源需求分析、成本效益分析、项目进度分析。
关键输出物:《客户项目信息表》、《客户技术资料》、《客户样件》、《客户需求表》、《成本策划分析表》、《项目可行性分析报告》项目策划及确立阶段GATE1(项目输入一丫2 )根据客户的整车开发需求,如产品物理和功能特性、产品应用范围和环境、产品寿命、可靠性、可用性、产品法规要求、试验要求、性能要求等制定产品开发计划表、新产品的需求定义表来明确产品在设计开发过程的输入整车或系统及参数需求。
一、目的为保证产物的质量, 满足客户的要求, 规范公司产物生产制造的运作和管理, 保证产物的产能和质量.二、范围依照公司的技术、质量、本钱要求组织生产的产物, 其生产制造推销过程的管理.三、界说术语ODM:制造商负责设计生产, 在产物成型后, 被委托商买去以自己的名义出售的合作生产方式.四、职责和权限(包括但不限于)4.1、推销部负责0DM管理4.1.1、ODM项目立项.4.1.2、ODM厂家选点;起草和签订ODM有关协议、合同, 组织对所选的工厂考核和评价;与工厂沟通双方协作部份、人员的职责及权限;工厂制品交货期评审; ODM产物的本钱控制; ODM产物生产过程控制.4.1.3、ODM产物本钱、利润分析、综合报价核算.4.1.4、ODM工厂评审、合格供方的管理.4.2、开发设计4.2.1、ODM产物的研发、编制、确认ODM有关的技术文件, 产物认证.4.2.2、确认ODM制品检验关键指标、型式试验及相关试验和分歧格的处置, 负责质量改善.4.3、财政4.3.1、ODM项目立项审核, 产物价格审核和有关盈利测算.6.1、ODM工厂的开发6.1.1、在对ODM工厂的开发中, 推销部负责和ODM工厂签订合同协议, 包括但不限于《ODM合作框架协议》、《质量协议》、《商标许可协议》、《价格协议》.6.1.2、在对ODM工厂的开发中, 推销部负责收集与产物的生产制造相关联的资料:包括《供应商注册申请表》、工艺流程、重点生产设备清单、关键的监视和丈量设备清单、关键岗位及检验岗位清单、重要原资料的清单与合格供应商清单.6.1.3、开发与质量负责ODM产物技术工艺准备:确认产物零部件明细表、产物规格书、关键零部件清单、零部件检验标准、出厂检验标准、生产用图纸, 并负责部品考核, 编制考核陈说, 即部品(样品、性确、量确)报验兼结果陈说.6.1.4、质量依照《产物出厂标准》负责ODM的产物质量的监督检验, 并出具监督检验陈说.6.1.5推销部负责ODM工厂的供应商名单的维护.6.2 、ODM工厂的评价与再评价6.2.1、ODM工厂的评价与再评价流程参照推销控制法式进行, 同时也必需满足6.3)ODM工厂的管理及生产过程控制及6.4)ODM监督抽查的要求.6.2.2、推销部组织开发、质量、财政对ODM工厂自少每年评审一次并出具供应商评审陈说.6.3 、ODM工厂的管理及生产过程控制6.3.1、月度生产计划的编制和管理6.3.1.1、推销部根据市场部的需求、生产计划完成情况、制品库存、ODM工厂生产能力及生产状况等编制ODM制品的月度生产计划, 与ODM工厂确认后实施.6.3.1.2 、ODM工厂应严格按生产计划的要求按时、按质、按量供货, 当生产计划因实际情况需要修改时, 由推销部负责组织与ODM工厂进行协商, 下达新的生产计划确认后实施.6.3.2、ODM运行控制及生产过程控制6.3.2.1 、推销部负责对ODM工厂合同、协议的履行情况进行监督.6.3.2.2、为保证生产计划的完成, 质量负责对ODM工厂生产过程进行监控并出具“ODM生产过程监控记录”.监控内容主要包括:产物一致性、关键岗位人员简直认、监视和丈量设备简直认、产物工序流转与检查卡、分歧格品处置情况、制品一次交验合格率情况、制品的出厂检验陈说、制品的入库单等.6.3.2.3、过程简直认管理:当产物结构或生产工艺需要变更时, 推销部协调开发和质量确认其效果后, 提供确认陈说, 方可投入批量生产. ODM产物的重要原资料、零部件(技术要求、参数、供应商等)发生变更时, 推销部协调, 开发和质量确认后, 提供确认陈说, 方可投入批量使用.6.3.3、监视和丈量设备的控制:ODM工厂监视和丈量设备由ODM工厂依照其质量管理体系要求控制, 和ODM产物相关的监视和丈量设备清单台帐提供给质量予以保管.质量每年对ODM工厂的检验、丈量和试验设备控制状态(精度、准确度、有效状态等)进行确认.6.3.4 、ODM产物的监视和丈量:6.3.4.1、入厂检验及过程产物检验:由ODM工厂根据其质量管理体系要求进行控制, 质量部协助推销部视需要对ODM工厂入厂检验过程和检验结果进行抽检和验证, 原则上每季度很多于一次.对关键原资料及重要的元器件, 严格依照要求进行检查, 年度进行监督检查.6.3.4.2、生产过程检验:ODM制品生产过程检验由ODM工厂根据其质量管理体系要求进行控制, 质量部协助推销部视需要对产物一致性、生产过程符合性进行检查、验证.6.3.4.3、制品检验:产物依照《出厂标准》完成检验.6.3.5、分歧格品的控制6.3.5.1、经检验判定为分歧格的ODM制品陈说由质量备案, 由质量判断返工或让步放行,质量认为需要时, 应征得市场部的同意,适用时经顾客批准.6.3.5.2、ODM工厂负责组织分歧格零部件、制品的返工和返工后的重新检验.6.3.6、数据分析:6.3.6.1、质量每月质量统计分析发现的分歧格或潜在的分歧格, 质量视需要签发“纠正/预防办法单”, 同时负责催促ODM工厂制定纠正或预防办法并实施, 验证实施效果.6.3.6.2、市场部每月对市场反馈信息进行统计, 由质量根据质量问题的性质进行整改.6.4 、ODM监督抽查6.4 .1、对已经批量生产的ODM产物, 质量部对ODM工厂应确保每年至少进行一次质量管理体系审核、ODM产物年度检验试验,并出具相关陈说给公司.对质量部审核、检验中发现的问题, 推销部和ODM工厂应“限期整改”.6.4 .2、公司每年在对ODM产物进行监督抽查欠亨过时(发生质量事故、虽未构成质量事故, 但市场投诉较多、产物抽检发现致命性分歧格), 应复审, 决定“限期整改”或“停产整顿”.6.5、其他6.5.1、当公司新增产物型号时, 推销部依照要求进行管理与控制,并签订新增供货产物弥补协议.6.5.2、产物超越1年未生产时, 推销部应组织公司相关部份对ODM产物进行检验测试, 检验合格方可进行.6.5.3 、ODM合作终止时, 推销部处置包括但不限于以下事项:提供给ODM工厂的财富、合同协议、工厂库存、售后服务、财政结算等.七、相关文件与表单7.1、《ODM合作框架协议》7.2、《质量协议》7.3、《商标许可协议》7.4、《价格协议》7.5、《供应商注册申请表》。