安全隐患整改情况复查表
- 格式:doc
- 大小:23.50 KB
- 文档页数:1
安全隐患排查整改情况登记台帐
巡查部门名称:枣庄宝景售后服务部2017年04月24日Array填表说明:
1、此表由现场跟班巡查人员和负责整改人员填写,整改情况和复查情况栏目中填写是否正常字样(正常要写正常,不正常要写不正常)。
2、填写内容应清晰、字迹整齐、记录问题真实有效。
3、现场未能及时处理或不能处理的隐患应立即上报,并以电子邮件的方式发送至公司领导,并有领导对相关负责整改责任人员发出指令执行。
4、此表不定时、不定期填写,第一时间反馈上。
5、负责验收复查的人员签字、拍照后,会在验收后的第一个工作日内做出评价,并以电子邮件的方式上传公司各级领导。
6、该表格中记录所有内容将直接对润东集团和枣庄宝景汽车销售服务有限公司各级领导负责。
7、该表格记录文本内容作为安全生产监督管理部门的法律依据。
枣庄宝景汽车销售服务有限公司。
安全隐患排查整改表序号 | 隐患名称 | 隐患类型 | 可能危害 | 照片/视频 | 整改措施 | 整改责任人 | 截止日期------|----------|---------|----------|-----------|-----------|------------|-------1 | 路面裂缝 | 设施设备类 | 行人绊倒 | 无 | 填补裂缝,铺设防滑路面 | 设施运维人员 | 2023-01-312 | 消防通道堵塞 | 环境卫生类 | 火灾蔓延 | 无 | 清理通道,增设防火设施 | 安全管理人员 | 2023-02-283 | 电气线路老化 | 设施设备类 | 电气短路 | 无 | 更换老化线路,加强绝缘维护 | 电气维护人员 | 2023-03-314 | 员工缺乏安全培训 | 人员行为类 | 事故发生 | 无 | 安排全员参加安全培训课程 | 安全培训主管 | 2023-04-305 | 高处作业无防护设施 | 设施设备类 | 坠落事故 | 无 | 安装安全网和扶手,加强安全培训 | 工程施工人员 | 2023-05-316 | 化学品存放混乱 | 环境卫生类 | 化学品泄漏 | 无 | 对化学品进行分类存放,加固存放架 | 化学品管理人员 | 2023-06-307 | 紧急逃生通道被堵塞 | 环境卫生类 | 火灾蔓延 | 无 | 加强通道管理,设置告警装置 |安全管理人员 | 2023-07-318 | 机械设备未定期检修 | 设施设备类 | 故障事故 | 无 | 制定设备维护计划,加强设备检修 | 设备维护人员 | 2023-08-31以上是本单位近期排查出的安全隐患情况,为了确保员工和设施的安全,我们制定了相应的整改措施和责任人,并规定了整改截止日期。
希望各位相关部门和责任人能够严格按照要求进行整改,确保安全隐患得到及时解决,达到预防事故的目的。
在进行整改过程中,我们将严格执行以下工作流程:1. 隐患整改措施方案的落实情况由安全管理部门负责监督,监督周期为整改周期的1/3,每周至少一次监督检查。
项目部安全检查及隐患整改记录表(安全周检暨起重吊装专项检查)GDAQ2030201 001工程名称: 施工单位:检查人员签名见签到表检查情况及存在的隐患:2019年7 月22 日上午9:00,经我部现场安全周检暨起重吊装专项检查发现,存在以下问题须要整改:1、洗车槽临边防护缺失(见图1);责任单位:2、1#大门口右侧集水坑临边防护缺失(见图2);责任单位:3、现场南侧炮机机头吊装钢丝绳已严重损坏(见图3);责任单位:4、现场南侧发现一名作业人员未佩戴安全帽、反光衣(见图4);责任单位:5、生活区东侧大门口排水沟盖板已损坏(见图5);责任单位:6、现场北侧承台临边警示拉设不到位(见图6);责任单位:7、现场北侧静载试验未拉设警戒带(见图7);责任单位:8、静压桩机电缆发现一处绝缘皮破(见图8);责任单位:整改期限见整改分工表整改班组(部门) 见整改分工表整改责任人见整改分工表项目安全部李昌隆整改责任人(签名):时间:复查意见:复查单位:中建钢构有限公司复查人:时间:注:1、本表一式二份,项目部、受检单位(班组)各一份。
2、可附签到表安全隐患整改分工表序号安全隐患整改措施整改时间责任单位(部门)责任人总责任人监督人备注立即将临边防护1 洗车槽临边防护缺失(见图1) 1 天刘华恢复或回填或使李昌隆用铁马临时围护2 1#大门口右侧集水坑临边防护缺失(见图2)立即使用标准化防护栏杆封闭1 天刘华李昌隆现场南侧炮机机头吊装钢丝绳已严重损坏(见图3)立即将该钢丝绳报废处理,并清理出场1 天李永乐张华力3李昌隆4 现场南侧发现一名作业人员未佩戴安全帽、反光衣(见图4)再次对该作业人员进行安全教育1 天李永乐张华力胡占东李昌隆5 生活区东侧大门口排水沟盖板已损坏(见图5)立即将该盖板恢复1 天吕孝喜刘华李昌隆现场北侧承台临边警示拉设不到位(见图6)四个面均要设置铁马并拉设警示带1 天张小斌陈煌权6李昌隆7 现场北侧静载试验未拉设警戒带(见图7)立即拉设警戒带 1 天张小斌陈煌权李昌隆8 静压桩机电缆发现一处绝缘皮破损(见图8)立即将破损处修复1 天张小斌陈煌权李昌隆备注:1、请各单位在规定时间内整改完毕,并书面回复总包安监部(加盖项目章)。
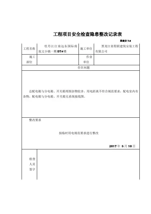
工程项目安全检查隐患整改记录表黑建安7.8黑龙江省建设安全监督管理总站监制工程项目安全检查隐患整改记录表黑建安7.8黑龙江省建设安全监督管理总站监制工程项目安全检查隐患整改记录表黑建安7.8黑龙江省建设安全监督管理总站监制工程项目安全检查隐患整改记录表黑建安7.8黑龙江省建设安全监督管理总站监制工程项目安全检查隐患整改记录表黑建安7.8黑龙江省建设安全监督管理总站监制工程项目安全检查隐患整改记录表黑建安7.8黑龙江省建设安全监督管理总站监制工程项目安全检查隐患整改记录表黑建安7.8黑龙江省建设安全监督管理总站监制工程项目安全检查隐患整改记录表黑建安7.8黑龙江省建设安全监督管理总站监制工程项目安全检查隐患整改记录表黑建安7.8黑龙江省建设安全监督管理总站监制工程项目安全检查隐患整改记录表黑建安7.8黑龙江省建设安全监督管理总站监制工程项目安全检查隐患整改记录表黑建安7.8黑龙江省建设安全监督管理总站监制工程项目安全检查隐患整改记录表黑建安7.8黑龙江省建设安全监督管理总站监制工程项目安全检查隐患整改记录表黑建安7.8黑龙江省建设安全监督管理总站监制工程项目安全检查隐患整改记录表黑建安7.8黑龙江省建设安全监督管理总站监制工程项目安全检查隐患整改记录表黑建安7.8黑龙江省建设安全监督管理总站监制工程项目安全检查隐患整改记录表黑建安7.8黑龙江省建设安全监督管理总站监制工程项目安全检查隐患整改记录表黑建安7.8黑龙江省建设安全监督管理总站监制工程项目安全检查隐患整改记录表黑建安7.8黑龙江省建设安全监督管理总站监制工程项目安全检查隐患整改记录表黑建安7.8黑龙江省建设安全监督管理总站监制工程项目安全检查隐患整改记录表黑建安7.8黑龙江省建设安全监督管理总站监制工程项目安全检查隐患整改记录表黑建安7.8黑龙江省建设安全监督管理总站监制。
安全隐患排查分析表
分析单位:_____________________________ 时间:______________
一、背景信息:
名称:_____________________________ 地点:_________________
二、隐患情况:
1. 隐患描述:
隐患编号隐患描述风险等级责任人状态
2. 隐患分析:
请对每个隐患进行分析,并填写以下内容:
2.1 隐患原因:
描述该隐患产生的原因和背景信息。
2.2 隐患影响:
分析该隐患可能造成的影响和危害。
2.3 隐患控制措施:
提出针对该隐患的控制措施,并附加可能采取的常用方法或工具。
三、整改措施:
1. 整改计划:
请填写以下整改计划,并注明计划完成时间:隐患编号整改计划计划完成时间2. 整改执行情况:
隐患编号整改情况实际完成时间
四、复查情况:
1. 复查计划:
请填写以下复查计划,并注明计划复查时间:隐患编号复查计划计划复查时间2. 复查情况:
隐患编号复查情况实际复查时间五、责任追究:
请填写以下责任追究情况:
隐患编号责任人追究情况
六、改进建议:
请填写以下改进建议:
七、审核意见:
请填写审核人的意见:
审核人签字:__________________________ 审核日期:______________
八、备注:
请填写备注信息(如需要):
以上内容为《安全隐患排查分析表》的格式,根据实际情况填写相应的字段。
请确保所填写的内容准确、合理,以保证安全隐患得到及时整改和解决,确保工作场所的安全。
学校安全隐患排查及整改记录表2学校安全隐患排查及整改记录表日期:20XX年XX月XX日学校名称:XXX学校一、安全隐患排查情况在本次学校安全隐患排查中,结合学校实际情况,我校全面检查了学校各项设施、教学楼、食堂、宿舍楼等地点的安全隐患。
具体情况如下:1. 教学楼1.1 楼道照明问题:发现1栋2楼楼道照明不足,存在安全隐患。
1.2 窗户安全问题:发现3栋1楼部分教室窗户无防护网,有坠落风险。
1.3 消防器材不全:发现5栋消防设施未经定期检查,部分灭火器已过期。
2. 食堂2.1 油烟排放问题:发现厨房油烟排放设施不完善,存在火灾隐患。
2.2 食品卫生问题:发现食堂部分食品加工区域存在卫生死角,需加强清洁管理。
3. 宿舍楼3.1 电线隐患:发现宿舍楼部分电线老化、裸露,存在触电风险。
3.2 消防通道堵塞:发现宿舍楼消防通道被杂物堵塞,阻碍疏散。
二、整改措施基于以上发现的安全隐患,学校将立即采取以下整改措施,确保师生的安全:1. 教学楼1.1 更换楼道灯泡,确保楼道照明充足。
1.2 安装窗户防护网,预防坠落事故。
1.3 联系消防部门,开展消防设施定期检查和维护工作。
2. 食堂2.1 安装高效油烟净化设备,改善厨房油烟排放情况。
2.2 加强食堂食品加工区域的日常清洁,定期进行卫生检查。
3. 宿舍楼3.1 更换老化电线,确保电线安全可靠。
3.2 清理消防通道,确保畅通无阻。
以上整改工作将由学校行政部门、保卫部门及相关单位共同协作完成,并定期进行安全检查,确保行动的有效性和持续性。
三、目前整改情况截止至20XX年XX月XX日,我校已经完成了以下整改工作:1. 教学楼1.1 楼道照明已更换,保证了楼道的照明充足。
1.2 部分教室窗户已安装防护网,保障了师生的人身安全。
1.3 联系消防部门对消防设施进行了定期检查和维护,确保其正常运行。
2. 食堂2.1 安装了高效油烟净化设备,改善了厨房的油烟排放情况。
2.2 食品加工区域加强了日常清洁,卫生状况有了明显改善。
安全检查隐患整改单集团公司文件内部编码:(TTT-UUTT-MMYB-URTTY-ITTLTY-表6.1.6 安全检查隐患整改单检查部门:苏州城市公共配送枢纽三期工程项目部检查日期:注:本单一式两份,由现场专职安全员及整改责任人各执一份。
表6.1.6 安全检查隐患整改单检查部门:苏州城市公共配送枢纽三期工程项目部检查日期:表6.1.6 安全检查隐患整改单检查部门:苏州城市公共配送枢纽三期工程项目部检查日期:注:本单一式两份,由现场专职安全员及整改责任人各执一份。
表6.1.6 安全检查隐患整改单检查部门:苏州城市公共配送枢纽三期工程项目部检查日期:注:本单一式两份,由现场专职安全员及整改责任人各执一份。
表6.1.6 安全检查隐患整改单检查部门:苏州城市公共配送枢纽三期工程项目部检查日期:表6.1.6 安全检查隐患整改单检查部门:苏州城市公共配送枢纽三期工程项目部检查日期:注:本单一式两份,由现场专职安全员及整改责任人各执一份。
表6.1.6 安全检查隐患整改单检查部门:苏州城市公共配送枢纽三期工程项目部检查日期:注:本单一式两份,由现场专职安全员及整改责任人各执一份。
表6.1.6 安全检查隐患整改单检查部门:苏州城市公共配送枢纽三期工程项目部检查日期:注:本单一式两份,由现场专职安全员及整改责任人各执一份。
表6.1.6 安全检查隐患整改单检查部门:苏州城市公共配送枢纽三期工程项目部检查日期:注:本单一式两份,由现场专职安全员及整改责任人各执一份。
表6.1.6 安全检查隐患整改单检查部门:苏州城市公共配送枢纽三期工程项目部检查日期:注:本单一式两份,由现场专职安全员及整改责任人各执一份。
表6.1.6 安全检查隐患整改单检查部门:苏州城市公共配送枢纽三期工程项目部检查日期:。