上海交通大学医学院附属瑞金医院-医疗行业-知识管理 解决方案
- 格式:pdf
- 大小:737.41 KB
- 文档页数:5
综 述188 *基金项目:上海交通大学中国医院发展研究院2020年度医院后勤管理研究项目(CHDI-2020-C-06)“智慧型医院大型设备绩效管理分析体系的构建”①上海交通大学医学院附属瑞金医院资产管理处 上海 200025作者简介:张应,女,(1976-),硕士,高级经济师,研究方向:医学装备。
[文章编号] 1672-8270(2021)05-0188-04 [中图分类号] R197.39 [文献标识码] AEconomic benefit analysis of the operation of large-scale medical equipment under digital intelligent management mode/ZHANG Ying, XIA Zhen-wei, CHEN Hai-tao//China Medical Equipment,2021,18(5):188-191.[Abstract] With the application and innovation of network technology and computer technology, large-scale medical equipment in medical institutions is also developing in the direction of digitization, refinement, automation and intelligence. Medical equipment is an important component of fixed assets of hospital. The procurement, use and maintenance, etc. of large-scale medical equipment require hospital to pay a huge amount of special economic investment. The economic benefits of large-scale medical equipment operation will have a greater impact on the economic benefits of hospital. Therefore, the analysis of economic benefits of large-scale medical equipment can reduce the blindness in investment of that, and provide scientific basis for hospital to purchase equipment. [Key words] Large-scale medical equipment; Hospital; Economic benefit; T otal cost accounting[First-author’s address] Asset Management Office, Ruijin Hospital Affiliated to Shanghai Jiaotong University School of Medicine, Shanghai 200025, China.[摘要] 网络技术和电子计算机技术的应用和创新,使医疗机构的大型医疗设备朝着数字化、精细化、自动化及智能化方向发展。
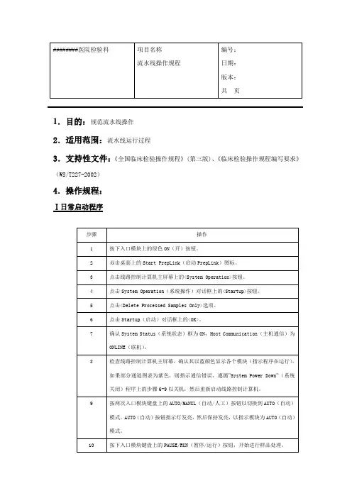
1.目的:规范流水线操作2.适用范围:流水线运行过程3.支持性文件:《全国临床检验操作规程》(第三版)、《临床检验操作规程编写要求》(WS/T227-2002)4.操作规程:Ⅰ日常启动程序1.标本前处理系统A起始平台运行及操作:i.装载样品至本系统入口模块的收集架上,每个收集架可以容纳50个标本,被连续装载到样品管输送器上,并在系统中传送。
在收集架为空时闪光标灯将起动。
操作人员便可装载其他已装满的收集架,提供连续的样品管,使其在系统中移动。
ii.样品在离开入口模块后,便进入条形码读取器(位于条形码校验模块和所有出口模块上)。
读取器对样品管条形码进行读取,并校验样品程序。
如果条形码标签已损坏、缺失或条形码标签长度或类型错误读取器将无法读取。
样品程序不被接受,样品管将被移送到入口模块的错误通道内。
iii.当错误通道内样品管堆满时,音响警报和闪光标灯闪动。
此时,操作人员必须将样品管从错误通道上移走。
注意:条形码校验模块将样品移送到错误通道上的原因有以下几个方面:条形码受损、缺失或不能读取。
样品程序不一致或无效。
样品条形码之前已被读取(条形码数字重复)。
条形码标签长度或类型错误。
样品管无样品程序。
由于设置信息上的归类出现冲突。
B自动离心模块运行及操作:智能自动机械臂可连续地将样品管移到离心机内四组样品固定装置中的一组。
每组样品固定装置有两排,每排5个,可装载10个样品管。
离心机转速范围为500~3000r/min,离心时间范围为60~999s,可设定最佳(时间和转速)程序,当标本量不足40个时,可按优先按钮,系统会自动根据实际标本量自动使用一个或多个装有水的平衡管平衡后进行离心。
C开盖模快运行及操作:i.开盖模块只可选用一种相同规格试管盖的试管,使用的试管长度也要求一致。
ii.如果盖子不能从样品管上去除,开盖装置将重复操作两次以上,但如果盖子仍然不能去除,音响警报和闪光标灯闪动,系统停止操作,操作人员应立刻进行检查原因,排除故障。
瑞金医院信息化团队建设实践
朱静;索仲良;姜昌斌;朱立峰
【期刊名称】《中国数字医学》
【年(卷),期】2011(6)3
【摘要】人才是医院信息化建设的根本。
上海交通大学医学院附属瑞金医院从2000年开始自主开发医院信息系统,走出一条可持续的信息化发展之路。
已建成五大系统,284个子系统,拥有联网终端3600台,各类服务器1102台。
2007年入选全国首批20家数字化医院示范试点单位,
【总页数】3页(PI0024-I0026)
【关键词】医院信息化建设;团队建设;医院信息系统;上海交通大学;信息化发展;数字化医院;瑞金医院;医学院
【作者】朱静;索仲良;姜昌斌;朱立峰
【作者单位】上海交通大学医学院附属瑞金医院
【正文语种】中文
【中图分类】R197.324
【相关文献】
1.公安信息化应用科研团队建设实践研究 [J], 课题组
2.浅析公安信息化应用科研团队建设实践 [J], 崔磊磊
3.多打单打互打混打——以端礼一团为例谈信息化教学团队建设的实践研究 [J], 缪小花
4.民办高校信息化团队建设的探索与实践 [J], 石磊
5.基于教育信息化的中职教学团队建设模式研究与实践 [J], 林翠云
因版权原因,仅展示原文概要,查看原文内容请购买。
医药行业的知识管理与定量分析研究第一章:引言医药行业作为一个重要的国民经济部门,对于国民经济的发展具有重要意义。
随着市场环境的变化、消费者需求的升级以及医疗技术的进步,医药企业需要不断地提高自身的内部管理,这其中的一项重要工作就是知识管理和定量分析。
知识管理作为一项新兴的管理方式,在医药企业内部得到了广泛应用。
定量分析则是对于医药企业经济活动进行量化分析,通过数据的处理和分析为企业的决策提供参考依据。
本文旨在探讨医药行业的知识管理与定量分析研究的内容和重要性。
第二章:医药行业的知识管理2.1 知识管理概述知识管理是一种集合知识获取、知识共享、知识存储、知识传播、知识应用等多种要素的综合性系统工程,对于医药企业而言,实现知识的有效管理通常可以发挥以下作用:(1)加快创新和技术进步:通过对知识的有效管理,可以更加快速地获取必要的知识、掌握市场动态以及分析竞争对手的行为等,从而帮助企业走在市场的前沿,抢占市场先机。
(2)提高产品质量和效率:通过有效分享已有的知识,使得采用这些知识的人能够更好地工作,降低各项工作的时间开销,提高工作效率以及产品质量。
(3)快速响应环境变化:知识的获取和共享能够使得企业更加准确地了解市场变化、顾客需求,以及竞争对手的情况等,这样企业可以更加迅速地作出反应和调整策略。
2.2 医药行业知识管理的方法(1)知识共享平台的构建:通过远程数据共享、在线交流、协作编辑等方式,能够有效地促进企业内部的各部门之间的沟通与交流,提高企业内部的工作效率。
(2)知识管理的标准化:医药企业的规模庞大,因此需要进行知识的标准化管理,以确保企业内部的各个部门之间的知识能够通畅互通,互不影响,充分利用企业内部的知识。
(3)知识管理的评价:通过有效地对知识进行调研、评估和分析,来更好地评价知识管理的效果,同时还能够及时对企业内部的知识进行优化和管理。
第三章:医药行业的定量分析3.1 经济活动定量分析的重要性在医药行业中,经济活动的定量分析是企业必不可少的管理手段。
从知识管理角度探讨医院管理与服务创新基于当前社会的快速发展,医疗行业也在不断创新进步。
然而随着医疗技术的发展,医院管理与服务也面临了诸多问题。
如何提高医院管理质量和服务水平成为了一个备受重视的话题。
本文将从知识管理角度出发,探讨医院管理与服务创新所需要的条件以及如何通过知识管理来优化医院管理和服务水平。
一、知识管理在医院管理中的作用在医疗服务中,知识管理是一个关键性的因素。
知识管理是指通过获取、应用、共享、开发和传承知识,进而实现组织创新、增强竞争力和提高绩效的过程。
在医院管理中,知识管理显得尤为必要,因为医院管理的核心仍旧是人,如何管理人,是医院管理的核心问题。
而知识管理则可以为医院提供更多的解决问题的思路和方法。
二、从知识管理角度论述医院需求1. 信息共享在医院管理和服务中,知识管理可以帮助医院实现信息共享,提高工作效率。
例如,医院可以建立一个电子病历系统,将各个科室的病历数据进行汇总和整合,从而提供医生更加全面的患者信息。
另外,在医疗服务中,医患涉及到大量的信息沟通,知识管理可以为医生提供更灵活的沟通方式和途径,从而更好地实现患者信息的共享和传递。
2. 知识创新医院管理和服务的创新往往来自于知识创新。
在医院管理中,知识管理可以为医院创新提供条件和方法。
例如,通过知识创新,医院可以研发出更加安全有效的医疗器具和药品,提升患者的治疗效果。
此外,在医院服务中,医院可以通过知识管理,为患者提供更加优质的服务,如提供更加便捷的挂号、缴费和取药流程等。
3. 人力资源管理在医院管理过程中,医院需要通过知识管理来管理好人力资源,建立一个高效的医疗团队。
医院可以通过知识管理,从人员招聘、岗位培训、职业规划等方面对医院员工进行管理,培养出一支专业高效的医护团队,提高医院管理效率和服务水平。
三、如何通过知识管理来提高医院管理和服务水平1. 形成文化氛围知识管理需要医院建立一个文化氛围,鼓励员工的积极参与和贡献。
作者: 左浩
作者机构: 上海交通大学医学院附属瑞金医院
出版物刊名: 中国经贸
页码: 245-246页
年卷期: 2012年 第16期
主题词: 医院;财务资产;信息系统;整合策略
摘要:当前,计算机网络技术迅猛发展,计算机技术的应用已经深入到社会中的各个领域,尤其是在医院财务管理方面,计算机技术的应用非常广泛。
计算机信息技术改善了传统的财务管理模式,在建立全新的财务管理模式的同时,使医院的财务资产系统迈上了一个新的台阶,促进医院的经济管理朝着科学化管理的方向发展。
本篇文章针对当前医院财务资产系统出现的各种问题,提出了有效的资产信息系统整合策略,促进了医院财务管理水平的提高。
医院图书馆精细化信息服务探讨冯琦【摘要】分析精细化服务的含义,探讨精细化知识/信息服务的措施和途径,包括服务内容精细、服务过程个性化、服务方法人性化,指出精细化信息服务对医院图书馆员的要求.医院图书馆需要通过精细化服务,为临床医护人员提供高质量的医学信息资源,提高其信息素养和信息资源获取能力.【期刊名称】《医学信息学杂志》【年(卷),期】2016(037)011【总页数】4页(P82-84,88)【关键词】精细化;信息服务;医院图书馆【作者】冯琦【作者单位】上海交通大学医学院附属瑞金医院上海200025【正文语种】中文【中图分类】R-056医院图书馆是医院开展教育科学研究的重要组成部分,是培养高水平创新人才的重要场所,其根本任务是通过搜集、整理、储存、检索、研究医学信息及时为医务人员提供和传播先进的医学科学技术,提高其信息素养和信息资源获取能力,促进医院软实力不断提升。
随着网络技术的进步和信息化程度的提高,医院图书馆在推进医疗、科研教学和管理等方面的功能和作用日益突出,传统的工作方法和思维方式已远远不能适应现代化图书馆的发展需要,图书馆必须寻求全新的管理思想和适应读者需求的服务模式。
精细化信息服务涵盖了图书馆业务和服务的各个环节,其不但承载了图书馆文化,也包含着图书馆对读者的各项服务承诺,强调以用户为中心,将知识/信息服务细节、过程与效果做细做精,努力实现与精细化医学相匹配的知识/信息服务。
探索精细化服务的措施和途径是医院图书馆发展的必然趋势。
精细化最早出现在科学管理之父——泰勒发表的精细化管理著作《科学管理原理》一书中,是发达国家的一种企业管理理念,是社会分工的精细化,以及服务质量的精细化对现代管理的必然要求。
精细化服务,简言之就是个性化服务,建立与众不同的服务风格,真正做到以客户为中心,提供高品质、创新式服务,其基本特征是重细节、重过程、重效果,专注做好每一件事,精益求精[1]。
这一服务理念与图书馆“用户第一”的核心思想以及满足用户需求的终极目标十分吻合。
医院知识管理的6C方案
李彦舟
【期刊名称】《《当代医学》》
【年(卷),期】2005(11)1
【摘要】过去,在医院账目表上,人们能够看到办公楼、医疗器械等实物资产的价值,但是却看不到知识资产的价值,因为人们觉得知识管理可有可无.但今非昔比,在信息时代,一个成功的医院,必须拿出抓运作管理和技术开发的劲头来进行知识管理,因为知识管理是聚敛财富的过程.
【总页数】1页(P21)
【作者】李彦舟
【作者单位】
【正文语种】中文
【中图分类】R197.32
【相关文献】
1.在医院建立药品知识管理系统的设计方案 [J], 姚旭;陈照宏
2.6C系统信息综合应用技术方案研究 [J], 张润宝;刘忠东;杨志鹏
3.6C系统综合数据处理中心建设方案研究 [J], 张克永
4.基于6CS模型的身体约束等级评估方案在预防ICU气管插管非计划拔管中的实施 [J], 王笑笑;陶玲;贲艳丽
5.EMC推出金融6C解决方案 [J],
因版权原因,仅展示原文概要,查看原文内容请购买。
稳健的个体化亚组分析
张晓灵;任明旸;张三国
【期刊名称】《中国科学院大学学报(中英文)》
【年(卷),期】2024(41)2
【摘要】异质群体的亚组分析是实现个体化医疗和个性化营销的关键所在。
基于回归的方法是亚组分析的主要流派之一,这种范式将预测变量分为具有异质效应和同质效应的两部分,并根据异质变量是否相同将样本分为不同的亚组。
然而,现有的基于回归的亚组分析方法大多有两大局限性:第一,它们仍然认为亚组内的样本是同质的,没有充分考虑个体效应;第二,没有考虑到同质变量中常见污染现象,这将导致模型结果出现较大偏差。
为应对这些挑战,提出一种稳健的个体化亚组分析方法。
使用多向分离惩罚函数估计模型异质部分的个体化效应,并使用γ散度得到同质部分的稳健估计。
还提出一种高效的交替迭代的两步算法,这一方法结合了坐标下降法和交替方向乘子法。
数值模拟和对皮肤黑色素瘤数据的分析进一步验证了所提方法的有效性。
【总页数】14页(P151-164)
【作者】张晓灵;任明旸;张三国
【作者单位】中国科学院大学数学科学学院;中国科学院大数据挖掘与知识管理重点实验室
【正文语种】中文
【中图分类】O212.1
【相关文献】
1.烟草黄瓜花叶病毒湖北分离物全基因组序列分析及亚组鉴定
2.方差不齐时两组及以上均数比较时不同分析方法的稳健性和把握度比较
3.刘炳亚课题组与陶生策课题组在胃癌标志物领域取得新发现--上海交通大学医学院附属瑞金医院刘炳亚课题组与上海交通大学系统生物医学研究院陶生策课题组发现胃癌血清新标志物
4.纳米二氧化钛对小鼠亚慢性暴露的肠道微生物组和代谢组关联分析
因版权原因,仅展示原文概要,查看原文内容请购买。