渗压计及测压管施工方案
- 格式:doc
- 大小:153.50 KB
- 文档页数:12
水库渗压监测施工方案及流程大坝安全监测1.1 渗流量监测小型水库开展渗流量监测,大坝存在渗漏明流且适宜安装监测设备的应设置渗流量监测点,其他情况根据需要设置。
(1)渗流量监测点根据工程规模和分区条件等设置。
(1)渗流量监测方式根据渗流量大小和汇集排水条件采用容积法或量水堰法。
1.2 渗流压力监测水库大坝应设置渗流压力监测,大坝渗流压力监测一般在最大坝高、穿坝建筑物附近或其他渗流、变形较大坝段设置1~2个监测横断面。
对坝长超过100m的可增加监测横断面,对坝高15m以上可根据绕坝渗流情况设置绕坝渗流监测断面。
渗流压力监测断面一般设置2~3个监测点,基本要求如下:(1)土石坝中均质坝、心墙坝、斜墙坝监测点一般设置在坝顶、坝脚,必要时在下游坝坡增设1个监测点,对坝下埋涵根据需要设置监测点;(2)混凝土坝及砌石坝根据廊道、帷幕和渗流情况设置扬压力监测点;渗流压力监测宜采用在测压管中安装渗压计进行自动监测,渗压计可采用振弦式等。
在测压管与渗压计渗流压力比测时,可采用测深钟、电测水位计观测测压管水位。
1.3 变形监测变形监测应根据工程规模、坝型特点、坝高坝长及下游影响确定。
对坝高超过30m或下游影响较大的土石坝,或坝高超过50m或下游影响大的混凝土坝、砌石坝,应设置表面变形监测设施。
其他小型水库,根据规范要求,结合工程实际,落实大坝变形监测设施设置。
土石坝以表面垂直位移监测为主,混凝土坝、砌石坝以表面水平位移监测为主。
变形监测断面根据坝型坝高等情况设置,宜在坝顶下游侧设置一个变形监测纵断面,对土石坝必要时可增设一个监测横断面。
大坝两侧选择基础稳定的部位至少分别设置1个工作基点,并设置1个校核基点。
大坝安全监测终端HLU-8600 是一款针对大坝安全监测的低功耗控制器,产品集数据采集和视频传输于一体。
采用工业化设计,配备多种采集接口和通信接口,内部软件兼容水文、水资源标准协议,能够满足河流水文、水资源、墒情、气象、灌区等方面的应用需求,同时采用开放式设计,可扩展性强,方便进行硬件和软件的升级,满足用户定制化需求。
渗压计安装方案渗压计适合埋设在水工建筑物和基岩内,或安装在测压管、钻孔、堤坝、管道或压力容器中,以测量孔隙水压力或液位。
主要部件均采用特殊钢材制造,适合在各种恶劣环境中使用。
渗压计的钻孔在安装前检查孔径、孔深、是否满足设计及施工图纸的要求。
准备工作:仪器检验合格后,将渗压力计放入水中浸泡2小时以上,浸透过滤器透水石,使其达到饱和状态。
在钢膜片上涂一层黄油或凡士林以防生锈,但要避免堵孔。
(1)坝基渗压计的埋设:用饱和细砂袋将测头包好,砂袋直径约为20cm保证进水口通畅,并继续浸入水中;在预定位置钻一集水孔,孔径15cm、孔深40cmr浅孔或挖同样尺寸的坑,孔内填以干净的细砂;将包裹细砂反滤料的渗压计放到集水孔上,在砂包上覆盖砂浆土封住,埋设后的渗压计,仪器以上的填方安全覆盖厚度不小1m,并记录埋设前后的仪器测值。
连接电缆沿坝基开挖沟槽敷设,留10%的富余度,并注意不要互相交绕。
(2)在坝体施工缝埋设渗压计:在浇筑下一层混凝土时,在埋设位置的层面预留一个深30cm、直径20cm的孔;在孔内铺一层细砂,将渗压计放在砂垫层上;用细砂将渗压计埋好,孔口放一盖板,再浇筑混凝土。
(3)在坝体混凝土内埋设渗压计:在测头上包上装有干净的饱和细砂的砂袋,细纱包的体积约为1000cm3。
将渗压计固定在设计位置上,防止水泥浆进入渗压计内部,使仪器进水口通畅。
(4)坝基深孔内渗压计的埋设:在坝基深孔内埋设渗压计时,深孔直径不小于110mm,孔深达到设计深度,超深一般不大于10cm。
埋设前测量好孔深,先将仪器装入能放入孔内的砂包中,包中装细砂,向孔内倒入30cm厚的中粗纱,然后将装有仪器的砂包吊入孔底。
如孔太深,砂包及电缆自重超过电缆强度时,可用钢丝吊住砂包,并把电缆绑在钢丝上进行吊装,以免电缆损坏,再在上面填入40cm厚细砂,然后填20cm厚,再在余孔段灌入水泥膨润土浆或预缩水泥砂浆。
电缆采用PVC软管保护,用铅丝与测头相连。
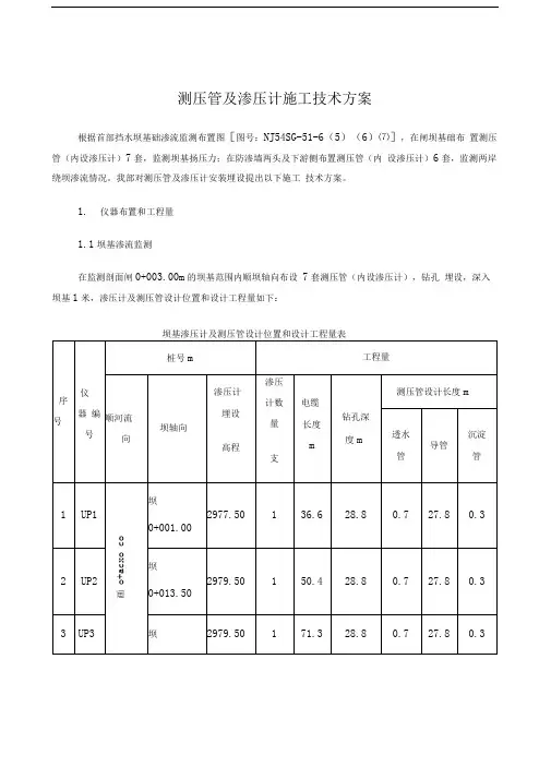
渗压计及测压管施工方案测压管及渗压计施工技术方案根据首部挡水坝基础渗流监测布置图[图号:NJ54 SG-51-6(5)(6)(7)],在闸坝基础布置测压管(内设渗压计)7套,监测坝基扬压力;在防渗墙两头及下游侧布置测压管(内设渗压计)6套,监测两岸绕坝渗流情况。
我部对测压管及渗压计安装埋设提出以下施工技术方案。
1.仪器布置和工程量1.1坝基渗流监测在监测剖面闸0+003.00m的坝基范围内顺坝轴向布设7套测压管(内设渗压计),钻孔埋设,深入坝基1米,渗压计及测压管设计位置和设计工程量如下:坝基渗压计及测压管设计位置和设计工程量表1.2绕坝渗流监测在防渗墙两头及下游侧布置测压管(内设渗压计)6套,监测两岸绕坝渗流情况。
两岸绕渗孔各测点的布置随水工防渗布置和地形地质情况做具体调整,渗压计电缆实际长度根据管线去向确定。
设计位置和设计工程量如下:绕坝渗流测压管设计位置和设计工程量表2.仪器设备和材料性能参数2.1测压管2.1.1进水管、导管和沉淀管进水管:φ50镀锌钢管,进水孔φ8mm,呈梅花型布置,水平方向沿管壁周长均匀布成6排;竖向孔距为50mm,每节钢管两端加工外丝扣;导管和沉淀管:φ50镀锌钢管、外箍接头、管顶盖和管底盖,每节钢管两端加工外丝扣。
2.1.2无纺土工布300g/m2,等效孔径095<0.12mm,垂直渗透系数10-2cm/s。
2.1.3孔内回填料反滤料:干净砾石,粒径10~15mm。
沥青麻布:位于测压管建基面,用于封孔时隔离水泥浆。
水泥砂浆:C15水泥砂浆2.1.4测压管顶保护盒管帽:φ260mm带丝扣和止水垫圈管帽;管盖:φ50镀锌管堵头,带电缆穿线孔;2.2渗压计生产厂家:南京达捷大坝安全技术发展公司;传感器类型:振弦式;型号规格:SXX-150;测量范围:0.5MPa;分辨率:0.2%F.S;2.3读数仪表生产厂家:基康仪器(北京)有限公司;型号:BGK408;测量范围:400~4500Hz;温度测量范围:-30~70℃;分辨率:频率0.1Hz,温度 0.1℃;示值误差:<0.002%。
关于上报瓦斯河龙洞水电站安全监测仪器埋设施工措施的报告致:西江肇庆水电有限公司监理部根据龙洞水电站工程进展需求,现将安全监测仪器(测压管、渗压计、温度计、锚杆应力计、多点位移计、遥测水位计、绕渗孔管、双标倒垂校测系统、真空激光准直系统)埋设施工措施上报贵部,请审批。
附:1.测压管埋设施工措施2.渗压计埋设施工措施3.温度计埋设施工措施4.锚杆应力计埋设施工措施5.多点位移计埋设施工措施6.遥测水位计埋设施工措施7.绕渗孔管埋设施工措施8.双标倒垂校测系统埋设施工措施9.真空激光准直系统埋设施工措施瓦斯河龙洞水电站安全监测项目部项目经理:年月日1、钻孔:按设计深度钻孔,孔径76mm,深度10~。
2、测压管钻孔完成后进行灵敏性检验。
检验采用压水试验法,水压力为~。
如漏水量极小或不漏水时,要加深钻孔或重新钻孔。
3、准备好导管,导管底部为钻有小孔的花管段,并用土工布包裹。
导管采用Φ76mm的PVC管。
4、将导管放入孔内,下管过程中,必须连接严密,吊系牢固,保持管身顺直。
5、导管周围先填入5~10mm砾石1.5m,上部再填入5~10mm砾石0.2m,在上面填2~5mm的小砾石0.2m,上部填入普通水泥混凝土,最上面为0.5m水泥砂浆。
6、将包有无纺土工布的渗压计放入导管内。
7、孔口保护装置力求简单、牢靠,操作方便,适应于无压、有压的情况,并具有自动化监测的功能。
拟采用定型产品,具有渗压计电缆出口,可连接压力表有水嘴显示孔内是否有压等功能。
测压管的安装方法如图所示。
1、在钻孔中的安装对于钻孔埋设的孔隙水压力计,钻孔孔径Φ76mm 、孔深约~,在钻孔完成及仪器安装埋设前均需将孔内清洗干净。
在孔隙水压力计检测合格后,仪器安装埋设前,取下透水石,在钢膜片上涂—层防锈油,将其放入去气水中浸泡2小时以上,使透水石充分饱和,排除透水石中的气泡,然后将其放入预制无纺布袋中,用中细砂包裹测头并充满布袋,再浸泡到水中待用。
安装埋设时先在孔底回填中粗砂约25cm ,然后将装有孔隙水压力计的无纺布袋放入孔内,准确测量仪器埋设高程后,再回填中粗砂至孔口约15cm ,仪器周围形成砂包裹体。
大坝的渗流监测测压管法及埋设渗压计法比较及仪器选型1 监测方法的选择水库大坝渗流监测将首先实现渗压(浸润线)监测自动化,但浸润线监测有测压管法和埋设渗压计法2种方法,选用何种方法要根据具体情况确定。
1.1 测压管法及埋设渗压计法比较1.1.1 用途测压管可用来监测坝体浸润线、渗压压力、地下水位及绕坝渗流等。
埋设渗压计除可以监测上述项目外,还可用来监测土石坝的孔隙水压力。
1.1.2 应用时应注意的问题测压管的应用要求不能构成新的渗流通道,更不能对坝体造成破坏,因此在土石坝的防渗体交界面等处不宜使用。
而采用埋设渗压计的方法使用场合却较为广泛,但电缆敷设时也要避免构成渗流通道,并且要考虑到电缆热胀冷缩所产生的影响[1]。
1.1.3 施工安装根据施工和应用经验,测压管施工可以在工程实施和运行过程的任意时候进行,而埋设渗压计一般在施工过程中(针对不能设置测压管的地方)进行,当然在工程竣工后,能采用测压管的地方也均可采用埋设渗压计法进行渗压监测。
但两者施工时都要求钻孔时不造成坝体结构的破坏和构成新的渗流通。
测压管和埋设渗压计的方法都可以在一条铅直线上设置多个测点,但两者施工要求都较高。
1.1.4 测值精确度采用常用监测手段对测压管水位本身进行监测可达较高精度,如采用测深钟等设备进行测量,精度可达0.5~1 cm。
但是由于测压管是将测点的压力反应成一定体积的水头,因此测压管本身测值与真实测值存在误差与滞后。
从时间上来讲,需要管内水位累积到一定的高程或消散到一定的高程,从而受到“水流速”的影响。
在渗透系数大,作用水头、变幅及变化速度均较小的地方应用尚可,而在渗透系数小、作用水头大的地方,滞后时间会很长,在库水位变化快时,资料分析更加困难。
因此规范规定:“作用水头大于20 m的坝,渗透系数小于10-4 cm/s的土中,观测不稳定渗流过程以及不适宜埋设测压管的部位如铺盖或斜墙底部、接触面等,宜采用振弦式孔隙水压力计。
渗压计及测压管施工方案-CAL-FENGHAI-(2020YEAR-YICAI)_JINGBIAN测压管及渗压计施工技术方案根据首部挡水坝基础渗流监测布置图[图号:NJ54 SG-51-6(5)(6)(7)],在闸坝基础布置测压管(内设渗压计)7套,监测坝基扬压力;在防渗墙两头及下游侧布置测压管(内设渗压计)6套,监测两岸绕坝渗流情况。
我部对测压管及渗压计安装埋设提出以下施工技术方案。
1.仪器布置和工程量坝基渗流监测在监测剖面闸0+的坝基范围内顺坝轴向布设7套测压管(内设渗压计),钻孔埋设,深入坝基1米,渗压计及测压管设计位置和设计工程量如下:坝基渗压计及测压管设计位置和设计工程量表绕坝渗流监测在防渗墙两头及下游侧布置测压管(内设渗压计)6套,监测两岸绕坝渗流情况。
两岸绕渗孔各测点的布置随水工防渗布置和地形地质情况做具体调整,渗压计电缆实际长度根据管线去向确定。
设计位置和设计工程量如下:绕坝渗流测压管设计位置和设计工程量表2.仪器设备和材料性能参数测压管2.1.1进水管、导管和沉淀管进水管:φ50镀锌钢管,进水孔φ8mm,呈梅花型布置,水平方向沿管壁周长均匀布成6排;竖向孔距为50mm,每节钢管两端加工外丝扣;导管和沉淀管:φ50镀锌钢管、外箍接头、管顶盖和管底盖,每节钢管两端加工外丝扣。
2.1.2无纺土工布300g/m2,等效孔径095<,垂直渗透系数10-2cm/s。
2.1.3孔内回填料反滤料:干净砾石,粒径10~15mm。
沥青麻布:位于测压管建基面,用于封孔时隔离水泥浆。
水泥砂浆:C15水泥砂浆2.1.4测压管顶保护盒管帽:φ260mm带丝扣和止水垫圈管帽;管盖:φ50镀锌管堵头,带电缆穿线孔;渗压计生产厂家:南京达捷大坝安全技术发展公司;传感器类型:振弦式;型号规格:SXX-150;测量范围:;分辨率:%;读数仪表生产厂家:基康仪器(北京)有限公司;型号:BGK408;测量范围:400~4500Hz;温度测量范围:-30~70℃;分辨率:频率,温度℃;示值误差:<%。
测压管及渗压计施工技术方案根据首部挡水坝基础渗流监测布置图[图号:NJ54 SG-51-6(5)(6)(7)],在闸坝基础布置测压管(内设渗压计)7套,监测坝基扬压力;在防渗墙两头及下游侧布置测压管(内设渗压计)6套,监测两岸绕坝渗流情况。
我部对测压管及渗压计安装埋设提出以下施工技术方案。
1.仪器布置和工程量1.2绕坝渗流监测2.仪器设备和材料性能参数2.1测压管2.1.1进水管、导管和沉淀管进水管:φ50镀锌钢管,进水孔φ8mm,呈梅花型布置,水平方向沿管壁周长均匀布成6排;竖向孔距为50mm,每节钢管两端加工外丝扣;导管和沉淀管:φ50镀锌钢管、外箍接头、管顶盖和管底盖,每节钢管两端加工外丝扣。
2.1.2无纺土工布300g/m2,等效孔径095<0.12mm,垂直渗透系数10-2cm/s。
2.1.3孔内回填料反滤料:干净砾石,粒径10~15mm。
示值误差:<0.002%。
2.4观测电缆及连接生产厂家:南京南瑞集团公司大坝工程监测分公司电缆型号:NDBT2×2×11/0.2通信电缆热缩接头:φ3mm芯线绝缘热缩套管、φ10mm绝缘热缩套管、热熔胶保护管:φ70 PVC管3.测压管钻孔和回填在施工现场具备钻孔条件时将及时按照设计位置进行测量放点,钻孔施工过程中按照设计钻孔技术要求随时检控。
因测压管钻孔回填材料的特殊要求,所有回填材料由我部按照设计图纸要求准备并回填。
本工程有闸坝测压管和绕坝渗流测压管钻孔,在具备钻孔条件时及时另行上报钻孔施工方案。
4.仪器设备埋设、安装和调试:4.1测压管管路安装埋设前取下渗压计测头的透水石,在渗压计钢膜片上涂一层黄油或凡士林以防生锈,透水石放入水中煮沸排气;在水中将透水石安装在渗压计测头,渗压计在水中浸泡2h以上,使测头内达到饱和状态,再在测头端用土工布包上干净饱和细砂制成的砂袋(直径<40mm),使仪器进水口通畅,防止泥浆等进入渗压计测头内部;将组装好的渗压计砂袋测头向下垂直放入管内设计高程,应严格控制和记录测头部位的埋设高程。
测压管及渗压计施工技术方案根据首部挡水坝基础渗流监测布置图[图号:NJ54SG-51-6(5)(6)⑺],在闸坝基础布置测压管(内设渗压计)7套,监测坝基扬压力;在防渗墙两头及下游侧布置测压管(内设渗压计)6套,监测两岸绕坝渗流情况。
我部对测压管及渗压计安装埋设提出以下施工技术方案。
1.仪器布置和工程量1.1坝基渗流监测在监测剖面闸0+003.00m的坝基范围内顺坝轴向布设7套测压管(内设渗压计),钻孔埋设,深入坝基1米,渗压计及测压管设计位置和设计工程量如下:备注:1.测压管钻孔深入坝基im表中钻孔深度为图纸计算量,钻孔工程量按实际发生量计;2.表中测压管导管长度为图纸计算量,导管长度按按实际发生量计;3.渗压计深入坝基0.8m,观测电缆引入排污闸顶观测房,表中长度为图纸计算量,电缆长度按实际发生量计1.2绕坝渗流监测在防渗墙两头及下游侧布置测压管(内设渗压计)6套,监测两岸绕坝渗流情况。
两岸绕渗孔各测点的布置随水工防渗布置和地形地质情况做具体调整,渗压计电缆实际长度根据管线去向确定。
设计位置和设计工程量如下:绕坝渗流测压管设计位置和设计工程量表备注:1.绕坝渗流测压管根据钻孔工程量按实际发生量计;2. 测压管导管长度按按实际发生量计;3.渗压计深入坝基0.8m,观测电缆引入排污闸顶观测房,电缆长度按实际发生量计。
2.仪器设备和材料性能参数2.1测压管2.1.1进水管、导管和沉淀管进水管:© 50镀锌钢管,进水孔© 8mm呈梅花型布置,水平方向沿管壁周长均匀布成6排;竖向孔距为50mm每节钢管两端加工外丝扣;导管和沉淀管:© 50镀锌钢管、外箍接头、管顶盖和管底盖,每节钢管两端加工外丝扣。
2.1.2无纺土工布300g/m2,等效孔径095< 0.12mm垂直渗透系数10-2cm/s。
2.1.3孔内回填料反滤料:干净砾石,粒径10~15mm。
沥青麻布:位于测压管建基面,用于封孔时隔离水泥浆。
测压管施工方案1. 引言本文档旨在介绍测压管施工方案,以确保测压管施工的高效性和安全性。
测压管是一种用于测量液体或气体压力的装置,通常包括压力传感器和相关的管道连接。
测压管施工的关键目标是正确连接和安装测压管,使其能够准确且可靠地测量压力。
2. 施工准备在进行测压管施工之前,需要进行一系列的准备工作。
这些准备工作包括:2.1 设计方案评估在开始施工之前,需要对设计方案进行全面评估。
评估内容包括测压管的规格要求、施工过程中可能遇到的问题和挑战、施工过程所需的材料和设备等。
2.2 所需材料和设备准备根据评估结果,准备测压管施工所需的材料和设备。
一般而言,需要准备的材料和设备包括测压管、管道连接件、密封材料、压力传感器、螺纹连接器、焊接设备、测试工具等。
2.3 施工区域准备在确定施工区域后,需要对施工区域进行准备工作。
这包括清理施工区域、确保施工区域的安全性、设置必要的防护措施等,以确保施工过程的安全性。
3. 施工流程本节将详细介绍测压管的施工流程,以确保施工过程的正常进行。
3.1 安装测压管首先,根据设计方案确定测压管的安装位置,并进行测量和标记。
接下来,根据测量结果选择合适的测压管,并根据要求进行切割和修整。
然后,使用适当的连接件将测压管安装到管道或设备上。
3.2 连接管道在安装测压管之后,需要连接测压管和管道。
根据设计方案选择合适的连接方式,如螺纹连接、焊接等。
在连接过程中,需要确保连接牢固,无泄漏,并使用适当的密封材料进行密封。
3.3 安装压力传感器完成测压管和管道的连接后,需要安装压力传感器。
根据设计要求选择合适的压力传感器,并按照说明书进行安装和调试。
在安装过程中,需要确认传感器与测压管的连接正确,且传感器的位置合适。
3.4 进行测试完成测压管和压力传感器的安装后,需要进行测试以验证测压管的功能和性能。
测试内容包括静态测试和动态测试。
静态测试用于检测测压管的压力敏感性和稳定性,动态测试用于模拟实际工作条件下的压力变化。
1.渗压计安装1.1设计要求1.2安装要求1.2.1测压管加工制作:选用φ70mm热镀锌钢管,进水口长度3m,外包裹反滤无纺布;进水孔花管段,孔径φ8mm,呈梅花形布置,水平方向沿管壁周长均匀布成6排:竖向孔距未50mm,开孔率不小于10%。
每节钢管两端加工丝扣,外箍接口;设置管顶盖与底盖,顶盖应预留电缆穿线孔。
1.2.2钻孔:根据设计在仪器的安装部位钻孔,孔径不低于110mm,钻孔偏差应小于3°,钻孔应该钻至出水后1m的位置,洗净钻孔。
1.2.3安装测压管:在钻孔完毕应尽快安装热镀锌钢管,首先应将底部回填碎石,然后将镀锌钢管放置就位,在透水管段外部用土工布进行包裹,回填粗砂、中砂等透水材料,期间每回填一种材料后应在回填段加入足量的水使回填料保持密实均匀。
在透水段上部采用原土进行回填。
1.2.4灵敏度实验:测压管安装封孔完成后进行灵敏度检验。
检验方法采用注水试验,一般应水位稳定期进行。
试验前先测定管中水位,然后向管内注清水,注水量为每米测压管容积的5-10倍,注入后不断观测水位,直至恢复到或接近注水前的水位,对于砂砾土,1-2小时降至原水位或注水后水位升高不到3-5m为合格。
在运用期间,发现管内水位或压力表读数不正常时,亦应进行注水或放水试验以检查其灵敏度。
1.2.5渗压计安装:安装前取下渗压计测头的透水石,在渗压计钢膜片上涂一层黄油或凡士林以防生锈,透水石放入水中煮沸排气:在水中将透水石安装在渗压计测头,渗压计在水中浸泡2h以上,使测头内达到饱和状态,再在测头端用土工布包上干净饱和细砂制成的砂袋(直径<40mm),使仪器进水口通畅,防止泥浆等进入渗压计测头内部;将组装好的渗压计砂袋测头向下垂直放入管内设计高程,应严格控制和记录测头部位的高程。
1.2.6观测电缆敷设保护:(1)振弦式渗压计配用电缆是四芯屏蔽通信电缆,按照设计长度准备各个测点相应的电缆长度,并对电缆做检查:(2)仪器电缆布置时不得与交流电缆一同敷设,电缆走线应尽量避免受到移动设备、尖锐材料等的伤害。
测压管及渗压计施工技术方案根据首部挡水坝基础渗流监测布置图[图号:NJ54 SG-51-6(5)(6)(7)],在闸坝基础布置测压管(内设渗压计)7套,监测坝基扬压力;在防渗墙两头及下游侧布置测压管(内设渗压计)6套,监测两岸绕坝渗流情况。
我部对测压管及渗压计安装埋设提出以下施工技术方案。
1.仪器布置和工程量1.1坝基渗流监测在监测剖面闸0+003.00m 的坝基范围内顺坝轴向布设7套测压管(内设渗压计),钻孔埋设,深入坝基1米,渗压计及测压管设计位置和设计工程量如下:坝基渗压计及测压管设计位置和设计工程量表1.2绕坝渗流监测在防渗墙两头及下游侧布置测压管(内设渗压计)6套,监测两岸绕坝渗流情况。
两岸绕渗孔各测点的布置随水工防渗布置和地形地质情况做具体调整,渗压计电缆实际长度根据管线去向确定。
设计位置和设计工程量如下:序号 仪器编号 桩号 m工程量 顺河流向坝轴向 渗压计埋设高程渗压计数量 支 电缆长度 m 钻孔深度m 测压管设计长度m 透水管 导管 沉淀管 1 UP1 闸0+003.00坝0+001.00 2977.50 1 36.6 28.8 0.7 27.8 0.3 2 UP 2坝0+013.50 2979.50 1 50.4 28.8 0.7 27.8 0.3 3 UP 3 坝0+032.50 2979.50 1 71.3 28.8 0.7 27.8 0.3 4 UP 4 坝0+050.00 2984.00 1 83.4 22.3 0.7 21.3 0.3 5 UP 5 坝0+066.00 2986.00 1 98.8 20.3 0.7 19.3 0.3 6UP 6坝0+082.00 2986.001116.420.30.719.30.37 UP 7 坝0+098.00 2986.001 134 20.3 0.7 19.3 0.3 备注:1.测压管钻孔深入坝基1m ,表中钻孔深度为图纸计算量,钻孔工程量按实际发生量计; 2.表中测压管导管长度为图纸计算量,导管长度按按实际发生量计;3.渗压计深入坝基0.8m ,观测电缆引入排污闸顶观测房,表中长度为图纸计算量,电缆长度按实际发生量计绕坝渗流测压管设计位置和设计工程量表2.仪器设备和材料性能参数2.1测压管2.1.1进水管、导管和沉淀管进水管:φ50镀锌钢管,进水孔φ8mm ,呈梅花型布置,水平方向沿管壁周长均匀布成6排;竖向孔距为50mm ,每节钢管两端加工外丝扣;导管和沉淀管:φ50镀锌钢管、外箍接头、管顶盖和管底盖,每节钢管两端加工外丝扣。
测压管施工方案1. 引言测压管作为一种常见的实验设备,用于测量流体在管道中的压力。
测压管的施工是保证其正常运行和准确测量的关键环节。
本文档旨在提供测压管施工的方案,包括施工前的准备工作、施工步骤和施工后的检测与验收等内容。
2. 施工前准备在进行测压管施工之前,需要进行一系列准备工作,确保施工过程的顺利进行。
2.1 确定测压管的安装位置在施工前,需要确定测压管的安装位置,考虑到测量的准确性和安全性。
安装位置需要选择在流体流动状态稳定、管道直线段或弯头的位置。
2.2 确定测压管的材质和规格根据实际需求,选择合适的测压管材质和规格。
常见的测压管材质有不锈钢、铜和塑料等,规格根据管道尺寸和压力等级进行选择。
2.3 准备施工所需器材和材料根据实际需求,准备施工所需的器材和材料,包括管道切割工具、焊接设备、密封材料等。
3. 施工步骤测压管的施工一般包括以下几个步骤:3.1 清理管道表面在安装测压管之前,需要清理管道表面的杂物和锈蚀物,确保接口的密封性。
3.2 切割管道根据测压管的安装位置,使用合适的管道切割工具将管道切割成所需长度。
3.3 安装测压管将测压管的一端与管道连接,使用合适的接口方式,如螺纹连接或焊接。
3.4 密封连接根据实际情况,在测压管与管道连接处进行密封处理,确保连接处的密封性。
3.5 定位测压管根据测量需求,确定测压管的安装位置,使其与测量点对应。
3.6 安装压力传感器在测压管的适当位置安装压力传感器,确保测量的准确性。
3.7 连接传感器与数据采集系统将压力传感器与数据采集系统进行连接,以便实时采集和记录测量数据。
3.8 试压和校验施工完成后,进行试压和校验工作,确保测量系统的准确性。
4. 施工后检测与验收在测压管的施工完成后,需要进行检测与验收工作,以确保其正常运行和测量的准确性。
4.1 检测测压管的密封性使用气压或水压等方法,对测压管进行密封性测试,确保无漏气或漏水现象。
4.2 检测测量系统的准确性使用标准校验装置,对测压管的测量系统进行校验,确保测量的准确性。
西安市辋川河引水李家河水库大坝安全监测钢弦式渗压计安装埋设实施细则西北综合勘察设计研究院西安市李家河水库大坝安全监测工程项目部2011年8月1范围本作业指导书规定了钢弦式渗压计坑式埋设、钻孔埋设及测压管投设的几种方法。
2引用标准下列标准所包含的条文,通过在本标准中引用而构成为本标准的条文。
《土石坝安全监测技术规范》 SL 60-94 《混凝土坝安全监测技术规范》 DL/T 5178-2003 《基康4500S 渗压计用户指南》 美国基康 《大坝安全监测设计》 赵志仁著3仪器的检查验收3.1 零点标定将待检仪器在测量环境下(0℃~60℃)置放24个小时以上方可进行标定。
然后在自由状态下用读数仪测读取仪器频率平方值,用温度计和气压表测读环境温度和大气气压,根据计算公式修正当前的零点。
计算公式为:计算例表如下:GT T K S S R R )01()01(1.010---+'=这样就会计算出仪器的当前零点值,检查计算出的当前零刻值与出厂零刻值的一致性是否保持在20个数据点之内。
如果在,则认为合格,否则,则认为不合格。
3.2检查标定现场检验时,可采用压力实测的方法:在实验室内准备一个透明有机玻璃管,管长2米,直径110mm左右。
将玻璃管外壁刻画上刻度或在壁上贴上刻度尺,保证刻度标尺垂直、准确、明晰。
在玻璃管内注入清水,高度1.8米,并准备好量杯及滴管。
将仪器透水石缓缓取下(出厂时看是否将透水石已经安装好),将仪器放入玻璃管内底端(注意仪器垂直),保持10分钟后,用读数仪测量其频率平方R0和温度T0、记录,并测量环境量温度和环境量大气压;然后分别将仪器提升到1.5米、1.0米及0.5米,用读数仪测量各自的频率平方R0和温度T0,然后再从0.5米降到1.0米、1.5米及1.8米(管底),测读并记录各自的读数(仪器放在每个测点时必须保持10分钟)。
利用公式P=G(R0-R1)+K(T1-T)-(S1-S)计算出水头压力(其中G频率修正系数,K温度修正系数,S1和S0为大气压力值(在此可不计)。
测压管施工方案测压管施工方案是指通过对管道或容器的压力进行测试,以验证其安全性和可靠性的一种施工方法。
以下是一个测压管施工方案的示例,共计700字。
一、施工概述:本施工方案是针对某工程中的某根压力管道进行压力测试的具体施工方案。
施工过程将遵循相关的国家和行业标准,并由具有相关从业资格证书和经验的专业工作人员进行操作。
二、施工前准备:1. 安全准备:施工现场应设置明显的警示标志,确保施工人员的安全。
施工人员应该穿戴防护设备,包括安全帽、安全鞋、手套等。
2. 施工资料准备:准备所需的测压后的数据记录表格、计算器等。
3. 施工设备准备:准备好相应的压力表、压力计、泵站等测试设备。
4. 材料准备:准备好所需的管道连接器、密封胶等辅助材料。
三、施工步骤:1. 清洁管道:首先,对待测试的管道进行清洁,清除管道内部的杂物和污垢,确保管道内部干净。
2. 准备测试设备:将所需的压力表等测试设备进行校验和准备,确保其正常运行。
3. 连接测试设备:将测试设备与待测试管道进行连接,并使用管道连接器进行密封,确保连接的牢固性和密封性。
4. 增压测试:通过泵站或其他适合的装置,对待测试的管道进行逐渐增压,直到达到设计要求的测试压力。
5. 保持稳定:当达到测试压力后,保持一定的时间,观察是否有压力下降和泄漏现象。
6. 记录数据:在测试过程中,记录测试压力和保压时间等数据,并填写相应的数据记录表格。
7. 减压和断开:测试完毕后,逐渐减压,并断开测试设备与管道的连接。
8. 审核和整理:对测试数据进行审核,并整理记录,保存好测试记录和相关资料。
四、施工安全措施:1. 施工人员应经过相关培训,并持有相关从业资格证书。
2. 严格遵守施工现场安全规定,穿戴防护设备。
3. 施工现场应设置合适的警示标志,确保施工人员的安全。
4. 在施工过程中,禁止随意增压和使用超过设计压力的设备。
5. 施工现场应配备消防器材,并定期进行消防检查。
6. 施工人员应熟悉应急处理措施,以应对可能发生的意外情况。
渗压计安装方案1.渗压计安装1.1设计要求1.2安装要求1.2.1测压管加工制作:选用φ70mm热镀锌钢管,进水口长度3m,外包裹反滤无纺布;进水孔花管段,孔径φ8mm,呈梅花形布置,水平方向沿管壁周长均匀布成6排:竖向孔距未50mm,开孔率不小于10%。
每节钢管两端加工丝扣,外箍接口;设置管顶盖与底盖,顶盖应预留电缆穿线孔。
1.2.2钻孔:根据设计在仪器的安装部位钻孔,孔径不低于110mm,钻孔偏差应小于3°,钻孔应该钻至出水后1m的位置,洗净钻孔。
1.2.3安装测压管:在钻孔完毕应尽快安装热镀锌钢管,首先应将底部回填碎石,然后将镀锌钢管放置就位,在透水管段外部用土工布进行包裹,回填粗砂、中砂等透水材料,期间每回填一种材料后应在回填段加入足量的水使回填料保持密实均匀。
在透水段上部采用原土进行回填。
1.2.4灵敏度实验:测压管安装封孔完成后进行灵敏度检验。
检验方法采用注水试验,一般应水位稳定期进行。
试验前先测定管中水位,然后向管内注清水,注水量为每米测压管容积的5-10倍,注入后不断观测水位,直至恢复到或接近注水前的水位,对于砂砾土,1-2小时降至原水位或注水后水位升高不到3-5m为合格。
在运用期间,发现管内水位或压力表读数不正常时,亦应进行注水或放水试验以检查其灵敏度。
1.2.5渗压计安装:安装前取下渗压计测头的透水石,在渗压计钢膜片上涂一层黄油或凡士林以防生锈,透水石放入水中煮沸排气:在水中将透水石安装在渗压计测头,渗压计在水中浸泡2h以上,使测头内达到饱和状态,再在测头端用土工布包上干净饱和细砂制成的砂袋(直径<40mm),使仪器进水口通畅,防止泥浆等进入渗压计测头内部;将组装好的渗压计砂袋测头向下垂直放入管内设计高程,应严格控制和记录测头部位的高程。
1.2.6观测电缆敷设保护:(1)振弦式渗压计配用电缆是四芯屏蔽通信电缆,按照设计长度准备各个测点相应的电缆长度,并对电缆做检查:(2)仪器电缆布置时不得与交流电缆一同敷设,电缆走线应尽量避免受到移动设备、尖锐材料等的伤害。
测压管及渗压计施工技术方案根据首部挡水坝基础渗流监测布置图[图号:NJ54 SG-51-6(5)(6)(7)],在闸坝基础布置测压管(内设渗压计)7套,监测坝基扬压力;在防渗墙两头及下游侧布置测压管(内设渗压计)6套,监测两岸绕坝渗流情况。
我部对测压管及渗压计安装埋设提出以下施工技术方案。
1.仪器布置和工程量1.1坝基渗流监测在监测剖面闸0+003.00m的坝基范围内顺坝轴向布设7套测压管(内设渗压计),钻孔埋设,深入坝基1米,渗压计及测压管设计位置和设计工程量如下:坝基渗压计及测压管设计位置和设计工程量表1.2绕坝渗流监测在防渗墙两头及下游侧布置测压管(内设渗压计)6套,监测两岸绕坝渗流情况。
两岸绕渗孔各测点的布置随水工防渗布置和地形地质情况做具体调整,渗压计电缆实际长度根据管线去向确定。
设计位置和设计工程量如下:绕坝渗流测压管设计位置和设计工程量表2.仪器设备和材料性能参数2.1测压管2.1.1进水管、导管和沉淀管进水管:φ50镀锌钢管,进水孔φ8mm,呈梅花型布置,水平方向沿管壁周长均匀布成6排;竖向孔距为50mm,每节钢管两端加工外丝扣;导管和沉淀管:φ50镀锌钢管、外箍接头、管顶盖和管底盖,每节钢管两端加工外丝扣。
2.1.2无纺土工布300g/m2,等效孔径095<0.12mm,垂直渗透系数10-2cm/s。
2.1.3孔内回填料反滤料:干净砾石,粒径10~15mm。
沥青麻布:位于测压管建基面,用于封孔时隔离水泥浆。
水泥砂浆:C15水泥砂浆2.1.4测压管顶保护盒管帽:φ260mm带丝扣和止水垫圈管帽;管盖:φ50镀锌管堵头,带电缆穿线孔;2.2渗压计生产厂家:南京达捷大坝安全技术发展公司;传感器类型:振弦式;型号规格:SXX-150;测量范围:0.5MPa;分辨率:0.2%F.S;2.3读数仪表生产厂家:基康仪器(北京)有限公司;型号:BGK408;测量范围:400~4500Hz;温度测量范围:-30~70℃;分辨率:频率0.1Hz,温度0.1℃;示值误差:<0.002%。
2.4观测电缆及连接生产厂家:南京南瑞集团公司大坝工程监测分公司电缆型号:NDBT2×2×11/0.2通信电缆热缩接头:φ3mm芯线绝缘热缩套管、φ10mm绝缘热缩套管、热熔胶保护管:φ70 PVC管3.测压管钻孔和回填在施工现场具备钻孔条件时将及时按照设计位置进行测量放点,钻孔施工过程中按照设计钻孔技术要求随时检控。
因测压管钻孔回填材料的特殊要求,所有回填材料由我部按照设计图纸要求准备并回填。
本工程有闸坝测压管和绕坝渗流测压管钻孔,在具备钻孔条件时及时另行上报钻孔施工方案。
4.仪器设备埋设、安装和调试:4.1测压管管路安装测压管钻孔深度应比设计测压管管底稍低,以防止局部坍塌而影响测压管埋设高程,钻孔工作结束后,测压管埋设之前钻孔应冲洗干净;测压管安装前使用水位计测量孔内地下水位并记录,两次测读误差应不大于2cm;组装测压管:按照管底盖→外箍接头→沉淀管→进水管→外箍接头→导管→外箍接头→管顶盖的顺序逐节组装放入孔内,管路安装连接做到紧固、严密、无渗漏;进水管段采用二层土工布包裹,土工布包裹范围长出进水管段两端各10cm;沉淀管应置入坝基0.5m以上;测压管及钻孔回填:下管前先在孔底回填10cm厚反滤料;在测压管建基面以下的进水管段与孔壁间填塞砾石;在建基面填塞沥青麻布,建基面以上回填水泥砂浆测压管及管口保护罩安装参见设计图纸中的测压管管帽及其安装示意图。
4.2测压管灵敏度检验测压管安装封孔完成后进行灵敏度检验。
检验方法采用注水试验,一般应在库水位稳定期进行。
试验前先测定管中水位,然后向管内注清水,注水量为每米测压管容积的5~10倍,注入后不断观测水位,直至恢复到或接近注水前的水位,对于砂砾土,1~2小时降至原水位或注水后水位升高不到3~5m为合格。
在运用期间,发现管内水位或压力表读数不正常时,亦应进行注水或放水试验以检查其灵敏度。
4.3测压管内渗压计安装埋设前取下渗压计测头的透水石,在渗压计钢膜片上涂一层黄油或凡士林以防生锈,透水石放入水中煮沸排气;在水中将透水石安装在渗压计测头,渗压计在水中浸泡2h以上,使测头内达到饱和状态,再在测头端用土工布包上干净饱和细砂制成的砂袋(直径<40mm),使仪器进水口通畅,防止泥浆等进入渗压计测头内部;将组装好的渗压计砂袋测头向下垂直放入管内设计高程,应严格控制和记录测头部位的埋设高程。
4.4观测电缆敷设保护⑴振弦式渗压计配用电缆是四芯屏蔽通信电缆,按照设计长度准备各个测点相应的电缆长度,并对电缆做如下检查:用万用表测量每根电缆的芯线电阻并记录;用100V(或250V)兆欧表分别检查每根芯线与屏蔽层间的绝缘电阻值,要求阻值大于100兆欧。
⑵仪器电缆布置时不得与交流电缆一同敷设,电缆走线应尽量避免受到移动设备、尖锐材料等的伤害。
电缆布线应规整,在套入电缆保护管后沿引张线沟槽引入观测房。
⑶电缆接头采用热缩管密封电缆接头技术,步骤如下:先将仪器电缆头每根芯线套上φ3mm细热缩管(长度比芯线裸露长度长1cm以上),然后与电缆每根芯线一一进行对联接,各联接芯线用焊锡焊牢,焊接段套上细热缩管,用热风枪加热热缩;各芯线联接热缩好后,用电工自粘绝缘胶带分别缠紧,再用自粘绝缘胶带总缠扎紧,缠裹要均匀,长度以覆盖住所有芯线为宜;在芯线联接前,将φ10mm热缩管预先套入电缆,芯线两端的电缆外套锉毛以便于热熔胶与电缆紧密结合,芯线联接和绝缘胶带缠裹完成后再缠裹热熔胶带,套上热缩管,用热风枪从热缩管中间向两边逐渐加热热缩,以排出气泡,直至热缩完成。
电缆接头示意图如下:4.5检查验收标准根据GB/T 22385-2008《大坝安全监测系统验收规范》的规定,静力水准仪安装质量检查验收标准如下:4.5.1测压管主要检查项目(严重缺陷):⑴安装测压管时未准确测量或计算出其管底和孔口高程,平面坐标,并做记录;⑵测压管进水段结构不满足设计要求;⑶测压管管口和孔口装置存在渗漏现象。
一般检查项目(一般缺陷):⑴测压管钻孔未按其钻孔要求进行;⑵不能提供钻孔质量记录;⑶未按要求安装反滤装置;⑷管口装置不符合测压管水位测量方式和监测要求;⑸管口保护装置不符合设计要求;4.5.2渗压计主要检查项目(严重缺陷):⑴不能提供渗压计埋设部位及高程;⑵渗压计埋设前没有率定或不能提供埋设前率定资料;⑶无法测读数据或数据明显不符合实际;⑷渗压计量程与测点实有压力不相适应。
一般检查项目(一般缺陷):⑴渗压计埋设前未按安装要求做相应的准备工作(如浸泡、包装细砂袋);⑵接长电缆未按同型号同色芯线并焊的要求;⑶接长电缆未认真进行硫化或热缩;⑷电缆接长后未用测试仪器进行量测,并做记录;⑸砂垫层、孔口盖或固定砂包的砂浆等安装有缺陷;⑹电缆走向和保护不符合设计要求。
5.监测和数据处理5.1观测方法在自动化数据采集系统未布置前,测压水位采用电测水位计观测,渗压计采用BGK408振弦式读数仪进行测量,渗压计引出电缆芯线颜色为黑红绿白,分别对应接入读数仪接线夹的黑红绿白,黑红芯线测量频率或频率模数,绿白芯线测量温度;在读数仪测量时选择传感器类型中的“B”档进行测量,测量结果为频率或频率模数及温度值。
5.2计算方法渗压计计算公式:渗压计读数=Hz2/1000,称为FP=(F i—F基)G+(Ti—T基)K式中:P—压力变化值,单位MPa;F i—本次频率模数测值;F基—建立基准时的测值;G—仪器的灵敏度系数,单位MPa/读数。
Ti—本次温度测值,单位℃;T基—建立基准时的温度测值,单位℃;K—仪器的温度系数,单位MPa/℃。
5.3观测频率按照规范、设计和监理工程师要求的测次和时间进行观测;在仪器安装后进行基准值(初始值)的测读,之后每三天观测一次,连续观测一周,以后每周或每旬观测一次,若遇特殊情况按监理指示加密观测。
5.4检查验收标准根据验收规范的规定,监测和数据处理质量通用检查验收标准如下:主要检查项目(严重缺陷):⑴二次仪表检验不合格;⑵观测精度不满足设计和规范的要求;⑶基准值取得不及时。
一般检查项目(一般缺陷):⑴一般监测项目中有少量项目观测频次不够;⑵基准值取值不合理;⑶异常值未进行加密观测与判别;⑷物理量计算方法不当;⑸观测记录不全;⑹失效仪器未经过审核而停测。
6.资料整编和初步分析6.1每次观测后立即对原始数据进行检查校核和整理,并及时作出初步分析,同时反馈给监理部和业主。
6.2每次的观测数据于当天对原始数据进行校对、整理、计算、绘图,每张观测记录表测记和计算完毕后,立即归档保管。
6.3观测数据采用规范和厂家说明书提供的公式和方法进行计算。
6.4点绘物理量、温度与时间过程线图,纵坐标为物理量、温度,横坐标为时间;绘制物理量在坝体的分布图;绘制相关物理量关系图。
6.5检查验收标准根据验收规范的规定,资料整编和初步分析通用质量检查验收标准如下:主要检查项目(严重缺陷):⑴未按规范要求及时进行资料整理和整编;⑵整编资料不齐全;⑶基本资料不全;⑷无完整的整理说明;⑸监测成果计算不正确;⑹异常值未作出处理、解释;⑺资料分析未与环境和施工变化情况相结合。
一般检查项目(一般缺陷):⑴资料归档分类不够清晰;⑵整编图表规格不统一;⑶测量粗差未剔除;⑷资料分析未进行全面特征值统计、分析;⑸资料分析未按成果绘制分布图;⑹过程线代表性不够。
7单元工程质量评定表格单元工程质量评定表格由单元工程质量评定表(表1,与静力水准施工技术方案中的相同,不再另附)及下列附表组成:仪器设备进场检查记录表(表2,与静力水准施工技术方案中的相同,不再另附)土建及安装质量检查记录表(表3-1、3-2)监测和数据处理质量检查记录表(表4,与静力水准施工技术方案中的相同,不再另附)资料整编和初步分析检查记录表(表5,与静力水准施工技术方案中的相同,不再另附)测压管埋设考证表(基本资料表)(表6-1、6-2)。