分部工程观感质量检查记录-推荐下载
- 格式:pdf
- 大小:184.47 KB
- 文档页数:8
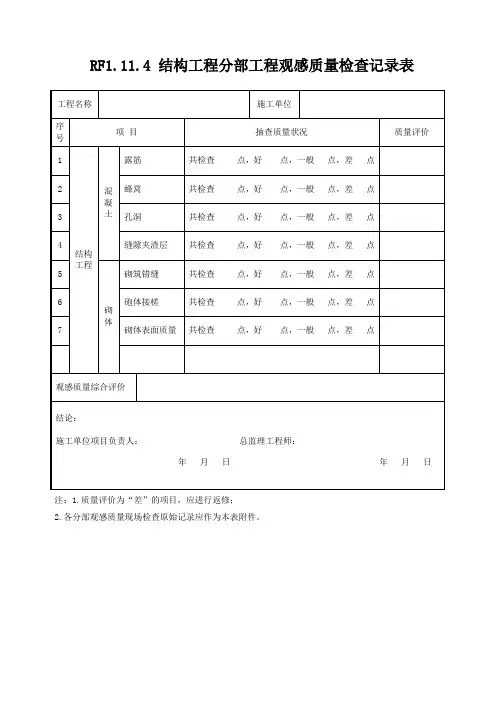
RF1.11.4 结构工程分部工程观感质量检查记录表
工程名称施工单位
序
号
项目抽查质量状况质量评价1
结构工程混
凝
土
露筋共检查点,好点,一般点,差点
2 蜂窝共检查点,好点,一般点,差点
3 孔洞共检查点,好点,一般点,差点
4 缝隙夹渣层共检查点,好点,一般点,差点
5
砌
体砌筑错缝共检查点,好点,一般点,差点
6 砲体接槎共检查点,好点,一般点,差点
7 砌体表面质量共检查点,好点,一般点,差点
观感质量综合评价
结论:
施工单位项目负责人:总监理工程师:
年月日年月日
注:1.质量评价为“差”的项目,应进行返修;
2.各分部观感质量现场检查原始记录应作为本表附件。
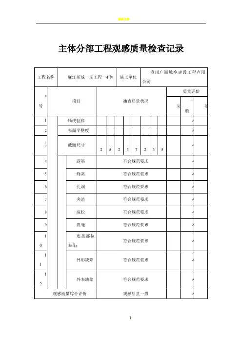
主体结构分部观感质量查收检查记录GB50300-2013工程名称茅台国际商务中心工程(二期)序号检查项目1 混凝土露筋2 蜂窝、孔洞3 夹渣、松散4 裂痕5 连结部位缺点6主麻面、起皮、起砂7 沾污体8 砌体竖向灰缝无透明缝、瞎缝、假缝结9水平灰缝的沙浆饱满度构1砖砌体组砌上下错缝,内外搭接外0观1砌体灰缝横平竖直、厚薄平均质1量1填补墙靠近梁、板底补砌状况213141混凝土柱、梁轴线位移51建筑物全高垂直度61全高标高7主1体混凝土截面尺寸8结1构混凝土表面平坦度9尺2寸砌体轴线位移0偏2差水平灰缝厚度12墙体表面平坦度22门窗洞口高、宽3施工单位贵州建工企业有限企业质量评论抽查质量状况记录一好差般无露筋无蜂窝、孔洞无夹渣、松散无裂痕切合规范规定无麻面、起皮、起砂无沾污无透明缝、瞎缝、假缝切合规范规定组砌方法正确灰缝横平竖直、厚薄平均切合设计及规范规定共检 30 点,此中29 点为好, 1 点为一般共检 30 点,此中29 点为好, 1 点为一般共检 30 点,此中28 点为好, 2 点为一般共检 30 点,此中28 点为好, 2 点为一般共检 30 点,此中29 点为好, 1 点为一般共检 30 点,此中28 点为好, 2 点为一般共检 30 点,此中29 点为好, 1 点为一般2 水平灰缝平直度共检 30 点,此中 28 点为好, 2 点为一般42 结构柱中心线地点切合设计及规范规定52627观感质量综合评论检查结论施工单位项目经理:总监理工程师:年月日年月日注:质量评论为差的项目,应进行返修。
分部工程观感检查记录日期:2024年6月15日检查人员:张工被检查单位:XX建筑公司一、项目概况该项目位于市中心,总建筑面积约为5000平方米,由XX建筑公司承接施工。
目前已完成地基施工和结构主体施工,正在进行分部工程的施工。
二、外墙施工1.外墙材料:外墙采用了玻璃幕墙和石材装饰,整体效果良好,符合设计要求。
2.外墙施工质量:观察现场,外墙施工工艺规范,没有明显的质量问题,墙面平整、无开裂。
3.颜色搭配:外墙颜色与建筑的整体风格相符,营造出了现代、大气的感觉。
三、室内装饰1.瓷砖铺贴:室内地面铺贴的瓷砖工艺精细,没有发现明显的空鼓、开裂现象。
2.涂料施工:室内墙面涂料施工均匀,色彩亮丽,没有漏刷、起皮等问题。
3.吊顶安装:室内吊顶安装工艺规范,吊顶平整、无明显的裂缝,边角处理精细。
四、电气设备安装1.照明系统:照明设备安装位置合理,光线明亮,符合照明设计要求。
2.插座布置:插座的布置合理,数量适当,位置方便使用。
3.线路敷设:电线敷设整齐,符合电气设计要求,没有交叉布线现象。
五、给排水工程1.给水设备:给水管道采用高质量的PVC管道,连接牢固,无渗漏现象。
2.排水设备:排水管道坡度适宜,连接紧密,无漏水现象。
3.卫生器具安装:卫生器具安装牢固,无松动现象,符合卫生要求。
六、安全生产1.施工现场环境整洁,杂物有序堆放,没有危险物品暴露。
2.工人佩戴安全帽,施工操作规范,没有违反安全规定的行为。
3.施工现场设置安全防护网,有效保护行人和周围建筑物的安全。
七、施工进度1.目前施工进度比较顺利,各分部工程基本按照计划进行。
2.施工现场人员有序,协调配合较好,保证了施工进度的顺利推进。
结论:经过对分部工程的观感检查,该项目施工质量较好,各分部工程施工按照设计要求进行,没有明显的质量问题。
安全生产措施到位,施工进度顺利。
希望XX建筑公司继续保持良好的施工质量和管理水平,确保项目进展顺利。
DBJ04—226—2003表F.0.1.4.3
装饰装修分部工程观感质量检查记录
项目技术负责人好一般差好一般差123456 789101112131415
16
17
施工单位项目经理
施工单位质量部门负责人
年月日观感质量综合评价
序
号检
查
结
论验收结论验收检查记录项目
总监理工程师(建设单位项目专业负责人年月日吊顶轻质隔墙
幕墙
细部做法(橱柜、窗帘盒、护
栏扶手、花饰、暖气罩等门窗安装(腻子、密封条等
玻璃安装(腻子、密封条等
室内墙面,顶棚抹灰,清水墙
匀缝等
室内墙面,(面砖、涂饰、裱糊与软包、木作等
室内地面(砂浆、混凝土、水磨石、面砖、木板散水、台阶、明沟
滴水线、槽
变形缝
施工单位自评验收质量评价室外墙面(勾缝、刷浆、涂饰、面砖、挂板等室外墙面横竖线脚
单位工程名称
包括的子分部(分项工程名称
施工单位。
消火栓系统子分部工程观感质量检查记录
单位工程名称************#楼消防工程系统工程名称1#楼消防系统包括的分项工程名称消火栓系统
施工单位**************** 项目技术负责人******
序号项目施工单位自评
验收检查记录
验收质量评价好一般差好一般差
1 消火栓箱安装检查合格
2 阀门安装检查合格
3 管道、坡度检查合格
4 管道接口检查合格
5 管道支架、套管检查合格
6 阀门配件检查合格
7 管道、支架防腐检查合格
8 水泵接合器安装检查合格9
10
11
12
13
14
15
16
观感质量综合评价
检
查结论施工单位项目经理:
施工单位质量部门负责人:
年月日
验
收
结
论
总监理工程师:
(建设单位项目专业负责人)
年月日。
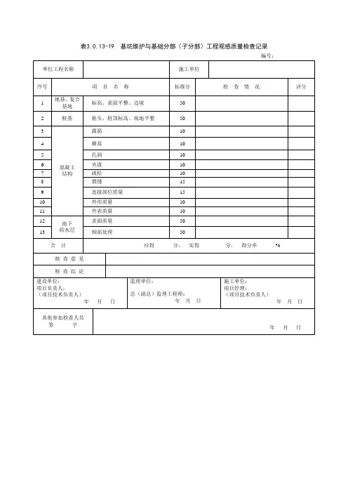
表3.0.13-19 基坑维护与基础分部(子分部)工程观感质量检查记录
编号:
单位工程名称施工单位
序号
项 目 名 称标准分
检 查 情 况
评分
1
地基、复合基地标高、表面平整、边坡50
2
桩基桩头、桩顶标高、场地平整
50
3
露筋10
4
蜂窝10
5
孔洞10
6
夹渣10
7
疏松10
8
裂缝15
9
连接部位质量15
10
外形质量10
11
混凝土结构
外表质量10
12
表面质量50
13
地下防水层细部处理50
合 计
应得
分, 实得
分, 得分率
%
核 查 意 见
核 查 结 论建设单位:项目负责人:
(项目技术负责人)
年 月 日监理单位:
总(副总)监理工程师:
年 月 日
施工单位:项目经理:
(项目技术负责人)
年 月 日
其他参加检查人员签 字
年 月 日
表3.0.13-20 主体结构分部(子分部)工程观感质量检查记录
编号:
单位工程名称
施工单位序号
项 目 名 称标准分检 查 情 况
评分
1
露筋10
2
蜂窝103
孔洞104
夹渣105
疏松106
裂缝157
连接部位质量158
外形质量109
混凝土结
构外表质量1010
焊缝外观质量1011
普通紧固件连接外观质量
1012
高强度螺栓连接外观质量1013
钢结构表面质量1014
钢网架结构表面质量1015
普通涂层表面质量1516
防火涂层表面质量1517
压型金属板安装质量
10
18
钢结构钢平台、钢梯、钢栏杆安装外观
质量
10
19
组砌方法
10
20
砌体表面质量
10
21
砌体结构
细部质量
20
合计应得分,实得分,得分率%核查意见
核查结论
建设单位:
项目负责人:
(项目技术负责人)
年月日监理单位:
总(副总)监理工程师:
年月日
施工单位:
项目经理:
(项目技术负责人)
年月日
其他参加检查人员
签字
年月日
表3.0.13-21 防水分部(子分部)工程观感质量评分表
编号:
单位工程名称
施工单位
序号项 目 名 称标准
分
检 查 情 况
评分
1卷材铺设质量20
2排气道设置质量20
3卷材屋面保护层铺设质量及上人屋面面层10
4金属板材铺设质量
50
5瓦屋面平瓦及其他屋面50
6细部构造50
合 计应得 分, 实得
分, 得分率
%
核 查 意 见
核 查 结 论建设单位
项目负责人:
(项目技术负责人)
年
月
日监理单位:
总(副总)监理工程师:
年 月 日
施工单位:项目经理:(项目技术负责人)
年
月
日
其他参加检查人员
签
字
年 月 日
表3.0.13-22 建筑装饰装修分部(子分部)工程观感质量评分表
编号:
单位工程名称施工单位
序
号
项目名称标准分检查情况评分
1地面
表面、分格缝、图案、有排水
要求的地面的坡度
10
2抹灰
表面、护角、阴阳角、分格缝、
滴水线
10
3门窗
固定、配件、位置、构造、密
封等
10
4吊顶
图案、颜色、灯具设备安装位
置、交接缝处理、吊杆龙骨外观
5
5轻质隔墙
位置、墙面平整、连接件、接
缝处理
5
6
饰面板
(砖)
表面质量、排砖、勾缝嵌缝、
细部
10
7幕墙
主要构件外观、节点做法、打
胶、配件、开启密封
10
8涂饰工程分色规矩、色泽协调5 9裱糊与软包端正、边框、拼角、接缝5
10细部工程
柜、盒、护罩、栏杆、花式等
安装、固定和表面质量
5
11外檐观感
室外墙面、大角、墙面很竖线
(角)及滴水槽(线)、散水、
台阶、雨罩、变形缝和泛水等
15
12室内观感
面砖、涂料、饰物、线条及不
同做法的节点质量
10
合计应得分,实得分,得分率%核查意见
核查结论
建设单位:
项目负责人:
(项目技术负责人)
年月日监理单位:
总(副总)监理工程师:
年月日
施工单位:
项目经理:
(项目技术负责人)
年月
日
其他参加检查人员
签字
年月日
表3.0.13-23 给水排水及采暖分部(子分部)工程观感质量评分表
编号:单位工程名称施工单位
序
号
项目名称标准分检查情况评分1管道及支架安装20
2管道、支架及设备的防腐及保温20
3设备及配件安装20
4卫生洁具及给水配件安装20
5
有排水要求的设备机房、房间地面的排
水口及地漏
20
合计应得分,实得分,得分率%核查意见
核查结论
建设单位:
项目负责人:
(项目技术负责人)
年月日监理单位:
总(副总)监理工程师:
年月日
施工单位:
项目经理:
(项目技术负责人)
年月
日
其他参加检查人员
签字
年月日
表3.0.13-24 建筑电气分部(子分部)工程观感质量评分表
编号:单位工程名称施工单位
序
号
项目名称标准分检查情况评分
1
电线管(槽)、桥架、母线槽及其支吊
架安装
20
2导线及电缆敷设(含色标)10
3接地、接零、跨接、防雷装置20
4开关、插座安装及接线20
5灯具及其他用电器具安装及接线20
6配电箱、柜安装及接线10
合计应得分,实得分,得分率%核查意见
核查结论
建设单位:
项目负责人:
(项目技术负责人)
年月日监理单位:
总(副总)监理工程师:
年月日
施工单位:
项目经理:
(项目技术负责人)
年月
日
其他参加检查人员
签字
年月日
表3.0.13-25 通风与空调分部(子分部)工程观感质量评分表
编号:单位工程名称施工单位
序
号
项目名称标准分检查情况评分1风管制作20
2风管及其部件、支吊架安装10
3设备及配件安装20
4空调水管道安装20
5风管及管道保温20
合计应得分,实得分,得分率%核查意见
核查结论
建设单位:
项目负责人:
(项目技术负责人)
年月日监理单位:
总(副总)监理工程师:
年月日
施工单位:
项目经理:
(项目技术负责人)
年月
日
其他参加检查人员
签字年月日。